360BT - Leaf blower HUSQVARNA - Free user manual and instructions
Find the device manual for free 360BT HUSQVARNA in PDF.
| Technical specifications | Backpack blower, 2-stroke engine, displacement 65.6 cm8, power 2.8 kW, maximum air flow 12.8 m8/min, air speed 90 m/s. |
|---|---|
| Usage | Ideal for cleaning gardens, driveways, and outdoor spaces, suitable for professional and private users. |
| Maintenance and repair | Regularly check the air filter, clean the spark plug, check the oil level, and perform the recommended annual maintenance. |
| Safety | Wearing safety glasses and hearing protection is recommended, do not direct the airflow towards people or animals, follow the manufacturer's safety instructions. |
| General information | Weight: 10.2 kg, sound pressure level: 104 dB(A), sound power level: 114 dB(A), 2-year warranty. |
Frequently Asked Questions - 360BT HUSQVARNA
User questions about 360BT HUSQVARNA
0 question about this device. Answer the ones you know or ask your own.
Ask a new question about this device
Download the instructions for your Leaf blower in PDF format for free! Find your manual 360BT - HUSQVARNA and take your electronic device back in hand. On this page are published all the documents necessary for the use of your device. 360BT by HUSQVARNA.
USER MANUAL 360BT HUSQVARNA
360BT, 570BTS, 580BTS

EN Operator's manual 2-18
BG P'koBOdCTBO 3a ekCnnoatauia 19-37
Transportation and storage. 15
Assembly. 7
Technical data. 16
Operation. 8
Declaration of Conformity 17
Maintenance. 11
Introduction
Product description
This product is a backpack blower with a fuel engine.
We have a policy of continuous product development and therefore reserve the right to modify the design and appearance of products without prior notice.
Intended use
Use the product to blow leaves and other unwanted material from areas such as lawns, pathways and asphalt roads.
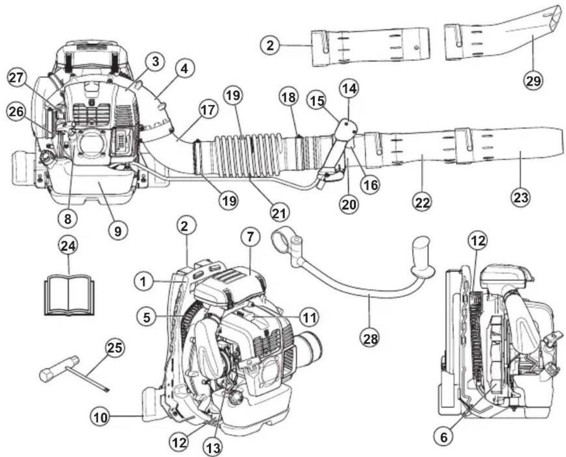
Product overview (360BT)

- Frame
- Harness
- Engine cover
- Fan cover
- Air intake screen
6.Fan - Air filter
- Starter rope handle
- Fuel tank
-
Pad
-
Spark plug
- Vibration damping system
- Choke control
- Control handle
- Start/stop switch with throttle control
- Throttle trigger
- Pipe angle
- Clamp
- Flexible hose
-
Control pipe
-
Cable clamp
- Intermediate pipe
- Blower nozzle
-
Operator's manual
-
Combination wrench
- Air purge bulb
- Idle speed screw
- Handlebar (accessory)
Product overview (570BTS, 580BTS)

- Frame
- Harness
- Engine cover
- Fan cover
- Air intake screen
- Fan
- Air filter
- Starter rope handle
- Fuel tank
- Hip pad
- Spark plug
- Vibration damping system
- Choke control
- Control handle
- Stop switch with throttle control
- Throttle trigger
- Pipe angle
- Clamp
- Flexible hose
-
Control pipe
-
Cable clamp
- Intermediate pipe
- Blower nozzle
- Operator's manual
- Combination wrench
- Air purge bulb
- Idle speed screw
- Handlebar (accessory)
- Flat nozzle (accessory)
Symbols on the product

WARNING! This product can be dangerous and cause serious injury or death to the operator or others. Be careful and use the product correctly.

Read the operator's manual carefully and make sure that you understand the instructions before use.

Use approved hearing protection and approved eye protection. If the environment contains dust, use a breathing mask.

Use approved protective gloves.

Mixture of gasoline and two-stroke oil.

Air purge bulb.

Keep all body parts away from hot surfaces.

Choke, open position.

Choke, closed position.

This product complies with applicable EC Directives.

This product conforms to applicable UK regulations.

Noise emission to the environment label as per EU and UK directives and regulations, and New South Wales legislation "Protection of the Environment Operations (Noise Control) Regulation 2017". The
guaranteed sound power level of the product is specified in Technical data on page 16 and on the label.

Look out for thrown objects. Thrown objects can cause serious injury. Use personal protective equipment.

Keep a safety distance at a minimum of 15m to persons or animals.
yyyywwxxxxxx
The rating plate shows the serial number. yyyy is the production year and ww is the production week.
Note: Other symbols/decals on the product refer to certification requirements for other commercial areas.
Euro V Emissions

WARNING: Tampering with the engine voids the EU type-approval of this product.
Product liability
As referred to in the product liability laws, we are not liable for damages that our product causes if:
- the product is incorrectly repaired.
- the product is repaired with parts that are not from the manufacturer or not approved by the manufacturer.
- the product has an accessory that is not from the manufacturer or not approved by the manufacturer.
- the product is not repaired at an approved service center or by an approved authority.
Safety
Safety definitions
The definitions below give the level of severity for each signal word.

WARNING: Injury to persons.

CAUTION: Damage to the product.
Note: This information makes the product easier to use.
General safety instructions

WARNING: Read the warning instructions that follow before you use the product.
- Do not do changes to the product without approval from the manufacturer and always
use original accessories. Modifications and/or accessories that are not approved can result in serious injury or the death of the operator or others.
- Do not use a damaged product. Do the safety checks and maintenance given in this operator's manual. All other maintenance must be done by approved servicing personnel.
- All servicing and repair operations must be done by approved servicing personnel. If a part of the product is defective, speak to your servicing dealer.
Safety instructions for operation

WARNING: Read the warning instructions that follow before you use the product.
- This product can be dangerous and cause serious injury or death to the operator or others. Be careful and use the product correctly.
- Do an inspection of the product before use. Refer to Maintenance on page 11.
- Do not operate the product when you are tired, ill or under the influence of alcohol or other drugs that can decrease your vision, judgment or coordination.
- Install all covers and guards before use. To prevent electrical shock, make sure that the spark plug cap and ignition cable are not damaged.
- Do not touch the spark plug or ignition cable when the engine is on.
- Keep a safety distance at a minimum of 15 m to persons or animals. If persons, children or animals come nearer than 15 m, stop the product. Point the product away from persons, animals, open windows and other objects.
- Do not let children operate the product. Make sure that all operators read and understand the contents of this operator's manual.
- Keep hands or other objects away from the blower housing during operation. Rotating parts can cause serious injury.
- Do not use the product if the air intake screen is not installed. Always make sure that the air intake screen is installed and not damaged before use.
If an emergency occurs, release the waist belt and chest belt of the harness and let the product fall. - Obey national regulations and directives.
- Keep all body parts away from hot surfaces.
- This product produces an electromagnetic field during operation. This field may under some circumstances interfere with active or passive medical implants. To reduce the risk of serious or fatal injury we recommend persons with medical implants to consult their physician and the
medical implant manufacturer before operating this product.
- Too much vibration can cause damage to the circulation or the nervous system. Speak to your physician if you have symptoms, for example numbness, loss of feeling, tingling, pricking, pain, loss of strength or changes in skin color in your fingers, hands or wrists.
- Look out for thrown objects. Thrown objects can cause serious injury.
- Do not use the product in bad weather, for example fog, rain, strong winds and too cold environments. To do work in bad weather can cause tiredness and dangerous conditions.
- Make sure that you can move and keep a stable position. Do a check of the work area for possible obstacles, for example rocks. Be careful if you operate the product on a slope.
- Do not put the product on the ground with the engine on.
- Do not operate the product from high positions, for example on a ladder.
Make sure that you can always be heard if an accident occurs. - Make sure that the exhaust fume outlet is not blocked. To prevent damage to the product, keep obstacles at a minimum distance of 50~cm from the exhaust fume outlet.
- Do not start the product indoors, in bad airflow or near flammable material. The engine exhaust fumes contain carbon monoxide, which can cause carbon monoxide poisoning. The engine exhaust fumes are hot and can contain sparks which can start a fire.
Personal protective equipment

WARNING: Read the warning instructions that follow before you use the product.
- Use approved personal protective equipment when you use the product. Personal protective equipment cannot fully prevent injury but it can decrease the degree of injury. Speak to your dealer for more information.
- Use approved hearing protection. Long-term exposure to noise can result in permanent hearing damage.
- Use approved eye protection. If you use a visor, you must also use approved protective goggles. Approved protective goggles must agree with the ANSI Z87.1 standard in the USA or EN 166 in EU countries.
- Use protective gloves during operation and maintenance.
- Use protective boots or shoes with non-slip soles.
Use clothing of strong fabric and of full length. Do not use jewelry or open shoes. To decrease the risk on injury, your clothing must be close
fitting but not limit your movements. Put your hair above your shoulders to prevent that your hair enters rotating parts or catches on branches.
- Use breathing protection when there is a risk of dust.
- Keep first aid equipment near.
Safety devices on the product

WARNING: Read the warning instructions that follow before you use the product.
- Do not use a product with defective safety devices.
- Do a check of the safety devices regularly. Refer to Maintenance on page 11.
- If the safety devices are defective, speak to your Husqvarna servicing dealer.
To do a check of the muffler

WARNING: Do not use a product with a defective muffler.

WARNING: The muffler becomes very hot during and after operation, also at idle speed. Use protective gloves to prevent burn injuries.

WARNING: The inner side of the muffler contains chemicals that may be carcinogenic. Do not touch the muffler if it is damaged.
- Regularly do a visual check of the muffler. The muffler keeps noise levels to a minimum and sends exhaust fumes away from the operator. Refer to To do maintenance on the muffler on page 12.
To do a check of the vibration damping system
- Make sure that there are no cracks or deformation on the vibration damping units.
- Make sure that the vibration damping units are correctly attached to the engine unit and handle unit.
Refer to Product overview (360BT) on page 2 for information about where the vibration damping system is on your product.
To do a check of the start/stop switch
- Use the start/stop switch to stop the engine.
- Make sure that the engine stops fully.
To see where the start/stop switch is on your product, refer to Product overview (360BT) on page 2.
Harness safety
- Make sure that the waist belt is attached and correctly adjusted. Loose ends of the harness can enter rotating parts and cause damage to the fan. If the fan is damaged, loose parts of the product can eject and cause injury or damage.
Fuel safety

WARNING: Read the warning instructions that follow before you use the product.
- Do not mix or add the fuel indoors or near a heat source.
- Do not start the product if there is fuel or oil on the product or on your body.
- Do not start the product if the engine has a fuel leak. Examine the engine for fuel leaks regularly.
- Always be careful with fuel. Fuel is flammable and the fuel fumes are explosive and can cause serious injury or death.
- Do not breathe in the fuel fumes, it can cause injury. Make sure that there is a sufficient airflow.
- Do not smoke near the fuel or the engine.
- Do not put the product or a fuel container near warm objects, an open flame, a spark or a pilot light.
- Always use approved containers for storage and transportation of fuel.
Safety instructions for maintenance

WARNING: Read the warning instructions that follow before you use the product.
- Stop the engine, remove the spark plug and let the engine become cool before maintenance and assembly.
- A blocked spark arrestor screen causes the engine to become too hot which causes damage to the engine.
Assembly
Introduction

WARNING: Read and understand the safety chapter before you assemble the product.
To assemble the blower pipe and the control handle on the product
- Attach the flexible hose (A) to the pipe angle and the control pipe (B) with the clamps (C) and (D).

Note: Lubricate the control pipe and the flexible hose to make them more easy to assemble.
- Attach the handle holder (E) to the control pipe. Align the handle holder with the flange on the control pipe.

- Adjust the position and angle of the control handle to a safe and correct work position. Tighten the knob.
- Attach the cable to the flexible hose with the cable clamp.

- Attach the intermediate pipe to the control pipe.

Note: If it is a requirement to use a longer circular blower pipe, an extended intermediate pipe is available.
- Attach the blower nozzle to the intermediate pipe.
Note: The blower nozzle can only be installed on the intermediate pipe.
To assemble the handlebar (optional accessory)
- Disassemble the intermediate pipe.
- Remove the knob from the holder and push the holder onto the control pipe.
- Install the handlebar and the knob. Tighten the knob.

- Assemble the intermediate pipe.
To assemble the flat nozzle (optional accessory)
The flat nozzle gives a higher air speed than the blower nozzle.
- Remove the blower nozzle from the intermediate pipe and install the flat nozzle.

Operation
Introduction

WARNING: Read and understand the safety chapter before you use the product.
Fuel
This product has a two-stroke engine.

CAUTION: Incorrect type of fuel can result in engine damage. Use a mixture of gasoline and two-stroke oil.
Premixed fuel
- Use Husqvarna premixed alkylate fuel for best performance and extension of the engine life. This fuel contains less harmful chemicals compared to regular fuel, which decreases harmful exhaust fumes. The quantity of remains after combustion is lower with this fuel, which keeps the components of the engine more clean.
To mix fuel
Gasoline
- Use good quality unleaded gasoline with a maximum of 10% ethanol contents.

CAUTION: Do not use gasoline with an octane grade less than 90 RON/87 AKI. Use of a lower octane grade can cause engine knocking, which causes engine damages.
Two-stroke oil
-
For best results and performance use Husqvarna two-stroke oil.
-
If Husqvarna two-stroke oil is not available, use a two-stroke oil of good quality for air-cooled engines. Speak to your servicing dealer to select the correct oil.

CAUTION: Do not use two-stroke oil for water-cooled outboard engines, also referred to as outboard oil. Do not use oil for four-stroke engines.
To mix gasoline and two-stroke oil
| Gasoline, liter Two-stroke | oil, liter |
| 2% (50:1) | |
| 5 0.10 | |
| 10 0.20 | |
| 15 0.30 | |
| 20 0.40 |

CAUTION: Small errors can influence the ratio of the mixture drastically when you mix small quantities of fuel. Measure the quantity of oil carefully and make sure that you get the correct mixture.

-
Fill half the quantity of gasoline in a clean container for fuel.
-
Add the full quantity of oil.
-
Shake the fuel mixture.
-
Add the remaining quantity of gasoline to the container.
- Carefully shake the fuel mixture.

CAUTION: Do not mix fuel for more than 1 month at a time.
To fill the fuel tank

WARNING: Obey the procedure that follows for your safety.
- Stop the engine and let the engine become cool.
- Clean the area around the fuel tank cap.

- Shake the container and make sure that the fuel is fully mixed.
- Remove the fuel tank cap slowly to release the pressure.
- Fill the fuel tank.

CAUTION: Make sure that there is not too much fuel in the fuel tank. The fuel expands when it becomes hot.
- Tighten the fuel tank cap carefully.
- Clean fuel spillage on and around the product.
- Move the product 3m / 10 ft or more away from the refueling area and fuel source before you start the engine.
Note: To see where the fuel tank is on your product, refer to Product overview (360BT) on page 2 and Product overview (570BTS, 580BTS) on page 3.
To start the product
- For 360BT. If the engine is cold, push the choke lever to the closed choke position. Refer to Symbols on the product on page 3.

- For 570BTS and 580BTS. If the engine is cold, push the choke lever to the closed choke position. Refer to Symbols on the product on page 3.

- Push the air purge bulb again and again until fuel starts to fill the air purge bulb. It is not necessary to fill the air purge bulb fully.
- Push the start/stop switch with throttle control to the 1/3 speed position. Refer to To operate the throttle control/stop switch on page 10.
- Put the product on a flat surface on the ground.
- Hold the product with the left hand.


CAUTION: Do not use your feet to hold the product.
-
Pull the starter rope handle slowly until resistance occurs.
-
Pull the starter rope handle quickly with the right hand. Pull the starter rope handle again and again until the engine starts.
Note: Do not pull the starter rope handle to full extension and do not let go of the starter rope handle.
-
If the engine is cold, push the choke lever to the open choke position gradually until the choke lever stops.
-
If the engine is cold, let the engine operate for 2-3 minutes to become warm before operation.

WARNING: Air is released when the engine is started and when the product is set at idle speed. Do not let persons to come near the product or the blower tube.
To operate the throttle control/stop switch

- Apply full throttle (A).
- Apply 1/3 speed (B).
- Apply idle speed (C).
- Stop the product (D).
To operate the product
- This blower is a backpack type, and is carried using a shoulder harness while operating. It is operated and controlled with the handle on the tube using the right hand.

- Operate the product at usual work hours. Obey local regulations.
- Decrease the pieces of equipment and select the correct speed for your task. Use the throttle at lowest position possible to prevent more noise and dust than necessary.
- Keep the blower nozzle near the ground.
Note: Husqvarna recommends that you use the full blower nozzle extension.
Make a note of the wind direction and operate the product in the direction of the wind.
- Use applicable garden tools to release material from the ground.
- In areas with dust, use spray equipment to wet the area. This decreases the operation time.
After operation, keep the product in storage vertically.
To stop the product

CAUTION: Do not stop the product at full speed.
- Put the start/stop switch with throttle control in the stop position. Refer to To operate the throttle control/stop switch on page 10.
To adjust the harness
A correctly adjusted harness and product makes operation easier.
- Put on the harness of the product.
- Tighten the side straps until the product is tight against your body.

For 570BTS, 580BTS:
- Put the waist belt around your waist.
- Tighten the waist belt strap. Make sure that the weight of the blower stays on your hips.
- Connect the chest strap to the clip.
- Tighten the strap.
Maintenance
Introduction

WARNING: Read and understand the safety chapter before you do maintenance on the product.
Maintenance schedule
| Maintenance Daily Weekly Monthly | |||
| Clean the external surfaces. X | |||
| Make sure that the control handle operates correctly. X | |||
| Make sure that the start/stop switch operates correctly. Refer to To do a check of the start/stop switch on page 6. | X | ||
| Examine the engine, the fuel tank and the fuel lines for leaks. Examine the fuel filter for contamination. Replace the fuel filter if it is necessary. | X | ||
| Clean the air filter. Replace the air filter if it is necessary. X | |||
| Tighten nuts and screws. X | |||
| Examine the air intake and make sure that it is not blocked. X | |||
| Examine the starter and the starter rope for damages. X | |||
| Examine the vibration damping units for damages, cracks and deformation. Make sure that the vibration damping units are correctly installed. | X | ||
| Examine the spark plug. Refer to To do a check of the spark plug on page 11. | X | ||
| Clean the cooling system. X | |||
| Clean the external surface of the carburetor and the area around it. X | |||
| Clean the fuel tank. X | |||
| Examine all cables and connections. X | |||
| Examine and clean the spark arrester screen on the muffler (for products without catalytic converter). | X | ||
| Examine and clean the spark arrester screen on the muffler (for products with catalytic converter). | X | ||
| Examine the spark plug. Replace if it is necessary. X |
To adjust the idle speed
- Make sure that the air filter is clean and that the air filter cover is attached.
- Adjust the idle speed with the idle speed screw. To see where the idle speed screw is on your product, refer to Product overview (360BT) on page 2.
To do a check of the spark plug

CAUTION: Use the recommended spark plug. Refer to Technical data on page 16. An incorrect spark plug can cause damage to the product.
- Stop the engine and let the product become cool.
-
Clean the spark plug if it is dirty.
-
Make sure that the electrode gap is correct. Refer to Technical data on page 16.

- Replace the spark plug monthly or more frequently if it is necessary.
To do maintenance on the muffler
- Stop the engine and let the muffler become cool. Always use protective gloves.
- Remove the screws (A), the screws (B) and the exhaust duct (C).

- Remove the spark arrester screen (D) and clean it with a wire brush. Replace the spark arrester screen if it is damaged.
- Remove dirt from muffler and from the exhaust port of the cylinder with the wire brush.
- Attach the spark arrester screen (D) and the exhaust duct (C) with the screws (B). Tighten the screws to 2-3 Nm.
- Tighten the screws (A) to 8-12 Nm. Make sure that the muffler is correctly attached to the product.
To examine and clean the cooling system
The cooling system includes the cooling fins on the cylinder and the air intake screen.
- Stop the engine.
- Make sure that the cooling system is not dirty or blocked. If it is necessary, clean the air intake screen and cooling fins.

CAUTION: A dirty or blocked cooling system can increase the temperature of the engine and cause damage to the product. A clogged air intake screen decreases the blow force.
- Examine the cooling system for damages. Make sure that the parts are attached correctly to the product.
Air filter

CAUTION: Do not use a product without an air filter or with a damaged air filter. Dust in the air can cause damage to the engine.
Note: An air filter that has been used for a long time cannot be fully cleaned. Replace the air filter regularly and always replace a defective air filter.
Note: Clean the air filter regularly from dirt and dust. This prevents carburetor malfunctions, starting problems, loss of engine power, wear to engine parts and more fuel consumption than usual. Clean the air filter at an interval of 40 hours of operation or less if it is heavy operation conditions.
To clean the air filter (360BT)
- Push the choke control to the closed position.
- Remove the air filter cover (A).
- Remove the air filter (B) from the filter frame.

- Clean the air filter with warm water with soap.
- Clean the inner surface of the air filter cover (A) with a brush.
- Apply oil to the air filter. Refer to To apply oil to the foam air filter (360BT) on page 12.
- Put the air filter in the filter frame.
- Attach the air filter cover to the product.
To apply oil to the foam air filter (360BT)

CAUTION: Always use Husqvarma special air filter oil. Do not use other types of oil.

WARNING: Put on protective gloves. The air filter oil can cause skin irritation.
- Put the foam air filter in a plastic bag.
- Put the oil in the plastic bag.
- Rub the plastic bag to supply the oil equally across the foam air filter.
- Push the unwanted oil out of the foam air filter while in the plastic bag.

To clean the air filter (570BTS, 580BTS)

CAUTION: Do not put oil on the foam element of the air filter in 570BTS and 580BTS.
- Loosen the fasteners that holds the air filter cover in position.

- Remove the air filter cover (A).

- Remove the foam filter (B) and the paper filter (C) from the filter frame.
- Replace the paper filter (C).
- Clean the foam filter (B) with warm soap water.
- Make sure that the foam filter (B) is dry.
- Clean the inner surface of the air filter cover with a brush (A).
To replace the harness

WARNING: A damaged harness can make the product fall and cause injuries. Make sure to install the clamp correctly.
- Stop the engine.
- Remove the clamp from the strap.
- Push the end of the strap through the eyelet.
- Pull the new strap through the eyelet.
- Put the pin into the strap to attach the clamp to the new strap.

Troubleshooting
| The engine is not possible to start | ||
| Check Possible | cause | Solution |
| Stop button. Stop position Set the stop switch to the start position. | ||
| Starter pawl/s. | Blocked or worn starter pawl/s. | Adjust or replace the starter pawl/s. |
| Clean around the starter pawl/s. | ||
| Speak to an approved servicing dealer. | ||
| Fuel tank. Incorrect fuel type. | Drain the fuel tank and use correct fuel. | |
| Carburetor. Adjustment of the idle speed. | Adjust the idle speed with the idle adjustment screw. | |
| Spark (no spark). | Spark plug dirty or wet. | Make sure that the spark plug is dry and clean. |
| Electrode gap on the spark plug is incorrect. | Clean the spark plug. Make sure that the electrode gap is correct. Make sure that the spark plug is installed with a suppressor. | |
| Refer to technical data for the correct electrode gap. | ||
| Spark plug. | Spark plug is loose. | Tighten the spark plug. |
| There is un-wanted material on the spark plug electrodes. | Make sure that the fuel mixture is correct. | |
| Make sure that the air filter is clean. | ||
| Engine starts but stops again | ||
| Check Possible | cause | Solution |
| Fuel tank. Incorrect fuel type. | Drain it and use the correct fuel. | |
| Carburetor. Engine will not operate correctly at idle speed. | Speak to your servicing dealer. | |
| Air filter. Clogged air filter. | Clean the air filter. | |
Transportation and storage
Transportation and storage

WARNING: To prevent the risk of fire, make sure that there are no leaks or fumes during transportation or storage. Make sure that there is no risk of sparks or fire.
- Empty the fuel tank before transportation or long-term storage. Push the air purge bulb to make sure that all fuel is removed. Discard the fuel at an applicable disposal location.
- Make sure that the product is clean and that a full servicing is done before long-term storage.
- Remove the spark plug and put approximately 15ml of two-stroke oil into the cylinder. Turn the product 3 times and install the spark plug again.
- Attach the product safely to the vehicle during transportation.
- Keep the product in a dry, cool and clean space with good airflow. Keep the product away from children.
Technical data
| 360BT 570BTS | 580BTS | ||
| Engine | |||
| Cylinder displacement, cm³ | 65.6 | 6 | |
| Idle speed, rpm 2000 2000 2000 | |||
| Catalytic converter No No No | |||
| Ignition system | |||
| Spark plug NGK CMR7H NGK CMR7H NGK CMR7H | K CMR7H | ||
| Electrode gap, mm 0.6-0.7 0.6-0.7 0.6-0.7 | |||
| Fuel and lubrication system | |||
| Fuel tank capacity, l / cm³ | 2.2 / 2200 2.2 / | 2200 2.6 / 2600 | |
| Weight | |||
| Weight without fuel, kg 10.5 11.2 11.8 | |||
| Noise emissions¹ | |||
| Sound power level, measured dB (A) 110 1 | 10 111 | ||
| Sound power level, guaranteed LWA dB (A) | 111 110 112 | ||
| Sound levels² | |||
| Equivalent sound pressure level at the operator's ear, measured according to EN15503 dB(A): | |||
| Equipped with blower nozzle (original) 104 | 103 100 | ||
| Vibration levels³ | |||
| Equivalent vibration levels (ahv,eq) at handles, measured according to EN 15503, m/s² | 2.5 1.8 1.6 | ||
| Fan performance | |||
| Max. air velocity with blower nozzle, m/s | 104 106 92 | ||
| Air flow with blower nozzle, m³/min 18 | 22 | 26 | |
Declaration of Conformity
EC Declaration of Conformity
We, Husqvarna AB, SE-561 82 Huskvarna, Sweden, tel: +46-36-146500, declare on our sole responsibility that the product:
| Description Backpack | blower |
| Brand Husqvarna | |
| Type / Model 360BT, | 570BTS, 580BTS |
| Identification Serial n | numbers dating from 2022 (360BT), 2023 (570BTS, 580BTS) and onwards. |
complies fully with the following EU directives and regulations:
| Regulation Description | |
| 2006/42/EC "relating" to machinery" | |
| 2014/30/EU "relating" to electromagnetic compatibility" | |
| 2000/14/EC "relating" to the noise emissions in the environment" | |
| 2011/65/EU "on the restriction of the use of certain hazardous substances in electrical and electronic equipment" |
and that the following standards and/or technical specifications are applied: EN ISO 12100:2010, CISPR 12:2009, EN 15503:2009+A2:2015, EN IEC 63000:2018
RISE SMP Svensk Maskinprovning AB, Box 7035, SE-750 07 Uppsala, Sweden has performed voluntary type examination on behalf of Husqvarna AB.
Certificate Number: SEC/22/2566 - 360BT, SEC/10/2276 - 570BTS, SEC/10/2277 - 580BTS
RISE SMP Svensk Maskinprovning AB, Box 7035, SE-750 07 Uppsala, Sweden has also verified agreement with appendix V of the council's directive 2000/14/EG.
For information relating to noise emissions, refer to Technical data on page 16.
Huskvarna, 2023-01-01

Stefan Holmberg, R&D Director, Technology Management, Husqvarna AB.
Responsible for technical documentation

UK Declaration of Conformity
We, Husqvarna AB, SE-561 82 Huskvarna,
Sweden, tel: +46-36-146500, declare on our sole
responsibility that the product:
| Description Backpack | blower |
| Brand Husqvarna | |
| Type / Model 360BT, | 570BTS, 580BTS |
| Identification Serial numbers dating from 2022 (360BT), 2023 (570BTS, 580BTS) and onwards. | |
complies fully with the following UK regulations:
| Description |
| The Supply of Machinery (Safety) Regulations 2008 |
| Electromagnetic Compatibility Regulations 2016 |
| The Noise Emission in the Environment by Equipment for use Outdoors Regulations 2001, Schedule 8 |
| The Restriction of the Use of Certain Hazardous Substances in Electrical and Electronic Equipment Regulations 2012 |
and that the following standards and/or technical
specifications are applied: EN ISO 12100:2010,
CISPR 12:2009, EN 15503:2009+A2:2015, EN IEC
63000:2018
For information relating to noise emissions, refer to
Technical data on page 16
Huskvarna, 2023-01-01

Stefan Holmberg, R&D Director, Technology Management, Husqvarna AB.
Responsible for technical documentation

UK Importer:
Husqvarna UK Ltd
Preston Road, Co. Durham
DL56UP
CbDbPkaHne
BbBeHeHne 19
BezonachocT 22
MOnTeK. 24
Onepaia 26
Pondpbckka 29
OTcTpaHraBeHa npo6nemu. 32
TpaHcnpT n cBxpaHeHne. 34
TexnueckxapaKtepncTkn. 35
Deknapaun 3a cbotbETCTBne. 37
BbVeDHeNc
OncanHe Ha npodykTa
To3 npOdyKT e npEHO KOMPecOpHO o6OpyDbaHe c Dnuratc BbTpewHo ropeHe.
Hne imame noJntka Ha Hnpekbcato YcBbPwEhCTBaHe Ha npOdyKTIne n 3aTOBa cn 3ana3BaMe npABOTa npomeHme TxHaTa KOHCTpyKUNI IN BbHWeH Bn63 npDeiN3BeCTne.
IpeHa3NaueHne
I3non3BaIte npOyKta 3a cb6upaHe Ha IIncTa nnI dpyrH HexeJaanPipeJMeTn OT 30H KATO MOpabN, nTBekn H acpantnpaHn Tnua.
Ossh nperepeHa npodukta (360BT)

- Pamka
- Camap
- Kanak Ha DnBraTeTna
- Kanak Ha BeHTnataTopa
5.ФИNTbРHa CMyKaTeJIHnB b3dYxONpOBoD - BeHTnIaTOp
7.Bb3dywenaHnTbp -
PbkoxBaTka Ha BbKeTo Ha cTapTepa
-
Pe3epBoaap 3a ropuBo
10.Подложка
11.3anaIteHa CBeu
12.AHTNBn6paLIOHna CNTema - Cmykau
- PbkoxBaTka 3a ynpabneneHne
-
IpeBkIIOHbATEJ 3a cTAPtnpaHe/cnnpaHe c perynaTOp Ha npocenHaTa Kana
-
Perynatop 3a ra3ta
- Tpb6ho KOnraHo
- Cko6a
- Meka Bpb3ka
20.OchOBHa Tpb6a - Cko6a Ha Ka6eJ
22.Мждинна Трьба
23.Дюза за komпесорнообopyдванe
24. PbkoBoIDCTBO 3a onepaTopa
25. KomboHnpaHraeueHKnou
26. Kynon ha ropubhata nomna
27. BnHT 3a o6opOTn Ha npa3eH xo
28. PbkoxBaTka (PnHaJneXHocT)
O6u npereHa npoayka (570BTS, 580BTS)

- Pamka
- Camap
- Kanak Ha Dbratela
- Kanak Ha BeHTnTaTopa
5.ФиntbрHa cMyKaTeJIHnB b3dYxONpOBoD - BeHTnlaTOp
7.Bb3dywenΦnTbp - PkoXBaTKa Ha BbKeTo Ha cTape
- Pe3epBoap 3a ropuBO
10.Поллoxka3a6eДро
11.3anaIteHa cBeu
12.AHTBnB6paQIOHNa CNTema - Cmykau
- PboKoxBaTkca 3a ynpabnHeHne
- PpeBknHbTeI 3a cnipaHe c peryIaTOp Ha dpocenHaTa Kna
-
Perynatop 3a rata
-
Tpb6ho kOJraHo
- Cko6a
- Meka Bp3ka
20.OchOBHa Tpb6a - Cko6a Ha Ka6eI
- Мекдинна Трьба
23.ДиэзаЗКOMпесорнообopyдван - PboBocTBo 3a onepaTopa
- Kom6HnnpaH raeueh KInou
- KynoI ha ronpBHaTa nomna
- BnHT 3a o6opOTn Ha npa3eH xo
- PbkoXBaTka (pnuHaJIeJxHocT)
29.Плосьн haКаинк (прнанджнocт)
CnmboJI N Bbpy npOdykTa

PNEyPExEHNIE!To3n npOdyKT MoKe Da 6bJe onaceH Ja npuHHc cepNo3HO HapaHBAHe nn CMBpT Ha onepaTopa nn DpyrX opa. BHIMaBaiTe n N3noJ3BaIe npOdyKta npaBnHO.

PpoheTeBHHMaTeJIHObpkoBOcTBOTo3aonepaTopaNceybepeTe,ye pa3bnpaTe HnCTpyKUnTe,npdI Da n3non3BaTe MaunHaTata.

N3noJ3BaIte Oo6peHa 3aunTa Ha cnlyxa nOo6peHa 3aunTa Ha OUnTe. Ako B OkonHata cpeHa mpaX, N3noJ3BaIte PpeJa3Ha MaKa.

N3non3BaIte Odo6peHn 3aunTHn pKaBUN.

CMcOT6eH3nHmAcNo 3a DByTaKTOBnDnRatEn.

Kynon Ha ropubhata nomna.

ДрькTe BCnЧиЧаСТи HA TЯЛОТСДаNEч OT RopeuNTe NOБьрхHOCHTN.

CMykau,OTBOpEHO NOJIOKeHne.

Cmykau, 3aTbopeHo noJIOXKeHne.

To3n npOdyKT OTROBapra Ha 1N3NCKBAHnra Ta Ha pPnIOXmnte DInpeKtNBn Ha EO.

To3n npOdyKT cBoTBeTcTbHa HnpINOxKIMITE perIaMeHTn Ha O6eINHeHOTo KpaIcTBO.

EtKET 3a UyMOBte emCn3a OKONHATA CpeDa CbINaCHOUpeKTNBTE n perMaHTe Ha EC uObeHNHeHOTo KpaJICTBOu3aKOHODATEJCTBOTO Ha HOB IOXeH YeNC "PernameT 2017 OTHOCHO3aUNiTa oT DeHocTN, OKa3BaunBInHne Ha OKONHATA CpeDA (KoHTpOHa Wyma)".FapAHtupaHOTHOHBo HA 3ByKObATA MOUHcT HaIPOdykTA e IIOcoyeHO B TexHueckx XapaKTePncTKn Ha cTpaHua 35nHa etNKeta.

BnMaBaIte 3a Xbpyau npedmetn. XbpyauuTe npedmetn MOrat da npuHrT cepno3Ho hapaHbAhe. N3noJ3BaIte IuHn npedna3HcpeDCTba.

IopdbpkaaTe MmHMaJIHO 6e3oNaCHO pa3cTOrHne 15 m OT Xopa NIN KINBOTNI.
TTTCCXXXXX
Ha Tabekata C daHHn e
H3ncaH cepHHnT Homep.
yyy e rOHHaTa Ha npOn3- BOCTBO, a WW -ceMnCaTa
Ha npOn3BOCTBO.
3a6eKka: OCTaHaJIte CnMBOJIN/CTNKePN Ha npOyKTa ce OTHACrT Do N3NCKBaHn rno OTHOWeHne Ha cepTnΦNKaTn 3a dpyr TbproBcN pIoU.
EMCENEuroV

PPEyPExKDEHNE:
Hamecata B dBnraTeT npaBn HeBaIiNDHO EC oOobpeHneTo Ha TnHa To3N npOdyKT.
OTROBOPHOCT 3a npOdyKTa
KaKTo e nocOeHO B 3aKOHnte 3a OTROBOPHOCT 3a BpeNi, pNpUHHeH NT CTOKn, Hne He HOCIM OTROBOPHOCT 3a UETn, pNpUHHeH NT HAUNI npOdyKT, aKO:
- npodykTbTe HnpeBUNHO peMOHTupaH.
- npOdykTbTepeMOHTnpaH C qactn, KOINTo He ca OT pOn3BOIDNTeJIr He ca ODo6peHr OT pOn3BOIDNTeJIr.
- PpOdykTbT mMa pPnHaIeNkHocT, KOrTo He e OT pPOn3BODHTeJI HIn He e ODo6peHa OT pPOn3BODHTeJI.
- npOdykTbT He e peMOHTupaH B Odo6peh cepBn3eH ueTbp nIN OT Odo6peh opraH.
Бe3опасноct
IeHnHn3a6e0nacnoct
IeHnHnHTeNo-dony npedocTaBt HNBOTo Ha cepno3HOCT 3a BcKa eHa npdynpeDHTHa dyma.

PPEyPPEKDEHNE:
HapaHaBaHe Ha JIua.

BHIMAHNE:Поврета на
npoDyKTa.
3a6eJekKa: Ta3n INHΦopMaζη npaBn npodykTa NO-NeceH 3a n3IOn3BaHe.
O6uHnHCTpyKuIN 3a 6e3oNaCHOCT

PPEyIPEKDEHNE:
PpoyeTe cIeBawnte npEynpeIteHn yka3aHna, npEyn da n3noI3BaTe npOykTa.
He npabete n3MeHnI NO npOdykTa 6e3 Oo6peHneTo Ha npOn3BOdntEa N BnHaNn 3No13BaIte opuHaJIHn npHaIeXHOCTn. H3MeHnI u/nn npHaIeJxHOCTn, KOtO He ca Oo6peHn, MoraT da DoBeaT do cepno3Ho HapAraBaHe nn Do CmbpT Ha OepaTopa nn dpyrN Xopa.
He n3no3BaIte NOBpeHnpoDyKT. H3BbPWeTe NOCOeHNTE B Ta3N NHCTpyKU 3a ekCnloatauŋ PNOBepKn 3a 6e3oNaChOcT n TexHnuecko 06cnykBaHe. LAnoto octaHaNo TexHnuecko 06cnykBaHe Tp86Ba Da ce n3BbPnOT Odo6peH cepBn3eH nepcoHaJI.
- Bcun no nepaun no cepbn3no ocbnykbahe n peMOHT Tp86Ba da ce n3BbPwat OT oOobpeh cepbn3en nepcoHa. Ako daeHa yact ot npodykta e depektha, obpHeTe ce KbMa Baunn cepbn3en dinctpn6bytop.
- MoHTnpaIte MeKdINHHaTa Tpb6a.
3a da MOHTnpaTe NIOCKaTa DIO3a (DOnbNHTeHNa npHaadJeXHOCT)
IIOCKaTa DIO3a OCNHyPRABa NO-BUCOKa CKOpOCT Ha Bb3dyxa OT IIO3aTa HA KOMnPecOpHTo 06OpyDbAHe.
-OTCTpaHeteIIO3aTaHaKOMPpeCOPHO TO 6ObOpYBaHeOTMeKdINHHaTATp6aM MOHTnpaIteIIOCKATAIO3a.

Onepaun
BbBeHne

PPEyPExKDEHNE:
IpoyeTe npa3bepete pa3dena c HnCTpykCm 3a 6e3onacHocT npedn n3no3BaHe Ha npoDyKta.
TOpNBo
To3 npOdyKT pa3nonara c DByTaKTOB DBuratEn.

BHIMAHNE: HenoDxOJaIaIaT
TIN TROPINO MOKe Da DoBede DO NOBpeHa Na DBnraTeJIa. N3non3BaIte CMEc OTe 6eH3nH MAcNo 3a DByTaKTOBI DnRrAteJIi.
PpeBapnteJIHo cMeceHO rOpNBO
3a noctiraneHa onTnmaJHn pa6oTHn xapaKTEpncIKNi 3a ydbJIkaBaHe Ha cPOKa Ha EKCnloataqna Ha DNBraTeJN 3N0J3BaJTe npedBapntelHO CmecEHO aIKnlaTHO rOpIBo Ha Husqvarna. Toba rOpIBo cbDbpxJaNo-MaIKo BpeHN XIMNKaJIb N CpaBHeHne C o6NUKHOBeHOTo rOpIBo N TOBA HAMJIbBA BpeHNte OTPa6OteHn ra3OBe.C TOBA rOpIBO KOINueCTBOTo OCTaTbCn CJIeN I3rapAHeTO e IIO-HNcKO, KOEtO 3ana3Ba KOMnoHEHTnte Ha DNBraTeJN IO-NUCTN.
3a n3rotbHe Ha roptbHa cmec
Бeнзин
- 3n0n3BaIe KaueCTBeH 6e3oJIOBeH 6eH3nH c MaKcImaIIHO cbIbpxKaHne Ha eTaHOr 10%.

BHIMAHNE: He n3noJ3BaIte
6eH3nH C OKTaHOBO YncNo NO-MaJIKO OT 90 RON/87 AKI. N3non3BaHeTo Ha No-HNCKO OKTaHOBO YncNo MOKe Da DoBeDe Do DeToHaUNoHNO TopeHe B DnRatJIe, KoEt OpeuN3BnKBa NOBpeuN B Hero.
Macno 3a DBytaKToB DnRatEn
- 3a noctnrahe Ha haN-do6pn pe3yntaTu pa60THn xapaKTepncTNu n3noJ3BaIte MacNo 3a DByTaKTOBn DBrIgTeIn Ha Husqvarna.
Ako He pa3nonaraTe C MacNo 3a DBytaKTOBn DBuRatEn Ha HUsqvarna, n3non3BaIte dpyro BnCOKOKaueCTBeHO MacNo 3a DBytaKTOBn DBuRatEn, pa3pa6oTeHO 3a DBrarTei n C Bb3dyuWho OxnaXdane. TObopeTe C AnctprbyTopa No cepBn3HOTO o6cnykBaHe 3a N36Op Ha ToHOTo MacNo.

BHIMAHNE: He n3no3BaTe MacNo 3a n3BbH6OpDobu DByTaKTOBu DBnraTeN C BODNo OXnaKDaHe, NOHkORA HapuHaHO n3BbH6OpDoBO MacNo. He n3no3BaTe MacNo 3a YetnPnTaKTOBu DnRaTeJi.
CmecBaHe Ha 6eH3nH n MacNo 3a DByTaKToB DBrAteI
MOraT Da IOBnIaRd pAcTnH0 Ha
CbOTHOWeHHeTO B CMeCTa, KOrato
CMECBaTe MaIKK KOJIuYeCTBa TOpIbO.
13MepBaIte BHNMaTeIHHO KOJIYeCTBOTO
MaCNO,3a Da CTe CnHyprH,Ye Ue
NoJyUHTe npaBnHaTa cMec.


- HanéTe noIobuHaTa rOpuBO B uNCT cBd 3a rOpuBO.
2.ДобавeteцЯноTOKOnuYeCTBOMaCNo. - Pa3KJaTeTe rOpNBHaTa cMec.
4.Доелte octaHaNoTo KOINueCTBO 6eH3nB Cbda. - Pa3knataTe BnImaTeJIHO rOpBbTa Cmec.

BHUMAHNE: He cMecBaIte
KONUcTBO TOpNBO, KOeTO Ue PpeToI
NOBeyeOT1MECEU.
3a nblHeHe Ha pe3epBoapa 3a ropbo

ПЕДУПЕЖДEHNE:
CnasaBae CneHata npoepypa 3a Bawa 6e3onachocT.
- Cnpete Dniratela n octabete Dniratela da ce oxla#.
2.ПочиретеоблacrTa OKOLO kanaKata Ha pe3epBoapa 3a ropuBO.

- Pa3kIaTeTe KOHTeHepa n ce yBepete, YeropnBOTO e HantbJHO Cmeceho.
- Otrpahe 6abHo KanaykaTa Ha pe3epBoapa 3a roPnBO, 3a da ocB06Onde HajraHeto.
- HanbHHepepeepBoapa3a rOpuBO.

BHIMMAHNE: yBepTe ce, ye B pe3epBoapa 3a ropuBO HMa TBbpde MHoro ropuBO. Korato ce harpee, ropuBOTo ce pa3wnpRa.
- 3aterheTe kanaqkaTa Ha pe3epBoapa 3a rOpNBO BHIMaTeHNO.
7.Почирете раэлгтOTO roрив Вьрху npoДуктУ OKOJO HERO.
8.ПрдстгпанеHaДВИТЕЯ npemecTeTe npodkytaHa3m/10ftnINNOBEYeOTMЯCTOTO, KbDETOceN3BbPwBa3apeKdaHETOcROPBOu KbDETOceHAMnpaN3TOUHNkBTHaTOPNBOTO.
3a6eJexka: 3a da BnDnte KbDe e
pe3epboapb3a ropnoBa Ha Baunn npoykt, HanpaBete cnpabKa C O6u npereJHa npoykTa (360BT) Ha cTpaHnua 19 u O6u npereJHa npoykTa (570BTS, 580BTS) Ha cTpaHnua 20.
3a cTapTnpaHe Ha npOdyKta
- 3a 360BT. Ako DBnraTeJIeT e CTyIeH, HATNCHeTe NoCTa Ha CmykaHa B NONOKeHne "3aTBOpEH CmyKaU". HanpaBeTe cnpBaKc CmBbONN BbpXy npOdykTa Ha cTpaHnua 21.

2.3a570BTS n 580BTS.AKOBINrAteIeCTydeH,HaTNCHETe JIOCTa HA CMykaa B NOJoxHeHnE"3aTBopeH CMyka".HanpaBeTe cnpaBkacCmBOnnBbPxyIpOdykTa Ha cTpaHua 21.

- HatnckaTe Kynona Ha ropNBHata NOMma MHOrOKpaTHo, DOKaTo rOpNBOTo He 3anOuHe da n3IbJIbKa Kynona Ha ropNBHata NOMna. He e HEO6xOJIMo Da ce NJIHn DOKpaN KyNoJIbT Ha ropNBHata NOMna.
- HatncheTe npBKnUoyBaTeJIa 3a cTaptnpaHe/ cnpahe C perynatop Ha npocenHata KnaHa Do nO3ueta 3a 1/3 ot ckopocTTa. HanpaBeTe cnpaBka C 3a paBota C perynatopa Ha npocenHata KnaHa/NpeBknUoyBaTeJIa 3a cnpaHe Ha cTpaHua 28.
- NocTaBete npOyKta Bbpy paBHa noBbpxHOCT Ha 3emrTa.
6.ДькTe npodykTa cЯВaTa cnpbka.


BHIMAHNE: He n3noJ3BaIte CTbnaIATA cN 3a 3aIbpxKaHe Ha npOdykTa.
7.Дьрnaite 6abHOb pkoXBaTkata Ha BbKeTo Ha cTapTepa,doKATO He ycETnTe cbnpOTnbJIeHne.
8.ДьнHTe 6bp30 pBkoBAtkata Ha BxKeTo Ha CTapTepa CЯrChATA cn PbKa.ДьрnaTepbkoBAtkata Ha BxKeTO Ha CTapTepa MHOROKpAHO,DOkATO DBnIaTeJr He CTAPtUpa.
3a6eKka: He Tp8Ba Da ce n3DbPnBa H3qIIO pBkoXBtKaTa Ha BbKeTo Ha CTapTepa N da Ce OTnycka pBkoXBtKaTa Ha BbKeTo Ha CTapTepa.
9.AKOBBURAteTReCTyEnH,HaTNCKaITe NOCTeNEHNOJocTaHaCMyKaUaKBMNOJIOXeHNe "OTBOpeH CMyKaU",DOKATO JIOCTbT Ha CMyKaUa He cnpe.
10. Ako DnurataeTe e CTyDen, OCTaBeTe DnurataeTe Ida pa6oTu 2-3 MInHyTu, 3a Da ce 3arpee, npedn Da 3anoyHete pa6oTa.

PPEyPPEKDEHNE:
Pn cTaptnpaHTo Ha DnBnraTeIa
n npn pa6oTa Ha npOyKta Ha
obopOtHa npa3eH XoJ ce n3nycka
Bb3dyx. He donyckaTe xopa 6nn30
do npOyKta nn Do npOyXbaaata
Tpb6a.
3a pa6ota c perylaTopa Ha ДроселнаТа Клana/превкючВаTeЯ 3a спранe

- 3aaiTe nblHa ra3 (A).
- 3aainTe 1/3 OT MOHOCCTTa (B).
- 3aДaIte o6oPoTu Na npa3HnXoD (C).
- Cnpete npoodykta (D).
3a da pa6oTnte c npoDyKta
TaN MOTOPHa Metna e OT Tn3a HocHe Ha rp6 n Ce Hocn Ha pamo npn pa6ota. Ta ce ynpabJIbBa C JcHata PaKa Ype3 PbKOxBaTKaTa Ha Tp6bata.

Pa6oTeTe c npOdyKaT B o6nuaHOTo pa6oTHOBpeMe. Cb6nIoudaaIte MeCTHITepa3nopeI6n.
- Hamane 6po Ha qactnte ot obopydBaheTo n 36epete npabnHnte o6opotn 3a Baata 3a4a. N3no3BaTe Bb3MOxHO Han-HNCKata no3uHa ra3Ta, 3a da CBeDeTe DO MHNMyM Wyma n npaxa.
-ДрькTe ДIO3aTa Ha KOMпсeсорHTo OБОуДBaHe 6JIи3O Do 3eMЯТa.
3a6eIeKka: Husqvarna npenopbUba
H3noJI3BaHe Ha ueJyIbIxNteI Ha IIO3aTa Ha
KOMnPecOpHToO obOpYDaHe.
-
OTuYeTeNe NocOKaTa Ha BAtbpa N HAcOyTe npOdykTa No NocOKa Ha BAtbpa.
-
IN3noN3BaIte npnIOXkIMn rpaDnHcKn nHCTpyMeHTn, 3a da ocBO6oDnte MaTePnaJ ot 3emrTa.
B30HnC npax n3no3BaIte npbckaio 60bpyDaHe,3a Da HABnaXHnTe 3oHaTa.Toba HAMJIyBa BpemTo 3a pa6Ota.
Cne pa6oTa cbxpaHbAte npOyKTA BBBBepTKaIHO NOJXeHne.
CnnpaHe Ha npOdyKta

BHIMAHNE: He cnpaTe npodykta npn nblnn oobopTu.
- IocTabeTe npBknIOyBaTeTn 3a CTapTnpaHe/ cnpaHe c perynatop Ha dpocenHata Knana B noJoxKeHne 3a CnpaHe. HanpaBeTe cnpabKa c 3a paBoTa c peryNtopa Ha dpocenHaTa Knana/ npBknIOyBaTeTn 3a CnpaHe Ha CTpaHnua 28.
3a perynilpahe Ha camapa
PpabunHTo perynpaHe Ha cama pa n npodykTa ynechra pa6oTa.
- NocTabete camaHa npOdykta.
2.3aterheTe cTpaHnHHe peMbU,doKATO npOdykTBt He npNnerHe NbTHo KbM TAnOTO Bu.

3a 570BTS, 580BTS:
- NocTabete konana OKONO Kpbcta cn.
- 3aterhepe pembka Ha konlaHa. YbepeTe ce, ye terlnto Ha komnpecophoto obopydbahe ce noema ot xahua Bu.
5.CbpxkTepeMbka3a rpbDnHnKoWcunnkata. - 3aterheTe pmbka.
Poaepbxxka
BbBeHne
HnCTpykun 3a 6e0nacnoct, npedn da 3anouhe Te xhnuecko o6cnykbahe Ha npoNyKaTa.

PPEyPExEHE: Ppoyepe npa36epete rnaBata c
TpaФИK 3a TeXHnuecko O6cnykBaHe
H3non3BaIte CneuHaIIHO MacNo 3a Bb3dyUweH pfIITbp Husqvarna. He H3non3BaIte Dpyr TInOBe MacNo.

PPEyPPEKDEHNE:
Cnoxete 3aunTH npkabu. Macnoto 3a Bb3dyweH qntbp moKe da npuHH pa3pa3HeHne Ha Koxata.
- NocTabete nopeTna Bb3dyuWeH qnTbp BaHaNoHOBa TOp6NuKa.
- NocTabeTe MacnToB HaiNoHObATo TOp6uKa
- Pa3TpInTe HaIIOHObATo Top6uKa, 3a da pa3HeCeTe MaCnOTo paBHomepHo Bbpxy NopeCTN Bb3dUWeH dntbp.
- OCTpaHete H3N1HOTo MacNo OT NOpeTnBb3dyWeH FInTbp, DOKaTO e B HauHOHBaTATop6uKa.

3a nouCTBaHe Ha Bb3dUHHnA qHNTbp (570BTS, 580BTS)

BHIMAHHE: He nocTabraTe MacNo Bbpxy nopecTna enemeHT Ha Bb3duuHnA qnnTbpB 570BTS n 580BTS.
- Pa3xla6eTe ΦnKcaTopuTe, KOnto npnIbpxaT KanaKa Ha Bb3dyuHnA ΦnITbpHa MRCTO.

- OtcpaheTe KaNaka Ha Bb3dyuHnna FmJITbp (A).

- Otcpahe Te nopeTnB (B) n xaptneHnB ntb p C) ot pamkata Ha ntb p a
4.CmeHeTe xapTneHnIΦnITbp (C).
5.Почирсту посягь (В) с тонna canyuheha Boda. - YBepTe ce, ye nopeTnA T fnnTbp (B) e cyx.
- NoucTeTe C ueTka BbTpewHaTa NOBbpxHocT Ha KaNaka Ha Bb3dyuHnA qnntbp (A).
3a smya ha camapa

IPEyPExKDEHNE:
IobpeHcMap MoKe DaIOBede Do nadahe Ha npOdyKta Ndo HapaHbAHn. YBepeTe ce, ye cTe MOHTnpaII npabNJHo Cko6ata.
1.CnpeteDnBraTeJna.
2.ИЗвадеТСКОБАТОТ pemьka.
3.ИЗБУТАЕ Края На ремьк ппeз ухотo.
4.ИЗдьрnaTe HOBaTa KaIшka npe3 yxOTO.
5. NocTabete uΦTa B KaIuKaTAta 3a Da 3akpenTeCKo6aTa KbM HObata KaIuKa.

Отстараиман на поблемп
Stefan Holmberg, R&D Director, Technology
Management, Husqvarna AB.
Ansvarlig for teknik dokumentation

Inhalt
Einleitung. 70
Fehlerbehebung. 83
Sicherheit. 72
Tehnilised andmed. 137
Vastavusdeklaratsoon. 138
Sissejuhatus
Seadme kirjeldus
See toode on sisepolemismootoriga puhur.
AVVERTENZA! Anything to do, you must be careful not to make any mistakes.
AVVERTENZA! This is the best way to get your job done.

Management, Husqvarna AB
Stefan Holmberg, R&D Director, Technology
Management, Husqvarna AB.
Atbildigais partehiskodokumentaciju

Inhoud
Inleiding. 257
Veiligheid. 259
Montage. 262
Werking. 263
Onderhoud. 266
Probleemoplossing 270
Transport en opslag. 271
Choke, geopende stand.

Choke, apen stilling.

Choke, lukket stilling.

Dette Produktet somsvarer med gjeldende EF-directiver.

Numar certificat: SEC/22/2566 - 360BT,
SEC/10/2276 - 570BTS, SEC/10/2277 - 580BTS
Bo3nyuHa 3acnoHka, oTkpblToe noJoxHe.

Bo3nyuHa 3acNoHka, 3akpyToe noJoxHe.

IaHHoe n3dJIne OTBeUaET Tpe6oBaHnM COOTBeTCTByIOUX INpeKtNB EC.

DaHHoe n3dJIne COOTBETCTBYET DeIcTByUOUM DnpeKtNBaM BeNko6pTuHaHn.

Tb6nUka c ypOBHem 3mucCnn
WyMa B OKpyKaHOu cypeDy
B COOTBeTCTBNN C INapeKTHBaMn
H HopMaTNaBAMn EBpOeNCKoR0
coo3a,Beniko6pntAHnn n
3aKoHOdaTeJIbCTBOM HoBOrO IOxHoro
YJbCa "PernAmeHT 2017 roDa
no 3aunTe OkpyKaIOuSei cpebl (KOHTPOJIb yPOBnA Wyma").
TapaHTnpOBaHHbI yPOBEh MoUHOCTN
3Byka n3deJIy yKa3aH B pa3dene
TexHnueckne daHHbIe Ha cTp. 358 n Ha
Ta6nUke.

Bepenntecb OT6paCbBAeMbIX npedMeTOB.OT6paCbBAeMbIe npedMetbl Moryt CTaTb npuHnOH cepbe3HO TpaBMBI. POnb3yNTecb CpeCTBaMN INHINBnDyAalbHO 3aunTBI.

Co6nOdaTe 6e3onacHyu DnCTaHcNIO He MeHee 15 M DO JIODeI NNI KJNBOThbIX.
yyyywwxxxxxx
Ha nacnpTHoT TaJIuYKe yka3aH cepnHbI HOMep. yyO 03Naayet roJ npOn3- BOdCTBa,WW - npOn3BOIDCTBeHHyU HeJeIIO.
PpmeHHe:OCTaJIbHbIe CnMbONbl/HaKJIeKN Ha H3dEINN OTBeHaOT Tpe6oBaHNm, PpeBbAReMbIM K cepTnΦnKaun B dpynx KOMMepecknx 3OHax.
COOTBETCTBnE ypOBHr TOKCnHbIX Bbl6pocOB cTaNdapTy Euro V

PPEyPPEXDEHNE: B
Cnyuae BMeWateIbCTBaBpa6Oty DnurataTEnJaHHoe N3dene nepeCTaHET COOTBETCTBOBAT HopMaTnBAM EC.
OTBETCTBEHHOCTb n3rTOBNTeJIa
B COOTBeTCTBUN C 3aKOHAMN O6 OTBeTCTBEHHOCNTn
13ROTOBNTeJRA MBI HE HECEM OTBeTCTBEHHOCNTn
3a yUeep6, BbI3BaHHbI 3KcPJIyatauNeH aWero
13DeJIINBApeyIbTaTe:
-HeHaIeJekaIero pemOnTa I3dJIINIA;
- INCIOJIb3OBAHnI dIpeMOHTa I3dJIINHeOpUINHaJIbHbIX DeTaJIe NII DeTaN, HeOIO6peHHbIX pON3BOIDNTeIEM;
ИСПОЛБЗOBAHЯ HeOpUHINHaIbHbIXdoONHHTeJIbHbIX npINHaIeXHocTeI INnnpINHaIeXHocTeI,HeOIO6peHHbIXpOIN3BOIDNTeJIem;
Бeэпасноctь
HnctpykunnoTexnke 6e3oNaChOCTn
Hnke npBedeHbI onpeJeHnry ypOBnOanchoCTn dna KaKdOro CnHaNbHO rO cNoBa.

IpnmeaHne:HaacayBo3dyxOyBkn MOxHO yCTaHOBtB ToJbKO Ha npomExyToCHyO Tpy6y.
YcTaHOBka pyKoTKn (DOnOJIHnTeJbHa nPnHaIeJxHoCTb)
- CHUMITE npomexkytohyu Tpy6y.
- CHIMTEpykycdepkaTeJnHaDbHbTe depkaTeJbHa pa6oyu Tpy6ky.
3.YcTaHOBHTe pyKoTky u pyKy.3aTHeTe NOBOPOTbI nepeKJIouateJIb.

- YctahOBInTe npomexkyToHyTo Tpy6y.
YcTaHOBka PIOCKOHaCaADKn (DOnOpHHTeNbHa NpHaAdJeXHoCTb)
Пиockая Насадka obecneuBaet boJee BbICOKyo CKOpocTb noaBn BO3Dyxa, Yem CTaHdapTha Hacadka BO3DyXoDyBKN.
CHIMNTE HacaKy BO3dyxOyBKN C npomexkyTOHOn Tpy6bI yCTaHOBnTe NIOCKyo HacaKy.

3Kcnpnyataua
BVeJeHne

IPEyPExEHEN:Pepe 3Kcnnyaatauee N3dennBHNMaTeNbHO n3yuTe pa3deTexHn6e3oNaChocTn.
TOnJIInBO
Данhoeи3делпеобopyюваноДByXTakTHbIM DBURAteJIeM.

BHIMAHHE: 3a npabka HEnoOxOJaIIM TINOM TOnJIbBa MoKET npBECTN K NOBpeJeHIO DBrIaTeJI. NcNoJIb3yIte Cmecb 6eH3nHa n Macna dIyDByXTakThbIX DBrIaTeJIe.
PpeBapnteIbHO CMeWahHoe TOnnIBO
-Дя obecneueHЯ onTImaIbHo npOn3BOuNTeNbHOCTn InpOdNeHn Cpoka Cnyk6bl DvIraTeJIy NcPOnb3yJte npEdBapHTeNbHO CMeUaHHe TOnJIbO-anKInaT Husqvarna. DaHbIy TIN TOnJIbA copejnt MeHbWee KOnuYeCTBO BpeDhIX BeJeCTB NO CpaBHeHIO C O6bUHyBIM TOnJIbOB, YTO npINBOuNT K COKpaSeHIO BpeDhIX BbIbPoCOb. TaKoe TOnJIbO npr CropaHn O6pa3yeT MeHbWee KOnuYeCTBO OCTaTKOB, 6NaIroJaP aYemy KOMNoHEtbl DvIRaTeJIa OCTaOTc8 Boonee YIcTBIM.
CmeuBaHne TOnJIbBa
BeH3nH
-Испосьзуге He3TNINPObaHHb 6eH3nH надлжацero KaueCTBa C MaKcIMaJIbHbIM codepkaHnem 3taHona 10%.

BHIMAHHE: He nCnoJIb3yIte 6eH3nC OKTaHOBbIM YHCnOM MeHbIe 90 RON/87 AKI. Pnp 6oJee H3KOM OKTaHOBOM YNCNE DBrAteJIb MOKeT PpOuN3BOIDNTB CTYK, YTO B CBOIO OuepeDb MOKeT PpNBecTn K NOBpeXdHIO DBrAteJIa.
MacnoДЯДБУXTAKTHbIXДВИRATENEI
-ДЯ DOCTNIXE HIN ONTIMaJIbHbIX pe3yJIbTaTOB IN MOUHOCTI NOJb3yIteCb MacnOM Husqvarna dIpyDByXTaKTHbIX Dnuratenei.
- Ecnn y Bac Het Macna Husqvarna
Дя DBYXTaKTHbIX DBNarTeNei, Bbl MoKeTe
ИСПОЛБ3OBaTb BBICOKOKaYeCTBeHHOE MacNo,
пpeДиЗа3HaeHHoe ДЯ DBYXTaKTHbIX DBNarTeNei
C Bo3DyUHbIX OXnJaXdHeHem. Дя BBI6opa
правлбHorO Macna орpaTHTecb K CBOeMy
ДиJIepy no 06cIyKINBaHIno.

BHIMAHHE:3aIpeaaetc
HcnoJIb3OBaTb MacNo,
npedHa3NaeHHoe DnBdByXTaKTHb
DBiRaTeNe C BHeuHM BOJHBIM
OxnaXdHnEM,T.H."outboard
oil".NcnoJIb3OBaTb MacNo
DJa YEtIbPexTAkTHbIX DBiRaTeNe
3aIpeaaetc.
CmeuBaHne 6eH3nHa n Macna dIyTakTHbIX DBrataTeJe
PpabnIbHnapeRyIpOBkaOChAcTKN IN3dEINynpoaaet pa60ty.
- HadeheTe OChactKy n3JeJInr.
- 3aTaNHTe 60KOBbIe peMHn TaKIM o6pa3OM, YTO6bI N3dEIne PnOTHO npINerano K BaUeMy TeJy.

Дя 570BTS, 580BTS:
3.ObepHnTe nOraChon peMeHb BOKpyr TaJIIN.
4. 3aTnHTE NOrCHo peMeHb. Y6eNTecb, yTO BEC BO3dYxOyBa IpnXoDITcHa 6eDpa.
5.ПодсоeннTe Harpyнь pemEhКЗжIMy.
6.3aTnHtepeMeHb.
TexHnueckoe o6cIyXnBaHne
BVeDene

ПЕДУРЕЖDEHNE:пегд.Texнческ immобс lykvaBanieM n3deJIM
BHHMaTeJIbHO N3yUHTe pa3dEn TexHnKn 6e3ONaCHOCTn.
TpaΦnK texHnueckoro o6cnyxmbaHnA
- CHIMITE KpbIUKy BO3dyuHoro 0nIbTpA (A).

3.CHIMTe npoHOHBbI qnBtp (B) 6ymaxHbI qnBtp (C)c pAmblqnlbTpa.
4.3aMeHnTe 6yMaXhbl ΦnIbTp (C).
5. PpOMOte npoHObBn FmJIbTp (B) TepNoiMbIbHO BDOi.
6. Y6eIntecb, yTo npOIOHOBbI φnIbTp (B) NOIHOCTbBO BICOX.
7. Ouchntte BHytpEHHIO NOBepxHOCTb KpbIuKIN BO3duHoro QnJbTpaa TcKO (A).
3aMeHa OCHaCTKn

PPEyIPEKDEHNE:
IobpeKdHHe OChAcTK MoKeT npBecTN K naDeHIO N3deNIA TpaBMam. Y6eDnTEcB, yTO 3aXIM yCTaHOBJIe HpaBnblHo.
1.OctaHOBNTe DBurTaTeJIb.
2.CHIMITE 3axm C JAMK.
3. IpoToKnHTe KOHeI pemHryepe3 npoyuHHy.
4. Постянite Новий ременчесу пошни.
5.BctabTe WtntBpeMeHb,HTo6bl 3aKpeNTb 3axm Ha HOBOM peMHe.

| Двигаелов не запуже тая | ||
| П探测ка Возможнaya prинчина | Решения | |
| Коньka ocsta-HOBK. | Положения остановки | Переведente вълковаlemь в поожения запужа. |
| Собачka(-и)сторpa. | Бл_OKирobва пли ИЗнос co-bakki(-к)сторpa | Отreyшируйе пли заменite собачу(-и)сторpa. |
| Очироте поэрхость ворочу(- ek)сторpa. | ||
| Оsprотесь к abtopиизованому сервicingому дільец. | ||
| Торлівный бak. | Торліво не-cootвет-стbyюцero tupa. | ОпорожнITE Торлівный 6ak и 3алейte похODяшем.Tорлів. |
| Карбюратор. | Perugирobka оборотовхлостогохда. | Отreyшируйе чASTOTу врашенихтохостогохда с пошью виHTа ретуліровкихлostог�хда. |
| Зжигаиме (НетInsчры). | С党支部 зжигаимя заграз-неба пли на-mokлa. | Убeditorсь, чTO сөча зжигаимя сухая и чИстая. |
| Неверный за-зор менидүлөдүдүдүдүдүдүдүдүдүдүдүдүдүдүдүдүдүдүдүдүдүдүдүдүдүдүдүдүдүдүдүдүдүдүдүдүдүдүдүдүдүдүдүдүдүдүдүдүдүдүдэдүдүдүдүдүдүдүдүдүдүдүдүдүдүдүдүдүдүдүдүдүдүдүдүдүдүдүдүдүдүдүдүдүдүдүдүдүдүдүдүдүдүдүдүдүдүдүдүдүдairie. | ||
| Правліньий захов менидүдүдүдүдүдүдүдүдүдүдүдүдүдүдүдүдүдүдүдүдүдүдүдүдүдүдүдүдүдүдүдүдүдүдүдүдүдүдүдүдүдүдүдүдүдүдүдүдүд应有的. В ТЕХИЧЕСКИ ДАНБИX. | ||
| С党支部 зжигаим. | Плoxий кOND- takт сөчи 3a-жигаимя. | ЗатянITE сөчу зжигаимя. |
| Постороннeme matерпалы на захл'tо-дax сөчи 3a-жигаимя. | Убeditorсь, чTO Испльз汞гся надіlexашя.Tорлівная смесь. | |
| Убeditorсь, чTO ВOSTDUШь Фильч рисс. | ||
Stefan Holmberg, R&D Director, Technology Management, Husqvarna AB
Ansvarig for tekniisk dokumentation

icindekiler
Giris. 410
Güvenlik. 412
Montaj. 415
Calisma. 416
Bakim 419
Sorun giderme. 422
TEXHUIHE OBCJYROBYBAHHRA 435
UcyhenHHe HecnpaBHOtei 439
TpaHcnpOpTyBaHHaTa 36epiraHHa. 440
Texhihi dahi. 441
Deklapaia BIDNOBIDHOCTI 443
BcTyn
Oncs Bnpo6y
LeyBni6-paHcEbn nobitpoDyB i3 DnHyHom BHyTpiuHbOro 3ropaHH.
Haama komnaiydoTpmyeTbcn nonitkn, 0nepe6aayoe noctiH BDOCKOHaJIeHHN pOdyKuii, TOMy MN 3aJInwaemO 3a co6oI npabo 3miHOBatn
I3aH I 3OBHI H BnIgB Bnpo6IB 6e3 nonepdNbOro CnObiueHH.
PpN3HaueHn
BukopncToByTe Bpi6 DnA OunuHHe DInraHOK Ha KwtaTt Ra3OHiB, DopiXoI acpaJIbTHnx DoPIR BiD IInCTry iHux He6axaHxnpedMetIB.
OrlaBnpo6y (360BT)

- Pama
- NaCobaa ndBicka
3.KpnuKa DvBuryHa - KoxyxBentnIaTopa
- Ekpan nobiTpo3a6ipHnka
- BeHTnIyTop
- NobitprnHm qinbtp
- Pukka cTapTepa
- NaJIINBnIb6ak
10.Пдкладka
11.CbiKa 3anaIIOBaHHa
12. CnCTema nOrnHaHnB Bi6paqii
13. KepyBaHH naBITpRAHO 3acNIHKOIO
14. Pyka KepyBaHHa
15. Nepemkauch BMUKaHHra/BmUKaHHra 3 peryIaTOPOM ra3y
16. Kypok rasy
17. KoniHo Tpy6n
- 3aTnckaU
19.нукшланr - Tpy6a kepyBaHHa
- KaebbHn 3aTnckay
22.ПоміжнаТурба -
HacaKa noBiTpOyBa
-
Noci6HnK KopncTyBaHa
- Kom6iHOBaHn raiKOBn KInou
- Khonka npoDyBkn nobiTpam
27.ΓBnHTXONOCTOROXOy - RykoTka (npnlaa)
OrnBvpo6y (570BTS, 580BTS)

- Pama
2.Пасова niDbicka
3.KpnuKa DnBryHa - KoxyBentnIaTopa
- Ekpan nobitpo3a6ipHnka
- BeHTnIaTOp
- NobITpHm fIbTp
- Pуka CTapTepa
9.Палимбнii6ak
10.Плклада дястeroH - Cbiyka 3anaIObAHn
- CnCTema nOrnHaHnB Bi6paJIi
- KepyBaHH NOBITpRAHO 3acNIHKOIO
- Pyka KepyBaHHa
- Bumkauch i3 kepyBaHHm npocenEM
- Kypok ra3y
- Koniho Tpy6n
18.3atnckay
IpebeBipka rJyushnka

PONEPEDKEHHa:He KopuCTyIeTcB Bnpo6oM i3 HecnpaHIM rnyuHnKOM.

PONEPEDKEHHaPiD qac po60Tu, a TAKoK y xOIOCTOMy pexmI rnyuHnK CnIbHO HarpBaETbcra N deAekn Yac 3aJIINsAeTbcra rapAum nicra BmKHeHHBnpo6y. 06 yHnKHyTN OniKIB, BnKOpNCTOByTe 3axncHi pykabuci.

IONEPEJXEHHa:YcepeHni IyushnkaeXiMiHi enemeHTu MoKyTB 6ytu KaHeporeHHmN.He TopkaTeCraIyushnka,RAUo BIn NOWKoDxKeHn.
-PeryJrpho orJaTe rnyuHnK. fluyuHnK 3MeHwye pBeHb uMy iBBODntb BxNlONHi dMn noaJI BiD onepaTopa. nVB. Texhuihe o6cnyroByBaHHraIyuHnKa Ha cTopiHci 436.
Ipepebipka cnCTemn norgnnHannBi6paqii
- IpekeoHaTecra, 0 Ha eJeMeHTax nOrnHAnHHa B6paui HeMaE TpiuH a6o deOpmaui.
2.YneBHTbc, 10 enemEn Tn nOrnHaHn Bbpaui npabInbHo npknPinnHe I Do DnByHa Ta pykOaTKn.
IhOpmaio npo po3TaUyBaHHcNCTemn
norInHaHHB6paui Ha npncTpoi dVB. y po3diJI
OrnnBvOby (360BT) Ha cToPiu 426.
Ipebeipka Bmukkaa
1.Lio63ynnHnTnDbnHyN,BnKOpncToByTe nepemkau START/STOP (Ipyck/CTon).
2.ПepekoHaITeCЯ,ло ДВИгн NOBHiCTHO 3yINHnBCR.
Po3TaUyBaHHB BmMkaHa HbNpo6i DnB. B po3diIOrnA Bnpo6y (360BT) Ha cTopiHci 426.
IpaBnla Texhikn 6e3neKn iD yac po60Tu 3 nAcBOIO nIDBicKOIO
- IpekoHaTeCg, 10 noRCHn peMHb 3acte6Hyto npabunlHo BiDperyIbOBAHO. He3akpinneHi KINi nacOBoi niBicKm MoKyTb notpantu B o6epTaIbHi cactHn Ta cnpuHHn TnoWKoJKeHH BeHTNJrTopa.Y pa3i noWKoJKeHH BeHTNJrTopa He3akpinHei qactHn Bnpo6y MoKytB BunetITn Ta cnpuHHn TtpaBMy YN noWKoJKeHH.
3axoJn 6e3neKn iJ qac po6OTn 3 naINBOM

PONEPEIXEHHI: IepnHix
po3noaTN BnKOpNCtAHN BnPo6y, yBaXHo IpoUHTaIe HabeJeH NIXKYe nonepeJKeHH.
He 3miuyte Hne doabaute naINBO B npmuieHHx a6o 6nA Dkepen Tenna.
- KaHbBupi6 a6o Ha Bac nOtpaIIIO naIINBO 7n OJIIBa, He BMkaIe Bupi6.
- RaI3 DnBryHa BnTikae nAnBO, He BMnKaIte Bnpi6. PerynApHo nepeBipraTe, qH He BnTikae 3 DnBryHa nAnBO.
- O6epeKHO NOBOJbTeC3 3 naINBOM. NaINBO e JERKO3aMMCTOIO peyOBHIO, a IORO napu Bn6yxOHe6e3neuHi NMOxTy npN3BeCTn Do cepno3Hx TpaBM a6o CmepTi.
He BuxaIte BuxlonHi ra3n, ce MoKe npu3BecTu Do TpaBM. 3a6e3neUte HaJeXHe npoBITpOBAHHa. - He nanitb 6inna nabHoro a6o Dnurhya.
- He 3aJIiMaIe Bnpi6 a6o KOHTeHep i3 naJIbOM 6IJa TEnIInx 06'KcTIB, BiIckpntoro BorHIO, DkepeNa icKop a6o 3anaJIbHnka.
-ДяЗбepiraHHЯТаТранспортуваньпалиBa cnid BnKOpncToBvBaTиЛишe ceptnФikobahi pe3epByapn.
IpaBnlaTexhikn6e3neKnpiJ qac 06cnyroByBaHnHa

PONEPKEXHH: Nepu HIXPO3noaTN BnKOpNCtaHNNBnPo6y, yBaXHO npoHTaHTe HabeDeHnXue PONEPKEXHH.
3yNHITb DBNYH, BNIIMtB CBIky 3anaIIOBaHHn DaTe Nomy OxOIOHyTN nepeTexHiHm O6cJIyROByBaHHM i CKJaDaHHaM.
3acmieHn ickporachnk cnpuHHnepeperpiBaHH, 0MOKe npu3BecTu DO NOWKoJKeHH DaNHyHa.
36npaHHa
Bctyn

PONEPENKEHNA: Npea
36npuHnHm BnpOby yBaXHO npOHTaTe po3dI npO npAByaTexHiK 6e3neKn.
Iopraok ckaanHn Tpy6n NOBITPOyBa n pykN KepyBaHHn Ha Bnpo6i
- 3a donomoro xomytib (C) ta (D) npikpinitb rhyckm wnahr (A) do koniHa Tpy6n Tpy6n KepybaHHB (B).

3BepHiTb yBary: 3MaCTiTb Tpy6ky KepyBaHHa Ta rHuKm IHaHr, 06 ix 6byno Ierwe 3i6paTu.
2.Пуркпіпь Трмач pyк (E)do Tpy6n KepyBaHH. BnpiBнг Te Tpmaч pyckn 3 Фнанцем Ha Tpy6i KepyBaHH.

- BidperynnoTe pyky kepyBaHHn yctanHOItb II B 6e3neue He Ta npabunhe pOboye nOxKeHHa. 3atrHITb pfikcyuoy roNoBky.
- PnKpinitb Ka6eBdo rHyckoro 7naHra 3a DonomorHO Ka6eBHO TpImaay.

5.Ппсднaite npomixHy Tpy6ydo Tpy6n KepyBaHHJ.

3BepHb yBary: kno nptiHo BnKOpNCTOByBaTu DOBuy Kpyrny Tpy6y
noBITPOyBa,IOCTynHa NOOBKeHa npOMixHa Tpy6a.
- Ппс endаи Te Hacaiky nobitpoodya Do npomixhoi Tpy6n.
3BepHITb yBary: HacaIka nobitpoDyBa MoKe 6yTu BCTaHOBHeHa Nlle Ha npomixHi Tpy6i.
YcTaHOBJIeHnPyKoTKn (IOdaTKOBe npIaIaIaI)
1.ДемонтуйтnpomixнуТу6y.
2. Bi'edhaTe pfikcyuoy roJbOky BiTpmaaTa npneHaTe TpMaU Do Tpy6 KepyBaHHra.
3.YctaHObit pyKoTky iKcyOuy roNoBky. 3atRHTb iKcyOuy roNoBky.

4.Пи�днaite npomixHy trpy6y.
YcTaHOBJIeHHI pIaCKoi HacaIKN (OdaTKOBe npIaIaIaI)
Pnacka hacaKa 3a6e3neye 6iIbUy WbNdkictb notoky nobITpy, HIX hacaKa nobITpoDyBa.
- 3HIMITb HacaIky NOBITpOdyBa 3 npOMIXHOI Tpy6N Ta BCTaHOBIb PnACKy HacaIky.

Ekcnnyataciia
Bctyn

NONEPEKHEHHa:peBnKOpNCtAHHm Bnpo6y yBaXHo npouHTaTe po3dIn npo npabuTaTexhKn 6e3neKn.
Panibo
Ley Bpi6 ochaueHn DbotakTHM DBNYHOM.

YBAGA: 3anpaBneHH naHbOM HeBIDNOBIHorO TnIy MoKe np3BecTIO NOIOWKOJXeHH DAHryHa.
PonepeHbO 3miHaHe naHBO
-Дян haikpaoi npodykTNBHOCTI ta NOOBKeHHa TepmiHy cnyK6n DBNryHa BNKOPNCOTByTe nonepeHbO 3MiHahe anKilaNaThe naHBO Husqvarna. Ye naHBO mICTb MeHs WkiDnBi XIMiHi peOBOHN NopIBHrHO 3i 3BnuHMM. 3abKn YbOMy 3MeHwYETcBc WkiDnBn BnNB BHXJONHx DmIB. KInbKiCTb 3aJIuKIB Nicra 3ropanoRa NaHBA MeHsa, 3aBJaKu Qomy KOMNoHETN DnRyHa 3aNiuaHOb6IbU qHCTHM.
3MiUyBaHHnIaNIBa
BeshnHOBIN DBNIyH
BnKOpNCToByTe BnCOKoRiChH HeEtNIOBaHn 6eH3uH i3 MaKcMaJIbHmBMcTOM eTaHOJy 10%.

YBAG:He BnKOpNCToByIte 6eH3nH 3 OKTaHOBM YNCJOM HIXKYe 90RON/87AKI.BnKOpNCTaHHa 6eH3nHy 3 HxKUM OKTaHOBM 4cNOM MOKe Pn3BeCTn DO CTyKOTy y DBnryHi Ta NOro NOWKoDKeHH.
MaTnNo dny DBOTaKTHnx DnurHyHb
-ДяdoягннHaikpauuxpe3yntatib i npodykTNBHOCTi BnKOpNCTOByTe MacNo Husqvarna dЯ DBOTaKTTHx DnRHyHIB.
-ЯкwoMacnaHusqvarnaДЯДBOTaKTHINx DBnHyHIB HemaE, BnKOpNCTOByIte iHwe BnCOKoRkICHe MacNo DЯДBOTaKTHINx DBnHyHIB i3 NOBITpRnM OxOJOnDKeHHrM. Lio6 Bn6paTn npabNJbHe MaCNO, 3BepHiTbcrdoCBOrO dInepa 3 OcCnyROByBaHHr.

YBAG:He BnKOpNCToByIte OINBy DnA DBOTaKTHnx DBNrHyHb i3 BOdAHM OXOIOJKeHHaR, Aky TaKoK Ha3NBAIOt 3OBHIuHbO IO NnBOIO. He BnKOpNCToByTe MaCNo dny OHTnpBoxTAkTHnx DBNrHyHb.
3MiUyBaHH6eH3nHy Ta OINBn DnA DBOTaKTHNX DBNHyHIB
YBAGA: He BTPMMyTe Bnpi6 Horamn.
- Повлбно Тгнить за ручустарта, дOKи He BИнкhe onip.
- WbNIO NOITaHITb 3a pyky CTapTepa npaBOIO pyko. CMkaIte 3a pyky CTapTepa, DOKn He 3anyCTNTbc DAUYH.
3BepHb yBary: He BnTpynte Tpoc CTapTepa nobHicTo Ta He BiDnyckaIte pyky CTapTepa.
- RaKIO DBrHyXoJOnHn, NoCTynOBo BiKpNBaIte 3acNIHKy 3a DonOMoroBaxKeIg 3acNIHKn, DOKN BaxJIb He 3yINHHTbcra.
- RaKIO DnRHyXoJIoHN, daIte NOMy nonpaQOBaTN 2-3 XBNJIINH, 06 BIn HarpBcN nepei NOHaTkOM pObTi.

PONEPEDKEHH: Nid yac 3anycky DBNrhya Ta KOJN Bnpi6 npaueB pexmi xoocto Ro xOy, Bi6yBaTbcra noaay a nobitpy. He Do3BOJnTe IIOJAM Ha6nKatncs do Bnpo6y abo Tpyb nOBITPOdyBa.
3acTocyBaHHpeRyJrTopa ra3y / BmNKaHa

-Повсгю HaTnCiThb peryIaTOp ra3y (A).
- YctaHOBIb 1/3 WbNkoCTi (B).
- Ybimkhitb pejxim xoioctoro xody (C).
BumkhHb Bpi6(D).
Pobota 3 Bnpo6om
-Le nobIpOdyB paHceBoro Tnny, knn niJ cac po6oTn HocraTb 3a npeuMa Ha peMeHax. KepyBaHH npucrpoem 3diinCHoeTBcra 3a Donomoroo pyKn Ha Tpybi npaboIO pykoio.

BukopncToByte Bupi6 y 3BnuaHn po6oHn Yac. DToPmUyTEcR MiCueBX HOpM.
BnKOpNCTOByTe IINe Heo6xDiHi qactHnIObnHaHH N Bn6epiTp npabunbHy nOtYxHicTbIaCBOrO 3aDaHn. BnKOpNCTOByTe DpocenbY HauHnXyOMnONoxEHHi, Uo6 3MeHUnTu Wym iKiNbKiCTb NiLy Do MInMyM
- TpmaTe HacaIky nobitpoIyBa 6IЯ 3eMJI.
3BepHiTb yBary: Komnai Husqvarna peKOMeHdUc BnKOpNCTOByBaTu HaCaIky NOBITPOyBaHa NOBHy DOBXINHy.
- Bn3haTe HAnpMaKoBItpy N BuKOpNCToByTe Bnpi6 3a BiTpom.
BukopncToBynte BiNobiHic aOobi iHcTpMeHTn, 06 BiOKpemTNIid rpyHTy MaTePiaI, kIn CJIpi6paTn.
Ha nIbHnX dIJIaHKax BnKOpncToBynte po3nIIIOBaJIbHe o6JaHaHHdIg 3MoUyBaHHdIJIaHHN. Lc npNCopNT bIKoHaHH po6OTn.
ПисьвИКОРИСТАНHA36БЕРΙAITE BUPI6 y BEPTIKAKHOMY NOJOXKeHHI.
3yinnHeHHBnpo6y

YBAG: He 3yHnHnTe Bnpi6, KOnn BiH npaue Ha nobHy nOtyxHicTb.
- NepemictiB nepemukau BMnkaHHBmukahH 3 peryIaTOPOM ra3y B NOIOXeHHBmKHeHH. Dnbitbcpa03dIn 3actocyBaHHpeyIaTopa ra3y/Bmukaya Ha cToPiJi 434.
PeryIIOBaHHn nacOBoi NiDbickn
IpaBnIbHo HanaTobahi nacBa niDbicka N Bpi6 noneruyotb po60ty.
- HādīrHītīb nacoby niDàicky Bùpòby.
2.3aTHiB 6okob i nacn, 0o5 Bnpio 6iInbHO npinraB do tina.

ДЛЯ 570BTS,580BTS:
- Oxonitb TaJIIO NOrCHIM pemeHem.
- 3aTirHtB pemihb Ha noeri. YneBHitbcra, 0o Bara nobirpoodyBa npnnae Ha cterha.
5.Пл'd' endaHTe harpydHn peMHb do 3atnckaa.
6.3aTHiB peMiHb.
TEXHlUHe O6CJyROByBAHHa
Bctyn
IpoountaTe po3diI npo npabnla Texhikn 6e3neKn.

ПОЕРДЖЕHHЯ:перд
TEXHCHNUMO6cnyroByBaHHyBvBaxHo
TpaΦik texHicnHO o6cnyroByBaHHa
2.3Himits Kpunky noBipraHoro fInbtpa (A).

- Bnimitb ry6actn fipnbtp (B) i nanepeobni fipnbtp (C) 3 Kopnyca fipnbtpa.
- 3amihtb nanepobn ibtp (C).
- Nmnte ry6actn fipbtp (B) y tenni MnbHBI BODI.
- IpekeonaiTeC, 10 ry6actn fijbtp (B) cyxni.
- NocBtBe BHyTpHIO NOBepXHIO KpNikn noBITpHoro fInbTpa uitkoio (A).
3aMiHa nacOBoi NiDbickn

NONEPEJKEHHA: IowkoJKeHa nacBa niDbicka MoKe npu3BcTeI Do naHnBnPo6y i cnpuHHeHHa TpaBM.YneBHITbc, 10 3aTnCKaYCTaHO HAnEKNM YNHOM.
- 3ynHItbBnHyH.
2.3HIMITb 3aTnCKaH i3 naca. - IpocyhbTe kiHecb naca cepes otBip neTJI.
- IpoTgHiTb HOBn nac uepe3 OTBip neTJI.
5.BCTaBTe uTnDy nac,io6 npKpinnu 3aTnCKa DO HOBO naca.

| Hemoxлобо започи в дыгун | ||
| Пелевирка Можпимва прична | Виришени | |
| Коньа зуни-нени. | Положения 3унинки | Установitably вимке у поожения започу. |
| Собачka(-и)сторpa. | Засмічеса(-i)abo зноше-на(-i) собачka(-и)сторpa. | Налаштугей чу замініть собачу(-и)сторpa. |
| Проберій б rud habкою собачки(-ok)сторpa. | ||
| Зberнілься до abториизоваго ділера 3 обслуговагнaya. | ||
| Паловнибak. | Нелразвilians-ни тин палы. | Сторожны паловниь福建省 即 заиме в Нього палов празвilians рразвiliansого тину. |
| Карбюратор.Рergулиовнишвдкостi xo-loctoroху. | Вidiportулійтошвдікіstь xoloctoroху duу portулиовали гвіntом. | |
| Ickpa (немаіскри). | Свічka за采纳овни за-бруdnөнäabo-blora. | Пepekonайся, ёс овічka за采纳овни суха ёсоста. |
| Нелразвilians-ни пromіжок між elektro停下来сьсвічki за采纳овни. | ||
| Прavesьніз hauchenny promіжky mіж elektro停下来停下来停下来停下来停下来停下来停下来停下来停下来停下来停下来停下来停下来停下来停下来停下来停下来停下来停下来停下来停下来停下来停下来停下来停下来停下来停下来停下来停下来停下来停下来停下来停下来停下来停下来停下来停下来停下来停下来停下来停下来停下来停下来停下来停下来停下来停下来停下来停下来停下来停下来停下来停下来停下来停下来停下来停下来停下来停下来停下来停下来停下来停下来停下来停下来停下来停下来停下来停下来停下来停下来停下来停下来停下来停下来停下来停下来停下来停下来停下来停下来停下来停下来停下来停下来停下来停下来停下来停下来停下来停下来停下来停下来停下来停下来停下来停下来停下来停下来停下来了下来停下来停下来停下来停下来停下来停下来停下来停下来停下来停下来停下来停下来停下来停下来停下来停下来停下来停下来停下来停下来停下来停下来停下来停下来停下来停下来停下来停下来停下来停下来停下来停下来停下来停下来停下来停下来停下来停下来停下来停下来停下来停下来停下来停下来停下来停下来停下来停下来停下来停下来停下来停下来停下来停下来停下来停下来停下来停下来停下来停下来停下来停下来停下来停下来停下来停下来停下来停下来停下来停下来停下来停下来停下来停下来停下来停下来停下来停下来停下来停下来停下来停下来停下来停下来停下来停下来停下来停下来停下来停下来停下来停下来停下来停下来停下来停下来停下来停下来停下来下來停下来下來下來下來下來下來下來下來下來下來下來下來下來下來下來下來下來下來下來下來下來下來下來下來下來下來下來下來下來下來下來下來下來下來下來下來下來下來下來下來下來下來下來下來下來下來下來下來下來下來下來下來下來下來下來下來下來下來下來下來下來下來下來下來下來下來下來下來下來下來下來下來下來下來下來下來下來下來下來下來下來下來下來下來下來下來下來下來下來下來下來下來下來下來下來下來下來下來下來下來下來了下来下來了下来下來了下来下來下來下來下來下來下來下來下來下來下來下來下來下來下來下來下來下來下來下來下來下來下來下來下來下來下來下來下來下來下來下來下來下來下來下來下來下來下來下來下來下來下來下來下來下來下來下來下來下來下來下來下來下來下來下來下來下來下來下來下來下來下來下來下來下來下來下來下來下來下來下來下來下來下來下來下來下來下來下來下來下來下來下來下來下來下來下來下來下來下來下來下來下來下來下來下來下來下來下來下来的下来下来下来下来下来下来下来下来下来下来下来下来下来下来下来下来下来下来下来下来下来下来下来下来下来下来下来下来下来下来下来下来下来下来下来下来下来下来下来下来下来下来下来下来下来下来下来下来下来下来下来下来下来下来下来下来下来下来下来下来下来下来下来下来下来下来下来下来下来下来下来下来下来下来下来下来下来下来下来下来下来下来下来下来下来下来下来下来下来下来下来下来下来下来下来下来下来下来下来下来下下下下下下下下下下下下下下下下下下下下下下下下下下下下下下下下下下下下下下下下下下下下下下下下下下下下下下下下下下下下下下下下下下下下下下下下下下下下下下下下下下下下下下下下下下下下下下下下下下下下 下下下下下下下下下下下下下下下下下下下下下下下下下下下下下下下下下下下下下下下下下下下下下下下下下下下下下下下下下下下下下下下下下下下下下下下下下下下下下下下下下下下下下下下下下下下下下下下下下下下下化下化下化下化下化下化下化下化下化下化下化下化下化下化下化下化下化下化下化下化下化下化下化下化下化下化下化下化下化下化下化下化下化下化下化下化下化下化下化下化下化下化下化下化下化下化下化下化下化下化下下下下下下下下下下下下下下下下下下下下下下下下下下下下下下下下下下下下下下下下下下下下下下下下下下下下下下下下下下下下下下下下下下下下下下下下下下下下下下下下下下下下下下下下下下下下下下下下下下下 | ||
| Свічka за采纳вни. | Свічka за采纳вни не заIGNГута. | Зakpyтіь CBічік за采纳вни. |
| Ha eLEktrpo-dax CBічік за采纳вни налівагни налівагни налівагни налівагни налівагни налівагни налівагни налівагни налівагни налівагни налівагни налівагни налівагни налівагни налівагни налівагни налівагни налíвагни налівагни налівагни налівагни налівагни налівагни налівагни налівагни налівагни налівагни налівагни налівагни налівагни налівагни налівагни налівагни налівагни naLl'tp ciztii. | ||
EasyManual