360BT - Bladblazer HUSQVARNA - Gratis gebruiksaanwijzing en handleiding
Vind de handleiding van het apparaat gratis 360BT HUSQVARNA in PDF-formaat.
Veelgestelde vragen - 360BT HUSQVARNA
Gebruikersvragen over 360BT HUSQVARNA
0 vraag over dit apparaat. Beantwoord die u kent of stel uw eigen vraag.
Stel een nieuwe vraag over dit apparaat
Download de handleiding voor uw Bladblazer in PDF-formaat gratis! Vind uw handleiding 360BT - HUSQVARNA en neem uw elektronisch apparaat weer in handen. Op deze pagina staan alle documenten die nodig zijn voor het gebruik van uw apparaat. 360BT van het merk HUSQVARNA.
GEBRUIKSAANWIJZING 360BT HUSQVARNA
NL Gebruiksaanwijzing 257-273
NO Bruksanvisning 274-288
PL Instruktura obslugi 289-306
PT Manual do utiliser 307-324
RO Instruetioni de utiliser 325-341
RU PykoBoIDCTBO no 3Kcnpnyatau nn 342-360
SK Navod na obsluhu 361-377
Opiooi yia nV aovaaeia
Oi TapaKaTOW opiooi TApexouv To a oBapotntac yia ka0e TPOEIDOTIOINTIKn

\PPOEI OIOIH\SH:
Tpaumiaoosarouwv.

PPOsOXH: ZnmuTou TpoioVToC.
IepieXóEvαAutεσiπλnpoopioεδieukoluvovtnxρnTou TPOIOVTOG.
EviKcObnyieC aOpaAeiaC

NPOEIOHOIH: PpOTox npoiotoinoTe To Tpoiov, diaaote TIC Tpaakatw TPOeioToiniKec oynieC.
Mny npaymuotnoieite aalaycscto npoiov xwpi c nvykpiou tou kataokceuaotn kai xpnioutoieite naVTA yvnoia aegouap. OI pOIOIOEIG n/kaT a un EYKEKPIeVA aEGouap mTOpei va TpokaAeouv oaoPraupatioo n davato tou xeipiotn n alawv atouw.
PPETIEVAxPNOIOTIOIEITEoTPOIOvAV exuTTOATEIzmu.IpaayuatoTIOIETEolouc touc EeVyXoucaaaaiaCkai TIGepyaeicSauvtipnans TOU avapepoVTAI OTO npov EYxepidio xpnoC. OAc oAaEc epyaiec ouvtipnans TpeTEIAVEKTEAUVTAI ANO EYKEPIEVO TPOoWTIKOePbIC.
OAEoEpyaiec eepic kai ETIaKEUnC TpeTc va yivovta aio Eykepigevo TpoawTiko eepic.Eav kaTIO Eapntma Tou TpoiovTo civ Aattwataki, ateuuvthei Tov totTKo avTTPOaTOePBC.
Obnyiec aospaalεiaç yia tn λeitoupyia

PPOEIADONOIH: PpOToU XpOIOIOIeTO TPOIOv,diAbaTe Tc TApakATW PPOEIOOTiKec OOnyieC.
Auro to npoiov mnpoei va eivai etikivduvo kai va npokaloei oobapo tpaumatio n davato tou xepiatn n aawv atouw. Na eiete npoektikoi kai va xpnoitooite to npoiov ootia.
Eeewpnto Tpoiov npotou to xnoaiooiae. AvatpeTe oNv evotnTa Suvtiponan ot n eAida 97.
Na unx npnoiopoie TE TO TPOIOv eav EIOTE KOUpaoueVOI, appwtoI NTV ETnpeia aAkoa I aAwwv apmuakW TIOpei va
Deze machine is een rugged dragen bladblazer met een brandstofmotor.
Husqvarna AB werkkt voortdurend aan het verder ontwikkelen van haar producten en behoudt zich dan ook hetrecht voor om zonder aankondiging vooraf wijzigingen in o.a. vorm en uiterlijk door te voeren.
Gebruik
Gebruik het product voor het wegblazen van bladeren en ander ontgewenst materiaal van bijvoorbeeld gazons, voetpaden en asfaltwegen.
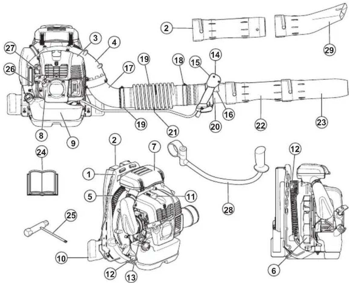
Productverzicht (360BT)

- Frame
2.Draagstel - Motorkap
- Ventilatorkap
- Luchtinlaatrooster
- Ventilator
- Luchtfilter
-
Starthoordgreep
-
Brandstoftank
- Kussen
- Bougie
- Trillingdempingssysteme
- Chokehendel
- Bedieningshendel
- Start/stopschakelaar met gashendel
-
Gashendel
-
Pijphoek
- Klem
- Flexibele slang
- Regelpijp
- Kabelklem
-
Tussenpijp
-
Blaasmondstuk
- Bedieningshandleiding
- Ring-steeksleutel
- Primerbalg van brandstofpomp
- Schroef voor stationair draaien
- Stuur (accessoire)
Productverzicht (570BTS, 580BTS)

- Frame
2.Draagstel - Motorkap
- Ventilatorkap
- Luchtinlaatrooster
- Ventilator
- Luchtfilter
- Starthoordgreep
- Brandstoftank
- Heupkussen
- Bougie
- Trillingdempingsystem
- Chokehendel
- Bedieningshendel
- Stopschakelaar met gashendel
- Gashendel
- Pijphoek
-
Klem
-
Flexibele slang
- Regelpijp
- Kabelklem
- Tussenpijp
- Blaasmondstuk
- Bedieningshandleiding
- Ring-steeksleutel
- Primerbalg van brandstofpomp
- Schroef voor stationair draaien
- Stuur (accessoire)
- Plat mondstuk (accessoire)
Symbolen op het product

WAARSCHUWING! Dit product kan gevaarlijk zijn en ernstig of fataal letsel toebrengen aan de gebruiker of anderen. Wees voorzichtig en gebruik het product op de juiste manier.

Lees de bedieningshandleiding zorgvuldig door en zorg dat u de instructies hebt begren voordat u het product gebrukt.

Gebruik goedgekeurde
gehoorbescherming en
oogbescherming. Als de omgeving stof bevat, gebruik dan een stofmasker.

Draag goedgekeurde veiligheidshandschoenen.

Mengsel van benzine en tweetaktolie.

Primerbalg van brandstofpomp.

Houd alle lichaamsdelen uit de buurt van hete oppervlakken.

Choke, gesloten stand.

Dit product voldoet aan de geldende EG-richtlijnen.

Dit product voldoet aan geldende VKregelgeving.

Geluidsemissiesaar het omgevingslabel volgens de richtlijnen en voerschriften van de EU en het VK en de wetgeving van Nieuw-ZuidWales "Protection of the Environment Operations (Noise Control)
Regulation 2017". Het gegardeerde geluidsvermogensniveau van het product staat vermeld in Technische gegevens op pagina 272 en op het label.

Kijkuit voorwegslingerendeobjecten.Wegslingerendeobjectenkunnen ernstig letselveroorzaken.Maak alti gebruik van persoonlijke beschermingsmiddelen.

Houd een veligheidsafstand aan van minimaal 15m tot andere Personen of dieren.
yyyywwxxxxxx
Het serienummer staat op het productplaatje. yyyy is het productiejaar en ww is de productieweek.
Let op: Andere symbolen/stickers op het product hebben betrekking op certificeringseisen voor overige commerciele markten.
Euro V-emissies

WAARSCHUWING: De EU-typegoedkeuring van dit product verwalt als ongeoorloofde wijzigingen aan de motor aangebracht worden.
Productaansprakelijkheid
Zoals uiteengezet in de wet voor productaansprakelijkheid zijn wij Niet aansprakelijk voor schade die door ons product worden veroorzaakt, indien:
- het product Niet goed is gerepareerd.
- het product is gerepareererd met onderdelen die Niet van de fabrikant afkomstig zich, of onderdelen die Niet zich goedgekeurd door de fabrikant.
- het product een accessoire bevat dat nicht afkomstig is van de fabrikant of zich is goedgekeurd door de fabrikant.
- het product Niet is gerepareerd door een erkend servicepunt of door een erkende autoriteit.
Veiligheid
Veiligheidsdefinities
De onderstaande definities geben de mate van ernst\ weer voor elk trefwoord.

WAARSCHUWING: Letsel aan personen.
Let op: Deze informatie maakt het product eenvoudiger in gebruik.
Algemene veiligheidsinstructies

WAARSCHUWING: Lees de volgende waarschuwingen voordat u het product gaat gebruiken.
- Breng geen wijzigingen aan in het product zonder toestemming van de fabrikant en gebruik algijd originele accessoires. Niet goedgekeurde wijzigingen en/of nicht-originele onderdelen kuren tot ernstig letsel of de dood van zowel gebruiker als omstanders leiden.
- Gebruik nooit een beschadigd product. Voer de in deze bedieningshandleiding beschreiben visiligeidscontroles en onderhoudstakenuit. Alle overige onderhoudswerkzaamheden要去en worden uitgevoerd door erkend onderhoudspersoneel.
- Alle onderhoudswerkzaamheden en reparations moeten worden uitgevoerd door erkend onderhoudspersoneel. Als een onderdeel van het product defect is, neem dan contact op met uw servicedealer.
Veiligheidsinstructies voor bediening

WAARSCHUWING: Lees de volgende waarschuwingen voordat u het product gaat gebruiken.
- Dit product kan gevaarlijk zijn en ernstig of fataal letsel toebrengen aan de gebruiker of anderen. Wees voorzichtig in gebruik het product op de juiste manier.
- Controller het product voor gebruik. Zie Onderhoud op pagina 266.
- Gebruik het product Niet wanner u vermoeid of ziek bent, of alcohol of drugs hebt gebruikt waardoor uw gezichts-, beoordelings- of coordinatievermogen worden aangetast.
- Breng voor gebruik alle afdekkingen en afterscheringen aan. Verzeker uervaan dat de bougiedop en ontstekingskabel onbeschadigd zichn om het risico van een elektrische schok te voorkomen.
- Raak de bougie of de ontstekingskabel nicht aan verwijl de motor loopt.
-
Houd een veligheidsafstand aan van minimaal 15m tot andere Personen of dieren. Stop het product als Personen, kinderen of dieren dichter bij komen dan 15 meter. Richt het product Niet op Personen, dieren, open ramen of andere voorwerpen.
-
Laat het product Niet door kinderen bedieren.
Zorg ervoor dat alle gebruikers deze bedieningshandleiding lezen en begrijpen. - Houdijdens het werk handen en andere voorwerpen uit de buurt van de behuizing van de bladblazer. Roterende onderdelen konnen ernstig letsel veroorzaken.
- Gebruik het product Niet als het luchtinlaatrooster Niet is gemonteerd. Zorg er voor gebruik algijd voor dat het luchtinlaatrooster is gemonteerd en Niet is beschadigd.
- Als zich een noodsituatie voordoet, maakt u de heupgordel en de borstgordel van het harnas los en LAST u het product vallen.
Houd u aan de nationale voorschriften enrichtlijnen. - Houd alle lichaamsdelen uit de buurt van hete oppervlakken.
- Dit product produeert tijdens bedrijf een elektromagnetisch veld. Dit veld kan onder bepaalde omstandigheden de werkung van actieve of passieve medische implantaten verstoren. Om het risico op ernstig of dodelijk letsel te beperken, raden we personen met een medisch implantaat aan om contact op te nemen met hun arts en de fabrikant van het medische implantaat alvorens dit product te gaan gebruiken.
- Door te veel trillingen kan de circulatie of het zenuwstelsel beschadigd raken. Neem contact op met uw arts als u symptomen hebt, zoals gevoelloosheid, verlies van gevoel, tintelingen, een prikkelend gevoel, pijn, krachtverlies of veranderingen in de huidskleur in uw vingers, handen of polsen.
- Kijkuit voorwegslingerendeobjecten. Wegslingerendeobjectekunnen ernstigletselveroorzaken.
- Gebruik het product Niet bij slecht wee, zoals mist, regen, harde wind en hevige kou. Werken bij slecht waar kan leiden tot vermoeidheid en gevaarlijke omstandigheden.
Zorg dat u vrij(Intkunt bewegen en in een stabiele houding kunt werken. Controller het werkgebied op mogelijkke obstkels, zoals stenen. Wees voorzichtig wonneer u het product op een helling bedient. - Plaats het product Niet met een draaiende motor op de grond.
- Gebruik dit product Niet op hoogte, zoals op een ladder.
Zorg ervoor dat u altijd kurz worden gohoord als er een ongeval plaatsvindt. - Controleer of de uitlaat voor uitlaatgassen Niet is geblokkeerd. Om schade aan het product te voorkomen, moet u obstakels op een afstand van ten minste 50~cm vanaf de uitlaat voor uitlaatgassen honden.
- Start het product Niet binnenshuis, bij een slechte luchtstroom of in de buurt vanlicht ontvlambaar materiaaal. De uitlaatgassen
van de motor bevatten koolmonoxide, dat koolmonoxidevergifting kan veroorzaken. De uitlaatgassen van de motor+zijn heet en+kennen vonken veroorzaken die tot brand hunnen leiden.
Persoonlijke beschermingsuitrusting

WAARSCHUWING: Lees de volgende waarschuwingen voordat u het product gaat gebruiken.
- Draagijdens het gebruik van het product alsijd goedgekeurde persoonlijke beschermingsmiddelen. Persoonlijke beschermingsuitrusting kuren Niet alle risico'suitsluten maar kuren de ernst van eventueel letsel helpen beperken. Neem voor meer informatie contact op met uw dealer.
- Gebruik goedgekeurde gehoorbescherming. Langdurige blootstelling aan lawaai kan leiden tot permanente gehoorbeschadiging.
- Gebruik goedgekeurde oogbescherming. Als u een vizier gebruikt, moet u ook een goedgekeurde veiligheidsbril gebruiken. Een goedgekeurde veiligheidsbril要去 voldoen aan de norm ANSI Z87.1 voor de VS of EN 166 voor de EU-landen.
- Draag veilgheidshandschoenenijdens gebruik en onderhoud.
- Gebruik beschermende laarzen of schoenen met antislipzolen.
- Gebruik kleding van sterke stof en van volledige lenghte. Gebruik geen sieraden of open schoenen. Om het risico op letsel te verminderen,要去 uw nauwsluitende kleding dragen, maar mag deze uw bewegingen nicht beperken. Bind uw�<|im_start|>assistant schouderlengte om te voorkomen dat uwaar in draaiende onderdelen verechtkomt of op takken vast komt te zitten.
- Gebruik ademhalingsbescherming wanner het risico van het vrijkomen van stof bestaat.
- Houd de EHBO-doos in de buurt.
Veiligheidsvoorzieningen op het product

WAARSCHUWING: Lees de volgende waarschuwingen voordat u het product gaat gebruiken.
- Gebruik het product nooit wanner de veiligheidsvoorzieningen defect zijn.
- Controller de veiligheidsvoorzieningen regelmatig op een juiste werking. Zie Onderhoud op pagina 266.
- Als de veiligheidsvoorzieningen defect zijn, neem dan contact op met uw Husqvarna servicedealer.
Geluiddempert controleren

WAARSCHUWING: Gebruik
geen product met een defecte
geluidemper.

WAARSCHUWING: De demper
wordt zeer heetijdens en na
gebruik, ook bij stationair toerental.
Gebruik beschermende handschoenen
om brandwonden te voorkomen.

WAARSCHUWING: De binnenkant van de geluidemper bevat chemicalien die kankerverwekkend konnen zich. Raak de geluidemper Niet aan indien deze is beschadigd.
- Controller de demper regelmatig visuel. De geluiddempo is bedoeld om geluidsniveauaus zo laag möglich te houden en om de uitlaatgassen weg te voeren van de gebruiker. Zie Onderhouduitvoeren aan de geluiddempo op pagina 267.
Trillingsdempingssysteme controleren
- Controller de trillingdempers op scheuren of verrorming.
- Controller of de trillingdempers op de juiste wijze..., Zijn bevestigd op de motor en de handgreep.
Raadpleeg Productoverzicht (360BT) op pagina 257voor informatatie over de locatie van het trillingdempingssystem op uw product.
De start/stop-schakelaar controlleren
- Schakel de motor uit met de start/stop-schakelaar.
- Zorg ervoor dat de motor volledig worden stopgezet.
Raadpleeg Productoverzicht (360BT) op pagina 257 om te zien waar zich op uw product de start/stopschakelaar bevindt.
Veiligheid van het draagstel
- Zorg ervoor dat de heupgordel is aangesloten en juist is afgesteld. Losse uiteinden van het harnas kuren in draaiende onderdelen verechtkomen en schade aan de ventilator veroorzaken. Als de ventilator is beschadigd, worden losse onderdelen van de machine möglichnuitar buitengeworpen en kuren deze letsel of schade veroorzaken.
WAARSCHUWING: Lees de volgende waarschuwingen voordat u het product gaat gebruiken.
- Meng en vul brandstof nicht binnenshuis bij of in de buurt van een warmtebron.
- Start het product Niet als er brandstof ofolie op het product of uw lichaam is gemorst.
- Start het product Niet als er spreake is van brandstoflekkage. Controller de motor regelmatig op brandstoflekkage.
- Wees altiijd voorzichtig met brandstof. Brandstof islicht ontvlambaar en de brandstofgassen zichExplosief.Deze kuren ernstig letselveroorzaken of leiden tot de dood.
- Adem geen brandstofdampen in, dit kan letsel veroorzaken. Zorg voor voldoende ventilatie.
- Rook nicht in de buurt van de brandstof of demotor.
-
Plaats het product of een jerrycan met brandstof Niet in de buurt van warme voorwerpen, open vuur, vonden of waakvlammen.
-
Gebruik alg'tijd goedgekeurde containers voor opslag en transport van brandstof.
Veiligheidsinstrumenties voor onderhoud

WAARSCHUWING: Lees de volgende waarschuwingen voordat u het product gaat gebruiken.
Zet de motor af, verwijder de bougie en laat de motor afkoelen voordat u onderhouds- en montagewerkzaamheden uityoert.
- Een verstopt vonkenscherm leidt ertoe dat de motor te heet worden, waardoor schade aan de motor ontstaat.
Montage
Inleiding

WAARSCHUWING: Zorg dat u het hoofdstuk over veiligheid hebt gelezen en begrepen voordat u het apparaat monteert.
De blaaspijp en regelpijp op het product monteren
- Bevestig de flexibele slang (A) op de pijphoek en de regelpijp (B) met de klemmen (C) en (D).

Let op: Smeer de regelpijp en de flexibele slang om deze gemakkelijker te monteren.
- Bevestig de hendelhouser (E) aan de regelpijp. Lijn de hendelhouseruit met de flens op de regelpijp.

- Stel de positie en hoek van de bedieningshendel in op een veilige en correcte werkpositie. Draai de knop vast.
- Bevestig de kabel aan de flexibele slang met de kabelklem.

- Bevestig de tussenpijp aan de regelpijp.

Let op: Als het nodig is een langere cirkelvormige blaaspijp te gebruiken, is er een verlengde:tussenpijp verkrijgbaar.
- Bevestig het blaasmondstuk aan de tussenpijp.
Let op: Het blaasmondstuk kan alleen op de tussenpijp worden aangesloten.
Het staat monteren (optioneel accessoire)
- Verwijder de tussenpijp.
- Verwijder de knop van de houder en duw de houder op de regelpijp.
- Monteer het stuur en de knop. Draai de knop vast.

- Monteer de tussenpijp.
Het platte mondstuk monteren (optioneel accessoire)
Het platte mondstuk geeft een hogere luchtsnelheid dan de blaasmond.
- Verwijder de blaasmond van de tussenpijp en bevestig de platte zuigmond.

Werking
Inleiding

WAARSCHUWING: Zorg dat
u het hoofdstuk over veiligheid hebt gelezen en begrepen voordat u het product gebruikt.
Brandstof
Dit product is uitgerust met een tweetaktmotor.

OPGELET: Een verkeerde soort brandstof kan leiden tot motorschade.
Gebruik een meldsel van benzine en tweetaktolie.
Voorgemengde brandstof
- Gebruik voorgemengde Husqvarna- alkylaatbrandstof voor optimale prestaties en een Lange levensduur van de motor. Deze brandstof bevat minder schadelijke stoffen dan reguliere brandstof waardoor de uitstoot van schadelijke uitlaatgassen worden beperkt. Bij gebruik van deze brandstof blijven er minder verbrandingsresten in de motor acheter waardoor de onderdelen van de motor schoner blijven.
Brandstof mengen
Benzine
- Gebruik hoogwaardige loodvrijne benzine met maximaal 10% ethanol (E10).

OPGELET: Gebruik geen benzine met een octaangetal lager dan 90 RON/87 AKI. Een lager octaangetal kan leiden tot pingelen van de motor wat tot motorschade kan leiden.
Tweetaktolie
- Gebruik voor de Beste resultaten en optimale prestaties Husqvarna tweetaktolie.
- Als geen Husqvarna tweetaktolie beschikbaar is, gebruik dan een andere hoogwaardige tweetaktolie voor luchtgekoelde motoren. Bespreek de keuze van de tweetaktolie met uw servicedaler.

OPGELET: Gebruik geen tweetaktolie die bedoeld is voor watergekoelde buitenboardmotoren, zogenaamde outboardoil. Gebruik geen olie die is bedoeld voor viertaktmotoren.
Benzine en tweetaktolie mengen
| Benzine, liter | Tweetaktolie, liter |
| 2% (50:1) | |
| 5 0,10 | |
| 10 0,20 | |
| 15 0,30 | |
| 20 0,40 |

OPGELET: Wanneer ukleine hoveeelheden brandstof meldt, kunnen kleine fouten grote gevolgen hebben voor de mengverhouding.Meet de hoveeelheid olie nauwkeurig af om het juiste mengsel te verkrijgen.

- Giet de helft van de benzine in een schone brandstofbestendige houder.
- Voeg de volledige hoeveelheid olie toe.
- Schud het brandstofmengsel.
- Giet de resterende hoeveelheid benzine in de houder.
- Schud het brandstofmengsel grondig.

OPGELET: Meng maximaal de hoeveelheid brandstof die u nodig hebt voor 1 maand.
Brandstoftank vullen

WAARSCHUWING: Houd u voor uw eigieneiligheid aan de volgende procedure.
- Stop de motor en LAST de motor afkoelen.
- Maak het gebied rond de brandstoftankdop goed schoon.

- Schud de container en zorg ervoor dat de brandstof volledig is gemengd.
- Draai de brandstoffankdop langzaam los om de druk te lately ontsnappen.
- Vul de brandstoftank.

OPGELET: Zorg dat er nicht te veel brandstof in de brandstoftank zit. De brandstofzetuiwanner们都 heet wordt.
- Draai de tankdop volledig vast.
- Verwijder gemorste brandstof op en rond het product.
- Verwijder het product altijd ten minste 3m uit de buurt van de tankplaats en brandstofbron voordat u het product gaat starten.
Let op: Om te zien waar de brandstoftank op uw product is, raadpleegt u Productoverzicht (360BT) op pagina 257 en Productoverzicht (570BTS, 580BTS) op pagina 258.
Product starten
- Voor 360BT. Als de motor koud is, zet u de chokehendel in de gesloten chokestand. Raadpleeg Symbolen op het product op pagina 258

- Voor 570BTS en 580BTS. Als de motor koud is, zet u de chokehendel in de gesloten chokestand. Raadpleeg Symbolen op het product op pagina 258

- Druk deprimerbalg van de brandstofpomp steeds opnieuw in, totdat de primerbalg worden gemuld met brandstof. Het is Niet nodig de primerbalg volledig te vullen.
- Duw de start/stop-schakelaar met gashendel\ haar de stand 1/3 toerental. Raadpleeg De\ gashendel/stopschakelaar bedieren op pagina\ 265
-
Plaats het product op een vlakke ondergrond.
-
Houd het product vast met uw linkerhand.


OPGELET: Gebruik nicht uw voeten om het product vast te houden.
- Trek langzaam aan de startkoordhendel totdat u wonderstand voelt.
- Trek snel aan de startkoordhendel met uwrechtterhand. Trek steeds opnieuw aan de startkoordhendel tot de motor start.
Let op: Trek de startkoordhendel nicht helemaaluittotde maximale positie en laat de startkoordhendel nicht los.
- Als de motor koud is, duw dan de chokehendel geleidelijk maar de open chokestand totdat de chokehendel stocht.
- Als de motor koud is, waar de motor dan 2 tot 3 minuten warmdraaien voordat u de motor gebruikt.

WAARSCHUWING: Er kommt lucht vrij wanner de motor worden gestart en het product op stationair toerental worden ingesteld. Laat geen personen in de buurt van het product of de blaaspijp komen.
De gashendel/stopschakelaar bedieren

- Geef vol gas (A).
- Pas 1/3 toerental (B) toe.
-
Laat stationair draaien (C).
-
Stop het product (D).
Het product gebruiken
- Deze blazer is van het rugzaktype en worden tijdens gelebruik gedragen met behulp van een schouderharnas. Het gereedschap is met de rechterhand te bedieren door middel van de hendel op de buis.

- Gebruik het product uitsluitend op gebruikelijke werkelijk den. Volg deplaatselijke regelgeving.
- Verminder het+aantal apparaten en selecteer het juiste toerental voor uw taak. Gebruik de gasregeling in de laagst mogelijkke stand ommeer geluid en stof dan nodig is te voorkomen.
- Houd de blaasmond指的是在地上的。
Let op: Husqvarna raadt u aan het volledige verlangstuk van de blaasmond te gebruiken.
- Noteer de windrichting en bedien het product in de windrichting.
-
Gebruik geschickt tuingereedschap om materiaal van de grond los te make.
Maak in gebieden met stof gebruik van spuitapparatuur om het gebied te nat te make. Dit verkort de bedriifstijd. -
Bewaar het product na gebruik verticaal.
Product stoppen

OPGELET: Stop het product Niet op volle snelheid.
- Zet de start/stopschakelaar met gashendel in de stopstand. Zie De gashendel/stopschakelaar bedieren op pagina 265.
Draagstel afstellen
Een correct afgesteld draagstel en product vereenvoudigen de bediening.
- Doe het draagstel van het product om.
- Stel de zijriemen af totdat het product strak gegen uw lichaam zich.

Voor 570BTS, 580BTS:
- Plaats de heuppgordel om uw middel.
- Haal de riem van de heupgordel aan. Zorg ervoor dat het gewicht van de bladblazer op uw heupen blijft.
- Bevestig de borstriem aan de klem.
- Trek de band aan.
Onderhoud
Inleiding

WAARSCHUWING: Zorg dat
u het hoofdstuk over veiligheid hebt
gelezen en begrepen voordat u onderhoud aan het product gaatuitvoeren.
Onderhoudsschema
| Onderhoud | Elke dag | Weke-lijks | Maande-lijks |
| Reinig de externe oppervlakken. X | |||
| Controller of de bedieningshendel goed werkt. X | |||
| Controller of de start/stopschakelaar correct werkt. Zie De start/stop-scha-kelaar controlleren op pagina 261. | X | ||
| Controller de motor, de brandstoftank en de brandstofleidingen op lekka-ges. Controller het brandstofffilter op verontreiniging. Vervang het brand-stofffilter indien nodig. | X | ||
| Maak het luchtfilter schoon. Vervang het luchtfilter indien nodig. X | |||
| Draai moeren en bouten aan. X | |||
| Inspecteer de luchtinlaat en controller of deze Niet is geblokkeerd. X | |||
| Controller de starter en het starthoord op beschadigingen. X | |||
| Controller de trillingsdempers op beschadigingen, scheuren en verror-ming. Controller of de trillingsdempers correct zich bevestigd. | X | ||
| Controller de bougie. Zie De bougie controlleren op pagina 267. | X | ||
| Reinig het koelsystem. X | |||
| Reinig het externe oppervlak van de carburateur en het gebied er omheen. X | |||
| Reinig de brandstoftank. X | |||
| Controller alle kabels en aansluitingen. X | |||
| Controller het vonkenscherm van de geluidemper en reinig deze (voor producten zonder katalysator). | X | ||
| Controller en reinig het vonkenscherm op de geluidemper (voor machines met katalysator). | X | ||
| Controller de bougie. Vervang indien nodig. X |
Stationair toerental afstellen
- Zorg dat het luchtfilter schoon is en het luchtfilterdeksel gemonteerd is.
- Stel het stationair toerental af met de schroef voor stationair draaien. Zie Productoverzicht (360BT) op pagina 257om te zich waar zich op de machine de schroef voor stationair draaien bevindt.
De bougie controlleren

OPGELET: Gebruik de aanbevolen bougie. Zie Technische gegevens op pagina 272. Een onjuiste bougie kan leiden tot schade aan het product.
- Stop de motor en LAST het product afkoelen.
-
Reinig de bougie als deutsche vuil is.
-
Controller of de afstand:tussen de elektroden juist is.Zie Technische gegevens op pagina 272.

- Vervang de bougie maandelijks of vaker indien nodig.
Onderhoud uitvoeren aan de geluiddemper
-
Stop de motor en LAST de geluiddempoer afkoelen. Gebruik altijd veiligheidshandschoenen.
-
Verwijder de schroeven (A), de schroeven (B) en het uitlaatkanaal (C).

- Verwijder het vonkenschem (D) en reinig dit met een staalborstel. Vervang het vonkenschem als het beschadigd is.
- Verwijder vuiluit demper enuit de uitaatpoort van de cilinder met de staalborstel.
- Bevestig het vonkenschem (D) en het uitlaatkanaal (C) met de schroeven (B). Draai de schroeven vast met 2-3 Nm.
- Draai de schroeven (A) vast met 8-12 Nm. Zorg ervoor dat de geluidemper correct aan het product is bevestigd.
Het koelsystem inspecteren en reinigen
Het koelsystem omvat de koelvinnen op de cilinder en het luchtinlaatrooster.
- Stop de motor.
- Zorg ervoor dat het koelsystemeem Niet vuil of verstopt is. Reinig indien nodig het luchtinlaatrooster en de koelvinnen.

OPGELET: Een vuil of verstopt koelsystem kan tot gevolg hebben dat de temperatuur van de motor stijgt en het product beschadigd raakt. Een verstopt luchtinaatrooster verminder de blaaskracht.
- Inspector het koelsystem op schade. Zorg ervoor dat de onderdelen correct op het product zich bevestigd.
Luchtfilter

OPGELET: Gebruik het product nicht zonder luchtfilter of met een beschadigd luchtfilter. Stof in de lucht kan schade aan de motorveroorzaken.
Let op: Een luchtfilter dat lange tijd is gebrukt, kan nicht volledig worden gereinigd. Vervang het luchtfilter regelmatig en verrang een defect luchtfilter.altijd.
Let op: Reinig het luchtfilter regelmatig om vuil en stof te verwijderen. Hiermee voorkomt u een defecte carburateur, startproblemen, vermogensverlies, slijtage van motoronderdelen en een hoger brandstofverbruik dan normalaal. Reinig het luchtfilter elke 40 bedrijfsuren, of vaker als het zware werkomstandigheden betreft.
Het luchtfilter reinigen (360BT)
- Duw de chokehendel maar de gesloten stand.
- Verwijder het luchtfilterdeksel (A).
- Verwijder het luchtfilter (B)uit het filterframe.

- Reinig het luchtfilter met warm water en zeep.
- Reinig het binnenoppervlak van het luchtfilterdeksel (A) met een borstel.
- Breng olie aan op het luchtfilter. Raadpleeg Olie aanbrengen op het schuimluchtfilter (360BT) op pagina 268.
- Plaats het luchtfilter in het filterframe.
- Bevestig het luchtfilterdeksel op het product.
Olie aanbrengen op het schuimluchtfilter (360BT)

OPGELET: Gebruik alkijd speciale luchtfilterolie van Husqvarna. Gebruik geen andere typen olie.

WAARSCHUWING: Draag, veiligheidshandschoenen. De olie van het luchtfilter kan huidirritatie veroorzaken.
- Doe het schuimluchtfilter in een plastic zak.
- Doe de olie in de plastic zak.
-
Wrijf over de plastic zak, zodate de olie gelijkmatig over het schuimluchtfilter worden verdeld.
-
Duw de overtollige olie uit het schuimluchtfilter terwijl het in de plastic zak zit.

Het luchtfilter reinigen (570BTS, 580BTS)

OPGELET: Breng geen olie aan op het schuimfilterelement van het luchtfilter in 570BTS en 580BTS.
- Maak de bevestigingen los waarmee het luchtfilterdeksel vastzit.

- Verwijder het luchtfilterdeksel (A).

- Verwijder het schuimfilter (B) en het papierfilter (C)uit het filterframe.
- Vervang het papierfilter (C).
- Reinig het schuimfilter (B) met een warm sopje van water en zeep.
- Zorg dat het schuimfilter (B) droog is.
- Reinig het binnenvlak van het luchtfilterdeksel met een borstel (A).
Het harnas verrangen

WAARSCHUWING: Een beschadigd harnas kan tot gevolg hebben dat het product valt en letsel veroorzaakt. Zorg ervoor dat de klem correct worden aangebracht.
- Stop de motor.
- Verwijder de klem uit de riem.
- Haal het uiteinde van de riem door het oog.
- Bevestig de neue riem door het oog.
- Plaats de pen in de riem om de klem aan de neue riem te bevestigen.

| De motor kan nicht worden gestart | ||
| Controle Mogel | ike oor-zaak | Oplossing |
| Stopknop. Stopstand Zet de stopschakelaar in de startpositie. | ||
| Startpal(len). Geblokkerde of versleten startpal(len). | Verstel of verrang de startpal(len). | |
| Reinig het gebied rondom de startpal(len). | ||
| Neem contact op met een erkende servicedealer. | ||
| Brandstoffank. Verkeerd type brandstof. | Tap de brandstoffank af en vul deze met de juiste brandstof. | |
| Carburateur. Afstelling van het stationair toerental. | Stel het stationair toerental af met de stelschroef. | |
| Ontsteking (geen vonk). | Bougie vies of nat. | Zorg ervoor dat de bougie droog en schoon is. |
| De elektroden-afstand op de bougie is nicht juist. | Bougie reinigen. Controller of de afstand:tussen de elektroden juist is. Zorg ervoor dat de bougie is uitgerust met een onderdrukker. | |
| Zie de technische gegevens voor de correcte elektrodenafstand. | ||
| Bougie. | Bougie is los. Draai de bougie vast. | |
| Er is onge-wenst materi-aal aanwezig op de elektroden van de bougie. | Zorg dat het brandstofmengsel correct is. | |
| Zorg dat het luchtfilter schoon is. | ||
| De motor start, maar stopt wee | ||
| Controle Mogel | ijke oor-zaak | Oplossing |
| Brandstoftank. | Verkeerd type brandstof. | Tap de tank af en gebruik de juiste brandstof. |
| Carburateur. | motor werkt nicht maar behoren bij stationair toe- rental. | Neem contact op met uw servicedaler. |
| Luchtfilter. | topt lucht-filter. | Maak het luchtfilter schoon. |
Transport en opslag
Transport en opslag

WAARSCHUWING: om
brandgevaar te voorkomen, moet u ervoor zorgen dat er geen lekken of dampen zich tijdens transport of opslag.
Zorg ervoor dat er geen risico op vonden of brand bestaat.
- Leeg de brandstoffank voordat het product wordt vervoerd of gedurende langearend wordt opgeslagen. Druk op de primerbalg van de brandstoffpomp om ervoor te zorgen dat alle brandstof worden verwijderd. De brandstof via een geschikte verwijderingslocatie afvoeren.
- Zorg ervoor dat het product schoon is en dat er volledig onderhoud wordenuitgevoerd voordat het product langeijd worden opgeborgen.
- Verwijder de bougie en giet ongeveer 15 ml tweetaktolie in de cilinder. Draai het product 3 keer om en breng de bougie opnieuw aan.
- Bevestig het product stevig op het voertuig tijdens vervoer.
- Plaats het product in een droge, koele en schone ruimte met een goede luchtstroom. Houd de machine buiten het bereik van kinderen.
Technische gegevens
| 360BT 570BT | S 580BTS | ||
| Motor | |||
| Cylinderinhoud, cm3 | 65,6 65,6 75 | 6 | |
| Stationair toerental, tsp 2000 2000 2000 | |||
| Katalysator Nee Nee Nee | |||
| Ontstekingssystem | |||
| Bougie NGK CMR7H NGK CMR7H NGK CMR7H | MR7H | ||
| Elektrodenafstand, mm 0,6-0,7 0,6-0,7 0,6 | -0,7 | ||
| Brandstof-/smeersystem | |||
| Inhoud brandstoffank, l / cm3 | 2,2 / 2200 2,2 / | 2200 2,6 / 2600 | |
| Gewicht | |||
| Gewicht zonder brandstof, in kg 10,5 11,2 | 1,8 | ||
| Geluidsemissies 46 | |||
| Geluidsvermogenniveau, gemeten dB(A) 1 | 10 110 111 | ||
| Geluidsvermogensniveau, gegardeerd LwA dB (A) | 111 110 112 | ||
| Geluidsniveaua 47 | |||
| Equivalent geluidsdrukniveau bij het oor van de gebruiker, gemeten volgens EN 15503 dB(A): | |||
| Uitgerust met blaasmondstuk (origineel) 104 | 103 100 | ||
| Trillingsniveau 48 | |||
| EQUIVALEnte trillingsniveaua (ahv,eq) in de handgrepen, gemeten volgens EN 15503, m/s2 | 2,5 1,8 1,6 | ||
| Ventilatorprestaties | |||
| Max. luchtnelheid met blaasmondstuk, m/s | 104 106 92 | ||
| Luchtstroom met blaasmondstuk, m3/min | 18 | 22 | 26 |
EG-verklaring van overeenstemming
Wij, Husqvarna AB, SE-561 82 Huskvarna,
Zweden, tel: +46-36-146500, verklaren onder once
alleenverantwoordelijkheid dat het product:
| Beschrijving Ruggedragen bladblazer | |
| Merk Husqvarna | |
| Type / model 360BT, | 570BTS, 580BTS |
| Identificatie Serienummers vanaf 2022 (360BT), 2023 (570BTS, 580BTS) en verder. | |
voldoen volledig aan de volgende EU-richtlijnen en
-regelgeving:
| Verordening Beschrijving | |
| 2006/42/EG "beteffende machines" | |
| 2014/30/EU "beteffende elektromagnetische compatibiliteit" | |
| 2000/14/EG "beteffende de geluidsemissies in het milieu" | |
| 2011/65/EU "inzake beperking van het gebruik van bepaalde gevaarlijke stoffen in elektrische en elektronische apparatuur" |
en dat de volgende normen en/of technische
specificaties zichn toegepast: EN ISO 12100:2010,
CISPR 12:2009, EN 15503:2009+A2:2015, EN IEC 63000:2018
SE-750 07 Uppsala, Zweden, heeft voor Husqvarna
AB een Niet-verplicht typeonderzoek uitgevoerd.
Certificaatnummer: SEC/22/2566 - 360BT,
SEC/10/2276 - 570BTS, SEC/10/2277 - 580BTS
7035, SE-750 07 Uppsala, Zweden, heeft ook
overeenkomst bevestigd met bijlage V van de
richtlijnen van de raad 2000/14/EG.
Voor informatatie over geluidsemissies, zie
Technische gegevens op pagina 272.
Huskvarna, 2023-01-01

Verantwoordelijk voor technische documentationie

INNHOLD
Innledning 274
Feilsøking. 285
Sikkerhet 276
Echipament de protectie personala

AVERTISMENT: Inainte de a utilizes produsul, citi instruuntile de averizare de mai jos.
SimpelGids