360BT - Lehepuhuri HUSQVARNA - Tasuta kasutusjuhend
Leidke seadme juhend tasuta 360BT HUSQVARNA PDF-formaadis.
Korduma kippuvad küsimused - 360BT HUSQVARNA
Kasutajate küsimused teemal 360BT HUSQVARNA
0 küsimus selle seadme kohta. Vastake nendele, mida teate, või esitage oma.
Esita uus küsimus selle seadme kohta
Laadige alla juhend oma Lehepuhuri PDF-formaadis tasuta! Leidke oma juhend 360BT - HUSQVARNA ja võtke oma elektrooniline seade uuesti kätte. Sellel lehel on avaldatud kõik teie seadme kasutamiseks vajalikud dokumendid. 360BT kaubamärgi HUSQVARNA.
KASUTUSJUHEND 360BT HUSQVARNA
Kasutage toodet lehtedevoi muu soovimatu materjali arapuhumiseks naiteks murult, teeradadelt ja asfaltteedelt.
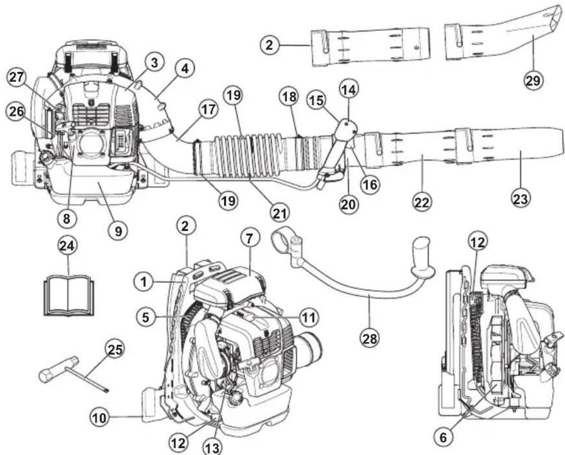
Seadme tutvustus (360BT)

- Raam
- Kanderihmad
- Mootorikate
- Ventilaatori kate
- Ohuvotuava kate
- Ventilaator
- Ohufilter
- Käivitusnööri kæepide
- Kutusepaak
-
Polster
-
Süutekuünal
- Vibratsioonisummutussüsteem
- Ohuklapp
- Juhtkaepide
- Gaasihoo vastikuga käivitus-/seiskamisuliti
- Gaasipästik
- Toru nurk
- Klamber
- Painduv voolik
-
Juhtvoolik
-
Kaabliklamber
- Vahetoru
- Puhurseadme otsak
-
Kasutusjuhend
-
Kombivoti
- Kutusepump
- Tuhikäigukiruse reguleerimiskruvi
- Juhtraud (tarvik)
Seadme tutvustus (570BTS, 580BTS)

- Raam
- Kanderihmad
- Mootorikate
- Ventilaatori kate
- Ohuvotuava kate
- Ventilaator
- Ohufilter
- Käivitusnööri kæepide
- Kutusepaak
- Pusapolster
- Sütekuunal
- Vibratsioonisummutussüsteem
- Ohuklapp
- Juhtkaepide
- Gaasihoo vastikuga seiskamisuliti
- Gaasipäastik
- Toru nurk
- Klamber
- Painduv voolik
-
Juhtvoolik
-
Kaabliklamber
- Vahetoru
- Puhurseadme otsak
- Kasutusjuhend
- Kombivoti
- Kutusepump
- Tuhikäigukiruse reguleerimiskruvi
- Juhtraud (tarvik)
- Lameotsak (tarvik)
Sumbolid tootel

HOIATUS! Toode voib olla ohtlik ja pohjustada kasutaja voi korvaliste isikute ohtiku kehavigastuse voi surma. Olge ettevaatlik ja kasutage toodet oigesti.

Enne toote kasutamist lugege kasutusjuhend hoolikalt labi ja
veenduge, et koik juhised oleksid täesti arusaadavad.

Kasutage heakskiidetud kovaklappe ja kaitseprille. Kui keskkond on tolmune, kandke hingamismaski.

Kandke heakskiidetud kaitsekindaid.

Kasutage bensi ini ja kahetaktilise mootori oli segu.

Kütusepump.

Hoidke koik kehaosad kuumadest pindadest eemale.

Ohuklapp, avatud asend.

Ohuklapp, suletud asend.

See toode vastab kehtivatele Eü direktiividele.

See toode vastab kehtivatele UK direktiividele.

Muraemissionone viitav keskkonnasilt vastavalt ELi ja UK direktividele ja märustele ja Uus Louna-Walesi ögusaktile „Protection of the Environment Operations (Noise Control) Regulation 2017". Toote garanteritud helivöimsuse taseme andmed leiate joatisest Tehnilised andmed Ik 137ja sildil.

Hoiduge lendu paisatud esemete eest. Lendu paisatud esemed voivad tekitada raskeid vigastusi. Kasutage isikukaitsevahendeid.

Hoidke inimesto voi loomadaega minimaalselt 15 m ohutut vahemaad.
aaaannxxxxxx
Mudeli etikett naitab seeria-numbrit. aaaa on tootmisaa-sta ja nn on tootmisnadal.
Markus: Seadmel toodud ülejänud sumbolid/ tahised vastavad muudeCOMMertsvaldkondade tertifitseerimisnoutele.
Euro Vheitmed

HOIATUS: Mootori igasugune modifitseerimine, muutmine voi rikkumine tuhistab toote EL-i tübikinnituse.
Tootevastutus
Tootevastusseaduste alusel ei vastuta me tootest tingitud kahjustuste eest, kui:
- toodet on valesti parandatud;
toote parandomisel on kasutatud osi, mis ei ole tootja poolt valmistatud voi heaks kiidetud; - tootel on kasutatud tarvikut, mis ei ole tootjapoolt valmistatud voi heaks kiidetud;
- toodet ei ole parandatud volitatud hoolduskeskuses voi volitatud isiku poolt.
Ohutus
Ohutuse määratlused
Jargnevad märatlused naitavad margusonade raskusastet.

HOIATUS: Kehavigastused.
Märkus: See teave hölbastab toote kasutamist.
Ulised ohutuseeskirjad

HOIATUS: Enne toote kasutamist
loe labi jargnevad hoiatused.
- Ara tee toote juures ilma tootja heakskiiduta muudatusi ja kasuta alati originaalravikuid. Heakskiitmata muudatused ja/voi tarvikud voivad pohjustada kasutaja voi teiste isikute surma voi raske vigastuse.
- Ara kasuta kahjustatud seadet. Teosta kaesolevas juhendis kirjeldatud ohutuskonrolle ja hooldustoiod. Koik muud hooldustooed tuleb lasta teha volitatud hooldustookojas.
- Igasugune teenindamis- ja remonditöd tuleb
lasta teha volitatud hooldustökojas. Kui
toote mōni osa on defektiga, poörduge
hooldusesindusse.
Ohutusjuhised kasutamisel

HOIATUS: Enne toote kasutamist
loe labi jargnevad hoipated.
Toode voib olla ohtlik ja pohjustada kasutaja voi korvaliste isikute ohtliku kehavigastuse voi surma. Ole ettevaatlik ja kasuta toodet ogesti.
- Kontrolli seadet enne kasutamist. Vt jaotist Hooldamine Ik 132.
- Ara kasuta toodet, kui oled vasinud, haige voi tarvitanud alkoholi voi muid narkootilisi aineid, mis voib parssida teie nagemisvoimet, hindamisvoimet voi koordinatsioni.
Paigalda enne kasutamist koik katted ja kaitsed. Elektrilogi valtimiseks veendu, et sutekuunla piip ja sutekuunla juhe ei oleks kahjustatud.
- Āra puuduta mootori toötamise ajal sùutekūnalt ega sùtejuhet.
- Hoia inimeste voi loomadega minimaalselt 15 m ohutut vahemaad. Kui inimesed, lapsed voi loomad tulevad lahemale kui 15m ,seiska seade. Suuna toode eemale inimestest, loomadest, avatud akendest ja teistest objektidest.
- Ara luba lastel seadet käsitseda. Veendu, et koik kasutajad on kæesoleva kasutusjuhendi labi lugenud ja saavad sellet aru.
- Hoia kaed ja teised esemed seadme kasutamise ajal puhuri korpusest eemal. Poorlevad esemed vovivad pohjustada raskeid vigastusi.
- Ara kasuta toodet, kui ohu sissepaasaava on paigaldamata. Veendu enne kasutamist alati,
et ohu sisseppäasuva on paigaldatud ja pole kahjustatud.
- Hädaolukorra tekkides vabasta rakemete vöö- ja rinnarihm ning lase tootel maha kukkuda.
- Pea kinni riklikest öigusaktidest ja määrustest.
- Hoia kõik kehaosad kuumadest pindadest eemal.
Toode tekitab tootades elektromagnetvälja. Teatud tingimustel voib vali hairida aktivsete voi passiiysete meditsiniliste implantaatide tdd. Raskete voi surmaga loppevate kehavigastuste ohu vahendamiseks soovitame meditsinilisi implantaate kasutavatel inimestel pidada enneSELL seadme kasutamist nou omarsti ja implantaadi valmistajaga.
Liiga tugev vibratsioon voib kahjustada vereringet voi narvisusteemi. Pea nou arstiga, kui sul esinevad jargmised symptomid: sormede, kate voi randmete tuimus, tundetus, surismine, kibelemine, valu, jou kaotus voi nahavarvuse muutumine. - Hoidu eemalepaiskuvate esemete eest. ōhku paiskuvad esemed voivad pohjustada raskeid vigastusi.
- Hoidu seadme kasutamisest halva ilmaga, nt tihedes udus, tugeva vihma, tugeva tuule voi suure kulmaga. Halva ilmaga tootamine voib pohjustadaVASimust ja ohtlike olukordade teket.
- Veendu et saaksid liikuda ja tootada stabilises asendis. Kontrolli too piirkonda voimalike takistuste, naiteks kivide suhtes. Ole ettevaatlik toote kasutamisel kallakul.
- Åra aseta toötava mootoriga toodet maapinnale.
- Ara kasuta toodet viibides körgetel kohtadel, naiteks redelil.
Veendu, et teid oleks alati kuulda, kui onnetus peaks juhtuma.
Veendu, et mootoriheitgaasi valjalaskaeva ei oleks tokestatud. Toote kahjustamise valtimiseks hoia voimalikud takistused heitgaasi valjalaskaevast vahemalt 50 cm kaugusel. - Ara käivita toodet siserumis, ebasoodsa tuulesuuna korral ega tuleohtlike materjalide ligidal. Mootoriheitgaasid sisaldavad vingugaasi, mis voib pöhjustada vingumürgitust. Mootoriheitgaasid on tulised ja voivad sisaldada sādemeid, mis voivad pöhjustada tulekahju.
Isikukaitsevahendid

HOIATUS: Enne seadme
kasutamist loe labi jargnevad hoiatused.
- Seadmega tootamisel tuleb kasutada ettenahtud isiklikku kaitsevarustust. Isikukaitsevarustus ei valista taielikult kehavigastuste ohtu, kuid vahendab onnetusjuhtumi korral kehavigastuse raskusastet. Lisateabe saamiseks vota uhendust edasimüjaga.
- Kanna heakskiidetud körvaklappe. Pikaajalinen mura voib tekitada pusiva kuulmiskahjustuse.
Kanna heakskiidetud kaitseprille. Näokaitsme kasutamisel tuleb lisaks kasutada heakskiidetud kaitseprille. Heakskiidetud kaitseprillide all moeldakse selliseid prille, mis vastavad standardile ANSI Z87.1 USA-s voi EN 166 Euroopa Liidu riikides.
- Kasuta tootamise ja hooldamise ajal kaitsekindaid.
Kanna libisemiskindla tallaga kaitsesaaapaid voi -jalatseid.
- Kasuta tāispikki ja tugevast kangast riideid. Āra kasuta ehteid ega lahtisi jalatseid. Vigastusteohu vāhendamiseks peavad rietusesemed hoidma ümber keha, kuid mitte pirama sinu liigutusi. Kinnita juuksed ölgadest körgemale, et välṭida juuste sattumist likuvate osade vahele vōi oksade külge jäämist.
- Tolmu tekkimise ohu korral kasuta hingamiskaitset.
- Hoia esmaabikomplekti kattesaadavas kohas.
Toote ohutusseadised

HOIATUS: Enne seadme kasutamist lugege Iabi jargnevad hoiatused.
- Arge kunagi kasutage seadet, kui selle ohutusseadised on defektsed.
- Kontrollige ohutusseadiseid regulaarselt. Vt jaotist Hooldamine Ik 132.
Kui ohutusseadised on defektsed, pördruge Husqvarna hooldusesindusse.
HOIATUS: Summutid muutuvad kasutamise ajal ja pärast kasutamist, samuti tuhikäigul, vaga kuumaks. Pöletusvigastuste valtimiseks kasuta kaitsekindaid.

HOIATUS: Summuti sisaldab kemikaale, mis vōivad olla kantserogeense toimega. Āra puuduta kahjustatud summutit.
- Kontrolli summutit regulaarselt visuaalselt. Summuti ülesandeks on hoida müratase voimalikult madalal ja suunata mootoriheitgaasid kasutajast eemale.Vt jaotist Suitekünla hooldamine Ik 133
Vibratsionisummutussüsteemi kontrollmine
- Veenduge, et vibratsionisummutasseadised poleks pragunenud ega deformerunud.
- Veenduge, et vibratsioonisummutusseadised oleksid mootori ja käepidemete kulge kindlalt kinnitatud.
Teavet vibratsionisummutussusteemi tappe paiknemise kohta enda tootel vt Seadme tutvustus (360BT) Ik 123.
Käivitus-/seiskamisluliti kontrollimine
- Mootori seiskamiseks kasuta käivitus/- seiskamislulit.
- Veendu, et mootor on täelikult seiskunud.
Tootel käivitus-/seiskamisiluti asukoha leidmiseks vt Seadme tutvustus (360BT) Ik 123.
Rakmete ohutus
Veendu, et voorihm on kinnitatud ja oigesti reguleeritud. Rakmete lahtised otsad voivad sattuda seadme liikuvate osade vahele ja kahjustada ventilatorit. Ventilatori kahjustuse korral voivad toote lahtised osad eemale paiskuda ja kehavigastusi pohjustada.
Ohutusnöuded kütuse käsitsemisel

HOIATUS: Enne toote kasutamist loe labi jargnevad hoiatused.
- Ara sega ega lisa kutust siseruumides ega kuumusallika lahedal.
- Ara käivita toodet, kui tootel vöi sinu kehal kutust vöi öli.
- Ara käivita toodet, kui mootorist lekib kutust. Kontrolli regulaarselt mootorilekkekindlust.
- Ole kutuse käsitsemisel ettevaatlik. Kutus on tuleohtlik ja kutuse aurud on plahvatusohtlikud ning voivad pohjustada kehavigastusi voi surma.
- Ara hinga sisse kutuseaure - see voib pohjustada kehavigastuse. Taga piisav ohuvahetus.
- Ara suitseta kutuse ega mootori laheduses.
- Ara aseta toodet ega kutusenoud kuumade esemete lahedale voi kohta, kus on lahtine leek, sādemed voi suüteleek.
Kütuse transportimiseks ja hoiustamiseks kasuta heakskiidetud mahuteid.
Ohutusjuhised hooldamisel

HOIATUS: Enne toote kasutamist loe labi jargnevad hoiatused.
- Seisake enne hooldamist ja kokkupanemist mootor, eemaldage süutekuunal ja laske mootoril jahtuda.
Ummistunud sādemepüdduri tottu muutub mootor liiga kuumaks ning see voib mootorit kahjustada.
Kokkupanek
Sissejuhatus

HOIATUS: Enne toote kokkupanekut lugege ohutuspeatukki ja tehke selles olev teave endale arusaadavaks.
Tootele puhuritoru ja juhtkäepideme kinnitamine
- Kinnita paindvuv voolik (A) klambrite (C) ja (D) abil toru nurgale ja juhttorule (B).

Markus: Kokkupanemise holbustamiseks
määrjuhttoru ja painduvat voolikut.
- Kinnita käepideme hoidik (E) juhttorum. Vii käepideme hoidik kohakuti juhttorum oleva aärkuga.

-
Sea juhtkaepideme asukoht ja nurk ohutu ja oige tooasendi jaoks sobivasse asendisse. Keera nupp kinni.
-
Kinnita tross kaablivitsaga trossiklambri külge.

- Kinnita vahetoru juhtoru külge.

Markus: Kui on vaja kasutada pikemat ummargust puhuritoru, on selleks saadaval pikendatud vahetoru.
HOIATUS: Enne toote kasutamist lugege labi ohutuspeatukk ja veenduge, et oleksite kogest aru saanud.
Kütus
Tootel on kahetaktiline moctor.

ETTEVAATUST: Vale kutuse kasutamine voib mootorit kahjustada. Kasutage bensiini ja kahetaktiologi segu.
Eelsegatud kutus
- Parima joudluse saavutamiseks ja mootori toea pitendamiseks kasutage Husqvarna eelsegatud alkulaatkutust. See kutus sisaldab tavalise kutusega vorrendes vahem kahjulikke kemikaale, mis omakorda vahendab kahjulikke heitgaase. Selle kutuse korral on polemisjaakide hulk vaiksem ja see aitatb hoida mootoriosad puhtamana.
Kütuse segamine
Bensiin
- Kasutage kvaliteetset kuni 10% etanoolisisaldusega pliivaba bensiini.

ETTEVAATUST:
kasutage bensiini, mille oktaaniarv on alla 90 RON (87 AKI). Madalama oktaaniarvuga bensiini kasutamine voib pohjustada mootori kloppimist, mis omakorda kahjustab mootorit.
Kahetaktioli
- Parimate tulemuste ja joudluse saavutamiseks kasutage Husqvarna kahetaktioli.
Kui Husqvarna kahetaktioli pole saadaval, kasutage ohkjohutusega mootoritele moeldud
kvaliteetset kahetaktioli. Oige oli valimiseks poorduge hooldusesindusse.

ETTEVAATUST: Arge
kasutage vesijahutusega
paremootoritele moeldud
kahetaktioli, mida suntakse ka
paadimootoriolina. Arge kasutage
neljataktimootori olisid.
Bensiini ja kahetaktioli segamine
| Bensiin, I Kahetaktiöli, I | |
| 2% (50:1) | |
| 5 0,10 | |
| 10 0,20 | |
| 15 0,30 | |
| 20 0,40 |

ETTEVAATUST: Väikeste
kütusekoguste segamisel voib väike viga segusuhet oluliselt mojutada. Mottke segatava oli kogus vaga tapselt ja veenduge, et segu oleks öige.

- Valage puhtasse kutusenousse pool bensiinikogusest.
-
Valage nousse kogu vajaminev olikogus.
-
Segage kutusesegu.
- Lisage nousse ülejänud bensiinikogus.
- Segage kutusesegu hoolikalt.

ETTEVAATUST: Arge segage kütust korraga rohkem, kui on teie uhe kuu varu.
Kütusepaagi taitmine

HOIATUS: Ohutuse tagamiseks järgige tegevusjuhiseid.
- Seisake mootor ja laske mootoril maha jahtuda.
- Puhastage kutusepaagi korgi ümbrus.

- Loksutage kutusenou veendumaks, et kutus on taiilikult segunenu.
- Survey vabastamiseks avage kutusepaagi kork aeglaselt.
- Täitke kutusepaak.

ETTEVAATUST: Veenduge, et paagis ei ole liiga palju kutust. Kuumenedes kutus paisub.
- Pingutage kutusepaagi korki korralikult.
- Eemaldage mahavalgunud kutus tootelt ja selle ümbrusest.
- Enne mootori käivitamist viige seade tankimiskohast ja kutusenõust vähemalt kolme meetri kaugusele.
Markus: Kutusepaagi asukoha leidmiseks omaseadmel vt Seadme tutvustus (360BT) Ik 123 jaSeadme tutvustus (570BTS, 580BTS) Ik 124
Toote käivitamine
- Mudeli 360BT puhul. Kui mootor on külm, suruge öhuklapp suletud asendisse. Vt jaatisest Sumbolid tootel Ik 124

- Mudelile 570BTS ja 580BTS. Kui mootor on külm, suruge ohuklapp suletud asendisse. Vt jaotisest Sumbolid tootel Ik 124.

- Vajutage korduvalt kutusepumpa, kuni kutus hakkab kutusepmpa valguma. Kutusepump peab olema kutusega taidetud.
- Vajutage gaasihoo vastikuga käivitus/- seiskamisuliti 1/3-kiiruse asendisse. Vt jaotisest Gaasitrikli/stopluliti kasutamine Ik 131.
- Asetage toode maapinnale.
- Hoidke toodet vasaku käega.


ETTEVAATUST: Arge kasutage toote hoidmiseks jalgu.
-
Tömmake aeglaselt käivitusnööri käepidet, kuni tunnete vastusurvey.
-
Tömmake parema käega kiirelt käivitusnöori käepidet. Tömmake kiiresti ja jõuga käivitusnöori käepidemest, kuni mootor käivitub.
Markus: Arge tommake kaivitusnoori kaepidet lopuni valja ja arge laske kaivitusnoori kaest lahti.
-
Kui mootor on külm, vajutage öhuklapi hoob järk-järgult avatud öhuklapi asendisse, kuni öhuklapi hoob peatub.
-
Kui mootor on külm, laske mootoril 2-3 minutit toötada, et see enne seadme kasutamist üles soojeneks.

HOIATUS: Mootori käivitamisel ja tuhikäigul tootamisel vabaneb ohk. Arge lubage inimestel tulla toote voipuhuritoru lahedale.
Gaasitrikli/stoppluliti kasutamine

Rakenda taisgaasi (A)
Rakenda 1/3 kiirus (B).
Rakenda tuhikäigu kiirus (C).
- Seiska toode (D).
Toote kasutamine
See puhurseade on seljas kantav ning kasutamisel hoitakse seda olgadele toetuvas kinnituses. Seda kasutatakse ja suunatakse parema kaega torul oleva kaepideme abi.

- Kasuta tooted tavalisel tooajal. Jargi kohalikke kehtivaid eeskirju.
Vahenda seadme osi ja vali omä too jaoks sobiv kiirus. Liigse mura ja toluva valtimiseks kasuta gaasitriklit selle madalaimas voimalikus asendis. - Hoia puhuriotsak maapinna lahedal.
Märkus: Husqvarna soovitab teil kasutada tais puhuriotsaku pikendust.
- Jälgi tuulesuunda ja kasuta toodet allatuult.
- Kasuta materjali maapinnalt vabastamiseks sobivat aiatöörniista.
- Tolmustes piirkondades niisuta pritsi abi maapinda. See luhendab kasutamisaega.
Hoiusta seade parast kasutamist vertikaalasendis.
Seadme seiskamine

ETTEVAATUST: Ara seiska taiskiirusel tootavat seadet.
- Vii gaasitrikiga käivitus/-seiskamisluliti seiskamisasendisse. Vt jaotist Gaasitrikli/ stoppluliti kasutamine Ik 131.
Kanderihmade reguleerimine
Oigesti reguleeritud rakmed ja toode muudavad too lihtsamaks.
- Pange Selga toote rakmed.
- Pingutage kuljerihmu, kuni toode on tugevalt teie keha vastas.

570BTS, 580BTS:
- Pange voorihm umber vookoha.
- Pingutage voorihma pannalt. Veenduge, et seadme raskus toetuks teie puusadele.
- Kinnitage rinnarihm klambri külge.
- Pingutage rihma.
Hooldamine
Sissejuhatus
veenduge, et see oleks teile taielikult arusaadav.

HOIATUS: Enne seadme
hooldamist lugege Iabi ohutuspeatukk ja
Hooldusskeem
| Hooildamine Üks kord | päävas | Üks kord nädalias | Üks kord kuus |
| Puhasta välispinnad. X | |||
| Veendu, et juhtkäepide tõotaks korralikult. X | |||
| Veendu, et käivitus-/seiskamislülti tõotaks korralikult. Vt Käivitus-/seiska-mislülti kontrollimine Ik 127. | X | ||
| Kontrolli, et mootorist, kutusepaagist ega kutusetorudest ei lekiks kutust. Veendu, et kutusefiltril poleks saastet. Vajaduse korral vaheta välja öhufiter. | X | ||
| Puhasta öhufilter. Vajaduse korral vaheta välja öhufilter. X | |||
| Keera kinni mutrid ja poldid. X | |||
| Kontrolli ùhu sissevõttu ja veendu, et see poleks blokeeritud. X | |||
| Kontrolli, kas starter ja käivitusnöör on terved. X | |||
| Kontrolli, et vibratsionisummutusosadel poleks kahjustusi, mõrasid ega deformerumismärke. Veendu, et vibratsionisummutajad oleks öigesti pai-galdatud. | X | ||
| Kontrolli suüteküünalt. Vt jaotist Sõutekuünal kontrollimine Ik 132 | X | ||
| Puhasta jahutussüsteem. X | |||
| Puhasta karburaatori välispind ja selle ümbrus. X | |||
| Puhasta kutusepaak. X | |||
| Kontrolli kõiki juhtmeid ja ühendusi. X | |||
| Kontrolli ja puhasta summutil asuv sõdemepüüduri ekraan (ilma katalüsa-torita toodete puhul). | X | ||
| Kontrolli ja puhasta summutil asuv sõdemepüüduri ekraan (katalüsaatoriga toodete puhul). | X | ||
| Kontrolli suüteküünalt. Vajaduse korral vaheta välja. X |
Tuhikäigu poorete arvu reguleerimine
- Veendu, et ohuifilter oleks puhas ja et ohuifiltri kate oleks paigaldatud.
- Reguleeri tuhikäigu poorete arvu tuhikäigupörete reguleerimiskruviga. Tootel tuhikäigu poorete arvu reguleerimiskruvi asukoha leidmisesk vt Seadme tutvustus (360BT) Ik 123.
Süutekuünal kontrollimine

ETTEVAATUST: Kasuta
soovitatud tuupisutekunalt.Vt jaotist
Tehnilised andmed lk 137. Vale
süutekuūnal vōib toodet kahjustada.
- Seiska mootor ja lase tootel maha jahtuda.
-
Puhasta märdunud suutekūnal.
-
Veendu, et elektroodide vahe oleks oige. Vt jaotist Tehnilised andmed lk 137.

- Vaheta sütekūnal kord kuus vōi vajaduse korral sagedamini.
Süutekuünla hooldamine
- Seiska mootor ja lase summutil maha jahtuda. Kasuta alati kaitsekindaid.
- Eemalda kruvid (A), kruvid (B) ja valjalaskekanal (C).

- Eemalda sademepuduri ekraan (D) ja puhasta seda traatharjaga. Kui sademepudurvork on kahjustatud, vaheta see valja.
- Eemalda summutilt ja silindri valjutusavalt traatharjaga praht.
- Kinnita sademepuuduri ekraan (D) ja valjalaskekanal (C) kruvidega (B). Kinnitage kruvid pingutusmomendiga 2-3 Nm.
- Kinnitage kruvid (A) pingutusmomendiga 8-12 Nm. Veendu, et summuti oleks oigesti toote kulge kinnitatud.
Kontrolli ja puhasta jahutussüsteemi.
Jahutussüsteem koosneb silindril jahutusribidest ohu sissevotuavast.
- Seiska mootor.
- Veendu, et jahutussüsteem poleks maardunud ega ummistunud. Vajaduse korral puhasta ohu sissevotuava ja jahutusribid.

ETTEVAATUST: Maardunud
vöi ummistunud jahutussüsteem
suurendab mootori temperatuuri
ja vöib kahjustada toodet.
Ummistunud öhu sissevtuava
vähendab puhumisjoudu.
- Kontrolli jahutussüsteemi kahjustuste suhtes. Veendu, et koik osad on öigesti toote külge kinnitatud.
Ohufilter

ETTEVAATUST: Arge kasuta toodet, kui ohufilter on puudu voi on kahjustunud. Ohus leiduv tolm voib mootorit kahjustada.
Markus: Pikemat aega kasutatud ohuflitrit ei ole voimalik taiesti puhtaks saada. Vahetage ohuflitrit regulaarselt, vigane ohufliter vahetage alati valja.
Markus: Puhastage ohuflitrit regulaarselt mustusest ja tolmust. See hoiaab ara karburaatori rikkeid, kaivitusprobleeme, mootori voimsuse kadu, mootoriosade kulumist ja tavaparasest suuremat kutusekulu. Puhastage ohuflitrit 40 tootunni jarel voi tihedamini, kui seda kasutatase rasketes tootingimustes.
Ohufiltri puhastamine (360BT)
- Suruge ohuklapp suletud asendisse.
- Eemaldage ohufiltri kate (A).
- Eemaldage filtrikorpusest ðhufilter (B).

- Puhastage ñhufiltrit sooja seebiveega.
- Puhastage kaitsekatte sisepind (A) harjaga.
- Kandke ohufitrile oli.Vt jaotisest Oli kandmine vahtplastist ohufitrile (360BT) Ik 133.
- Asetage ohufilter filtrikorpusesse.
- Kinnitage ohuftri kate tootele.
Oli kandmine vahtplastist ohufiltrile (360BT)

ETTEVAATUST: Kasutage alati Husqvarna spetsiaalset filtrioli. Arge kasutage teist tuupi olisid.

HOIATUS: Pange katte
kaitsekindad. Ohuifiltri oli voib pohjustada
nahaarritust.
- Asetage vahtplastist ohufilter kilekotti.
- Asetage öli kilekotti.
- Vajutage kilekotti, et oli kanduks uhtlaselt kogu vahtplastist ohufiltrile.
- Suruge liigne oli vahtplastist ohufiltrist valja, kui see on veel kilekotis.

Ohuftri puhastamine (570BTS, 580BTS)

ETTEVAATUST: Arge pange ohufiltri vahtkummist filtrielemendile oli mudelil 570BTS ja 580BTS.
- Keerake lahti kinnitused, mis hoivad ohufiltri katet paigal.

- Eemaldage ohufiltri kate (A).

- Eemaldage vahtplastist filter (B) ja paberfilter (C) filtriraamist.
- Vahetage välja paberfilter (C).
- Puhastage vahtplastist filter (B) sooja seebiveega.
- Veenduge, et vahtplastist filter (B) oleks kuiv.
- Puhastage ohufiltri katte sisepind harjaga (A).
Rakmete asendamine

HOIATUS: Kahjustatud rakmed vöivad pöhjustada toote kikkumise ja vigastuste tekke. Paigalda klamber korrektsalt.
- Seiska mootor.
- Eemaldage rihma küljest klamber.
- Lukka rihma ots labi aasa.
- Tömba uus rihm läbi aasa.
- Pane noel labi rihma, et kinnitada klamber uus rihma kulge.

| Mootorit pole võimalik käivitada | ||
| Kontrolli Võimalik põh-jus | Lahendus | |
| Seiskamis-nupp. | Seiskamisa-send | Vii seiskamislüliti käivitusasendisse. |
| Käiviti pör-klink/-lingid. | Käiviti pör-klink/-lingid on blokeeritud või kulunud. | Reguleeri või asenda käiviti pörklink/-lingid. |
| Puhasta käiviti pörklingi/-linkide ümbrus. | ||
| Pöördu volitatud hooldustökoja poole. | ||
| Kütusepaak. Vale kütuse-tüüp. | Tühjenda kütusepaak ja tãda ùige kütusega. | |
| Karburaator Tühikäigu kii-ruse regeuleeri-minne | Reguleeri tühikäigukirust tühikäigu regeerimiskruviga. | |
| Säde (sädet ei teki). | Süutekuünal on määr Dunud või mãrg | Veendu, et sõutekuünal on kuiv ja puhas. |
| Süutekuünla elektroodivahe on vale. | Puhasta sõutekuünal. Veendu, et elektroodide vahe oleks ùige. Veendu, et sõutekuünal on paigaldatud koos raadiohäirete kaitsega. | |
| Vaata ùigit elektroodi vahet tehnilistest andmetest. | ||
| Süutekuünal. | Süutekuünal ei ole tugevalt kinni. | Keera sõutekuünal kinni. |
| Süutekuünla elektroodidel on soovimatut materjali. | Veendu, et kõtusesegu oleks ùige. | |
| Veendu, et ùhufilter oleks puhas. | ||
| Mootor käivitub, kuid seejärel seiskub | ||
| Kontrolli Vöimalik pöh-jus | Lahendus | |
| Kütusepaak. Vale kütuse-tüüp. | Tühjenda see ja kasuta öiget kütust. | |
| Karburaator Mootor ei töta tühikäigul öigesti. | Pöördu hooldusesindusse. | |
| Öhufilter Ummistunud öhufilter. | Puhasta öhufilter. | |
Transportimine ja hoiustamine
Transportimine ja hoiustamine

HOIATUS: Suttimisohu valtimiseks veendu, et transportimise ega hoiustamise ajal poleks lekkeid ega aure. Veendu, et pole sademete ega tule ohtu.
- Enne transportimist voi pikaajalisele houle jatmist tuhjenda kutusepaak. Vajuta kutusepumpa veendumaks, et kogu kutus on eemaldatud. Utiliseeri kutus spetsiaalses jaatmejaamas.
- Veendu enne pikaajalist houstamist, et toode on puhas, ja tee pohjalik hooldus.
Eemalda sutekuunlad ja vala silindrisse umbes 15 ml kahetaktilise mootori oli. Pöra mooterit kolm pöret ja pange sutekuunal tagasi kohale. - Kinnita toode transportimise ajaks turvaliselt sōiduki külge.
- Hoia toodet kuivas, jahidas ja puhtas kohas, kus on tagatud hea ventilatsioon. Hoia seadet lastele kattesaamatus kohas.
Tehnilised andmed
| 360BT 570BT$ 580BTS | |||
| Mootor | |||
| Silindri maht, cm3 | 65,6 65,6 75,6 | ||
| Tühikäigukirus, p/min 2000 2000 2000 | |||
| Katalusaator Ei Ei Ei | |||
| Süutesüsteem | |||
| Süutekūnal NGK CMR7H NGK CMR7H NGK CMR7H | NGK CMR7H | ||
| Elektroodi vahe, mm 0,6-0,7 0,6-0,7 0,6-0,7 0,6-0,7 | 7 | ||
| Kütuse- ja määrimissüsteem | |||
| Kütusepaagi maht, l / cm3 | 2,2 / 2200 2,2 / | 2200 2,6 / 2600 | |
| Kaal | |||
| Kaal ilma kütuseta, kg 10,5 11,2 11,8 | |||
| Müratasemed 22 | |||
| Helivöimsuse tase, mõoidetud dB(A) 110 110 | 10 111 | ||
| Helivöimsuse tase, garanteeritud LwA dB(A) | 111 110 112 | ||
| Helitasamed 23 | |||
| Ekvivalentne helirōhu tase kasutaja körvas, mõoidetud vastavalt EN15503 nõuetele, dB(A): | |||
| Koos puhuriotsakuga (original) 104 103 100 | |||
| Vibratsionitase 24 | |||
| EN 15503 järgi mõoidetud käepideme-te evkivalentsed vibratsionitisamed (ahv,eq), m/s2 | 2,5 1,8 1,6 | ||
| Ventilaatori jõudlus | |||
| Max ohukiirus puhuriotsakuga, m/s 104 106 | 92 | ||
| Ohuhulk puhuriotsakuga, m3/min 18 22 26 | |||
EÜ vastavusdeklaratssoon
Husqvarna AB, SE-561 82 Huskvarna, Rootsi, tel:
+46 3614 6500, kinnitab ainuvastutusel, et toode:
| Kirjeldus Seljas kantav puhur | |
| Kaubamärk Husqvarna | |
| TÜüp/mudel 360BT, 570BTS, 580BTS | |
| Identifitseerimine | Seerianumbrid alates 2022 (360BT), 2023 (570BTS, 580BTS). aastast ning edasi. |
vastab täielikult järgmistele Eü direktividele ja märarustele:
| Määrus Kirjeldus | |
| 2006/42/EÜ „masinadirektiiv" | |
| 2014/30/EL „elektromagnetilise ühilduvuse direktiiv“ | |
| 2000/14/EÜ „välistingimustes kasutatavate seadmete müra kohta käiv direktiiv“ | |
| 2011/65/EL „elektri- ja elektroonikaseadmetes teatavate ohtlike ainete kasutamise piiramise direktiiv“ |
ja et kohalduvad jargmised standardid ja/voi
tehnilised spetsifikatsionid: EN ISO 12100:2010,
CISPR 12:2009, EN 15503:2009+A2:2015, EN IEC 63000:2018
RISE SMP Svensk Maskinprovning AB, Box 7035, SE-750 07 Uppsala, Rootsi, teostas vabatahtlikult Husqvarna AB nimel tübikontroll.
Sertifikaadi number: SEC/22/2566 - 360BT,
SEC/10/2276 - 570BTS, SEC/10/2277 - 580BTS
07 Uppsala, Rootsi, on samuti kinnitanud vastavust Noukogu direktiivi 2000/14/EN lisale V.
Lisateavet murataseme kohta vt jaotisest Tehnilised andmed Ik 137.
Huskvarna, 2023-01-01

Stefan Holmberg, uurimis- ja arendustegevuse juht, tehnoloogiahaldus, Husqvarna AB.
Tehnilise dokumentatsiooni eest vastutaja

Sisällys
Johdanto. 139
Turvallisuus. 141
Asentaminen. 144
Kayttö 145
Huolto. 148
Vianmäritys. 151
LihtneJuhend