RCST6DR240 - Fridge Royal Catering - Free user manual and instructions
Find the device manual for free RCST6DR240 Royal Catering in PDF.
Questions des utilisateurs sur RCST6DR240 Royal Catering
0 question sur cet appareil. Repondez a celles que vous connaissez ou posez la votre.
Poser une nouvelle question sur cet appareil
Download the instructions for your Fridge in PDF format for free! Find your manual RCST6DR240 - Royal Catering and take your electronic device back in hand. On this page are published all the documents necessary for the use of your device. RCST6DR240 by Royal Catering.
USER MANUAL RCST6DR240 Royal Catering
This User Manual has been translated using machine translation. We have made every effort to ensure the translation is accurate, but please note that automated translations are not perfect and are not meant to replace human translators. The official version of the User Manual is in English. Any differences between the translated version and the original English are not legally binding. If you have any questions about the accuracy of the translation, please refer to the English version, which is the official reference. More language versions are available upon request via info@expondo.com.
Technical data
| Parameter description | Parameter value | |||||
| Product name | Refrigeration table with 2 doors | Refrigeration table with 2 drawers and 1 door | Refrigeration table with 4 drawers | Refrigeration table with 3 doors | Refrigeration table with 2 drawers and 2 doors | Refrigeration table with 6 drawers |
| Model | RCST-2D240 | RCST-1D2DR240 | RCST-4DR230 | RCST-3D240 | RCST-2D2DR240 | RCST-6DR240 |
| Rated voltage [V~] / frequency [Hz] | 230 / 50 | |||||
| Rated current [A] 1 | 1.9 | |||||
| Climate class 4 | ||||||
| Insulation blowing gas | Cyclopentane | |||||
| Refrigerant | R290/57g | R290/102g | ||||
| Dimensions [width * length * height; mm] | 903*700*950 | 902*698*950 | 700*900*950 | 1369*70*951 | 1370*700*950 | 1370*700*950 |
| Weight | [kg] | 57.25 | 65 | 1 72 | 8 82.45 | 89.6 |
Description

The product is designed to ensure fresh ingredients are readily available for quick preparation. It is ideal for use in restaurants, hotels, salad bars, and food shops such as kebab and falafel establishments.
The user is liable for any damage resulting from unintended use of the device.
Installation
Installation instructions
- Unpack the appliance, ensuring that all protective plastic film and coatings are fully removed from all surfaces. To prevent injury or damage, two people should handle the unpacking and setup of the appliance.
- Maintain at least 20~cm (7 inches) of clearance between the appliance and nearby walls or objects for proper ventilation. Increase this distance if the object is a heat source.
- Level the appliance by adjusting the screw feet. It should be placed on a stable, level surface to minimize vibration and noise.
- The temperature where the appliance is located should be between 10^ and 32^ . Avoid placing it in direct sunlight or near heat sources such as ovens or radiators.
- Ensure the appliance is properly ventilated.
- Verify that the power supply and voltage at the installation site match the details on the rating label. The plug must remain accessible after installation.
- Correctly connect and disconnect the plug. Ensure the plug is securely inserted. When unplugging, hold the plug itself. Never pull the cord directly.
- If the appliance will be unused for an extended period, switch it off, disconnect it from the power source, clean it, and leave the door or lid open to prevent odours.
- Important: For your safety, the appliance must be properly grounded.
The appliance is equipped with a grounding wire and plug, which must be connected to a properly grounded outlet. If you are unsure about the grounding, consult a qualified electrician or service centre.
- If the power cord does not reach the nearest socket, either rearrange your setup or have a qualified electrician install a new socket.
- After a power outage, wait at least 3 minutes before restarting the appliance to avoid damaging the compressor.
- When storing food, each shelf should hold no more than 88 lbs (40 kg), and items should not extend over the front or rear edges of the shelf.
Fit The Shelves/Drawers
- Install a set of shelf guides on each side of the cabinet at the desired height.
- Slide the shelf or drawer into position.
- Repeat the process for the remaining shelves or drawers.

NOTICE!
- If the unit has been stored or transported in a non-upright position, allow it to stand upright for approximately 12 hours before operating.
Before the first use, clean the shelves and interior with soapy water.
These steps are crucial to ensure proper condensation drainage.
Operation
Basix instructions
To get the best results from your appliance, please follow these instructions:
- Only store food in the appliance once it has reached the correct operating temperature.
- Ensure GN container bays are always filled, even if the containers are empty or not in use. Empty bays will significantly reduce the appliance's efficiency.
- Always keep the door and lid closed when not in use.
- Do not place uncovered hot food or liquids inside the appliance.
- Wrap or cover food whenever possible.
- Do not block the internal fans of the appliance.
- Avoid keeping the doors open for extended periods.
- The maximum load capacity for each shelf is 20kg
- Food must be placed in a container before being put into the cabinet or on a shelf. Direct placement of food into the cabinet is not allowed.
- When wet food/vegetable is put in the appliance, it's normal that ice (snow) appears on the surface.
Turn on the appliance
- Close the appliance door(s).
- Ensure the power switch is in the [0] position, then turn on the socket.
- Switch the Power to [1]. The current internal temperature of the appliance will be displayed.
- The thermostat on the control panel will flash for 3 minutes, indicating the anti-short cycle delay between the compressor stopping and restarting.
Open/Close the Lid/Drawer

WARNING!
The sliding lid does not have a locking mechanism. Always ensure the lid is in the half-open position before attempting to open it.
- To prevent injury, do not pull the drawer beyond its fully open position.
The lid of the appliance can be adjusted to multiple positions:
- With the lid closed, slide it back to the half-open position for partial access to the GN container trays.
- Lift the lid upwards and back until the hinge rests securely in the support slot.
- Lift the lid fully up and back to completely expose the GN container trays.
Temperature setting and control panel

1- Defrosting light
2- Compressor operation light
3-Digital thermostat
4- Programming key (not accessible to the user) Selection key
5- Temperature modification keys
See the set point
- Short press and release the SET key to display the set point.
- Short press and release the SET key again or wait approximately 5 seconds for the display to return to normal.
Change the set point
- Hold the SET key for more than 2 seconds to modify the set point value.
- The current set point value will be displayed, and the "C" symbol will start blinking.
- Use the UP or DOWN arrows within 10 seconds to adjust the value.
- Press the SET key again, or wait 10 seconds, to save the new set point value.
Manual Defrost
This equipment requires manual defrosting at least once a month, as it does not have an automatic defrost function.

NOTICE! The defrost cycle begins from the moment the appliance is first powered on.
Method to manually defrost the appliance:
- Press and hold the DEFROST button for 5 seconds.
- The defrost cycle will begin immediately, and the defrost LED will light up. The cycle will run for 20 minutes.

NOTICE! Initiating a manual defrost will reset the automatic defrost timer. The next automatic defrost
will occur 12 hours after the manual defrost cycle is completed.
Cleaning and maintenance
Routine maintenance
- Switch off and disconnect the appliance from the power supply before cleaning.
- Regularly clean both the exterior and interior of the appliance.
- Wipe the unit with a damp cloth. Ensure the switch, control panel, cable, and plug remain dry.
- Do not use abrasive cleaning products, as they may leave harmful residues. Use only mild soapy water.
- Clean the door seal with water only.
- Ensure no cleaning water enters the electrical components.
- Do not clean the appliance with a water jet.
- After cleaning, always dry the appliance using a soft cloth.
- Avoid allowing cleaning water to run through the drain hole into the evaporation pan.
- Exercise caution when cleaning the rear of the appliance.
- If repairs are needed, consult a qualified technician or service agent.
- If the appliance will be inactive for an extended period, turn the switch to the OFF position, unplug it, empty the refrigeration compartment, and clean thoroughly.
Special periodic maintenance

NOTICE! The following instructions are intended for SKILLED PERSONNEL.
- Periodically clean the condenser using appropriate tools, such as a vacuum cleaner or soft brushes.
- Ensure all electrical connections are secure and not loose.
- Check that the thermostat and sensor are functioning correctly.
- Periodically cleaning the condenser can help prolong the lifespan of the appliance.
- It is recommended that a qualified technician or agent perform the condenser cleaning.
- The key to the electrical cabinet should be kept out of reach of children and unauthorized users.
- Use the key only to unlock the cabinet.
- Periodically empty the drain pan located beneath the unit.
- When reinstalling the drain pan, ensure the drain hose is properly positioned back into the pan.
Marble care
- Avoid using abrasive materials or harsh detergents when cleaning the worktop. Use warm, soapy water instead.
- Do not place hot or frozen items directly on the marble surface to prevent cracking.
- Clean up spills immediately, especially acidic liquids like lemon juice or vinegar.
-
It is recommended to use a chopping board to minimize the risk of damaging the worktop.
-
After cleaning, thoroughly dry the surface with a soft cloth.
Disposing of used devices
The packaging is designed to protect the appliance and its components during transport and is made from recyclable materials. Please return the packaging to an official collection point for recycling, rather than discarding it, to promote material reuse. Old appliances contain reusable materials and should not be disposed of with household or bulk waste.
Before discarding the appliance, make any locks unusable and, if possible, remove the door(s). If the appliance has spring-action or bolt catches, remove or disable them to prevent children from becoming trapped inside.
The refrigeration system contains gases and refrigerants that require special disposal methods. Ensure the refrigerant circuit is not damaged before disposal. By choosing environmentally responsible disposal methods, you contribute to environmental protection. Information about the refrigerant and insulation materials used can be found on the appliance's rating label.
For information on collection dates or disposal locations, contact local waste disposal authorities or your local council. The symbol on the product or packaging indicates that it must not be disposed of as household waste but should be taken to a designated recycling center for electrical and electronic equipment. Proper disposal helps prevent potential harm to the environment and human health due to improper waste handling.
For more details about recycling this product, contact your local city office, waste disposal service, or the retailer where the product was purchased.
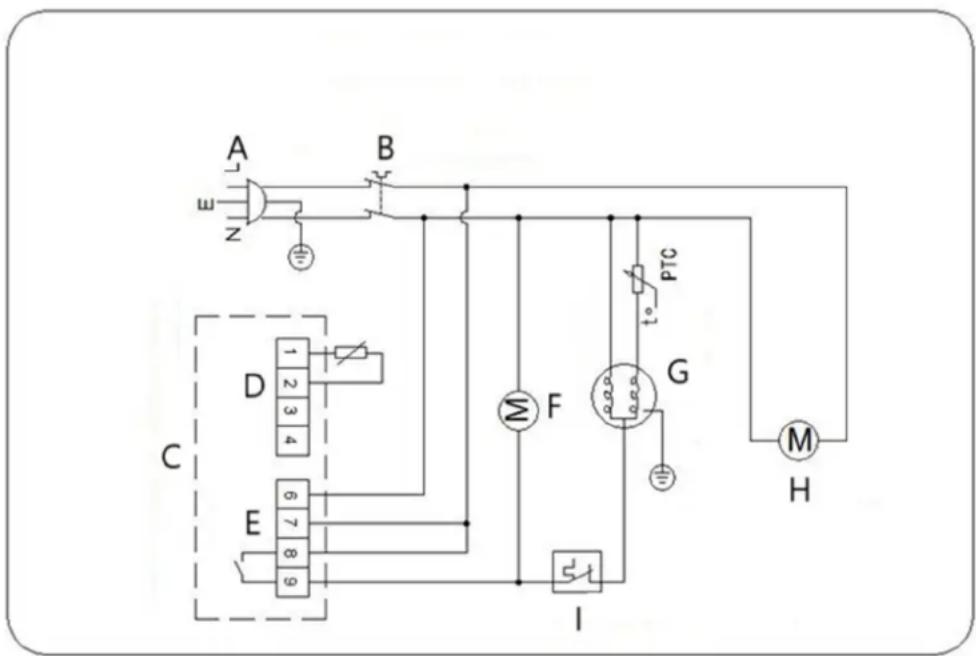
Electrical diagram

A- Power plug
B- Power switch
C- Temperature controller
D- Room
E- Supply 230V 50-60Hz
F- Condenser fan
G- Compressor
H-Evaporator fan
1- Overload protector
Troubleshooting
| Problem Possible cause Solution | ||
| The appliance is not working | 1. The unit is not switched on | 1. Check if the unit is plugged in correctly and switched on |
| 2. The plug and lead are damaged | 2. Call your agent or a qualified technician for an inspection | |
| 3. The fuse in the plug has blown | 3. Replace the fuse (UK plug) | |
| 4. Power supply issues | 4. Check the power supply | |
| 5. Internal wiring fault | 5. Call your agent or a qualified technician for an inspection | |
| The appliance is on, but the temperature is too high/low | 1. Too much ice on the evaporator | 1. Defrost the appliance |
| 2. Condenser blocked with dust | 2. Call your agent or a qualified technician for an inspection | |
| 3. Doors are not shut properly | 3. Check the doors are shut, and the seals are not damaged | |
| 4. Appliance is located near a heat source or airflow to the condenser is being interrupted | 4. Move the refrigerator to a more suitable location | |
| 5. The ambient temperature is too high | 5. Increase ventilation or move the appliance to a cooler | |
| 6. Unsuitable foodstuffs are being stored in the appliance | 6. Remove any excessive hot foodstuffs or blockages to the fan | |
| 7. Appliance is overloaded | 7. Reduce the amount of food stored in the appliance | |
| The appliance produces an unusually high level of noise | 1. Loose nut/screw | 1. Check and tighten all nuts and screws |
| 2. The appliance has not been installed in a level or stable position | 2. Check the installation position and change it if necessary | |
| The appliance is leaking water | 1. The appliance is not properly leveled | 1. Adjust the screw feet to level the appliance (if applicable) |
| 2. The discharge outlet is blocked | 2. Clear the discharge outlet | |
| 3. The movement of water to the drain is obstructed | 3. Clear the floor of the appliance (if applicable) | |
| 4. The water container is damaged | 4. Call your agent or a qualified technician for an inspection | |
| 5. The drip tray is overflowing | 5. Empty the drip tray with a sponge | |

A- Strømplugg
B- Strmbryter
C- Temperatureregulator
D- Rom
E-Forsyning230V50-60Hz
F-Kondensatorviftte
G-Kompressor
H-Fordampervifte
I-Overbelastningsbeskytter
C- Temperatureregulator
D-Rum
E-Matning 230V 50-60Hz
F-Kondensorfläkt
G-Kompressor
H-Forangarflakt
Encaixe as prateleiras/gavetas
MeToD 3a pbHOp pa3Mpa3BaHa He Ha ypeJa:

- HataCHeTe n 3aDpBxKTe PA3MPA3RABAHE6yToH 3a 5ceKyHnI.
- 申KbT ha pa3Mpa3BaHe 电 3aNoH He BeHa r cBeToNooBt 3a pa3Mpa3BaHe 电 CBEThe. 电 npoDbnn 20 MNHyTN.

3A6ELEKKA! 3aNoUbaHeTo Ha pBHyo pa3Mpa3BaHe ige Hynipa TaMepa 3a aBTOMaTHUHO
pa3Mpa3BaHe. CneIbAaTo aBtOMaTnUHO pa3Mpa3BaHe ige ce clyu 12 yaca cneI npNKJIouBaHe Ha zKbNa Ha pbHOPa3Mpa3BaHe.
NouchTaBHe n noDpBxKa
PyTuHHa nOdIpbjKka
- ɪnɪkɪnʊteɪ nɪsɪkɪnʊteɪ ypeədətəxpaɪhbaHæTo npeɪn noʊncTbaHe.
- PeIOBHO NOUHCTBaIe BbHsHocTtA N BbTppeHocTtHa ypeJa.
- 136bpeTe yctpoIcTBOTo c BnAaHb KaBpna. YBepTe ce, ye npEeBKnIOuBaTeIaT, KOHTPOINr T naHeI, Ka6eJbT n uenceJIbT ocTaBaT cyxN.
- He n3noJI3BaIte a6pa3nBnNoocHCTBaun npOdykTN, TbKATO Te MoarTa OCTaBbT BpeHN OCTaTbU. N3noJ3BaIte camo Meka canyHeHa BOda.
- NocTBAIeYnJIbTHHeHHeToHaBpaTaTaCaMoCBoDa.
- YBepeTe ce, ue B eIeKtpnuecknTe KOMNoHEHTn He HABIN3a BOJa 3a noHCTBaHe.
- He nouicBaIte ypeDa c BODHa cTpya.
- Cnei noHCTBaHe BnHaHn noDcUwBaAte Te ypeJa c MeKa Kbpna.
- 1368raBate da no3BoJBaTe Ha BODaTa 3a NouchTBAHe da Teue npe3 dpehxHn OTBop B cbda 3a H3napraBaHe.
10.БbTeBnMaTeJIHH,KoratoNouchBaTe3aHaTaYacTHa ypeJa.
11. Ako ca Heo6xOdMn peMOHTN, KOHCyItnpaTne Ce c KBaIIuΦnIupaH TexHKn IIN cepBUN3eH aReHT.
12. Ako ypeBt 6bIe HeaKTHBEN 3a npOdbJxHteIeH nepNoD ot BpeMe, 3abbpTe Te npeBKnUohBaTeIHa no3nucn N3KJI., n3BaTe 5eNcena ot KOHTaTa, n3npa3HeTe XnaIInHOTo OTdelenne I nouchTeCTapateJIHo.
CneuaHa nepNoDnHa noDpBxKa

3A6ELEKKA! CneBaIHTe HnCTpykunca npdeHa3NaueHn 3a KBAJNfUINPAH INPECOHAJI.
- IepnoDnHNO nouHCTBaIe KOHdeH3aTopa c noXoJus HcTpymEnT, KaTo npaxocMykaHa nn MeKn YeTKn.
- YBepeTe ce, ue BCnUKN eJekTpueckn Bpb3Kn ca 3dpabn n He ca pa3xJa6eHn.
- PpOBepeTe daJIH TepMoCTaTbT n ceH3OpT pa6oTt npaBnHNo.
4.Пернодунно почесвае на Кондэнзаторma можда nomогге за удьлжаване на живота на урда. - IpenopbUHTeHoe E KBaIINΦIuipaTexHnK IIn areHT Da N3BbpN NOcHCTBaHeTo Ha KOHdeH3aTopa.
- KIIOyBt OT eJIeKtpuueckn IkaΦ Tp8Ba Da ce Na3n DaJeU OT Deca N HeOTOpn3npaHn notpe6nteHn.
- ⅢπολBaBαte KlnOua caMo 3a Da OTKlnHouTe ShkaΦa.
- IepnoDnHNO n3npa3BaIte dppehAnHHcBd, pa3NoJIOKeH noD ypeDa.
- Korato INCTaIIpaTe OTHOBo DpeHaxHHnB CbD, yBepeTe ce, Ye DpeHaXHHnT MapKyu e npaBnHO nO3nIOHpaH o6paTHo B cbDa.
TpNka 3a MpaMop
- 368aBte n3no3BaHTo Ha a6pa3nBn MaTeepnaIi nn CnHn NoocCTBaun npenapTu, KOrato noctBaTe pa6oTHn Inot. BmecTo ToBa n3no3BaTte TOnla canyHeHa Boda.
- He noctabnre ropeu nn 3aMPa3eHn npOyKTH nIpeKTHo Bbpx MpaMOpHaTa NOBbpXHOCT, 3a da npedotBpATne HanyKBaHe.
3.ПочирTe He3a6abHpo pa3InBnTe,OCo6eHo KInceJIINHH TeuHOCTK KaTo JIMMOHO BOK nIIN OUcT. - IpenopbHTeHoe e da n3noJ3BaTe dbcka 3a p3aHe, 3a da cBeJeTe do MNHMym pncKa OT noBpeHa pa6oTHnI pIoT.
- Cnei nouHCTBaHe noDcyWeTe Do6pe NoBbpxHocTt a MeKa Kbpna.
I3XbpyHe Ha n3NoJ3BaHn yCTpoiCTBa
Onakobkatae npedHa3nueHa da npedna3Ba ypea n HerOBnte KOMnoHEnT no BpeMe Ha TpaHcnpTnpaHe ne e Hapabeha ot peukknpyem MaTePnA. MoJ, BpHeTe onakobkaTa B oOuuaen Cb6npaTeJeH nyKt 3a peukknpaHe, BmecTo Ja n3xBpIte, 3a da HacbpHnte NobTOphoTo n3No3BaHe Ha MaTePnA. Ctapnte ypeDi cBdpKaT MaTePnA. 3a MHorokpaTHa ynotpe6a n He Tp8Ba Da ce n3XBpIaT c 6ntOBte IInn HacnnHn OTnAbcu.
Ipei Da n3Xbplnte ypeDa, HanpaBeTe BCNUK KIOUaJIKN HeN3NOJ3BaEMn I, aKO e Bb3MOJHO,OTcTpaHeTe BpaTata(nte). Ako ypeBt NMa npyHnnHn nn 6oJTOBn fHKcatOpn, OTcTpaHeTe rN nn rN deakTNBpuAte, 3a da npdeOTbpaNTe 3aTBapAHETo Ha dca BbTpe.
XlaHnHaTcncTeMa cBbPka ra3OBe n XlaDnHn areHTN, KOITOn N3NCkBaT CneuHaMeToa 3a n3XbPnHe. YBepTe ce, ye OxlanTeHnHata Bepra He e NobpeDeHa ppeN 3XbPnHe. N36paaiKn EKOJIOnuHm MeToHn 3a n3XBpIHe, BVE dOpnPnHacTe 3a ona3BaHeto Ha OKoJHnTa cpeDa. INHOFpMaunr 3a n3NoJ3BaHn XlaDInHe aEHT n I3OJaUHOHH MaTePuaJI MoKe da 6bJe HamePeHa Ha etNKeTa c DaHHn Ha ypeDa.
3a INΦopMaζη OTHOC ΣaTne 3a Cb6bpaHe Nn MeCTa 3a N3xBpIe He Ce Cb6pxe T McETHne OprHn 3a N3XBpIaHe Ha OTNaDbuN Nn C MeCTHna OBuHcKn CbBet. CmBOJb TB BpX npOdykTa Nn OnakOBkata NOKa3Ba, Ye Toh He Tp8Ba Da ce N3XBpIa KaTo 6ntoB OTNaDbK, a Tp8Ba Da ce 3aHece B oppeJeH cHTbp 3a peuKnIpaHe Ha eEKeTpuecko N eEKeTPOHNO o6OpyDbaHe. PpaBlnHOTo N3XBpIaHe nomara 3a IpeDoTbpaTaBaHe Ha NoteHuaHa BpeDa 3a OkOnHaTa CpeDa N OBeWkoTo 3dPaBe nopadn HnPabuHno 6opabe He c OTNaDbuN.
3a noboe neopo6hctn oTHOCHO peuKnpaHTo Ha To3n npOyKT ce CbpxKeTe C MeCTHa T rpaDcKa cLyX6a, cnjx6aTa 3a n3xBpIHe Ha OtnaDbuN IIN TbproEua Ha Dpe6Ho, OTkDeTo e 3akyne H npOyKTbT.
EneKtpnuecka cxema

A- Uencen
B- Klnoy 3a 3axpaHbAhe
C-PerynatoHHa TemnepaTpaTa
D-CTa
E-3axpaHbaHe 230V 50-60Hz
F-BeHTnlaTOp Ha KOHDeH3aTopa
G-Komnpecop
H-BeHTnlaTOp Ha n3napuTeJIa
I- 3aunTaOT npetOBapBaHe
OTcpaHbAHe Ha Hen3npaBHOCTN
| пробlem | Бъзможна рлиниа | Решениe |
| Уреьт не павOTи | 1. УстroyствоTo He e ВълочeHo | 1. П探测ete Далу устroyствоTo e ВълочeHo правлиоTo и далу e ВълочeHo |
| 2. Шень点亮и Кабелыт с по breasteHi | 2.Обдete с на вашя arent ilniKваллфицран тхшик 3aп探测рka | |
| 3.Пробноителя в сcentсе la e niztoray | 3.Смене п探测ателя (UK сcenteI) | |
| 4.Пробlemп сьс зхранваNETо | 4.探测ete зхранваNETо | |
| 5.Вътresses мовера в okabсяговотe | 5.Obадete с на вашя arent ilniКваллфицран тхшик 3aп探测рka | |
| Уреьт eВълочeH, НТемператураза eТьрдЕВиска/нисka | 1. Тьрдe Много лед Вьрху Изапителя | 1. РasmрASTe Урда |
| 2. КONDензаторыт e Запшени с пох | 2.Obадete с на вашя arent ilniКваллфицран тхшик 3aп探测рka | |
| 3.ВразITE He ca 3atВорени правлио | 3.探测ete Далу вразITE сЗаторны и ультыная сепов徳пи | |
| 4.Уреьт e разноlogen伸блzo doN3TOUньк Ha TОПЛИнha ilNiBьздУшниетnotOK кьMkondeнзаторa ce пекьсba | 4.探测ete Xладилнika Ha no-no-pondxODЯшю мосто | |
| 5.ОкалнATER TempepaTура e ТьрдeВисka | 5.Увелчete вентILAцрета ilni探测ete урда на охлadiNTeI | |
| 6.В урда с sbхсанват hemodxODяшххантrelny npoduktNi | 6.Остранete в сяжakви пекаленoga ropeциххалу иллazушвaningha вentilalotpa | |
| 7.Уреьт e петоварeH | 7.Намалete колчестВOTO xphaHa, cьхpanявaninga b урда | |
| УреьтпОНЗВЕДАпсБИЧАнВисоки НИВСOKO HINBO Naшуm | 1. Разлбени ha райka/BINrT | 1.探测ete и заегнete BCИЧКi ragии BINHTOBe |
| 2.Уреьт He e монтиран вхориэталho ilni Stabnlho npolokhene | 2.探测ete мontяжнatableпозияи и смене, akо eNeobxodimo | |
| Уреьт ИЗпунSCAВODа | 1.Уреьт He e правлино Ииевелран | 1. Perugларite КрачetedATA на Винта, за НИВELPаTe урда (akо epriploximо) |
| 2.Изпунскatenлгот OTbop e Блорпан | 2.Почистete Изпунскatenla OTbop | |
| 3.ДвижениTo Ha BODаТа КьМКаhalлзацятaeleВьзреляпствано | 3.Почистete пода на урда (akо epriploximо) | |
| 4.Контунерыт за ВODа e по breasteH | 4.Obадete с на вашя arent ilniKваллфицран тхшик 3a по breasteKa | |
| 5.ТаВаТа 3a otцжданe e петьлнehа | 5.Изралдete ванчкatinga 3a otцжданe c rьбa |

AutoTo Evyxepidio xphotn exei metae paootei me tn xphon autouatnc metappaocn. Exoume kataaalei kato duvat npoona theia yia va diaofoaiouoe otu metappaon eiva akiphc, aalaa onmuwote oti ol autoatonoinevec metappaeic cevivau teleiec kal dev npooipovtaiv av atikataoathouv touc avthetaivouc metae paoetc. H enionm ekdoon tou Evyxpidiou xponc elalota Ayylka.Tuxov diafopec mela tnc metaepaaevnc ekdoonk kaltnac axyliknc ekdoan cdev evival voikad eosueutkec.Eav exete epwnoeic oxetika e tvn akpiieia tnc metaphpaoons, ovatpeTe OTNV ayylikn ekdoon, n onoiia ivai n enionm avafopa. Nepioootepc yawoukec ekdoeic elval diaeosemc katoniv auhtmaoc meowtou info@expondo.com .
Texikα στοιχεία
| Плелурафή параюрчν | Тусян паразмétου | |||||
| Оvoуа пotingус | Туся Ze шточ ec μe 2 πόρτες | Туся Ze шточ ec μe 2 συptάρια και 1 πόρτα | Туся Ze шточ ec μe 4 συptάρια | Туся Ze шточ ec μe 3 πόρτες | Туся Ze шточ ec μe 2 συptάρια και 2 πόρτες | Туся Ze шточ ec μe 6 συptάρια |
| Моутέλo | RCST-2D240 | RCST- 1D2DR240 | RCST-4DR230 | RCST-3D240 | RCST- 2D2DR240 | RCST-6DR240 |
| Оvoуаошикή тадо [V~] / oxvóτητα [Hz] | 230 / 50 | |||||
| Оvoуаошикó ρεύμα [A] | 1 | 1,9 | ||||
| Клuarотикή таду | 4 | |||||
| Моушоу Фишоутac αέριο | Куksлоргίντάνιο | |||||
| Ψυκτιός | R290/57g | R290/102 | ||||
| Διαστάσειç [πλάτος * μήκος * ὄψος; mm] | 903*700*950 | 902*698*950 | 700*900*950 | 1369*70*951 | 1370*700*950 | 1370*700*950 |
| Βάρος | [kg] | 57,25 | 65,1 | 72,8 | 82,45 | |
περιγραφή

To npoiov exei oxediaotei yia va diaophiaiizei ot ta ppeoka ouotatika eivai aepoa diathetaua yia ypnyopn npoeoumaia. Eivai iabvikó yia xphon oetiatopla, evodoxieia, oalatec kai kataaathmuata trophiuov, onwc keptan kal aafel.
O xphoTnc eUthetaa iia onoiabnnote zmu npokuie ano akoula xpontnc oukeunc.
Eykataoataon
Osyiec ykataotaonc
-
Anouakeuote n oukeun, diaofoaiiovtac oI oA ta npootateutka naotka IaK aEikakueic exouv aphipetheta anpnooc ano oec tnc iupdviec. Tn tv aofouy npauatouou n nmuac, do aotao npenei va xelpiotouv tvn aooukeuaia kai tn puOuon tnc oukeunc.
-
Diatnpnoe anoataon toulaioiotov 20 cm (7 ivtoec) metaounc ouokeunk kal twv kovtivw toixw v Avtkeevw yua ootaoepu. AuHote autn tvn aootaon eav to avtkeievo eival nyh eepotntac.
-
Iooeewote tn oukeun puoizovtac ta bi8wn baoon. Oa npenei va tonoetntheta ie oe ma otaepn, eniebn enuavvia vua eaxtonoynouy okaosoi kai o topuBoc.
-
H Θερμοκρασια στην σοία βριδκεται Μουσκευή πρέπειν α ελίνι μεταύν 10°C και 32°C. Αποφύγετεν α το τοῦθετείε Ε φεμεο Λιακό φως ἡκόντα σκόντε Θερμότητας ποῦς φόρύνοι καλορίφερ.
-
Beβαιωθείτε οτι Σωοκεύη αερίζεια ωστό.
-
Beaiwtheite ot to paoosotko kai n taon oto oneio eykataotaanctaipiaouv me tic aeitopepiec otyn etiketa xapaktnpiutkwv.To buua npenei va npaaevle npooaioo meta tnv evkataotaon.
-
SuVSeTe KAI ANOUVSeTe OwTo fic, BeBaiWteTe oTI to Buoua exei tonoetnTei ME aOphiAeia. Otav agooyseTe, Koatne To idio To Buoua, NotE uny toaBate aneUeigc To kaLdsio.
-
Eav n ouakeun xv xnpouonounthei yia meyalo xpviko diaotma, anevpeyoanote tnv, aoovsdote tvn toyn npnupeuotc, kaoapote tn v kal ahote tn v npota to kana kavoxto yia va anofouyet Tc oqec.
-
Σημαντικό: Για την ασφάλεια σας, η συοκεύπ πρεπεινα εἰναι ωωτά γειωμένη.
H oukeun eivai exonlouevn me kawdbio yeiwnc kalbuogua, to onoio npenei va ouvsethetai emuawotayewuevnpiia. Eav dev eiote oiyoupoi ia th yeiowon, ouubouleuteite evav eekukueuveo nektpoloyo n eva kevtpo oepic.
- Eav to kalawio tropoosoiac dev pfavei otnv nnaoiotepn npia, eite avadiatagte tn puthetaon eite znttoe ano evav ekeupevo naekptofoyo va ykataotnoei ma vao pia.
- Meta ano diakonn peuatoC, nepiEvete touaixotov 3 eTn potou enavekkivnoet n oukeun yia vaofouyete tvkataotpohntou oumieoth.
- Ka tyn oiohkeun trophiiv, ka e paei va xwpaei nepootepo ano 88 iipc (40 kla) Ka ta avtkei eva dev th npenei va ekteiovov ta naw to npootivo to niow akpo tou pafou.
TonotheoTe ta paphi/ouptapla
- TOnoTeTnOte eva oEt odnyw paipw oK aEe npaou vTuovlaanou oTo eUuŋto uoc.
- to paoi n to ouptapoi otn 0eon tou.
- Enavaalabete n diadkaia y ta unolouna pafia n ouptapia.

ANAKOINΩsH!
Eav n movad8a exi anotheutei n meaepthetae ie n opthetaon, aonote tn va oatae iopthia yia nepinou 12 wpc npv tn xnpouonounoe.
- PnV TnV npWt XpHOn, KaOaipote ta paphi kaI to eowtepko me aanouvovepo.
Auta ta bnaata eivat zomegaic npaaia c yta n diaofoian tnc oosntc aootpayyionc ouuukwmuatov.
Aειούργα
O8nyiec Basix
Tα vα éxete ta kaIutepa anotéλeouata a nó tn oukeun oac, akoIouθnote autεc tic odnyiec:
- Atoθηκεύοτε τα τρόφμα σην οὐσκεύμι μόνο ὄταν ἐχουν φτάει σην ωστή θερμοκρασία λεῖτουργίας.
- BeBaiWBeite oI oi 0hke cdoxieiw GN eivai na vta ymuTe, aKoMa K av ta doxieia ivai adeia n dev xpnoiopoioovtal. O kevc tceic th aeiwoouv onauvtakv anodooan ts ouokeunc.
- Aatnpite nadva tv npota kai to kaakk kleot aotav dev ta xpnouonoite.
- Mny tonotheite akaunta zoeota tpofoa n uypa eo otn ouokeun.
- TuλiEτ ἡκεπάστο το φαγητό σοντε εἰναι δυνατόν.
- Mny μλokápète touc éωτeρικόuç ανεμοπήρες της συοκεύnc.
- Anofoyete va kpatate tic noptec avoxtc yia npatetauvec neplodeltaouc.
- H (\mu \varepsilon \gamma \sigma \tau \eta \chi \omega \rho \tau \kappa \acute{\iota} \acute{\alpha} \tau \acute{\alpha} \gamma \nu \acute{\alpha} \tau \acute{\alpha} \gamma \kappa \dot{\alpha} \tau \dot{\alpha} \gamma \kappa \dot{\alpha} \tau \dot{\alpha} \gamma \kappa \dot{\alpha} \tau \dot{\alpha} \gamma \kappa \dot{\alpha} \tau \dot{\alpha} \gamma \kappa \dot{\alpha} \tau \dot{\alpha} \gamma \kappa \dot{\alpha} \tau \dot{\alpha} \gamma \kappa \dot{\alpha} \gamma \kappa \dot{\alpha} \tau \dot{\alpha} \gamma \kappa \dot{\alpha} \tau \dot{\alpha} \gamma \kappa \dot{\alpha} \tau \dot{\alpha} \gamma \kappa \dot{\alpha} \tau \dot{\alpha} \gamma \kappa \dot{\alpha} \tau \dot{\alpha}
- Ta tpofoa npenei va tonooetouvtai o eva doxio npiv ta tonooetnoeTe oTo vtoulan n oEv a paI. eutpeneia n aneuthetaia ctoohtontpofouw vtouanaI.
- Otav tonotheite peymu/axavka otn ouokevn, iivai fuoioloyko va ephiavietai npyoic (xiovi) otnv eniphiaveia.
Eevpyonouote tn ouakeun
- Kλειοτε τις πόρτες της συοκεύς.
- BeBaaWtheIe oro oiaKontnc aeitoupyiac Bioketai oto [O] eon kai aovieTe tv npia
- Evpyoioote to Power oE [I] . Oa emuaviotei npexouoa eoewtepiK thepuokpaoia tnc ouokeun
- O eepootatnc otov nivaka eeyxou 0 avaboohnevi 3 a 3 ae, unodekvovtac tn kuoetepnon tou Bpaunpotheou kukou melaTu ciaokntkai tnc enavekivnong toou oumieon.
AvoiTe/KLeioTe to Kanaki/Zuptap

IPOEIAOIOIHSH!
To oupóevo kañaki dev δiaθétel μnxavioo aofoaianc. Beβaiωθeite návta oti to kañaki βpioketai ot Θean muádvolyto πριν επιχερησεte va to αονiεte.
Tva aonofuyete tpauaatouo, uny taabe to ouptapie npa o n the on tou npwoc aoixn.
To kaTakI TnC oukeunc mnpei va puthetai e noaec ooeic:
C- Regulator temperature
D-Soba
E-Napajanbe 230V 50-60Hz
F- Ventilator kondenzatora
G-Kompresor
H- Ventilator isparivaça
I- Zastita od preopterecenja
Rjesavanje problema
| Problem | Mogući uzrok | Otopina |
| Aparat ne radi | 1. Jedinica nilje ukljucena | 1. Provjerite je li jeginica isprawno priključena i uključena |
| 2. Utikač i kabel su oštećeni | 2. Nazovite svog agenta ili kvalificiranog tehničara za pregled | |
| 3. Pregorio je osigurač u utikaču | 3. Zamijenite osigurač (UK utikač) | |
| 4. Problemi s napajanjem | 4. Provjerite napajanje | |
| 5. Unutarnji kvar ožićenja | 5. Nazovite svog agenta ili kvalificiranog tehničara za pregled | |
| Aparat je uključen, ali je temperatura previsoka/niska | 1. Previše leda na isparivaču | 1. Odmrznite urežaj |
| 2. Kondenzator začepljen prašinom | 2. Nazovite svog agenta ili kvalificiranog tehničara za pregled | |
| 3. Vrata nisu dobro zatvorena | 3. Provjerite jesu li vrata zatvorena i jesu li brtevo oštećene | |
| 4. Urežaj se nalazi u blizini izvora topline ili je protok zraka u kondenzatoru prekinut | 4. Premjestite hladnjak na prikladnije mjesto | |
| 5. Temperatura okoline je previsoka | 5. Pojačajte ventilaciju ili premjestite urežaj u hladnjak | |
| 6. U urežaju se nalaze neprikladne namirnice | 6. Uklonite sue prevrće namirnice ili začepljenja ventiladora | |
| 7. Aparat je preopterećen | 7. Smanjite količinu hrane pohranjene u urežaju | |
| Urežaj proizvodi neobično visoku razinu buke | 1. Olabavljena matica/vijak | 1. Provjerite i zategnite sue matice i vrijke |
| 2. Urežajicates nojno instaliran u ravnom ili stabilnom položaju | 2. Provjerite položaj ugradnje i promijenite ga ako je potrebno | |
| Iz urežaja curi voda | 1. Urežajicates nožice za vijke kakobiste poravnali urežaj (ako postoji) | 1. Podesite nožice za vijke kakobiste poravnali urežaj (ako postoji) |
| 2. Ispusni otvor je blokiran | 2. Očistite izlaz za pražnjenje | |
| 3. Kretanje vode do odvoda je ometeno | 3. Očistite pod urežaja (ako postoji) | |
| 4. Spremnik za vodu je oštećen | 4. Nazovite svog agenta ili kvalificiranog tehničara za pregled | |
| 5. Posuda za kapanje je prepuna | 5. Spužvom ispraznite posudu za | |
| sakupljanje tekućine |

For the disposal of the device please consider and act according to the national and local rules and regulations.
CONTACT
expondo Polska sp. z o.o. sp. k.
EasyManual