RCST6DR240 - Lednice Royal Catering - Bezplatný návod k obsluze
Najděte návod k zařízení zdarma RCST6DR240 Royal Catering ve formátu PDF.
Stáhněte si návod pro váš Lednice ve formátu PDF zdarma! Najděte svůj návod RCST6DR240 - Royal Catering a vezměte svůj elektronický přístroj zpět do rukou. Na této stránce jsou zveřejněny všechny dokumenty potřebné k používání vašeho zařízení. RCST6DR240 značky Royal Catering.
NÁVOD K OBSLUZE RCST6DR240 Royal Catering
Tato uživatelská príručka byla preložena pomoci strojového prekladu. Udělali jsme vše pro to, aby byl preklad presný, ale měje na paměti, ze automaticické preklady nejsou dokonále a nemají nahradit lidské prekladatele. Oficialné verze uživatelské príručky je v angličtine. Jakékoli rozdíly mezi prěloženou verzi a původní angličtinou nejsou právně závizné. Máte-li jakékoli dotazy ohledné présnosti prěkladu, podívejte se prosím na anglickou verzi, ktera je oficiálém odkazem. Dalí jazykové verze jsou k dispozici na vyžádaní na adrese info@expondo.com.
Technické udaje
| Popis parametru | Hodnota parametru | |||||
| Stūl pro horní frézku | Chladić stūl se 2 dveřmi | Chladić stūl se 2 zásuvkami a 1 dvīřky | Chladić stūl se 4 zásuvkami | Chladić stūl se 3 dveřmi | Chladić stūl se 2 zásuvkami a 2 dvīřky | Chladić stūl se 6 zásuvkami |
| Model | RCST-2D240 | RCST-1D2DR240 | RCST-4DR230 | RCST-3D240 | RCST-2D2DR240 | RCST-6DR240 |
| Jmenovité napěti [V~] / frekvence [Hz] | 230 / 50 | |||||
| Jmenovitý proud [A] | 1 | 1,9 | ||||
| Klimatická třida | 4 | |||||
| Izolačné foukáciplyn | Cyklopentan | |||||
| Chladivo | R290/57g | R290/102 | ||||
| Rozměry [sǐřka * délka * výška; mm] | 903*700*950 | 902*698*950 | 700*900*950 | 1369*70*951 | 1370*700*950 | 1370*700*950 |
| Hmotnost | [kg] | 57,25 | 65,1 | 72,8 | 82,45 | |
89,1
Popis zařizení

Vyrobek je navrzen tak, aby zajistil snadnou dostupnost Čerstvych surovin pro rychlou pripravu. Je ideálni pro použiti v restaurantácich, hotelech, salatovych barech a obchodech s potravinami, jako jsou kebaby a falafel.
Uživatel je odpovedný za jakékoli škody zpusobene neumyslnym použitim zařizení.
Instalace
Návod k instalaci
- Vybalte spotbrebič a ujistěte se, ze jsou vsechny ochranné plastové folie a povlaky zcela odstraněny ze vsech pourchu. Aby se zabránilo zraněni nebo poskození, vybaleni a nastaveni spotbrebiče by měly provadět dve osoby.
- Udržujte alespo 20 cm (7 palc) volneho prostoru mezi spotbrebicem a blizkymi stenami nebo prdmety, aby bylo zajisteno radne vetrání. Zvětsete tuto vzdalenost,Pokud je objekt zdrojem tepla.
- Vyrovnejte spotrebic nastavenim sroubovacich noizeck. Měl by být umistěn na stabilním rovném povrchu, aby seminimalizovaly vibrate a hluk.
- Teplota, kde je spotbrebi umistén, by mela byt mezi 10^ a 32^ . Neumistujte jej na prime slunecn svetlo nebo do blizkosti zdrojutepla, jako jsou trouby nebo radiatory.
- Zajistěte rádné větrání spotřebič.
- Ovebre, ze napajeci zdroj a napeti v miste instalace odpovidaji udajum na vykonovem stitku. Zastrcka musi zustat po instalaci pristupna.
- Správně prípoje tace odojte zástrčku. Ujistěte se, ze je zástrčka pevnězasunuta. Pri odpojováni držte zástrčku samotnou. Nikdy netahejte za kabel primo.
- Nebudete-li spotbrebič delsí dobu používat, vypněte jej, odpojte od zdroje napájení, vyčistěte jej a nechte dvířka nebo víko otevřné, abyste zabránili zápachu.
- Dulezite: Pro vasi bezpečnost musi byt spotbrebi rádne uzemné.
Spotbrebič je vybaven uzemnovacim vodičem a zástrčkou, které musi byt zapojeny do rádné uzemnézásuvky. Pokud si nejste jisti uzemnéím, porad'te se s kvalifikovaným elektrárěm nebo servisiním střediskem.
- Pokud napajeci kabel nedosáhne knejblížsí zásuvce, bud présusporádejte nastavení, nebo nechte kvalifikovanedéo elektrikáře nainstalovat novou zásuvku.
- Po vypadku proudu počeje alespon 3 minuty, než spotřebric znovu spustíte, aby nedoslo k poskození kompresoru.
- Pri skladovani potravin by kazda police nemela pojmout vice nez 88 lb (40 kg) a predmety by namely presahovat pres prednne nebo zadni okraje police.
Nasad'te police/zásvuky
- Nainstalujte sadu voditek polic na každou stranu skrǐne v požadované výšce.
- Zasuñte polici nebo zásuvku na místo.
- Opakujte postup pro zbyvajici police nebo zasuvky.

OZNÁMENI!
-
Pokud byla Jednotka skladována nebo prepravována ve svislé poloze, nechte ji prěd použitím stát ve svislé poloze po dobu príblízně 12 hodin.
-
Pred prvním použitím vycistěte police a vnitřek mydlovou vodou.
Tyto kroky jsou klicové pro zajistěné správného odvodu kondenzátu.
Cinnost
Pokyny Basix
Chcete-li dosahnout nejlepsich vysledku se svym spotbrebiem, postupujte podle nasledujicichPokynu:
- Potraviny ve spotbrebič ukládejte až poté, co dosáhly správné provozní teploty.
- Zajistete, aby byly GN kontejnery vždy naplněny, i když jsou kontejnery prázdné nebo nepouživané. Prázdné prihrákvyrazné snížić učinnost spotřebrice.
- Vždy mějte dvířka a víko zavřné, když je nepoužíváte.
- Do spotbrebcne nevkladeje nezakryte horke potraviny nebo tekutiny.
- Jídlo zabalte nebo zakryjte, kdykoli je to moźné.
- Neblokujte vnitrn ventilatory spotbreiie.
- Nenechávejte dveře otevřnépo delsí dobu.
- Maximálín nosnost kaźdé police je 20 kg.
- Potraviny musi byt pred vlozenim do skrince nebo na polici vlozeny do nadoby. Prime umisteni potravin do skrince neni povoleno.
- Když do spotřebríce vložíte mokró potraviny/zeleninu, je normálné,Že se na povrchu objeví led (sníh).
Zapněte spotřebie
- Zavrete dvirka spotbrebiče.
- Ujistěte se,Že je vypínač v [O] pozici a poté zapnéte zásvuku.
- Přepněte napájení na[1]. Zobrazí se aktuálné vinitřné teplota spotřebieč.
- Termostat na ovladacim panelu bude blinkat po dobu 3 minut, coz indikuje zpozdeni proti kratkemu cyklmezi zastavenim a opetovnym spustenim kompresoru.
Otevrete/zavreteviko/zasuvku

VAROVÁNÍ:
- Posuvné víko nemá uzamykaci mechanismus. Pred pousem o otevřeni se vždy ujistěte, ze je víko v polootevřné poloze.
- Abyste predešli zraněni, nevytahujte zásuvku za její plné otevřenou polohu.
Viko spotbrebiče lze nastavit do několika poloh:
- Se zavrénym vikem jej posuţe zpět do polootevřeni polohy, abyste získali Částečné pristup k zásobnikum GN námob.
- Zvedněte víko nahoru a dozadu, dokud záves bezpečné nespocine v podpěrné šterbině.
- Zvedněte víko úplné nahoru a zpět, abyste zcela odkryli zásobníky GN nádob.
Nastaveni teploty a ovladaci panel

1-Rozmrazovaci svetlo
2-Kontrolka provozuk kompresoru
3-Digitalni termostat
4- Programovaci klic (nedostupny pro uživatele) Vyberovy klic
5-Tlačitka pro změnu teploty
- Krátce stisknéte a uvolnéteSET tlacitko pro zobrazení nastavené hodnoty.
- Krátce stisknéte a uvolněte SET nebo počkěte príblízně 5 sekund, než se dispiej vrát do normániho stavu.
Změnte nastavenou hodnotu
- PodržteSET po dobu delsí než 2 sekundy upravte nastavenou hodnotu.
- Zobraí se aktuálí nastavená hodnota a symbol „C“ začne blinkingat.
- Pomoci sipek NAHORU nebo DOLU do 10 sekund upravte hodnotu.
- Stiskněte tlacitko SET znovu stisknéte nebo počejte 10 sekund, abyste uložili novou nastavenou hodnotu.
Manuálí odmrazováni
Toto zařizení vyžaduje ručné odmrazováni alespůn Jednou za měsíc, protoze něma funkci automatického odmrazováni.

OZNÁMENI! Cyklus odmrazováni začiná od okamžiku prvního zapnutí spotřebiče.
Postup ručniho odmrazovánil spotřebrane:
- Stiskněte a podržte DEFROST tlačitko na 5 sekund.
- Cyklus odmrazovani zaene okamzite a rozsviti se LED odmrazovani. Cyklus bude probihat 20 minut.

OZNÁMENI! Zahájení ručniho odmrazování resetujé Časovac automatickeho odmrazování. K dalísmu atickému odmrazování dojde 12 hodin po dokcení cyklu ručniho odmrazování.
CISTENIA UDRZBA
Bězná udžržba
- Pred cisténím spotbreic vypněte a odpojte od napájení.
- Pravidelné cistěte vnejí i vnitrní chast spotřebrane.
- Otřete jegnotku vlhkým hadříkem. Zajistěte, aby vypínač, ovladaci panel, kabel a zástrčka zústaly suché.
- Nepoužívejte abrazivné prostředky, protoze mohou zanechávat škodlive zbytky. Používejte pouze jemnou mydlovou vodu.
- Těsněni dvířek Čistěte pouzevodou.
- Zajistěte, aby se do elektrickych současti nedostala zaóná Čistí voda.
- Necistete pristroj proudem vody.
- Po vcišteni spotbrebi vždy osušte měkkým hadřikem.
- Zabraţe tomu, aby Čistić voda protekla vypoustěcim otvorem do odpařovaci misky.
- Pri cisteni zadni casti spotrebiie budte opatrnii.
- Pokud je nutná oprava, obratte se na kvalifikovaného technika nebo servisniho zastupce.
- Pokud bude spotbrebič delí dobu mimo provoz, otočte vypínač do polohy OFF, odpojte jej ze zásuvky, vyprázdněte chladí prostor a dúkladné jej vyčistěte.
Specialí pravidelna udrzba

OZNÁMENI! NásledujícíPokyny jsou určeny ZKUŠENÉMU PERSONÁLU.
- Pravidelné Čistěte kondenzátor pomocivhodnych nastrojú, jako je vysavač nebo měkké kartáce.
- Ujistěte se, Že všechna elektrická pripojeni jsou bezpečné a nejsou uvolnéna.
- Zkontrolujte, zda termostat aCIDlo funguji spravne.
- Pravidelné Čistěné kondenzátoru muže pomoci prodloužit zivotnost spotřebače.
- Doporučujeme, aby Čišěné kondenzátoru provedl kvalifikovaný technik nebo agent.
- Klic od elektrické skrince by mél byt uchovánan mimo dosah detí a neoprávněch uživotelú.
- Klic pouzivejte pouze k odemykani skrine.
- Pravidelné vyprazdůjte odtokovou vanu umistěnou pod Jednotkou.
- Pr i zpětné instalaci vypoustěci nádoby se ujistěte, ze je vypoustěci hadice správně umistěna zpět do nádoby.
Péce o mramor
- Pri cisteni pracovni desky nepouzivejte abrazivni materialy nebo drsne cisticici prostredky. Misto toho pouzijte teplou mydlovou vodu.
- Nepokladeje horké nebozmrazené predmety primo na mramorov povrch,aby nedoško prasknuti.
- Okamžite odstraţe Rozlité tekutiny, zejménya kyselé tekutiny, jak je citronová šťva nebo ocet.
-
Pro minimalizaci rizika poskozeni pracovni desky se doporučuje používat prkěnéko.
-
Po vycisteni povrch dukladne osuste mekkym hadrikem.
Obal je urcen k ochrané spotbrebice a Jeho soucásti bēhem prepravy a je vyroben z recyklovatelnych materiaú. Vratte prosim obal do oficiñho sberného mista k recyklaci, misto aby jej zlikvidujte, abyste podporili opétovné použiti materiaú. Stare spotbrebice obsahuji opakované použitelné materiaíy a neměly by se likvidovat s domácim nebo hromadnám opypadem.
Před likvidací spotřebiče znehodnotte vsechny zámky a pokud je to možné, odstraťe dvířka. Pokud má spotřebič pruzinové nebo šroubovie západky, odstraťe je nebo deaktivujte, abyste zabrànili uvezzněni detí uvnitř.
Chladici systém obsahuje plyny a chladiva, ktere vyžadují spezialní metody likvidace. Pred likvidaci se ujistěte, ze chladici okruh není poškozen. Volbou ekologicky šetrních metod likvidace prispíváte k ochraně zivotniho prostředí. Informace o použitěm chladivu a izolačnich materiálech naleznete na typověm štītku spotřebače.
Informace o datech sberu nebo mistech likvidace vam poskytne misti urad pro likvidaci odpadu nebo misti urad. Symbol na produktu nebo obalu znamená, ze produkt nesmi byt likvidovan jako domovni odpad, ale mél by byt odevzdán do urceného recyklacniho strediska pro elektrická a elektronická zařizení. Správná likvidace pomáhá predcházet moznému poskození zivotného prostředí a lidského zdraví v dusledku nesprávné manipulace s odpadem.
Dalsí podrobnosti o recyklaci tohoto produktu vám poskytnemistné městský urad, služba likvidace odpadu nebo prodejce, u kterého jste produkt zakoupili.
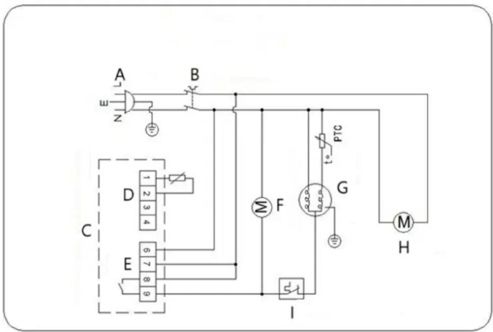
Elektrické schéma

F-Ventilator kondenzátoru
G-Kompresor
H-Ventilator vyparniku
I- Ochrana proti pretifzeni
Rešeni problemu
| Problém | Možná príčina | Rešeni |
| Spotřebič nefunguje | 1. Jednotka není zapnutá | 1. Zkontrolujte, zda je Jednotka správně zapojena a zapnuta |
| 2. Zástrčka a kabel jsou poškozené | 2. Požádejte svého zástupce nebo kvalifikovaného technika o prohlídku | |
| 3. Pojistka v zástrčce je spálená | 3. Vyměné spotjostk (britská zástrčka) | |
| 4. Problémy s napájením | 4. Zkontrolujte napájení | |
| 5. Porucha vnitřné kabeláže | 5. Požádejte svého zástupce nebo kvalifikovaného technika o prohlídku | |
| Spotřebič je zapnutý, ale teplata je pržilíš vysoká/nízká | 1. Příliš mnoho ledu na výparníku | 1. Odmrazujte spotřebič |
| 2. Kondenzátor zanesený prachem | 2. Požádejte svého zástupce nebo kvalifikovaného technika o prohlídku | |
| 3. Dveře nejsou správně zavřené | 3. Zkontrolujte, zda jsou dvířka zavřená a zda nejsou poškozena těsněné | |
| 4. Spotřebič je umístěn v blízkosti zdroje tepla nebo je prěrušeno prouděné vzduchu do kondenzátoru | 4. Prěsuťte chladničku na vchodnéjší mistro | |
| 5. Okolní teplata je pržíš vysoká | 5. Zvyěte ventilaci nebo prěmístěte spotřebič do chladničky | |
| 6. Ve spotřebič jsou uloženy nevhodné potraviny | 6. Odstraťte nadměrně horké potraviny nebo ucpání ventilálátoru | |
| 7. Spotřebič je prětížený | 7. Snižte množství potravin uložéných ve spotřebiči | |
| Spotřebič vydává neobvykle vysokou hladinu hluku | 1. Uvolné ná matice/šroub | 1. Zkontrolujte a utáhněte všechny matice a šrouby |
| 2. Spotřebič není instalován ve vodorovné nebo stabilné poloze | 2. Zkontrolujte montážné polohu a v prípadě potřeby ji zmeěnde | |
| Ze zařizení vytéká voda | 1. Spotřebič není správně vyrovnám | 1. Upravte šroubovací nožícky pro vyrovnám spotřebič (pokud je to možné) |
| 2. Vytokový otvor je ucraný | 2. Vyčistěte vystupné otvor | |
| 3. Pohyb vody do opadu je znemožné | 3. Vyčistěte podlahu spotřebič (pokud existuje) | |
| 4. Nádoba na vodu je poškozená | 4. Požádejte svého zástupce nebo kvalifikovaného technika o prohlídku | |
| 5. Odkapávací miska prěteká | 5. Vyprázdněte odkapávací misku houbičkou |

Použivatel' je zodpovedný za akékol'vek skody spösobene neumyselnym použivanim zariadenia.
Instalácia
Návod na instaláciu
Nastavenie teploty a ovladací panel

1-Svetlo Rozmrazovania
2-Kontrolka prevadzky kompressora
4- Programovacie tlacidlo (nie je pristupné pouzivate'ovi) Vyberové tlacidlo
5- Klávesy na zmenu teploty
Špecialna pravidelná udžržba

UPOZORNENIE! NasledujucePokyny su urcené pre ZRUÇNYCH PERSONÁLOV.
Likvidácia použitych zariadení
Obal je určeny na ochranu spotrebica a jeho componentov poças prepravy a je vyrobeny z recyklovateñych materialov. Obal vratte do oficialného zberného miesta na recykláciu, nie ho zlikvidujte, aby ste podporili opatovné použitie materialu. Stare spotrebice obsahuju opatovne použiteñé materialy a nemali by sa likvidovats domácim alebo velkoobjemovém opadom.
SnadnýManuál