RCST6DR240 - Kylskåp Royal Catering - Gratis bruksanvisning och manual
Hitta enhetens manual gratis RCST6DR240 Royal Catering i PDF-format.
Questions des utilisateurs sur RCST6DR240 Royal Catering
0 question sur cet appareil. Repondez a celles que vous connaissez ou posez la votre.
Poser une nouvelle question sur cet appareil
Ladda ner instruktionerna för din Kylskåp i PDF-format gratis! Hitta din manual RCST6DR240 - Royal Catering och ta tillbaka ditt elektroniska enhet i hand. På denna sida publiceras alla dokument som behövs för att använda din enhet. RCST6DR240 av märket Royal Catering.
BRUKSANVISNING RCST6DR240 Royal Catering
Denna användarmanual har översatts med maskinöversätting. Vi har ansträngt oss für att sakerställa att översättningen ar korrekt, men observerva att automatiska översättningar inte ar perfekta och inte ar avsedda att ersättma mänsklga översättare. Den officiella versionen av användarmanualen ar på engelska. Eventuella skillnader mellan den översatta versionen och den engelska originalversionen ar inte juridiskt bindande. Om du har nagra frägor om översättningens riktighet, se den engelska versionen, som ar den officiella referensen. Fler språkversioner finns tillganglia på begaran via info@expondo.com.
Tekniska data
| Parameterbeskrivning | Parametervärde | |||||
| Produktnamn | Kylbord med 2 dorrar | Kylbord med 2 lador och 1 dorr | Kylbord med 4 lador | Kylbord med 3 dorrar | Kylbord med 2 lador och 2 luckor | Kylbord med 6 lador |
| Modell | RCST-2D240 | RCST-1D2DR240 | RCST-4DR230 | RCST-3D240 | RCST-2D2DR240 | RCST-6DR240 |
| Nominell spänning [V~] / frekvens [Hz] | 230 / 50 | |||||
| Märkström [A] 1 1,9 | ||||||
| Klimatklass | 4 | |||||
| Isolering som bläser gas | Cyklopentan | |||||
| Kylmedel 290 kr/57 g 290 kr/102g | ||||||
| Mätt [bredd * langd * höjd; mm] | 903*700*950 | 902*698*950 | 700*900*950 | 1369*70*951 | 1370*700*950 | 1370*700*950 |
| Vikt [kg] | 57,25 | 65,1 | 72,8 | 82,45 | 89,6 | |
Beskrivning

Produkten ar designad for att sakerstalla att farska ingredienter ar latt tillganglga for snabb beredning. Den ar idealisk for anvandning i restauranger, hotell, salladsbarer och matbutiker som kebab- och falafelanlaggningar.
Användaren ar ansvarig für alla skador som uppstär till foljd av icede sedd användning av apparaten.
Installation
- Packa upp apparaten och se till att all skyddande plastfilm och belaggningar ar helt avlagsnade fran alla ytor. For att forhindra personskada eller skada bør två personer hantera uppackning och installation av apparaten.
- Hall minst 20 cm (7 tum) avstand mellan apparaten och narligande vaggar aller foremal for korrekt ventilation. Oka detta avstand om foremalet ar en varmekalla.
- Jämför apparaten genom att justera skruvfötterna. Den bör placeras på en stabil, jämn yta für att minimera vibrationer och buller.
- Temperaturen dar apparaten ar placerad borbara mellan 10^ och 32^. Undvik att placera den i direkt solljus ellr nara varmekallor som ugnar ellr radiatorer.
- Set till att apparaten ar ordentligt ventilerad.
- Kontrollera att strömförsörjningen och spanninger på installationsplatsen överensstämmer med uppgiffterna på marketitetten. Pluggen maste vara aktkomlig after installationen.
- Anslut och dra ur kontakten pa ratt satt. Se till att kontakten ar ordentligt isatt. Häll i själva kontakten när du koplar ur. Dra aldrig i sladden direkt.
- Om apparatenkommen att sta oanvand under en langre tid, stang av den, koppla bort den fran stromkallan, rengor den och lamna luckan eller locket oppet for att forhindra lukt.
- Viktigt: För din sakerhet maste apparaten vara ordentlich jordad.
Apparaten ar utrustad med en jordkabel och stickpropp, som maste anslutas till ett korrekt jordat uttag. Om du ar osaker pa jordningen, kontakta en kvalificerad elektriker erler ett servicecenter.
- Om natsladden inte nar narnaste uttag, antingen ordna om din installation aller lata en behorig elektriker installera ett nytt uttag.
- Efter ett strömavbrott, vänta minst 3 minuter innan du startar om apparaten für att undvika att skada kompressorn.
- Vid Förvaring av matör varje hylla inte rymma merän 40kg , och foremålör inte sträcka sig over hyllans främre eller bakre kanter.
Passa hyllorna/la:dorna
- Installera en uppsattning hyllstyrningar pà varje sida av skåpet pà onskad Höjd.
- Skjut hyllan aller ladan pa plats.
- Upprepa processen for de aterstaende hyllorna erler ladorna.

VARSEL!
- Om erheten har forvarats aller transporterats i en iced upratt position, lat den sta upratt i cirka 12 timmar innan den anvands.
Färe Forsta användingen, rengör hyllorna och interioren med tvålvatten.
Dessa steg ar avgorande for att sakerstalla correkt kondensavrinning.
Användning
Basix instruktioner
For att fã basta resultat av din apparat, folj dessa instruktioner:
- Förvara maten i apparaten forst nar den har uppnatt ratt driftstemperatur.
- Se till att GN-behällaren alltid ar fyllda, även om behällarna ar tomma erler inte används. Tomma fackkommen att minska apparatens effektivitet avsevärt.
- Hall alltid dörren och locket stängda nar de inte används.
- Placera inte oövertäckt het mat eller vätskor inuti apparaten.
- Sla in aller tack over maten när det ar möjligt.
- Blockera inte apparatens interna flaktar.
- Undvik att hälla dorrarna öppna under langre perioder.
- Den maximala lastkapaciteten for varje hylla ar 20kg
- Mat maste laggs i en behallare innan den satts in i skapet ell er pa en hylla. Direkt placering av mat i skapet ar inte tillatet.
- När vätfoder/grönsaker placeras i apparaten ár det normalt att is (sno) dyker upp på ytan.
Slapa apparatusen
- Stäng apparatens dorr(ar).
- Se till att strömbrytaren är i [0]进展情况 och slå sedan på uttaget.
- Slå på strömmen till [I]. Apparatens aktuella inre temperaturkommen att visas.
- Termostaten på kontrollpanelenkommen att blinka i 3 minuter, vilket indikerar anti-kort cykelfordrojning mellan kompressorsn stopp och Återstart.
Öppna/stäng locket/laDan

WARNING!
- Det skjutbara locket har ingen lásmekanism. Se alltid till att locket ár i halvöppet lage innan du fösaker öppna det.
For att forhindra skador, dra inte ladan forbi dess helt oppna lage.
Locket pa apparaten kan justeras i flera lagen:
- Med locket stängt, skjut tillbaka det till halvöppet lage for delvis Åtkomst till GN-behällaren.
- Lyft locket uppät och bakät tills gängjärnet vilar säkert i stödspringan.
- Lyft locket welt upp och tillbaka for att welt exponera GN-behällarbrickorna.
Temperaturinställning och kontrollpanel

1-Avfrostning Ijus
2-Kompressordriftslampa
3-Digital termostat
4-Programmeringsnyckel (inte tillganglig for anvandaren) Valknapp
5-Temperaturandringsknappar
Se borbvdet
- Kort tryck och slapp for att visa borbardet.
- Kort tryck och slapp SET knapp igen ell erer vanta cirka 5 sekunder tills displayen atergar till det normala.
Andra borbardet
- Hall i inner an 2 sekunder for att andra börvardet.
- Det aktuella borbardetkommen att visas och symbolen" ^ "borjar blinka.
- Använd UPP-ller NER-pilarna inom 10 sekunder for att justera vardet.
- Tryck ^SET knappen igen, eller vanta 10 sekunder, for att spara det nya borbardet.
Manuell avfrostning
Denna utrustning kraver manuell avfrostning minst en gang i manaden, aftersom den inte har en automatisk avfrostningsfungtion.

VARSEL! Avfrostningscykeln börjar frän det ögonblick som apparaten sats på für Första gangen.
Metod for att tina upp apparaten manuellt:
- Tryck och hall ned AVFROSTNING knappen i 5 sekunder.
- Avfrostningscykeln börjar omedelbart och avfrostningslampan tänds. Cykeln kommt att paga i 20 minutes.

VARSEL! Om en manuell avfrostning initieras Återställs den automatiska avfrostningstimern. Nåsta
automatiska avfrostning sker 12 timmar after att den manuella avfrostningscykeln ar klar.
Rengöring och unterhäll
- Stäng av och koppla bort apparaten fran strömforsörjningen före rengöring.
- Rengör regelbundet bade utsidan och insidan av apparaten.
- Torka av encheten med en fuktig trasa. Se till att strömbrytaren, kontrollpanelen, kabeln och kontakten forblir torra.
- Använd inte slipande rengöringsprodukter, eftersom de kan lamna skadliga rester. Använd endast milt tvålvaVatten.
- Rengör dörrtätningen endast med vatten.
- Se till att inget rengöringsvattenkommen in i de elektriska componenterna.
- Rengör inte apparaten med vattenstråle.
- After rengöring, torka alltid apparaten med en mjuk trasa.
- Undvik att lata rengöringsvatten rimna genom avloppshallet in i avdunstningskarlet.
- Var forsiktig när du rengör baksidan av apparaten.
- Om reparaciones behoys,kontakta en kvalificerad tekniker uller serviceagent.
- Om apparatenkommen att vara inaktiv under en langre period, vrid strombrytaren till OFF-laget, koppla ur den, tom kylfacket och rengor noggrant.
Särskilt periodiskt unterhäll

VARSEL! Foljande instruktioner ar avsedda for KOMPETENS PERSONAL.
- Rengör kondensorn med jämna mellanrum med lámpliga verktyg, sásom en dammsugare aller mjuka borstar.
- Se till att alla elektriska anslutningar ar sakra och inte sösa.
- Kontrollera att termostaten och sensorn fungerar korrekt.
- Regelbunden rengöring av kondensorn kan bidra till att förlanga apparatens livslängd.
- Det rekommenderas att en kvalificerad tekniker erler agent utfor kondensorrengoringen.
- Nyckeln till elskapet sca forvaras utom rackhall for barn och obehöriga användare.
- Använd nyckeln endast für att lasa upp skäpet.
- Töm regelbundet avloppskärlet som finns under encheten.
- När du sätter tillbaka avloppskärlet, se till att avloppsslangen ar korrekt placerad tillbaka i pannan.
Marmorvard
- Undvik att anvanda slipande material aller starka rengöringsmedel vid rengöring av bankskivan. Använd varmt tvålvatten istället.
- Placera inte varma eller frysta foremål direkt på marmorytan for att forhindra sprickbildning.
-
Rensa upp spill omedelbart, särskilt sura vätskor som citronsaft eller vinäger.
-
Det rekommenderas att anvanda en skarbrada for att minimera risken for skador pa bankskivan.
- After rengöring, torka ytan noggrant med en mjuk trasa.
Kassera anecdja enheter
Förpackngen ar utformad for att skydda apparaten och dess komponenter under transport och ar gjord av atervinningsbart material. Vänligen lamna tillbaka forpackningen till en officiell insamlingsplats for atervinning, istället for att kassera den, for att främja materialateranvändning. Gamla apparater innehaller ateranvändbara material och bör inte slängas med hushallsavfall aller bulkavfall.
Innan du kasserar apparaten, gör eventuella lás oanvändbara och, om möjlgigt, ta bort dörren/dörrarna. Om apparaten har fjaderverkan ell bltlas, ta bort ell inaktivera dem for att forhindra att barn fastnar inuti.
Kylsystemet innehäller gaser och köldmedier som kräver speciella avfallschanteringsmetoder. Se till att köldmediekretsen inte ar skadad fore kassering. Genom att valja miljömässigt ansvarsfulla deponeringsmetoder bidrar du till miljöskyddet. Information om det använda köldmediet och isoleringsmaterialen finns på apparatens markskylt.
For information om insamlingsdatum aller avfallsplatser, kontakta lokala avfallshanteringsmyndigheter aller din lokalaCOMM. Symbolen pa produkten erlor forpackingen anger att den inte farr slangas som hushallsavfall utan sca lamnas till en utsedd atervinningscentraIr for elektrisk och elektronisk utrusting. Korrekt avfallshantering hjalper till att forhindra potentiella skador pa miljon och manniskors halsa pa grund av felaktig avfallshantering.
För mer information om atervinning avenna produit, kontakta ditt lokala stadskontor, avfallshanteringstjänst erler aterforsäljen)därprodukten koptes.
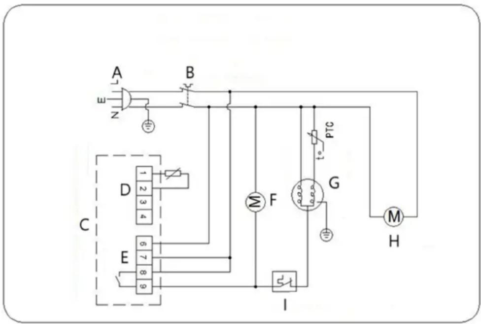
Elschemaa

A- Strömkontakt
B- Strömbrystare
I- Overbelastningsskydd
Felsökning
| Problem Möjlig | orsak Lösning | |
| Apparaten fünger ar inte | 1. Enhetenär inte pâslagen | 1. Kontrollera om enhetenär korrekt ansluten och pâslagen |
| 2. Kontakten och sladdenär skadade | 2. Ring din agent erlen kvalificerad tekniker für eninspection | |
| 3. Säkringen i kontakten har gätt | 3. Byt ut säkringen (UK-kontakt) | |
| 4. Strömförsörnjningsproblem | 4. Kontrollera strömförsörjningsen | |
| 5. Internt ledningsfel | 5. Ring din agent erlen kvalificerad tekniker für eninspection | |
| Apparatenär på, men temperaturenär forhög/låg | 1. För mycket is på forångaren | 1. Tina upp apparaten |
| 2. Kondensor blockerad av damm | 2. Ring din agent erlen kvalificerad tekniker für eninspection | |
| 3. Dörrarna stängs inte ordentligt | 3. Kontrollera att dörrarnaär stängda och att tättingarna inteär skadade | |
| 4. Apparatenär placerad nagraenärvärmekälla eller luftflödet till kondensorn avbryts | 4. Flytta kylskåpet till en mer lämplig plats | |
| 5. Den omgivande temperaturenär forhög | 5. Öka ventilationen erlen flytta apparaten till en kylare | |
| 6. Olämpliga livsmedel forvaras i apparaten | 6. Ta bort alltför heta livsmedelEll blockeringar av fläkten | |
| 7. Apparatenär överbelastad | 7. Minska mängden mat som lagras i apparaten | |
| Apparaten ger en ovenligt hög Ijudnivå | 1. Lõs mutter/skruv | 1. Kontrollera och draøy alla muttrar och skruvar |
| 2. Apparaten har inte installerats i ett plant eller stabilt lately | 2. Kontrollera installationspositionen och äandra den vid behov | |
| Apparatenläcker vatten | 1. Apparatenär inte korrekt nivellerad | 1. Justera skruvföttternaför att nivellera apparaten (om tillämpligt) |
| 2. Utloppetär blockerat | 2. Rensa utloppet | |
| 3. Vattnets rörelse till avloppet hindras | 3. Rensa golvet i apparaten (om tillämpligt) | |
| 4. Vattenbehällarenär skadad | 4. Ring din agent erlen kvalificerad | |
| tekniker für en inspektion | ||
| 5. Droppbrickanär überfull | 5. Töm droppbrickan med en svamp |

EnkelManual