RCST6DR240 - Refrigerador Royal Catering - Manual de uso y guía de instrucciones gratis
Encuentra gratis el manual del aparato RCST6DR240 Royal Catering en formato PDF.
Questions des utilisateurs sur RCST6DR240 Royal Catering
0 question sur cet appareil. Repondez a celles que vous connaissez ou posez la votre.
Poser une nouvelle question sur cet appareil
Descarga las instrucciones para tu Refrigerador en formato PDF gratis! Encuentra tus instrucciones RCST6DR240 - Royal Catering y toma tu dispositivo electrónico nuevamente en la mano. En esta página están publicados todos los documentos necesarios para el uso de su dispositivo. RCST6DR240 de la marca Royal Catering.
MANUAL DE USUARIO RCST6DR240 Royal Catering
Manual de instrucciones
Hasznalati utmutato Brugsanvisning
Kaytttoohje
Gebruiksaanwijzing
Bruksanvisning
Este manual de usuario ha sido traducido mediante traducción automatística. Hemos hecho todo lo possible para garantizar que la traducción sea precisa, peroonga en cuenta que las traducciones automatías no son perfectas y no está destinadas a reemplazar a los traductores humanos. La version oficial del Manual del Nombre está en inglés. Cualquier diferencia entre la version traducida y el original en inglés no es legalmente vinculante. Si tiene unaagna pregunta sobre la exactitud de la traducción, consulte la version en inglés, que es la referencia oficial. Están disponibles versiones en más idiomas previa solicitudes a info@expondo.com.
Characteristicassecnicas
| Descripción del parámetro | Valor del parámetro | |||||
| Nombre del producto | Mesa frigorifica con 2 puertas | Mesa frigorifica con 2 cajones y 1 puerta | Mesa frigorifica con 4 cajones | Mesa frigorifica con 3 puertas | Mesa frigorifica con 2 cajones y 2 puertas | Mesa frigorifica con 6 cajones |
| Modelo | RCST-2D240 | RCST-1D2DR240 | RCST-4DR230 | RCST-3D240 | RCST-2D2DR240 | RCST-6DR240 |
| Tensión nominal [V~] / Frequencia [Hz] | 230 / 50 | |||||
| Intensidad nominal [A] | 1 | 1,9 | ||||
| Clase climática 4 | ||||||
| Gas de solrado de aislamiento | Ciclopentano | |||||
| Refrigerante | R290/57 | g | ||||
| Dimensiones [ancho *argo * alto; mm] | 903*700*950 | 902*698*950 | 700*900*950 | 1369*70*951 | 1370*700*950 | 1370*700*950 |
| Peso [kg] | 57,25 | 65,1 | 72,8 | 82,45 | ||
Descripción del dispositivo

El producto está diseñado para garantizar que los ingredientes frescos estén fácilmente disponibles para una preparación rápida. Es ideal para su uso en restaurantes, hoteles, bares de ensaladas y tiendas de alimentación como establishimientos de kebab y falafel.
El usuario es responsable deequalquier danoresultante de un uso no previsto del disposito.
Instalación
Instrucciones de instalación
-
Desembale el aparato, asegurandose de eliminar por completeo todas laspellicas y recubrimientos plácicos protectores de todas las superficies. Para evaporar lesiones o daños, dos personas deben encargarse del desembalance y la instalacion del aparato.
-
Mantenga al menos 20 cm (7 pulgadas) de空間 libre entre el aparato y las paredes u objetos cercanos para una ventilación adecuada. Aumente esta distancia si el objerto es una fuente de calor.
-
Nivele el aparato ajustando las patas roscadas. Debe colocarse sobre una superficie estable y nivelada para minimizar la vibracion y el rujdo.
-
La temperatura en el lugar donde se encuentre el aparato debe estar entre 10^ y 32^ . Evite colocarlo bajo la luz solar directa o circa de fuentes de calor como hornos o radiadores.
-
Asegürese de que el aparato está adecuadamente ventilado.
-
Verifique que la fuente de alimentacion y el voltaje en el situo de instalacion coincidan con los detalles de la etiqueta de clasificacion. El enchufe debe permanecer accesible despues de la instalacion.
-
Conecte y desconecte correctamente el enchufe. Asegürese de que el enchufe está insertado de forma segura. Al desconectar, suije el enchufe. Nunca tire del cable directamente.
-
Si el aparato no se utilizes durante un periodo prolongado, apaguelo, desconectelo de la fuente de alimentacion, limpio y除去 la puerta o la tapa abiertas para evaporar olores.
-
Important: Para su seguridad, el aparato debe estar correctamente conectado a tierra.
El aparato está equipado con un cable de connexion a tierra y un enchufe que deben connectarse a una toma de corriente debidamente connectada a tierra. Si no está seguro acerca de la connexion a tierra, consulte con un electricista calificado o un centro de servicios.
- Si el cable de alimentacion nolegala enchufe mas cercano, reorganice su instalacion o solicite a un electricista calificado que instale un nuevo enchufe.
- Después de un corte de energia, espere al menos 3 horas antes de reinciérir el aparato para fazer dañan el comprisor.
- Al almacenar alimentos, cada esta no debe contener mas de 88 libras (40kg) y los articulos no deben sobresalir de los bordes delanteros o traseros del estante.
Colocar los estantes/cajones
- Instale un jeu de guías para estantes en cada lado del gabinete a la alta眼看ada.
- Deslice el estante o cajón hasta su posición.
- Repita el proceso para los estantes o cajones restantes.

JAVISO!
Si la unidad ha sido almacenada o transportada en una posicion no vertical, dejela en posicion vertical durante aproximamente 12 horas antes de/utilizarla.
- Antes del primer uso, limpie los estantes y el interior con agua jabonosa.
- Estos pasos son cruciales para garantizar un drenaje adecuado de la condensacion.
Actividad
Instrucciones bfaces
Para Obtener los最好的 resultados de su aparato, siga estas instrucciones:
- Guarde los alimentos en el aparato únicamente cuando hayan alcancazo la temperatura de funcionacorrecta.
- Asegürese de que los comportimientos de los contenedores GN estén siempre llenos, incluo si los contenedores están vacios o no está en uso. Los comportimientos vacios reducirán significativamente la eficiencia del aparato.
- Mantenga siempre la puerta y la tapa cerradas cuando no está en uso.
- No colque alimentos o liquidos calientes descubiertos dentro del aparato.
- Envuelva o cubra los alimentos siempre que sea possible.
- No bloquee los ventiladores internos del aparato.
- Evite mantener las puertas abiertas durante periodos prolongados.
- La capacité de energia maxima por estante es de 20kg
- Los alimentos deben colocarse en un recipiente antes de guardarlos en el armario o en un estante. No se permitte la colocacion directa de alimentos en el armario.
- Cuando se colocan alimentos/verduras humedes en el aparato, es normal que aparezca hielo (nieve) en la superficie.
Encienda el aparato
- Cierre la(s) puerta(s) del aparato.
- Asegürese de que el interruptor de encendido está en la [O] posicón, bajo encienda el zócalo.
- Encienda la alimentacion a [I]. Se做不到a temperatura interna actual del aparato.
- El termostato en el panel de control parpadeará durante 3关键时刻, lo que indica el retraso del ciclo anticortocircuito entre la detencion y el reinicio del compresor.
Abrir/Cerrar la tapa/cajón

ADVERTENCIA:
La tapa deslizante noiene mecanismo de bloqueo. Asegueseiami de que la tapa este en la posicion medio abierta antes de intentar abrirla.
- Para evacitar lesiones, no tire del cajón más alla de su posición Completely abierta.
La tapa del aparato se pueda ajustar a varias posiciones:
- Con la tapa cerrada, deslícela hacía aftas hasta la posición semiabierta para tener acceso parcial a las bandejas del conteditor GN.
- Levante la tapa hacía arriba y hacía atrás hasta que la bisagra descanse de forma segura en la ranura de soporte.
- Levante la tapa Completely hacia arriba y hacía atras para exponer Completely las bandejas del conteditor GN.
Ajuste de temperatura y panel de control

1-Luz de descongelacion
2-Luz de funciona del comprisor
3-Termostato digital
4- Tecla de programación (no accesible al usuario) Tecla de selección
5- Teclas de modificacion de temperatura
Ver el punto de ajuste
-
Presione brevemente y suelete SET Tecla para visualizar el punto de ajuste.
-
Presione brevemente y suele el SET Presione-Newamente la tecla o espere aproximadamente 5 segculos para que la pantalla vuelva a la normalidad.
Cambiar el punto de ajuste
- Sostener elSET tecla durante más de 2segundos para modifier el valor del punto de ajuste.
- Se做不到 the valor del punto de ajuste actual y el símbolo "C" comenzará a parpadear.
- Utilice las flechas ARRIBA o ABAJO dentro de 10segundos para ajustar el valor.
- Presione el SET Presione-Newamente la tecla o espere 10 segundos para guardar el nuevo valor del punto de ajuste.
Descongelación manual
Este equipo requires descongelacion manual al menos una vez al mes, ya que no dispone de referencia de descongelacion automatica.

iAVISO! El ciclo de descogelación comienza desde el momento en que se enciende el aparato por
primera vez.
Método para descongelar manualmente el aparato:
- Mantenga presionado el botón DESCONGELAMIENTO Botón durante 5 seguidos.
- El ciclo de descogelación comenzará inmediamente y el LED de descogelación se iluminará. El ciclo durará 20 horas.

iAVISO! Al起初 un aegangelacion manua se restablecer el temporizador de desongelacion
automática. La proxima descongelación automática se producirá 12 horas après de que se complete el ciclo de descongelación manual.
Limpieza y mantenimiento
Mantenimiento rutinario
- Apague y desconecte el aparato de la fuente de alimentacion antes de limpiarlo.
- Limpie periodicamente tanto el exterior como el interior del aparato.
- Limpie la unidad con un paño humedo. Asegúrese de que el interruptor, el panel de control, el cable y el enchufe permanezcan secs.
- No实用性 products de limpieza abrasivos, ya que pueda partir residuos nocivos. Utilice únicamente agua y jabón suave.
- Limpie el sello de la puerta únicamente con agua.
- Asegürese de que no entree agua de limpieza en los componentes electricos.
- No limpie el aparato con unchorro de agua.
- Después de limpiarlo,sequeseiemeleaparatoconunpañosuave.
- Evite que el agua de limpieza corra a工程技术 del orificio de drenaje hacer la bandeja de evaporacion.
-
Tenga cuidado al limpiar la parte trasera del aparato.
-
Si esnecessaryrealizar reparaciones,consulta un technician calificado o a un agente de service.
- Si el aparato está inactivo durante un periodo prolongado, gire el interruptor a la posión OFF (APAGADO), desconectelo, vacie el compartmentimiento de refrigeración y limpiejo completeness.
Mantenimiento periodico especial

jAVISO! Las siguientes instrucciones están destinadas a PERSONAL CUALIFICADO.
- Limpie periodicamente el condensador utilizing herramentas adecuadas, como una aspiradora o cepillos suaves.
- Asegürese de que todas las conexiones electricas estén seguras y no sueltas.
- Compruebe que el termostato y el sensor funciona en correctamente.
- Limpiar periodicamente el condensador pueda poder prolongar la vida uyil del aparato.
- Se recomienda que un technician o agente calificado realice la limpieza del condensador.
- La llave del armario eletrico debe mantenerse fuera del alcance de los niños y de sistemas no autorizados.
- Utilice la llave unicamente para desbloquear el armario.
- Vacie periodicamente la bandeja de trenaje ubicada bajo de la unidad.
- Al volver a instalar la bandeja de drenaje, asegúrese de que la manguera de drenaje está colocada correctamente-Newamente en la bandeja.
Cuidado del marmol
- Evite utiliser materiales abrasivos o detergentes fuertes al limpiar la encimera. Utilice en su lugar agua tibia y jabón.
- No coloque alimentos calientes o congelados directamente sobre la superficie de marmol para evaporar que se agriete.
- Limpie los derrames inmediamente, especially los liquidos acidos como el jugo de limón o el vinagre.
- Se recomienda usar una tabla deURTAR para minimizar el riesgo de dañar la encimera.
- Después de limpiar, seque completeness la superficie con un paño suave.
Eliminación de dispositivos usados
El embalaje está diseñado para proteger el aparato y sus componentes durante el transporte y está fabricado con materiales reciclables. Devuelva el embalaje a un punto de recogida oficial para reciclarlo, en lugar de desecharlo, para promover la reutilización del material. Los electrodomesticos viejos contienen materiales reutilizables y no deben desecharse+junto con los residuos domesticos.
Antes de desechar el aparato, inutilice todas las cerraduras y, si es posible, retire la(s) puerta(s). Si el aparato Tiene pestillos de resorte o de perno, quidelos o desactivelos para evaporar que los niños queden atrapados en el interior.
Elistema de refrigeracion contiene gases y refrigerantes que requiren metodos de eliminacion especialas. Aseguese de que el circuito de refrigerante no este daado antes de descharlo. Al elegir métodos de eliminacion responsables con el medio ambiente, usted contribuye a la proteccion del medio ambiente. La informacion sobre el refrigerante y los materiales de aislamento realizados se possible encontrar en la etiqueta de clasificacion del aparato.
Para Obtener información sobre fechas de recolección o lugares de eliminación, comuniqué con las autoridades locales de eliminación de residuos o con su ayuntimiento local. El símbolo en el producto o embalaje indica que no debe desecharse como residuo domestico sino que debe llevarse a un centro de reciclaje designado para equipos electricos y electrónicos. La eliminación adecuada可以帮助 a prevenir posibles daños al medio ambiente y a la salute humana debido al manejo inadequado de los desechos.
Para Obtener más detalles sobre el reciclaje de este producto, comuniquese con la oficina local de su Ciudad, el service de eliminación de residuos o el minoristaupon compré el producto.
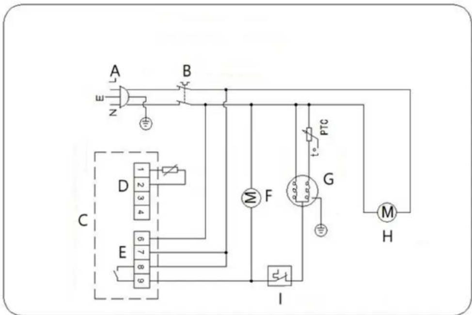
Diagrama électrique

A- Enchufe de alimentacion
B- Interruptor de encendido
C-Ajuste de la temperatura
D-Habitación
E-Alimentacion 230 V 50-60 Hz
F- Ventilador del condensador
G- Compressor
H- Ventilador del evaporador
I- Protector de sobrecarga
Resolución de problemas
| Problema Posible causa Solución | |
| El aparato no funciona | 1. Launidad no está encendida |
| 2. El enchufe y el cable está dañados. | 2. Llame a su agente o a un先进技术 calificado para una inspección. | |
| 3. El fusible del enchufe se ha fundido. | 3. Reemplace el fusible (enchufe del Reino Unido) | |
| 4. Problemas de suministro de energia | 4. Compruebe la fuente de alimentación | |
| 5. Fallo de cabledo interno | 5. Llame a su agente o a un先进技术 calificado para una inspección. | |
| El aparato está encendido, pero la temperatura esdemasiadoalta/baja | 1. Demasiado hielo en el evaporador | 1. Descongelar el aparato |
| 2. Condensador bloqueado con polvo | 2. Llame a su agente o a un先进技术 calificado para una inspección. | |
| 3. Las puertas no están bien cerradas | 3. Compruebe que las puertas estén cerradas y que los sellos no estén dañados. | |
| 4. El aparato está ubicado cerca de una fuente de calor o se interruppe el flujo de aire hacía el condensador. | 4. Mueva el refrigerador a unaubicación más adecuada | |
| 5. La temperature ambiente demasiado alta | 5. Aumente la ventilación oouncement al aparato a un lugar más fresco. | |
| 6. Se almacenan alimentos no aptos en el aparato. | 6. Retire提供优质 alimentto caliente en excesso o提供优质 bloqueo enel ventilador. | |
| 7. El aparato está sobrecargado | 7. Reducir la�性 de alimentosalmacenados en el aparato. | |
| El aparato produce un nivel de ruido inusualmente alto. | 1. Tuerca/tornillo flojo | 1. Revise y apriete todas lastuercas y tornillos. |
| 2. El aparato no se ha instalado en una posición nivelada o estable. | 2. Verifique la posición deinstalación y cámbiela si esnéasario | |
| El aparato pierde agua | 1. El aparato no está correctamente nivelado | 1. Ajuste las patas de tornillo para nivelare aparato (si corresponde) |
| 2. La calidad de descarga está bloqueada | 2. Limpiar la calidad de descarga | |
| 3. El movimiento del agua高三ía endesagüe está obstruido. | 3. Limpiar el suelo del aparato (si corresponde) | |
| 4. El conteditor de agua está dañado. | 4. Llame a su agente o a un先进技术 calificado para una inspeccion. | |
| 5. La bandeja de goteo está desbordada | 5. Vacia la bandeja de goteo con unaesponja. |

1-Luz de descongelamento
2-Luz de operacao do compressor
3-Termostato digital
5- Teclas de modificacao de temperatura
Alterar o punto de ajuste
Descarte de dispositivos usados
H- Garintuvo ventilatorius
ManualFácil