RCST6DR240 - Køleskab Royal Catering - Gratis brugsanvisning og manual
Find enhedens vejledning gratis RCST6DR240 Royal Catering i PDF-format.
Download vejledningen til din Køleskab i PDF-format gratis! Find din vejledning RCST6DR240 - Royal Catering og tag din elektroniske enhed tilbage i hånden. På denne side er alle dokumenter nødvendige for brugen af din enhed offentliggjort. RCST6DR240 af mærket Royal Catering.
BRUGSANVISNING RCST6DR240 Royal Catering
Denne brugervejledning er blevet oversat ved hjælp af maskinoversættelse. Vi har gjort alt for at sikre, at oversættelsen er nøjagtig, menær opmaerksom pa, at automatiserede oversættelser ikke er perfekte og ikke er beregnet til at erstatte menseskelige oversættere. Den officielle version af brugervejledningen er pa engelsk. Eventuelle forskelle mullem den oversatte version og den originale engelske er ikke juridisk bindende. Hvis du har spørgsmal om nøjagtigheden af oversættelsen, bedes du henvise til den engelske version, som er den officielle reference. Flere sprogversioner er tilgængelige after anmodning via info@expondo.com.
Tekniske data
| Parameterbeskrivelse | Parameterværdi | |||||
| Produktnavn | Kølebord med 2 døre | Kølebord med 2 skuffer og 1 dør | Kølebord med 4 skuffer | Kølebord med 3 døre | Kølebord med 2 skuffer og 2 døre | Kølebord med 6 skuffer |
| Model | RCST-2D240 | RCST-1D2DR240 | RCST-4DR230 | RCST-3D240 | RCST-2D2DR240 | RCST-6DR240 |
| Nominal spænding [V°] / frekvens [Hz] | 230 / 50 | |||||
| Nominal strøm [A] 1,9 | ||||||
| Klimaklasse | 4 | |||||
| Båsegas til isolering Cyclopentan | ||||||
| Kølemiddel | R290/57g | R290/1 | ||||
| Dimensioner [bredde * længde * højde; mm]. | 903*700*950 | 902*698*950 | 700*900*950 | 1369*70*951 | 1370*700*950 | 1370*700*950 |
| Vægt [kg] | 57,25 | 65,1 | 72,8 | 82,45 | 89,6 | |
Beskrivelse af apparatet

Brugeren er ansvarlig for eventuelle skader som ffolge af utilsigtet brug af enheden.
Installation
Installationsvejledning
- Pak apparatet ud, og sorg for, at al beskytende plastfilm og belægninger er fjernet helt fra alle overflader. For at undgå personskade bør to personer stå for udpakning og opsætning af apparatet.
- Hold mindst 20 cm afstand mellem apparatet og nærligende vægge erer genstande for at sikre korrekt ventilation. g davon, hvis objektet er en varmekilde.
- Niveller apparatet ved at justere skruefdderne. Den skal placeres pa et stabilt, plant underlag for at minimere vibrationer og stj.
- Temperature, hvor apparatet er placeret, bør vare mellem 10^ og 32^ . Undgå at placere det i direkte sollys ellr i nærheden af varmekilder som f.eks. ovne ellr radiatorer.
- Sorg for, at apparatet er ordentigt ventileret.
- Kontroller, at strømforsyningen og spændingen på installationsstedet stemmer overens med oplysningerne på mærkaten. Stikket skal�� tilgengeligt after installationen.
- Tilslut og frakobl stikket korrekt. Sorg for, at stikket er sat ordentligt i. När du trækker stikket ud, skal du holde i selve stikket. Træk aldrig direkte i ledningen.
- Hvis apparatet ikke skal bruges i længere tid, skal du slukke for det, koble det fra strømkilden, rengore det og lade d'ren eller låget stä abent for at undgå lugtgener.
- Det er vigtigt: Af hensyn til din sikkerhed skal apparatet ære korrekt jord forbundet.
Apparatet er udstyret med en jordledning og et stik, som skal tilsluttes en korrekt jordet stikkontakt. Hvis du er i tvivl om jordforbindelsen, skal du kontakte en kvalifereret elektriker erler et servicecenter.
- Hvis netledningen ikke denærneste stikkkontakt, skal du enten omarrangere din opsætning eller fæn kvalificeret elektriker til at installere en ny stikkkontakt.
- Efter en strømafbrydelse skal du vente mindst 3 minutter, før du genstarter apparatet for at undgå at beskadige kompressoren.
- Ved opbevaring af fodevarer bør hvre hylde icke kinne rumme mere end 40kg og varerne ma icke rage ud over hvidens for- ller bagkant.
Monter hylderne/skufferne
- Monter et sæt hyldestyr på haver side af skabet i den ønskede hjojde.
- Skub hylden aller skuffen pa plads.
- Gentag processes for de resterende hvlder eller skuffer.

BEMAERK!
Hvis enheden har varet opbevaret ellr transporteret i en ikke-oprejst position, skal du lade den sta oprjej t ca. 12 timer, for du tager den i brug.
- Rengør hylder og interiør med sæbevand før forste drug.
Disse trin er afgorende for at sikre korrekt kondensaflob.
Handling
Basix instruktioner
Følg disse instruktioner for at fá det bedste resultat ud af dit apparat:
- Opbevar kun fodevarer i apparatet, nar det har naet den korrekte driftstemperatur.
- Sorg for, at GN-containerpladserne altid er fyldt, ogsa selvom containerne er tome aller icke er i brug. Tomme base vil reducere apparatets effektivitet betydeligt.
- Hold altid doren og laget lukket, nardet icke er i brug.
- Anbring ikke utildækket varm mad eller væske i apparatet.
- Pak maden ind ell er dæk den til, när det er muligt.
- Bloker称之 apparatusets interne ventilatorer.
- Undg at holde drene abne i laengere tid.
- Den maksimale belastningskapacitet for hver hylde er 20kg
- Maden skal lægges i en beholder, før den saettes i skabet eller pa en hylde. Det er ikke tilladt at placere mad direkte i skabet.
- Nár der lægges våd mad/grøntsager i apparatet, er det normalt, at derkommen is (sne) på overfladen.
Tend for apparatus
- Luk apparatusets dor(e).
- Sørg for, at afbryderen stär i positionen [0], ogænd derefter for stikkontakten.
- Slá strømmen til [I]. Apparatets aktuelle indwendige temperatur vises.
- Termostaten på kontrolpanelet vil blinke i 3 minutter, hvilket indikerer anti-kortslutningsforsinkelsen mellem kompressorens stop og genstart.
Abn/luk laget/skuffen

OBS!
Skydelaget har ikke nogen lasekanisme. Sorg altid for, at laget er i halvaben position, fdr du forsøger at abne det.
For at undgå skader mä du ikke trække skuffen længere end til den helt abne position.
Apparatets lag kan indstilles i flere positioner:
- När låget er lukket, kan du skubbe det tilbage til den halvåbne position for at fä delvis adgang til GN-beholderbakkerne.
- Løft låget opad og tilbage, indtil hængslet hviler sikkert i støtteabningen.
- Løft læget helt op og tilbage, SSEGN-beholderbakkerne er helt fri.
Temperaturindstilling og kontrolpanel

1-Afrimningslys
2-Lampe for kompressordrift
3-Digital termostat
4-Programmeringstast (ikke tilgaengelig for brugeren) Valgtast
5-Taster til aendring af temperatur
- Tryk kort pa og slip tasten for it vise setpunktet.
- Tryk kort pa og slip tasten SET igen, ell er vent ca. 5 sekunder, for displayet vender tilbage til normal tilstand.
Shift indstellingspunkt
- Hold tasten SET nede i mere end 2 sekunder for at aendre setupkntsvaerdien.
- Den aktuelle saetpunktsværdi vises, og symbolet " ^ 日 C " begynder at blinke.
- Brug pilene OP aller NED inden for 10 sekunder for at justere vardien.
- Tryk pa tasten SET igen, ell er vent 10 sekunder, for at gemme den nye setpunktsværdi.
Manuel affirmning
Dette udstyr kræver manuel afrimning mindst en gang om maneden, da det ikke har en automatisk afrimningsfungtion.

BEMERK! Afrimningscyklussen begynder fra det øjeblik, apparatet taendes forste gang.
Metode til manuel afrimning af apparatet:
- Tryk på knappen DEFROST og hold den nede i 5 sekunder.
- Afrimningscyklussen beynder med det samme, og afrinings-LED'en lyser. Cyklussen kører i 20 minutter.

BEMAER! Hvis du starter en manuel afrimning, nulstilles den automatiske afrimningsstimer. Den naeste automatiske afrimning sker 12 timer after, at den manuelle afrimningscyklus er aflsuttet.
- Sluk for apparatet, og tag stikket ud af stikkontakten før rengoring.
- Rengør jævnligt apparatet bade udvendigt og indvendigt.
- Tør enheden af med en fugtg klud. Sørg for, at kontakten, kontrlpanelet, kablet og stikket forbliver tørt.
- Brug/DDsre ngringsmidler, da de kan afterlade skadelige rester. Brug kun mildt sbevand.
- Rengör kun dörforseglingen med vand.
- Sorg for, at der/DDke kommer rengoringsvand ind i de elektriske componenter.
- Rengör ikke apparatet med en vandstråle.
- Tør altid apparatet med en blød klud after rengøring.
- Undga at lade rengoringsvand Ibe gennem aflobshullet ned i fordampningsbakken.
- Vær forsigtig, nár du rengør apparatets bagside.
- Hvis der er behov for reparationer, skal du kontakte en kualificeret tekniker ell serviceagent.
- Hvis apparatet skal vare inaktiv i laengere tid, skal du saete kontakten pa OFF, trække stikket ud, tømme kølerummet og rengre det grundigt.
Saeilig periodisk vedligeholdelse

BEMÄRK! Følgende instruktioner er beregnet til FAGLÄERT PERSONALE.
- Rengör kondensatoren med jævne mellemrum med passende værktj, f.eks. en støvsuger eller blóde børster.
- Sorg for, at alle elektriske forbindelse er sikre og ikke sidder Iost.
- Kontroller, at termostaten og sensoren fungerer korrekt.
- Regelmaessig rengoring af kondensatoren kan hjelpe med at forlaenge apparatets levetid.
- Det anbefales, at en kvalificeret teknik erller agent udforer rengringen af kondensatoren.
- Noglen til elskabet skal opbevares utilgengeligt for bo: ng ou autoriserede brugere.
- Brug kun noglen til at lase skabet op.
- Tøm jævnigt aflɒbsskålen, der er placeret under eheden.
- När du sætter aflöbskålen på pladsigen, skal du ørge for, at aflöbslangen er placeret korrekt i skålen.
Pleje af marmor
- Undgå at bruge sibende materialer eller skrappe rengøringsmidler, nár du rengør bordpladen. Brug i stedet varmt sæbevand.
- Stil ikke varme eller frosne ting direkte på marmoroverfladen for at undgå revner.
- Tør straks spildte væsker op, især sure væsker som citronsaft eller eddike.
- Det anbefales at bruge et skarebraet for at minimere risikoen for at beskadige bordpladen.
- After rengoring tørres overfladen grundigt med en blød klud.
Bortskaffelse af brugte enheder
Emballagen er designet til at beskytte apparatet og dets komponenter under transport og er fremstillet af genanvendelige materialer. Aflever venligst emballagen pa et officielt indsamlingssted til genbrug i stedet for at smide den ud for at fremme genbrug af materialer. Gamle apparater indeholder genanvendelige materialer og bør ici bortskaffes sammen med husholdnings- eller storskrald.
För apparatet kasseres, skal eventuelle lase gores ubrugelige, og hvis det er muligt, skal øren(e) fjernes. Hvis apparatet har fjeder-ller boltlase, skal de fjernes eller deaktiveres for at forbindre, at børn bliver fanget indeni.
Kolesystemet indeholder gasser og kolemidler, der kraver særlige bortskaffelsemetoder. Sorg for, at kolemiddelkredslbet ikke er beskadiget før bortskaffelse. Ved at vælge miljømaessigt ansvarlige bortskaffelsemetoder bidrager du til miljøbeskyttelse. Opliesninger om det anvende kolemiddel og isoleringsmaterialer kan findes på apparatets mærkat.
Kontakt de lokale affaldsmyndigheder erer din commune for at fä oplysninger om indsamlingsdataor erer bortskaffelsestedder. Symbolet pa produktet erer emballagen angiver, at det ikke må bortskaffes som hushholdningsaffald, men skal afleveres pa en godkendt genbrugsstation for elektrisk og elektronisk udstyr. Korrekt bortskaffelse hjælper med at forhindre potentiel skade pa miljoet og menneskers sundhed på grund af forkert affaldshändtering.
Du kan fā flere oplysninger om genbrug af dette produit ved at kontakte dit lokaleCOMMUNEKONTOR, renovationsvæsenet aller den forhandler, hvor produitet brek.
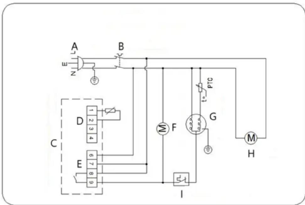
Elektrisk diagram

A-Strømstik
B- Strømafbryder
C-Temperaturkontrol
D-Vaerelse
E-Forsyning 230V 50-60Hz
F-Kondensatorventilator
G-Kompressor
H- Fordampningsventilator
1-Beskytelse mod overbelastning
Problemlösning
| Problem Mulig ársag Løsning | ||
| Apparatet fungerer ikke | 1. Enheden er ikke tændt | 1. Kontrollér, om enheden er sat korrekt i stikkontakten og tændt. |
| 2. Stikket og ledningen er beskadiget | 2. Ring til din agent eller en kvalificeret tekniker for en inspektion | |
| 3. Sikringen i stikket er spreunget | 3. Udskift sikringen (britisk stik) | |
| 4. Problemer med strømforsyningen | 4. Tjek strømforsyningen | |
| 5. Intern ledningsfejl | 5. Ring til din agent eller en kvalificeret tekniker for en inspektion | |
| Apparatet er tændt, men temperaturen er for hjj/lav | 1. For meget is på fordamperen | 1. Afrim apparatet |
| 2. Kondensator blokeret af støv | 2. Ring til din agent eller en kvalificeret tekniker for en inspektion | |
| 3. Dørene er/DDRE kukket ordentligt | 3. Tjek, at dørene er lukkede, og at tætningerne/DDRE er beskadigede. | |
| 4. Apparatet er placeret iærheden af en varmekilde, eller luftstrømmen til kondensatoren er afbrudt. | 4. Flyt køleskabet til et mere passende sted | |
| 5. Den omgivende temperatur er for hjj | 5. Øg ventilationen, eller flyt apparatet til et køligere sted | |
| 6. Der opbevares uegnede fødevarer i apparatet | 6. Fjern eventuelle for varme fødevarer erller blokeringer af ventilatoren | |
| 7. Apparatet er overbelastet | 7. Reducer mængden af mad, der opbevares i apparatet | |
| Apparatet producerer et usædvanligt hjjt stønjiveau | 1. Løs møtrik/skrue | 1. Kontrollér og spænd alle møtrikker og skruer |
| 2. Apparatet er/DDle blevet installerer i en jævn erller stabil position | 2. Tjek installationspositionen, og skift den om nødvendigt | |
| Apparatet lækker vand | 1. Apparatet er/DDRE korrekt nivelleret | 1. Juster skruefddderne, SSE apparatet står i vater (hvis relevant) |
| 2. Udløbsrøret er blokeret | 2. Rens udløbsrøret | |
| 3. Vandets bevgelse til afløbet er blokeret | 3. Ryd gulvet for apparatet (hvis relevant) | |
| 4. Vandbeholderen er beskadiget | 4. Ring til din agent eller en kvalificeret tekniker for en inspektion | |
| 5. Drypbakken flyder over | 5. Tøm drypbakken med en svamp | |

Apparatet er utstyrt med en jordingsledning og stopsel, som mA kobles til en jordet stikkontakt. Hvis du er usikker på jordingen, kontakt en kvalifisert elektriker eller et servicesenter.
Spesielt periodisk vedlikehold

För du kaster apparatet, gjör eventuelle lasser ubrukelige og fjern om mulig dren(e). Hvis apparatet har fjæller boltlaser, fjern eller deaktiver dem for á forbhindre at barn blir fangetinne.
Installationsanvisningar
NemManual