RCST6DR240 - Lodówka Royal Catering - Bezpłatna instrukcja obsługi
Znajdź bezpłatnie instrukcję urządzenia RCST6DR240 Royal Catering w formacie PDF.
Pobierz instrukcję dla swojego Lodówka w formacie PDF za darmo! Znajdź swoją instrukcję RCST6DR240 - Royal Catering i weź swoje urządzenie elektroniczne z powrotem w ręce. Na tej stronie opublikowane są wszystkie dokumenty niezbędne do korzystania z urządzenia. RCST6DR240 marki Royal Catering.
INSTRUKCJA OBSŁUGI RCST6DR240 Royal Catering
Niniejsza instrukcja obstugi została przytulaczona za pomocamy tulumazonia maszynowego. Dofozyliśmy wszelkich starań, aby zapewnić dokladnosć tulumazenia. Naleź)y"Justak pamietć, zte tulumazenia automatyczne są doskonaść i są major na celu zastapienia tulumazy. Oficjalna wersja instrukcji obstugi jest w jejzyku angielskim. Wszelkie roznice między wersja przytulaczona a oryginalem w jejzyku angielskim są prawnie wiąȩze. Ješli masz jakiekolwiek pytania dotyczé dokladnosci tulumazenia, zapoznaj są z wersja angielska, kóra jest wersja oficjalna. Wiecjewersji jejzykowych jest dostepnych na zyczenia pod adresem info@expondo.com.
Dane techniczne
| Opis parametu | Wartość parametu | |||||
| Nazwa produktu | Stóf chłodniczy z 2 drzwiami | Stóf chłodniczy z 2 szufladami i 1 drzwiami | Stóf chłodniczy z 4 szufladami | Stóf chłodniczy z 3 drzwiami | Stóf chłodniczy z 2 szufladami i 2 drzwiami | Stóf chłodniczy z 6 szufladami |
| Model | RCST-2D240 | RCST-1D2DR240 | RCST-4DR230 | RCST-3D240 | RCST-2D2DR240 | RCST-6DR240 |
| Napiȩcie znamionowe [V~] /噤stotliwość [Hz] | 230 / 50 | |||||
| Prȩd znamionowy [A] | 1 | 1,9 | ||||
| Klasa klimatyczna 4 | ||||||
| Gaz do wdmuchiwania izolacje | Cyklopentan | |||||
| Czynnik chłodniczy | 290 zł/57g | 290 zł/102g | ||||
| Wymiary [szerokość * dlugość * wysokość; mm] | 903*700*950 | 902*698*950 | 700*900*950 | 1369*70*951 | 1370*700*950 | 1370*700*950 |
| Ciezar [kg] | 57,25 | 65,1 | 72,8 | 82,45 | ||
Opis urzadzenia

Produkt zaprojektowano tak, aby zapewnic dostepnosc swiezych skladników i szybkie przygotowanie potraw. Idealnie nadaje sie do stosomania w restaurantacjajach, hotelach, barach silatkowych i sklepach spożyczych, takich jak lokale serwujecte kebaby i falafele.
Uzytkownik ponosi odpowiedzialnosc za wszelkie szkody powstale na skutek niewlasciwego uzycia urzadzenia.
Instalacja
Instrukcje instalacji
- Rozpakuj urzadzenie, upewniajac sie, ze wszystkie folie ochrnoi powlto zostaly calkowiec usuniete zwsztkich powierzchni. Aby zapobiec obrazeniom cia na lub uszkodzeniom, Rozpakowywaniem konfiguracja urzadzenia powinny zajmawac sie dwie osoby.
- Aby zapewnic odpowiednia wentylacje, nalezy zachowac odstep co najmiej 20 cm (7 cali)管理和 urzadzeniem a povliskimi scenami lub przydmiotami. Zwiększ tę odlegósc, sąli obiekt jest zródlemciepla.
- Wypoziomuj urzadzenie, reguljac srbami nozki. Urzadzenie nalezy umiesci na stabilnej i rownej powierzchni, aby zminimalizowac wibracej i hafas.
- Temperatura, w ktorej znajduje sie urzadzenie, powinnawynosc od 10^ do 32^ . Unikaj umieszczania go w bezposrednim swietle stonecznym lub w povlizu zrodei ciepta, takich jak piekarniki lub grzejniki.
- Upewnij sie, ze urzadzenie jest odpowiednio wentylowane.
- Sprawdź,czy parametry zasilania i napiecie w mistręsću instalacji odpowiadajdanym na tabliczce znamionowej.Wtyczka musi pozostac dostepna po instalacji.
- Prawidlowe podlaczanie i odlaczanie wtyczki. Sprawdz,czy wtyczka jest prawidlowo wtozona. Odlaczajc wtyczke, nalezy ja trzymać za sama wtyczke. Nigdy nie ciagini bezposrednio za przywod.
-
Jezi urzadzenie nie bedzie uzywane przydzy czas, wyac je, odac od zrdla zasilania, wycysc i pozostaw drzwi lub Pokrywe otwarte, aby zapobiec powstawaniu nieprzyemnych zapachow.
-
Wänzne: Dla Twojego bezpieczędsta urzadzenia musi byc prawidlowo uziemione.
Urzadzenie wyposazone jest w przywod uziemiazycy i wyczke, ktore nalezy podzczyc do prawidlowo uziemionego gniazdka. Jesli nie masz pewnosci co do uziemienia, skonsultuj sie z wykwalifikowanym elektrykiem lub serwisem.
- Jesli przywod zasilajczy nie siega do najbliszego gniazdka, nalezy zmienic konfiguracje lub zleci wykwalifikowanemu elektrykowy zamontowanie nowego gniaźdka.
- Po zaniku zasilania odczekaj co najmiej 3 minuty przyd ponownym uruchomieniem urzadzenia, aby uniknac uszkodzenia spreźarki.
- Podczas przechowywania zywnosci kazda polka powinna utrzymac cięzar nie są克斯zy niz 88 funtów (40 kg), a przydmiotyNie powinny wystawac poza przydni lub tylnaj krawędź polki.
Dopasuj potki/szuflady
- Zamontuj zestaw prowadnic polek po kazdej stronie szafki na zadjanej wysokość.
- Przesun potkę lub szufladę na sąjsce.
- Powtorz proces da pozialych polek i szuflad.

OGLOSZENIE!
- Ježeli urzadzenie nie byto przechowywane lub transportowane w pozycji pionowej, nalezy pozostawic je w pozycji pionowej przy czo 12 godzin przy ponownym uruchomieniem.
- Przed pierwszym uzyciem naleź umyć polski wędrze wodź mydlem.
Czynnosci te sq kluczowe dla zapewnia zrawidlowe go odphywu skroplin.
Praca z urzadzeniem
Instrukcje Basix
Aby uzyskac najlepsze rezultaty ze swojejego urzadzenia, postepuj zgodnie z ponizszymi instrukcjami:
- Przechowuj zywnosc w urzadzeniu dopiero po osiagnieci przy niedwiej temperatury roboczej.
- Upewnij sie, ze pojemniki GN są zawsze pełne, nawet jestli są puste lub nieduzywane. Puste zatoki znacćo obniżaja wydajnosć urzadzenia.
- Zawsze trzymaj drzw i pokrywe zamkniete, gdyNie korzystasz z urzadzenia.
- Nie umieszczaj wewnatrix urzadzenia odkrytej, goracej zywnosci lub phynow.
- Jesli to mozliwe, zawijaj lub przykrywaj zywnosc.
- Nie blokuj wewnetrznych wentylatorów urzadzenia.
- Unikaj pozostawiania drzwi otwartych przy dduzszy czas.
- Maksymalne obciązenia kazdej potkiwynosi 20kg
- Žywnosc nalezy umieść w pojemniku przyd unieszczemieniem jej w szafce lub na polte. Nie wolno umieszczacź yzwnosci bezposrednio w szafce.
- Gdy do urzadzenia wlozymy mokra zywnosc/warzywa, normalnym zjawiskiem jest pojawianie sie na powierzchni lodu (sniegu).
Włac urzadzenia
- Zamknij drzwi urzadzenia.
- Upewnij sie, ze przyęacznik zasilania jest w pozycji [0] pozycje, a nastepnie wącz gniaźdo.
- Przejacz zasilanie na [I]. Wyświetlana jest aktualna temperatura wewétrzna urzadzenia.
- Termostat na panelu sterowania bedzie migat przy 3 minuty, wskazujac opocznienie miiedzy zatrzymaniem i ponownym uruchomieniem sprezarki.
- Przesuwana pokrywa nie jest wyposañona w mechanizm blokujacy. Przed przyba otwarcia pokrywy zawsze upewnij sie, ze jest ona uchylona do połowy.
- Aby zapobiec obrazeniom, nie nalezy wciagac szuflady poza pozycje calkowitego otwarcia.
Pokrywę urzadzenia möglich ustawic w kilku pozycjach:
- Po zamknieci poukrywy przesun ja do pozycji pólotwartej, aby uzyskać czȩciowy dostep do tacek pojemników GN.
- PodniešPokrywędó góryi do tylu,azawiasznajdziesie pewnie w szczelinie podporowej.
- PodnieśPokrywecałkowicie do góry i do tylu,aby cakowicie odstonic tacki pojemników GN.
Ustawianie temperature i panel sterowania

1- Swiatto rozmrażania
2- Kontrolka pracy sprežarki
3-Termostat cyfrowy
4- Klawisz programwomania (niedostepny dla uzytkownika) Klawisz wyboru
5-Klawiszeme modyfikacji temperature
Zobacz punkt nastawy
- Naciśnij krótko i zwolnjSET naciśnij klawisz, aby wyświetlic punkt nastawy.
- Naciśnij krótko i zwolnjSET Naciśnij ponownie klawisz lub odczekaj okato 5 sekund,ź wyświetlacz powróci do normy.
Zmienpunkt nastawy
- TrzymajSET Naciśnij przyczisk przy ponad 2 sekundy, aby zmienc wartosć zadano.
- Wyswietli sie aktualna wartosc zadana, a symbol ^ "zacznie migać.
- W ciagu 10 sekund uzyj strzalek W GÖRE lub W DÖL, aby dostosowac wartosc.
- Nacijsij SET Nacijsij ponownie przycisk lub odczekaj 10 sekund, aby zapisać nowa wartosć zadan.
Reczne rozmrażanie
Sprzet ten wymaga recznego Rozmrażania przyznajmiej raz w mieiu, poniewań posiada fungcj automatyczné rozmrażania.

OGLOSZENIE! Cykl Rozmrażania Rozpoczyna są w momencie pierwszego wączenia urzadzenia.
Metoda reçznego rozmražania urzadzenia:
- Naciński przytrzymaj przycisk DEFROST, Naciński przycisk przykniak przykniak przykniak przykniak przykniak przykniak przykniak przykniak przykniak przykniak przykniak przykniak przykniak przykniak przykniak przykniak przykniak przykniak przykniak przykniak przykniak przykniak przykniak przykniak przykniak przykniaczycki
- Cykl rozmrażania Rozpocznie są natychmiast, a dioda LED rozmrażania zaświeci są. Cykl;będzie trwal 20 minut.

OGLOSZENIE! Rozpoczecie reczneo odszraniania spowoduje zresetowanie automatyczneo timera
odszraniania. Nastepne automatyczne odszranianie nastapi 12 godzin po zakończeni rycznych cyklu odszraniania.
Czyszczenie i konserwacja
Rutynowa konserwacja
- Przed czyszczeniem wyłacz urzadzenia i odźcz je od zasilania.
- Regularnieczyszc zewnetrznj i wewnetrznaj czesc urzadzenia.
- Przetrzyj urzadzenia wilgotn sciereczka. Upewnij sie, ze przyacznik, panel sterowania, kabel i wtyczka pozostajaSuche.
- Nie nalezy uzywac srodkow czyszczacych o wstciwociach sciernych, gdyz moga one pozostawia szkodliwe pozostalosci. Uzywaj wylacznie lagodnej wody z mydtem.
- Uszczelk drzwi czysci wyćznie woda.
- Upewnij sie, ze do elementow elektrycznych nie dostanie sie woda uzywana do czyszczenia.
- Nieczysci urzadzenia strumieniem wody.
- Po wyczyszczeniu nalezy zawsze wytrzech urzadzenia do sucha miękka sciereczka.
- Unikaj przystawania są wody uzywanej do czyszczenia przyez otwor spustowy do miski parowej.
- Zachowaj ostrożnosć podczas czyszczenia tylnej噤ci urzadzenia.
-
Jesli konieczna okaze sie naprawa,{nalezy skontaktowac sie z wykwalifikowanym technikiem lub pracownikiem serwisu.
-
Ježeli urzadzenie nie;będzie uzywane przyduszcy czas, naleź ustawic przyȩć zwick w pozymci WYJACZONEJ, odłacZYc je od zasilania, opróznic komore chłodziarki i dokladnie wycyScić.
Specjalna konserwacja okresowa

OGLOSZENIE! Ponijsze instrukcje przyznaczone sq dla WYKWALIFIKOWANEGO PERSONELU.
- Okresowoczyśc skraplacz przy uzyciu odpowiednich naręźdi, np. odkurzacza lub miȩkkich szczotek.
- Sprawdź,czywsztkiepołaczeniaelektryczne są solidne iNie są lużne.
- Sprawdź,czytermostaticzujnikdzialajaprwdłowo.
- Okresowe czyszczenie skraplacza要去 pomoc przydugyć zywatnosć urzadzenia.
- Zaleca sie, aby czyszczenie skraplacza wykonat wykwalifikowany technik lub agent.
- Klucz do szafki elektrycznej nalezy przechowyac w.), wiejscu niedostepnym dla daneci i osobnieupowaźnionych.
- Klucza nalezy uzywac wyłacznie do otwierania szafki.
- Okresowo oprózniaj miskę ociekowa znadujuća są pod urzadzeniem.
- Podczas ponownego montazu miski ociekowej nalezy upewnić sie, ze wąz spustowy jest prawidłowo umieszczony w misce.
Pielegnacja marmuru
- Do czyszczenia blatu nalezy unikać stosowania materiały sciernych i silnych detergentów. Zamiast tego uzywaj ciepiej wody z mydlem.
- Aby zapobiec pęknięciom, nie naleź y umieszczac bezposrednio na powierzchni marmurowej gorących lub zamrożonych przyedmiotów.
- Wszelkie rozlania nalezy natychmiast wycierac, zwlaszcza jestli chodzi o kwaśne plyny, np. suk z cytryny lub ocet.
- Aby zminimalizowac rzyko uszkodzenia blatu, zaleca sie uzywanie deski do krojenia.
- Pooczyszczeniu nalezy dokladnie osuszyc powierzchnie miękka sciereczka.
Utylizacja zuzytych urzadzen
Opakowanie ma za zadanie chronie urzadzenie i loro podzespoj podczas transportu. Wykonane jest za materiafow nadajych sie do recycl Klingu. Prosimy o oddanie opakowania do oficjalneopunkt zu biorki w celu recycl Klingu, zamiast wyrzucania go, co pozwoli promoac ponowne wykorzystanie materiafow. Stare urzadzenia zawieraja materiaf'y nadajce sie do ponownego wykorzystania i nie nalezy ich wyrzuca' razem z odpadami domowymi lub odpadami weltkogabarytowymi.
Przed wyrzucieniem urzadzenia nalezy wyłaczyc wsystkie zamki i, jestli to moziwie, zdjac drzwi. Ješli urzadzenie jest wyposzazone w zatraski spreźynowe lub ryglowe, nalezy je usunac lub wyłaczyc, aby zapobiec uwięzieniu daneci wŚrodku.
Ukstad chłodniczy zawiera gazy i czynniki chłodnicze wymagajace SPECIALNych metod utylizacji. Przed utylizacja naleź upewnić sie, ze obwód chłodniczy nie jest uzzkodzony. Wybierȩjac przyjazne dla srodkowska metody utylizacja odpadów, przyczynieszcie do ochrony srodowiska. Informacja dotyczze zastosowanego czynnika chłodniciego i materiały izolacyjnych można znialeść na tablicze znamionowej urzadzenia.
Aby uzyskać informacja o datach odbioru i miejscach utylizacje, skontaktu są zlokalnych wędzami oppowiedzialnyma za utylizacja odpadów lub z urzemodem lokalmnym. Symbol na produktie lub opakowaniu oznacza, ze produktu nie walno wyrzuć razem z odpadami domowymi, leczNSE wyznaczonego punktu recyklingeru spreptu elektrycznégo i elektronicnégo. Prawidłowata utylizacja odpadów pomaga zapobiegać potencjalnym szkodem dla srodowiska i zdrowia ludzi, jakie要去 wyrzadzie niewości obchodzenia są z odpadami.
Aby uzyskac wiecej informaci na temat recycllngu tego produktu, skontaktuj sie z lokalnym urzedom mistrskim, zakladem utyilizaci odpadow lub sprzedawca, u ktorego zakupiono produkt.
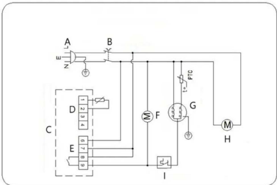
Schemat elektryczny

A-Wtyczka zasilania
B-Wytacznik zasilania
C-Kontrola temperature
D-Pokoj
E-Zasilanie 230V 50-60Hz
F-Wentylator skraplacza
G-Kompresor
H-Wentylator parownika
I-Zabepzpieczenie przed przyciązieniem
Rozwiagywanie problemów
| Problem | Możliwa przyczyna | Rozwiȩzanie |
| Urzejdenie nie dane za | 1. Urzejdenie nie jest wączone | 1. Sprawź,czy urzejdenie jest prawn到账wo pod.§zone i |
| wączone. | ||
| 2. Wtyczka i przywość są uszkodzone | 2. Zadzwоń do swojego agenta lub wykwalifikowanego technika w celu przybewiadzenia inspekcji | |
| 3. Bezpiecznik wtyczki są przyepaliţ | 3. Wymiȩ bezpiecznik (wtyczka brytyjska) | |
| 4. Problemy z zasilaniem | 4. Sprawȩź zasilanie | |
| 5. Wewétrzna usterka okablowania | 5. Zadzwоń do swojego agenta lub wykwalifikowanego technika w celu przybewiadzenia inspekcji | |
| Urzadzenia jest wączone, ale temperatura jest zbyt wysoka/niska | 1. Zbyt duź o ludu na parowniku | 1. Rozmrozić urzadzenia |
| 2. Kondensator zablokowy curzem | 2. Zadzwоń do swoJEgo agenta lub wykwalifikowanego technika w celu przybewiadzenia inspekcji | |
| 3. Drzwi nie są prawnidłowo zamkniptyte | 3. Sprawȩź,czy drzwi są zamkniptyte i przy uszczelki nie są uszkodzone | |
| 4. Urzadzenia znejduje są w poplbrużówcie ciepla lub przypopyw powietrza do skraplacza jest przyerwany | 4. Przenieść lodowej w bardziej odpowiednie sąjsce | |
| 5. Temperatura otoczenia jest zbyt wysoka | 5. Zwięskz wentylacja lub przytenieś urzadzenia do chłodniejszego sąjsca | |
| 6. W urzadzeniu przechowyane są niedopowieiednie produkty spozywcze | 6. Usćn wszelkie nadmiernie gość potrawy lub blokady wentylatora. | |
| 7. Urzadzenia jest przyciązone | 7. Zmiejeść ilość zwywnosci przechowyanej w urzadzeniu | |
| Urzadzenia wyrwarza niedzwykle wysoki poziom hałasu | 1. Lużna nikrzytka/Śruba | 1. Sprawȩź i dokróć wsystkie nikrzytki i Śruby |
| 2. Urzadzenia nie zostalo zainstalowane w poźycji poziomej lub stabilnej | 2. Sprawȩź pozycje instalacji i w razie potrzeby zmień są | |
| Urzadzenia przycieka wódź | 1. Urzadzenia nie jest prawnidłowowo wypoziomowane | 1. Wyreguluj noźki strubowe, aby wypoziomować urzadzenia (jesli dotyczy) |
| 2. Otwór wylotowy jest zablokowy | 2. Wyczyść otwor wylotowy | |
| 3. Ruch wody do odprzywu jest utrudniony | 3. Odsćło pod✕gów uzadzenia (jesli dotyczy) | |
| 4. Pojemnik na wodę jest uszkodzony | 4. Zadzwоń do swoJEgo agenta lub wykwalifikowanego technika w celu przybewiadzenia inspekcji | |
| 5. Tacka ociekowa jest przypehniona | 5. Opróznij tackę ociekowa za pomoczą gąbki |

3-Digitalny termostat
Manualne rozmrazovanie
Toto zariadenie vyaduje manualse odmrazovanie aspon raz za mesiac, pretoze nemafunkcu automatickeho odmrazovania.

UPOZORNENIE! Cyklus Rozmrazovania začina od okamihu prveho zapnutia spotrebica.
Postup manualseho odmrazovania spotrebiča:
- Stlache a podrzte DEFROST...tlaCIDlo na 5 sekund.
- Cyklus odmrazovania sa začne okamžite a rozsvieti sa LED kontrolka Rozmrazovania. Cyklus bude prebiehat 20 minut.

PASTABA! Sios instrukcjos skirtsos KVALIFIKUOTAM PERSONALU.
Produkty elektryczne i elektronicze po zakońceniu okresu eksploatacji wymagaj segregaci i oddania ich do wyznaczonego punktu odbioru. Nie wolno wyrzucć produktów elektrycznych razem z odpadami gospodarstwa domowego. Zgodnia z dyrektywa WEEE 2012/19/UE obwiązȩca w Unii Europejskiej, urzadzenia elektryczne i elektronicze wymagaja segregaci i utylizacja w wyznaczonych mistręch. Dbajć o prawidłowuy utylizacje, przyczynieszcie są do ochrony zaobów naturalnych i zmieiejszasz negatywn wptyw oddziachywnia na srodowisko, czlowieka i otoczenia. Zgodnia z krajowym sprawodawstwem, nieprawidłowe uswanie odpadów elektrycznych i elektronicznych są być karane!
ul. Nowy Kisielin - Innowacyjna 7 66-002 Zielona Gora | Poland, EU
e-mail: info@expondo.com
ProstaInstrukcja