RCST6DR240 - Hladilnik Royal Catering - Brezplačna navodila za uporabo
Brezplačno poiščite navodila za napravo RCST6DR240 Royal Catering v formatu PDF.
Prenesite navodila za vaš Hladilnik v formatu PDF brezplačno! Poiščite svoja navodila RCST6DR240 - Royal Catering in vzemite svojo elektronsko napravo nazaj v roke. Na tej strani so objavljeni vsi dokumenti, potrebni za uporabo vaše naprave. RCST6DR240 znamke Royal Catering.
NAVODILA ZA UPORABO RCST6DR240 Royal Catering
A-Napajeci zastrcka
B-Vypinačnapajeni
C-Kontrola teploty
D-Pokoj
E-Napajen230V50-60Hz
Pogledajte zadanu točku
- Kratko pritisnite i pustite SET tipku za prikaz zadane vrijednosti.
- Kratko pritsnite i pustite SET tipku ponovo ili pricekajte otprilike 5 sekundi da se zaclin vrati u normalu.
A- Utikač za napajanje
B- Prekida napajanja
Ta uporabniški priročnik je bil predeven s strojnim prevajanjem. Potrudili smo se, da bi zagotovili točnost prevoda, vendar upostevalje, da avtomatizirani prevodi niso popolni in niso namenjeni nadomestitvi cloveskih prevajalcev. Uradna razlicica uporabniškega priročnika je v anglesčini. Morebitne razlike med prevedeno razlicico in izvirno anglesćino niso pravno zavezujoče. Če imate kakršna koli vprasanja o točnosti prevoda, si oglejte angleško razlicico, ki je uradna reference. Vec jezikovnih razlicic je na voljo na zahtevo preko info@expondo.com.
Tehnični podatki
| Opis parametra Vrednost parametra | ||||||
| Ime izdelka | Hladilna miza z 2 vrati | Hladilna miza z 2 predaloma in 1 vrati | Hladilna miza s 4 predali | Hladilna miza s 3 vrati | Hladilna miza z 2 predaloma in 2 vrati | Hladilna miza s 6 predali |
| Model | RCST-2D240 | RCST-1D2DR240 | RCST-4DR230 | RCST-3D240 | RCST-2D2DR240 | RCST-6DR240 |
| Nazivna napetost [V~] / frekvenca [Hz] | 230 / 50 | |||||
| Nazivni tok [A] 1,9 | ||||||
| Klimatski razred 4 | ||||||
| Plin za vpihovanje izolacije | Ciklopentan | |||||
| Hladilno sredstvo | R290/57g R290/102 g | |||||
| Dimenzije [širina * dolžina * višina; mm] | 903*700*950 | 902*698*950 | 700*900*950 | 1369*70*951 | 1370*700*950 | 1370*700*950 |
| Teža [kg] | 57,25 | 65,1 | 72,8 | 82,45 | ||
Opis

Izdelek je zasnovan takto, da zagotavlja, da so sveze sestavine takoj na voljo za hitro pripravo. Idealen je za uporabo v restavracijah, hotelih, solatniharily in trgovinahs hrano, kot so obrati za kebab in falafel.
Uporabnik odgovarja za vso skodo, ki nastane zaradi nenamenske uporabe naprave.
Namecitev
Navodila za namestitev
- Odpakirajte aparat in se prepričajte, da so vse zašcitne plastíčne folje in premazi v celoti odstranjeni z vseh površin. Da preprečite poskodbe ali škodo, naj dve osebi poskribita za razpakiranje in namestitev naprave.
- Ohranite vsaj 20 cm (7 palcev) prostora med napravo in bliznjimi stenami ali predmeti za pravilno prezračevanje. Povečajte to razdaljo, Če je predmet vir toplote.
- Napravo izravnajte tak, da nastavite noge vjakov. Postavite ga na stabilno, ravno povrsino, da zmanjsate vibracije in hrup.
- Temperatura, kjer je naprava nameščena, nj bo med 10^ in 32^ . Ne postavljajte ga na neposredno sončno svetlobo ali v blizino virov toplote, kot so pečice ali radiatorji.
- Prepričajte se, da je naprava pravilno prezračena.
- Preverite, ali se napajanje in napetost na mestu namestitve ujemata s podatki na nalepki z nazivnimi vrednostmi. Vtič mora po namestitvi ostati dostopen.
- Pravilno priključite in izključite vtič. Prepričajte se, da je vtič varno vstavljen. Pri izklapljanju držite sam vtič. Nikoli ne volecite neposredno za kabel.
- Če aparata dlje Časa ne boste uporabljali, ga izklopite, odklopite iz elektricnega omrežja, očistite in pustite vrata aliPokrov odprta, da preprečite vonjave.
- Pomembno: Zaradi vase varnosti mora biti naprava pravilno ozemljena.
Naprava je opremljena z ozemljitveno zico in vticem, ki morata biti priključena na pravilno ozemljeno vticnico. Če niste prepričani o ozemljitvi, se posvetujte z usposoblenim elektricarjm ali servisnim centrom.
- Če napajalni kabel ne doseže najbližje vtičnice, preuredite nastavitev ali pa njavalificirani elektricar vgradi novo vtičnico.
- Po izpadu elektricne energia počakajte vsaj 3 minute, preden ponovno zaženete napravo, da preprećite poškodbe kompresorja.
- Pri shranjevanju hrane ne sme vsaka polica nositi več kot 88 lbs (40 kg), predmeti pa ne smejo segati Čez sprednje ali zadnje robove police.
Namestite police/predale
- Namestite komplet vodil za police na vsako stran omare na zeneli visini.
- Potisnite polico ali predaal na svoje mesto.
- Postopek ponovite za preostale police ali predale.

OBVESTILO!
-
Ce je bila enota shranjena ali prevalzana v nepokoncnem položaju, jo pred uporabo pustitePokonci približno 12 ur.
Pred prvo uporabo očistite police in notranjost z milnico. -
Ti koraki so ključni za zagotovitev ustreznegа odvajanja kondenza.
Delovanje
Basix navodila
Zanajboljserezultatevasenapraveupoostevejte tanavodila:
- Živila shranjujte v napravi šele, ko dosešejo pravilno delovn o temperato.
- Zagotovite, da so posode za GN vedno napolnjene, tudi ce so posode prazne ali niso v uporabi. Prazna lezišca bodo znatno zmanjsala učinkovitost naprave.
- Ko ni v uporabi, naj bodo vrata inPokrov vedno zaprta.
- V napravo ne postavljaje nepokritih vrocih zivil ali tekoacin.
- Kadar je le mogoče, hrano zavijte aliPokrijte.
- Ne blokirajte notranjih ventilatorjev naprave.
- Izogibajte se odprtim vratom dlje casa.
- Maksimalna nosilnost posamezne police je 20kg
- Živila je treba dati v posodo, preden jih postavite v omaro ali na polico. Neosredno odlaganje Živil v omaro ni dovoljeno.
- Ko v aparat vstavite mokro hrano/zeelenjavo, je normalno, da se na povrsini pojavi led (sneg).
Vklopite aparat
- Zaprite vrata naprave.
- Prepričajte se, da je stikalo za vklop v položaju [O] položaj, nato vklopite vtčnico.
- Preklopite napajanie na[1]. Prikazana bo trenutna notranja temperatura naprave.
- Termostat na nadzorni plosci bo utripal 3 minute, kar označuje zakasnitev proti kratkemu ciklu med zaustavitvijo in ponovnim zagonom kompresorja.
Odprit/zapritePokrov/predal

OPOZORILO!
- DrsnikPokrov nima zaklepnega mehanizma. Vedno se prepričajte, da jePokrov v napol odprtem položaju, preden ga poskuste odpreti.
Da preprecite poskodbe, predala ne vlecite cez njegov popolnama odprt položaj.
Pokrov aparata je mogoče nastaviti v več položajev:
- Ko jePokrov zaprt, ga potisnite nazaj v napol odprt položaj za delni dostop do pladnjev posode GN.
- DvignitePokrovnavzgorinNazaj,doklertecajvarno ne lezi v podpornirezi.
- DvignitePokrovdo konca navzgor in nazaj,da popolnoma razkrijete pladinje za posodo GN.
Nastavitev temperature in nadzorna plošča

1-Lucka za odmrzovanje
2-Lucka za delovanje kompresorja
3-Digitalni termostat
4- Tipka za programiranje (ni dostopna uporabniku) Izbirna tipka
5-Tipke za spreminjanje temperature
Glej nastavljeno tocko
- Na katko pritisnite in spustite SET tipko za prikaz nastavitvene tocke.
- Na kratko pritisnite in spustite SET znova pritisnite ali počakajte približno 5 sekund, da sezaslon vrne v normalno stanje.
Spremenite nastvljeno tocko
- DrziSET tipko za vec kot 2 sekundi, da spremenite nastavljeno vrednost.
- Prikazana bo trenutna nastavljena vrednost in simbol " ^ C " bo zaeel utripati.
- V 10 sekundah uporabite puščici GOR ali DOL, da prilagodite vrednost.
- Pritisnite tipko SET znova pritisnite ali počakajte 10 sekund, da shranite novo nastavljeno vrednost.
Ročno odtaljevanje
Ta oprema zahteva ročno odtaljevanje vsaj enkrat mesečno, sj nima funkcije samodejnega odmrzovanja.

OBVESTILO! Cikel odmrzovanja se zaene od trenutka, ko napravo prvic vklopite.
Način ročnegа odmržovanja aparata:
- Pritisnite in držite ODMRZOVANJE gumb za 5 sekund.
- Takoj se bo začel cikel odmrzovanja in zasvetila bo LED-lucka za odtaljevanje. Cikel bo trajal 20 minut.

OBVESTILO! Ce sprežite ročno odtaljevanje, boste ponastavili šavnik samodejnega odmrzovanja.
Naslednje samodejno otdaljevanje se bo zgodilo 12 ur po koncanem ciklu rocnega odmrzovanja.
Ciscenje in vzdhrzevanje
Redno vzdrrzevanje
- Pred cisicenjem izklopite aparat in ga izkljucite iz elektricnega omreza.
- Redno Čistite zunanjost in notranjost naprave.
- Enoto obrišite z vlažno krpo. Prepričajte se, da stikalo, nadzorna plošča, kabel in vtič ostanejo suhi.
- Ne uporabljaje abrazivnih cistilnih sredstev, saj lahko pustijo skodljive ostanke. Uporabljaje samo blago milnico.
- Tesnilo vrat očistite samo z vodo.
- Prepričajte se, da Čistilna voda ne pride v elektrěne componente.
- Naprave ne cistite z vodnim curkom.
- Po cischenju aparat vedno osušite z mehko krpo.
- Ne dovolite, da voda za Čišćenje teče skozi odtočno odprtino v posodo za izparevanje.
- Pri ciščenju zadnje strani naprav bodite previdni.
- Če so potrebna popravila, se posvetujte s kvalificiranim tehnikom ali serviserjem.
- Če bo naprava dlje ācasa nedejavna, obrnite stikalo v položaj OFF, ga izkljucite iz elektricnega omrežja, izpraznite hladilni del in ga temeljito očistite.
Posebno periodicno vzdhrzevanje

OBVESTILO! Naslednja navodila so namenjena USPOSOBLJENEMU OSEBJU.
- Obcasno očistite kondenzator z ustreznimi orodji, kot je sesalnik ali mehke krtace.
- Prepričajte se, da so vse elektrickne povezave varne in ne zrahljane.
- Preverite, ali termostat in senzor delujeta pravilno.
- Obcasno ciscenje kondenzatorja lahko pomaga podaljatsi ziviljenjsko dobo naprave.
- Priporočljivo je, da Čišćenje kondenzatorja izvede usposobljen tehnik ali agent.
- Ključ od elektricne omarice hranite izven doseg a otrok in nepooblašćenih uporabnikov.
- Ključ uporabite samo za odklepanje omarice.
- Obcasno izpraznite odtočno posodo, ki se nahaja pod enoto.
- Ko znova namešcate odočno posodo, se prepričajte, da je odočna cev pravilno namešcena nazaj v posodo.
Nega marmorja
- Pri ciscenju delovne ploše se izogibajte uporabi abrazivnih materialov ali ostrih detergentov. Namesto tega uporabite topo vodo z milom.
- Ne postavljaje vročih ali zamrzjenih predmetov neposredno na marmorno povrsino, da preprečite razpoke.
-
Takoj počistite razlitja, zlasti kisle tekocine, kot sta limonin suk ali kis.
-
Priporocljivo je, da uporabite desko za rezanje, da zmanjsate tveganje poskodb delovne ploche.
- Po cischenju povrsino temeljito osusite z mehko krpo.
Odstranjevanje rabljenih naprav
Embalaza je zasnovana za zašito naprave in njenih sestavnih delov med transportom in je izdelana iz materialov, ki jih je mogoče reciklirati. Prosimo, vrnite embalažo na uradno zbirno mesto za recikliranje, namesto da jo zavržete, da spodbudite ponovno uporabo materiala. Stare naprave vsebujejo materiale, ki jih je mogoče ponovno uporabiti, zato jih ne smete zavreči med gospodinjske ali kosovne odpadke.
Preden napravo zavržete, onemogocite morebitne ključavnice in, ce je mogoce, odstranite vrata. Če ima naprava vzmetne ali zapahe, jih odstranite ali onemogocite, da preprecite, da bi se otroci ujeli v notranjost.
Hladilni systemd vsebuje pline in hladilna sredstva, ki zahtevajo posebne metode odstranjevanja. Prepričajte se, da krogotok hladilnega sredstva ni poškodovan, preden ga zavržete. Z izbiro okolju prijaznih načinov odlaganja prispevate k varovanju okolja. Informacije o uporabljenem hladilnem sredstvu in izolacijskih materialiḥ najdete na nalepki z nazivnimi podatki naprave.
Za informaciye o datumih zbiranja ali lokacijah za odlaganje se obrnite na lokalne organe za odstranjevanje odpadkov ali lokalni svet. Simbol na izdelku ali embalazi pomeni, da ga ne smete zavreci med gospodinjske odpadke, ampak ga je treba odnosti v dolocen center za reciklaranje elektricne in elektronske opreme. Pravilno odlaganje pomaga preprecitimo bitno skodo okolju in zdravju ljudi zaradi nepravlnegra ravnanja z odpadki.
Za vec podrobnosti o reciklaranjte giza izdelka se obrnite na lokalni mestni urad, sluzbo za odstranjevanje opadkov ali prodajalca, kjer ste izdelek kopili.
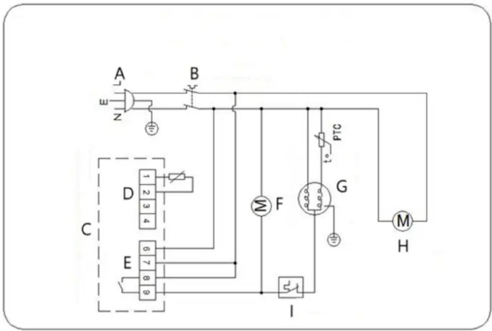
Elektricni diagram

A-Napajalni vtic
B-Stikalo za vklop
C- Regulator temperature
D-Soba
E-Napajanbe 230V 50-60Hz
F- Ventilator kondenzatorja
G-Kompresor
H- Ventilator uparjalnika
I-Za'scita pred preobrenitvijo
Odpravljanje težav
| Problem Možen | vzrok rešitev | |
| Aparat ne deluje | 1. Enota ni vklopljena | 1. Preverite, ali je enota pravilno priključena in vklopljena |
| 2. Vtič in kabel sta poškodovana | 2. Za pregledPokličite svojega agenta ali kvalificiranega tehnika | |
| 3. Varovalka v vtiču je pregorela | 3. Zamenjate varovalko (UK vtič) | |
| 4. Težave z napajanem | 4. Preverite napajanje | |
| 5. Okvara notranjega ožičenja | 5. Za pregledPokličite svojega agenta ali kvalificiranega tehnika | |
| Naprava je vljucena, vendar je temperatura previsoka/nizka | 1. Preveč ledu na uparjalniku | 1. Aparat odtalite |
| 2. Kondenzator je zamašen s prahom | 2. Za pregledPokličite svojega agenta ali kvalificiranega tehnika | |
| 3. Vrata niso pravilno zaphta | 3. Preverite, ali so vrata zaphta in ali tesnila niso poškodovana | |
| 4. Aparat je v blžini vira toplote ali pa je pretok zraka do kondenzatorja prekinjen | 4. Hladilnik premaknite na bolj primerno mesto | |
| 5. Temperatura okolja je previsoka | 5. Povečajte prezračevanje ali premaknite napravo v hladilnik | |
| 6. V napravi so shranjena neustreznaživila | 6. Odstranite vsa preveč vročaŽivila ali blokade ventilatorja | |
| 7. Aparat je preobremenjen | 7. Zmanjišajte količino hrane, shranjene v napravi | |
| Naprava proizvaja nenavadno visoko raven hrupa | 1. Zrahljana matica/vijak | 1. Preverite in privijte vse matice in vijake |
| 2. Naprava ni nameščena v vodoravnem ali stabilnem požăju | 2. Preverite položaj nameitve in ga po potrebi spremenite | |
| Naprava pušča vodo | 1. Naprava ni pravilno poravnana | 1. Prilagodite noge vijakov, da izravnate aparat (Če je na voljo) |
| 2. Izpustna odprtina je blokirana | 2. Očistite izpustno odprtino | |
| 3. Pretok vode v odtok je oviran | 3. Očistite tla naprave (Če obstaja) | |
| 4. Posoda za vodo je poškodovana | 4. Za pregledPokličite svojega agenta ali kvalificiranega tehnika | |
| 5. Pladenj za kapljanje je prepoln | 5. Z gobico izpraznite pladenj za kapljanje |
LahkaNavodila