RCST6DR240 - Kjøleskap Royal Catering - Gratis bruksanvisning og manual
Finn enhetens veiledning gratis RCST6DR240 Royal Catering i PDF-format.
Last ned instruksjonene for din Kjøleskap i PDF-format gratis! Finn veiledningen din RCST6DR240 - Royal Catering og ta den elektroniske enheten tilbake i hendene. På denne siden er alle dokumenter som er nødvendige for bruken av enheten din publisert. RCST6DR240 av merket Royal Catering.
BRUKSANVISNING RCST6DR240 Royal Catering
Produktet er designet til at sikre, at friske ingredienter er let tilgengelige til hurtig tilberedning. Den er ideel til drug i restauranter, hoteller, salatbarer og fdevarebutikker som f.eks. kebab- og falafelrestraunerter.
Rengring og vedligeholdelse
Rutinemaessig vedligeholdelse
Denne brukerhandboken er oversatt ved hjelp av maskinoversettelse. Vi har gjort vart yyterste for a sikre at oversettelsen er noyaktig, men vaer oppmerksom pa at automatiserte oversettelser ikke er perfekte og ikke er ment à erstatte menseskelige oversettere. Den offisielle versjonen av brukerhandboken er på engelsk. Eventuelle forskjeller mellom den oversatte versjonen og den originale engelske versjonen er ikke juridisk bindende. Hvis du har spørsmål om noyaktigheten av oversettelsen, vennligst se den engelske versjonen, som er den offisielle referansen. Flere språkversjoner er tilgengelig pa forssørsl via info@expondo.com.
Tekniske data
| Beskrivelse av parameter | Parameterverdi | |||||
| Produktnavn | Kjølebord med 2 dører | Kjølebord med 2 skuffer og 1 dør | Kjølebord med 4 skuffer | Kjølebord med 3 dører | Kjølebord med 2 skuffer og 2 dører | Kjølebord med 6 skuffer |
| Modell | RCST-2D240 | RCST-1D2DR240 | RCST-4DR230 | RCST-3D240 | RCST-2D2DR240 | RCST-6DR240 |
| Nominell spensing [V~] / frekvens [Hz] | 230 / 50 | |||||
| Nominell strøm [A] | 1 | 1.9 | ||||
| Klimaklasse | 4 | |||||
| Isolasjon som blåser gass | Syklopentan | |||||
| Kjølemiddel | R290/57g | R290/102g | ||||
| Dimensjoner [bredde * lenghte * høyde; mm] | 903*700*950 | 902*698*950 | 700*900*950 | 1369*70*951 | 1370*700*950 | 1370*700*950 |
| Vekt [kg] | 57.25 | 65.1 | 72.8 | 82.45 | 89.6 | |

Beskrivelse
Produktet er designet for a sikre at ferske ingredienser erlett tilgengelig for rask tilberedning. Den er ideell for bruk i restauranter, hoteller, salatbarer og matbutikker som kebab- og falafelbedrifter.
Brukeren er ansvarlig for skader som oppstår som følge av utilsiktet bruk av apparatet.
Installasjon
Installsjonsveiledning
- Pakk ut apparatet, og sorg for at all beskytende plastfilm og beegg er fullstendig fjernet fra alle overflater. For a forbhindre personskade, bør to personer handtere utpakking og opsett av apparatet.
- Oppretthold minst 20 cm (7 tomm) klaring mellom apparatet og nærliggende vegger erer gjenstanden for riktig ventilation. k ijke avstanden hisis obiectet er en varmekilde.
- Niva apparatet ved a justere skruefottene. Den bør plasseres pa en stabil, jevn overflate for a minimere vibracioner og stv.
- Temperaturen der apparatet er plassert bør vare mellom 10^ og 32^ . Unngå ä plassere den i direkte sollys eller iærheten av varmekilder som owner erller radiatorer.
- Sorg for at apparatet er skikkelig ventiliert.
- Kontroller at strømforsyningen og spennenignen på installationsstedet samsvarer med detaljene på merkelappen. Pluggen på vare tilgiengel erter installation.
- Koble til og fra stopselet pa riktig mate. Sorg for at stopselet er ordentlig satt inn. Hold i selve stopselet narn du trekker ut stopselet. Trekk aldri i ledningen direkte.
- Hvis apparatet skal stä ubrukt over en lengre期内e, slä det av, koble det fra strömkilden, rengjör det og la døren eller lokket stä apent for a unngå lukt.
- Viktig: Av hensyn til din sikkerhet违法犯罪
- Hvis strømledningen ikke næræmestre stikkontakt, på du enten omorganisere oppsettet eller på kvalifisert elektriker tilå installere en ny stikkontakt.
- Etter et strømbrudd, vent minst 3 minutter for du starter apparatet pa nytt for a unngå Å skade kompressoren.
- Ved oppbevaring av mat skal hver hylle ikke inneholde mer enn 40kg og gjenstander bør ikke strekke seg over hyllens fremre eller bakre kant.
Passer til hyllene/skuffene
- Installer et sett med hylleforinger på haver side av skapet i onsket hovyde.
- Skyv hyllen eller skuffen på plass.
- Gjenta prosessen for de resterende hyllene aller skuffene.

MERKNAD!
Hvis enheten har blitt lagret eller transportert i en化进程i sting, la den stop preist i ca. 12 timer forbruk.
Før forste gangs bruk, rengjør hyllene og interioret med sapevann.
Disse trinnene er avgjorende for a sikre riktig kondensdrenering.
Bruk
Basix instruksjoner
Følg disse instruksjonene for á fá de.best resultatene fra apparatet:
- Oppbevar maten først i apparatet nár den har nadd riktig driftstemperatur.
- Sorg for at GN-beholderrom alltid er fylt, selv om beholderne er tome ell er i bruk. Tomme rom vil redusere apparatets effektivitet betydelig.
- Hold alltid øren og lokket lukket nær de ikke er i bruk.
- Ikke plasser utildekket varm mat ellr vaeske innate i apparatet.
- Pakk inn erller dekk til mat när det er mulig.
- Ikke blokker de interne viftene til apparatet.
- Unngä a holde dorene apne i lengre perioder.
- Maksimal laskapasitet for hver hylle er 20kg
- Mat mä legges i en beholder för den settes inn i skapet ell er pa en hylle. Direkte plassering av mat i skapet er/DDke tillatt.
- När vátmat/grønnsaker legges i apparatet, er det normalt at detkommen is (snø) på overflaten.
Slå på apparatet
- Lukk apparatdoren(e).
- Sorg for at strømbryteren er i [0] posisjon, og slå deretter på kontakten.
- Sla strømmen til [I]. Den gjeldende interne temperaturen til apparatet vises.
- Termostaten på kontrollpanelet vil blinke i 3 minutter, noe som indikerer anti-kort syklusforsinkelse mellom kompressoren stopper og starter på nytt.
Apne/lukk lokket/skuffen

ADVARSEL!
Skyvelokket har ikke lasekanisme. Sorg alltid for at lokket er i halvapen stilling for du prover a apne det.
For a unnga skade ma du ici trekke skuffen utover den helt apne posisjonen.
Lokket pa apparatet kan justeres til flere posisjoner:
- Med lokket lukket, skyv det tilbake til halvapen stilling for delvis tilgang til GN-beholderbrettene.
- Loft lokket oppover og bakover til hengslet hviler sikkert i stottesporet.
- Loft lokket helt opp og tilbake for a eksponere GN-beholderbrettene helt.
Temperaturinnstilling og kontrollpanel

1-Tiningslys
2-Kompressor driftslys
3-Digital termostat
4-Programmeringsnokkel (ikke tilgengelig for brukeren) Valgtast
5-Taster for temperaturmodifisering
Se settpunktet
- Kort trykk og slipp fəsī vise settpunktet.
- Kort trykk og slippSET tasten igjen aller vent ca. 5 sekunder til displayet gär tilbake til det normale.
Endre settpunktet
- Hold SET tasten i mer enn 2 sekunder for Å endre innstillingsverdien.
- Gjeldende settpunktverdi vil vises, og " ℃ "symbolet begyinner Å blinke.
- Bruk OPP-ller NED-pilene innen 10 sekunder for a justere verdien.
- Trykk paa SET tasten igjen, ell er vent 10 sekunder, for a lagre den nye settpunktverdien.
Manuell avriming
Dette utstyret krever manuell avriming minst en gang i maneden, da det ikke har en automatisk avrimingsfunksjon.

MERKNAD! Avrimingssyklusen starter fra det øyeblinkket apparatet slas pa for forste gang.
Metode for a tine apparatet manuelt:
- Trykk og hold nede OPTINING knppen i 5 sekunder.
- Avrimingssyklusen starter umiddelbart, og LED-lampen for avriming vil lyse. Syklusen vil gä i 20 minutter.

MERKNAD! Å starte en manuell avriming vil nullstille den automatiske avrimingstimeren. Den nests te katiste avrimingen vil skje 12 timer etter at den manuelle avrimingssyklusen er fullført.
Rengjøring og vedlikehold
Rutinemessig vedlikehold
- Slä av og koble apparatet fra strømforsyningen før rengjöring.
- Rengjørjevnligbadeutsidenoginnidenavapparatet.
- Tørk av encheten med en fuktig klut. Sørg for at bryteren, kontrollpanelet, kabelen og pluggen forblir tøre.
- Ikke bruk skurende rengjoringsmidler, da de kan etterlate skadelige rester. Bruk kun mildt sapevann.
- Rengjor drpakningen kun med vann.
- Sorg for at det/DDke kommer rengjoringsvann inn i de elektriske komponentene.
- Ikke rengjør apparatet med vannstråle.
- Etter rengjoring, tork alltid apparatet med en myk klut.
- Unngà à la rengjöringsvann renne gjennom dreneringshullet inn i fordampningspannen.
- Vær forsiktig nár du rengjør baksiden av apparatet.
- Hvis det er behov for reparasjoner, kontakt en kualifisert tekniker eller serviceagent.
- Hvis apparatet skal vare inaktiv i en lengre期内, vri bryteren til AV-posisjon, koble fra stopselet, tøm kjolerommet og rengjør grundig.
MERKNAD! Følgende instruksjoner er beregnet på KOMPLETT PERSONAL.
- Rengjør kondensatoren med javne mellomrom med passende verktøy, for eksempel en støvsuger ell myke børster.
- Sorg for at alle elektriske tilkoblinger er sikre og sekse.
- Kontroller at termostaten og sensoren fungerer som de skal.
- Regelmessig rengjöring av kondensatoren kan bidra til á forlenge levetiden til apparatet.
- Det anbefales at en kualifisert tekniker ull agent utforer kondensatorrengjringen.
- Nokkelen til det elektriske skapet skal oppbevarres utilgengelig for barn og uautoriserte brukere.
- Bruk nokkelen kun for a lase opp skapet.
- Tøm avløpsbeholderen under encheten med javne mellomrom.
- Nár du setter på plass avløpsbeholderen, sorg for at avløpsslangen er riktig plassert tilbake i pannen.
Marmorpleie
- Unngå Å bruke slipende materialer eller sterke rengjøringsmidler nár du rengjør benkeplaten. Bruk varmt sapevann i stedet.
- Ikke plasser varme eller frosne gjenstander direkte pa marmoroverflaten for a forbindre sprekker.
- Rydd opp səl umiddelbart, spesielt sure væsker som sitronsaft ell er eddk.
- Det anbefales à bruke et skjærebrett for a minimere risikoen for skade pa benkeplaten.
- Etter rengjoring, tork overflaten grundig med en myk klut.
Kassering av brukte enheter
Emballasjen er laget for a beskytte apparatet og dets komponenter under transport og er laget av resirkulberbare materialer. Vennligst returner emballasjen til et offisielt innsamlingssted for resirkulering, i stedet for a kaste den, for a fremme gjenbruk av materiaie. Gamle apparater inneholder gjenbrukbare materialer og skal ikke kastesammen med husholdningsavfall eller bulkavfall.
Kjølesystemetinneholder gasser og kuldemedier som krever spesielle avhendingsmetoder. Sorg for at kjolemediekretsen ikke er skadet før avhending.Ved ä velge miljoansvarlige avhendingsmetoder bidrar du til miljovern.Informasjon om kjolemediet og isolasjonsmaterialene som brukes finner du pa apparatets merkelapp.
For informasjon om innsamlingsdatoer eller deponeringssteder, kontakt lokale renovasjonsmyndigheter eller ditt lokale råd. Symbolet på produit etller emballasjen indikerer at det ikke kastes som husholdningsavfall, men skal leveres til et utpekt gjenvinningssenter for elektrisk og elektronisk utstyr. Riktig avhending bidrar til Å forbhindre potensiell skade på miljøet og mensneskers helse på grunn av feil avfallshandtering.
For mer informasjon om resirkulering av dette produktet, kontakt ditt lokale bykontor, renovasjonstjenesten erler forhandleren der Produktet ble kjopt.
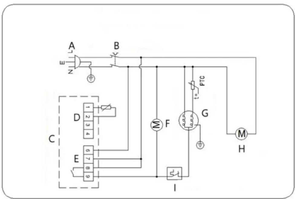
Elektrisk diagram

Løsning av problemer
| Problem Mulig ársak Løsning | ||
| Apparatet fungerer ikke | 1. Enheten er/DD slätt på | 1. Sjekk om encheten er riktig plugget inn og slätt på |
| 2. Støpselet og ledningen er skadet | 2. Ring din agent eller en kvalifisert tekniker for en inspeksjon | |
| 3. Sikringen i støpselet har gätt | 3. Skift ut sikringen (UK plugg) | |
| 4. Problemer med strømforsyning | 4. Sjekk strømforsyningen | |
| 5. Intern ledningsfeil | 5. Ring din agent eller en kvalifisert tekniker for en inspeksjon | |
| Apparatet er på, men temperaturen er for høy/lav | 1. For mye is på fordamperen | 1. Tin apparatet |
| 2. Kondensator blokkert med støv | 2. Ring din agent eller en kvalifisert tekniker for en inspeksjon | |
| 3. Dørene er/DD ordentlig lukket | 3. Sjekk at ørene er lukket, og at tetningene ikke er skadet | |
| 4. Apparatet er plassert nær en varmekilde eller luftstrømmen til kondensatoren blir avbrutt | 4. Flytt kjøleskapet til et mer passende sted | |
| 5. Omgivelsestemperaturen er for høy | 5. Øk ventilasjonen aller flytt apparatet til en kjøler | |
| 6. Uegnede matvarer lagres i apparatet | 6. Fjern overdREVEN varme matvarer uller blokkeringer til vften | |
| 7. Apparatet er overbelastet | 7. Reduser mengden mat som er lagret i apparatet | |
| Apparatet produserer et uvanlig høyt støynivå | 1. Løs mutter/skrue | 1. Kontroller og stram alle muttere og skruer |
| 2. Apparatet er/DD installiert i en jevn uller stabil posisjon | 2. Kontroller installationsposisjenon og endre den om nødvendig | |
| Apparatet lekker vann | 1. Apparatet er/DD korrekt nivellert | 1. Juster skrueføttene for Å nivellere apparatet (hvis aktuelt) |
| 2. Utløpet er blokkert | 2. Tøm utløpet | |
| 3. Vannbevegelsen til avløpet er hindret | 3. Rydd gulvet i apparatet (hvis aktuelt) | |
| 4. Vannbeholderen er skadet | 4. Ring din agent eller en kvalifisert tekniker for en inspeksjon | |
| 5. Dryppbrettet renner over | 5. Tøm dryppskålen med en svamp | |

EnkelManual