RCST6DR240 - Kühlschrank Royal Catering - Kostenlose Bedienungsanleitung
Finden Sie kostenlos die Bedienungsanleitung des Geräts RCST6DR240 Royal Catering als PDF.
Laden Sie die Anleitung für Ihr Kühlschrank kostenlos im PDF-Format! Finden Sie Ihr Handbuch RCST6DR240 - Royal Catering und nehmen Sie Ihr elektronisches Gerät wieder in die Hand. Auf dieser Seite sind alle Dokumente veröffentlicht, die für die Verwendung Ihres Geräts notwendig sind. RCST6DR240 von der Marke Royal Catering.
BEDIENUNGSANLEITUNG RCST6DR240 Royal Catering
Dieses Benutzerhandbuch wurde mit Hilfe einer maschinellen Übersetzung erstellt. Wir haben uns nach Kräften bemührt, die Genaugigkeit der Übersetzung zu gewährleisten.itte beachten Sie jedoch, dass automatische Übersetzungen nicht perfekt sind und menschliche Übersetzer nicht ersetzen konnen. Die offizielle Version des Benutzerhandbuchs ist in Englisch. Etwaige Unterschiede zwischen der übersetzten Fassung und dem englishen Original sindrechtlich nicht bindend. Sollten Sie Fragen zurichtigkeit der Übersetzung haben, beziehen Sie sichitte auf die englische Version, die die offizielle Referenz ist. Weitere Sprachversionen sind auf Anfrage über info@expondo.com erhältlich.
Technische Daten
| Beschreibung des Parameters | Parameterwert | |||||
| Produktname | Kältetisch mit 2 Türen | Kühltisch mit 2 Schubladen und 1 Tür | Kältetisch mit 4 Schubladen | Kältetisch mit 3 Türen | Kühletisch mit 2 Schubladen und 2 Türen | Kühletisch mit 6 Schubladen |
| Modell | RCST-2D240 | RCST-1D2DR240 | RCST-4DR230 | RCST-3D240 | RCST-2D2DR240 | RCST-6DR240 |
| Nennspannung [V~] / Frequenz [Hz] | 230 / 50 | |||||
| Nennstrom [A] 1,9 | ||||||
| Klimaklasse | 4 | |||||
| Gas zum Einblasen von Dämmstoffen | Cyclopentan | |||||
| Kühlmittel | R290/57g | R290/102g | ||||
| Abmessungen [Breite * Länge * Höhe; mm] | 903*700*950 | 902*698*950 | 700*900*950 | 1369*70*951 | 1370*700*950 | 1370*700*950 |
| Gewicht | [kg] | 57,25 | 65,1 | 72,8 | 82,45 | |
Beschreibung des Geräts

Das Produkt ist so konzipiert, dass frische Zutaten für eine schnelle Zubereitung sofort verfügbar sind. Er ist ideal für den Einsatz in Restaurants, Hotels, Salatbars und Lebensmittelgeschäften wie Kebab- und Falafel-Laden.
Der Benutzer haftet für alle Schäden, die durch eine nicht bestimmungsgemäß Verwendung des Geräts entstehen.
Einrichtung
Anweisungen zum Einbau
-
Packen Sie das Gerät aus und stellen Sie safer, dass alle Schutzfolien und Beschichtungen vollständig von allen Oberflächen entfernt sind. Um Verletzungen oder Schäden zu vermeiden, sollen den zwei Personen das Auspacken und Aufstellen des Geräts übernehmen.
-
Halten Sie einen Abstand von mindestens 20 cm zwischen dem Gerät und nahe gelegen den Wänden oder Gegenständen ein, um eine gute Belüftung zu gewährleisten. Vergroßern Sie diesen Abstand, wenn das Objekt eine Wärmequelle ist.
-
Nivellieren Sie das Gerät durch Verstellen der Schraubfübe. Das Gerät sollte auf einer stabilen, ebenen Fläche aufgestellt werden, um Vibrationen und Lärn zu minimieren.
-
Die Temperatur am Aufstellungsort des Geräts sollte zwischen 10^ und 32^ liegen. Vermeiden Sie es, das Gerät in direktem Sonnenlicht oder in der Höhe von Wärmequellen wie Öfen oder Heizkörpern aufzustellen.
-
Stellen Sie sicher, dass das Gerät gut beluftet ist.
-
Überprüfen Sie, ob die Stromversorgung und die Spannung am Installationsort mit den Angaben auf dem Typenschild übereinstimmen. Der Stecker muss nach dem Einbau zugänglich bleiben.
-
Schlieben Sie den Stecker richtig an undziehen Sie ihn ab. Vergewissern Sie sich, dass der Stecker fest eingesteckt ist. Halten Sie beim Herausziehen des Steckers den Stecker selbst fest. Ziehen Sie niemals direkt an der Schnur.
-
Wenn das Gerät langere Zeit nicht benutzt wird, schalten Sie es aus, trennen Sie es von der Stromquelle, reinigen Sie es und halten Sie die Tur oder den Deckel offen, um Gerüche zu vermeiden.
- Wichtig! Zu ihrer Sicherheit muss das Gerät ordnungsgemäß geerdet sein.
Das Gerät ist mit einem Erdungskabel und einem Stecker ausgestattet, die an eine ordnungsgemäß geerdete Steckdose angeschlossen werden müssen. Wenn Sie sich bezüglich der Erdung unsicher sind, wenden Sie sich an einen qualifizierten Elektriker oder eine Kundendienstelle.
- Wenn das Netzkabel nicht bis zur nachstgelegen den Steckdose reicht, ordnen Sie entweder ihre Einrichtung neu an oder halten Sie einen qualifizierten Elektriker eine neue Steckdose installieren.
- Warten Sie nach einem Stromausfall mindestens 3 Minuten, bevor Sie das Gerät wieder einschalten, um eine Beschädigung des Kompressors zu vermeiden.
- Bei der Lagerung von Lebensmitteln sollte jeder Regal nicht mehr als 40kg (88 lbs) fassen, und die Gegenstände sollenn nicht über die Vorder- oder Hinterkante des Regals hinausragen.
Einsetzen der Regale/Schubladen
- Bringen Sie auf jeder Seite des Schranks einen Satz Regalführungen in der gewündsten Höhe an.
- Schieberen Sie das Regal oder die Schublade in die richtige Position.
- Wiederholen Sie den Vorgang für die übrigen Regale oder Schubladen.

HINWEIS!
- Wenn das Gerät nicht aufrecht gelagert oder transportiert wurde, setzen Sie es vor der Inbetriebnahme etwa 12 Stunden lang aufrecht stehen.
Reinigen Sie die Einlegeboden und den Innenaum vor dem ersten Gebrauch mit Seifenwasser. - These Schritte sind wichtig, um einen ordnungsgemäßen Kondenswasserabfluss zu gewährleisten.
Tätigkeit
Basix-Anweisungen
Um die besten Ergebnisse mit Ihr Gemäß zu erzielen, befolgen Sieitte these Anweisungen:
- Bewahren Sie Lebensmittel erst im Gerät auf, wenn sie die richtige Betriebstemperatur erreicht haben.
- Achten Sie darauf, dass die GN-Behälterpläte immer gefüllt sind, auch wenn die Behälter leer oder nicht in Gebrauch sind. Leere Fächer verringern die Effizienz des Geräts erheblich.
- Lassen Sie die Tur und den Deckel immer geschlossen, wenn sie nicht benutzt werden.
- Stellen Sie keine unverschlossenenheiten Lebensmittel oder Flüssigkeiten in das Innere des Geräts.
- Verpacken oder bedecken Sie Lebensmittel wann immer möglich.
- Blockieren Sie nicht die internen Ventilatoren des Geräts.
- Vermeiden Sie es, die Turen für längerere Zeit offen zu halten.
- Die maximale Tragfähigkeit eines Fachbodens beträgt 20kg
-
Lebensmittel müssen in einem Behälter aufbewahrt werden, bevor sie in den Schrank oder in ein Regal gestellt werden. Das direkte Einlagen von Lebensmitteln in den Schrank ist nicht erlaubt.
-
Wenn Nassfutter/Gemüse in das Gerät gegeben wird, ist es normal, dass sich Eis (Schnee) auf der Oberfläche bildet.
Schalten Sie das Gerät ein
- Schlieben Sie die Geräte tür(en).
- Vergewissern Sie sich, dass sich der Netzschalter in der Position [O] befindet, und schalten Sie die Steckdose ein.
- Schalten Sie den Strom auf [I]. Es wird die aktuelle Innentemperatur des Geräts angezeigt.
- Der Thermostat auf dem Bedienfeld blinkt 3 Minuten lang und zeigt damit die Verzogung zwischen dem Abschalten und Wiedereinschalten des Kompressors an.
Öffnen/Schlieben des Deckels/der Schublade

WARNING:
- Der Schiebedeckel hat keinen Verriegelungsmechanismus. Vergewissen Sie sich immer, dass der Deckel halb geöffnet ist, bevor Sie versuchen,ihn zu öffnen.
Um Verletzungen zu vermeiden,ziehen Sie die Schublade nicht über ihre vollständig geoffene Position hinaus.
Der Deckel des Geräts kann in mehrere Positionen eingestellt werden:
- Schieben Sie den Deckel bei geschlossen Zustand in die halboffene Position zusück, um einen Teilweisen Zugang zu den GN-Behälterfächern zu erhalten.
- Heben Sie den Deckel nach oben und darüber, bis das Scharnier sichere in der Halterung sitzt.
- Heben Sie den Deckel vollständig nach oben und halten, um die GN-Behalterschalen vollständig freizulegen.
Temperatureinstellung und Bedienfeld

1- Abtaulicht
2-Betriebsleuche des Kompressors
3-Digitaler Thermostat
4-Programmiertaste (fur den Benutzer nicht zuganglich) Auswahltaste
5-Tasten zur Änderung der Temperatur
Siehe den Sollwert
- Drücken Sie kurz die Taste SET und setzen Sie sie wieder los, um den Sollwert anzuzeigen.
- Drücken Sie erneut kurz die Taste SET oder warten Sie ca. 5 Sekunden, bis das Display wieder normal angezeigt wird.
Ändern Sie den Sollwert
- Halten Sie die Taste SET für mehr als 2 Sekunden gedrückt, um den Sollwert zu ändern.
- Der aktuelle Sollwert wird angezeigt, und das Symbol"°C" beginnt zu blinken.
- Verwenden Sie die Pfeiltasten AUF oder AB innerhalb von 10 Sekunden, um den Wert einzustellen.
- Drucken Sie erneut die Taste SET, oder warten Sie 10 Sekunden, um den neuen Sollwert zu speichern.
Manuelle Abtauung
Dieses Gerät muss mindestens einmal im Monat manuell abgetaut werden, da es nicht über eine automatische Abtaufunktion verfügbar.

HINWEIS! Der Abtauzyklus beginnt mit dem ersten Einsatzen des Geräts.
Methode zum manuellen Abtauen des Geräts:
- Drücken Sie die Taste DEFROST und halten Sie sie 5 Sekunden lang gedrückt.
- Der Abtauzyklus beginnt sofort, und die Abtau-LED leuchtet auf. Der Zyklus lauft 20 Minuten lang.

HINWEIS! Wenn Sie eine manuelle Abtauung einleiten, wird der automatische Abtauu-Timer
zurückgesetzt. Die{nachste automatische Abtauung erfolgt 12 Stunden nach Abschluss des manuellen Abtauzyklus.
Reinigung und Wartung
Routinemäßige Wartung
- Schalten Sie das Gerät vor der Reinigung aus und trennen Sie es vom Stromnetz.
- Reinigen Sie das Gerät regelmäßig von außen undinnen.
- Wischen Sie das Gerät mit einem feuchten Tuch ab. Achten Sie darauf, dass der Schalter, das Bedienfeld, das Kabel und der Stecker trocken bleiben.
- Verwenden Sie keine sicheurnden Reinigungsmittel, da diese schädliche Rückstände hinterlassen können. Verwenden Sie nur milde Seifenlauge.
- Reinigen Sie die Turdichtung nur mit Wasser.
- Achten Sie darauf, dass kein Reinigungswasser in die elektrischen Bauteile gelangt.
- Reinigen Sie das Gerät nicht mit einem Wasserstrahl.
- Trocknen Sie das Gerät nach der Reinigung immer mit einem weichen Tuch ab.
- Vermeiden Sie, dass Reinigungswasser durch das Abflussloch in die Verdunstungswanne lauft.
-
Seien Sie vorsichtig, wenn Sie die Rückseite des Geräts reinigen.
-
Wenden Sie sich im Falle einer Reparatur an einen qualifizierten Techniker oder einen Kundendienstmitarbeiter.
- Wenn das Gerät langere Zeit nicht benutzt wird, schalten Sie den Schalter auf AUS, ziehen Sie den Netzstecker, leeren Sie das Kühlfach und reinigen Sie es gründlich.
Besondere periodische Wartung

HINWEIS! Die folgenden Anweisungen sind für FACHKRAFTE gedacht.
- Reinigen Sie den Kondensator regelmäß mit geeigneten Werkzeugen, z. B. einem Staubsauger oder weichen Bürsten.
- Vergewissern Sie sich, dass alle elektrischen Anschlüsse safer und nicht lose sind.
- Prufen Sie, ob der Thermostat und der Fuhler richtig Funktionieren.
- Eine regelmäßige Reinigung des Verflüssigers kann die Lebensdauer des Geräts verlangern.
- Es wird empfohlen, die Reinigung des Verflüssigers von einem qualifizierten Techniker oder Vertreter durchführten zu halten.
- Der Schlüssel zum Schaltschrank sollte außerhalb der Reichweite von Kindern und unbefugten Benutzern aufbewahrt werden.
- Benutzen Sie den Schlüssel nur zum Aufschlieben des Schrankes.
- Leeren Sie regelmäßig die Auffangwanne unter dem Gerät.
- Achten Sie beim Wiedereinbau der Abflusswanne darauf, dass der Abflussschlauch richtig in die Wanne zurückgeführrt wird.
Pflege von Marmor
- Vermeiden Sie die Verwendung von Scheuermitteln oder scharfen Reinigungsmitteln bei der Reinigung der Arbeitsfläche. Verwenden Sie stattdessen warmes, seifiges Wasser.
- Stellen Sie keine bereits oder gefrorenen Gegenstände direkt auf die Marmoroberfläche, um Risse zu vermeiden.
- Wischen Sie verschüttete Flüssigkeiten sofort auf, insbesondere säurehaltige Flüssigkeiten wie Zitronensaat oder Essig.
- Es wird empfohlen, ein Schneidebrett zu verwenden, um das Risiko einer Beschädigung der Arbeitsplatte zu minimieren.
- Trocknen Sie die Oberfläche nach der Reinigung gründlich mit einem weichen Tuch ab.
Entsorgung von Altgeräten
Die Verpackung ist so konzipiert, dass sie das Gerät und seine Komponenten während des Transports schützt und aus recyclabaren Materialien besteht.itte geben Sie die Verpackung bei einer offiziellen Sammelstelle zum Recycling ab, anstatt sie wegzuwerfen, um die Wiederverwendung des Materials zu fordern. Altgeräte enthalten wiederverwendbare Materialien und sollenn nicht über den Haus- oder Sperrmull entsorgt werden.
Bevor Sie das Gerät entsorgen, machen Sie alle Schlösser unbrauchbar und entfernen Sie, wenn möglich, die Tur(en). Wenn das Gerät über Feder- oder Riegelverschlüsse verfügt, entfernen oder deaktivieren Sie diese, um zu verhindern, dass sich Kinder darin verfangen.
Das Kühlsystem enthalt Gase und Kältemittel, die besondere Entsorgungsmethoden erfordern. Stellen Sie vor der Entsorgung safer, dass der Kältemittelkreislauf nicht beschädigt ist. Durch die Wahl umweltverträglicher Entsorgungsmethoden leisten Sie einen Beitrag zum Schutz der Umwelt. Informationen über das verwendete Kältemittel und die Isoliermaterialien finden Sie auf dem Typenschild des Geräts.
Informationen über Abholtermine oder Entsorgungsstandorte erhalten Sie bei den örtlichen Abfallentsorgungsbehörden oder bei ihrer Gemeindeverwaltung. Das Symbol auf dem Produkt oder der Verpackung weist darauf aufhin, dass es nicht über den Hausmüll entsorgt werden darf, sondern bei einer ausgewiesenen Recyclungstelle für elektrische und elektronische Geräte abgegeben werden muss. Eine ordnungsgemäß Entsorgungträgt dazu bei, mögliche Schäden für die Umwelt und die menschliche Gesundheit aufgrund unsachgemäßer Abfallbehandlung zu vermeiden.
Weitere Informationen zum Recycling diesen Produkts erhalten Sie bei ihrer Stadtverwaltung, einem Entsorgungsunternehmen oder dem Handler, bei dem Sie das Produkt erworben haben.
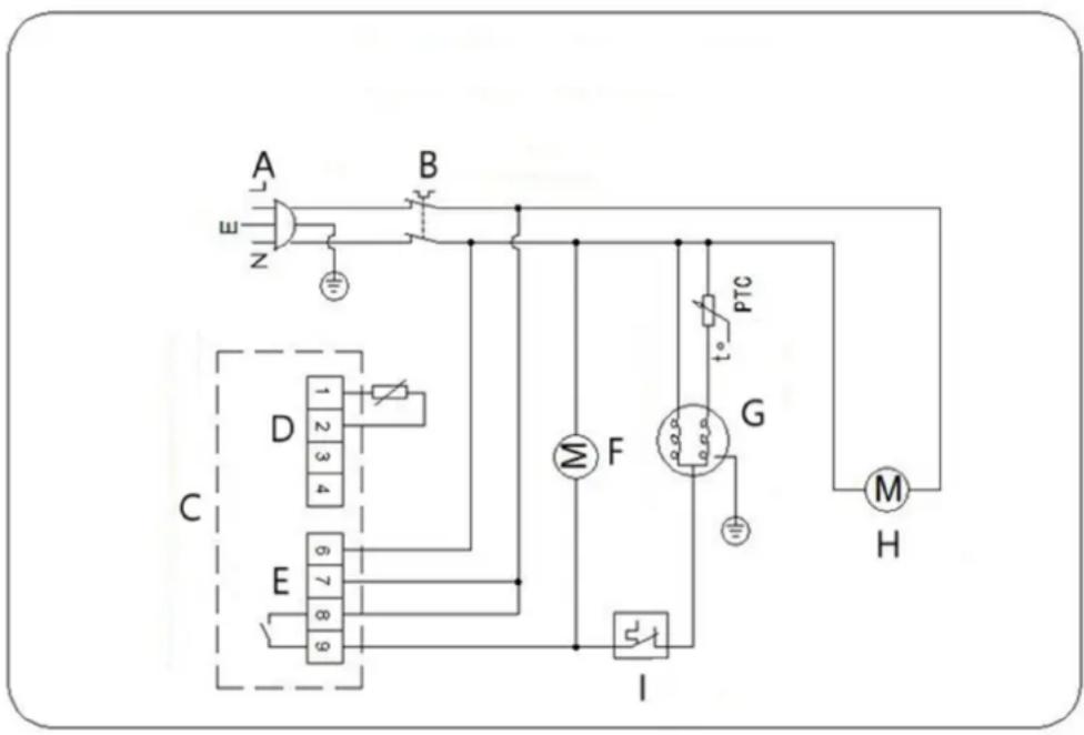
Elektrischer Schaltplan

A-Netzstecker
B-Netzschalter
C- Temperaturkontrolle
D-Zimmer
E-Versorgung 230V 50-60Hz
F- Verflüssiger-Lüfter
G-Kompressor
H- Verdampferlufter
I- Überlastungsschutz
Fehlerbehebung
| Fehler Mögliche | Ursache Abhilfe | |
| Das Gerätkonfektioniert nicht | 1. Das Gerät ist nicht eingeschelt | 1. Prüfen Sie, ob das Gerät richtig eingesteckt und eingeschelt ist. |
| 2. Der Stecker und das Kabel sind beschädigt | 2. Rufen Sie ihren Vertreter oder einen qualifizierten Techniker für eine Inspektion an | |
| 3. Die Sicherung im Stecker ist durchgebrannt | 3. Ersetzen Sie die Sicherung (UK-Stecker) | |
| 4. Probleme mit der Stromversorgung | 4. Prüfen Sie die Stromzufuhr | |
| 5. Interner Verdraughtungsfehler | 5. Rufen Sie ihren Vertreter oder einen qualifizierten Techniker für eine Inspektion an | |
| Das Gerät ist eingeschaltet, aber die Temperatur ist zu hoch/niedrig | 1. Zu viel Eis auf dem Verdampfer | 1. Gerät abtauen |
| 2. Verflüssiger mit Staub verstopft | 2. Rufen Sie ihren Vertreter oder einen qualifizierten Techniker für eine Inspektion an | |
| 3. Die Turen sind nicht richtig geschlossen | 3. Prüfen Sie, ob die Turen geschlossen und die Dichtungen nicht beschädigt sind. | |
| 4. Das Gerät befindet sich in der ähnlicher Wärmequelle oder der Luftstrom zum Verflüssiger wird unterbrochen | 4. Stellen Sie den Kühlschrank an einen geeigneteren Ort | |
| 5. Die Umgebungstemperatur ist zu hoch | 5. Erhöhen Sie die Belüftung oder stellen Sie das Gerät an einen kühleren Ort. | |
| 6. Es werden ungeeignete Lebensmittel im Gerät gelagert | 6. Entfernen Sie übermöig heiße Lebensmittel oder Verstopfungen des Lüften | |
| 7. Das Gerät ist überlastet | 7. Reduzieren Sie die Menge der im Gerät gelagerten Lebensmittel | |
| Das Gerät erzeugt einen ungewöhnlich hohen Geräuschpegel | 1. Lose Mutter/Schraube | 1. Alle Muttern und Schrauben prüfen und festziehen |
| 2. Das Gerät wurde nicht in einer ebenen oder stabilen Position installiert | 2. Überprüfen Sie die Einbaulage und ändern Sie sie gegebenenfalls | |
| Aus dem Gerätritt Wasser aus | 1. Das Gerät ist nicht richtig nivelliert | 1. Stellen Sie die Schraubfüffe ein, um das Gerät zu nivellieren (falls zutreffend) |
| 2. Der Auslass ist verstopft | 2. Den Auslass freimachen | |
| 3. Der Wasserabfluss zum Abfluss istephardert | 3. Machen Sie den Boden des Geräts frei (falls zutreffend) | |
| 4. Der Wasserbehälter ist beschädigt | 4. Rufen Sie ihren Vertreter oder einen qualifizierten Techniker für eine Inspektion an | |
| 5. Die Tropfschale lauft über | 5. Leeren Sie die Tropfschale mit einem Schwamm aus. |

Otworz/zamknijPokrywe/szuflade

OSTRZEJEZENIE:
Description de l'ordinateil

Entretien der routine
Se indstellingspunktet
Rutinmässigt unterhäll
UMWELT-UNDENTSORGUNGSHINWEISE
Hersteller an Verbraucher
Sehr geehrte Damen und Herren,
gebrauchte Elektro - und Elektronikgeräte dürfen gemäß europäischer Vorgaben [1] nicht zum unsortingen Siedlungsabfall gegeben werden, sondern müssen getrennt erfasst werden. Das Symbol der Abfalltonne auf Rädern weist auf die Notwendigkeit der getrennten Sammlung hin. Helfen auch Sie mit beim Umweltschutz. Sorgen Sie dazu, diesen Gerät, wenn Sie es nicht mehr weiter nutzen wollen, in die hierfür vorgesehenen Systeme der Getrenntsammlung zu geben.

In Deutschland sind Sie gesetzlich [2] verpflichtet, ein Altgerät einer vom unsortingen Siedlungsabfall getrennten Erfassung zuzuführen. Die öffentlich - rechtlichen Entsorgungsträger (Kommunen) haben hierzu Sammelstellen eingerichtet, an denen Altgeräte aus privaten Haushalten ihres Gebietes für Sie kostenfrei entgegenommen werden. Möglicherweise holen die rechtlichen Entsorgungsträger die Altgeräte auch bei den privaten Haushalten ab.
Bitte informieren Sie sich über ihren lokalen Abfallkalender oder bei ihrer Stadt - oder Gemeindeverwaltung uber die in ihrem Gebiet zur Verfugung stehenden Möglichkeit der Rückgabe oder Sammlung von Altgeräten.
[1] RICHTLINIE 2002/96/EG DES EUROPÄISCHEN PARLAMENTS UND DES RATES
ÜBER ELEKTRO - UND ELEKTRONIK - ALTGERÄTE
[2] Gesetz über das Inverkehrbringen, die Rücknahme und die umweltverträgeliche Entsorgung von Elektro - und Elektronikgeräten (Elektro - und Elektronikergesetz - ElektroG).
EinfachAnleitung