RCST6DR240 - Frigider Royal Catering - Manual de utilizare gratuit
Găsiți gratuit manualul dispozitivului RCST6DR240 Royal Catering în format PDF.
Descărcați instrucțiunile pentru Frigider în format PDF gratuit! Găsiți manualul dvs. RCST6DR240 - Royal Catering și luați din nou în mână dispozitivul dvs. electronic. Pe această pagină sunt publicate toate documentele necesare pentru utilizarea dispozitivului dvs. RCST6DR240 mărcii Royal Catering.
MANUAL DE UTILIZARE RCST6DR240 Royal Catering
Acest manual de'utilizare a fost tradus folosind traducerea automata. Am depus toate eforturile pentru a ne asigura că traducerea este exactă, dar va rugămă rețineți că traducerile automate nu sunt perfecteși nu sunt meniteși inlocuiasca traducături umani. Versiunea oficială a manualului de UTILIZARE este in limba ingleză. Orice diferență intre versiunea tradusăși versiunea originală in limba ingleză nu este obligatorie din punct de vedere juridic. Dacă aveți intrebări despree acuratețea traducerii, va rugămă sa consulțati versiunea in limba ingleză, care este referinta oficială. Mai multe versiuni lingvistice sunt disponibile la cerere prin info@expondo.com.
Date tehnice
| Descrierea parametrilor | Valoarea parametrului | |||||
| Numele produsului | Masa frigorifica cu 2 usi | Masa frigorifica cu 2 sertare si 1 usa | Masa frigorifica cu 4 sertare | Masa frigorifica cu 3 usi | Masa frigorifica cu 2 sertare si 2 usi | Masa frigorifica cu 6 sertare |
| Model | RCST-2D240 | RCST-1D2DR240 | RCST-4DR230 | RCST-3D240 | RCST-2D2DR240 | RCST-6DR240 |
| Tensiune nominale \( [V^{\sim}] \)/ freventaţă \( [Hz] \) | 230 / 50 | |||||
| Current nominal [A] | 1 | 1,9 | ||||
| Clasa de clima 4 | ||||||
| Gaz de izolataie | Ciclopentan | |||||
| Agent frigorific R290/57g R290/102g | ||||||
| Dimensiuni [latime * lungime * inaltime; mm] | 903*700*950 | 902*698*950 | 700*900*950 | 1369*70*951 | 1370*700*950 | 1370*700*950 |
| Greutate | [kg] | 57,25 | 65,1 | 72,8 | 82,45 | |
Descriere

Produsul este conceput pentru a se asigura că ingredientele proaspete sunt uşor disponibile pentru preparare rapida. Este ideal pentru UTILIZARE IN Restaurante, hoteluri, baruri de saluteși magazine alimentare, cum ar fi unitățile de kebabși falafel.
Utilizatorul este responsabil pentru orice daune rezultate din utilizarea neintentionata a disponivului.
Instalare
Instructiuni de instalare
- Despachetai aparatul, asigurandu-va cai toate folile si acoperirile de plastic de protecie sunt complet indepartate de pe toate supafetele. Pentru a preveni ranirea sau deteriorarea, doua persone ar trebui sae ocupe de despachetarea si instalarea aparatului.
- Păstrați un spațiu liber de cel putin 20 cm (7 inchi) în aparatși pereții sau obiectele din apropiere pentru o ventilatie adecovata. Măriti această distanță dacă obiectul este o sursă de caldură.
- Nivelati aparatul ajustand picioarele suruburilor. Ar trebui sa fie plasat pe o suprafata stabila si plana pentru a minimiza vibratiile si zgomotul.
- Temperatura la care se afla aparatul trebuie s fientre 10^ 32°C. Evitati s il plasati in lumina directa a soarelui sa n apropierea surselor de caldur, cum ar fi cuptoare sau calorifere.
- Asigura-va că aparatul este ventilat corespunțator.
- Verificazioni dacà sursa de alimentare sì tensiunea de la locul de instalare se potrivesc cu detaliile de pe eticheta de identificare. Stecherul trebuie sā rǎmānă accesibil dupa instalare.
- Conectati si deconnectati corect stecherul. Asigurati-va cstecherul este bine introdux. Cand deconnectati, tineti stecherul in sine. Nu trajei niciodata direct de cablu.
- Daca aparatul nu va fi folosit pentru o perioada lunga de temp, opriti-l, deconnectati-l de la sursa de alimentare, curatai-1 si lasati usa sau capacul beschise pentru a preveni mirosurile.
- Important: Pentru siguranța dumneavoastră, aparatul trebuie să fie impamþntat corespunzător.
Aparatul este echipat cu un fir de impamantare si un stecher, care trebuie conectate la o przya impamantata corespunzator. Daca nu sunteti sigur de impamantare, consultati un electrician calificat sau un centru de service.
- Dacă cablul de alimentare nu ajunge la cea mai apropriata przy, fie rearanjati configurația, fie solicitati unui electrician calificat să instaleze o przy nouă.
- Dupo intrerupere a curentului, astepta cel puin 3 minute inainte de a reporni aparatul pentru a evita deteriorarea compresorului.
- Cand depozitate alimente, ficare raft nu trebuie sa detina mai mult de 88 lbs (40kg) ,iar articiele nu trebuie sa se extinda peste marginile din fata sau din spate ale raftului.
Potriviti rafturile/sertarele
- Installati un set de ghidaje pentru rafturi pe fiecare parte a dulapului la inaltimea dorita.
- Glisati raftul sau sertarul in poziie.
-
Repetai procesul pentru rafturile Sau sertarele rămase.
-
Daca unitatea a fost depositata sau transportata intr-o poziţie nedreaptă, lasaşi-o să stea in poziţie verticală tamp de aproximativ 12 ore inainte de functiONare.
- Inainte de prima utiliser, curatai rafturile si interiorul cu apa cu sapun.
- Acesti paşi sunt cruciali pentru a asigura scurgerea adecvata a condensului.
Operatiunea
Instructiuni Basix
Pentru a obtnce cele mai bune rezultate de la aparatul dvs., va rugam sa urmai aceste instruciuni:
- Păstrați alimentele in aparat numai după ce au atins temperatura corectă de fonctionare.
- Asigurači-vač compartimentele pentru containere GN sunt intotdeauna umplute, chiar dacă containerele sunt goale sau nu sunt utilizes. Locurile goale vor reduce semnificativ eficiența aparatului.
- Tineti intotdeauna usa si capacul inchise atunci cnd nu sunt utilizez.
- Nu introduci alimente fierbinti pau lichide neacoperite in interiorul aparatului.
- Infasurati sau acoperiti alimenteteori de cate ori este posibil.
- Nu blocati ventilatoarele interne ale aparatului.
- Evitati s tinei uile beschise pentru perioade indel ungate.
- Capacitatea maxima de incarcare pentru fiecare raft este de 20kg
- Alimentele trebuie puse intr-un recipient inante de a fi puse in dulap sau pe un raft. Nu este permisa introducerea directa alimentelor in dulap.
- Când se pun mâncare/legume umede in aparat, este normal ca la suprafata sa aparà gheata (zapada).
Porniti aparatul
- Inchidezi usa (usile) aparatului.
- Asigurat-vac comutatorul de alimentare este in [0] poziie, apoi porniti przya.
- Comutati puterea la[]. Va fi afisata temperatura interna actuala a aparatului.
- Termostatul de pe panoul de control va clipi tamp de 3 minute, indicand intarzierea anti-ciclu scurt intre oprirea si repornirea compresorului.
Deschideti/inchideci capacul/sertarul

AVERTIZAREI
- Capacul culisant nu are mecanism de blocare. Asigura · v intotdeauna cca capacul este in poziia intredeschis inainte de a incerca saI descideti.
Pentru a preveni ranirea, nu trajei sertarul dincolo de poziia sa complet beschisa.
Capacul aparatului poate fi reglat in mai multe positii:
- Cu capacul inchis, glisi-1 napoi in poziia semideschis pentru acces partial la tavile containerului GN.
-
Ridicati capacul in sus 日 inapoi pana cand balamaua se sprijina bine in fanta de sprijin.
-
Ridicati capacul complet in sus si inapoi pentru a expune complet tavile containerului GN.
Panou de reglare a temperaturii si control

1-Luminadezghetare
2-Lumina de fonctionare a compresorului
3-Termostat digital
4- Tasta de programare (nu este accesibilità utilizatorului) Tasta de selecţie
5-Taste de modificare a temperaturii
Vezi punctul de referinta
- Apasati scurt si eliberati SET tasta pentru a afisa punctul de referinta.
- Apasati scurt si eliberati SET tasti din nou sa steptati aproximativ 5 secunde pentru ca afisajul s revina la normal.
Modificazioni punctul de referinţă
- TinetiSET tasta mai mult de 2 secunde pentru a modifica valoarea punctului de referinta.
- Valoarea curenta a punctului de referinta va fi afisata si simbolul, ^ "va incepe sa cipeasca.
- Utilizati sagetile SUS sau JOS in decurs de 10 secunde pentru a ajusta valoarea.
- Apasati tastaSET tasta din nou sau astepta 10 secunde pentru a salva noua valoare a punctului de referinta.
Dezghetare manualä
Acest echipament nécessita dezghetare manuala cel putin o data pe luna, intrucat nu dispune de functie dedezghetare automata.

OBSERVÁ! Ciclul de dezghetáincepe din momentul in care aparatul este pornit pentru prima data.
Metoda dedezghetare manuala a aparatului:
- Apasati si mentineti apasat butonul DEZGHEZARE butonul pentru 5 secunde.
- Cicul dedezghetare va incepe imediat, iar LED-ul dedezghetare se va aprinde. Cicul va rula tamp de 20 de minute.

OBSERVÁ! Initíerea uneidezghetari manuale varesheta cronometrul dedezghetare automata.
Urmatoareadezghetareautomatavaavea locla12oredupafinalizareaciclului dedezghetaremanuala.
Curătare si intreținere
Intretinere de rutina
- Opriti si deconecta ti aparatul de la sursa de alimentare inainte de curatare.
- Curatai in mod regulat atat exteriorul, cat si interiorul aparatului.
- Štergeti unitatea cu o cappă umedă. Asigurați-vă că comutatorul, panoul de control, cablul Şi stecherul rămân uscate.
- Nu folosi i produse de curatare abrazive, deoarece acestea pot la sa reziduuri daunatoare. Folosi numai apa blanda cu sapun.
- Curataigi garnitura uus numai cu apa.
- Asigurat-va capa de curatare nu patrunde in componentele electrice.
- Nu curatai aparatul cu jet de apa.
- Dupa curatare, uscati intotdeana aparatul cu o cappa moale.
- Evitati sā lāsati apa de curatare sā curgā prin orificiul de scurgere in tava de evaporare.
- Aveti grijá cänd curătatī partea din spate a aparatului.
- Daca sunt necessare reparati, consulta un tehnician calificat sau un agent de service.
- Daca aparatul va fi inactiv pursuant o perioadă lungă de timp, rotiti comutatorul in poziţia OPRIT, deconnectati-I, goliti compartmentul frigorific si curatai bine.
Intretinere periodica speciala

OBSERVAI Urmatoarele instruclioni sunt destinate PERSONALULUI CALIFICAT.
- Curatai periodic condensatorul folosind unelte adevate, cum ar fi un aspirator sau peri moi.
- Asigurat-va cataote conexiunile electricle sunt figure si nu slabite.
- Verificazioni da carea termostatul si senzorul funzioneeza corect.
- Curățarea periodica a condensatorului poate ajuta la prelungirea duratei de viță a aparatului.
- Se recomanda ca un tehnician sau un agent calificat sä efectueze curățarea condensatorului.
- Cheia dulapului electric trebuie tinută la indemâna copilorși a utilizatorilor neautorizati.
- Folosiţie cheia numai pentru a debloca dulapul.
- Goliti periodic tava de scurgere situata sub unitate.
- Când reinstalati tava de scurgere, asigurată-vă ca furtunul de scurgere este poziptionat corect inapoi in tava.
Ingrijire marmurä
-
Evita utilization area materialeor abrazive sau a detergentilor duri atunci cand curatai blatul de lucru. Utilizati in schimb apa calda si sapun.
-
Nu asezati articole fierbinti sau ingheata direct pe suprafata de marmurã pentru a preveni craparea.
- Curata imediat scurgerile, in special lichidele acide precum sucul de lamaiie sau oetul.
- Se recomanda utilizesa unei placi de tocat pursuant a minimiza riscul de deteriorare a blatului de lucru.
- După curătare, uscati bine suprafata cu o capră moale.
Aruncarea dispositivelor uzate
Ambalajul este conceput pentru a proteja aparatul si componentele acestua in timpul transportului si este realizat din materiale reciclabile. Vă rugăm sa returnați ambalajul la un punct oficial de colectare pentru reciclare, in loc sa-l aruncați, pentru a promova reutilizarea materialului. Aparatele vechi contin materiale reutilizabile si nu trebuie aruncate impreună cu deseurile menajere sau in vinc.
Inainte de a arunca aparatul, faceti orice incuietori inutilizabile si, dacá este posibil, indepartati usile. Dacă aparatul are prindere cu arc sau suruburi, scoatei-le saudezactivati-le pentru a preveni blocarea copiilor in interior.
Sistemul de refrigerare conine gaze si agenti frigorifici care necessita metode speciale de eliminare. Asiguratii-va c circuitul de agent frigorific nu este deteriorat inainte de eliminare. Alegand metode de eliminare responsable din punct de vedere ecologic, contribui la protectia mediului. Informati despre agentul frigorific si materiale izolatoare utilize pot fi gasite pe eticheta de identificare a aparatului.
Pentru inatati despre datele de colectare sau locatiile de eliminare, contacta autoritatie locale de eliminare a deeurilor sau consiliul local. Simbolul de pe produs sau ambalaj indicafaptul c'a cesta nu trebuie aruncat ca deeuri menajere, ci trebuie dus la un centru de reciclare desemnat pentru echipamente elecrice si electronice. Eliminarea adecvata ajutla prevenirea potenjialelor daune aduse mediului si sanataii umane din cauza manipularii necorespunzatoare a deeurilor.
Pentru mai multe detali di spre recicarea acestui produs, contacta biroul local local, serviciul de eliminare a deseurilor sau vanzatorul cu amanuntul de la care a fost achizitionat produsul.
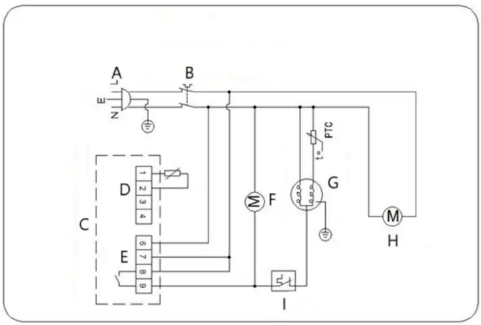
Schema electrica

A-Fisä de alimentare
B- Comutator de alimentare
C- Controller de temperatura
D-Camera
E-Alimentare 230V 50-60Hz
F- Ventilator condensator
G- Compressor
H- Ventilator evaporator
I- Protector de suprasarcina
Depanare
| Problemă | Cauza posibila | Soluție |
| Aparatul nu functionează | 1. Unitatea nu este pornită | 1. Verificați dacă unitatea este conectă corect și pornită |
| 2. Ştecherul și cablul sunt deteriorate | 2. Apelați agentul dumneavoastră sau un tehnician calificat pentru o inspecție | |
| 3. Siguranta din Ştecher s-a ars | 3. Înlocuiți siguranta (ştecherul brutanic) | |
| 4. Probleme de alimentare | 4. Verificați sursa de alimentare | |
| 5. Defecțiune de cablare internă | 5. Apelați agentul dumneavoastră sau un tehnician calificat pentru o inspecție | |
| Aparatul este pornit, dar temperatura este prea mare/scăzută | 1. Prea multă gheata pe evaporator | 1. Dezghiști aparatul |
| 2. Condensatorul blocat de praf | 2. Apelați agentul dumneavoastră sau un tehnician calificat pentru o inspecție | |
| 3. Ușile nu sunt Încise corect | 3. Verificați că usile sunt Încise și etanșările nu sunt deteriorate | |
| 4. Aparatul este situat lângă o sursă de căldură Sau fluxul de aeră cotre condensator este Înterupt | 4. Mutăți frigiderul Într-o locație mai potrivită | |
| 5. Temperatura mediolui ambient este prea mare | 5. Creșteți ventilatația pau mutați aparatul Într-un frigider | |
| 6.În aparat sunt depozitate alimente necorespunțătoare | 6. Îndepărtăti alimentetele excessiv de fierbinti pau blocajele ventilatorului | |
| 7. Aparatul este supraîncărcat | 7. Reduceti cantitatea de alimente depositate în aparat | |
| Aparatul produce un nival neobișnuit de ridicat de zgomot | 1. Slăbiți piuliță/șrub | 1. Verificați și strângeti.toate piulțeleș și suruburile |
| 2. Aparatul nu a fost instalat Într-o poziție plană sau stabilă | 2. Verificați poziția de instalare și schimbați-o dacă esteecessar | |
| Aparatul are scurgeri de apă | 1. Aparatul nu este nivalat corespunțător | 1. Reglați picoareleșuruburilor pentru a nivala aparatul (dacă este cazul) |
| 2. Orificiul de evacuare este blocat | 2. Curățați orificiul de evacuare |
| 3. Mișcarea apei către canalul de scurgere este obstruţionata | 3. Curățați godeaua aparatului (dacă este cazul) |
| 4. Recipientul de apă este deteriorat | 4. Apelăți agentul dumneavoastră sau un tehnician calificat pentru o inspectie |
| 5. Tava de picurare este plină | 5. Goliți tava de picurare cu un burete |

ManualUșor