RCST6DR240 - Frigorifero Royal Catering - Manuale utente e istruzioni gratuiti
Trova gratuitamente il manuale del dispositivo RCST6DR240 Royal Catering in formato PDF.
Scarica le istruzioni per il tuo Frigorifero in formato PDF gratuitamente! Trova il tuo manuale RCST6DR240 - Royal Catering e riprendi in mano il tuo dispositivo elettronico. In questa pagina sono pubblicati tutti i documenti necessari per l'utilizzo del tuo dispositivo. RCST6DR240 del marchio Royal Catering.
MANUALE UTENTE RCST6DR240 Royal Catering
Istruzioni per l'uso
Questo manuale utente è stato tradotto utilizzando la traduzione automatica. Abbiamo fatto agli sforzo per garantire l'accuratezza della traduzione, ma tiani presente che le traduzioni automatiche non sono perfette e non intendono sostituire i traduttori umani. La versione ufficiale del Manuale d'uso è in inglese. Eventuali differenze tra la versione tradotta e quella originale in inglese non sono giuridicamente vincolanti. In caso di dubbi sull'accuratezza della traduzione, fare riferimento alla versione inglese, che è il riferimento ufficiale. Versioni in altre lingue sono disponibili su richiesta scrivendo a info@expondo.com.
Dati tecnici
| Descrizione del parametro | Valore del parametro | |||||
| Nome del prodotto | Tavolo refrigerato con 2 porte | Tavolo refrigerato con 2 cassetti e 1 porta | Tavolo refrigerato con 4 cassetti | Tavolo refrigerato con 3 porte | Tavolo refrigerato con 2 cassetti e 2 ante | Tavolo refrigerato con 6 cassetti |
| Modello | RCST-2D240 | RCST-1D2DR240 | RCST-4DR230 | RCST-3D240 | RCST-2D2DR240 | RCST-6DR240 |
| Tensione nominale [V~] / frequenza [Hz] | 230 / 50 | |||||
| Corrente nominale [A] | 1 | 1,9 | ||||
| Classe climatica 4 | ||||||
| Isolamento soffiando gas | Ciclopentano | |||||
| Refrigerante | R290/57g | R290/102g | ||||
| Dimensioni [larghezza * lunghezza * altezza; mm] | 903*700*950 | 902*698*950 | 700*900*950 | 1369*70*951 | 1370*700*950 | 1370*700*950 |
| Peso [kg] | 57,25 | 65,1 | 72,8 | 82,45 | ||
Descrizione del dispositorio

Il prodotto è studiato per garantire ingredienti freschi e lavormente reperibili per una preparazione rapida. è ideale per l'uso in ristoranti, hotel, salad bar e nego di alimentari come kebab e falafel.
L'utente è responsable di eventuali danni derivanti da un uso improper del disposativo.
Installazione
Istruzioni per l'installazione
-
Disimballare l'elettrodomestico, assicurandosi che tutte le pellicole e i rivestimenti protettivi in plastica siano completamente rimossi da tutte le superfici. Per evitare lesioni o anni, il disimballaggio e l'installazione dell'apparecchio devono essere eseguita da due persone.
-
Mantenere almeno 20 cm (7 pollici) di spazio libero tra l'apparecchio e le pareti o gli oggetti circostanti per una corretta ventilazione. Autorentare questa distance se I'oggetto è una fonte di calorie.
-
Livellare l'apparecchio regolando i piedini a vite. Dovrebbe essere posizionato su una superficie stabile e pianap eridurre al minimo vibrazioni e rumore.
-
La temperatura in cui si trovva l'apparecchio deve essere compresa tra 10^ e 32^ . Evitare di posizionarlo alla luce diretta del sole o yicino a fonti di calore come fornì o termosifoni.
-
Assicurarsi che l'apparecchio sia adeguatamente ventilato.
-
Verificare che l'alimentazione elettrica e la tensione nel luogo di installatione corrispondano ai dati riportati sulla targhetta dei dati nominali. Dono l'installazione la spina delve rimanere accessibile.
-
Collegare e scollegare correttamente la spina. Assicurarsi che la spina sua inserta saldamente. Quando si scollega la spina, afterralla direttamente. Non tirare mai direttamente il cavo.
-
Se l'apparecchio non viene'utilizzato per un lungo periodo, spegnerlo, scollegarlo alla presa elettrica, pulirlo e lasciare lo sportello o il coperchio aperti per evitare la formazione di odori.
-
Important: per la vostra sicurezza, l'apparecchio deve essere correttamente collegato a terra.
L'apparecchio è dotato di un filo di messa a terra e di una spina, che devono essere collegati a una presa correttamente dotata di messa a terra. In caso di dubbi sulla messa a terra, consultare un elettricista qualificato o un centro di assistenza.
- Se il cavo di alimentazione non arrivava alla presa più vicina, riorganizzare la configurazione o far installare una nuova presa da un elettricista qualificato.
- Dopo un'interruzione di corrente, attendere almeno 3 minuti prima di riavviare l'apparecchio per evitare di danneggiare il compressore.
- Quando si conservano gli alimenti, agli ripiano non deve reggere più di 40 kg e gli alimenti non devono sporgere或者其他 i bordi anteriore o posteriori del ripiano.
Montare i ripiani/cassetti
- Installare un set di guide per ripiani su ciascun lato del mobile, all'altezza desiderata.
- Far scorrere il ripiano o il cassetto in posizione.
- Ripetere il procedimento per i ripiani o cassetti rimanenti.

AVVISO!
- Se l'unità è stata immagazzinata o trasportata in posizione non verticale, lasciarla in posizione verticale per circa 12 ore prima di utilizzarla.
- Prima del primo utilizzato, pulire i ripiani e l'interno con acqua saponata.
- Questi passaggi sono fondamentali per garantire il corretto drenaggio della condensa.
Operazione
Istruzioni di base
Per ottener i migliori risultati dalwhose elettrodomestico, segui queste istruzioni:
- Riporre gli alimenti nell'apparecchio solo quando hanno raggiunto la corretta temperatura di esercizio.
- Assicurarsi che gli scomparti dei contentitori GN siano sempre pieni,anche se i contentitori sono vuoti o non vengono utilizzati. Gli alloggiamenti vuoti ridurranno notevolmente l'efficienza dell'elettrodomestico.
- Tenere sempre lo sportello e il coperchio chiusi quando non in uso.
- Non collocare all'interno dell'apparecchio cibi o liquidi caldi scoperti.
- Se possibile, avvolgere o coprire gli alimenti.
- Non bloccare le ventole interne dell'apparecchio.
- Evitare di tenere le porte aperte per periodi prolongati.
- La portata massima di agli ripiano è di 20 kg.
- Gli alimenti devono essere riposti in un contentatore prima di essere riposti nella credenza o sullo scaffale. Non è consentito riporre gli alimenti direttamente nella credenza.
- Quando si insertisco alimenti o verdure umide nell'apparecchio, è normale che sulla superficie si formi del ghiaccio (neve).
Accendere l'apparecchio
- Chiudere la/le porta/e dell'apparecchio.
- Assicurarsi che l'interruttore di alimentazione sia in posizione [O] posizione, quando accendere la presa.
- Passare l'alimentazione a [l], Verrà visualizzata la temperature interna attuale dell'apparecchio.
- Il termostato sul pannello di controllo lampeggerà per 3 minuti,indicando il ritardo anti-ciclo corto tra l'arresto e il riavvio del compressore.
Aprire/chiudere il coperchio/cassetto

AVVERTENZA!
Il coperchio scorrevole non è dotato di meccanismo di bloccaggio. Prima di tentare di aprirlo, assicurarsi sempre che il coperchio sia semiaperto.
Per evitare lesioni, non tirare il cassetto otre la posizione di completa aperture.
Il coperchio dell'apparecchio più essere regolato in più positizioni:
- Con il coperchio chiuso, riportarlo in posizione semi-aperta per accedere parzialmente ai vassoi dei contenitori GN.
- Sollevare il coperchio verso l'alto e indietro finché la cerniera non si posizione saldamente nella fessura di supporto.
- Sollevare completeness il coperchio versus l'alto e all'indietro per esporre completeness i vassoi del conteneri GN.
Pannello di controllo e regolazione della temperatura

1- Spia di sbrinamento
2- Spia di funzionamento del compressore
3-Termostato digitale
4- Tasto di programmazione (non accessibile all'utente) Tasto di selezione
5-Tasti di modifica della temperatura
Vedere il punto di regolazione
-
Premere brevamente e rilasciare il tasto SET tasto per visualizzare il punto di regolazione.
-
Premere brevamente e rilasciare il tastoSET nuovamente il tasto oppure attendere circa 5 secondi affinché il display torni alla normalità.
Cambia il punto di regolazione
- Tieni premuto ilSET tasto per più di 2 secondi per modificare il valore del set point.
- Verrà visualizzato il valore del punto di regolazione corrente e il significolo "°C" inizIERÀ a lampeggiare.
- Utilizzare le freccce SU o GIù entro 10 secondi per regolare il valore.
- Premere iISET nuovamente il tasto oppure attendere 10 secondi per salvare il nuovo valore del set point.
Sbrinamento manuale
Questa apparecchiatura richiede uno sbrinamento manuale almeno una volta al mese, poiché non dispone di una funzione di sbrinamento automatico.

AVVISO! I ciclo di sbrinamento inizia dal momento in cui l'apparecchio viene acceso per la prima volta.
Metodo per sbrinare manualmente l'apparecchio:
- Premere et tenere premuto il tasto DEFROST, pulsante per 5 secondi.
- Il ciclo di sbrinamento inizIERA immediatamente e il LED di sbrinamento si accendera. Il ciclo durera 20 minuti.

AVVISO! L'avvio di uno sbrinamento manuale reimposterà il timer dello sbrinamento automatico. Il sivo sbrinamento automatico avverà 12 ore dopo il completamento del ciclo di sbrinamento manuale.
Pulizia e manutenzione
Manutenzione ordinaria
- Prima di pulirlo, specnere l'apparecchio e scollegarlo alla rete elettrica.
- Pulire regolarmente sua l'esterno che l'interno dell'apparecchio.
- Pulire l'unità con un panno umido. Assicurarsi che l'interruttore, il pannello di controllo, il cavo e la spina rimangano asciutti.
- Non utiliserizzare prodotti per la pulizia abrasivi, poiché potrebbero lasciare residui dannosi. Utilizzato solo acqua e sapone delicato.
- Pulire la guarnizione della porta solo con acqua.
- Assicurarsi che l'acqua di pulizia non penetri nei componenti elettrici.
- Non pulire l'apparecchio con un getto d'acqua.
- Dopo la pulizia, asciugare sempre l'apparecchio con un panno morbido.
- Evitare che l'acqua di pulizia scorra atraverso il foro di scarico nella vaschetta di evaporazione.
- Prestare attenzione quando si pulisce la parte posteriore dell'apparecchio.
-
Se sono necessarie riparazioni, consultrare un techniciano qualificato o un agente di assistenza.
-
Se l'apparecchio rimane inattivo per un periodo prolongato, portare l'interruttore in posizione OFF, scollegarlo, svuotare il vano frigorifero e pulirlo accuratamente.
Manutenzione periodica speciale

AVVISO! Le seguenti istruzioni sono destinate al PERSONALE QUALIFICATO.
- Pulire periodicamente il condensatore utilizzato utensili adeguati, come un aspirapolvere o spazzole morbide.
- Assicurarsi che tutti i collegamenti elettrici siano saldi e non allentati.
- Controllare che il termostato e il sensore funzionino correttamente.
- La pulizia periodica del condensatore può contribuire a prolongare la durata dell'elettrodomestico.
- Si consiglia di far eseguire la pulizia del condensatore da un technique o da un agente qualificato.
- La chiave dell'armadio elettrico deve essere tenuta fuori alla portata dei bambini e degli utenti non autorizzati.
- Utilizzare la chiave solo per sbloccare l'armadietto.
- Svuotare periodicamente la vaschetta di raccolta posta sotto l'unità.
- Quando si reinstalla la vaschetta di scarico, assicurarsi che il tubo di scarico sia correttamente posizionato nella vaschetta.
Cura del marmo
- Evitare di utilizzato materiali abrasivi o detergenti aggressivi durante la pulizia del piano di lavoro. Utilizzato invece acqua calda e sapone.
- Non appoggiare oggetti caldi o congelati direttamente sulla superficie in marmo per evitare che si crepino.
- Pulire immediatamente eventuali versamenti, in particolare liquidi acidi come succo di limone o aceto.
- Si consiglia di utilizzato un tagliere per ridurre al minimo il rischio di danneggiare il piano di lavoro.
- Dopo la pulizia, asciugare accuramente la superficie con un panno morbido.
Smaltimento dei dispositivi usati
L'imballaggio è studiato per proteggere l'apparecchio e i loro componenti durante il trasporto ed è realizzato con materiali riciclabili. Per promuovere il riutilizzo dei materiali, si prega di riportare l'imballaggio in un punto di raccolta ufficiale per il riciclaggio, anzché gettarlo via. I vecchi elettrodomestici contengono materiali riutilizzabili e non devono essere smaltiti insieme ai rifiuti domestici o ingombranti.
Prima di smaltire l'apparecchio, renders inutilizzabili eventuali serrature e, se possibile, rimuovere la/le porta/e. Se l'apparecchio è dotato di dispositivi di chiusura a molta o a bullone, rimuoverli o disattivarli per evitare che i bambini restino intrappolati all'interno.
L'impiano di refrigerazione contiene gas e refrigeranti che richiedono metodi di smaltimento speciali. Prima dello smaltimento, assicurarsi che il circuito refrigerante non sia danneggiato. Scegliendo metodi di smaltimento rispettosi dell'ambiente contribuischi alla tutela dell'ambiente. Le informazioni sui materiali refrigeranti e isolanti utilizzati sono riportate sulla targhetta identificativa dell'apparecchio.
Per informazioni sulle date di raccolta o sui luoghi di smaltimento, contattare le autorità locali preposte allo smaltimento dei rifiuti o il comune di residenza. Il symbolo sul prodotto o sulla confezione indica che il prodotto non deve essere smaltito come rifiuto domestico, ma deve essere portato in un centro di riciclaggio designato
per apparecchiature elettriche ed elettroniche. Uno smaltimento correto aiuta a prevenire potenziali danni all'ambiente e alla salute umana dovuti a una gestione impropria dei rifiuti.
Per maggiori informazioni sul riciclaggio di questo prodotto, contattare l'ufficio comunale locale, il servizio di smaltimento rifiuti o il rivenditore presso il quale è stato acquisato il prodotto.
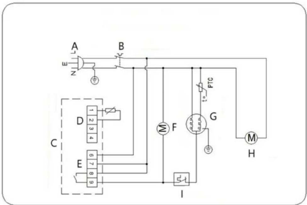
Schema elettrico

A- Spina di alimentazione
B- Interruttore di alimentazione
C- Controllo della temperatura
D- Camera
E-Alimentazione 230V 50-60Hz
F- Ventilatore del condensatore
G- Compressore
H- Ventilatore dell'evaporatore
I- Protettore di sovraccarico
Risoluzione dei problemi
| Problema Possibile causa Soluzione | ||
| L'apparecchio non funziona | 1. L'unità non è accesa | 1. Controllare che l'unità sia collegata correttamente e accesa |
| 2. La spina e il cavo sono danneggiati | 2. Chiama il tuo agente o un technique qualificato per un'ispezione | |
| 3. Il fusibile nella spina è saltato | 3. Sostituire il fusibile (spina UK) | |
| 4. Problemi di alimentazione | 4. Controllare l'alimentazione | |
| 5. Guasto al cablaggio interno | 5. Chiama il tuo agente o un tecnico qualificato per un'ispezione | |
| L'apparecchio è accesso, ma la temperature è troppo alta/bassa | 1. Troppo ghiaccio sull'evaporatore | 1. Scongelare il dispositivo |
| 2. Condensatore bloccato alla polvere | 2. Chiama il tuo agente o un tecnico qualificato per un'ispezione | |
| 3. Le porte non sono chiuse correttamente | 3. Controllare che le porte siano chiuse e che le guarnizioni non siano danneggiate | |
| 4. L'apparecchio si trova vicino a una fonte di calore o il flusso d'aria verso il condensatore è interrotto | 4. Spostare il frigorifero in un luogo più adatto | |
| 5. La temperature ambiente è troppo alta | 5. Aumentare la ventilazione o spostare l'apparecchio in un luogo più fresco | |
| 6. Nell'apparecchio sono conservati alimenti non idonei | 6. Rimuoverere eventuali alimenticcessivamente caldi o blocchi dalventilatore | |
| 7. L'apparecchio è sovraccarico | 7. Ridurre la quantità di cibo conservato nell'apparecchio | |
| L'apparecchio produce un livello di rumore insolitamente alto | 1. Dado/vite allentato | 1. Controllare e serrare tutti i dadi e le viti |
| 2. L'apparecchio non è stato installato in una posizione piana o stabile | 2. Controllare la posizione di installmente e modificarla se necessario | |
| L'apparecchio perde acqua | 1. L'apparecchio non è livellato correttamente | 1. Regolare i piedini a vite per livellare l'apparecchio (se applicabile) |
| 2. L'uscita di scarico è bloccata | 2. Pulire lo scarico | |
| 3. Il movimento dell'accua verso lo scarico è ostruito | 3. Liberare il pavimento dell'elettrodomestico (se applicabile) | |
| 4. Il contentitore dell'accua è danneggiato | 4. Chiama il tuo agente o un tecnico qualificato per un'ispezione | |
| 5. La vaschetta raccogli gobce trabocca | 5. Svuotare la vaschetta raccogli gobce con una spugna | |

ManualeFacile