RCST6DR240 - ψυγείο Royal Catering - Δωρεάν εγχειρίδιο χρήσης
Βρείτε δωρεάν το εγχειρίδιο της συσκευής RCST6DR240 Royal Catering σε μορφή PDF.
Κατεβάστε τις οδηγίες για το ψυγείο σε μορφή PDF δωρεάν! Βρείτε το εγχειρίδιό σας RCST6DR240 - Royal Catering και πάρτε ξανά την ηλεκτρονική σας συσκευή στα χέρια σας. Σε αυτή τη σελίδα δημοσιεύονται όλα τα έγγραφα που απαιτούνται για τη χρήση της συσκευής σας. RCST6DR240 της μάρκας Royal Catering.
ΕΓΧΕΙΡΊΔΙΟ ΧΡΉΣΗΣ RCST6DR240 Royal Catering
- Me to kαπακι κλειοτό, σύρετέ το πίω στη μισανοιχτη θέοη για μερική πρόσβαοη στους διοκους δοχειών GN.
- Avaonkwote to kaaki npoc ta naw kai npoc ta niow ec otou o keveoec akoumuioeik aotnu unodx n tnpie
- Avaonkwote nAhpoc to kanaik npoc ta naW ka niow yia va EKTEoov nAhpoc oI siokoi tou doxeiou GN.
2- λειτουργία συμπεοῦτη
3- Ψηφιακός θερμοστάτης
4-KaEIδI npoypaumauoou (n npooaou oto xnoT) KaeiδI euloync
5- Nktpa tponooinoc Θepuokpaoic
_i to onmuo puonc
-
nathote ouvtoua kal aphiote toSET nnktpo yia va euaioe to onueio puthetaionc.
-
Ntntoe ouvtoua kal aphiote to SET nAnktpooynote xava n nepiEvete nepinou 5 deutepoAeTAt yia vao enavEaTeI n oovn oTo kavovko.
Aλλετe to Αμειο puθμιαns
- Kpntote to SET nAnktpooynoe yia nepiooortepa ano 2 deutepoleenta yia va tpononouoe tnv tuou onueiou oOmuoc.
- Θα εμφανισει n τρέχουα τυή σημείου μύθμολo “C” θα αρχίσει vα αναβοβήνει
- Xpnoonouote BéLn IANΩ n KATΩ εvtoc 10 eutepoλentwv yα npoopapóeTe tv tμn.
-
- Παπθοτε toSET πληκτρολογήσε ξανά ἡπεριμένετε 10 δευτερόλεπτα, για αύποθηκεύσετε την εὰ τιμή σημείου ρύθμιος.
Xeipokivtnn ano 山
Autoc o EgonliooC anaitei xeipokivntn anopsiuTouAxiotov ia fo pa to nuva, kaowc dev diathetae Aetoupyia autouatnc anopsiuNc.

ANAKOINΩH! O kukao ano ue ng 5ekiv a n o tn otiyn nou tiotai e leitoupyia n ouokeun yua
πρωτη φορά.
TpOnc xepokivntnacnououc nsc ouokeunc:
- Patnote kai kpatnote patnmuévo to DEFROST, kouni yia 5 deutepoλeπta.
- O Kukao c ao u n c o eivnoe i a eowc kai n loxvi a LED ano u n c o av apsi. O kukao c o a diapkeoe 20 aeia.

ANAKOINΩH! H εναρη μας Χειροκίνητης απόψμεξης θα επαναφέρει τοχρούμετρο αυτόματης
απóψuεης. H επόμενη αυτοματη απόψuεη θα πραγματοποιθει 12 υρες μετά την oλοκλήρωσι του κύκλου Χειροκίνητης απόψuεης.
Kaαρισμός και συντήρηση
Suvthpon poutiva
- AnevyponoTe kai anouvdeote tn oukeur ano tv npoxn pueuatoC npiv tvk aepiaete.
- Kaθαριετε τακτικα τόοο το Εωτερικό 000 και το εωτερικό της ΜΟΚΕύNC.
-
- Mny xnpouoioite aeavitka npoiovtka aopou, kaohc npopei va afoov enlaaoh unolaimuata. Xnpouoote mvo nio oannouvopeo.
- Kaθαριοτε to λάστυχο τής πόρτας μόνο μενερό.
- Beβαιωθειτε οτι δεν εἰούρεγεται ερόο καθαριμου στα ηλεκτρικε ἀεαρτήματα.
- Mny kaαρiετε τη συοκεύμε πίδακα ενρόμ.
- Meta tov kaopmuo, oteyuvete navtn oukeun xnoouonowvtac eva aakko navi.
-
Anofoyete va eniTppeTcTe oTo vepo Kaapouuva tpeEeI eOa ano Tnv onn aootpayyionc oTo doxeio Egatmuonc.
-
Na eioTe npooektuokoi otav katheta eto niow mepoc tsoukeunc.
- Eav xpeiaozovtai eniokuec, oumbouauteite evav eieidikeuévo texvko n avtnpoosno epic.
- Eav n ouokeun npapaeivei avepeyn yia meydo xoviko diotnua, yupote tov diakontn otn the ON OFF, aoosuvdeote tov ano tnv npizca, aedlaote to thaalano c ka kaoapiote kaia.
Eiukn Pepioukn ouvtnpno

ANAKOINΩsH! OI npakatw odnyie c npoopizovtay EIAKO IPOQNIKO.
- Kaθαριετε περιδικα tov συμπικυνωτή χρησιμοιούντας κατάληλα εργαλεία, ὄπως ηλεκτρική σόουπα ἡ μαλακες βούρτοες.
- Be oI oAe oI nEKTpikEc ouVseoi eivai aOaAeic kai oxI xAapEc.
- ELeyTe oTo Oeepooatatnc kai o aiothnpac aeitoupyovsowotá.
- O περιδικός καθαρίαμός του συμπικυωτή μορεῖν ασύμβαλει στην παράαη τής διαρκειας ξωής τής συοκεύς.
- Suviotatai o kaOapiooC tou ouuukwnt ano evav Eeidiikeumevo texviko n avtupooNO.
- To kεiδi tou ηεκτριού πινακα πρεπειν α φυλάσοεται μακρία από παιδια και μη εξουσιδοθημένους χρησες.
- Xpouonouto to kεδi móvo yα vα ΕκλεδωeTe to vtouλπι.
- AdefaTe peipoi to doxio aoootpavionc nou piokeiakto ano tn movda.
- Kata tvv enaveykaataaon tou doxeiou aootpayyianc, eie o Eukamtoc oalvac aootpayyionc eival owtanotoetnuevo cio so doxieio.
Φροντιδα μαρμάρου
- AnofoyeTe xpon aeavtkov uikov n klnpw anoppunavtkw kat tov kaapioo tou npayou epyaiaac. Xpoaonounote avt autou zetó, aanouvovepo.
- Mny tototheite zot a n kateuuymuva avikeiueva aneuvteia c onn npapapivn enphiaveia yia vao
- Kaθαρισε αμέως τις διαρροες, ειδικα τα σύναυγρα ποπως oχμός λεμονιόν η τοξδι.
- Suviotatai n xpon oavida c konnc yia va elambdaio tonoi th i o kivduvoic nmuac otov myko epyaoiaac.
- Metá tov καθαρισό, στέγνωτε καλά την επιφάνεια με ενα μαλακό navi.
Iα περισοτερες οεπτομέρειες έχεικα με την ανακύκλωσι ΑUTOU ΠΟΙΟΥΤΟς, επιΚουνωνότε με το τοικό γραφείο τής πόλης, τήν υπηρεία απόρμιψης απόρμιμάτων ἡ το κατάσημα λιανίκες ΑΝό ΘΟΥ Αγοράσατe to προίν.
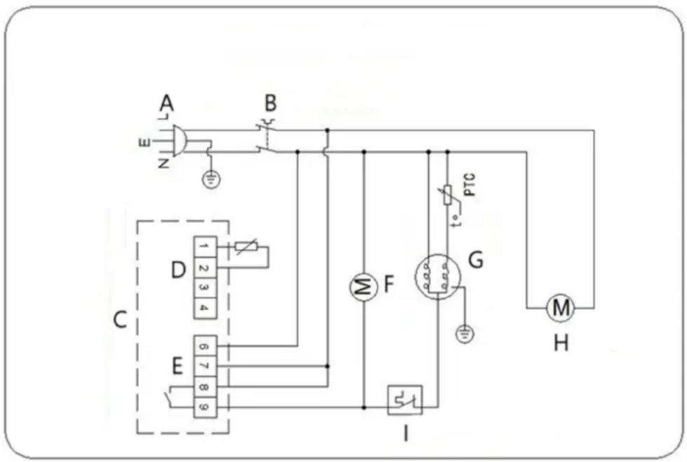
Hεκτρικό δίαγραμα

A- BuOμa pεuματος
B- 元 同 tpofooioia
C-EeYkTcΘepuokpaoia
D- t
E-TpOΦδoσi 230V 50-60Hz
F-Avemuotnpacoumuukwotn
G-∑μπεστης
H-AveuotnpacEaatout
I- Ppoataeutiko unepoptwo
Avtμετώπιοη προβληματων
| Пróбларα | Пιθаνή αυτία | Διαλμα |
| H σουkeυή δενλειουργει | 1. H μονάδα δεν εῖαι ευροποιημένη | 1. Ελέγξτε εάνη μονάδα εῖαι σωτός Μουδεδεμένη και ευροποιημένη |
| 2. To βύσμα και το καλώς ἔχουν κataστραφέι | 2.Καλέστετον αυτιρόσωπό σας ἡναν εξειδικεμένοτεχνικό για επιθεώρηση | |
| 3. H ααφάλεια στο φις ἂχει καεί | 3.Αντικαταστήσετην ασφάλεια (βύσμα HB) | |
| 4. Θέματa tροφοδοσίας | 4.Ελέγξτετην παροχήρεύματος | |
| 5. Εωτερική βλάβη καλωδιωόσς | 5.Καλέστετον αυτιρόσωπό σας ἡναν εξειδικεμένοτεχνικό για επιθεώρηση | |
| H σουkeυή εἶαι ευροποιημένη, αλλάη Θερμοκρασία εἶαι πολύ υψηλή/χαμηλή | 1. Πολύς πάγος στον εξατμούτη | 1. ΘεπαγώOTE ηι σουkeυή |
| 2. Συμικυνωτής μπλοκαρισμένος με σκόνη | 2.Καλέστετον αυτιρόσωπό σας ἡναν εξειδικεμένοτεχνικό για επιθεώρηση | |
| 3.Οι πόρτες δεν κλείουν σωστά | 3.Ελέγξτεότιοι πόρτες εἶαι κλειστές και ὄτιοι τουμύχες δεν ἂχουν Φιοσετιζημά | |
| 4. H σουkeυή βρίακεται κοντά σε πηγή θερμότητας ἀδικόπεται η ροῦ αέρα προςτον συμικυνωτή | 4.Μετακίνησετο Φιψυείο σε ποι κατάληληθέση | |
| 5. H Θερμοκρασία περιβάλοντος εἶαι πολύ υψηλή | 5. Auξήσετον αερισόμό ἡτακίνησετη η σουkeυή σε υψυείο | |
| 6. Στη σουkeυή αποθηκεύνται ακατάληλα τρόφμα | 6. Αφαρέστετον τυχόν Φιρεβολικά ζεστά τρόφμα ἡπλοκαρίσματα στον ανεμιστήρα | |
| 7. H σουkeυή εἶαι Φιρεφρτωμένη | 7.Μεωσετον Ψιν Φιοσότητα των τροφίμων Φου αποθηκεύνται στη σουkeυή | |
| H σουkeυή παράγει ενα ααουνήθισα uψηλό εἰπίεδο θόρύ | 1. Xαλαρό παξμάδι/βίδα | 1.Ελέγξτε και σφίστε ὡλα τα παξμάδια και τις βίδες |
| 2. H σουkeυή δεν ἂχει εγκατασταθείσε Επιπεδης ἀσταθερή θέση | 2.Ελέγξτετηθ θέση εγκατάσταθείς και αλλάστε Ψιν ἀν χειάζεια | |
| H σουkeυή ἂχει διαρρούν ευρού | 1. H σουkeυή δεν εῖαι σωτά οσοπεδωμένη | 1. Pιθμίσετο τα βιδωτά πόδια για vα οσοπεδωμετε Ψιουkeυή (εάν Απάρχει) |
| 2. H ἐξοδος Ἇκκένωσης εῖαι φραγμένη | 2.Καθαρίσετον έντη ἡξοδo ἡκκένωσης | |
| 3. H κίνηση του νερού προς την αποχέτευού Εμποδιζεται | 3.Καθαρίσετον τάπεδo tnc συοκυμής (εάν Απάρχει) | |
| 4. To δόχειον εῖαι κατεστραμμένο | 4.Καλέστετον αυτιρόσωπό σας ἡναν εξειδικεμένο τχνικό για επιθεώρηση | |
| 5. O δίοκος αποστράγχιας Εχειλίζει | 5. Δέδιασετο Ταύμι με ἡνα σφουύγάρι |

ΕύκολοΕγχειρίδιο