RCST6DR240 - Geladeira Royal Catering - Manual de utilização gratuito
Encontre gratuitamente o manual do aparelho RCST6DR240 Royal Catering em formato PDF.
Baixe as instruções para o seu Geladeira em formato PDF gratuitamente! Encontre o seu manual RCST6DR240 - Royal Catering e retome o controlo do seu dispositivo eletrónico. Nesta página estão publicados todos os documentos necessários para a utilização do seu dispositivo. RCST6DR240 da marca Royal Catering.
MANUAL DE UTILIZADOR RCST6DR240 Royal Catering
Instruções de'utilisation
Este Manual do Usuário foi traduzido usingo traducao automatica. Fizemos todos os esforços para garantir que a traducao sera precisa, mas observe que as traduções automatizadas não são perfeitas e não tem como objetivo substituir tradutores humanos. A versão oficial do Manual do Usuário está em ingês. Quaisquer diferencas entre a versão traduzida e o original em ingês não são juridicamente vinculativas. Caso tenha alguma dupida sobre a precisão da tradução, consulte a versão em ingês, que é a referencia oficial. Versões em outros idiomas está disponívelis mediante solicitação atraves de info@expondo.com.
Dados技术和
| Descrição do parâmetro | Valor do parâmetro | |||||
| Nome do produits | Mesa de refrigeração com 2 portas | Mesa de refrigeração com 2 gavetas e 1 porta | Mesa de refrigeração com 4 gavetas | Mesa de refrigeração com 3 portas | Mesa de refrigeração com 2 gavetas e 2 portas | Mesa de refrigeração com 6 gavetas |
| Modelo | RCST-2D240 | RCST-1D2DR240 | RCST-4DR230 | RCST-3D240 | RCST-2D2DR240 | RCST-6DR240 |
| Tensão nominal [V~] / frequência [Hz] | 230 / 50 | |||||
| Corrente nominal [A] | 1 | 1,9 | ||||
| Classe climática 4 | ||||||
| Gás de sopro de isolamento | Ciclopentano | |||||
| Refrigerante R290/57g R 290/102g | ||||||
| Dimensoes [largura * comprimento * alta; mm] | 903*700*950 | 902*698*950 | 700*900*950 | 1369*70*951 | 1370*700*950 | 1370*700*950 |
| Peso [kg] | 57,25 | 65,1 | 72,8 | 82,45 | ||
Descrição

O produits foi projetado para garantir que ingredientes frescos estejam prontamente disponible para preparacao rapiida. E ideal para uso em restaurantes, hotelis, buffets de saladas e lojas de alimentos, como estabelecimentos de kebab e falafel.
Outilizador é responsavel por quaisquer danos resultantes de una utilização não intencional do disposito.
Instalacao
Instruções de instalação
- Desembale o aparelho, certificando-se de que todas as pelliculas plácicas protetoras e revestimentos sejam Completely removidos de todas as superficies. Para evaporar ferimentos ou danos, das pessoas devem realizar a desembalagem e a instalacao do aparelho.
- Mantenha pelo menos 20 cm (7 polegadas) de espoço livre entre o aparelho e paredes ou objetos proxies para ventilação adequada. Aumente esta distança se o的对象o para uma fonte de calor.
- Nivele o aparelho ajustando os pés dos parafusos. Ele deve ser colocado em uma superficie estável e nivelada para minimizar a vibrazione e o ruido.
- A temperatura onde o aparelho está localizo deve estar entre 10^ e 32^ . Evite colocá-lo sob luz solar direta ou perto de fontes de calor, como fornos ou radiadores.
- Certifique-se de que o aparelho esteja devidamente ventilado.
- Verifique se a fonte de alimentacao e a voltagem no local de instalacao correspondem ao detalhes na etiqueta de classificacao. O plugue deve permanecer accesivel antes a instalacao.
- Conecte e desconecte o plugged corretamente. Certifique-se de que o plugged esteja inserido com segurar ao desconectar, secureelo plugue, Nunca puxo cabo diretamente.
- Se o aparelho não for utilizeso por um longo periodo, desligue-o, desconnecte-o da fonte de energia, limpe-o eaxe a porta ou tampa aberta para evitar odores.
- Importante: Para sua seguranga, o aparelho deve estar devidamente aterrado.
O aparecido é equipado com um fio terra e umplugue, que devem ser connectados a uma tomada devidamente aterrada. Se não tiver certeza sobre o aterramento, consulte um eletricista qualificado ou um centro de serviços.
- Se o cabo de alimentação não chegar à tomada mais proxima, reorganize a configuração ouça a um eletricista qualificado para instalar uma nova tomada.
- Após una queda de energia, aguardeleo些 3 minutoas ante de reiniciar o aparelho para evitar danos ao compressor.
- Ao armazenar alimentos, cada prateleira não deve suportar mais de 40 kg (88 lbs) e os itens não devem ultrapassar as bordas frontal ou traseira da prateleira.
- Instale umconjunto de guias de prateleira em cada lado do armario na alta desejada.
- Deslize a prateleira ou gaveta para a posicao.
- Repita o processo para as prateleiras ou gavetas restantes.

PERCEBER!
- Se a unidade tiver sido armazenada ou transportada em uma posicao não vertical, deixe-a em pé por aproximamente 12 horas antes de operá-la.
- Antes do primeiro uso, limpe as prateleiras e o interior com agua e sabão.
Essas etapas são crucias para garantir a drenagem adequada da condensação.
Utilização
Instruçõesbasicas
Para obter os melhores resultados do seu aparelho, siga estas instruções:
- Guarde os alimentos no aparecido somente quando ele atingir a temperatura operacional correta.
- Garanta que os compartments dos contêineres GN esteam sempre cheios, mesmo que os contêineres esteam razios ou não esteam em uso. Báias razias reduzirao significativamente a eficiência do aparelho.
- Mantenha sempre a porta e a tampa fechadas quando não estiver em uso.
- Não colque alimentos ou liquidos quentes descobertos dentro do aparelho.
- Embrûlle ou cubra os alimentos sempre que possível.
- Nãobloqueie os ventiladores internos do aparelho.
- Evite manter as portas abertas por longos periodos.
- A capacidade Tmaxa de energia de cada prateleira é de 20kg
- Os alimentos devem ser colocados em um recipiente antes de serem colocados no armário ou em uma prateleira. Não é permitido colocar alimentos diretamente no armário.
- Quando alimentos/vegetais umidos são colocados no aparecido, é normal que gelo (neve) apareça na superficie.
Ligue o aparelho
- Fecha a(s) porta(s) do aparelho.
- Certifique-se de que o interruptor de energia esteja na posicao [0] posicao e, em seguida, ligue a tomada.
- Mude a energia para [I]. A temperatura interna atual do aparelho sera exigida.
- O termostato no paine de controle piscará por 3 minuto, indicando o atraso do ciclo anti-curto entre a parada e a reinicialização do compressor.
Abrir/Fechar a Tampa/Gaveta

CUIDADO!
A tampa deslizante não possui mecanismo de travamento. Certifique-se sempre de que a tampa está na posicao semiaberta antes de tentar abri-la.
Para evitar ferimentos, não puxe a gavetaLEM da posicao totalmente aberta.
A tampa do aparelho pode ser ajustada em varias posições:
- Com a tampa fechada, deslize-a de volta para a posicao semiaberta para acesso parcial as bandejas do recipientep G.
- Levante a tampa para cima e paraTRS ate que a dobrada fique firmamente apoia da no slot de suporte.
- Levante a tampa totalmente para cima e paraTRS para expor completeness as bandejas do recipienten GN.
4- Tecla de programação (não acessivel ao usuario) Tecla de seleção
Veja o punto de ajuste
-
Pressione e solte brevamente oSET tecla para exibir o punto de ajuste.
-
Pressione e solte brevamente o SET tecla novamente ou aguarde aproximadamente 5 segundos para que o visor volta ao normal.
- Secure oSET tecla por mais de 2 segundos para modifier o valor do punto de ajuste.
- O valor do punto de ajuste atual sera exibido e o símbolo "°C" começará a piscar.
- Use as setas PARA CIMA ou PARA BAIXO dentro de 10 segundos para ajustar o valor.
- Pressione o SET pressione a tecla novamente ou aguarde 10 segundos parakatar o novo valor do ponto de ajuste.
Descongelamento manual
Este equipamento necessita de descongelamento manual pelo menos uma vez por mês, quando possuça para descongelamento automatico.

PERCEBER! O ciclo de degelo começa no momento em que o aparecido é ligado pela primaira vez.
Método para descongelarmanualmente oaparelho:
- Pressione e segure o DEFROST botao por 5 segundos.
- O ciclo de degelocomedarimeditamente oLED de degelo acendera.O ciclo durar20minutos.

PERCEBER! Iniciar um degelo manual redefinirá o timer de degelo automatico. Oproximo degelo é tático ocorréra 12 horas après a conclusão do ciclo de degelo manual.
Limpeza e manutenção
Manutenção de rotina
- Desligue e desconecte o aparelho da fonte de alimentacao antes de limpa-lo.
- Limpe regulamente o exterior e o interior do aparelho.
- Limpe a unidade com um pano umido. Certifique-se de que o interruptor, o paine de controle, o cabo e o plugue permanecam secs.
- Não utilizeiros de limpeza abrasivos,pois eles podem deixar residuos nocivos.Use apenas agua com sabao neutro.
- Limpe aVEDação da porta somente comágua.
- Certifique-se de que nenhuma agua de limpeza entre nos componentes electricos.
- Não limpe o aparelho com jato deágua.
- Após a limpeza, seque sempre o aparelho com um pano macio.
- Evite que aágua da limpeza escorra pelo orificio de drenagem para a bandeja de evaporação.
- Tenha cuidado ao limpar a parte traseira do aparelho.
-
Se forem necessários reparos, consulte um专业技术e qualificado ou um agente de service.
-
Se o aparecido ficar inativo por um longo periodo, colque o interruptor na posicao OFF, desconnecte-o da tomada, esvazie o compartmento de refrigeracao e limpe-o completeness.
Manutenção periodica especial

PERCEBER! As instruções a seguir são destinadas a PessoAL QUALIFICADO.
- Limpe periodicamente o condensador usingo ferramentas apropriadas, como aspirador de po ou escovas macias.
- Certifique-se de que todas as conexões electrolyicas esteam firmes e não soltas.
- Verifique se o termostato e o sensor estáfuncionando corretamente.
- A limpeza periodica do condensador podeaabdar a prolongar a vidautildoaparelho.
- É recomendável que um técnico ou agente qualificado realization a limpeza do condensador.
- A chave do armário eletrico deve ser mantida fora do alcance de crianças e退市 não autorizados.
- Use a chave somente para destrancar o armário.
- Esvazie periodicamente a bandeja de drenagem localizada abaixo da unidade.
- Ao reinstalar a bandeja de drenagem, certifique-se de que a mangueira de drenagem esteja corretamente posicionada de volta na bandeja.
Cuidados com marmore
- Evite usar materiais abrasivos ou deterentes agressivos ao limpar a bancada. Em vez disso, use agua morna com sabão.
- Não coloque itens quentes ou congelados diretamente sobre a superficie do marmore para evitar rachaduras.
- Limpe respingos imeditamente, especially liqueidos acidos, como suco de limao ou vinagre.
- É recomendável usar una tábua de corte para minimizar o risco de danificar a bancada.
- Após a limpeza, seque bem a superficie com um pano macio.
A embalagem foi projetada para proteger o aparecido e seu componentes durante o transporte e é feita de materiais reciclaveis. Em vez de descartá-la, devolva a embalagem a um punto de coleta oficial para reciclagem, para promover a reutilização do material. Eletrodométricos antigos contém materiais reutilizaveis e não devem ser descartados muito com o lixo dométrico ou a granel.
Antes de descartar o aparelho, inutilize todas as travas e, se possivel, remove a(s) porta(s). Se o aparelho tiver travas de mola ou de ferrolo, remove-as ou desative-as para evitar que crianças fiquem presas dentro dele.
O Sistema de refrigeracao contentem gases e refrigerantes que exigem métodos especialis de descarte. Certificque-se de que o circuito refrigerante não esteja danificado antes do descarte. Ao escolher métodos de descarte ambientalmente responsaveis, você contribui para a protecao Ambiental. Informacoes sobre o refrigerante e os materiais de isolamento realizados podem ser encontradas na etiqueta de classifica-ao do aparelho.
Para obter informacoes sobre datas de coleta ou locais de descarte, entre em conta com as autoridades locais de descarte de resíduos ou com o conselho local. O símbolo no produits ou na embalagem indica que ele não deve ser descartado como lixo dométrico, mas deve ser levado a um centro de reciclagem designado para
equipamentos eletricos e eletronicos. O descarte adequado ajuda a Severity dos meio ambiente e à saude humana devido ao manuseio inadequado de residuos.
Para obter mais detalles sobre a reciclagem deste produits, entre em contaço com o escritório local da sua cidadc, com o serviceo de descarte de residuos ou com o revendedor ond e produto foi adquirido.
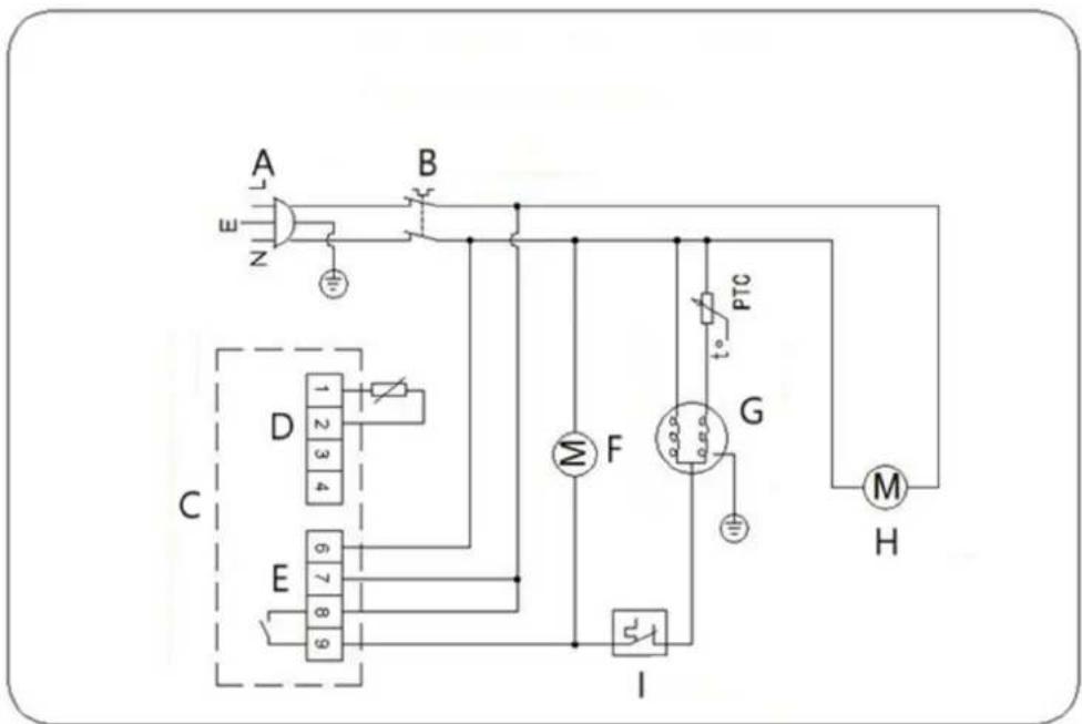
Diagrama elétrico

A- Plugde de energia
B- Interruptor de alimentacao
C- Controlador de temperatura
D-Sala
E-Alimentacao 230V 50-60Hz
F- Ventilador de condensador
G- Compressor
H- Ventilador do evaporador
I-Protetot de sobrecarga
Resolução de problemas
| Problema Causa | possível Solução | |
| O aparecido não está Functionando | 1. A equipe não está ligada | 1. Verifique se a equipe está conectada corretemente e ligada |
| 2. Oplugue e o cabo está danificados | 2. Ligue para seu agente ou um专业技术ico especialico para uma inspeção | |
| 3. O fusível noplugue queimou | 3. Substitua o fusível (plugue do Reino Unido) | |
| 4. Problemas de fornecimento de energia | 4. Verifique a fonte de alimentação | |
| 5. Falha na fiação interna | 5. Ligue para seu agente ou um técnico qualificado para uma inspeção | |
| O aparecido está ligado, mas a temperatura está muito alta/boaixa | 1. Muito gelo no evaporador | 1. Desconcelar o aparecido |
| 2. Condensador bloqueado com poeira | 2. Ligue para seu agente ou um técnico qualificado para uma inspeção | |
| 3. As portas não está fechadas corretamente | 3. Verifique se as portas está fechadas e se as vedações não está danificadas | |
| 4. O aparecido está localizo perto de uma fonte de calor ou o fluxo de ar para o condensador está sendo interrompido | 4. Mova a geladeira para um local mais adequado | |
| 5. A temperature amplitude está muito alta | 5. Aumente a ventilação ou mova o aparecido para um local mais fresco | |
| 6. Alimentos inadequados estásendo armazenados no aparecido | 6. Remova qualquer excesso de alimentos quentes ou bloqueiros no ventilador | |
| 7. O aparecido está sobrecarregado | 7. Reduza a quantidade de alimentos armazenados no aparecido | |
| O aparecido produz um[nível de ruido anormalmente alto | 1. Porca/parafuso solto | 1. Verifique e aperte todas as porcas e parafusos |
| 2. O aparecido não foi instalado em posicao nivelada ou estável | 2. Verifique a posicao de instalacao e altere-a se necessário | |
| O aparecido está bazandoágua | 1. O aparecido não está devidamente nivelado | 1. Ajuste os pés de parafuso para nivelar o aparecido (se aplicável) |
| 2. A saía de descarga estábloqueada | 2. Limpe a saía de descarga | |
| 3. O movimento da água para o ralo está obstruído | 3. Limpe o chão do aparecido (se aplicável) | |
| 4. O reservatório de água estádanIFICado | 4. Ligue para seu agente ou um técnico qualificado para uma inspeção | |
| 5. A bandeja coletora está transbordando | 5. Esvazie a bandeja coletora com uma esponja |

ManualFácil