RCST6DR240 - Hűtőszekrény Royal Catering - Ingyenes használati útmutató
Találja meg az eszköz kézikönyvét ingyenesen RCST6DR240 Royal Catering PDF formátumban.
Töltse le az útmutatót a következőhöz Hűtőszekrény PDF formátumban ingyenesen! Találja meg kézikönyvét RCST6DR240 - Royal Catering és vegye vissza elektronikus eszközét a kezébe. Ezen az oldalon közzé van téve az eszköze használatához szükséges összes dokumentum. RCST6DR240 márka Royal Catering.
HASZNÁLATI ÚTMUTATÓ RCST6DR240 Royal Catering
Ezt a felhasznalói kézikonyvet gépi forditással forditották le. Minden erófeszítét megtettunk a forditás pontosságának biztosítása érdekében, de kérjuk, vegye figyembe, hogy az automatizált forditások nem tokeletesek, és nem az emberi forditók helyettesitésérs szolgálnak. A felhasznalói kézikonyv hivatalos valtozata angol nyelvú. A leforditott valtozat és azeredeti angol nyelvú valtozat közöttti elterések nem jogilag kötelező érvényüek. Ha barmilyen kerdese van a forditás pontosságával kapcsolatban, kérjuk, olvassa el az angol nyelvú valtozatot, amely a hivatalos hivatkozásí alap. További nyelvi valtozatok kérésre a info@expondo.com cimen érhétók el.
Muszaki adatok
| Paramétr leírása | Paramétr értéke | |||||
| Preciós mérleg | HútÓasztal 2 ajtóval | HútÓasztal 2 fiókal és 1 ajtóval | HútÓasztal 4 fiókal | HútÓasztal 3 ajtóval | HútÓasztal 2 fiókal és 2 ajtóval | HútÓasztal 6 fiókal |
| Modell | RCST-2D240 | RCST- 1D2DR240 | RCST-4DR230 | RCST-3D240 | RCST- 2D2DR240 | RCST-6DR240 |
| Névleges feszült ség [V~] / frekvencia [Hz] | 230 / 50 | |||||
| Névleges áramerósség [A] | 1 | 1,9 | ||||
| Klimaosztály | 4 | |||||
| Szigételő fúvógáz Ciklopentán | ||||||
| Hútőközeg | R290/57g | R290/102g | ||||
| Mérétek [sélesség* hosszúság* magasság; mm] | 903*700*950 | 902*698*950 | 700*900*950 | 1369*70*951 | 1370*700*950 | 1370*700*950 |
| Súly [kg] | 57,25 | 65,1 | 72,8 | 82,45 | ||

A keszülék leírsa
A termeket ugy terveztek, hagy a friss alapanyagok konnyen rendelkezesre alljanak gyors elkésizteshez. Idealis ettermekben, szalodakban, salatabarokban es elelmiszeruzletekben, peldaul kebab- es falafel-zyletekben.
A felhasznaló fele i készülék nem rendeltetésszerú hasznalataból eredő károkér.
Telepités
Telepítésiutasítások
- Csomagolja ki a keszüléket, ügyelve arra, hogy minded muányag védófoliat és bevonatot teljesen eltávolítson(AP) felületrol. A serulések vagy károk elkerülése érdekében a keszülék kicsomagolasat es felallitásat két szemelynek kell végeznie.
- A megfelelo szellozes erdekében tartson legalabbb 20 cm (7 huvelyk) távolsagot a keszülék és a közeli falak vagy tárgyak kozott. Novelje ezt a távolsagot, ha a tárgy hóforras.
- A keszüléket a csavaros lábak beállitásával szintezze ki. Stabil, sik felületre kell helyezni a rezgés és a zaj minimalizálasa érdekében.
- A keszülk elhelyezésenek hómerseklete 10 °C és 32 °C月至k bell lennie. Kerülle a keszülk kozvetlen napfényben vagy hoforrások, peldául sütok vagy radiatorok kölében törtőelh elhelyzesét.
- Gondoskodjon a keszülek megfelelo szellózséról.
- Ellenorizze, hagy a telepités helyén a tapellatas és a feszültseg megfel-e a címe adatainak. A dugónak a beszerelés után is hozzaféhétonek kell maradnia.
- Helyesen csatlakoztassa es huzza ki a dugót. Gyózódjön meg rola, hogy a dugó biztonságosan be van dugva. A kihúzáskor fogja meg magát a dugót. Soha ne húzza meg közvetlenül a zsinórt.
- Ha a keszüléket hosszabb ideig nem használja, kapcsoljki, valassza le az áramforrásrol, tiszíttsa meg, és szagok elkerülésé érdekében hagyja nyitva az ajtóvagy a fedelet.
- Fontos: Az OnBiztonsaga erdekében a keszüléket megfeleloen födelni keill.
A keszülék födelő gezetékkel és dugóval van ellatva, amelyet megfeleloen födlelt konnektorba kell csatlakoztatni. HaBizonytalan a födelésel kapcsolatban, forduljon szakképzett villanyszerelohoz vagy szervizközponthoz.
- Ha a tapkabel nem eri el a legkozelebbi aljatot, vagy rendeze at a berendezest, vagy kjeren meg egy szakkepzett villanyszerelot, hogy szereltessen be egy uy aljatot.
- Áramszünet után varjon legalább 3 percet a készülék ujraindítasa elött, hogy elkerülje a kompresszor károsodásat.
- Éelemiszerek tárolásakor az egyes polcok legfeljebb 40 kg-ot (88 fontot) birhatnak el, és a tárgyak nem nyúlhatnak tú a polc elüso vagy hátso szélen.
A polcok/fiokok felszerelese
- A szekrény mindkét oldalára szereljen fel egy-egy polcvezetokészletet a kivist magasságban.
- Csyszta s a polcot vagy fiokot a helyere.
- Ismételje meg a folyamatot a többi polc vagy fiok esétében.
Ha a keszüléket nem fuggoleges helyzetben tárolták vagy szállitották, hagyja fuggolegesen állni körülbelül 12 orán keresztül, mielótt üzembe helyezné.
Az elso hasznalat elott tiszitsa meg a polcokat es a belso teret szappanos vizzel.
Ezek a lépések elengedhetlenek a megfelelo kondenzvizelvezetésBiztosítáhsoz.
Tevekenység
Basix utasítások
Ahhoz, hogy a legjobb eredményt érje el a keszülékkel, kérjuk, kovesse az alábbi utasításokat:
- Csak akkor tárolja az etelt a keszülékben, ha az elerte a megfelelo üzemi hómér sékletet.
- Gondoskodjon arrol, hagy a GN-tarolorekeszek mindig tele legyenek, meg akkor is, ha a tarolok uresek vagy nincsenek hasznalatan. Az ures rekeszek jelentosen csokkentik a keszulek hatekonysagat.
- Hasznalaton kivul mindig tartsa zarva az ajtós a fedelet.
- Ne tegyen fedetlenul forro etelt vagy folyadekot a keszulek belsejbe.
- AmikorCsak lehetségés,csomagolja be vagy fedje le az etelt.
- Ne blokkolja a keszülk belső ventilátorait.
- Kerülje az ajtók hosszabb ideig történ nyitva tartását.
- Az egyes polcok maximalis terhelhetossege 20kg
- Az élelmiszereket a szekrénye vagy a polcra helyezés elótt tárolóedénye kell helyezni. Az éelelmiszerek kózvetlen elhelysezse a szekrénye nem megengedett.
- Amikor nedves etel/zoldseg kerul a keszulekbe, normalis, hogy jeg (hó) jelenik meg a felszinen.
Kapcsolja be a keszüléket
- Zárja be a készülék ajtajat (ajtóit).
- Gyózódjón meg róla, hogy a halózati kapcsoló a [0] allásban van, majd kapcsolja be a konnektort.
- Kapcsolja be az aramellátást a [I] címre. Megjelenik a keszülk aktuális belso hórmárseklete.
- A gezérlopanei Ievo termosztát 3 percig villog, jelezve a kompresszor leallasa es ujrainditasa kozottirovid ciklus elleni késlettetest.
A fedel/fiok nyitasa/zarasa

VIGYAZAT:
A tolófedél nem rendelkezik zároszerkezettel. Mindig győzódjön meg arról, hogy a fedél felig nyitott helyzetben van, mielótt megprébalná kinyitni.
A serulések elkerulése érdekében ne huzza a fiokot a teljesen nyitott allason tulra.
A keszülék fedele tobb pozióba allithato:
- Csukott fedellet csusztassa vissza felig nyitott allasba, hogy reszlegesen hozzaferjen a GN-tartalyok talcaihoz.
-
Emelje felfelé és hátra a fedelet, amig a zsanér biztonságosan be nem illeszkedik a tartonyilásba.
-
Emelje fel teljesen a fedelet, hogy a GN-tartalyok talcai teljesen szabadda valjanak.
Hómérskletbeallitás és vezérlöpanel

1-LeolvasztóIampa
2-A kompresszor mukodsesenek jelzofenye
3-Digitalis termosztat
4- Programozási billentyú (a felhasználo számára nem hozzaféheto) Választó billentyú
5-Homerseklet modosito gombok
Lásd a beállított pontot
- Nyomja meg roviden a SET billentyut, majd engedje fel, hogy megjelenjen a beallitott pont.
- Nyomja meg és engedje fel üra rovden a SET gombot, vagy varjon korulbelul 5 masodpercet, amig a kijelzo visszatér a normal allapotba.
A beallitasi pont modositasa
- Tartsa lenyomva a SET gombat tobb mint 2 masodpercig a beallitott ertek modositasahoz.
- Az aktualis beallitasi ertek jelenik meg, es a ^ szimbolum villogni kezd.
- Az ertek beallitasahoz 10 masodpercen belul hasznalja a FEL vagy a LE nyilakat.
- Nyomja meg ujra a SET gombot, vagy varjon 10 masodperct az uy beallitasi ertek elmentesehez.
Kézieloleivasztás
Ezt a keszüléket legalabbb havonta egyszer kézzel kell leolvasztani, mivel nem rendelkezik automatikus leolvasztási funkcióval.

FIGYELEM! A leolvasztási ciklus a keszülék elő bekapcsolásának pillanatától kezdódk.
Módszer a készülék kézi leolvasztására:
- Nyomja meg és tartsa lenyomva a DEFROST gombat 5 masodpercig.
- A leolvasztasi ciklus azonnal megkezdódk, és a leolvasztasi LED világit. A ciklus 20 percig tart.

FIGYELEM! A kezi leolvasztás elindítása visszaallitja az automatikus leolvasztás idzitójét. A következő
automatikus leolvasztás 12 orával a kézi leolvasztásí ciklus befejezé után történik.
Tiszítás és karbantartás
Rutinszeru karbantartas
- Tisztitás elótt kapcsoljá ki és valassza le a készüléket az elektramos halózatról.
- Rendszeresen tiszítsa meg a keszüléket kivülró és belülró egyarant.
- Törölje le a keszüléket nedves ruhával. Győzódjön meg rola, hogy a kapcsoló, a vezérlopanel, a kabel és a dugó száraz marad.
- Ne használjon suroló hatású tiszítószereket, mivel azok káros maradványokat hagyhatnak maguk után. Csak enyhe szappanos vizet használjon.
- Az ajtotomitestcak vizzel tiszitsa meg.
- Ügyeljen arra, hogy az elektromos alkatrészekbe ne kerüljön tiszítóviz.
- Net tisztítsa a készüléket vizugárral.
- Tisztfatas utan mindig puha ruhaval szaritsa meg a keszuleket.
- Kerülje, hogy a tisztiţovíz a lefolyónyiláson keresztül a párologtatóedénybe folyjon.
- Legyen ovatos a keszulek hatuljanak tisztitasakor.
- Ha javitára van szükség, forduljon szakképzett technikushoz vagy szervizugynökhöz.
- Ha a keszülk hosszabb ideig nem üzemel, kapcsolja a kapcsolóff allasba, húzza ki a keszüléket a halózatból, uritse ki a hútóteret, és alaposan tiszíttsa meg.
Specialis idszakos karbantartas

FIGYELEM! Az alabbiutasitások aSZAKSZAKMAI SZÉMELYEK számaí készültek.
- Rendszeresen tiszítsa meg a kondenzárot megfelelo eszkökkel, például porszívoval vagy puha kefével.
- Gyózǎdjön meg arról, hogy minded elektromos csatlakozás biztonságos és nem laza.
- Ellenorizze, hogy a termosztat es az erzekel megfeleloen mukodike.
- A kondenzátor rendszeres tiszítása segithet meghosszabbitani a készulék elettartamát.
- Javasoljuk, hogy a kondenzátor tiszítításat szaképztatt szakember vagy megbizott vegezne el.
- Az elektromos szekrény kulcsat gyermekek és illetéktelen felhasznalok szárá elérhetetlen helyen kell tartani.
- A kulcsotCsak a szekreny kinyitasyahoz hasznalld.
- Rendszeresen uritse ki a keszulek alatt talalhato lefolyotalat.
- A lefolyó tál visszahelyezéskor ügyeljen arra, hogy a lefolyó tómlő megfeleloen legyen visszahelyezve a lefolyó tála.
Marvany apolas
-
A munkalap tiszitatasakor kerülje a csiszloanyagok vagy durva tiszitószerek hasznalatat. Hasznaljon helyette meleg, szappanos vizet.
-
A repedések elkerulésé érdekében ne tegyen forró vagy fagyasztott tárgyakat kózvetlenü a márványfelültre.
- Azonnal takarítsa fel a kiömlätt folyadékokat, különösen a savas folyadékokat, mint a citromlé vagy az ecet.
- Ajänlott vagódeszkát használni, hogy a munkalap sérulésenek veszélye minimálisma csökkenjen.
- A tiszítás után alaposan szárítsa meg a felületet puha ruhával.
A használt eszközök ártalmatlanítsa
A csomagolast ugy tervezték, hogy megvédje a keszüléket és alkatrészeit a szallitas során, és ujrahasznositható anyagokból keszült. Kérjuk, hogy a csomagolast ne dobja ki, hanem juttassa vissza egy hivatalos gyüjtöhelyre ujrahasznosítás celjából, hogy elosegütse az anyagok ujraelhasznalását. A régi keszülékek ujrahasznositható anyagokat tartalmaznak, és nem szabad a háztartási vagy ömlesztét hulladékal együtt artilmatlanitani 6ket.
A keszülk kidobasa elott tegye hasznalhatatlanna a zarakat, es ha lehetséges, tavolitsa el az ajtó(ka)t. Ha a keszülkben rugós vagy reteszes zarak vannak, tavolitsa el vagy tiltsa le azokat, hogy megakadályozza a gyermekeb beszorulását.
A hütörendszer oyan gazokat és hütőkögeket tartalmaz, amelyek SPECIALIS artilmatlanitasi modszereket igenyelnek. Megsemmisités elott győzódjön meg arról, hogy a hütőközegkor nem sérult meg. A környezettudatos artilmatlanitasi modszerek valaszásával On is hozzájárul a környezetvedelemhez. A felhasznalt hütőközegre és szigetelóanyagokra vonatkozo informaciok a készülk címkéjén talalhatök.
A gyujtési idopontokrol vagy az artilmatlanitás helyszineiról a helyi hulladékkezlo hatosagoknál vagy a helyi önkormányzatnal kaphat tajékoztatast. A terméken vagy a csomagoláson talalható szimbólum azt jelzi, hogy nem szabad haztartasi hulladékkent megsemmisiteni, hanem az elektramos és elektronikus berendezesek szármára kijelöltújrahasnosító kozpontba kellvinni. A megfelelo artilmatlanitás segit megelőznia környezet és az embareri egészseg nem megfelelo hulladékkezelseból eredó lehét séges karosodását.
A termek ujrahasznositásával kapcsolatos további részletekér forduljon a helyi varosi hivatalho, hulladékzelöhz vagy ahho z kiskereskedóhoz, ahol a terméket vásárolta.
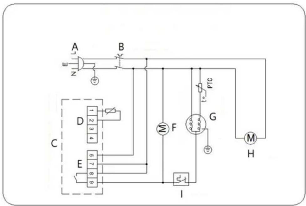
Elettromos diagram

A-Halozati csatlakozó
B-Halozati kapcsoló
C-Homerseklet ellorzese
D-Szoba
E-Tapellatas 230V 50-60Hz
F-Kondenzator ventilador
G-Kompresszor
H- Párologtátó ventilatór
I-Tulterhelésvedo
Hibaelhárítás
| Problème Lehetséges ok Megoldás | ||
| A készülék nem működik | 1. A készülék nincs bekapcsolva | 1. Ellenőrizable, hogy a készülék megfeleloen be van-e dugva és be van-e kapcsolva. |
| 2. A dugő és a gezeték sérult | 2. Hívja fel ügynökét vagy egy képzett szakembert ellenőrzésre. | |
| 3. A dugóban lévő biztosíték kiégett | 3. Cserélje ki aBiztosítékot (brit dugó) | |
| 4. Tápellátási problémák | 4. Ellenőrizable a pátegységet | |
| 5. Belső gezetékezési hiba | 5. Hívja fel ügynökét vagy egy képzett szakembert ellenőrzésre. | |
| A készülék be van | 1. Túl suk jég van az elpárologtatón | 1. Olvassza le a készüléket |
| kapcsolva, de a hórmérséklet tuli magas/alacsony. | 2. A kondenzátor eltömödött a porral | 2. Hívja fel ügynökét vagy egy képzett szakembert ellenörzsésre. |
| 3. Az ajtók nem záródnak megfeleloen | 3. Ellenőrizable, hogy az ajtók zárva vannak-e, és a tömítések nem sérültek-e. | |
| 4. A készülék hófforrásközelében van, vagy a kondenzátor levegőáramlása megszakad. | 4. Helyezze át a hütõszekrényt egy alkalmasabb helyre | |
| 5. A környezeti hórmérséklet tuli magas | 5. Növelje a szellőzást, vagy helyezze a készüléket húvösebb helyre. | |
| 6. Nem megfelelo'élelmiszerekket tárolnak a készülékben | 6. Távolítsa el a tólzzottan forró élelmiszerekket vagy a ventilató reltömödsét. | |
| 7. A készülék tülterhelt | 7. Csökkentse a készülékben párolt élelmiszerek mennyiségét. | |
| A készülék szokatlanul magas zajszintetprodukál | 1. Laza anya/csavar | 1. Ellenőrizable és húzza meg az összes anyát és csavart |
| 2. A készülék met námvizszintesen vagy nem stabilan helyeztcel. | 2. Ellenőrizable a beépítési pozićó, és szükség eseten módosítsa azt | |
| A készülékből viz szivárog | 1. A készülék nincs megfeleloen kiegyenlítve | 1. Àllítsa be a csavaros lábakat a készülék vizszintbe allytásához (ha van ilyen). |
| 2. Az ürítonyilás eltömödött | 2. Tiszítlsa meg a kivezetőnyilást | |
| 3. A viz mozgása a lefolyóba akadályozott. | 3. Tiszítlsa meg a padlót a készüléktól (ha van ilyen). | |
| 4. A vizartály megsérült | 4. Hívja fel ügynökét vagy egy szakképzett szakembert ellenörzsésre. | |
| 5. A csepegtető tálca tülcsordul | 5. Ürítse ki a csepegtető tálcát egy szivaccsal. | |

KönnyűKézikönyv