RCST6DR240 - Koelkast Royal Catering - Gratis gebruiksaanwijzing en handleiding
Vind de handleiding van het apparaat gratis RCST6DR240 Royal Catering in PDF-formaat.
Download de handleiding voor uw Koelkast in PDF-formaat gratis! Vind uw handleiding RCST6DR240 - Royal Catering en neem uw elektronisch apparaat weer in handen. Op deze pagina staan alle documenten die nodig zijn voor het gebruik van uw apparaat. RCST6DR240 van het merk Royal Catering.
GEBRUIKSAANWIJZING RCST6DR240 Royal Catering
Deze gebruikershandleiding is vertaald met behulp van machinevertaling. Wij hebben er alles aan gedaan om ervoor te zorgen dat de vertaling nauwkeurig is, maar houd er rekening mee dat automatische vertalingen Niet perfect+zijn en Niet bedoeld zichon om menselijke vertalers te verrangen. De officièle versie van de gebruikershandleiding is in het Engels. Eventuele verschillen:tussen de vertaalde versie en de originele Engelse versie zichniet juridisch bindend. Als uvragen heb't over de juistheid van de vertaling, raadpleeg dan de Engelse versie; dit is de officièlereferentie. Versies in andere talen zichn op aanvraag verkrijgbaar via info@expondo.com.
Technische gegevens
| Beschrijving parameter | Waarde parameter | |||||
| Productnaam | Koeltafel met 2 deuren | Koeltafel met 2 laden en 1 deur | Koeltafel met 4 laden | Koeltafel met 3 deuren | Koeltafel met 2 laden en 2 deuren | Koeltafel met 6 laden |
| Model | RCST-2D240 | RCST-1D2DR240 | RCST-4DR230 | RCST-3D240 | RCST-2D2DR240 | RCST-6DR240 |
| Nominale spanning [V~] / frequentie [Hz] | 230 / 50 | |||||
| Nominale stroom [A] | 1 | 1,9 | ||||
| Klimaatklasse | 4 | |||||
| Isolatie blazend gas | Cyclopentaan | |||||
| Koelmiddel | R290/57g | R290/102g | ||||
| Afmetingen [breedte * lenghte * hoogte; mm] | 903*700*950 | 902*698*950 | 700*900*950 | 1369*70*951 | 1370*700*950 | 1370*700*950 |
| Gewicht | [kg] | 57,25 | 65,1 | 72,8 | 82,45 | |
Beschrijving

Het product is zo ontworpen dat verse ingredienten direct beschikbaar+zijn voor snelle bereiding. Het is ideaal voor gebruik in restaurants, hotels, salutebars en voedingswinkels zoals kebab-en falafelrestaurants.
De gebruiker is aansprakelijk voor alle schade die voortvloeit uit onbedoeld gebruik van het apparaat.
Installatie
Installatie-instructies
- Pak het apparaat uit en zorg ervoor dat alle beschemende plastic folie en coatings volledig van alle oppervlakken zijn verwijderd. Om letsel of schade te voorkomen, dienen twee Personen het apparaat uit te pakken en te installereren.
- Zorg voor een vrij ruimte van minimaal 20~cm (7 inch)CUSen het apparaat en nabijgelegen muren of voorwerpen voor een goede ventilatie.Vergroot de afstand als het object een warmtebron is.
- Zet het apparaat waterpas door de schroefvoetjes aan te passen. Plaats het op een stabiele, vlakke ondergrond om trillingen en geluid tot een minimum te beperken.
- De temperatuur waar het apparaat zich bevindt, moet:tussen de 10^ en 32^ liggen. Plaats het Niet in direct zonlicht of in de buurt van warmtebronnen zoals ovens of radiatoren.
- Zorg ervoor dat het apparaat goed geventileerd is.
- Controller of de stroomvoorziening en de spanning op de installmentatie overeenkomen met de geevens op het typeplaatje. De stekker要去 installatie toegankelijk blijven.
- Sluit de stekker correct aan en koppel deze los. Zorg ervoor dat de stekker goed vastzit. Houd bij het uittrekken de stekker zich vast. Trek nooit rechtstreeks aan het snoer.
- Als u het apparaat gedurende een langere periode Niet gebruikt, schakelt u het uit, trekt u de stekker uit het stopcontact, maakt u het schoon en LAST u de deur of het deksel openstaan om nare geuren te voorkomen.
- Belangrijk: Voor uw veilighheid moet het apparaat goed geaard zichn.
Het apparaat is voorzien van een aardingsdraad en een stekker. Deze要去en worden aangesloten op een geaard stopcontact. Als u twijfelt over de aarding, raadpleeg dan een gekwalificeerde elektricien of een servicecentrum.
- Als de stroomkabel Niet tot het dichtstbijzijnde stopcontact reikt,要去 uw opstelling aanpassen of een gekwalificeerde elektricien een niewu stopcontact lately installeren.
- Wacht na een stroomstoring minimaal 3 Minutes voordat u het apparaat opnieuw opstart om schade aan de compressor te voorkomen.
- Wanner u voedsel opbergt, mag elke plank nicht更是 dan 40kg dragen en mogen de producten niet over de voor- of onderkant van de plank uitsaken.
Plaats de planken/laden
- Installer aan elke kant van de kast een set plankgeleiders op de gewenste hoogte.
- Schuif de plank of lade op+zijn plaats.
-
Herhaal het proces voor de overige planken of lades.
-
Als het apparaat Niet rechtstopstaand is opgeslagen of vervoerd, maar het dan ongeveer 12 uwrrechtstaan voordat u het gebruikt.
Maak de planken en de binnenkant voor het eerste gebruik schoon met zeepsop. - Deze stappen zichn van Cruciaal belang om een goede condensafvoer te garanderen.
Anvendelse
Basix-instructions
Om het beste resultaatuit uw apparaat te halen, volgt u deze instructies:
- Bewaar voedsel pas in het apparaat als het de juiste bedrijftstemperatuur hebt bereikt.
- Zorg ervoor dat de GN-containervakken algtd gemuld zich, zelfs als de containers leeg zich of Niet in gebruik zich. Lege vakken zorgen ervoor dat het apparaat minder efficient werkt.
- Houd de deur en het deksel algijd gesloten wanner u het apparaat Niet gebruikt.
- Plaats geen onbedekte, hete etenswaren of vloeistoffen in het apparaat.
- Wikkel of bedek voedsel indien möglichk.
- Blokker de interne ventilatoren van het apparatuseniet.
- Laat de deuren Niet telang openstaan.
- Het maximale draagvermogen per plank bedraagt 20kg
- Voedsel moet in een bakje worden gedaan voordat het in de kast of op een plank worden gezet. Het is Niet toegestaan om voedsel rechtstreeks in de kast teplaatsen.
- Wanner u natte levensmiddelen/groenten in het apparaatplaatst, is het normal dat er ijs (sneeuw) op het oppervlak verschijnt.
Zet het apparaat aan
- Sluit de deur(en) van het apparaat.
- Zorg ervoor dat de aan/uit-schakelaar in de stand staat [0] positie en zet verzervogens het stopcontact aan.
- Schakel de stroom maar [I]. De huidige binnentemperatuur van het apparatus wordt weergegeven.
- Dethermostaat op het bedieningspaneel knippert gedurende 3 minuten, wat aangeeft dat er een vertraging isCUSen het stoppen en opnieuw opstarten van de compressor.
Open/sluit het deksel/de lade

WAARSCHUWING!
- Het schuifdeksel heeft geen vergrendelingsmechanisme. Zorg er algid voor dat het deksel halfopen staat voordat u het probeert te openen.
- Om letsel te voorkomen, mag u de lade nicht verder opentrekken dan de volledig geopende stand.
Het deksel van het apparatusat kan in meertere standen worden versteld:
-
Schuif het deksel geslotentering aan de halfopen stand, zodat u gedeeltektoegang heb tot de GNbakladen.
-
Til het deksel omhoog enaar achteren totdat het scharnier stevig in de gleuf rust.
- Til het deksel helemaal omhoog en maarachten om de GN-bakschalen volledig bloot te leggen.
Temperatuurinstelling en bedieningspaneel

1- Ontdoolampje
2- Compressor werkingslampje
3-Digitalethermostat
4-Programmeersleutel (niet toegankelijk voor de gebruiker) Selectiesleutel
5-Temperatuuraanpassingstoetsen
Zie het instelpunt
- Druk kort op de toets om het instelpunt wee ter geven.
- Druk kort op deSET Druk nogmaals op de toets of wacht ongeveer 5 seconden totdat het display weeren normal is.
Verander het instelpunt
- Houd deSET toets langer dan 2 seconden ingedrukt om de instelwaarde te wizigen.
- De huidige instelwaarde worden weergegeven en het symbol "C"begint te knipperen.
- Gebruik de pijltjestoetsen OMHOOG of OMLAAG binnen 10 seconden om de waarde aan te passen.
- Druk op deSET Druk nogmaals op de toets of wacht 10 seconden om de nieuwe instelwaarde op te slaan.
Handmatig ontdooien
Dit apparaat moet minimaal een keer per maand handmatig worden ontdooid, odomat het geen automatische ontdoofunctie heeft.

KENNISGEVING! De ontdooicyclus begint zodra het apparaat voor het eerst worden ingeschakeld.
Methode om het apparaat handmatig te ontdooien:
-
Houd de ONTDOOI-knop ingedrukt 5 seconden ingedrukt houden.
-
De ontdooicyclus begint onmiddelijk en de ontdooi-LED gaat branden. De cyclus duurt 20 minutes.

KENNISGEVING! Wonneer u handmatig ontdooit, worden de timer voor automatisch ontdooien opnieuw
ingesteld. De volgende automatische ontdooling vindt plaats 12 eer nadat de handmatige ontdooicyclus is voltooid.
Reiniging en onderhoud
Routineonderhoud
- Schakel het apparaat UIT en haal de stekker UIT het stopcontact voordat u het schoonmaakt.
- Maak zowel de buitenkant als de binnenkant van het apparaat regelmatig schoon.
- Veeg het apparaat schoon met een vochtige doek. Zorg ervoor dat de schakelaar, het bedieningspaneel, de kabel en de stekker droog blijven.
- Gebruik geen schurende schoonmaakmiddelen, deze können schadelijke resten acheterlaten. Gebruik alleen een mild sopje.
- Maak de deurafdichting alleen schoon met water.
- Zorg ervoor dat er geen schoonmaakwater in de elektrische componententerechtkomt.
- Maak het apparaat Niet schoon met een waterstraal.
- Droog het apparaat na het schoonmaken alsijd af met een zachte doeck.
- Zorg ervoor dat er geen schoonmaakwater via het afvoergat in de verdamperbak stroomt.
- Wees voorzichtig bij het schoonmaken van dechterkant van het apparaat.
- Als er reparaties nodig zich, raadpleeg dan een gekwalificierde technicus of serviceagent.
- Als u het apparaat gedurende een langere periode Niet gebruikt, zet u de schakelaar op UIT, haalt u de stekker uit het stopcontact, maakt u het koelvak leeg en maakt u het grondig schoon.
Special periodiek onderhoud

KENNISGEVING! De volgende instructies zijn bedoeld voor VAKKUNDIG PERSONEEL.
- Maak de condensor regelmatig schoon met geschikte hulpmiddelen, Zoals een stofzuiger of zachte borstels.
- Zorg ervoor dat alle elektrische aansluitingen goed vastzitten en Niet loszitten.
- Controller of dethermostat en de sensor goed functioneren.
- Door de condensor regelmatig schoon te make, kut u de levensduur van het apparaat verlengen.
- Het worden aanbevolen om de condensorreiniging door een gekwalificierde technicus of agent te latentuitvoeren.
- De sleutel van de elektriciteitskast moet buiten bereik van kinderen en onbevoegde gebruikers worden bewaard.
- Gebruik de sleutel alleen om de kast te ontgrendelen.
- Leeg regelmatig de lekbak onder het apparaat.
- Wanner u de lekbak terugplaatst, zorg er dan voor dat de afvoerslang goed in de bak is geplaatst.
Marmer verzorging
- Gebruik geen schurende middelen of agressieve schoonmaakmiddelen bij het schoonmaken van het werkblad. Gebruik inplaats waarvan warm water met zeep.
- Plaats geen hete of bevroren voorwerpenrechtstreeks op het marmeren oppervlak om scheuren te voorkomen.
- Maak gemorste vloeistoffen onmiddelijk schoon, vooral zure vloeistoffen zoals citroensap of azijn.
- Om het risico op beschadiging van het werkblad te minimisieren, raden wij u aan een snijplank te gebruiken.
- Na het reinigen het oppervlak grondig drogen met een zachte doek.
Afvoeren van gebruekte apparaten
De verpakking is ontworpen om het apparaat en de onderdelen ervan te beschemmen tijdens het transport en is gemaatk van recyclebare materialen. Lever de verpakking in bij een officieel inzamelpunt voor recycling inplaats van deze weg te gooien. Zo bevorderen we hergebruik van materialien. Oude apparaten bevatten herbruikbare materialien en mogen Niet bij het huishoudelijk afval of grofvuil worden gegoodid.
Voordat u het apparaat weggooit, dient u de sloten onbruikbaar te maken en indien möglichk de deur(en) te verwijden. Als het apparaat voorzien is van veer- of grendelsluitingen, verwijder deze dan of maak ze onschadelijk om te voorkomen dat kinderen in het apparaat opgesloten raken.
Het koelsystemeem bevat gassen en koelmiddelen die speciale verwijderingsmethoden vereisen. Controller of het koelcircuit Niet beschadigd is voordat u het afvoert. Door te kiezen voor milieuvriendelijkke verwijderingsmethoden draagt u bij aan de bescherming van het milieu. Informatie over het gebruekte koelmiddel en de isolatiematerialen vindt u op het typeplaatje van het apparaat.
Voor informatie over de ophaaldata of stortlocaties kut u contact opnemen met de plaatselijke afvalverwerkingsautoriteiten of uw gemeente. Het symbool op het product of de verpakking geeft aan dat het Niet als huishoudelijk afval mag worden afgevoerd, maar waar een aangewezen recyclingcentrum voor elektrische en elektronische apparatuur要去 worden gebracht. Door afval op de juiste manier af te voeren, voorkomt u möglichke schade aan het milieu en de menselijk gezondheid als gevolg van onjuiste afvalverwerking.
Voor meer informatie over het recyclen van dit product kut u contact opnemen met uwplaatselijke gemeentehuis, afvalverwerkingsbedrijf of de winkel waar u het product hebt gekocht.
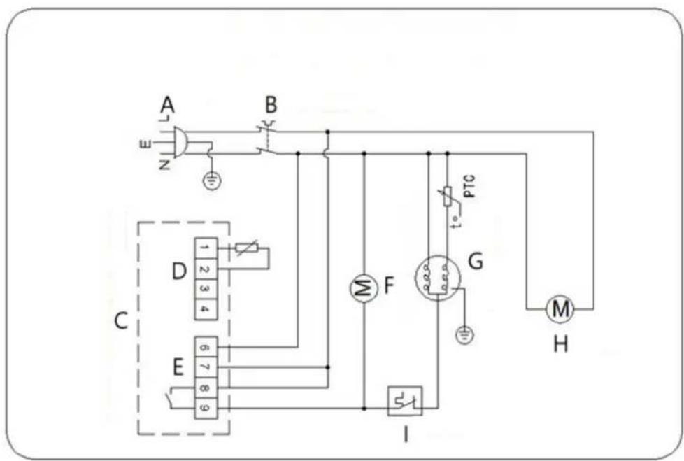
Elektrisch schema

A-Stekker
B-Aansluiting voeding
C- Temperatuurregelaar
D-Kamer
E-Voeding 230V 50-60Hz
F- Condensorventilator
G- Compressor
H-Verdamperventilator
I-Overbelastingsbeveiliging
Problemen oplossen
| Probleem Mogel | jkeoorzaak Oplossing | |
| Het apparaatwerkt nicht | 1. Het apparaat is nicht ingeschakeld | 1. Controller of het apparaat correct is aangesloten en ingeschakeld |
| 2. De stekker en het snoer zijn beschadigd | 2. Bel uw agent of een gekwalificeerde technicus voor een inspectie | |
| 3. De zekering in de stekker is doorgebrand | 3. Vervang de zekering (UK-stekker) | |
| 4. Problemen met de stroomvoorziening | 4. Controller de voeding | |
| 5. Interne bedrangsfout | 5. Bel uw agent of een gekwalificeerde technicus voor een inspectie | |
| Het apparaat staat aan, maar de temperatuur is te hoog/laag | 1. Te veel ijs op de verdamper | 1. Ontdooi het apparaat |
| 2. Condensor verstopt met stof | 2. Bel uw agent of een gekwalificierde technicus voor een inspectie | |
| 3. Deuren zichniet goed gesloten | 3. Controller of de deuren gesloten zichn en of de afdichtingen Niet beschadigd zichn | |
| 4. Het apparaat staat zicht bij een warmtebron of de luchtstroom� de condensor worden onderbroken | 4. Verplaats de koelkast� naar een geschiktere locatie | |
| 5. De omgevingstemperatuur is te hoog | 5. Verhoog de ventilatie of verplaats het apparaat� naar een koelere plek | |
| 6. Er worden ongeschikte levensmiddelen in het apparaatbewaard | 6. Verwijder eventuele overmatig hete etenswaren of verstoppening in de ventilator | |
| 7. Apparaat is overbelast | 7. Verminder de hoeveelheid voedsel die u in het apparaat bewaart | |
| Het apparaat produeert een ongewoon hoog geluidsniveau | 1. Losse moer/schroef | 1. Controller en draai alle moeren en schroeven vast |
| 2. Het apparaat is nicht op een vlakke of stabiele plaats geinstalleerd | 2. Controller de installmentepositie en wijzig deze indien nodig | |
| Het apparaat lekt water | 1. Het apparaat staat nicht goed waterpas | 1. Stel de schroefvoetjes af om het apparaat waterpas te zetten (indien van toepassing) |
| 2. De afvoer is geblokkeerd | 2. Maak de afvoeropening vrij | |
| 3. De waterstroom� naar de afvoer worden belemmerd | 3. Maak de vloer van het apparaat vrij (indien van toepassing) | |
| 4. De watercontainer is beschadigd | 4. Bel uw agent of een gekwalificierde technicus voor een inspectie | |
| 5. De lekbak loopt over | 5. Maak de lekbak leeg met een spons |

Anoppi n npnooioeewv ouokuwv
H oukeuaia exel oxdeltaei yia va npootateuei tn ouokeun kai ta eapntmuata nca tna tetafopa kau eiva kataoakeuaouevn ano avakukwoua uiká. Eniotpeyte tn oukeuaia oe eniono oneio ouloync ia avakukwon, avti va tvn anoppiets, yia va npownoete tvn enavaxpnoonoinon uikwv. OI naiec ouakeue c nepiexouv enavaxpnoonoiouuia uikka kai dev npenei va anoppiitovtai paiz i e ta oikaká n xmu anoppimuata.
Piv anoppiets n oukeun, kavte tuxov kaleiabapiec axpnoetc kal, eav elal duvatov, aphipeote tnvtic) npota(ec). Eav n ouakeun exel eaatnpiwtec ec n bc mcnoulovv, aphipeote tic n anevepyoioane tic ia va anotpeets nynayideuon naidwv mea.
To ouotma uoc nepieexe aepia kai uuktka eoa anaitouv elidikc e08douc anoppu nC. Bealwte oI to kukawu uoktikov dev exei unootei nua npiv ao nvo npovnnp. Enueoyvtac neipaaovtka
Ueouvec meoosouc anoppius, oubetaalete oyn npootia tou nepaalovtoc. Nnpoopoeic oxetik a to uktko kai ta movtikau ulika nou xnpaumoiouvtai mtopeite va bpeite otnv etiketa xaapaktipiotikuv tnc ouokeunc.
Tia nnpoopiec oxetikae tic nepounviec ouloync n tic tootheoeic anoppiuec enkoovwnote me tic tonkeacpxec diaethoc anoppmuatwv n to tonko acoumboulio.To oubolo oto npoiov n otn ouokuaia unodekvuiotdev npenei va anoppphiei wc oikaiok aoabnto, aaa npenei va metaeepthetae e kaopioevo kevpto avakkwoanc nakktpiko kai naktpvukou exonlmou.H ownt anopppn Bono atny npolns niavw bawy ia to nepiaalov kai tnv avthetaivn uyia loyw akataaanns diaxepionc anoppmuatwv.
SimpelGids