RCST6DR240 - šaldytuvas Royal Catering - Nemokama naudojimo instrukcija
Raskite įrenginio instrukciją nemokamai RCST6DR240 Royal Catering PDF formatu.
Atsisiųskite instrukciją savo šaldytuvas PDF formatu nemokamai! Raskite savo instrukciją RCST6DR240 - Royal Catering ir vėl perimkite savo elektroninį įrenginį. Šiame puslapyje skelbiami visi dokumentai, reikalingi jūsų įrenginio naudojimui. RCST6DR240 prekės ženklo Royal Catering.
NAUDOJIMO INSTRUKCIJA RCST6DR240 Royal Catering
Šis martotojo vadovas buvo isverstas naudojant masininj vertimă. Déjome visas pastangas, kad vertimas būtug tikslus, tăiau atminkite, kad automatinali vertimai nera tobuli ir nera skirti pakeistiŽmoniu vertejus. Oficiali martotojo vadovo versija yra anglu kalba. Bet kokie skirtumai tarp išverstos versijos ir originalo anglu kalba nera teisiškai jpareigojantys. Jei turite klausimu del vertimo tikslumo, Žr. versija anglu kalba, kuri yra oficiali nuoroda. Daugiu kalbu versiju galite gauti pateike užklausa info@expondo.com.
Techninai duomenys
| ParametręApraśymas | Parametrę reiksmé | |||||
| Produktovapadinimas | Śaldymostalas su 2durimis | Śaldymostalas su 2stalciais ir 1durelémis | Śaldymostalas su 4stalciais | Śaldymostalas su 3durimis | Śaldymostalas su 2stalciais ir 2durelémis | Śaldymostalas su 6stalciais |
| Modelis | RCST-2D240 | RCST-1D2DR240 | RCST-4DR230 | RCST-3D240 | RCST-2D2DR240 | RCST-6DR240 |
| Nominali [tampa[V~] / dažnis [Hz] | 230 / 50 | |||||
| Nominali srové[A] | 1 | 1,9 | ||||
| Klimato klase | 4 | |||||
| Izoliacinéspūtimo dujos | Ciklopentanas | |||||
| Śaldymo agentas | R290/57g R290/102g | |||||
| Matmenys [plotis* ilgis * aukstis;mm] | 903*700*950 | 902*698*950 | 700*900*950 | 1369*70*951 | 1370*700*950 | 1370*700*950 |
| Svoris | [kg] | 57,25 | 65,1 | 72,8 | 82,45 | |
Aprasymas

Produkta sukurtas taip, kad butu galima greitai paruosti sviezius ingredientus. Jis ideaii tinka naudoti restoranuose, viebuciuose, salotu baruose ir maisto parduotuvese, pavyzdziui, kebabu ir falafeliu parduotuvese.
Naudotojas atsako už bet kokia Žalá, atsiradusia del jrenginio naudojimo ne pagal paskirtj.
Montavimas
Montavimo instrukcijos
- Ispakukite prietaisajir jsitikinkite, kad nuo visu pavirsiu visiskai paalinta visa apsaugine plastikine pleveler dingos.Kad isvengtumete suzeidimur sugadinimo, du zmones turetu atlikti prietaisoispakavima ir nustatyma.
- Palaiky kite bent 20 cm (7 coliu) tarp tarp prietaio ir salia esanciu sienu ar objektu, kad butu uztikrintas tinkamas vedinimas. Padidinkite sj atstumaj, jei objektas yra silumos saltinis.
- Islyginkite prietaisagreguliuodami varztines kojles.Jis turi buti pastatytas ant stabilaus, lygaus pavirsiaus, kad butusumainta vibracija ir triuksmas.
- Prietaiso laikymo temperatura turi buti nuo 10^ iki 32^ . Nelaiky kite jtiesoginiuose saules spinduliuose arba salia silumos saltiniu, tokiu kaip orkaites ar radiatoriai.
- Jsitikinkite, kad prietaisas tinkamai védinamas.
- JSitikinkite, kad maitinimo šaltinis ir jtampa montavimo vietoje atitinka duomenis, nurodytus vardinéje etiketeje. Po montavimo kistukas turi likti prieinamas.
- Teisingai prijunkite ir atjunkite kistuka. Jsitikinkite, kad kiistukas patikimai jkiistas. Istraukdami laikykite uz paties kiistuko. Niekada netraukite lado tiesiai.
- Jei prietaisas bus nenaudojamas ilgesnj laika, isjunkite jj, atjunkite nuo maitinimo saltinio, isvalykite ir palikite atidarytas dureles arba dangtj, kad isvengtumete kvapu.
- Svarbu: Jusu saugumui prietaisas turi buti tinkamai jemintas.
Prietaise yra jzeminimo laidas ir kistukas, kuris turi buti prijungtas prie tinkamai jzeminto lizdo. Jei nesate tikri del jzeminimo, kreipkites j kvalifikuota elektrika arba techninnes prieziuros centra.
- Jei maitinimo laidas nepasiekia artimiausio lizdo, pakeiskite saramk a rba papra sykite kualifikuoto elektriko jstatytnauj Izda.
- Nutrukus elektros tiekimui, pries iš naujo paleisdami prietaisa palaukite bent 3 minutes, kad nesugadintumete kompresoriaus.
- Laikant maista, kiekviena lentyna turi išlaikyti ne daugiau kaip 88 svarus (40 kg), o daiktai neturi išsikišti per priekinius ar galinius lentynos kraštus.
Pritvirtinkite lentynas / stalcius
- Kiekvienoje spintelès puséje jstatykite po lentynu kreiptuvus norimame aukstyje.
- Pastumkite lentyna arba stalicui vieta.
- Pakartokite procesā likusioms lentynoms arba stalčians.

PASTABA!
- Jei jrenginys buvo laikomas arba gabenamas ne vertikalioje padetyje, prieš naudodami leiskite jam stovét i vertikalai maždaug 12 valandy.
Pries naudodami pirma karta, nuvalykite lentynas ir vidu muiluotu vandeniu.
- Sie veiksmai yra labai svarbūs norint užtikrinti tinkamā kondensato nutekějima.
Operacija
Pagrindines instrukcijos
Noredami gauti geriausius saveripiaiso rezultatus, vadovaukites siomis instrukcijomis:
- Maisto produktus prietaise laikykite tik tada, kaijis pasiekia reikiam darbin temperatura.
- Užtikrinkite, kad GN konteineriu skyriai butu visada užpildyti, net jei konteineriai yra tušti arba nenaudojami. Tušcios vietos Žymiai sumazins prietaiso efektyvum.
- Visada laiky kite dureles ir dangtj uzdarytus, kai nenaudojate.
- Nedekite j prietaisa neuzdengto karsto maisto ar skysciu.
- Jei jmanoma, maistu suvyniokite arba uzdenkite.
- Neuzblokuokite vidiniu prietaiso ventilatoriui.
- Venkite laikytiduris atidarytas ilga laika.
- Maksimali kiekvienos lentynos apkrova yra 20kg
- Maistas turi buti dedamas j inda pries dedant j spintele arba ant lentynos. Tiesiogiai maisto deti j spintele neleidziana.
- Kai j prietaisā dedamas šlapias maistas/daržovès, ant paviršiaus atsiranda ledo (sniego).
Junkite prietaisa
- Uždarykite prietaiso direles (-es).
- Jsitikinkite, kad maitinimo jungiklis yra [O] padetj, tada junkite lizda.
- Perjunkite maitinima i[1]. Bus rodoma esama prietaiso vidaus temperatura.
- Termostatas valdymo skydelyje mirkses 3 minutes, nurodydamas trumpojo ciklo delsq tarp kompresoriaus sustojimo ir pakartotinio paleidimo.
Atidarykite / uždarykite dangtj / stalciu

JSPÉJIMAS!
Stumdomas dangtis neturi fiksavimo mechanizmo. Pries bandydami atidaryti dangtj, visada jsitikinkite, kadjis yra pusiau atidarytas.
- Kad nesusizeistumete, netraukite stalcius už visiskai atidarytos padéties.
Prietaiso dangtj galima reguliuoti j kelias pozicijas:
- Uzdare dangtj, pastumkite jj atgal j pusiau atidaryat padetj, kad iš dallas pasiektumete GN talpyklos deklus.
- Pakelkite dangtelj aukstyn ir atgal, kol vyriai tvirtai atsidurs atramos angoje.
- Pakelkite dangtj iki galo aukstyn ir atgal, kad visiskai atskleistumete GN talpyklos deklus.
Temperaturos nustatymas ir valdymo pultas

1- Atitirpinimo lemputé
2- Kompresoriaus veikimo lemu tè
3- Skaitmeninis termostatas
4- Programavimo raktas (vartotojui nepasiekiamas) Pasirinkimo klavišas
5- Temperaturos keitimo klavisai
Ziurekite nustatyta taska
- Trumpai paspauskite ir atleiskite SET mygtuka, kad butu rodomas nustatytas tasksa.
- Trumpai paspauskite ir atleiskite SET dar karta paspauskite mygtuka arba palaukite mazdaug 5 sekundes, kol ekranas grjjs normalu.
Pakeiskite nustatyta taska
- LaikykiteSET palaikykite paspaude mygtuk ilgiau nei 2 sekundes, kad pakeistumete nustatyto taško verte.
- Bus rodoma esama nustatyto taško reiksmé, o simbolis „C“ pradès mirkseti.
- Norédami sureguliuoti verte, per 10 sekundžiuy naudokite rodykles AUKŠTYN arba ŽEMYN.
- Paspauskite SET Dar kartā paspauskite klaviša arba palaukite 10 sekundži, kad išsaugotumete nauj nustatyto taško reiksme.
Rankinis atsildymas
Sia jrang a reikia rankiniu budu atitirpinti bent karta per menesj, nes ji neturi automatino atitirpinimo funkcijos.

PASTABA! Atitirpinimo ciklas prasideda nuo to momento, kai prietaisas pirma Kartj jungiamas.
Prietaiso rankinio atitirpinimo budas:
- Paspauskite ir laikykite nuspaude mygtuka ATITIRPINIMAS mygtuka 5 sekundes.
- Atitirpinimo ciklas prasides iš karto ir užsidegs atitirpinimo sviesos diodas. Ciklas trucks 20 minučiμ.

PASTABA! Pradejus rankinj atitirpinima, automatino atitirpinimo laikmatis bus nustatyas iš naujo. Kitasatinis atitirpinimas jvyks praejus 12 valandu po rankinio atitirpinimo ciklo pabaigos.
- Pries valydami prietaisa isjunkite ir atjunkite nuo maitinimo saltinio.
- Reguliarai valy kite prietaiso isore ir vidu.
- Nuvalykite jrenginj dregn sluoste. Isitikinkite, kad jungiklis, valdymo skydelis, laidas ir kistukas lieka sausi.
- Nenaudokite abrazyviniu valymo priemoniu, nes jos gali palikti kenksmingu likuci. Naudokite tik svelnu muiluota vandenj.
- Dureliq sandariklj valykite tik vandeniu.
- Užtikrinkite, kad je elektrinius componentus nepatektu valymo vandens.
- Nevalykite prietaiso vandens srove.
- Po valymo visada nusausinkite prietaisq minksta sluoste.
- Stenkites, kad valymo vanduo netekétu per išleidimo angaj garinimo indq.
- Bukite atsargus valydami gali ne prietaiso dalj.
- Jei reikia remonto, kreipkites j kvalifikuotq technika arba techninés prieziuros atstovq.
- Jei prietais bus neaktyvus ilgesnj laika, pasukite jungiklj OFF padetj, atjunkite jj, iustinkite szaldymokamerair kruopsciai isvalkyite.
Speciali periodine prieziura

- Periodiskai valykite kondensatoriu naudodami atitinkamus jrankius, tokius kaip dulkiu siurblys arba minksti sepeciai.
- Isitikinkite, kad visos elektros jungtys yra saugios ir neatsilaisvinusios.
- Patikrinkite, ar tinkamai veikia termostatas ir jutiklis.
- Regularius kondensatoriaus valymas gali pailginti prietaiso tarnavimo laikq.
- Rekomenduojama, kad kondensatoriaus valyma atliktu kvalifikuotas technikas arba agentas.
- Raktas nuo elektros spinteles turi buti laikomas vaikams ir pašaliniams naudotojams nepasiekiamoje vietoje.
- Rakta naudokite tik spintelei atrakinti.
- Periodiskai istustkite isleidimo inda, esant po jrenginiu.
- Is naujo montuodami isleidimo inda jsitikinkite, kad isleidimo zarna yra tinkamai jdeta atgal j inda.
Marmuro prieziura
- Valydami stalvirj nenaudokite abrazyviniu medziagu ar stipriu valikliu. Vietoj to naudokite silta, muiluota vandenj.
- Nedekite karstu ar susalusi daiktu tiesiai ant marmurinio pavirsiaus, kad nesuskiltu.
-
Nedelsdami nuvalykite išiliejusius skyscius, ypač rugšcius skyscius, tokius kaip citrinos sultys ar actas.
-
Norint sumažinti stalviršio pažeidimo rizika, rekomenduojama naudoti pjaustymo lenta.
- Po valymo kruopšciai nusausinkite pavirsiug minksta sluoste.
Naudoty prietaisu ismetimas
Pakuoté skirta apsaugoti prietaisa ir jo componentus transportavimo metu ir yra pagaminta iš perdirbamug medziagú. Praśome gražinti pakuote j oficialu surinkimo punkta perdirbtí, o ne išmesti, kad butu skatinamas medziagú pakartotinis naudojimas. Senuose prietaisuose yra daugkartinio naudojimo medziagú, todél ju negalima išmesti kartu su buitinémis ar stambiomis atliekomis.
Pries ismesdami prietaisa, padarykite visus ukraktus netinkamus naudoti ir, jei jmanoma, nuimkite direles (-es). Jei prietaisas turi spyruoklinio veikimo arba varztu fiksatorius, iismkite arba ijsjunkite juos, kad vaikai nejstrigtu viduje.
Saldymo sistemejo yra duju ir saltnesiu, kuriems reikia specialiu salinimo budu. Pries iismesdami jsitikinkite, kad saltnesio granidine nera pazeista. Pasirinkdami aplinkta tauojancius salinimo budus, prisidatedrie prie aplinkos apsaugos. Informacionapie naudojam saltnesj ir izoliacines medziagas rasite prietaiso etiketeje.
Noredami gauti informacijos apie surinkimo datas arba šalinimo vietas, kreipkitës j vietines atlieku šalinimo institucijas arba vietos taryba. Ant gaminio arba pakuotës esantis simbolis rodo, kad jo negalima išmesti kartu su buitinemis atliekomis, o nuvezti j paskirta elektrós ir elektronínes jrangos perdirbimo centra. Tinkamas atlieku šalinimas padeda išvengti galimos Žalos aplinkai ir Žmoniu sleikatai del netinkamo atlieku tvarkymo.
Noredami gauti daugiau informacijos apie sio gaminio perdirbima, susisiekite su vietine miesto jstaiga, atlieku salinimo tarnyba arba mažmeninknu, iš kurio jsigijote gaminj.
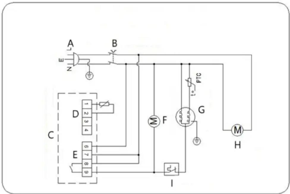
Elektros schema

A- Maitinimo kistukas
B- Maitinimo jungiklis
C- Temperaturos regulatorius
D-Kambarys
E- Maitinimas 230V 50-60Hz
F-Kondensatoriaus ventilatorius
G-Kompresorius
I- Apsauga nuo perkrovos
Trikciug salinimas
| Problema Galima | priěžastls Sprendlmas | |
| Prietaisas neveikia | 1. Jrenginys nejungtas | 1. Patikrinkite, ar jrenginys tinkamai prijungtas ir jjungtas |
| 2. Kištukas ir laidas yra pažeisti | 2. Paskambinkite savo agentui arba kvalifikuotam technikui del patikrinimo | |
| 3. Kištuko saugiklis perdegé | 3. Pakeiskite saugiklj (JK kištukas) | |
| 4. Maitinimo problemos | 4. Patikrinkite maitinimo šaltinj | |
| 5. Vidaus laidu gedimas | 5. Paskambinkite savo agentui arba kvalifikuotam technikui del patikrinimo | |
| Prietaisas jjungtas, bet temperatūraper aukšta/žema | 1. Per daug ledo ant garintuvo | 1. Atitirpinkite prietaisä |
| 2. Kondensatorius užsikimşës dulkëmis | 2. Paskambinkite savo agentui arba kvalifikuotam technikui del patikrinimo | |
| 3. Durys nera tinkamai uždarytos | 3. Patikrinkite, ar durys uždarytos ir ar nepažeisti tarpikliai | |
| 4. Prietaisas yra šalia šilumos šaltinio arba oro srautas j kondensatoriug nutrūksta | 4. Perkelkite šaldytuvçj tinkamesné vietä | |
| 5. Aplinkos temperatūra per aukšta | 5. Padidinkite ventilaciçija arba perkelkite prietaisäj aušintuvç | |
| 6. Prietaise laikomi netinkami maisto produktai | 6. Pašalinkite per daug karstus maisto produktus arba ventilariatoriaus užsikimšimus | |
| 7. Prietaisas perkrautas | 7. Sumažinkite jrenginyje laikomomaisto kiekj | |
| Prietaisas sklearnidžianejprastai aukšta triukšmo lygi | 1. Atsilaisvinusi veržlé/varžtas | 1. Patikrinkite ir priveržkite visas veržles ir varžtus |
| 2. Prietaisas nebuvo sumontuotas lygioje arba stabilioje padétj | 2. Patikrinkite montavimo padétj ir, jei reikia, pakeiskite | |
| Iš prietaiso teka vanduo | 1. Prietaisas netinkamai išlygintas | 1. Sureguliuokite varžtu kojeles, kad prietaisas būtuy lygus (jei taikoma) |
| 2. Išleidimo Angela užblokuota | 2. Išvalykite išleidimo Angela | |
| 3. Vandens judëjimas jkanalizacija yra trukdomas | 3. Nuvalykite prietaiso grindis (jei taikoma) | |
| 4. Vandens indas pažeistas | 4. Paskambinkite savo agentui arba kvalifikuotam technikui del patikrinimo | |
| 5. Nuvarvèjimo padéklas perpildytas | 5. Ištuštinkite lašejimo padékla kempine |

LengvasVadovas