RCST6DR240 - Jääkaappi Royal Catering - Ilmainen käyttöohje ja opas
Löydä laitteen käyttöohje ilmaiseksi RCST6DR240 Royal Catering PDF-muodossa.
Lataa ohjeet laitteellesi Jääkaappi PDF-muodossa ilmaiseksi! Löydä käyttöohjeesi RCST6DR240 - Royal Catering ja ota elektroninen laitteesi takaisin hallintaan. Tällä sivulla julkaistaan kaikki laitteidesi käyttöön tarvittavat asiakirjat. RCST6DR240 merkiltä Royal Catering.
KÄYTTÖOHJE RCST6DR240 Royal Catering
Tämä käytöopas on kännetty konekännöksellä. Olemme tehneet kaikkemme varmistaaksemme kännöksen tarkkuuden, mutta huomaa, etta automaattiset kännökset eivat ole taydellisiaeivätke ne ole tarkoitetu korvaamaan ihmiskäntäjä. Käytöoppaan virallinen versio on englannikielen. Erot kännetyn version ja alkuperäisen englanninkielisen version valillä eivat ole oikeudellisesti sitovia. Jos sinulla on kysytävää kännöksen tarkkuudesta, katso englanninkielen versio, joka on virallinen viite. Lisää kielfiversioita on saatavilla pyynnostä osoitteesta info@expondo.com.
Tekniset tiedot
| Parametrin kuvaus | Parametrin arvo | |||||
| Tuotteen nimi | Jäkaappi 2 ovella | Jäkaappipöytä, jossa 2 laatikkoa ja 1 ovi | Jäkaappi 4 laatikolla | Jäkaappi 3 ovella | Jäkaappi 2 laatikkoa ja 2 ovea | Jäkaappi 6 laatikolla |
| Malli | RCST-2D240 | RCST-1D2DR240 | RCST-4DR230 | RCST-3D240 | RCST-2D2DR240 | RCST-6DR240 |
| Nimellisjännite [V~] / taajuus [Hz] | 230 / 50 | |||||
| Nimellisvirta [A] 1 | 1,9 | |||||
| Ilmastoluokka | 4 | |||||
| Eristys puhaltaa kaasua | Syklopentaani | |||||
| Kylmäaine | R290/57g | R290/102g | ||||
| Mitat [leveys * pituus * korkeus; mm] | 903*700*950 | 902*698*950 | 700*900*950 | 1369*70*951 | 1370*700*950 | 1370*700*950 |
| Paino [kg] 57,25 | 65,1 72,8 82,45 | 89,6 104,8 | ||||
Kuvaus

Tuote on suunniteltu varmistamaan, etta tuoreet ainesosat ovat helposti saatatavilla nopeaa valmistusta varten. Se on ihanteellinen kaytettavaki ravintoloissa, hotelleissa, salaattibaareissa ja ruokakaupoissa, kuten kebab- ja falafel-liikkeissä.
Käytäja on vastuussa kaikista vahingoista, jotka aiheutuvat laitteen virheellisestä käytösta.
Asennus
Asennusohjeet
- Pura laite pakkauksestaan ja varmista, etta kaikki suojaavat muovikalvot ja pinoitteet on poistettukokonaan kaikilta pinnoilta. Loukkaantumisten tai vaurioiden valttamiseksi kahden henkilön tulee hoitaa laitteen purkaminen ja asentaminen.
- Sälytä vähintään 20 cm (7 tuumaa) tilaa laitteen ja lahellä olevien seinien tai esineiden valillä asianmukaista ilmanvaithoa varten. Suurenna tata etaïsvytta, jos esine on lammonlähde.
- Aseta laite vaakasuoraan saatamalla ruuvijalkoja. Se tulee sioittaa vakaalle, tasaiselle alustalle tarinan ja melun minimoimiseksi.
- Laitteen sijaintipaikan lamptolan tulee olla 10 - 32^. Valta sjoittamasta sita suoraan auringonpaisteeseen tai lammonlalteiden, kuten uunien tai patterien, lahelle.
- Varmista, etta laite tuuletetaan kunnolla.
- Varmista, etta asennuspaikan virtalähde ja jännite vastaavat arvokilvessä olevia tietoja. Pistokkeen on oltava kävtettävissä asennuksen iälkeen.
- Liitä ja irrota pistoke oikein. Varmista, etta pistoke on kunnolla kiinni. Kun irrotat pistokkeen, pidä kiinn itse pistokkeesta. Älä koskaan vedä johdosta suoraan.
- Jos laitetta ei käytetä pitkään aikaan, sommuta se, irrota se virtalähteestä, puhdista se ja jätä ovi tai kans auki haijien välttämiseksi.
- Tärkeä: Turvallisuutesi vuoksi laite on maadoitettava kunnolla.
Laite on varustettu maadoitusjohdolla ja pistokkeella, jotka on kytkettävä asianmukaisesti maadoitettuun pistorasiaan. Jos olet epavarma maadoituksesta, ota yhteyttä patevaän sahkoasentajaan ta huoltolijkeeseen.
- Jos virtajohto ei yle lahimpaan pistorasiaan, joko jarjestä asetukset uudelleen tai pyydä patevaa sahkoasentaja asentamaan uusi pistorasia.
- Odota sahkokatkon jälkeen vähintään 3 minuuttia ennen kuin käynistät laitteen uudelleen, jotta kompressori ei yaurioidu.
- Kun sailytāt ruokaa, kukin hylly saa painaa enintään 40 kg,eivatkā tavarat saa ulottua hyllyn etu- ta takareunojen yli.
Asenna hyllyt/laatikot
- Asenna sarja hyllyohjaimia kaapin kummallekin puolle halutulle korkeudelle.
- Liu'uta hylly tai laatakko paikoilleen.
-
Toista prosessi jäljellä oleville hyllyile tai laatikoille.
-
Jos yksikkoä on sailytetty tai kuljetetu muussa kuin pystasennossa, anna sen seistä pystasennossa noin 12 tuntia ennen kayttoä.
Puhdista hyllyt ja sisätilat saippuavedellä ennen ensimmästä käytöä.
Nämä vaiheet ovat ratkaisevan tärkeitä oikean kondenssiven den poiston varmistamiseksi.
Käytto
Perusohjeet
Saadaksesi parhaat tulokset laitteestasi, noudata naita ohjeita:
- Sälytä ruoka aalitteessa vasta, kun se on saavuttanut oikean käyttolampötilan.
- Varmista, etta GN-sailliotilat ovat aina taytetyina, vaikka sailiot olisivat tyhjiä tai niitta kayteta. Tyhjat lokerot heikentavat merkittavasti laitteen tehokkuutta.
- Pida ovi ja kansi aina suljettuina, kun niita ei kayteta.
- Alä laita peittamatontkuumaa ruokaa tai nesteitälaitteen sisään.
- Käärä tai peitä ruoka aina kun mahdollista.
- Älä tuki laitteen sisäisä tuulettimia.
- Välta pitamastovia uaki pitkä aikoja.
- Yhden hylyn maksimikantavuus on 20kg
- Ruoka tulee laittaa astiaan ennen kaappiin tai hyllylle laittamista. Ruoan sjoittaminen suoraan kaappiin e ole salittua.
- Kun marka ruoka/viannes laitetaan laitteeseen, on normalaia, etta pinnalle tulee jaat (lunta).
Kytke laite pälle
- Sulje laitteen ovet.
- Varmista, etta virtakytkin on asennossa [0] asentoon ja kytke sitten pistorasia pälä.
- Kytke virta pälle [l]. Laitteen nykyinen sisalampötila naytetaan.
- Ohjauspaneelin termostaatti vilkkuu 3 minuuttia osoitta an lyhyitä jaksoja estavän viiveen kompressorin pysahtymisen ja uudelleenkäynistyksen valillä.
Avaa/sulje kansi/laatikko

VAROITUS!
- Liukuvassa kannessa ei ole lukitusmekanismia. Varmista aina, etta kansi on puoliavoin asennossa ennen kuin yritat avata sitä.
Loukkaantumisten välttämiseksi alä vedä laatikkoena taysin avoimen asennon ulkopuolle.
Laitteen kansi voidaan saataa useaan asentoon:
- Kun kansi on kiinni, liu'uta se takaisin puoliavoin asentoon paastksesi osittain kasiksi GN-saillioalustalle.
-
Nosta kanta ylos ja taaksepain, kunnes sarana lepa tukevasti tukiurassa.
-
Nosta kansi kokonaan ylos ja takaisin paljastaaksesi GN-saillioalustat kokonaan.
Lampotilan saatto ja ohjauspaneeli

1-Sulatusvalo
2-Kompressorin toimintavalo
3-Digitaalinen termostaatti
4- Ohjelmoiniavain (ei kayttajan kaytettavissa) Valintanappain
5-Lampotilan saatonappaimet
Katso asetuspiste
- Paina lyhyesti ja vapauta SET -nappainta nayttaksesi asetuspisteen.
- Paina lyhyesti ja vapauta SET uudelleen tai odota noin 5 sekuntia, jotta naytt palautu normalaiksi.
Muuta asetuspistettä
- Pidä kiinniSET -nappaintä yli 2 sekunnin ajan muuttaaksesi asetusarvoa.
- Nykyinen asetuspisteen arvo tulee nakyviin ja symboli "C" alkaa vilkkua.
- Käytä YLOs- tai ALAS-nuolia 10 sekunnin kuluessa arvon saatamiseen.
- PainaSET nappainta uudelleen tai odota 10 sekunta tallentaaksesi uuden asetusarvon.
Manuaalinen sulatus
Tämä laite vaatii manuaalisen sulatuksen vähintään kerran kuukaudessa, koska siinä ei ole automaattista sulatustoiminta.

HUOMIO! Sulatusjakso alkaa siitā hetkestä, kun laite käynistetään ensimmäisen kerran.
Laitteen manuaalinen sulatusmenetelma:
- Pidä SULATUS-painiketta painettuna painiketta 5 sekunnin ajan.
- Sulatusjakso alkaa valittomasti ja sulatus-LED sytty. Jakso kestaa 20 minuuttia.

HUOMIO! Manuaalisen sulatuksen kännistäminen nollaa automaattisen sulatusajastimen. Seuraava aattinen sulatus tapahtuu 12 tunnin kuluttua manuaalisen sulatusjakson pättymisësta.
Puhdistaminen ja huelto
Rutinihuolto
- Sammuta laite ja irrota se verkkovirrasta ennen puhdistamista.
- Puhdista saannollisesti sekä laitteen ulko- etta sisäpuoli.
- Pyyhi laite kostealla liinalla. Varmista, etta kytkin, ohjauspaneeli, kaapeli ja pistoke pysyvat kuivina.
- Älä käytä hankaavia puhdistusaineita, koska ne voivat jättä haitallisia jaämä. Käytä vain mietoa saippuavettä.
- Puhdista luukun tiiviste vain vedellä.
- Varmista, ettei puhistusvettä pääse sahkokomponentteihin.
- Älä puhdista laitetta vesisuihkulla.
- Kuivaa laite aina puhdistuksen jälkeen pehmeällä liinalla.
- Välta päästämä puhdistusvettä valumaan tyhjennysreiä lapi haihutusastiaan.
- Ole varovainen puhdistaessasi laitteen takaosaa.
- Jos korjauksia tarvitaan, ota yhteys patevaan teknikkoon tai huoltolikkeeseen.
- Jos laitetta ei kayteta pitkaa aikaan, kaanny kytkn OFF-asentoon, irrota virtajohto pistorasiasta, tyhennakymalokero ja puhdista huolellisesti.
Erityinen märäaikaishuolto

HUOMIO! Seuraavat ojeet on tarkoitetu Ammattitaitoiselle HENKILOSTOLLE.
- Puhdista lauhdutin saannollisesti sopivilla tyokaluilla, kuten polynimurilla tai pehmeillar harjoilla.
- Varmista, etta kaiksi sahkoliitannat ovat kunnolla kiinn iivatka loystyneet.
- Tarkista, etta termostaatti ja anturi toimivat oikein.
- Lauhduttimen sānnöllinen puhdistaminen voi pidentäa laitteen käytöikäa.
- On suositeltavaa, etta patevTeknikko tai edustaja suorittaa lauhduttimen puhdistuksen.
- Sähkökaapin avain tulee sailyttäa lasten ja luvattomien käytäjien oluttumattomissa.
- Käytä avainta vain kaapin lukituksen avaamiseen.
- Tyhjennä yksikön alla oleva tyhjennysastia saannöllisesti.
- Kun asennat tyhjennysastiaa takaisin, varmista, etta tyhjennysletku on asetetu oikein takaisin astiaan.
Marmorin hoit
- Välta hankaavien materiaiainen tai voimakkaiden pesuaineiden käyttoä työtaoa puhdistaessasi. Käytä sijaan lammintä, saippuavettä.
- Ålä aseta kuumia tai jaätyneitä esineitä suoraan marmoripinnalle halkeamien staviseksi.
- Puhdista roiskeet valittomasti, erityisesti happamat nesteet, kuten sitruunamehu tai etikka.
- On suositeltavaa käytää leikkuulautaa työtason vaurioitumisriskin minimoimiseksi.
- Kuivaa pinta huolellisesti puhistuksen jälkeen pehmeällä liinalla.
Käytettyjen laitteiden havittäminen
Pakkaus on suunniteltu suojaamaan laitetta ja sen osia kuljetuksen aikana, ja se on valmistetu kierratettavistamateriaaleista. Palauta pakkaus viralliseen kerayspisteeseen kierratysta varten sen havittamisen sijaan materiaalin uudelleenkayton edistamiseksi. Vanhat laitteet sisaltavat uudelleenkaytettävià materiaialeja, eika niitta saa havittä kotitalous- tai bulkkjätteen mukana.
Ennen kuin havit latteen, tee kaikki lukot kaytkevottomiksi ja,Jos mahdollista, poista luukku(t). Jos laitteessa on jousi- tai pulttisalpa, poista ne tai poista ne kaytosta, jotta lapset eivat jaa puristuksiin.
Jäähdytsjärestelmä sisältaa kaasuja ja kylmäaineita, jotka vaativat erityisiä havitysmenetelmiä. Varmista ennen havittämä, ettei kylmäainepiiri ole vaurioitunut. Valitsemalla ymparistöystavallisiä havitysmenetelmiä vaikutat ymparistönsuojeluun. Tietoja käytetyistä kylmäaine- ja eristysmaterialiaeista lôytyy laitteen arvokilvestä.
Lisātietajo keräyspaivista tai havityspaikoista saat paikallsilta jatehuoltoviranomaisila tai paikallselta viranomaiselta. Tuotteessa tai pakkauksessa oleva symboli osoittaa, etta sitä ei saa havittä kotitalousjätteen mukana, vaan se tulee toimittaa nimetyyn sähkö- ja elektronikkalitteiden kierratskeskukseen. Asianmukainen havittäminen auttaa estämään ympäristolle ja ihmister terveydelle mahdollisesti aiheutuvat vahingot, jotka johtuvat värästä jätteenkäsittelysta.
Lisātietoja tāmān tuotteen kierratyksesta saat paikalliselta kunnanvirastolta, jätehuoltopalvelulta tai jälleenmyjälta, jolta tuote ostit.
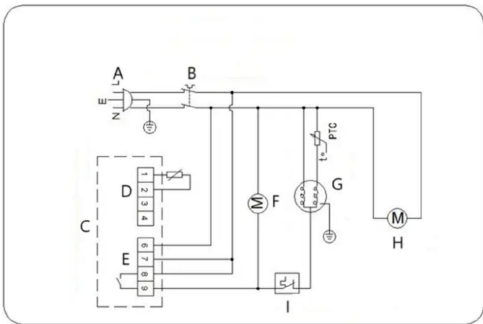
Sahkokaavio

A-Virtapistoke
B-Virtakytkin
C-Lampotilan saadin
D-Huone
E-Syötto 230V 50-60Hz
F-Lauhduttimen tuuletin
G-Kompressori
H- Hoyrystimen tuuletin
I-Ylikuormitussuoja
Ongelmien ratkaiseminen
| Ongelma Mahdollinen syy Ratkaisu | ||
| Laite ei toimi | 1. Laitetta ei ole kytketty pääle | 1. Tarkista, että laite on kytketty oikein ja kytketty pääle |
| 2. Pistoke ja johto ovat vauroituneet | 2. Soita edustajallesi tai pätevälle teknikolle tarkastusta varten | |
| 3. Pistokkeen sulake on palanut | 3. Vaihda sulake (UK-pistoke) | |
| 4. Virtalähteen ongelmat | 4. Tarkista virtalähde | |
| 5. Sisäinen johtovika | 5. Soita edustajallesi tai pätevälle teknikolle tarkastusta varten | |
| Laite on päälä, mutta lampötila on liian korkea/matala | 1. Liikaa jätä Höyrystimessä | 1. Sulata laite |
| 2. Lauhdutin on polyn sukossa | 2. Soita edustajallesi tai pätevälle teknikolle tarkastusta varten | |
| 3. Ovet eivät ole kunnolla kiinni | 3. Tarkista, että ovet ovat kiinni ja tiivisteet eivät ole vauroituneet | |
| 4. Laite sisaitsee lahellä lahmonlähdettä tai ilmavirtaus lauhdutttimeen on katkennut | 4. Siirrä jäkaappi sopivampaan paikkaan | |
| 5. Ympäristön lampötila on liian korkea | 5. Lisää tuuletusta tai siirrä laite jähdytttimeen | |
| 6. Laitteessa säilytetään sopimattomia elintarvikkeita | 6. Poista kaikki ylimääräiset kuomat ruoat tai tuulettimen sukokset | |
| 7. Laite on yliuormitettu | 7. Vähennä laitteessa säilytettävän ruoan märää | |
| Laite tuottaa epätavallisen korkeaa melua | 1. Löystynyt mutteri/ruuvi | 1. Tarkista ja kiristä kaikki mutterit ja ruuvit |
| 2. Laitetta ei ole asennettu vaakasuoraan tai vakaaseen asentoon | 2. Tarkista asennusasento ja vaihda sitä tarvittaessa | |
| Laitteesta vuotaa vettä | 1. Laitetta ei ole asetettu oikein | 1. Sääddä ruuvijalkoja laitteen vaakaksi (jos mahdollista) |
| 2. Poistoaukkö on sukossa | 2. Tyhjennä poistoaukkö | |
| 3. Veden liikkuminen viemärin on estetty | 3. Tyhjennä laitteen lattia (jos mahdollista) | |
| 4. Vesisäiliö on vauroitunut | 4. Soita edustajallesi tai pätevälle teknikolle tarkastusta varten | |
| 5. Tippa-allas on täynnä | 5. Tyhjennä tippaaukalo sienellä | |

Pouon 0epuokpaoc kalivaac eayxou

1-
HelppoOhje