RCST6DR240 - Chladnička Royal Catering - Bezplatný návod na obsluhu
Nájdite návod k zariadeniu zdarma RCST6DR240 Royal Catering vo formáte PDF.
Stiahnite si návod pre váš Chladnička vo formáte PDF zadarmo! Nájdite svoj návod RCST6DR240 - Royal Catering a vezmite svoje elektronické zariadenie späť do rúk. Na tejto stránke sú zverejnené všetky dokumenty potrebné na používanie vášho zariadenia. RCST6DR240 značky Royal Catering.
NÁVOD NA OBSLUHU RCST6DR240 Royal Catering
Používatel'ská príručka
PbKOBOCTBO 3a yIIOptpe6a
Odyno xpono
Upute za uporabu
Naudiojimo instrukcija
Manual de'utilizaré
Navodila za uporabo
REFRIGERATION TABLE

| DE Produktname Kühltisch mit | 2 TürenKühltisch mit 2 Schubladen und 1 TurKühltisch mit 4 SchubladenKühltisch mit 3 TürenKühltisch mit 2 Schubladen und 2 TürenKühltisch mit 6 Schubladen |
| EN Product name Refrigerationtable with 2 doorsRefrigeration table with 2 drawers and 1 doorRefrigeration table with 4 drawersRefrigeration table with 3 doorsRefrigeration table with 2 drawers and 2 doorsRefrigeration table with 6 drawers | |
| PL | Nazwa produktuStóf chlodniczy z 2 drzwiamiStóf chlodniczy z 2 szufladami i 1 drzwiamiStóf chlodniczy z 4 szufladamiStóf chlodniczy z 3 drzwiamiStóf chlodniczy z 2 szufladami i 2 drzwiamiStóf chlodniczy z 6 szufladami |
| CZ | Název vyrobkuChladícú stúl se 2 dveřmiChladícú stúl se 2 zásuvkami a 1 dvíkHzChladícú stúl se 4 zásuvkamiChladícú stúl se 3 dveřmiChladícú stúl se 2 zásuvkami a 2 dvíkHzChladícú stúl se 6 zásuvkami |
| FR Nomencl du produit Table réfrigérée à 2 portesTable réfrigérée avec 2 tiroirs et 1 porteTable réfrigérée avec 4 tiroirsTable réfrigérée à 3 portesTable réfrigérée avec 2 tiroirs et 2 portesTable réfrigérée avec 6 tiroirs | |
| IT Nomencl del prodotto Tavolo refrigerato con 2 porteTavolo refrigerato con 2 cassetti e 1 portaTavolo refrigerato con 4 cassettiTavolo refrigerato con 3 portetavolo refrigerato con 2 cassetti e 2 anteTavolo refrigerato con 6 cassetti | |
| ES Nombre del producto Mesafrigorifica con 2 puertasMesa frigorifica con 2 cajones y 1 puertaMesa frigorifica con 4 cajonesMesa frigorifica con 3 puertasMesa frigorifica con 2 cajones y 2 puertasMesa frigorifica con 6 cajones | |
| HU Termék neveHütőasztal 2 ajtóvalHütőasztal 2 fiókkal és 1 ajtóvalHütőasztal 4 fiókkalHütőasztal 3 ajtóvalHütőasztal 2 fiókkal és 2 ajtóvalHütőasztal 6 fiókkal | |
| DA Produktnavn Kølebord med2 dōrKølebord med 2 skuffer og 1 dörKølebord med 4 skufferKølebord med 3 dōrKølebord med 2 skuffer og 2 dōrKølebord med 6 skuffer | |
| FI Tuotteen nimi Jäkaappi 2 ovellaJäkaappipöytä, jossa 2 laatikkoa ja 1 oviJäkaappi 4 laatikollaJäkaappi 3 ovellaJäkaappi 2 laatikkoa ja 2 oveaJäkaappi 6 laatikolla | |
| NL Productnaam Koeltafel met 2 deurenKoeltafel met 2 laden en 1 deurKoeltafel met 4 ladenKoeltafel met 3 deurenKoeltafel met 2 laden en 2 deurenKoeltafel met 6 laden | |
| NO Produktnavn Kjølebord med 2 dōr | |
| Kjølebord med 2 skuffer og 1 dør Kjølebord med 4 skuffer Kjølebord med 3 dør Kjølebord med 2 skuffer og 2 dør Kjølebord med 6 skuffer | ||
| SE Produktname Kjeldord med | 2 dorrar Kjeldord med 2 lâdor och 1 dorr Kjeldord med 4 lâdor Kjeldord med 3 dorrar Kjeldord med 2 lâdor och 2 luckor Kjeldord med 6 lâdor | |
| PT No | me do produit Mesa de | refrigeração com 2 portas Mesa de refrigeração com 2 gavetas e 1 porta Mesa de refrigeração com 4 gavetas Mesa de refrigeração com 3 portas Mesa de refrigeração com 2 gavetas e 2 portas Mesa de refrigeração com 6 gavetas |
| SK Názov produktu Chladiaci stol s 2 dverami | Chladiaci stol s 2 zásuvkami a 1 dvierkami Chladiaci stol so 4 zásuvkami Chladiaci stol s 3 dverami Chladiaci stol s 2 zásuvkami a 2 dvierkami Chladiaci stol so 6 zásuvkami | |
| BG | Име на поodyкta | Xладина маса с 2 врати Xладина маса с 2 чекMedжета и 1 врати Xладина маса с 4 чекMedжета Xладина маса с 3 врати Xладина маса с 2 чекMedжета и 2 врати Xладина маса с 6 чекMedжета |
| EL | Овουа пpoioóvtoç | Травелушюгсмье 2 постec Травелушюгсмьe 2 ортάра кail 1 поста Травелушюгсмьe 4 ортάра Травелушюгсмьe 3 постec Травелушюгсмьe 2 oртάра кail 2 поста Травелушюгсмьe 6 oртάра |
| HR Naziv proizvoda Rashladni stol sa 2 vrata | Rashladni stol s 2 ladice i 1 vratima Rashladni stol sa 4 ladice Rashladni stol sa 3 vrata Rashladni stol s 2 ladice i 2 vrata Rashladni stol sa 6 ladica | |
| LT Produktoto pavadinimas | Šaldymo stalas su 2 durimis Šaldymo stalas su 2 stalčiais ir 1 durelěmis Šaldymo stalas su 4 stalčiais Šaldymo stalas su 3 durimis Šaldymo stalas su 2 stalčiais ir 2 durelěmis Šaldymo stalas su 6 stalčiais | |
| RO Numele produsului Masa fi | frigorifica cu 2 usi Masa frigorifica cu 2 sertare si 1 usa Masa frigorifica cu 4 sertare Masa frigorifica cu 3 usi Masa frigorifica cu 2 sertare si 2 usi Masa frigorifica cu 6 sertare | |
| SL Ime izdelka Hladilna miza z | 2 vroti Hladilna miza z 2 predaloma in 1 vroti Hladilna miza s 4 predali Hladilna miza s 3 vroti Hladilna miza z 2 predaloma in 2 vroti Hladilna miza s 6 predali | |
| DE Modell | EN Product model | PL Model produitu | CZ Model výrobku | FR Modèle | IT Modello | ES Modelo | HU Modell | DA Model | FI Tuotteen malli | NL Productmodel | NO Produktmodell | SE Produktmodell | PT Modelo do produto | SK Model | BG Modèle na pródykt | EL Movtělo pprojóvtoç | HR Model proizvoda | LT: Gaminio modelis | RO: Model de produs | SL: Model izdelka | RCST-2D240 RCST-1D2DR240 RCST-4DR230 RCST-3D240 RCST-2D2DR240 RCST-6DR240 |
| DE Hersteller | EN Manufacturer | PL Producent | CZ Výrobce | FR Fabricant | IT Produktore | ES Fabricante | HU Termeló | DA Producent | FI Valmistaja | NL Producent | NO Producent | SE Tillverkare | PT Fabricante | SK Výrobca | BG Пожав现代物流 | EL Kατακευαστής | HR Proizvodač | LT Gamintojas | RO Producător | SL Proizvajalec | expondo Polska sp. z o.o. sp. k. |
| DE Anschrift des Herstellers | EN Manufacturer Address | PL Adres producenta | CZ Adresa výrobce | FR Adresse du fabricant | IT Indirizzo del produttore | ES Dirección del fabricante | HU A gyártó címe | DA Producentens adresse | FI Valmistajan osoite | NL Adres produit | NO Produsentens adresse | SE Tillverkarens adress | PT Endereço do fabricante | SK Adresa výrobcu | BG Адес на скивдастени | EL: Διεύθυνη καταοκευαστή | HR Adresa proizvodača | LT Gamintojo adresas | RO Adresa producătorului | SL Naslov proizvajalca | ul. Nowy Kisielin – Innowacyjna 7, 66-002 Zielona Góra | Poland, EU |

Viz nastavená hodnota
Likvidace použitych prístrojū
Táto používatěska príručka bola preložné pomocou strojového prekladu. Vyvinuli sme maximalne usilie, aby bol preklad presný, ale upozorůjeme, ze automatické preklady nie su dokonál a nie su určené na to, aby nahradili ludskych prekladateřov. Oficialna verzia používatěskej príručky je v angličtine. Akékofvek rozdiely medzi preloženou verziou a originálnu angličtinou nie su prévne záväzné. Ak mate akékofvek otázky týkajúce sa presnosti prekladu, pozrite si anglickú verziu, ktorá je oficialnou referencingiou. Dalsie jazykové verzie su k dispoźći na vyziadanie na adrese info@expondo.com.
Technické udaje
| Popis parametra | Hodnota parametra | |||||
| Názov produktu | Chladiaci stôl s 2 dverami | Chladiaci stôl s 2 zásuvkami a 1 dvierkami | Chladiaci stôl so 4 zásuvkami | Chladiaci stôl s 3 dverami | Chladiaci stôl s 2 zásuvkami a 2 dvierkami | Chladiaci stôl so 6 zásuvkami |
| Model | RCST-2D240 | RCST-1D2DR240 | RCST-4DR230 | RCST-3D240 | RCST-2D2DR240 | RCST-6DR240 |
| Menovité napătie [V~]/frekvencia [Hz] | 230 / 50 | |||||
| Menovitý prúd [A] | 1 | 1,9 | ||||
| Klimatická trieda 4 | ||||||
| Izolačný fúkác piyn | cyklopentán | |||||
| Chladivo | R290/57 | g | ||||
| Rozmery [širka * dlžka * výška; mm] | 903*700*950 | 902*698*950 | 700*900*950 | 1369*70*951 | 1370*700*950 | 1370*700*950 |
| Hmotnost' | [kg] | 57,25 | 65,1 | 72,8 | 82,45 | |
89
Popis

Produkt je navrhnuty tak, aby zabezpecil, ze cerstve suroviny budu lahko dostupné na rychlu pripravu. Je ideány pre použitie v restauráciách, hoteloch, šalatovych baroch a obchodoch s potravinami, ako su kebab a falafel.
- Vyba'te spotrebič a uistite sa,Že su zo všetkych povrchov uplne odstranene vsetky ochranné plastové folie a natyery.Aby ste predisiži zraneniu alebo poskodeniu, vyba'ovanie a nestavovanie spotrebiča by mali vykonávat dve osoby.
- Zachovajte aspon 20 cm (7 palcov) volného priestoru medzi spotrebičom a blízkymi stenami alebo predmetmi, aby sa zabezpecilo správné vetranie. Ak je objekt zdrojom tepla, zváčsite tuto vzdialenost.
- Vyrovnajte spotrebič nastavenim skrutkovacich nožičiek. Mala by byt umiestnéna na stabilnom, rovnom povrchu, aby saminimalizovali vibrácie a hluk.
- Teplota, v ktorej je spotrebic umiestneny, by mala byt medzi 10^ a 32^ . Neumiestnujte ho na priame slnecné svetlo alebo do blizkosti zdrojov tepla, aka su pece alebo radiatory.
- Uistite sa, ze je spotrebic správné vetráný.
- Skontrlujte, ci sa napajaci zdroj a napatie na mieste instalacie zhoduju s udajmi na typovom stitku. Zastrcka musi zostat po instalacii pristupna.
- Správné zapojte a odpjote zástrčku. Uistite sa, ze zástrčka je bezpečnezasunutá. Pri opájani držte samotné zástrčku. Nikdy netahajte za kabel priamo.
- Ak sa spotrebic nebude dlhshi cas pouzivat, vypnite ho, odpojte od zdroja napajania, vycistite ho a nechajte dvierka alebo veko otvorené, aby ste predišli zapachu.
- Dolezite: Pre vašu bezpečnost musi byt spotrebic správné uzemnený.
Spotrebič je vybavený uzemnovacím vodičom a zástrčkou, ktoré musia byt pripojene k správné uzemnenej zásuvke. Ak si nie ste istí uzemnením, obratte sa na kvalifikovaného elektrikára alebo servisné stredisko.
- Ak napájaci kabel nedosiahne k najbližsej zásuvke, zmeinte usporiadanie alebo požiadajte kvalifikovanedho elektríkára o instaláciu novej zásuvky.
- Po vypadku prudu počkajte pred opatovným spustením spotrebica aspon 3 minúty, aby ste predišli poskodeniu kompresora.
- Pri skladovani potravin by kazda polica nemala uniest viac ak 40 kg a predmetry by nemali presahovat cz prednny alebo zadny okraj police.
Namontujte police/záuvky
- Nainstalujte sadu vodiacich liš na kazdu stranu skrinky v požadovanej vyške.
- Posuñte policu alebo zásuvku na miesto.
- Opakujte postup pre zostavajuce police alebo zasuvky.

UPOZORNENIE!
- Ak bola Jednotka skladovaná alebo prepravovaná v inej ako zvislej polohe, pred použitím ju nechajte stavvo zvislej polohe približne 12 hodín.
Pred prvym pouzitim vycistite police a vnutro mydlovou vodou.
Tieto kroky su klucové na zabezpečenie správneho odvadzania kondenzátu.
Prevádzka
Pokyny Basix
Ak chcete dosiahnut'najlepsie vysledky zo svojho spotrebica, postupujte podla tychtoPokynov:
- Potraviny skladujte v spotrebici až po dosiahnutí správnéj prevádkovej teploty.
- Zabezpečte, aby boli priehradky na kontajnery GN vždy naplinné, aj ked' su kontajnery prázdne alebo sa nepoužívajú. Prázdne priehradky vyrazne znižia učinnost spotrebica.
- Vždy majte dvierka a veko zatvorené, ked'ich nepouživate.
- Do spotrebica nevkladajte nezakryte horuce potraviny ani tekutiny.
- Vždy, ked je to mozné, jaklo zabalte alebo zakryte.
- Neblokujte vnutorné ventiláry spotsrebiča.
- Vyhnite sa tomu, aby boli dvere otvorené dlhšícas.
- Maximálna nosnost' kazdej police je 20 kg.
- Potraviny musia byt pred vlozenim do skinky alebo na policu vlozené do nádoby. Priame umiestnienie potravín do skinky nie je povolené.
- Ked'do spotrebica vlozite mokre potraviny/zeleninu, je normalne, ze sa na povrchu objav'lad (sneh).
Zapnite spotrebič
- Zatvorte dvierka spotrebiča.
- Uistite sa, ze vypinač je v [0] polohu a potom zapnite zásvku.
- Prepnite napajanie na[1]. Zobrazi sa aktu'alna vnutorná teplota spotrebica.
- Termostat na ovladacom paneli bude blikat 3 minuty, co indikuje oneselfkorenie proti kratkemu cyklu medzi zastavenim a opatovnym spustenim kompresora.
Otvorte/zatvorte veko/zasuvku

VYSTRAHA!
- Posuvné veko nemá uzamykaci mechanizmus. PredPokusom o otvorenie vždy skontrolujte, Č je veko vpolootvorenej polohe.
- Aby ste predišli zraneniu, nevytahujte zásvuk za jej uplne otvorenú polohu.
Veko spotrebica je moźne nastavit do viacerych poloh:
- Ked' je veko zatvorené, posuţe ho spăt do polootvorenej polohy, aby ste ziskali Čiastočné pristup k podnosom nadob GN.
- Zdvihnite veko nahor a dozadu, kym pant nebude bezpečne spočivat' v podpornej dražke.
- Zdvihnite veko upne nahor a spat, aby ste upne odkrly podnosy nadob GN.
Pozrite si nastavenú hodnotu
- Krátko stlăcte a uvo'nite SET tlacdldlo na zobrazenia požadovanej hodnoty.
- Krátko stláte a uvoǐnite SET alebo počkajte príblížne 5 sekünd, kým sa dispiej vrát do normalného stavu.
Zmeinte nastavenu hodnotu
- PodržteSET na viac ako 2 sekundy, aby ste zmenili nastavenu hodnotu.
- Zobrazí sa aktuálna nastavená hodnota a symbol „C“ začne blikat.
- Pomocou šipok HORE alebo DOLE do 10 sekünd upravte hodnotu.
- Stlache tlacidlo SET znova stlache tlacidlo alebo pockajte 10 sekund, aby ste ulozili novu nastavenu hodnotu.
UPOZORNENIE! Spustenie manuálneho odmrazovania resetujé Časováč automatického odmrazovania.
Dalsie automatické odmrazovanie sa uskutočni 12 hodin po dokončeni cyklu manuálneho odmrazovania.
Cistenie a udrzba
Bezná udrzba
- Pred cistenim spotrebic vypnite a odpojte od elektrickej siete.
- Pravidelne Čistite vonkajśi aj vnútorny priestor spotrebica.
- Jednotku utrite vlhkou handričkou. Uistite sa,Že vypinač,ovladací panel, kabel a zástrčka zostanú suché.
- Nepoužívajte abrazívine Čistiac prostriedky, pretoze mòzu zanechat škodlivé zvyšky. Používajte iba jemnú mydlovú vodu.
- Tesnenie dvierok cistite iba vodou.
- Zabezpečte, aby sa do elektrických componentov nedostala Čistiaca voda.
- Spotrebic necistite prudom vody.
- Po vycistení spotrebic vždy osušte mäkkou handričkou.
- Nedovolte, aby Čistiaca voda pretiekla cez vypustć otvor do odparovacej misky.
- Pri Čistení zadnej Časti spotrebíča budte opatrní.
- Ak su potrebné opravy, obratte sa na kvalifikovaného technika alebo servisného zastupcu.
- Ak bude spotrebic dlhsiCAS necinny, otocte vypinaocdo polohy OFF, odpojte ho, vyprzdnite chladiaci priestor a dokladne ho yvciistite.
- Pravidelne Čistite kondenzátor pomocou vchodných nastrojov, ako je vysávac alebo mákke keyf.
- Uistite sa, ze vsetky elektrické pripojenia su bezpecné a nie su uovlené.
- Skontrolujte, Či termostat a snímac funguju správné.
- Pravidelne cistenie kondenzátora moze pomóct predlžit zivotnost spotrebica.
- Odporuca sa, aby cistenie kondenzatora vykonal kvalifikovany technik alebo agent.
- Kluc od elektrickej skrinky by mal byt ulozeny mimo dosahu deti a neopravnenych pouzivatefov.
- Kluč používajte iba na odomknutie skrinky.
- Pravidelne vyprázdnjuje odtokovú nadobu umiestnú pod Jednotkou.
- Pri opātovnej instaláci odtokovej nádoby sa uistite, ze je vypústacia hadica správné umiestné spát do nádoby.
Starostlivost o mramor
- Pri Čistení pracovnej dosky nepoužívajte abrazívine materiaíly alebo drsné Čistiance prostriedky. Namiesto toho použite teplý mydlovú vodu.
- Neklad'te horuce alebo mrazené predmety priamo na mramorov'y povrch, aby ste prediši prasknutiu.
-
Okamžite vycistite Rozliatie, njmä kyslé tekutiny, ako je citrónová š'tava alebo ocot.
-
Odporuca sa pouziva'dosku na krjanie, aby sa minimalizovalo riziko postkodenia pracovnej dosky.
- Po vycisteni povrch dokladne osuste makkou handričkou.
Pred likvidaciou spotrebica znefunkcnite vsetky zamky a ak je to mozné, odstrante dvierka. Ak ma spotrebic pruzinové alebo skrutkové zapadky, odstrante ich alebo deaktivujte, aby sa vo vnutri nezachytili deti.
Chladiaci systém obsahuje plyny a chladiva, ktoré si vyžadujú spečiáne metódy likvidácie. Pred likvidáciou sa uistite, ze chladiaci okruh nie je poskodený. Vyberom ekologicky zodpovednych metod likvidácie prispievate k ochraneŽivotného prostredia. Informácie o použitom chladive a izolačnéch materíloch najdete na typovom štitku spotrebica.
Informação o datumoch zberu alebo miestach likvidácia ziskate od miestnych uradov pre likvidáciu oppadu alebo miestnych uradov. Symbol na vyrobku alebo obale znamená, ze vyrobok sa nesmie likvidovat ako domaci odpad, ale je potrebné ho odovzdat do urceného recyklacného strediska pre elektrické a elektronické zariadenia. Správnla likvidácia pomáha predchadzat potenciánlenu poskodeniuŽivotného prostredia a ludského zdravia v dosledku nesprávnéj manipulácie s oppadom.
Dalsie podrobnosti o recyklacii toto produktu ziskate na miestnom urade, v sluzbe likvidacia odpadu alebo u predajcu, u ktorheo ste produkt zakupili.
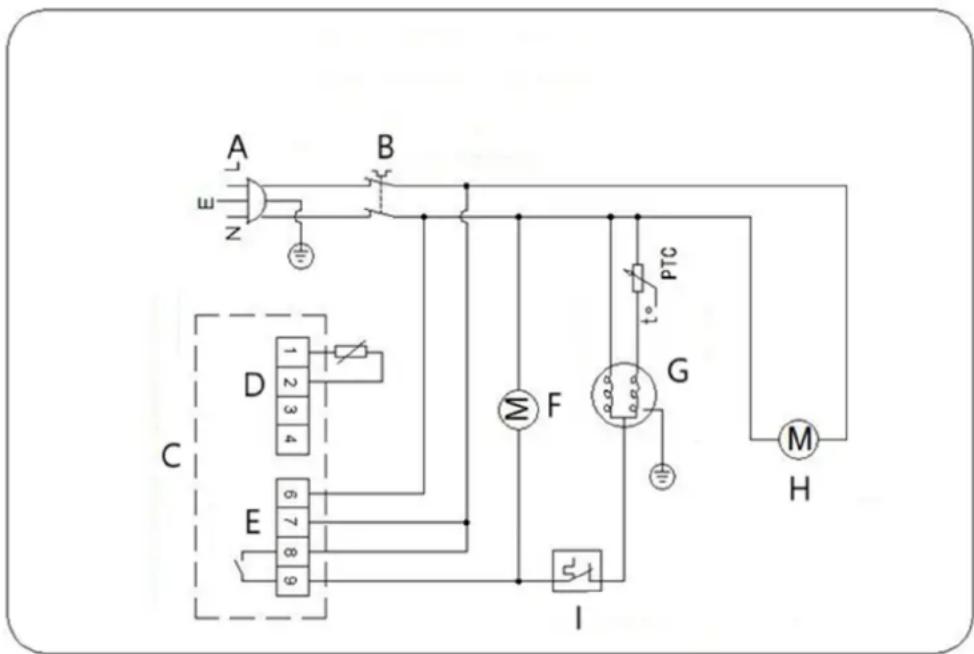
Elektrická schéma

A-Napajacia zastrcka
B-Vypina napajania
C- Regulator teploty
D- Izba
E-Napajanie 230V 50-60Hz
F- Ventilator kondenzátrora
G-Kompresor
H-Ventilator vyparnika
I- Ochrana proti pretazeniu
Riesenie problemov
| Problém | Možná pričina | Riešenie |
| Spotrebič nefunguje | 1. Jednotka nie je zapnutá | 1. Skontrolujte, Či je jegnotka správné zapojená a zapnutá |
| 2. Zástrčka a kábel sú poškodené | 2. Zavolajte svojho zástupcu alebo kvalifikovaného technika na kontrolu | |
| 3. Poistka v zástrčke je spálená | 3. Vymeñe pointku (britská zástrčka) | |
| 4. Problémy s napájaním | 4. Skontrolujte napájanie | |
| 5. Porucha vnútornej kabeláže | 5. Zavolajte svojho zástupcu alebo kvalifikovaného technika na kontrolu | |
| Spotrebič je zapnutý, ale teplata je príliš vytoká/nízka | 1. Príliš ve'ladu na výparníku | 1. Odmrazte spotrebič |
| 2. Kondenzátor je zanesený prachom | 2. Zavolajte svojho zástupcu alebo kvalifikovaného technika na kontrolu | |
| 3. Dvere Nie su správné zatvorené | 3. Skontrolujte, Či su dvierka zatvorené a Či ne su poškodené tesnenia | |
| 4. Spotrebič je umiestnený v blízkosti zdroja tepla alebo je prerušený prúd vzduchu ku kondenzátoru | 4. Presuťne chladničku na vchodnejšie miesto | |
| 5. Okolitá teplata je príliš vytoká | 5. Zvýšte vetranie alebo premiestnite spotrebič do chladničky | |
| 6. V spotrebiči su uložené nevhodné potraviny | 6. Odstránty vsetky príliš horůc potraviny alebo upchatie ventilatóra | |
| 7. Spotrebič je preťažený | 7. Znížte množstvo potravín uložených v spotrebiči | |
| Spotrebič produkuje nezyväčajne vytokú hladinu hluku | 1. Uvořená matica/skrutka | 1. Skontrolujte a utiahnite vsetky matice a skrutky |
| 2. Spotrebič nie je nainštalovaný vo vodorovnej alebo stabilnej polohe | 2. Skontrolujte polohu inštalácie a v pripadé potreby ju zmeñe | |
| Zo spotrebiča vyteká voda | 1. Spotrebič nie je správné vyrovnáý | 1. Nastavte skrutkovacie nožícky, aby ste spotrebič vyrovnali (ak je to možné) |
| 2. Vystubný otvor je zablokovaný | 2. Vyčistete vystupný otvor | |
| 3. Pohyb vody do odtoku je zablokovaný | 3. Vyčistete podlahu spotrebiča (ak je k dispozícii) | |
| 4. Nádoba na vodu je poškodená | 4. Zavolajte svojho zástupcu alebo kvalifikovaného technika na kontrolu | |
| 5. Odkvapkávač je preplnený | 5. Odkvapkávaciu misku vyprázdnite špongiou |

ToBa pBkoBOcTBo 3a noTpBe6nteI e npBeDeHo qpe3 MaunHe npeBOd. PIoJoxMe BcNKn ycNn, 3a da rapaHTnpaMe, ye npBeOdbTe e ToueH, Ho ImaIte npEdBud, ye aBTOMaTHnPaHInTe npEBoDn He ca nepoekTHn Hc He ca npedHa3NaueHn Da 3aMeHrT OBeuKn npEBoDayn. OfniuaHaTa Bercna Ha pBkoBOcTBoTo 3a noTpBe6nteI e Ha anFllnckn e3nk. BcNkn pa3nkn MeJy npBeDeHaTa Bercna I opRiHaHnra anFllnckn He ca npaBHO o6BbP3Baun. AKO ImaTe HЯkaBn BbIpcn OTHocHo TOUHOCTTa Ha npEBoDa, MoJIa, BnKTe aHflnnckKaTa Bercna, KOrTo e oPhiuaHaTa cnpabKa. Nobee e3NKOBn Bercnn ca DocTbHNn npn 3aYBka qpe3 info@expondo.com .
TexHneckn daHHN
| Описане на napаметра | Стойост на параметра | |||||
| Име на подунта | Хладина маса c 2 врази | Хладина маса c 2 чекmedжetedа 1 врази | Хладина маса c 4 чекmedжetedа | Хладина маса c 3 врази | Хладина маса c 2 чекmedжetedа 2 врази | Хладина маса c 6 чекmedжetedа |
| Мо德尔 | RCST-2D240 | RCST-1D2DR240 | RCST-4DR230 | RCST-3D240 | RCST-2D2DR240 | RCST-6DR240 |
| Номинално нарөгөнө [V~] / чECTOTA [Hz] | 230 / 50 | |||||
| Hоминален тok [A] | 1 | 1,9 | ||||
| Климатчени Клас | 4 | |||||
| Газ за подунвае на ИзOLAця | Цнлелentан | |||||
| Хладины arеHT | R290/57g | R290/102rp | ||||
| Разmersи [ширINA * Дьлжига * Височина; mm] | 903*700*950 | 902*698*950 | 700*900*950 | 1369*70*951 | 1370*700*950 | 1370*700*950 |
| Тergл [kg] | 57,25 | 65,1 | 72,8 | 82,45 | ||
OnncanHe

IpoDyKtBt e npEHa3HaueH da rapaHTnpa, ye npecHnte cctabKn ca IecHO DocbHn 3a 6bp3o npiroTBAHe.
IdeaJIe H e 3a n3noN3BaHe B pectopantn, xotei, canaTHn 6apoe u xpaHnteHN MaraHn H kato 3abeHn 3a ke6an n fanafoen.
IOTpe6HTeJIeT e OTROBOpEN 3a BCNUK NtH, npOn3TuAun OTHenpeBnDHa yNOTpe6Ha Ha YcTPOINCTBOTO.
MOHTaX
Hnctpykun 3a MoHTaX
-
Pa3oNaKOBaIe YpeDa, KaTo Ce yBepInTe, Ye BcNcK 3aunTHn PnactMacOBN FOJNA NOKpTnCa HAnbIHOOTCTpaHeHr OT BCuKN NOBbpXHOCTn. 3a Da npdeOTBpaTne HapaHBAHe Nn NobpeDa, DbAma DyHn Tp8Ba Da ce 3aHIMabat C pa3oNaKOBaHETo HAcTpoKaTa Ha ypeDa.
-
PpIbPkaIte noHe 20 cm (7 Hua) pa3CTOAHne MeJkypeJa n 6JI3KHe CTeHN IIN npEIMTe 3a npAIBHa BEHTnlaUma.YBeJIyTe TOBa pa3CTOAHne, aKO O6eKtBt e N3TOHKn Ha TOnJIHa.
-
HnBEnpaIte ypea, kaTo perylnpate kpaetata Ha BNHTa. Tp6Ba da ce nocTabn Bbpxy cta6nHa, paBna NOBbpxHOCT, 3a da ce CBeDaT DO MNHmym Bn6paunTe uWyma.
-
TemnepaTpyata Ha MCTOTo, KbTeTo ce HAMnpa ypeBt, Tp6Ba Da 6bJe MeJy 10^ n 32^ . N368raBte Da ro NoCTaBATE Ha npka CbHueBa CBETInHa nn 6IIN3o Do n3TOUHNi Ha TOINHa KaTO fypHn nn paDnAToPn.
-
YBepTe ce, ue ypeDbTe Do6pe BeHTnInpaH.
-
YBepeTe ce, ye 3axpaHbAHeTo n HAppeKeHneTo Ha MCTOTO Ha IHCTaJInpaHe OTROBapr Ha daHHnTe Ha etNKeTa C HOMHaHn DaHHn. UenCeIb TprBa Da OCTaHe DOCTbneH CneM OHTaKa.
-
IpaBnHIO CBp3BaIte H N3KIOUyBaIte Ue nceHa. YBepeTe ce, ye uencenbTe 3dpaboNoctaBeH. Korato N3KIOUBAte, dPbXte camna Ue nceH. HNKora He IbpaNaTe DnpeKTHo Ka6ela.
-
Ako ypeBt Hma da ce n3noJ3Ba 3a npOdbJIxHteIeH nepNO d OT BpeMe, n3KIOUcTe rO, n3KIOUcTe rO OT N3TOuHnKa Ha 3axpaHbHe, NOUCTeTe rO n OCTaBeTe Bpata Ta nn KaNaKa OTBOpeHn, 3a da npedOTBpaTne IOBbATA Ha MnpN3Mn.
-
Baxho: 3a Baawata 6eOnacnoct ypeBt Tp86Ba da 6bde npabnHo 3a3emeh.
UpeBt e obopydban c6c 3a3eMnteH npOBdNk u enceI, KOnto Tpr6Ba da 6bdaT CBbp3AH N kBM npaBnHO 3a3eMeH KOHTaKT. Ako He cTe cnryphN OTHOCHO 3a3eMaBAHeTo, KOHCytnpaTe ce C KBaIIuΦIuPAH eIeKtpotexHnik nIe cepBn3e H eHTbp.
- Ako 3axpaHbuaT Ka6eI He DocTuHa No Hau-6n3Kna KOHTaKT, NnPipeHapeTe HAcToKnte cn, nnn NOMoJe T KBaJIuNcuaPehneKtpoTexHnK Da nHCTaInpa HOB KOHTaKT.
- CnE I npekcbaHe Ha 3axpaHbAHeTo n3HaKaaiTe noHe 3 MInHyTu, npEi Da pecTapTnpaTe ypeDa, 3a Da n36erHete nobpeHa KaOMnPecopa.
- Korato cbxpaHbBaTe xpaHa, BceKn paΦT TpI6Ba Da n3IbPka He nobue ot 88 yHTa (40 Kr) n ppeMeTne He TpI6Ba Da n3IbNt HnD npEHNn nn 3aDnna Pb6 Ha paΦTa.
IocTabeTe pafoBeTe/yeKMeJKeTata
1.Инсталрай Te komплков Вадануз paфтобе OT BCЯк CTpaHa Na Shkaф Ha JeklaHaTа BncoUnHa.
2. ΠльзHeTe paФТа ИИн YeКМeДжЕТо Ha МЯСТо.
3. NOBTOpe TPOueca 3a OCTaHaJIte paTObe HJN YekMeJKeTa.

3A6EJIEXKA!
Ako ypeBt e 6nI cbxpaHbAH nI I TpaHCnpTpah B HeN3npaBeHO nOJXeHne, ocTaBeTe ro da cToI n3npaBeH 3a OKoI O 12 Yaca, npdeI da 3anOuHete pa6Ota.
- Ppei nbpbaTa ynoTepe6a noHcTePe pafoBeTe N BbTpeWnOCTTa cbC canyHeHa BOda.
Te3n cTbNk ca ot peuabaio 3haueHne 3a ocunpyraBaHe Ha npabuHIO OTBeKdHa He KOHN3a.
Onepaцnia
Basix nHCTpyKuIN
3a da nolyuTe Ha- do6pn pe3yIaTn OT Ba7n ype, MoJ, CneBaIte Te3n HNCTpyKUIN:
- CbxaHraBte XpaHata B ypea camo cneI kaTo doCTnIhe npaBnHaTa pa6oTHa TemnepaTpa.
- YBepeTe ce, ye OTdeneHnraTa 3a KOtHeHepn GN BnHa n Ca nbHn, dOpn aKO KoTHeHepnTe ca npa3Hn Hn He ce n3NoJ3BaT. Ppa3HnTe OTdeneHnna 3NaunTeJHo ige HaMaJr eEeKtNBHOCTTa Ha ypeDa.
- Bnhar npbXte Bpata n KaNaka 3aTBopeHn, KOrato He rN n3noI3BaTe.
- He nocTaBraIte HENOKpTn ropeu xpaHn nn TeuHocTn BbTpE bypeda.
- YbniTe nIIN NOKPNIte XpaHaTAta, KOrTaTo e Bb3MOxHcO.
- He 6loKpaIe BbTpewHnTe BeHTnlaTopn Ha ypeJa.
- 1368raIte Da IbprKInTe BpaTHe OTBopeHn 3a npOdbJIKNHTeHN nepNoDn.
- MakcmaHaTa TOBapOHocmOCT Ha BceKn paT e 20 Kr.
- XpaHata Tp86Ba Da ce noCTaBn B KOHTeHep, npedn da ce noCTaBn B WkaΦa nn Ha paΦT. He ce donycka dIpeKTHo nocTabrHe Ha xpaHa B WkaΦa.
- Korato B ypea ce noctabn Mokpa xpaHa/3eHehUk, HopMaJIHO e Ha nobbpxHocTtA da ce noBn IeI (cHr).
Bkluoyete ypeda
- 3aTbOpTe BpaTata(HTe) Ha ypeJa.
- YBepete ce, ye npebKIOUbaTeIaT Ha 3axpaHbAHeto e B noIOXeHne [O] nO3nua, cNei KoETo BKIOUcTe KOHTaTa.
- IpeBkIIOUeTe 3axpaHbAHeTo Ha [I]. Ue ce nokae Tekyuata BbTpeuHa TemnepaTypa Ha ypeia.
- TepmoctaTbHa KOHTpOHLHnHaHeIe MraB IpoDbJIkeHHe Ha 3 MNHyTN, NOKa3BaKn 3AkbcHeHEnTo Cpeu Ky KpaTbK UIKbl MeJdy CNIPAHETo n pectaptnipaHETo HA KOMnPecopa.
OTbopete/3aTbopete kanaka/yekMeJxKeTo

PENEYNPEXKDEHNEI
- PnIb3raunr Ce KanaK Hma 3aKnIOHbaM MexAHN3bM. BnHar n ce yBepBaTe, ye KaakbTe B NOJYOTBOpeHO NIOJOKeHHe, IpeDn Da ce ONHTe Da rO OTBOPNTe.
3a da npedotbpaTne HapaHraHe, He dbpnaTe yeKeMeJKeTo N3BbH HanbIHO OTBopeHOT My noIOKHe.
KanaKaT Ha ypea MoKe da ce peYInpa B HЯKoIko No3nUu:
- Pn 3aTbpeH kanak ro nIb3HeTe o6paTHOB NOnyOTBpeHO NOLOKeHne 3a qactueH doctbn Do Tabnte 3a GN KOHTeHep.
- NOBdHHeTe KaNaka Harope HHa3aD, DOKaTO NaHTaTa JERHe Cta6uHb B OOnOpHnCnot.
- IOBUNHHeTe KanaKa HAnbHNO HArOpe N Ha3aD, 3a Da INIOKHTe HAnbHNO TaBtE 3a GN KOHTeHepn.
HacpoKa Ha TempepaTpaTn KOHTpOJIe NaHeI

1-CBETINHa3pa3Mpa3BaHe
2-CBETJINHa 3a pa6oTa Ha KOMnPecopa
3-ДигиталенТермocтAT
4- KIIOU 3a nporpaHnpe (HeOcTbneH 3a nOte6nteJ) KIIOU 3a n36Op
5-KIIOOBE 3a IIPOMHa Ha TeMnepaTpyaTa
BnKte 3aJaDeHaTa TocKa
-
HATNCHETe KpaTko N OTnycheTe SET 6yToH 3a noka3BaHe Ha 3daJaDeHaTa TOnKa.
-
HaTnchete KpaTko OtnycheTe SET HaTnchete OTHOBO NIN N3uKaaTe OKOLO 5 cekyHdN,doKATO dncJIeT Ce BbpHe KbM HopMaJHOTO.
PpomeHeTe 3aDaeHata ToUka
- 3aIpbXkTeSET 3a noBce oe ot 2 ceKynHn, 3a da npomehHeTc 3aJaDeHaTa cToHocT.
- 1e ce nokahe Tekyuata 3aadaena ctoHocT n CmBOblT " ^ C " 1e zanoueHa MiHa.
- ⅢπολBaIte CtpeKInTe HAGOJIY BpaMKeTHe 10ceKHyn,3a dapeylnapTe cToHocTa.
- Hatachete SET HaTncheTe OTHOBO IINI IN3yakaiTe 10 cekyn, 3a da 3anuweTe HOBaTa 3aJaDeHaCToHocT.
PbHOPa3Mpa3BaHe
ToBa 06OpUdBaHe n3nckBa pbHNO pa3Mpa3BaHe NOHe BeHNbK MeceHNo, TbN KaTO HMa FyHKnra 3a ABTomatuHPO pa3Mpa3BaHe.

3A6ELEKKA! LKbIbT Ha pa3Mpa3BaHe 3aOnOHa O T MoMeHTa, B KOITo ypeBt E BKNIOueH 3a NbpBN
πbT.
JednoduchýManuál