RSG EX18b - Fúró Fein - Ingyenes használati útmutató
Találja meg az eszköz kézikönyvét ingyenesen RSG EX18b Fein PDF formátumban.
Töltse le az útmutatót a következőhöz Fúró PDF formátumban ingyenesen! Találja meg kézikönyvét RSG EX18b - Fein és vegye vissza elektronikus eszközét a kezébe. Ezen az oldalon közzé van téve az eszköze használatához szükséges összes dokumentum. RSG EX18b márka Fein.
HASZNÁLATI ÚTMUTATÓ RSG EX18b Fein
Az eredeli kezelési utmutató forditasa.
Felhasznält jelölesek, röviditések és fogalmak.
| Szimbólumok, jelek Magyarázat | |
| 11 | Tartsa be az oldásó szövegen vagy ábrán található utasításokat! |
| 20 | Mindenékappen olvassa el a mellékelt dokumentációt, mint például a kezelési útmutató és aBiztonsági tajékoztató. |
| 30 | A munkák kőzben használjon védöszmemuveget. |
| 40 | A munkák kőzben használjon zajcsökkentő fulvédöt. |
| 50 | A munkák kőzben használjon kézvédöt. |
| 60 | Általános tiltó jel. Ez az eljárás tilos. |
| 70 | Belenyúnlí tilos! |
| 80 | Ne érjen hozzá az elektromos késziszerszám forgó alkatrészeihez. |
| 90 | A lánçokba és fogaskerekekbe belenyűnlí vagy kózényük nyűnlí tilos! |
| 100 | Figelyjen a tartozékok éleire, például a vágokések vágölère. |
| 110 | Forró felület! |
| 120 | Fogantyú-felület |
| 130 | Kiegészítő informácio. |
| 140 | A CE-jel igazolja, hagy az elektromos késziszerszám megfelel az Europai Unió irányelveinek. |
| 150 | A használaton kivül helyezett elektromos késziszerszámokat és egyéb elektrotechnikai és elektromos termékeket külön össze kell gyütièn és a környezetvédelmi szempointoknak megfelelő úrafelhasználásra kell leadni. |
| 160 | Semmi esetre se forgassa el a hárombiztonsági csavart. |
| 170 | Csak Kíná rérényes: A környezetvédelem időartama a termék normális használata esétén 10 év. |
| (*) Szamjegyeket vagy betüket tanalmazhat. | |
Muszaki adatok.
Megrendelésizam7360...7360...
Kiviteli mod RSG Ex 1500 A () RSG Ex 1500 B (*)
Megrendesi szam 7360...7360...
Kivitei mod* RSG Ex 18 A ( ) RSG Ex 18 B ( )
Feszultseg (L)400V400V
Frekvencia (日 5 0 日 日 日 日 日 日 日 日 日 日 日 日 日 日 日 日 日
Hálozati csatlakozás típusa 3 ~ (háromfázisú váltakoź áram) 3 ~ (háromfázisú váltakoź áram)
Uresjarati fordulatszam (n_0)
-
Motor 2860 /perc 2860 /perc
-
Betétzserszámok 35 /perc 70 /perc
Elotlas (h) 40 mm/perc 80 mm/perc
Méretezési teljesitmény (P) 1500 W 1500 W
A halózati tapvezeték hossza (a cstlakozó dugóval együtt)
-
RSG Ex 1500 (**) 2 × 20 ~m 2 × 20 ~m
-
RSG Ex 18 A/B (**) 2 × 20 ~m 2 × 20 ~m
Erintésvédelmi osztály
Vedettsegi osztaly IP X4 IP X4
*Robbanásvédet kivitelú (az ATEX elófísainak megfeleló) elektromotor és kiegészítő kapcsoló
Kiviteli mod* RSG Ex 1500 A (**) RSG Ex 18 A (**) RSG Ex 1500 B (**) RSG Ex 18 B (**
Méretek:
- Tömeg (m) 80 kg 80 kg
-
max. szerszám-Ø 220 mm 220 mm
-
L_max 974 mm 1088 mm
-
H_max 334 mm 334 mm
-
B_ 450 mm 431 mm
-
B_1 371 mm 371 mm
-
B_2 201 mm 201 mm
-
B3 791 mm 991 mm
Acsomarogepek rendeltetese.
A csomarogep epitkezesi teruleteken, muhelycsarnokokban es a szabad eg alatt acelból vagy ontvenyból keszüt szabadon fekvő csódarabok és lefektetett csövezetékek darabolára és marásávalamint a csövegnek a hegesztés elott szük séges fertldésére szolgál. A csomarogep erre szakosodott cegek szármá,Csak szakemberek alk'tortő nem tartós mindennapi alkalmazásra van méretetezve. A komplettsomarogep robbanásveszélyes teruleten való hasznalata nem engedélyezett.
A csomarogepa kovetkez celokra nem szolgal:
- Robbanékony atmoszférában való használatra.
Heves esozesben es viz alatti munkakhoz valo hasznalatra.
A-20°Cés 40°C kozotti homérisklet-tartományiban valo használatra.
- Robbanékony anyagok darabolására.
Eghetó anyagok darabolására.
94/9EG ATEX (Robbanásveszélyes atmoszéfera) EK-irányelv
Kérjuk, vegye tekintetbe, hogy az RSG Ex (^**) tipusu Fein gyartmányu csomarogepek a robbanasysezelyes helyeken valo alkalmazsra nincsenek engedelyzeve es ezert ekehzakc s osmarogepekhez a 94/9EK iranyelvnek megfelel EK-tipusvizgalsati bizonyltvany nem letezik.
(Az RSG Ex (^**) tipusu csamarogepekbe lenyegebenCsak két oyan komponens van beepite (az elektromotor es a klegesztó kapcsolo), amely megfel az ATEX elöiraseainak.
Az ATEX-irányelCsak az Europai Kozosseg teruleten érvényes.
Egy pillantásra.
1 Befogó szerkezet
2 Oldlalap rogzitocsavar
3 Oldlap
4 Megegyzés
5 Csap
6 Menetes orso
7 Fogasyeteli berendezes
8 Hengeres feju csavar a fogasveteli berendezeshez
9 Illesztócsavar
10 Futotengely
11 Szoritókar
12 Hatlapú csavar
13 Tárcsa
14 Fesztö tengely
15 Anyacsavar
16 Orszekreny
17 Csoanya
18 Motor rögzitcsavar
19 Heveder
20 Lánckerek
21 Szallito tengely
22 Rögzftógyürd
23 Csap
24 Orszekreny zarocavar
25 Tartófogantú (sizgetelt markolatfelületek)
26 Mélységi skála
27 Recézett anya
28 Elotolas kapcsolokar
29 Lanciafiszto hatszog
30 Lanciafiszto tarcsa
31 Lanciafzitbiziostshtocsvar
32 Lancazm rogzitogyuru
33 LancaSzem csapszeg
34 Tartóhevederek
Az OnBiztonságerdekében.
Altalanos bizzonsagi elorasok.
FIGYELMEZTETES
Olvassa el az osszesBiztonsagi figyelmeztetest, az eloirasokat, az abrakkal ellatott magyarazatokat es a
muszaki adatokat, amelyek ehvez az elektromos kesziszerszamho vannak meltelkeve. Abiztansagi elorrasok es utasfasok betarasnak emulasztasa aramutesekhez, tuzhoz es/vagy sulyos testi serelesekhe zvezeteh. Orize meg a jovobeli hasznalatra is valamennyBiztansagi elirast es utasitatst.
ABiztansagi tajekoztatokban alkalmazott. elektromos kéziszerszm" fogalom a halózati elektromos kéziszerszmokat (halózati cshalakozo kabelle) es az akkumulátoros elektromos kéziszerszmokat (halózati cshalakozo kabel nélkūl) fogalja magaban.
1) MunkahelyiBiztonsag
a) Tartsa tisztan es jol megvilagitott allapothan a munkahelyet. A rendetlenség es a megvilagitatlan munkaterulet balesetakhez gezethet.
b) Ne dolgozon a berendezessel olya robbanasveszelyes kornyezetben, ahol eghetó folyadekok, gazok vagy porok vannak. Az elektramos kezsizerszamok szikrakat keltenek, amelyek a port vagy a gözoket meggyujhatjak.
c) Tarta távol a gyerekeket es az idegen személyeket a munkahelytól, ha az elektromos késziszernszmot használaj. Ha elvonják a figyelmét, elvesztheti az uralmat a berendezés felett.
2) ElektromosBiztonsagi eloirasok
a) A keszülékCsatlakoz dugojának bele kei illeszkednie a dugaszoləjalzata. A csatlakoz dugot semmilyen modon sem szabad megvaltoztatni. Vedtoldeissell ellott keszülékek esetuben ne hasznaljon csatlakoz adaptert. A valtoztatis nelkuliCsatlakoz dugok és a megfelelo dugaszo aljatzokCsokkentik az aramutés kockazatac.
b) Kerüle el a foldelt felületek, mint peldául csövek, futiTESTek, kalyhák és hütogepek megérintését. Az aramütes veszélye megnövekszik, ha a teste le van foldelve.
c) Tartsa távól a elektromos kézsizszersámot az esööl vagy nedvessegtál. Ha viz hatol be egy elektromos kézsizszamba, az megnöveli az aramütés veszélét.
d) Ne használá a kabelt a rendeltetésétól alterö cêlokra, vagyis a szerszámot soha ne hordozza vagy akassza fel a kabelnél fogva, és sohase húzza ki a halózati csatlakozó dugôt a kabelnél fogva. Tartsa távol a kabelt hóffrásoktól, olajtól, éles elektól és sarkoktól és mozo gépalkatreszektól. Egy megrónálodtoll vagy csmókkal teli kabel megröveli az áramütés veszényét.
e) Ha egy elektramos keziszerszammal a szabad eg alatt dolgozik,Csak szabadban valo hasznalatra engedelyezeett hosszabbitot hasznaljon. A szabadban vo lhasznalatra engedelyezeett hosszabbito hasznalata csokkenti az aramités veszelyét.
f) Ha nem lehet alkerüni az elektramos küziszersüm nedves környezehn valo hasznalatat, alkalmazzon egy hibaaram-vedokapcsolot. Egy hibaaram-vedokapcsol alkalmazá sökkenti az aramutes kockázatat.
3) SzemelyiBiztonsag
a) Munka kozben mindig figyeljen, ügyeljen arra, amit csinal é megfontoltan dolgozzon az elektromos kéziszerszámmal. Ha faradt, ha kabitószerek vagy alkoht hatasa alatt all, vagy orvosságokat vett be, ne használja a berendéźest. Egy pillanatny figyelmetlenség a szerszám hasznalata kozben komoly sérülésekhez gezethet.
b) Viseljen szemelyi védofelszernalst és mindig viseljen védoszamüveget. A szemelyi védofelszerelesek, mint porvedő alarc, cuszásibitzos védócipó, védosapka és fulvedő használáte az elektromos késziszernsáz használáte jellegenek megfeleloén csökkentzi a szemelyi serülseket kockázat.
c) Kerülje el a keszülek akaratlan ümezbe helyezését. Gyözödlön meg arról, hogy az elektromos kesziszerszám ki van kapcsolva, mielott bedugná a csatlakozó dugot a dugaszolájzatba, csatlakoztatná az akkumulatorc-scomagot, és mielott felvenne és vinni kezdené az elektromos keszis-zsámot. Ha az elektromos kesziszerszám felemelése kobzen az ujjat a kapcsolón tartja, vagy ha a keszüleket bekapcsolt allapotban csatlakoztatja az aramforrashoz, ez balesetekhez gezethet.
d) Az elektromos kesziszerszám bekapcsolása elott okvetlenül tavolitsa el a beallitószerszamokat vagy csavarkulcsokat. Az elektromos kesziszerszám forgo részeiben felejtett beallitószerszám vagy csavarkulcs sérüléseket okozhat.
e) Ne becsüiljte ül onmagat. Kerülje el a normalistol altero testtartast, ügyeljen arra, hagy mindigBiztosan alljon es az egyensulyat megtartsa. Igy az elektromos keszerszám felett váradan helyzetekben is jobban tud uralkodni.
f) Viseljen megelela ruhat. Ne viseljen bō ruhat vagy ékszereket. Tartsa távol a hajat es a ruhajat a mozy részektól. A bō ruhat, az ékszereket es a hossz uhat a mozy alkatreszek magkukal ranthatják.
g) Ha az elektromos kesziszerszámra fel helet szerelni a por elszivásahoz és osszegyütéséheSzükseges berendezeseket, Ellenörizze, hogy azok megfelelo mód onó hozá vannak kapcsolva a készülehczekz e s rendeltetésüknek megfeleloen mücköndek. A porgyütő berendezesek használata csökkenti a munka során keletkező por veszelyes hatásat.
h) Ne hagyja, hagy az elektromos keziszerszam gyakori hasznalata soran szerett tapasztalatok oyan oneleguittte tegyek, hagy figyelmen kivil hagyja az idevonahtoz biotansagi alapleveket. Egy gondalan mvelet egy masodperc tortresze alatt sulyserulseket okozhat.
4) Az elektromos keziszerszámok gondos kezelése és hasznalata
a) Ne terhelje tól a berendezét. A munkajahozCsak az arra szolgálo elektromos kézszerszámot használja. Egy alkalmas elektromos kézszerszámmal a megadott teljesitménytartományon belül jobban ésBiztonságosabban lehet dolgoznl.
b) Ne hasznajlon olyan elektramos kesziszerszamot, amelynek a kapcsolja elromlott. Egy olyan elektramos kesziszerszam, amelyet nem lehet sem be-, sem kikapsolni, veszelyes et meg kel javfitatni.
c) Hūzza ki a csatlakozó dugó a dugaszolájzbatól és/vagy távolitsa el az akkumulátor-csomagot (ha az levalasztható) az elektromos kézszerszámól, mielott az elektromos kézszerszámón beallitasi munkákat végēz, tartózekokat cserel vagg y szerszámot tárolára elteszi. Ez az elövigyázatossagi intézkedés meggátolja a szerszám akaratlan üzemb helyezését.
d) A hasznalaton kivuli elektromos keziszerszmokat oyan helyen taroja, ahol azokhozyerekek nem ferhetnek hozza. Ne hagyja, hovy oyan szemelyek hasznaljak az elektromos keziszerszmot, akim nik ismerik a szerszamot, vagy nim olvastak el zt az utmutatot. Az elektromos keziszerszmok veszelyesek, ha azokat gyakorlatlan szemelyek hasznaljak.
e) Az elektramos keziszerszemot és tartozékait gondosan tartsa karban. Ellenőrizhe, hagy a mozo ákatrészek kifogástalanul muködnak-e, nincsenek-e beszorulva, és nincsenek-e eltorve vagy megrongalóda oyan alkatrészek, amelyek hatással lehtnek az elektramos keziszerszm muködésé. A berendezés megrongalódt részeit a keszülék hasznalata elott javittassa meg. Sok olyan baleset történik, amelyet az elektramos keziszerszm nem kiélegítő karbantartására lehty visszavezetni.
f) Tartsa tisztan es éles allapothan a vagoszerszamokat. Az éles vagoélekkel rendelkező e gondosan apolt vagoszerszamok ritkábban ékelödnek be és azokat konnyebben lehtet gezetni és irányitani.
g) Az elektramos keziszerszámokat, tartozékokat, betětszerszámokat stb.Csak ezen elöirásoknak és az adott keszülektipusra vonałkozi kezelési utasításoknak megfelelothen hasznalja. Vegye figyemeble a munkafelteteleket és a kivitelezendó munka sjatossagait. Az elektramos keziszerszám eredeti rendelétésétő eltérő celokra való alkalmazása veszélyes helyzetekhez gezehet.
h) Tarta szarazon, tisztan és olaj- és zirmentes allapothan a fogantyukat és markoló felületeket. A csuszós fogantyuk és markoló felületek varatlan helyzetakten lehetletenné teszik az elektromos kéziszerszámBiztonságos kezelését és irányítását.
5) Szerviz-ellenorzs
a) Az elektromos keziszersamot szaksképsett szemelyzet szak eredeti pólatkatrészek felhasznalásával javithaJ. Ez biztositja, hogy az elektromos keziszerszmbiztosagos maradjon.
Külonlegesbiztonsagi szabályokacsömarogépekhez.
A csomarogep izembe helyezesekor, a munka es a karbantartas soran vegye tekintetbe az adott orszagban ervenyes nemzeti balesetvedelmi elfrasokat.
Vege figyembe a tovenyes robbanasyedelmi iranyelveket.
Gondoskodjon a megmunkalársa keruló csövek biztonságos, rögzített helyzétéról. A figyelmzetetó megegyzesek figyelmen kivül hagyasa súlyos és halálos serüleseket okozhat.
Elektromos hajtásu csomarógepek (kiviteli mod: RSG Ex (^**)
A halózatl feszültsegnek és a csömarógépen megadott tapfeszültsegnek meg kelli égyeznie.
A csomarogep csatlakozo gezeteket egy 20 AmperesBiztositekkal kell ellatni. Rendszeresen ellenorizze a halzati tapvezeteket es az esetleges hosszabbitot!
A csomarogepet csa kapcsol keszulek-kombinacion elhelyezett fokapsol kikapcsolt allapota mellett szabad csatlakoztatni.
A kapcsoló keszülék-kombináciot a kezelonek barmikor el kell tudni ernie.
Hasznalat.
Tarta a fogantyukat es markolatifelüleket szaraz, tiszta es olaj- es zsrimentes allapothan. Csuszós fogantyukkal es markolatifelületekkel az elektramos
kéziszerszámot elore nem latott helyzetekben nem lehetBiztonságosan kezelni é irányitani.
Az elektramos kesziszerszámotCsak a szigetelt fogantyufelüteknél fogva tartsa, h oylan munkat végez, amelynek soran a betetszerszam feszültseg alatt allo, kivülr nem lathato veleztekkehrezér. Het a berendezés egy feszültseg alatt allovezetekkhez er, az elektramos kesziszerszmémfreszel szintén feszültseg al kerülthetnek ésaramütéshez gezethetnek.
Ne terhelje tuli a csomarogepet. A munkajahozCsak az arra szolgalohelyes betetszerszamot hasznalja.A helyes betetszerszammal jobban esBiztonsagosabban lehet dolgozni.
Ne használia a csómarógep, ha a kapcsolója meghibásodott. Egy olyan csómarógép, amelyet nem lehet sem be-, sem kikapcsolni, veszelyes és meg kell javittatni.
Szakitsa meg az energia tapvezeteket, mielott a keszülken beallitaskat eszközöne vagy a betetszerszamokat kicserelne. Ez az óvointézkedes meggatóla a csömarógp akaratlan elindulásat.
Ne hagyja, hogy olyan szemelyek hasznaljak a csomarogepet, akik azt nem iserik, vagy nem olvastak el zt az utmutatot. A csomarogepek veszelyesek, ha azokat gyakorlatlan szemelyek hasznaljak.
Hajtsa rendszeresen végre a csomarogéphez eloirt karbantartasi munkakat. Vizsgalja meg a csomarogep, nem léptek-e fel lehetséges rongalódask, valamint mas tenyezok, amelyek befoalyasolhatják a csomarogep muködesét. Ha a csomarogep allapota nem kifogastalan, a hasznalat elott javitsa meg. Sok elkeriulhetobaleset vizethetovlissza a csomarogépek helytelen vagy elegteen karbantartára.
A csomarogepet, a tartozekokat, valamint a betetszerszamokat stb. az enben az Uzmelteletesi utmutatoban talalhato elirasoknak megfeleloen hasznajla, ekzben vegte tekintebare munkafelteteleket es a vegrehajtando tekenysseget is. A csomarogepek eredeti rendeltetesetol elerocela valo alkalmazasa veselyes helyzetekhez gezethet.
Mūkōdési mod (lásd az "A" abrát).
A csomarogep forgacsolobetetszerszmok alkalmazasaval darabol fel szabadon fekvocdarabokat es már lefektetettc svezeteket, valamint az ilyen csovezetekek marasos megmukalasara is szolgai. A csomarogepet a befogserkezete segtsegelraretik acs kulso oldalara,ezutan automatikus elotolasskarbehaladacsovon.Szerszamkent korfreslapok es akmarok hasznalhatok, melyek eela c so anyagatol fuggen HSS-acbelb vagy kemenyfebmollnak.
A vagasi melységet az orsoszekrény (16) segtségével lehet beallitani, amely a két oldallapba (3) forgathato modon van beeplitve, és a menetes orsoval (6) lehet beallitani.
A szal'to tengelyt (21), amely a szal'to kerekek alkalmazasval kivaltja az ektolasi mozgast, a szerszamtengely 2 cigakerekes hajtomu fokoznatal hajtaj meg.
- Az elotolasi MOZgAst az elotolas kapcsolkar (28) segtsegel vei heet be- es kikapcsolni. Az elotol hajtumvet egy csuszó tengelykapcslo vedi a tulterhelstol.
A szerszámtenely csapágyazása igen merev kivitelú. Az olajfurdós kenésü fó hajtomú a szerszámtenely meghajtsához egy bolygó- és csigakerekes hajtomú fokozatból áll.
A hajtōmū ügy van meretzev, hogy megrongalódások nélkūl el képes viselni a lán égy eseteges leall'tashoz vezet léfekezését. Valamennyi hajtōmū-tengely gōrdülcspagyakban helyezkedik ei.
A gépkeretnek a tengelyekkel az a feladata, hogy a csore felfogott csomarógépet a csovon vegígvezesse és hogy átvigyá vágás elótolási erőket.
A cs8 mindedkori küls ötméröjere valo beallitast a futotengely (10) beallitásával leht vegrehajtani.
A fesztlancok kulonallo, egymassal azonos lancdarabokból vannak összeserelve.
A szükséges láncdarabok száma, illetve a feszitólancok hosszúsaga a csö külso atmérőjétőfugg.
Szallitas.

B
A csomarogep szalitasa serulesveszelyeljar. A csomarogepc sakak a keszulekgalzlottartohvelederekkel (34) vagy legalabh harom szemely reszvetelvelszalitsa.
Az üzembe helyezés elott.
A munkadarab varatlan elmoodulasa seriulesveszellyel jar. A megmukalas elott mindig megfeleloien rozitse a megmukalasra keruli munkadarabot, uyg hagy azBiztosiva legyenvaratlan elmoodulasok ellen.A munkadarab megmukalasa soran fennall annak a veselye, hogy a munkadarab varatlanul elgurul, leesik vagy elcsuszik.
A berendezestcsak kifogastalan muzaki allapothan szabad zemelteti. A berendezensmeye eyzeme helyezese elott ellenrizce, nincsenek-e elkopva vagy megrongalóva a betetszerszamok és a komponensek. Az
elkopott vagy megrongalóddott betétszerszámokat és komponenseket azonnai ujakra kell cseréni.
Elomunkák a megmunkálásra kerülo csövön.
A raktarozasi helyen szetvagrasa kerulc soveket ugy kell alatamasztani, hogy a betetszerszam ne ekelodhessen be.
A már lefektetett csöveknél 1 m hosszúságban a cső külő oldalatól mérve mindegyik pontban egy legalabb 50 cm-es szabad ravolságot kel bitzositani.
A megmalkalasi feluletnek szennyezodesmentesnek kellennie es nem letheknt raja talajmaradekok. A megmalkalasi feluetelen talalhato puha vedobevonatokat elszoleg tavoltsa el.
A vagoszerszámot a cso anyagának, azukseges megmalkalasi alaknak és a hütőkenanyagnak megfelelden kell kivalasztani.
-Tavolitsa el a futokerekek es Iancok teruleter al hegesztesi varratakat.
További felvilagositásokat a kěnő- és hútoanyagszällóktól kaphat. (lásd a 9 12 01 002 00 4 számú sürfítte levegős hútő- és kěnőberendeşest)
Kenanyag 0^ homerskelethez:
-BIOCUT 1L-3213203900kenoanyag
BIOCUT 5L - 3 21 32 040 00 0 kenanyag
Kenoganyag 25^ homserseklethez:
-1L-3'21 32042000kenoanyag
-5L-32132043000kenoyag
Elomunkák a csömarógepen (lásd az "A" abrát).
Oldja ki a rogztokart (11).
- Vezesse fel az orsoszekrenyt (16) a kezi forgattyuval (a szerszamtaskaban) a fogasveteli berendzeshez (7).
Távolítsa el az illesztócsavarokat (9) és a 4. tablázatadatainak megfeleloen allitsa át a futotengelyt (10) az aktuális csö külso átmörjéré.
Huzza meg ismet szorosra az illesztcsavarokat (9).
RSG Ex 1500 A/B (^**)
| P | D [mm] [coll] | |
| I 250 – 400 9,8 | 15,7 | |
| II 400 – 600 15,7 | - 23,6 | |
| III 600 – 900 23 | 6 – 35,3 | |
| IV 900 – 1500 3 | 5,3 – 58,9 |
RSG Ex 18 A/B (^**)
| P | D [mm] [coll] | |
| I 250 – 400 9,6 | 15,7 | |
| II 400 – 600 15,7 | - 23,6 | |
| III 600 – 800 23 | 6 – 31,5 | |
| IV 800 – 1000 3 | 1,5 – 39,4 | |
| V 1000 – 1300 | 39,4 – 51,2 | |
| VI | 1300 – 3000 | 51,2 – 118,1 |
P: A futotengely helyzete
DCsəatmero
- Hajtsa ki a rugofazekon a fesztölancok szamara szolgaló befog szerkezeteket (1), hogy a csomarogep felhelyezese utan elegendo fesztési ut alljon rendelkezesre.
A fesztlancokat a cs kulsa tmerojenek megfeloen kell oszseallitani.
Alltsa be a csomarogep helyzetet a csov on es egy emeloszernszmmal rogzitse, hovy megakadalyozza az elcsuszast.
A verzetolancot a lancfesztövel a cso külso atmerojenek megeleloen kell összealltani.
- A gezetólancot a feszítólanc mellett, attól 10 mm távolságra rögzít se a marószerszámhoz viszonyltva. A gezetólanc csapsege és a feszítólanc csapsege közötti távolság 10 mm.
Ezt a tavolsagot a kerulet menten legalabb harom helyen ellenorizze.
Acsomarogep felfeszitese a csore.
A szemekbol osszéallitont lancok felhelyezese.
- A szemekból összéalltott de meg nyitott lancokat tegy fel a csőmarógép mindkét oldalan a csöre.
- Emelje meg a♂marógépés tojla uyge be a szemekböllszzedallottlancokat a länckerekek (20 ala, hagy a szemarógpelhelelyeze estan a szemekböllszzedallottlancok beenyülanak a fogakba.
- Vezse savig zemebkoll oszeailltoft lancokat a szabad vegelkkel a fesztongely (14) es a ful (19) lancerekein.
Zárja le a csapszeggel (3 02 17 216 00 4) a szemekbol össéállitott lanc mindkét vegét é a két rögztógyürüvel (4 26 34 020 00 5)Biztositsa.
A szemekbol osszeallitott lancok megfesztese (lasd az "A" abrat).
- A szemekból össéallitláncokat eloször tege nagjáblof fel a két rugofázék (1) elfordítsávala csöre. A csámorógé helyzetének pontos beszábaloyására toliae al z'thányszor mindkét irányban a csö kerülelete menten.
- A szemebköl összeallitott lancokat a rugofazekak elforditasával feszítse annyira meg, hagy a cep (23, "A" ábra) a rugofazék hosszlyukában a kerület mentén huzódo horonyban alljon.
- A vágasi folyamat kozben figyelje meg a cap helyzetét. Ha a cső nem kerek, a lancot vagy utána fert fészíteni vagy ki kell lazitani. A vágasi folyamat megkedése elott szerelje le minf 4 fogantyut.
Balesetveszély!
Ne fesztse meg ezen a ponton tul a rugofazekat!

A betétszerszámok felszerelése.
Sérulisveszely
Az akaratlan bekapcsolas sérulésveszelyt jalent. A betétzserszmok felszerelése el'thuzka k a halózatl csatlakozó dugót.
Sérulisveszely
A betetszerszamok eele vagasos serelesekot okozhatnak. A betetszerszamok fel- es leszerelsehez viseljen vedkesztutyit.
Serulesveszely
A forro betetszerszam egesi serelesekot okozhat. A betetszamok leszerelsehez viseljen vedokesztutyit.
Viseljen védokesztyüt.
Csak kifogastalan élle rendelkezö betetszerszámokat hasznaljon.
A betetszram felhelyeze se eltt tiszttsa meg a szerszamtengelyt, valamint az illesztesi es felfekvesi feluitet.
Helyezfe fel a tavtarto tacskal egyutt a betetszerszamot.
- Erosen huzza meg a szerszam befogó anyat.
Uzembe helyezes
Csimarogep:

Az elektramos meghajtsuscsmarogepek el egy
kapsofo keszulkek-combinaciot kell szerelni,amely
a kovetkezkomponensekbol all:
Fokapsolo / iranyvalto kapso
-Motor aramkor megaszkito megszolalt
-Fesztultesghiany-kioldo
-Dugaszcsatlakozasok
A fokapsolo mind a bekapcsolasra, mind a
forasirany megvaltoztatasara hasznalhato. A motorvedkapsolo es a faszultseghiany-kioldo
egy kozos egysegt alket. Tulterhelés eseten a motorvedkapsolo lekapso, a halozati feszultseg
klesese seten pedla faszultseghiany-kilodo
elvaszta1a csmarogepet a halozattol, hogy
megakadalyozza az akaratlan ujrainuldast.
A csmarogepet a motorvedkapsolo
mukodtetsevel lehet ismet uzembe helyzni.
A kapsofo keszulkek-combinaciot uy ke
elhelyezni, hogy azimuthikor elheresse.
Részben robbanásbiztos kiviteli modú csomarógép:

Ha a 2. zónához tartozó robbanásveszélyes helyeken kell a csmarogépet muködtetni, akkor a kapcsoló keszülek-kombinació elé szereljen fel egy kapcsolszekrényt egy kiegészítő be-/kikapcsolóval.
A kapcsolszekrenyt uyg kehlhelyezni, hogy azt a kezel barmikor elerhesse.
! Robhanasveszely
A kapcsoló keszülék-kombináció t a 2. zónán kívül keil felállitani.
Kezelés.
Sérulisveszély
A védsbüranak üzem kozben teljesen zart es reteszeit allapotban kell lennie!
Sérulisveszély a kirepūlo forgácsok kovetkeztében
Ezek sérüléseket okozhatnak. Ügyeljen arra, hogy senki se tartózkodhasson a veszelyes terülen.
Tüvsezély a kirepuló forgácsok kovetkeztében
Ugyeljen arra, hogy ne legyenek konnyen gyulekony targyak a veszelyes teruileten.
Serulésveszely
A csomarogepbekapsolasakor a kirepul o alkatreszek serulésveszelyt jelentenek. A csomarogep minded alkalmazasa elott tavolitsa el a kezi forgattyut.
Inditasi muvelet
Az elektromos meghajtás csomarógepekné gondskodj anról, hagy a szerszám forgársánya helyes legyen. Aforallsiranyt a kapsolóberendezesen talalhato irányvátó kapsolóval lehet atkapsolni.
Sérulésveszély
Mūkōdō berendezés esétan a forgo ákatrészek sérülésveszelyt jelentenek. A berendezés veszélyes területérescak a beallitasi munkák vegrehajtsaHOZ es csaK abiztonsagos mūkōdēs szemportjából fontos intézkedesek betartásal szabad belénpi.
- Kapcsolja ki az elotolas kapcsolokarral (28) az elotolo hajtomuvet.
Kapcsolja be a csomarogepet.
- Oldja ki a rögztokart (11) es hajtsa bele a kézi forgatókarral a muködesben levő fureszlapot anyira a csöbe, amennyireCsak lehetségés. A melyen bemérétét tureszlap stabilizáj a vágásovi nolat.
Marasi munkakhoz valasszon lehtoleg egy kisebb szerszambelepst valasszon. A forgacsolasi terfogat a vagasi melyseg novelsevel szinten megnovekszik.
- Meritse a betetszerszámot 3 mm-rel melyeabbre a szükségesnel, majd allitsa vissza a szükséges mélységre, igy a betetszerszm hem er hozza a munkadarabhoz.
A mélységmeró skála alkalmazáskor tolja annyira be a szerszámot, hogy az megkarcolja csöfelületet. Oldja kl a recézzét anyat (27) és allitsa a mutató (28) a 0 álásba. Hużza meg ismét szorosa r acézzett anyat (27). A fogásvételi mélységet a skálan lehet leolvasni.
-Kapcsolja kla csmarogepet.
-
Ezutanarogztokar(f1)meghuzasaval rogzltseabeallitst.
-
Ismet kapcsolja be a csomarogepet.
-
Kapcsolja be az elotolás kapcsolókarral (28) az elotoló hajtómúvet.
-
Amennyiben a motorteljesitmény.elegend, egy menetben vagja at a csofalat.
A mar lfekektettedc sovek a fureszels soran meghajolnatnak es a betetszrszam beekelodhet a resbe. Eertz a fureszelo szerszam mogott rendszeres tavolsagokban ekeket kell a resbe beverni. Robbanasveszelyes helyeken hasznaljon szikramenes ekeket (6 33 05 013 00 2) (RSG Ex 1500 A/B ( ) , a keszülekkel szallitott tortozek) és egy szikramenes kalapacsot.
Kerulje el a csomarogeptulterhelesset.
Egy tulterhel es akkor all fenn, ha a mukodesben levobetetszram bevezetesekor a motorfordulatszm eszreveheten csokken.
Ez egyidejuleg a forgacsolasi teljesitmény csokkenesel jar.
- Rögtzite a munkadarabot (a lefürészeit csödarabot), hogy megóvja azt a lesestál.
A vastag falu (s > 10mm) csoveknel a hegesztesi varratot tobb menetben kell marassal eltavolltani.
A potosan azonos helyen vegrehajtsra kerul tobbszoros vagsa r a kovetkez tenyezok vannakbefolyassal:
- a csomarogepehelyzetenekeaellataza elinditaskor,
a cso geometriai elterese a kor-, illetve hengeralaktol,
-
a betetszerszam élessége,
-
a nyersanyag kemenysege.
A csomarogep uy van beszabalyozva, hogy egy 300 mm-es es egy 600 mm-es csoatmero eseten a vagasi vonal eleje es vexe nagjabl ogybeesik.
A vezetótengely excentricita kovetkezteben a beszabályozásj jel (24, lásd az E abr) ck a két fent emlitett atmére teölez érvenyú. Nagyobb csatmörök eseten bonyos esetakben utana kell szabályozni.
Acsomarogepekhatramenete (RSGEx [ ]
Dologi kár veszelye!
Mielott a csmarogepe et visszavezeti a kiindulasi pontba, bizostani kell, hogy a betetszerszam ne erjen a munkadarabhoz, hagy igy megelozze a szerszam es a Hajtommu grengonalodasat.
Kapcsolja ki az elotolas kapcsolokarral (28) az elotolohajtumvet.
Oldja ki a rogzitokart (11).
- A betetszerszam kiemelése.
Kapcsolja a,0" (KI) allasba a fokapsolot / iranyvalto kapcsolot.
Kapcsolja at haremetre az iranyvalto kapcsolot.
- Huzza meg szorosan a rogzftkart (11)
Kapcsolja be az elotolas kapcsolokkarral (28) az elotolh hajtomuvet.
Acsomarogephatramenetbennemalkmasvagasokvegrehajtasara!
Tajekozlato a hutshez es keneshez.
Dologi kár veszelye!
A betetszernot a marasi folyamat soran hutenis kenni keill. Nem kielegto
hutes es kenes eseten a forgacsok beekelodhetnek. Ez szerszamtorreshez gezethet.
Az alkalmazott hutoanyagot iltoen jarjon el a gyarto adatali / tajekoztatoja szerint.
A szürke ontöttvas csoveket mindig húto-kenóanyag nélkül, szarazon keill
vagni. Otvzetlen acelcsovek megmukalasa soran a fureszlapot, illetve a marofejt szappanos vizzel hutsie.
A futasí pontosság beallitása.

Oldja ki az anyacsavart (15, lásd az "A" abrát, kulcsmérét 46).
- Forgassa el a tengelyt (10) a fulhoz (19) viszonyitva.
Huza meg szorosra az anyacsavart (15).
A futoenglynek (10) az oramutato jarasaval megegyezo iranyban (a betetszerszam iranyanval) valofedortidasal a betetszerszam jobbra mozg (aratekintesi irany megeyezik a csomarogepmogrmasiranyaval).
A futotengelynek az oramutato jarasaval ellenkeziranyba valo elforgatasakor a betetszerszmal balra mozog.
További lánczemek alkalmazása.

Kiegésztó IancszemeketCsak az erereliranyzott pozfcikban szabad hasznalni.
- Távolítsa el a biziştosó gyürút (32).
Tavolitsa el a csapszeget (33).
Szerelje ossze a kivanc szamu lancszemet.
A berendezes tartozekai kozott kulonboz meretulancszemek talalhatok. - Vezesse be a csapszeget (33).
Szereljen fel egy uj biztosito gyurut (32).
Acsomarogepfelfogasa csore.

"A" a legnagyobb vagasi melyseg eseten szukseges szabad hely.
,D" a cs kulso atmeroje
iA lancdarabok szama Dcsatmero eseten.
RSG Ex 1500 A/B
| A fʊtótengely helyzete | D A szükséges | lánchossz Oldalanként | A lânc teljes hossza | i* | |
| [mm] [mm] | [mm] [mm] | ||||
| 1 | 250 | 400 | 1427 | 2854 | 5 |
| 300 | 392 | 1525 | 3050 | 5 | |
| 350 | 384 | 1632 | 3264 | 6 | |
| 400 | 378 | 1744 | 3488 | 6 | |
| 2 | 400 | 381 | 1782 | 3564 | 6 |
| 450 | 375 | 1898 | 3796 | 7 | |
| 500 | 369 | 2019 | 4038 | 7 | |
| 550 | 364 | 2144 | 4288 | 7 | |
| 600 | 360 | 2273 | 4546 | 8 | |
| 3 | 600 | 362 | 2302 | 4604 | 8 |
| 650 | 357 | 2433 | 4866 | 8 | |
| 700 | 352 | 2566 | 5132 | 9 | |
| 750 | 348 | 2702 | 5404 | 9 | |
| 800 | 344 | 2840 | 5680 | 10 | |
| 850 | 340 | 2862 | 5724 | 10 | |
| 900 | 337 | 3001 | 6002 | 10 | |
| 4 | 900 | 348 | 3142 | 6284 | 10 |
| 950 | 345 | 3284 | 6568 | 11 | |
| 1000 | 342 | 3428 | 6856 | 11 | |
| 1050 | 340 | 3464 | 6928 | 11 | |
| 1100 | 337 | 3607 | 7214 | 12 | |
| 1150 | 335 | 3751 | 7502 | 12 | |
| 1200 | 333 | 3896 | 7792 | 13 | |
| 1300 | 331 | 4062 | 8124 | 13 | |
| 1400 | 329 | 4338 | 8676 | 14 | |
| 1500 | 328 | 4355 | 8710 | 14 | |
| *Rendelési szám 3 02 31 013 02 7, 10 db 635 mm hosszúságú láncdarab. | |||||
RSG Ex 18 A/B
| A futiötengely helyzete | D A szükséges | lánchossz oldalanként | A lânc teljes hossza | i* | |
| [mm] | [mm] [mm] | ||||
| 1 | 250 | 587 | 1427 | 2854 | 5 |
| 300 | 576 | 1525 | 3050 | 5 | |
| 350 | 564 | 1632 | 3264 | 6 | |
| 400 | 553 | 1744 | 3488 | 6 | |
| 2 | 400 | 522 | 1782 | 3564 | 6 |
| 450 | 511 | 1898 | 3796 | 7 | |
| 500 | 501 | 2019 | 4038 | 7 | |
| 550 | 492 | 2144 | 4288 | 7 | |
| 600 | 483 | 2273 | 4546 | 8 | |
| 3 | 600 | 453 | 2302 | 4604 | 8 |
| 650 | 445 | 2433 | 4866 | 8 | |
| 700 | 437 | 2566 | 5132 | 9 | |
| 750 | 429 | 2702 | 5404 | 9 | |
| 800 | 422 | 2840 | 5680 | 10 | |
| 4 | 800 | 396 | 2862 | 5724 | 10 |
| 850 | 393 | 3001 | 6002 | 10 | |
| 900 | 390 | 3142 | 6284 | 10 | |
| 950 | 386 | 3284 | 6568 | 11 | |
| 1000 | 383 | 3428 | 6856 | 11 | |
| 5 | 1 | 390 | 34640 | 6908 | 11 |
| 1050 | 387 | 3607 | 7214 | 12 | |
| 1100 | 385 | 3751 | 7502 | 12 | |
| 1150 | 382 | 3896 | 7792 | 13 | |
| 1200 | 379 | 4062 | 8124 | 13 | |
| 1300 | 374 | 4338 | 8676 | 14 | |
| 6 | 1 | 387 | 43550 | 8700 | 14 |
| 1400 | 382 | 4651 | 9302 | 15 | |
| 1500 | 378 | 4950 | 9900 | 16 | |
| 1600 | 373 | 5250 | 10500 | 17 | |
| 1700 | 369 | 5553 | 11106 | 18 | |
| 1800 | 366 | 5857 | 11714 | 19 | |
| 1900 | 362 | 6162 | 12324 | 20 | |
| 2000 | 359 | 6468 | 12936 | 21 | |
| 2100 | 356 | 6775 | 13550 | 22 | |
| 2200 | 353 | 7083 | 14166 | 23 | |
| 2300 | 350 | 7391 | 14782 | 24 | |
| 2400 | 348 | 7700 | 15400 | 25 | |
| 2500 | 346 | 8009 | 16018 | 26 | |
| 2600 | 343 | 8319 | 16638 | 27 | |
| 2700 | 341 | 8629 | 17258 | 28 | |
| 2800 | 339 | 8940 | 17880 | 29 | |
| 2900 | 337 | 9251 | 18502 | 30 | |
| 3000 | 335 | 9562 | 19124 | 31 | |
*Rendelési szám 3 02 31 013 02 7, 10 db 635 mm hosszúság láncdarab.
Egy optimalis elofesztés eleresehez szukseg eseten azserszamtaskaban talalhato 31,75 mm hosszusagu lancdarabokat lehet hasznalni.
Pelda:
Egy D=400 mm csoatmerohoz 6 Iancdarabra (rendelési szama 3 02 31 013 02 7) van szukség.
Nyomvezetas egy vezetolancaccal
H

A vezetolanc hosszusagat a tablazatnak megfeleloen kell osszeallitani Egy optimalis elofesztés elereshez szukseg eseten azerszamtaskaban talalhato 31,75 mm hosszusagu lancaDarabokat lehet hasznalni.
Avezetolanc lanchossza
| Cs6 átmérő | Lánychossz | Lánycdarabok | ||
| [mm] [mm] | 635 mm 63,5 mm 31,75 mm | |||
| 250 710 1 1 | 1 | |||
| 300 870 1 4 | 0 | |||
| 350 1030 1 | 6 1 | |||
| 400 1190 1 | 9 0 | |||
| 450 1344 2 | 1 1 | ||||
| 500 1500 2 | 4 0 | ||||
| 550 1660 2 | 6 1 | ||||
| 600 1809 2 | 8 1 | ||||
| 650 1970 3 | 1 1 | ||||
| 700 2130 3 | 4 0 | ||||
| 750 2290 3 | 6 1 | ||||
| 800 2440 3 | 8 1 | ||||
| 850 2600 4 | 1 0 | ||||
| 900 2760 4 | 4 0 | ||||
| 950 2921 4 | 6 0 | ||||
| 1000 3079 | 4 8 1 | ||||
| 1100 3397 | 5 3 1 | ||||
| 1200 3714 | 5 8 1 | ||||
| 1300 4032 | 6 3 1 | ||||
| 1 4 | 0 | 0 | 4 | 3 | 0 6 |
| 1 5 | 0 | 0 | 4 | 6 4 | 0 7 |
Rendelésizam30231034010 (l = 635mm)
Rendelési szam 30231036010(=63,5mm)
Rendelésizam30231035010 (I = 31,7mm)
Egy csapszeggel es egy rozltogyurivel rozltse a vezetolancot a lancfesztn a két lancdarab egvikehez.
- Vezesse à a vezetólanc gezetógát mindkét gezetólänckerek alatt ("H" ábra).
Egy capsulationgels egy rozgitogyurvel rogzitse avezetlanc szabad vegat alancfesztion.
A lancfeszto hatlapjanak (2) elforgatasaval tegy fel a csore a yezetolancot.
- Alltsa be a verzetolancot a hajtolanctol 10mm tavolsagra (ez a hajtolanc capszgee es a verzetolanc csapszgee kozotti tavolsag) es ezt a tavolsagot a kerulet menten harom helyen ellorizze.
Fesztse meg a Iancfeszt to hatapjat (29) amig a tarcsa (30) felfeksiz k Iancfeszt to hazara (feszitesi tartomany kb. 50 mm). (Max. meghuzasi nyomatek 50 Nm)


Figyelem: Balesetveszély!
Semmi esetre se forgassa el a frontoldon talalhato haromBiztositocsavart (31). (Iasl a H abrat)
Befejezo munkalatok minded munkavegzés utan
-A betetszrszam kiemelse.
Kapcsolja ki a csomarogepet.
Vegye le a betetszerszamot.
-Szerelje le a cs'marogepet.
Raktarozza el a csomarogepet.
- Lassa el korrozióvedelemmel a külso fémes anyagokat.
A cs6mar6gep szaraz helyen taroIja.
Karbantartás és javítás.
Megegyzes a karbantartashoz es javitashoz.
A javitasra szorul6 FEIN elektrmos kézsizenszamokkal es tartozekokkal forduljon
a FEIN Vevszolgalathoz. A cimet a www.fein.com cimen talalhatja meg.
Ennek az elektromos kéziszerszámnek a pillanatnyilag érvényes pótalkárész
listajat az interneten a www.fein.com cimen talalhatja meg.
Csakeredeti potalkatreszeket hasznaljon.
A kōvetkezō alkatrészeket szükség eseten On is kicserelheli: Betétzserszámok, fogantyúk, lanc, lancszemek

A berendezestCsak kifogastalan muszaki allapotban szabad uemeltetni. Az elkopott vagy megrongaliodott betetszerszamokat es komponenseket azonnalujakra kell cserelni.

Sérulisveszely
akaratlan bekapcsolas kovetkezteben.
A csomarogepen vegt barmely munka megkezdese eltt huzza kia csatlakozo dugot a dugaszol alzbatbol.
Karbantartasi munkakatCsak képzett szakemberek végezhetnek.
Az apolasi es karbantartasi munkak lenyeguben a kovetkezoket foglajak magukba:
Acsomarogepeszfesztolancokkulso tiszitasa.
A teljes csomarogepe szemrevetelezesee ellenzese.
-Hajtómólaj csere.
A MOZgato menetek és láncok bezsirozásá.
-Az orsəsekreny megvezeteseinek bezsirozasa a befog es szaillto berendezsen.
A szerszánon talalhato ontapado cimkek es figyelmeztetog megjegyzesek megujtasa
A szemekbő üsszeállitott láncok ápólasa
A szemekból össéállitctl lánçokat a durva szennyezódések eltávolítasa utan mósobenzinnel, petröleummal vagy valamien yasonlo anyaggal a láncszemeket mozgatva gondosan tiszitsta meg.
A kenésBiztositára a lánçokat ezután tegye be tobb orara sürün folyo olajba, pédául SAE 140 sebességvalto-olajba.

Balesetveszely!
A lancszemeket az ujrafelhasznalás eltő szemrevételezésell alaposan ellenorizze, ezeknek kifogastalan allapotkan be leniuk. A megrongálódtott alaktrészeket cseréljé ki és hianzyó rögztógyürket helyettesitse.
Csatlakozvezetek
Ha az elektramos kesziszerszám csatlakozó gezetéke megserült, azt a gyártóval vagy annak képviseljével ki kell csereltneti.
Fogásveteli berendezés (lásd az "A" abrát)
A csoanya (17) kopenyfeluletet tartsa szabadon a szennyezodesektol es a rozsdalerakódasoktól és kissé mindig zsirozza be.
A sebesevgvaloolajcse roran tiszittsa meg es zsirozza be a mozgator menetekel.
Leszereles:
Tavolitsa el a hengeres feju csavart (8).
Huzza ki a fedelbol a csapszeget (5).
Ezután csavarja ki a kézi forgattyúval a fogásvételi berendezést a csöanyábol.
- Tiszitzsa meg és zsirozza be a menetes alkatrészeket (lásd a Kenöanyagok és Kenési tery fejezet et a 129, oldalón).
A megrongalodott lehuzo gyuruk kicserelse.
Felszerelés:
A felszerelést forditott sorrendben kell vegrehajtani. Az összeszereléskor ne rongalja meg a lehúz gyürket!
Befogó szerkezet
Kerüje el menetek elszennyezödéset a rugófazékben a szemcsavarokon (3, "I'ábra).
Szükség eseten tisztsa meg és zsirozza be a meneteket.
Kenóanyagok és kenésiterv
| ARAL Öl Degol kenőanyag | Töltési mennyiség | Hörmérséklet tartomány [°C] | Műszaki leirás |
| BMB 460 2 liter 0 - | +60 A DIN 15502 | szabványak megfelelő CLPF sebességváltó-olaj | |
| BMB 100 2 liter -20 | - +40 |
A kiszallitasi allapotban az orsoszekreny Degol BMB 100 tipusu ARAL olajal van megtoltve. MAs sebessegvalo-olajfajtk alkalmazasat hataroztann nem javasoljuk.
Kenóanyagok a csuszó felületek szárára
A csuszó felütek kenésehez és apolásához savmentes, vizálló markás siklocsapagyzsirok alkalmazásat ajánljuk.

| Kenési pont Kenő-, illetve üzemanyag | |
| 2(hajtómul) lásd a "Kenőolaj az orsószek" rényhez" támblázatot | |
| 3 (csuszó felületek és mozgató menetek) | Siklócsapágyzsír |
Hibaelhárítás (RSG Ex [ ] kiviteli mod).
| Üzemzavar Lehetséges okok Intézkadések | ||
| A motor és a betétzserszám kihagy | Nagyon alacsony környezeti hörmsékletek | Használion alacsony hörmsékletekre szolgáló FEIN-hajtómulajat |
| Eltompult betétzserszám Cserélje ki a betétzserszámot | ||
| Nincs halózati feszültseg Ellenőrizable a halózati csatlakozósztots | zóts zapcsolóberendzeseket | |
| Helytelen halózati feszültseg | Ellenőrizable a halózati csatlakozásá adatokat. | |
| Az elötolás tül gyors vagy az egy fordulatra esőanyaglemunkálás tül magas | Állitsa be a Hajtóművet és/vagy csökkentse abemerülési méléséget. | |
| Olajveszteség a Hajtóműszekrényben | Határozza meg a szivárgás helyét és javítsa ki a hibát-Töltsön utána olajat | |
| Tülfott mertékő hörmséklet emelkedés a motorban | Reaktivalja a 3 07 02 041 01 4 sz. kapcsoló készülék-kombináclôt | |
| Megrongálódott lánckerék | Megkárosodott láncdarab | Cserélje ki a láncdarabot |
| A lanc hibásan van összeköhte | Ellenőrizable és javítsa ki az összekapcsolásipi pontokat | |
| A lanc csapszegeCsak részben van betolva | Tolja be teljesen a csapszeget | |
| Hibás vágási vonal | Hibás helyzetbe allitott csőmarógép és lanc | lásd az „,Elömmunkák csőmarógépen (lásd az "A"ábrát)" szakaszto 125. oldalon és "A csőmarógépfelfogásá csöre" és „,A csőmarógépfelfogásá csöre" szakaszto következő oldalon: 126 |
| A vezetötengely nem excentrikus | Állitsa után a pontos futást, lásd „,A pontos futásbeállitásá" szakaszto következő oldalon: 127 | |
| Eltompult betétzserszám Cserélje ki a betétzserszámot | ||
| Ferdén vagy fuggölegesen alatámasztott, illetve nemkerek cső | Használion egy nyomvezető berendezétst, lásd „,A csőmarógépfelfogásá csöre" szakaszto 126. oldalon és a "Nyomvezetés" szakaszto következőoldalon: 128 | |
| Tülterhelt betétzserszám | Állitsa be a Hajtóművet és/vagy csökkentse abemerülési méléséget. | |
| Üzemzavar Lehatséges okok Intézkadések | ||
| Csökkentett vagy hatástalan gépfunció | Nincs hálózatl feszült ség | Ellenőrizes a hálózati csatlakozót és a kapcsolóberendezeseket |
| A kapcsoló nincs bekapcsolva Ellenőrizes a kapcsolórt | ||
| A tengelykapsoló csuszik Állitsa be a Hajtoművet vagy | álítassa be egy FEIN-mühelyben a tengelykapcsoló megszólalási nyomatékát | |
| Erös rezgések Az elölólás tú gyors Állitsa be a Hajtoművet | ||
| A betészerszám tül mélyen van Emelje meg a betészernszámot. | ||
| A rögzitőkar (11) nincs meghúzva Húzza meg a rögzítőkart | ||
| A lánc tül laza Láncfeszesség ellenőrzésé | ||
| Eltompult betészerszám Cserélje ki a betészerszámott |
Szavatosság.
A termékre vona tkozó jotállás a forgalomba hozási országan érvényes törvenyes rendelkezeseknek megfeleloen érvényes.
Tarozekok es betetszerszamok.
Körfureszlapok

1

2

3
- alaku, HSS, a kovetkez & tpusu hajtomuevekhez:
| A, B - acélcsövek megmunkálásához | |||||
| Ø Szélesseg Súly A fogak | száma | max. vágásimélység: | Megrendelési szám | ||
| (mm) | (mm) | (kg) | (mm) | ||
| 160 | 4 | 0,5 | 50 | 25 | 6 35 02 022 00 6 |
| 180 | 4 | 0,7 | 60 | 35 | 6 35 02 037 00 8 |
| 200 | 4 | 0,9 | 64 | 45 | 6 35 02 053 00 7 |
| 220 | 4 | 1,3 | 70 | 55 | 6 35 02 041 00 1 |
- alaku, HSS, a kovetkez tipusu hajtouvekhez:
| B-ontvénycsövek megmunkaláshoz | |||||
| Ø Szélesseg Súly A fagak | száma | max. vágásimélység: | Megrendelési szám | ||
| (mm) | (mm) | (kg) | (mm) | ||
| 160 | 4 | 0,5 | 40 | 25 | 6 35 02 050 00 1 |
| 180 | 4 | 0,7 | 46 | 35 | 6 35 02 098 00 0 |
| 200 | 4 | 0,6 | 50 | 45 | 6 35 02 099 00 4 |
- alaku, HSS, kemenyfm fogakkal, a kovekez tipusu hajtomuevkehz:
| A, B - öntöttt csovek (cementbetêtes csovek is) és ötvözeten acélsövek megmunkalásához 400 N/mm2-ig | |||||
| Ø | Szelesség | Súly A fogak száma | max. vágásí méléség: | Megrendelési szám | |
| (mm) | (mm) | (kg) | (mm) | ||
| 160 | 4 | 0,5 | 40 | 25 | 6 35 02 080 00 8 |
| 180 | 4 | 0,7 | 44 | 35 | 6 35 02 061 00 9 |
| 200 | 4 | 0,9 | 50 | 45 | 6 35 02 084 00 2 |
Sikloretesz
| \( \mathrm{{Sz}} \times \mathrm{M} \times \mathrm{H} \) | |
| mm | |
| \( 6 \times 6 \times {32} \) | 402 21 044 00 0 |
| \( 8 \times 7 \times {32} \) | 402 21 050 00 5 |
Szallitotartaly
| Hosszúság x szélesség x magasság | |
| mm | |
| 1000 x 800 x 395 | 3 39 01 114 00 7 |
Alakmaró

V-alaku, HSS, a következ típusu hajtómúvekhez:
| A - magasan ötvözött acélcsövek megmunkálásáhozB - ötvözetlen acél- és öntvénycsövek megmunkálásához 10 mm max.falvastagságig és 1600 mm max. átmörőig | ||||||
| D | B | Súly | A fogaskráma | B | max.vágasi mélység: | Megrendelési szám |
| (mm) | (mm) | (kg) | (°) | (mm) | ||
| 125 | 25 | 1,6 | 32 | 30 | 25 | 6 35 08 056 00 4 |
| 160 | 30 | 3,2 | 36 | 30 | 25 | 6 35 08 081 00 9 |
| 160 | 30 | 3,3 | 36 | 37,5 | 25 | 6 35 08 093 00 0 |
| 180 | 42 | 5,5 | 36 | 37,5 | 25 | 6 35 08 094 00 0 |
| 180 | 42 | 4,9 | 36 | 30 | 25 | 6 35 08 085 00 8 |


B=8°
r=6mm
b = 4mm
U-alaku, HSS, a kovetkez tipusu hajtomuekhez:
| A - magasan ötvöztüt acélcsovek megmunkálásaḥozB - ötvözeten acél- és öntvénycsövek megmunkálásaḥoz 10 mm max.falvastagságig és 1600 mm max. átmárólg | |||||
| D | B | Súly | A fogak száma | max.vágásí mélység: | Megrendelési szám |
| (mm) | (mm) | (kg) | (mm) | ||
| 160 | 25 | 2,8 | 40 | 25 | 6 35 08 089 00 7 |

Lancdarab
| Csoportmaró, HSS, a következő típusú hajtóművekhez: | ||||||
| A - magasan ötvözött acélcsövek megmunkálásáhozB - ötvözetlen acél- és öntvénycsövek megmunkálásához 10 mm max.falvastagságig és 1600 mm max. atmérőig | ||||||
| D B Súly | A fogak | száma | β | m a vágásimélység: | Megrendelési szám | |
| (mm) (mm) (kg) (°) | (mm) | |||||
| 154 30,5 | 2,5 32 30 | 25 6 35 | 08 099 02 | 0 | ||
Tartalek csapszeg
| 10 láncdarab x 63,5 mm = 635 mm | |
| Megrendelési szám 3 02 31 013 0 | 2 7 |
| 1 láncdarab 31,75 | |
| Megrendelési szám 3 02 31 029 0 | 0 2 |
| Megrendelési szám 3 | 02 17 216 00 4 | Fesztőlánç, 38,5 mm |
| Megrendelési szám 3 | 02 16 166 00 0 | Vezetőlánç, 54 mm |
Mellekelt tartozekok
| Megrendelési szám 3 | 02 17 216 00 4 |
| Acél hasítóék | |
| Megrendelési szám | 6 33 05 006 00 8 |
| Megrendelési szám Szám | Megnevész |
| 3 39 01 114 00 7 | 1 Szállító tartály |
| 3 39 01 031 00 1 | 1 Szerszámosléda |
| 3 21 22 007 01 7 | 1 Kézi forgattyú |
| 6 29 01 016 00 2 | 1 Egyágú villáskulcs, SW 46 |
| 6 29 03 010 00 6 | 1 Egyágú villáskulcs, SW 55 |
| 3 12 07 333 01 0 | 1 Lánçfesztő csak az RSG Ex 1500 A/B számára (**) |
| 6 29 11 010 00 0 | 1 Gyürskulcs, 17/19 |
| 6 29 06 014 00 0 | 1 Dugóskulcs, SW 46/41 |
| 3 02 31 029 00 2 | 20 Görtgöslánc |
| 3 02 17 216 00 4 | 20 Csap |
| 4 26 34 020 00 5 | 40 Rögzítögyürü |
| 6 33 05 013 00 2 | 5 Hashtóékek, szíkramentes az RSG Ex 1500/18 A/B számára (**) |
| 3 07 02 041 01 4 | 1 Kapcsoló keszülék-kombinatoriou az RSG Ex 1500/18 A/B számára (**) |
| 3 21 74 009 00 1 | 1 Kerek heveder |
| 3 21 74 010 00 3 | 1 Kerek heveder |
| 3 07 28 188 00 8 | 1 CEE tengelykapcsoló az RSG Ex 1500/18 A/B (**) |
| 3 02 31 035 02 0 | 1 LánçCsak az RSG Ex 1500 A/B számára (**) |
| 3 02 16 166 01 0 | 1 CsapCsak az RSG Ex 1500 A/B számára (**) |
| 3 40 56 026 00 0 | 1 Beillesztőtő lemezek csak az RSG Ex 1500 A/B számára (**) |
Opiconalis tartozek
| Megrendelési szám Szám | Megnevész | |
| 3 02 31 013 02 7 | 1 | Lánc 10 láncdarabbal |
| 4 26 34 020 00 5 | 1 | Rögzítőgyürő |
| 3 02 17 216 00 4 | 1 | Csap |
| 4 30 12 051 12 2 | 1 | Illesztőcsavar |
| 6 33 05 013 00 2 | Szikramentes kiütőék | |
| 9 12 01 002 00 4 | Sárített levegős hütő- és kenöberendezés (DKSE) | |
| 3 24 33 027 01 7 | 1 | Csatlakozó egységek a DKSE számára (lásda rajzot) |
| 9 26 01 023 02 3 | 1 | Légsürítő a DKSE számára |
| 3 14 14 055 00 2 | 1 | PA-DL-tömlő, komplett, a légsürítő számára |
| 4 11 36 005 01 9 | 1 | Csatlakozó húvely |
| 3 02 31 035 02 0 | 1 | Lánc |
| 3 02 16 166 01 0 | 1 | Csap |
| 3 40 56 026 00 0 | 1 | Beilleszthető lemezek |
Suriett levegos huto- es kenoberendezes 9 12 01 002 00 4
A csomarogep lehetseges magas vagasi es elolatis sebesege kovetkezteben acel megmunkalasa soran a szerszamokat huteni es kenni kell. A suriitett levegos hutos kenoberendezas a hto- es kenoanyag porlasztanasak es elparoLogtatasanak elve alapjdo mukodik es a csomarogepen elhelyezett permetez fuvokak reven egy allando johutest es konest bisrozit.
Ezen kivul igy nem kerul sor az eptkezesi terulet talajanak az egyebkent kezi uton adagolt furo emulzio altal torteno beszennyezesere.
Húto-és kenófolyadékként a BIOCUT 3000 fém-megmalkálo kenoanyag alkalmazását javasoljuk. Ez egy ujszerú, teljesen szintetikus, nagy teljesistményu kenoanyag, kiemelkedö tapadó - éhûtôhatása van, vizben oldhato, biologialag jol leepithetó écsak alançoc mennyiségen kell hasznalni (a beallitastól fuggöen max. kb. 0,3 dm³/óra fvókákként).
A BIOCUT 3000 nem tartalmaz egeszseget veszelyezyeteto anyagokat. Az anyag megfel e Nemet Gaz- es Vizszakemberek Egyesulete (DVGW e.V.) kovetelmenyeinek.
Valamennyi alkotorésze megeleil az FDA (Food and Drug Administration) irányelvenek és a nemet Orvosságok Konyve (DAB) ma érvényes szövegnek a modositásokkal együtt.
Akenoanyagakovetkezokivitelekbenszerezheto be:
BIOCUT 3000 ken anyag legfeljebb 0^ hmserekletekig:
1L-32132039000
5L-32132040000
Hidegallo kenoanyag legfeljebb -25°C hämersekletekig:
1L-32132042000
5L-32132043000
Az RSG Ex (^**) haromfazisu valtozatoknal egy kb. 130 l/perc beszivasi mennyisegetBiztosito legsuritore van szukseg (FEIN rendelesi szama 9 26 01 023 02 3), hogy egy suritet levegos huto- es kenoberendezest lehessen uzemeltetni.
Pótalkatrészek.
Az aktuális pótalkárész-jegyzék az Interneten a www.fein.com címen talalhátó.
Megfelelosegi nyilatkozat.
A CE-nyilatkozat ck as Az Europai Unio es az EFTA (Europai Szabadkereskedelmi Tarsulas) orszagaira es ck azokra a termekre erenyes, amelyek az EU-vagy EFTA-piac szamara kerultek gyartasra.
A FEIN egyedi feleloseggel kijelenti, hogy ez a termek megfeel az ezen kezelisi utmutat otolso oldalan megadott Idevonatkozo elirasoknak.
A muzaki dokumentacio a kovetkez helyen talalhato: C. & E. Fein GmbH, D-73529 Schwabisch Gmund
Környezetédelem, hulladékkezelés.
A csomagolásokat, a selejtes elektromos kesziszerszámokat és tartozékokat a környezetvedelmi szempontoknak megfelöen kel üra felhasználini.
Preklad puvodniho navodu k obslze.
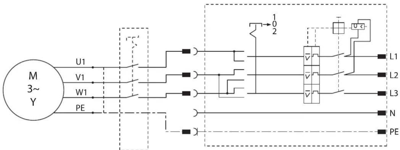
A motor csatlakozásí vázlata


PpOeTeo diakontns
30722024017
Ekstra Kontakt
30722024017
Ekstrabryter
30722024017
Tillaggsbrytare
30722024017
Lisakytkin
30722024017
Ek salter
30722024017
Kiegészíto kapcsoló
30722024017
Uvduaog diataeewdakottn
30702041014
Koblingsudstyrskombination
30702041014
Kapcsoló keszülék-kombinácio
30702041014
RSG Ex 1500 A/B [ ] RSG Ex 18 A/B [ ]
Notice-Facile