RSG EX18b - Drill Fein - Free user manual and instructions
Find the device manual for free RSG EX18b Fein in PDF.
Download the instructions for your Drill in PDF format for free! Find your manual RSG EX18b - Fein and take your electronic device back in hand. On this page are published all the documents necessary for the use of your device. RSG EX18b by Fein.
USER MANUAL RSG EX18b Fein
Bauart RSG Ex 1500 A () RSG Ex 18 A ()
RSG Ex 1500 B () RSG Ex 18 B (*)
Translation of the Original Instructions.
Symbols, abbreviations and terms used.
| Symbol, character Explanation | |
| 1 ! | Observe the instructions in the text or graphic opposite! |
| 2 | Make sure to read the enclosed documents such as the Instruction Manual and the General Safety Instructions. |
| 3 | Use eye protection during operation. |
| 4 | Use ear protection during operation. |
| 5 | Use protective gloves during operation. |
| 6 | General prohibition sign. This action is prohibited. |
| 7 | Do not reach in! |
| 8 | Do not touch the rotating parts of the power tool. |
| 9 | Do not reach into chains and sprockets! |
| 10 | Warning against sharp edges of application tools, such as the cutting edges of the cutter blades. |
| 11 | Hot surface! |
| 12 | Gripping surface |
| 13 | Additional information. |
| 14 | Confirms the conformity of the power tool with the directives of the European Community. |
| 15 | Worn out power tools and other electrotechnical and electrical products should be sorted separately for environmental-friendly recycling. |
| 16 | Do not turn or screw the three securing screws. |
| 17 | Applies only for China: The duration of environmental protection under normal use of the product is 10 years. |
| (**) May contain numbers and letters | |
Technical Data.
Order number 7360...7360...
Design RSG Ex 1500 A () RSG Ex 1500 B (*)
Order number 7360...7360...
Design* RSG Ex 18 A (^) RSG Ex 18 B (^)
Voltage (U) 400 V 400 V
Frequency (f) 50 Hz 50 Hz
Mains supply: 3 (three-phase current) 3 (three-phase current)
No-load speed (n_0)
-
Motor 2860 rpm 2860 rpm
-
Application tools 35 rpm 70 rpm
Feed (f 40 mm/min 80 mm/min
Rated power (P) 1500 W 1500 W
Power cord length (with plug)
-
RSG Ex 1500 (**) 2 × 20m 2 × 20m
-
RSG Ex 18 A/B (**) 2 × 20 ~m 2 × 20 ~m
Class of protection 1/1
Protection class IP X4 IP X4
*Electric motor and auxiliary switch in explosion-proof design (ATEX-compliant)
Design* RSG Ex 1500 A (**) RSG Ex 18 A (**) RSG Ex 1500 B (**) RSG Ex 18 B (**
| Dimensions: | ||
| - Weight (m) 80 kg | 80 kg | |
| - Max. tool Ø | 220 mm | 220 mm |
| - Lmax. | 974 mm | 1088 mm |
| - Hmax. | 334 mm | 334 mm |
| - Bmax. | 450 mm | 431 mm |
| - B1 | 371 mm | 371 mm |
| - B2 | 201 mm | 201 mm |
| - B3 | 791 mm | 991 mm |
Intended Use of the Pipe Milling Machines.
The pipe milling machine is intended for cutting and milling free pipe ends and installed pipe sections made of steel or cast iron, as well as for chamfering pipe ends prior to welding them at construction sites or in the open. The pipe milling machine is for specialty companies and to be operated by specialists; it is not intended for continuous everyday use.
The complete pipe milling machine is not approved for explosion-protected areas.
The pipe milling machine is not intended for:
- use in areas with explosive atmospheres.
- use during heavy rain and work under water.
- use outside of the temperature range of -20^ to 40^ .
- for cutting explosive materials.
- for cutting combustible material.
EC Directive 94/9EC ATEX (Atmosphères Explosibles)
Please note that FEIN pipe milling machines of the type RSG Ex (^**) are not approved for use in explosive atmospheres and therefore no EC type examination certificates exist for these pipe milling machines in accordance with Directive 94/9EC.
(Only two ATEX-compliant components are installed on the RSG Ex (^**) pipe milling machines, being the electric motor and the auxiliary switch).
The ATEX directive applies only in the EC area.
At a glance.
1 Tightening device
2 Fastening screw for side plate
3 Side plate
4 Information label
5 Bolt
6 Threaded spindle
7 Feed mechanism
8 Pan head screw for feed mechanism
9 Fitting screw
10 Running axle
11 Clamping lever
12 Hexagon bolt
13 Washer
14 Tightening axle
15 Nut
16 Tool spindle head
17 Pipe nut
18 Fastening screw for motor
19 Bracket
20 Drive sprocket
21 Transport shaft
22 Securing ring
23 Pin
24 Screw plug of tool spindle head
25 Carrying handle (insulated gripping surfaces)
26 Depth scale
27 Knurled nut
28 Feed switching lever
29 Chain-tensioner hexagon
30 Chain-tensioner disc
31 Securing screws of chain tensioner
32 Securing ring for chain link
33 Bolt of chain link
34 Carrying straps
For your safety.
General safety rules.
WARNING Read all safety warnings, instructions, figures and technical data provided with power tool. Failure to follow the warnings
and Instructions may result in electric shock, fire and/or serious injury.
Save all safety warnings and instructions for future reference.
The term "power tool" used in the safety instructions, refers to mains-powered power tools (with mains cable) and to battery-operated power tools (without mains cable).
1) Work area safety
a) Keep work area clean and well lit. Cluttered or dark areas invite accidents.
b) Do not operate power tools in explosive atmospheres, such as in the presence of flammable liquids, gases or dust. Power tools create sparks which may ignite the dust or fumes.
c) Keep children and bystanders away while operating a power tool. Distractions can cause you to lose control.
2) Electrical safety
a) Power tool plugs must match the outlet. Never modify the plug in any way. Do not use any adapter plugs with earthed (grounded) power tools. Unmodified plugs and matching outlets will reduce risk of electric shock.
b) Avoid body contact with earthed or grounded surfaces, such as pipes, radiators, ranges and refrigerators. There is an increased risk of electric shock if your body is earthed or grounded.
c) Do not expose power tools to rain or wet conditions. Water entering a power tool will increase the risk of electric shock.
d) Do not abuse the cord. Never use the cord for carrying, pulling or unplugging the power tool. Keep cord away from heat, oil, sharp edges or moving parts. Damaged or entangled cords increase the risk of electric shock.
e) When operating a power tool outdoors, use an extension cord suitable for outdoor use. Use of a cord suitable for outdoor use reduces the risk of electric shock.
f) If operating a power tool in a damp location is unavoidable, use a residual current device (RCD) protected supply. Use of an RCD reduces the risk of electric shock.
3) Personal safety
a) Stay alert, watch what you are doing and use common sense when operating a power tool. Do not use a power tool while you are tired or under the influence of drugs, alcohol or medication. A moment of inattention while operating power tools may result in serious personal injury.
b) Use personal protective equipment. Always wear eye protection. Protective equipment such as a dust mask, non-skid safety shoes, hard hat or hearing protection used for appropriate conditions will reduce personal injuries.
c) Prevent unintentional starting. Ensure the switch is in the off-position before connecting to power source and/or battery pack, picking up or carrying the tool. Carrying power tools with your finger on the switch or energising power tools that have the switch on invites accidents.
d) Remove any adjusting key or wrench before turning the power tool on. A wrench or a key left attached to a rotating part of the power tool may result in personal injury.
e) Do not overreach. Keep proper footing and balance at all times. This enables better control of the power tool in unexpected situations.
f) Dress properly. Do not wear loose clothing or jewellery. Keep your hair and clothing away from moving parts. Loose clothes, jewellery or long hair can be caught in moving parts.
g) If devices are provided for the connection of dust extraction and collection facilities, ensure these are connected and properly used. Use of dust collection can reduce dust-related hazards.
h) Do not let familiarity gained from frequent use of tools allow you to become complacent and ignore tool safety principles. A careless action can cause severe injury within a fraction of a second.
4) Power tool use and care
a) Do not force the power tool. Use the correct power tool for your application. The correct power tool will do the job better and safer at the rate for which it was designed.
b) Do not use the power tool if the switch does not turn it on and off. Any power tool that cannot be controlled with the switch is dangerous and must be repaired.
c) Disconnect the plug from the power source and/or remove the battery pack, if detachable, from the power tool before making any adjustments, changing accessories, or storing power tools. Such preventive safety measures reduce the risk of starting the power tool accidentally.
d) Store idle power tools out of the reach of children and do not allow persons unfamiliar with the power tool or these instructions to operate the power tool. Power tools are dangerous in the hands of untrained users.
e) Maintain power tools and accessories. Check for misalignment or binding of moving parts, breakage of parts and any other condition that may affect the power tool's operation. If damaged, have the power tool repaired before use. Many accidents are caused by poorly maintained power tools.
f) Keep cutting tools sharp and clean. Properly maintained cutting tools with sharp cutting edges are less likely to bind and are easier to control.
g) Use the power tool, accessories and tool hits etc. in accordance with these instructions, taking into account the working conditions and the work to be performed. Use of the power tool for operations different from those intended could result in a hazardous situation.
h) Keep handles and grasping surfaces dry, clean and free from oil and grease. Slippery handles and grasping surfaces do not allow for safe handling and control of the tool in unexpected situations.
5) Service
a) Have your power tool serviced by a qualified repair person using only identical replacement parts. This will ensure that the safety of the power tool is maintained.
Specific safety rules for pipe milling machines.
Observe the national regulations for prevention of accidents when starting-up, working on and maintaining the pipe milling machine.
Observe the statutory explosion-protection guidelines.
Ensure that the pipe being cut is firmly supported. Non-observation of this safety instruction can lead to serious injury or death.
Electrically-operated pipe milling machines (design RSG Ex [ ] ).
The mains voltage and the voltage specification on the pipe milling machine must correspond.
The supply connection of the pipe milling machine must be protected with a 20 A fuse.
Check the power cord and, if necessary, the extension cable regularly!
Connect the pipe milling machine to the switchgear assembly only when the main switch is switched off.
The switchgear assembly must be accessible by the operator at all times.
Application.
Keep handles and gripping surfaces dry, clean, and free from oil and grease. Slippery handles and gripping surfaces do not allow safe operation and control of the machine in unexpected situations.
Hold power tool by insulated gripping surfaces only, because the cutting tool could cut into the machine's power cord. Contact with a "live" wire make exposed metal parts of tool "live" and shock the operator.
Do not overload the pipe milling machine. Use the right application tool for your work. Your work performance will be better and more safe when using the right application tool.
Do not use a pipe milling machine with a defective switch. A pipe milling machine that can no longer be switched on or off is dangerous and must be repaired.
Disconnect the power supply before making machine settings or changing application tools. This safety measure prevents accidental starting of the pipe milling machine.
Do not allow persons unfamiliar with the pipe milling machine or these instructions to operate the machine. Pipe milling machines are dangerous in the hands of untrained users.
Maintain the pipe milling machine at regular intervals. Inspect the pipe milling machine for possible damage as well as for other factors that may interfere with the operation of the pipe milling machine. Repair a pipe milling machine not in proper order before usage. Many preventable accidents are caused by poorly maintained pipe milling machines.
Use the pipe milling machine, the accessories as well as application tools according to the instructions in this manual, whereby the working conditions and the activities to be carried out are to be taken into consideration. The use of pipe milling machines for applications different from those intended could result in hazardous situations.
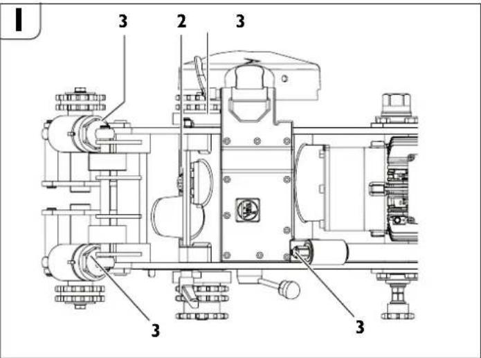
Operation (see figure A).
The pipe milling machine cuts and mills exposed pipe sections and laid pipes with the use of cutting application tools. It is clamped to the outside of the pipe by its tightening device and moves around the pipe with automatic working feed. The cutting tools used are metal circular saw blades and profile cutters with cutting edges are made of HSS steel or carbide, depending on the pipe material.
- The cutting depth is adjusted by the tool spindle head (16), which is seated in both side plates (3); it can be pivoted, and is adjusted by means of the threaded spindle (6).
The transport shaft (21), which creates the operational feed motion via the transport wheels, is driven by the tool spindle via 2 worm gear stages. - The feed motion can be switched on or off via the feed switching lever (28). A safety clutch protects the feed gearing against overload.
The bearing of the tool spindle is particularly rigid. The oil-bath lubricated main gearbox for driving the tool spindle consists of a planetary and worm gear stage.
The gearing unit is dimensioned in such a manner that occasional seizing of the chain can be endured without damage. All transmission shafts run in anti-friction bearings.
The machine frame with the axles has the task of guiding the clamped pipe milling machine on the pipe and transmitting the cutting and feed forces.
The adaptation to the respective pipe outside diameter is achieved by adjusting the running axle (10).
The tightening chains are sized in length by putting together identical chain segments.
The number of chain segments required, respectively the length of the tightening chains depends on the exterior pipe diameter.
Transport.

B
Danger of injury when transporting the pipe milling machine. Only transport the pipe milling machine using the supplied carrying straps (34) or by at least three persons.
Before Starting Operation.
Danger of injury from unexpected movements of the workpiece. Before processing, secure the workpiece against unexpected movements. When processing the workpiece, there is a risk of unexpected rolling away, falling down or shifting of the workpiece.
The machine may only be operated when in technically proper condition. Each time before starting-up the machine, check it for worn or damaged insert tools and components. Worn or damaged application tools and components must be replaced immediately with new ones.
Preliminary work on the pipe to be machined.
- Underlay/support pipes being cut in the storage area in such a manner that the application tool is not jammed.
For pipes already laid, a clearance of at least 50~cm must be maintained measured from the pipe exterior to the pit wall at every point along a length of 1m - The pipe surface being machined must be free of dirt and soil. Remove soft protective coatings on the machining surface beforehand.
- The cutting tool must be selected according to the pipe material, the required machining shape and cooling lubrication.
- Remove the welding seams in the area of the sprockets and chains.
For more information, please contact your coolant/lubricant supplier. (compressed-air cooling-lubricant device)
Lubricating agent at 0^
Lubricating agent BIOCUT 1L-32132039000
- Lubricating agent BIOCUT 5L - 3 21 32 040 00 0
Lubricating agent up to 25^
Lubricating agent 1L-32132042000
Lubricating agent 5L-32132043000
Preliminary work on the pipe milling machine (see figure A).
- Release clamping lever (11)
- Raise the tool spindle head (16) at the feed mechanism (7) using the hand crank (in tool box).
- Remove the fitting screws (9) and the refit the running axle (10) to the current exterior pipe diameter in accordance with Table (4).
- Mount/tighten the fitting screws (9) again.
RSG Ex 1500 A/B (^**)
| P | D [mm] [inch] | |
| I 250 – 400 9.8 | 15.7 | |
| II 400 – 600 15.7 | - 23.6 | |
| III 600 – 900 23 | 6 – 35.3 | |
| IV 900 – 1500 3 | 5.3 – 58.9 |
RSG Ex 18 A/B (^**)
| P | D [mm] [inch] | |
| I 250 - 400 9.6 | - 15.7 | |
| II 400 - 600 15.7 | - 23.6 | |
| III 600 - 800 23 | 6 - 31.5 | |
| IV 800 - 1000 3 | 1.5 - 39.4 | |
| V 1000 - 1300 3 | 39.4 - 51.2 | |
| VI | 1300 - 3000 51.2 - 118.1 |
P: Position of running axle
D: Pipe diameter
- Extend the tightening devices (1) for the clamping chains by turning the spring tube so that there is sufficient clamping travel after the pipe milling machine has been set down.
Arrange the clamping chains to fit the exterior pipe diameter.
Position the pipe milling machine on the pipe and secure it with lifting gear in order to prevent slipping off or shifting.
Assemble guide chain with chain tensioner to match the exterior pipe diameter.
- Affix the guide chain 10mm clear aside of the clamping chain opposite of the milling tool. The clearance from the bolt of the guide chain to the bolt of the clamping chain is 10mm .
- Check the clearance at the circumference at least three times.
Clamping the pipe milling machine on the pipe.
Mounting the chain links.
- On both sides of the pipe milling machine, place the still open chain links over the pipe.
- Raise the pipe milling machine and slide the chain links under the sprockets (20), so that the chain links engage in the sprocket teeth after lowering the pipe milling machine.
- Guide the free ends of the chain links over the sprockets of tightening axle (14) and bracket (19).
- Lock both ends of the chain links with bolt (3 02 17 216 00 4) and secure with the two securing rings (4 26 34 020 00 5).
Tensioning the chain links (see figure A).
- Firstly, lightly snug the chain links against the pipe by turning the two spring tubes (1). For exact alignment, move the pipe milling machine back and forth a few times in the circumferential direction of the pipe.
- Tension the chain links by turning the spring tubes until the pin (23 figure A) in the slotted hole of the spring tube is inside the groove cut in the circumference.
- Observe the position of the pin during the cutting process. If the pipe is out of round, you must either retighten or loosen the tension. Remove all 4 handles prior to the cutting.
Danger of accidents! Do not tension the spring tube beyond this point!

Mounting Application Tools.
Danger of injury
Danger of injury from unintentional switching on. Pull the mains plug before mounting the application tool.
Danger of injury
Danger of cuts from the sharp cutting edges of the application tool. Wear protective gloves when mounting and dismounting the application tool.
Danger of injury
Danger of burns from the hot application tool. Wear protective gloves when dismounting the application tool.
Wear protective gloves.
Only use application tools with cutting edges in proper condition.
- Before bringing the pipe milling machine into contact with the pipe, clean the tool spindle as well as all fitting and contact surfaces.
- Mount the application tool with spacers.
- Firmly tighten the tool clamping nut.
Starting Operation.
Pipe milling machine:

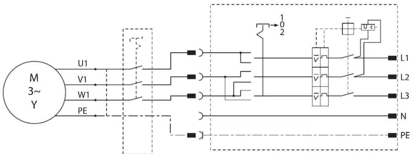
Connect a switchgear assembly on the line side of pipe milling machines with electric drives that have the following components:
-Main switch/reversing switch
Motor protection switch
-Undervoltage release
Plug connectors
The main switch is used as an on switch and for reversing the rotation direction. The motor protection switch and the undervoltage release are a unit. In case of overload, the motor protection switch cuts out; in the event of a mains voltage failure, the undervoltage release disconnects the pipe milling machine from the mains to prevent unintentional restarting.
The pipe milling machine is put back into operation by actuating the motor protection switch.
The switchgear assembly must be positioned so that tor at all times.
Pipe milling machine in partially explosion-proof design:

Upstream of the switchgear assembly, use a switch box with an additional on/off switch to operate the pipe milling machine in Zone 2 hazardous areas. The reach by the operator at all times.
Danger of explosion
The switchgear assembly is to be set up outside of zone 2.
Operation.
Danger of injury
The protection hood must be completely closed and locked during operation!
Danger of injury from chips/swarf being thrown about
These can lead to injuries. Make sure that there are no persons in the danger area.
Danger of fire from chips/swarf being thrown about
Make sure that there are no easily flammable objects in the danger area.
Danger of injury
Danger of Injury from parts being thrown about when the pipe milling machine is switched on. Remove the hand crank each time before using the pipe milling machine.
Starting procedure
For pipe milling machines with electric motor, ensure that the rotation direction of the cutting tool is correct. The rotation direction can be reversed with the reversing switch on the switchgear assembly.
Danger of injury
Danger of injury from rotating parts while the machine is running. The danger area of the machine may only be accessed for adjustment work in compliance with the safety-relevant measures.
- Shut off the feed gearing via the feed switching lever (28).
- Switch the pipe milling machine on.
- Release clamping lever (11) and with the hand crank, pivot the running saw blade as deep as possible into the pipe. The deeply immersed saw blade stabilizes the cutting process.
- When milling, select the least possible tool contact. The removal rate increases with increasing cutting depth.
- Immerse application tool approx. 3 mm deeper than necessary, then return to required depth, this disengages the application tool.
- When using the depth scale, allow the application tool to slightly graze against the pipe surface. Loosen the knurled nut (27) and set the pointer (28) to 0. Tighten knurled nut (27) again. The feed depth can be read off the scale.
- Switch the pipe milling machine off.
- Afterwards, lock the setting by tightening clamping lever (11).
-
Switch the pipe milling machine on again.
Switch on the feed gearing via the feed switching lever (28).
If the motor power is sufficient, cut through the pipe wall in one cut. -
Laid pipes can give way during sawing and jam the application tool in the gap. Therefore, the supplied wedges must be driven into the gap behind the saw tool at regular intervals. In hazardous areas, use wedges (6 33 05 013 00 2) (RSG Ex 1500 A/B (^**) supplied accessories) and a hammer made of non-sparking material.
-
Avoid overloading the pipe milling machine.
- An overload is given when the motor speed drops noticeably while the running application tool is plunged in.
- At the same time, this results in a drop of the cutting performance.
- Affix workpiece (cut-off pipe) to protect it from falling down.
For thick-walled pipes (s > 10mm) , the weld joint must be milled in several runs.
The congruent cutting process is influenced by the following factors:
- Alignment of the pipe milling machine when starting,
- Geometric deviation of the pipe from the circular or cylindrical shape,
- Sharpness of the application tool,
Hardness of the material.
The pipe milling machine is adjusted such that for pipe diameters of 300mm and 600mm , the beginning and end of the cutting line approximately coincide.
Due to the eccentricity of the guide shaft, the adjustment mark (24, see Fig. E) is only binding for the two diameters indicated. For larger pipe diameters, readjustment may be necessary.
Return motion of the pipe milling machines (RSG Ex [·] ).
Possible damage!
Before retracting the pipe milling machine, make sure that the application tool is retracted so that damage to the tool and the gearbox is avoided.
- Shut off the feed gearing via the feed switching lever (28).
- Release clamping fever (11).
- Retract the application tool.
- Set main switch/reversing switch to "0" (off) position.
- Set reversing switch to return motion.
- Tighten damping lever (11).
- Switch on the feed gearing via the feed switching lever (28).
The pipe milling machine is not suitable for making cuts in return motion!
Notes on cooling and lubrication.
Possible damage!
During milling, the application tool must be cooled and lubricated. Insufficient cooling and lubrication can cause chips to jam. This can lead to tool breakage.
Observe the manufacturer's information/notes on the coolant being used
- Always cut gray cast iron pipes dry without cooling lubricant.
Cool the saw blade or cutter with soapy water when cutting unalloyed steel pipes.
Adjusting the running accuracy.

Loosen nut (15, see figure A); wrench size 46.
Turn axle (10) with respect to bracket (19).
Tighten nut (15).
By turning the running axle (10) clockwise (towards the application tool), the application tool will move rightwards (the viewing direction is equal to the movement direction of the pipe milling machine).
When turning the running axle counterclockwise, the application tool will move leftwards.
Installing additional chain links.

Additional chain links may only be installed at the positions intended for this.
Remove the securing ring (32).
- Remove the bolt (33).
Install the desired number of chain links.
Different sizes of chain links are included in the accessories of the machine.
- Insert the bolt (33).
- Mount a new securing ring (32).
Clamping the pipe milling machine to a pipe.

"A" required working space at the greatest cutting depth.
"D" Outer diameter of pipe
"I" Number of chain pieces for pipe diameter "D".
RSG Ex 1500 A/B
| Position of running axle | D [mm] [mm] | A [mm] [mm] | R e length per side | Total qchain length | i# |
| 1 | 250 | 400 | 1427 | 2854 | 5 |
| 300 | 392 | 1525 | 3050 | 5 | |
| 350 | 384 | 1632 | 3264 | 6 | |
| 400 | 378 | 1744 | 3488 | 6 | |
| 2 | 400 | 381 | 1782 | 3564 | 6 |
| 450 | 375 | 1898 | 3796 | 7 | |
| 500 | 369 | 2019 | 4038 | 7 | |
| 550 | 364 | 2144 | 4288 | 7 | |
| 600 | 360 | 2273 | 4546 | 8 | |
| 3 | 600 | 362 | 2302 | 4604 | 8 |
| 650 | 357 | 2433 | 4866 | 8 | |
| 700 | 352 | 2566 | 5132 | 9 | |
| 750 | 348 | 2702 | 5404 | 9 | |
| 800 | 344 | 2840 | 5680 | 10 | |
| 850 | 340 | 2862 | 5724 | 10 | |
| 900 | 337 | 3001 | 6002 | 10 |
| 4 | 900 | 348 | 3142 | 6284 | 10 |
| 950 | 345 | 3284 | 6568 | 11 | |
| 1000 | 342 | 3428 | 6856 | 11 | |
| 1050 | 340 | 3464 | 6928 | 11 | |
| 1100 | 337 | 3607 | 7214 | 12 | |
| 1150 | 335 | 3751 | 7502 | 12 | |
| 1200 | 333 | 3896 | 7792 | 13 | |
| 1300 | 331 | 4062 | 8124 | 13 | |
| 1400 | 329 | 4338 | 8676 | 14 | |
| 1500 | 328 | 4355 | 8710 | 14 | |
| *Order number 3 02 31 013 02 7 consisting of 10 pieces of chain, each 635 mm long. | |||||
RSG Ex 18 A/B
| Position of running axle | D A Required [mm] [mm] | ed chain [mm] [mm] | length per side | Total chain length | i* |
| 1 | 250 | 587 | 1427 | 2854 | 5 |
| 300 | 576 | 1525 | 3050 | 5 | |
| 350 | 564 | 1632 | 3264 | 6 | |
| 400 | 553 | 1744 | 3488 | 6 | |
| 2 | 400 | 522 | 1782 | 3564 | 6 |
| 450 | 511 | 1898 | 3796 | 7 | |
| 500 | 501 | 2019 | 4038 | 7 | |
| 550 | 492 | 2144 | 4288 | 7 | |
| 600 | 483 | 2273 | 4546 | 8 | |
| 3 | 600 | 453 | 2302 | 4604 | 8 |
| 650 | 445 | 2433 | 4866 | 8 | |
| 700 | 437 | 2566 | 5132 | 9 | |
| 750 | 429 | 2702 | 5404 | 9 | |
| 800 | 422 | 2840 | 5680 | 10 | |
| 4 | 800 | 396 | 2862 | 5724 | 10 |
| 850 | 393 | 3001 | 6002 | 10 | |
| 900 | 390 | 3142 | 6284 | 10 | |
| 950 | 386 | 3284 | 6568 | 11 | |
| 1000 | 383 | 3428 | 6856 | 11 | |
| 5 | 1 | 390 | 34640 | 69Q8 | 11 |
| 1050 | 387 | 3607 | 7214 | 12 | |
| 1100 | 385 | 3751 | 7502 | 12 | |
| 1150 | 382 | 3896 | 7792 | 13 | |
| 1200 | 379 | 4062 | 8124 | 13 | |
| 1300 | 374 | 4338 | 8676 | 14 | |
| 6 | 1 | 383 | 43550 | 8700 | 14 |
| 1400 | 382 | 4651 | 9302 | 15 | |
| 1500 | 378 | 4950 | 9900 | 16 | |
| 1600 | 373 | 5250 | 10500 | 17 | |
| 1700 | 369 | 5553 | 11106 | 18 | |
| 1800 | 366 | 5857 | 11714 | 19 | |
| 1900 | 362 | 6162 | 12324 | 20 | |
| 2000 | 359 | 6468 | 12936 | 21 | |
| 2100 | 356 | 6775 | 13550 | 22 | |
| 2200 | 353 | 7083 | 14166 | 23 | |
| 2300 | 350 | 7391 | 14782 | 24 | |
| 2400 | 348 | 7700 | 15400 | 25 | |
| 2500 e | 346 d | 8009 c | 16018 a | 26 | |
| 2600 | 343 | 8319 | 16638 | 27 | |
| 2700 | 341 | 8629 | 17258 | 28 | |
| 2800 | 339 | 8940 | 17880 | 29 | |
| 2900 | 337 | 9251 | 18502 | 30 | |
| 3000 | 335 | 9562 | 19124 | 31 | |
| *Order number 3 02 31 013 02 7 consisting of 10 pieces of chain, each 635 mm long. | |||||
To achieve optimal chain pre-tension, you may want to use the 31.75mm half chain pieces included in the tool kit.
Example:
For a pipe diameter of D = 400mm 6 chain pieces order number 3 02 31 013 02 7 are required.
Track guidance through guide chain


Assemble the length of the guide chain in accordance with the Table.
To achieve optimal chain pre-tension, you may want to use the 31.75mm half chain pieces included in the tool kit.
Chain length of guide chain
| Pipe diameter | Chain length | Chain pieces | ||
| [mm] | [mm] | mm | 63.5 | mm |
| 250 710 1 1 | 1 | |||
| 300 870 1 4 | 0 | |||
| 350 1030 1 | 6 1 | |||
| 400 1190 1 | 9 0 | |||
| 450 1344 2 | 1 1 | |||
| 500 1500 2 | 4 0 | |||
| 550 1660 2 | 6 1 | |||
| 600 1809 2 | 8 1 | |||
| 650 1970 3 | 1 1 | |||
| 700 2130 3 | 4 0 | |||
| 750 2290 3 | 6 1 | |||
| 800 2440 3 | 8 1 | |||
| 850 2600 4 | 1 0 | |||
| 900 2760 4 | 4 0 | |||
| 950 2921 4 | 6 0 | |||
| 1000 3079 | 4 8 1 | |||
| 1100 3397 | 5 3 1 | |||
| 1200 3714 | 5 8 1 | |||
| 1300 4032 | 6 3 1 | |||
| 1 4 | 0 | 0 4 | 3 3 | 0 6 |
| 1 5 | 0 | 0 4 | 6 4 | 0 7 |
Order number 3 02 31 034 01 0 (l = 635 mm)
Order number 30231036010 (l = 63.5mm)
Order number 30231035010(1=31.7mm)
- Fasten the guide chain to one of both chain pieces on the chain tensioner with chain bolt and securing ring.
- Thread the guide strand of the guide chain through below the two guide-chain sprockets (Fig. H).
- Fasten the free end of the guide chain to the chain tensioner with chain bolt and securing ring.
- Snug the guide chain against the pipe by turning the hexagon at the chain tensioner (2).
- Align the guide chain with a clearance of 10mm (bolt of drive chain to bolt of guide chain) and check three times around the circumference.
Tension the chain tensioner via the hexagon (29) until the washer (30) faces against the housing of the chain tensioner (tensioning range approx. 50mm ). (Max. tightening torque 50Nm )
Caution! Danger of accidents! Do not turn or screw the three securing screws (31) on the face side. (see figure H)
Final work after each work assignment.
- Retract the application tool.
- Switch the pipe milling machine off.
- Remove the application tool.
- Dismount pipe milling machine from pipe.
Storing the pipe milling machine.
- Protect the external metal parts against corrosion.
- Store pipe milling machine at a dry location.
Maintenance and Repairs.
On maintenance and repairs.
For FEIN power tools and accessories in need of repair, please contact your FEIN after-sales service. The address can be found on the Internet under www.fein.com.
The current spares parts list for this power tool can be found on our website at www.fein.com.
Use only original spare parts.
If required, you can change the following parts yourself: Application tools, handles, chain, chain links
The machine may only be operated when in technically proper condition. Worn or damaged application tools and components must be replaced immediately with new ones.
Danger of injury
through unintentional switching on.
Before any work on the pipe milling machine, pull the mains plug!
General information
n Maintenance work may only be carried out by trained specialists.
The servicing and maintenance work basically include:
- Exterior cleaning of the pipe milling machine and clamping chains.
- Visual checking of the complete pipe milling machine.
- Changing the gearbox oil.
- Greasing the moving threads and chains.
- Greasing the guides of the tool spindle head in the clamping and transport device.
- Renewing the stickers and warning indications on the machine.
Maintenance of chain links
After removing coarse debris, carefully clean the link chains with benzine, kerosene or similar while moving the chain links.
To ensure lubrication, place the chains afterwards in viscous oil, e.g. SAE 140 gear oil, for several hours.
Danger of accidents!
Before reusing the chain links, carry out a thorough visual inspection to ensure that they are in proper condition. Replace damaged parts and missing securing rings.
Power supply cord
When the machine's power supply cord is damaged, it must be replaced by the manufacturer or their representative.
Feed mechanism (see figure A)
- Keep surface area of pipe nut (17) free from debris and any rust; always apply a light coat of grease.
- When changing gearbox oil, clean and grease moving threads.
Disassembly:
- Remove pan head screw (8).
Pull bolt (5) out of lid. - Afterwards, screw feed mechanism out of pipe nut using hand crank.
Clean and grease the threaded parts (see section Lubricants and lubrication chart on page 19). - Replace damaged scraper rings.
Assembly:
Assembly is carried out in reverse order. Do not damage scraper rings when assembling!
Tightening device
Avoid contamination of the threads on the eyebolts (3, Fig. 1) in the spring tube.
Clean and grease threads as required.
Lubricants and lubrication chart
| Lubricating agent ARAL oil Degol | Filling quantity Temperture range [°C] | Specification |
| BMB 460 2 liters 0 to +60 Gear oil, type | CLPF acc. to DIN15502 | |
| BMB 100 2 liters -20 to +40 |
Upon delivery, the tool spindle head is filled with ARAL oil Degol BMB 100. We must strongly advise against the use of any other gear oil.
Lubricants for sliding surfaces
For lubrication and servicing of sliding surfaces, we recommend using plain, acid-free, watertight, brand plain bearing greases.

| Lubricating point Lubricant or operating | material |
| 2 (gearbox) See Table: Lubricating oil ford tool spin-dle head | |
| 3 (sliding surfaces and moving threads) Plain bearing grease |
Troubleshooting (Design RSG Ex (^**)
| Malfunction Possible Cause Corrective Action | ||
| Motor and application tool fail | Very low ambient temperatures | Use FEIN gear oil for low temperatures |
| Blunt or dull application tool Replace application tool | ||
| No mains voltage Check mains supply and switchgear | ||
| Incorrect mains voltage Check mains supply data | ||
| Feed rate too fast or too high material removal during one run | Adapt gearing and/or reduce immersion depth | |
| Oil loss at gearbox Locate leakage and correct cause - Refill oil | ||
| Excessive temperature increase In motor Reactivate switchgear assembly 3 07 02 041 01 4 | ||
| Defective drive sprocket Damaged chain piece | Replace chain piece | |
| Chain incorrectly connected | Check connection points and correct | |
| Chain pin only partially inserted Fully insert chain pin | ||
| Faulty cutting process | Incorrect alignment of pipe milling machine and chain | see section "Preliminary work on the pipe milling machine (see Fig. A)." on page 16 and section "Clamping the pipe milling machine on the pipe." on page 16 |
| Guide shaft not eccentric | Readjust the running accuracy, see section "Adjusting the running accuracy". on page 17 | |
| Blunt or dull application tool Replace application tool | ||
| Inclined or vertically seated pipe or pipe out of round | Use track guidance device, see section "Clamping the pipe milling machine on the pipe." on page 16 and section "Track guidance" on page 19 | |
| Application tool overloaded | Adapt gearing and/or reduce immersion depth | |
| Reduced or ineffective machine function | No mains voltage | Check mains supply and switchgear |
| Switch not switched on | Check switch | |
| Clutch slips | Adjust gearing or have the response torque of the clutch adjusted at the FEIN factory. | |
| Heavy vibrations | Feed rate too fast | Adjust gearing |
| Application tool immersed too deep | Retract application tool setting | |
| Clamping lever (11) not tightened | Tighten clamping lever | |
| Chain loose | Check chain tension | |
| Blunt or dull application tool Replace application tool |
Warranty.
The warranty for the product is valid in accordance with the legal regulations in the country where it is marketed.
Application Tools and Accessories.
Circular saw blades

1

2

3
| Form 1, HSS, for gear type: | |||||
| A, B - For machining steel pipes | |||||
| ∅ | Width | Weight | Number of teeth | Max. cutting depth | Order number |
| (mm) | (mm) | (kg) | (mm) | ||
| 160 | 4 | 0.5 | 50 | 25 | 6 35 02 022 00 6 |
| 180 | 4 | 0.7 | 60 | 35 | 6 35 02 037 00 8 |
| 200 | 4 | 0.9 | 64 | 45 | 6 35 02 053 00 7 |
| 220 | 4 | 1.3 | 70 | 55 | 6 35 02 041 00 1 |
| Form 2, HSS, for gear type: | |||||
| B - For machining cast iron pipes | |||||
| ∅ | Width | Weight | Number of teeth | Max. cutting depth | Order number |
| (mm) | (mm) | (kg) | (mm) | ||
| 160 | 4 | 0.5 | 40 | 25 | 6 35 02 050 00 1 |
| 180 | 4 | 0.7 | 46 | 35 | 6 35 02 098 00 0 |
| 200 | 4 | 0.6 | 50 | 45 | 6 35 02 099 00 4 |
Form 3, HSS, with tungsten teeth, for gear type:
A, B - For machining cast iron pipes (even with cement collar) and unalloyed steel pipes to 400N / mm^2
| ∅ | W | i | d of teeth | Max. cut- ting depth | Order number |
| (mm) | (mm) | (kg) | (mm) | ||
| 160 4 0.5 | 40 25 6 35 | 02 080 00 | 8 | ||
| 180 4 0.7 | 44 35 6 35 | 02 061 00 | 9 | ||
| 200 4 0.9 | 50 45 6 35 | 02 084 00 | 2 |
Feather key
| W x H x L | |
| mm | |
| 6 x 6 x 32 4 02 21 044 00 0 | |
| 8 x 7 x 32 4 02 21 050 00 5 | |
Transport box
| Length x Width x Height | |
| mm | |
| 1000 x 800 x 395 3 39 01 114 00 7 | |
Profile cutter


V-Shape, HSS, for gear type:
A - for machining high-alloy steel pipes
B - for machining unalloyed steel and cast iron pipes up to a max. wall thickness of 10 mm and a max. diameter of 1600 mm
| D | B | Wt | Nem ber of teeth | Bi | M g a ting depth | Order number |
| (mm) | (mm) | (kg) | (°) | In (mm) | ||
| 125 | 25 | 1.6 | 32 | 30 | 25 | 6 35 08 056 00 4 |
| 160 | 30 | 3.2 | 36 | 30 | 25 | 6 35 08 081 00 9 |
| 160 | 30 | 3.3 | 36 | 37.5 | 25 | 6 35 08 093 00 0 |
| 180 | 42 | 5.5 | 36 | 37.5 | 25 | 6 35 08 094 00 0 |
| 180 | 42 | 4.9 | 36 | 30 | 25 | 6 35 08 085 00 8 |


$$ \beta = 8 ^ {\circ} $$
$$ r = 6 \mathrm {m m} $$
$$ b = 4 \mathrm {m m} $$
U-Shape, HSS, for gear type:
A - for machining high-alloy steel pipes
B - for machining unalloyed steel and cast iron pipes up to a max. wall thickness of 10 mm and a max. diameter of 1600 mm
| D | B | Weight | Number of teeth | Max. cut- ting depth | Order number |
| (mm) | (mm) | (kg) | (mm) | ||
| 160 | 25 | 2.8 | 40 | 25 | 6 35 08 089 00 7 |

h t N u m b
| Gang cutter, HSS, for gear type: | ||||||
| A - for machining high-alloy steel pipesB - for machining unalloyed steel and cast iron pipes up to a max. wall thickness of 10 mm and a max. diameter of 1600 mm | ||||||
| D | B | Wt | Number of teeth | Bi | Mag. cutting depth | Order number |
| (mm) | (mm) | (kg) | (°) | (mm) | ||
| 154 | 30.5 | 2.5 | 32 | 30 | 25 | 6 35 08 099 02 0 |
Chain piece
| 10 chain pieces | \( \times {63.5}\mathrm{\;{mm}} = {635}\mathrm{\;{mm}} \) |
| Order number | 3 02 31 013 02 7 |
| 1 chain piece | 31.75 |
| Order number | 3 02 31 029 00 2 |
Spare pin
| Order number | 3 02 17 216 00 4 | Clamping chain 38.5 mm |
| Order number | 3 02 16 166 00 0 | Guide chain 54 mm |
Spare securing ring
Order number 30217216004
Spitting wedges made of steel
Order number 63305006008
Provided accessories
| Order number | Quantity | Designation |
| 3 39 01 114 00 7 | 1 | Transport box |
| 3 39 01 031 00 1 | 1 | Tool case |
| 3 21 22 007 01 7 | 1 | Hand crank |
| 6 29 01 016 00 2 | 1 | Open-jawed wrench, size 46 mm |
| 6 29 03 010 00 6 | 1 | Open-jawed wrench, size 55 mm |
| 3 12 07 333 01 0 | 1 | Chain tensioner only for RSG Ex 1500 A/B (**) |
| 6 29 11 010 00 0 | 1 | Ring spanner, size 17/19 mm |
| 6 29 06 014 00 0 | 1 | Socket spanner, size 46/41 mm |
| 3 02 31 029 00 2 | 20 | Roller chain |
| 3 02 17 216 00 4 | 20 | Pin |
| 4 26 34 020 00 5 | 40 | Securing ring |
| 6 33 05 013 00 2 | 5 | Splitting wedges, non-sparking for RSG Ex 1500/18 A/B (**) |
| 3 07 02 041 01 4 | 1 | Switchgear assembly for RSG Ex 1500/18 A/B (**) |
| 3 21 74 009 00 1 | 1 | Round sling |
| 3 21 74 010 00 3 | 1 | Round sling |
| 3 07 28 188 00 8 | 1 | CEE coupling for RSG Ex 1500/18 A/B (**) |
| 3 02 31 035 02 0 | 1 | Chain only for RSG Ex 1500 A/B (**) |
| 3 02 16 166 01 0 | 1 | Pin only for RSG Ex 1500 A/B (**) |
| 3 40 56 026 00 0 | 1 | Insertion discs only for RSG Ex 1500 A/B (**) |
Optional accessories
| Order number Quantity Designation | |
| 3 02 31 013 02 7 1 Chain with 10 chain | pieces |
| 4 26 34 020 00 5 1 Securing ring | |
| 3 02 17 216 00 4 1 Pin | |
| 4 30 12 051 12 2 1 Fitting screw | |
| 6 33 05 013 00 2 Spark-free drift | |
| 9 12 01 002 00 4 Compressed-air cooling lubricant supply unit (CCLU) | |
| 3 24 33 027 01 7 1 Connection parts for CCLU (board) | |
| 9 26 01 023 02 3 1 Compressor for CCLU | |
| 3 14 14 055 00 2 1 PA-DL hose, comp ete, for compressor | |
| 4 11 36 005 01 9 1 Coupling sleeve | |
| 3 02 31 035 02 0 1 Chain | |
| 3 02 16 166 01 0 1 Pin | |
| 3 40 56 026 00 0 1 Insertion discs |
Compressed-air cooling lubricant supply unit 9 12 01 002 00 4
Due to the possible high cutting and feed rates of the pipe milling machine, cooling and lubrication of the tools is required when machining steel. The compressed-air cooling lubricant supply unit operates on the principle of atomisation and evaporation of the cooling lubricant and provides continuous good cooling and lubrication through the spray nozzles mounted on the pipe milling machine.
Additionally, the contamination of soil at the jobsite through otherwise manually applied drilling emulsion, is avoided.
We recommend using BIOCUT 3000 metalworking lubricant as the cooling lubricant. It is a new fully synthetic high-performance lubricant with excellent adhesive and cooling effect, is water-soluble, readily biodegradable and economical in consumption (depending on the setting up to approx. 0.3dm^3/h per nozzle).
BIOCUT 3000 is free of substances that are hazardous to health. It meet requirements of the German Gas and Water Association. (DVGW).
All ingredients comply with the guidelines of the FDA (Food and Drug Administration) and the German Pharmacopoela (DAB) in the currently valid version.
The lubricating agent is available from:
Lubricating agent BIOCUT 3000 for temperatures to 0^ :
1L-321 32039000
5L-321 32040000
Cold-resistant lubricating agent for temperatures to -25^
1L-32132042000 5L-32132043000
For the three-phase versions RSG Ex (^**) , a compressor (FEIN order number 9 26 01 023 02 3) with an intake volume of approx. 130~l / min is required in order to be able to use the compressed-air cooling lubricant supply unit.
Spare parts.
The spare parts list can be found on the Internet under www.fein.com.
Declaration of conformity.
The CE Declaration applies only for European Union and EFTA (European Free Trade Association) countries, and only for products intended for the EU or EFTA market.
FEIN declares itself solely responsible for this product conforming with the relevant provisions given on the last page of this Instruction Manual.
Technical documents at: C. & E. Fein GmbH, D-73529 Schwabisch Gmünd
Environmental protection, disposal.
Packaging, worn out power tools and accessories should be sorted for environmental-friendly recycling.
Recipients de transport
$$ \beta = 8 ^ {\circ} $$
$$ r = 6 \mathrm {m m} $$
$$ b = 4 \mathrm {m m} $$
Tension (U) 400 V 400 V
Frecuencia (f 50 Hz 50 Hz
$$ \beta = 8 ^ {\circ} $$
$$ r = 6 \mathrm {m m} $$
$$ b = 4 m m $$
A completeness of the project is provided by a grant from the European Union.
Cologne as correntes de eles.
EuupaOaOynon Twv cpyaCioW eapuoyic.
Kivouoc tpaupatopou
Ytapxei kivouoc traupaiaouo loyaw akouiaac evepytooinc. Anouuvdeote to qic ano to biKTuo piv TOnTOBETIOeTe to epapoofoepayaleio.
Kivouac Tpaunapou
Ynapiexi kivouoc konis ano tic aixunpec konttikcs akues tou
epapucojevou epaaleiou. Hopate tpootateutukayvtia kata tn
ouvapuoloynkai aoovapuoloynon tou epapuofoevou
epyaaleiou.
Kivouac tpaunapau
Yrnapexi kivuovc eykaumaw ano To kauto epapioofo evo epyaieio.
Opatte npooatauteutia yavtna katn v anouuvapaoynon Tou
epapioofoevou evyaiaeio.
P: Position for Ibeaksel
D: Rordiameter
Det frarades indtrangende at bruge andre former for gearolie.
Smoremidler til gldeflader
Type RSG Ex 18 A () RSG Ex 18 B (*)
Spenning (U) 400 V 400 V
Frekvens (日 5 0 H z 5 0 H z
Nettilkobling 3~ (trefasevekselstrom) 3~ (trefasevekselstrom)
Tomgangsturtall (_0)
-
Motor 2860 min ^-1 2860 min ^-1
-
Innsatsverktoy 35 min ^-1 70 min ^-1
Fremmating ( 40mm / min 80 mm/min
Nominell effekt (P) 1500 W 1500 W
Lengde pa nettkabelen (med stopsel)
-
RSG Ex 1500 (**) 2 × 20 ~m 2 × 20 ~m
-
RSG Ex 18 A/B (**) 2 × 20 ~m 2 × 20 ~m
Smorestoffer for gldeflater
$$ \beta = 8 ^ {\circ} $$
$$ r = 6 m m $$
$$ b = 4 \mathrm {m m} $$
Satsfres, HSS, for girity:
Spänning (U) 400 V 400 V
Frekvens (f)50Hz50Hz
| Nätansluttingstyp | 3 ~ (trefasström) | 3 ~ (trefasström) |
| Tomgangsvarvatal (n0) | ||
| - Motor | 2860 r/min | 2860 r/min |
| - Insatsverktyg | 35 r/min | 70 r/min |
| Matning (f) | 40 mm/min | 80 mm/min |
| Beräknad effekt (P) | 1500 W | 1500 W |
| Nätsladdens langd (med stickkontakt) | ||
| - RSG Ex 1500 (**) | 2 x 20 m | 2 x 20 m |
| - RSG Ex 18 A/B (**) | 2 x 20 m | 2 x 20 m |
| Skyddsklass | I/I | I/I |
| Skyddsklass | IP X4 | IP X4 |
"D" rorets yttre diameter
$$ \beta = 8 ^ {\circ} $$
$$ r = 6 \mathrm {m m} $$
$$ b = 4 \mathrm {m m} $$

Kedystycke
Anma guci (P) 1500 W 1500 W
$$ \beta = 8 ^ {\circ} $$
$$ r = 6 \mathrm {m m} $$
$$ b = 4 m m $$
,D"vonkajsf priemer rury.
i"poctetretazovychusekovpriPriemere ruryD
RSG Ex 1500 A/B
| pozícia volnej osi | DA Potreb [mm] | ná dlížka [mm] | rețaze na každej jedernej strane | Celková dlížka rețaze | i* |
| 1 | 250 | 400 | 1 427 | 2 854 | 5 |
| 300 | 392 | 1 525 | 3 050 | 5 | |
| 350 | 384 | 1 632 | 3 264 | 6 | |
| 400 | 378 | 1 744 | 3 488 | 6 | |
| 2 | 400 | 381 | 1 782 | 3 564 | 6 |
| 450 | 375 | 1 898 | 3 796 | 7 | |
| 500 | 369 | 2 019 | 4 038 | 7 | |
| 550 | 364 | 2 144 | 4 288 | 7 | |
| 600 | 360 | 2 273 | 4 546 | 8 | |
| 3 | 600 | 362 | 2 302 | 4 604 | 8 |
| 650 | 357 | 2 433 | 4 866 | 8 | |
| 700 | 352 | 2 566 | 5 132 | 9 | |
| 750 | 348 | 2 702 | 5 404 | 9 | |
| 800 | 344 | 2 840 | 5 680 | 10 | |
| 850 | 340 | 2 862 | 5 724 | 10 | |
| 900 | 337 | 3 001 | 6 002 | 10 | |
| 4 | 900 | 348 | 3 142 | 6 284 | 10 |
| 950 | 345 | 3 284 | 6 568 | 11 | |
| 1 000 | 342 | 3 428 | 6 856 | 11 | |
| 1 050 | 340 | 3 464 | 6 928 | 11 | |
| 1 100 | 337 | 3 607 | 7 214 | 12 | |
| 1 150 | 335 | 3 751 | 7 502 | 12 | |
| 1 200 | 333 | 3 896 | 7 792 | 13 | |
| 1 300 | 331 | 4 062 | 8 124 | 13 | |
| 1 400 | 329 | 4 338 | 8 676 | 14 | |
| 1 500 | 328 | 4 355 | 8 710 | 14 |
$$ \beta = 8 ^ {\circ} $$
$$ r = 6 \mathrm {m m} $$
$$ b = 4 \mathrm {m m} $$
| Tvar U, HSS, pre typ prevodovky: | |||||
| A - na opracovávanie ocelovych rúr, vyssoko legovanychB - na opracovávanie nelegovanych ocelovych a latinovych rúr do max. hrúbky steny 10 mm a max. priemeru 1600 mm | |||||
| D B | Hmotn. | Počet | zubov | Max. híbka rezu | Objednévacie Číslo |
| (mm) (mm) | (kg) | (mm) | |||
| 160 | 25 | 2,8 | 40 | 25 | 6 35 08 089 00 7 |

| Zlożená fréza, HSS, pre typ prevodovky: | ||||||
| A - na opracovávanie ocelovych rúr, vysoko legovanýchB - na opracovávanie nelegovaných ocelovych a liatinovych rúr do max. hrúbky steny 10 mm a max. prieméru 1 600 mm | ||||||
| D | B | Hmotn. | Pocet zubov | β | Max. hlbka rezu | Objednévacie Čísló |
| (mm) | (mm) | (kg) | (°) | (mm) | ||
| 154 | 30,5 | 2,5 | 32 | 30 | 25 | 6 35 08 099 02 0 |
Retazovy usek
| 10 rețazovych usekov | x 63,5 mm = 635 mm |
| Objednámavacie Číso | 3 02 31 013 02 7 |
| 1 rețazovych usek 31,75 | |
| Objednámavacie Číso | 3 02 31 029 00 2 |
Tip racord reea 3~ (current trifazic) 3~ (current trifazic)
Recipient de transport
| lungime x这段时间 x minultime | |
| mm | |
| 1000 x 800 x 395 3 39 01 114 00 7 | |
Freze

$$ \beta = 8 ^ {\circ} $$
$$ r = 6 \mathrm {m m} $$
$$ b = 4 m m $$
Toate Ingredientele corespund directivelor FDA (Food and Drug Administration)
s ie Farmacopeei Germane (DAB) in versiunea valibla actuall.
$$ \beta = 8 ^ {\circ} $$
$$ r = 6 \mathrm {m m} $$
$$ b = 4 m m $$
| Oblika U, HSS, za tip menjalnika: | |||||
| A - za obdelavo jeklenih cevi, visoko legiranoB - za obdelavo nelegiranih in litih cevi do maks. debeline stene 10 mm in maks.premerom 1600 mm | |||||
| D | B | Teža | Številozob | Maksimalnaglobina reza | Šifra blaga |
| (mm) (mm) | (kg) | (mm) | |||
| 160 25 | 2,8 | 40 25 | 6 35 08 089 | 00 7 | |

| Rezkalnik z dvema rekaloma, hitrorezen,za tip menjalnika: | ||||||
| A - za obdelavo jeklenih cevi, visoko legiranoB - za obdelavo nelegiranih in litih cevi do maks. debeline stene 10 mm in maks.premerom 1600 mm | ||||||
| D | B | Teža | Število zob | β | Maksimalna globina reza | Šifra blaga |
| (mm) | (mm) | (kg) | (°) | (mm) | ||
| 154 | 30,5 | 2,5 | 32 | 30 | 25 | 6 35 08 099 02 0 |
Kos verige
Nadomestni sornik
| 10 kosov verige x 63,5 mm = 635 mm | |
| Šifra blaga 3 02 31 013 02 7 | |
| 1 kos verige 31,75 | |
| Šifra blaga 3 02 31 029 00 2 | |
$$ \beta = 8 ^ {\circ} $$
$$ r = 6 \mathrm {m m} $$
$$ b = 4 m m $$
| U oblik, HSS, za tip prenosnika: | |||||
| A - za obradu Čelčinih cevi, visokolegiraneB - za obradu nelegiranih Čelčinih i levanih cevi do maks. debljine zidova od10 mm i maks. prečnika od 1600 mm | |||||
| D B | Nav. | Broj zuba | Maks. | dubinarezanja | Br. articla |
| (mm) | (mm) | (kg) | (mm) | ||
| 160 | 25 | 2,8 | 40 | 25 | 6 35 08 089 00 7 |

| Komplet glodala, HSS, za tip prenosnika: | ||||||
| A - za obradu Čeličnih cevi, visokolegiraneB - za obradu nelegiranih Čeličnih i levanih cevi do maks. debljine zidova od10 mm i maks. prečnka od 1600 mm | ||||||
| D B Nav. | Broj | zuba | β | Maks.dubinarezanja | Br. articla | |
| (mm) | (mm) | (kg) | (°) | (mm) | ||
| 154 | 30,5 | 2,5 | 32 | 30 | 25 | 6 35 08 099 02 0 |
Deo Ianca
Rezervni sraf
| 10 delova lanca x 63,5 mm = 635 | mm |
| Br. articla 3 02 31 013 02 7 | |
| 1 deo lanca 31,75 | |
| Br. articla 3 02 31 029 00 2 |
Mazibo do 25^
- MazIvo 1L - 3 21 32 042 00 0
-Mazivo5L-32132043000
$$ \beta = 8 ^ {\circ} $$
$$ r = 6 \mathrm {m m} $$
$$ b = 4 \mathrm {m m} $$
| U oblik, HSS, za tip prijenosnika: | |||||
| A - za obradu Čeličnih cijevi, visokolegiraneB - za obradu nelegiranih Čeličnih i lijevanih cijevi do maks. debljne zidova od10 mm i maks. promjera od 1600 mm | |||||
| D B | Nav. | Broj zuba | Maks. | dubinarezanja | Br. articla |
| (mm) | (mm) | (kg) | (mm) | ||
| 160 | 25 | 2,8 | 40 | 25 | 6 35 08 089 00 7 |

Dio Ianca
| Komplet glodala, HSS, za tip prijenosnika: | ||||||
| A - za obradu Želičnih cijevi, visokolegiraneB - za obradu nelegiranih Želičnih i lijevanih cijevi do maks. debljine zidova od10 mm i maks. promjera od 1600 mm | ||||||
| D B Nav. | Broj | zuba | β | M a dubina rezanja | Br. krtikla s . | |
| (mm) | (mm) | (kg) | (°) | (mm) | ||
| 154 | 30,5 | 2,5 | 32 | 30 | 25 | 6 35 08 099 02 0 |
| 10 dijelova lanca | \( \times {63},5\mathrm{\;{mm}} = {635}\mathrm{\;{mm}} \) |
| Br. articla | 3 02 31 013 02 7 |
| 1 dlo lanca | 31,75 |
| Br. articla | 3 02 31 029 00 2 |
Rezervni svornjak
| Br. artikla | 3 02 17 216 00 4 | Zateznl lanac 38,5 mm |
| Br. artikla | 3 02 16 166 00 0 | Vodeči lanac 54 mm |
Tp6oep3epHaMaunHbC6pe He OanyuHaAaB3pyBaO3aUuEHHbX 3OH.
Tp6ofope3epHaMaHnHaHe npEHaHaueHaAJIa:
- npMHeHnB 30Hax CO B3pbBOOnaCHO aTMocepoN.
- nPIMHeHnIoA cnIbHbIM AOJxDEM IaI NOABOAHbIX paBOT. 200
- npnmeHeHn BHe dHaNa3OHa TeMnepaTp oT -20°C Do 40°C.
- pe3aHnB3pbbBOONachbIX MaTePnAnOB.
pe3aHnRrOpOuNX MaTePnANoB.
HnpeKTHBa EC 94/9EC ATEX (Atmospheres Explosibles)
O6paaaem BHHMaHHe Ha To, YTO Tpy6ofoep3epHbIe MaHnHbFeIn Tnna RSG Ex (^**) He OanyuheBHK PnIMHeHEnIO BO B3pBBOOnaChbIX 30hAX, NO3OTMy Atnx Tpy6ofoep3epHbIX MaunH HET cptNfKNaTobHc NcBtAtnHr TINOBORO 6op3a3E Cc cornacHO AnpekTNBe 94/9EC.
(B Tpy6oΦpe3epHoi MaunHe RSG Ex (^**) TonIbKO ABA KOMNoHEHa - 3neKtP0aBnIaTeIb H OONHITeNbIbI BbIKIOuAteIb - COOTBeCTBYOT TpeOBoAHmATEX.)
AneKTHBAATEX AeCTByET TOnbko HA TeppntOpHn EC.
KpaTHn063Op.
13aKMMHoe yCTPOIcTBO
2 KpeenKhBn BnHT An86OKOBn NnTbI
3 BoKOBa nntTa
4VHΦopMaun
5 BoNT
6XoOBOB BnHT
7 MexaHn3m IoDaun Ha Bpe3aHne
8 BnHT C uHnHApuecko RoIOBko AЯ MExaHn3Ma NOpaHn Ha Bpe3aHne
9Pn3OHb60NT
10XoObaocb
113aKIMHOI pyuI
12 BnHT C wecTnRpaHHo rONOBKO
13 Wai6a
14OcbHaTaXeHn
15 Raika
16 INHCTpymEnTaJbHaJ WINHdEbnBaJa 6a6ka
17 Raika c Tpy6Hoi pe3b60i
18 KpenekHbBnHT ABnraTeTn
19HaKa
20 Lennar 3Bc3OuaKa
21 TpaHcnpTbBn BaI
22 CtonopHoe konbuo
23UHTnΦT
24 Pe3b6oBa 3aIyUka HnCTpyMeHTaIbHOu IINHdEJbHO 6a6Ku
25PykaAnepehoCKn (H30NpOBAHHbIe NOBepXHOCTn AApKaHna)
26 5ka nnybHb
27 TaKa C HAKaTKoN
28 Pbyar nepeknIOueHnCKoPoCTn NOaun
29 WecTnRpaHHNK yCTpoNCTBa HataXKeHna ceHn
30 1a6bycTPOBCTBaHaTJKeHnIeHn
31 CTonOpHbIe BnHTbI yCTpoNcTbHaTaeKeHna ZeHH
32 Ctonophoe KOJIbO 3BeHa LcENI
33 Panae 3BeHa cenH
34 Nen n npnehockn
ДЯВашевбezonachoctH.
06uhe yka3aHHn no TexHmke 6e3onacHOCTH.
IPOyTPEXKDEHNE HcpynH03NaHObTeCb HIOH
TEXHNUECKHM DAHHBMN, INPOLOHEHbIMM H DAHNHOy 3NEKTOPHNCTPymEtHY. HecobIOeHHe Yka3AHNI NO TEXHKe 6eONaCHOCTn N HcTpykU MOxET npBecTu K NopaxEHNO 3NEKTPueckm TOKOM, NOKAPy N/INI TReKeblm TpAbMaM.
CoxpaHnTe Bce yHa3aHHNo texHNKe 6e3oNaChocTH H NcHCTpyKuHH dIaBHeWero NoJb3OBAHH.
IcnoIb3yEmbB yka3aHnX NO TexHKe 6e3oNaCHOCTN TepMHN «3NeKtponHCTpyMeHTO OTHOCINK K 3NeKtponHCTpyMeHTam, NITaIOUHMcR OT cTeH (C ceTBeMbKabeM), TAK N K 3NeKtponHCTpyMeHTAm, NITaIOUHMcR OT AKyMynrTopa (6e3 ceteBoro Ka6ena).
1) Be3onachoctb pa6o4ero MecTa
a) CoepHnTe paOoHe MeCTo B HCTOTE N XopoO oCbeUeHHbM. BeCnpaOK nHHe OHeCeBSeHHBe yuaCTKn paOoeryo MeTa MOrYT npIbEcnt K HeCactHbN CnYaAM.
b) He paobotahe C 3THM 3NeKtpoHHCTpyMeHToB 3BpblBOOnaHOM NOMEeHH, B KOTOPOM HAXOATC TOpHcE HNHOCHCT, BOCnJaMeHHIOUHeC RA3blHn PbIb. 3NeKtpoHHCTpyMeHTb HCKpT, YTO MoKET PnIBeCTN K BOCnJaMeHHIO PbIb HNHN NAPOB.
c) Bo bpema paobtbc 3neKTHPOHnCTPYMENTo H oDyChaite 6hN3ko H Bawaemy paOouemy mecy deten n noctoPONHHx hNt. OTBNeKUnCb, Bbl MOXETe NOTePpTa KHTPONb HAD 3neKTHPOHnCTPYMENTo.
2]3NeKtpoBe30nacHoctb
a) WtencelbHaB Bnka 3eKtpOHCTpMEnTa DOHHa NOxOHTb K WtencelbHOH PO3eTH. HN B KOEM CNYae He H3MeHNrte WtencelbHyO Bnky. He npMHReHrTe NepExoHbIe WtKepebl DnR 3eKtpOHCTpMEnTOB C 3aUHTbIM 3a3emJIeHEm. Hen3MeEHHbIe WtencelbHbIe BnIKN I NOxO4uHme WtencelbHbIe PO3eTKn CHNXAIOT PnCK NopAkeHHN 3eKTPOTOKOM.
b)ПпсдтбрааиTe Tenechьк HOHTAcT C 3a3eMNEHHbIMN NOBepXHOCAMH, HAN TO:C TpyoAMM, 3JIeMEHTAMN OTONBHH, KYxOHbIMN PINTAMM H XIOJNDHLHHAMn. Пи n 3a3eMneHN BaIero TeNa NOBIIaeaTC pNCK NopaxKeHn 3JIeKTPOTOKOM.
c)3aunuante 3nKtpOHCTpyment ot dOnmH cblpoctn. IpoHKnHOBeHne BObI B 3NeKTPoHHCTpyMeNT NOBbIaet PNCK NopaxHeH 3NeKTPOTOKOM.
d) He pa3pewaaetca HcnoIb3ObaTb whyp He no Ha3NaueHNO, HanpHMeP, IaI TaPCHNOPHTPOBKM HIN NOBCEHN 3NEKTPONHCTPYMEnTA, HIN DJI BAHTBHAAN BHKN H3 WTENCeIbHO pO3eTH. 3aunHaTe WHyP o0B3eHCTBn BcIOHX TmepaTyP, Macna, OCTpbIX KpOMOH HIN NOB-BHHbX qACTe 3NEKTPONHCTPYMEnTA. NobpeKDeHHbN HIn cNYtaHHb NHyp NoBbuaeT PNCnopAkeHHra 3NeKTPOTOKOM.
e) Pn pa6oTe C 3JeHTPOHNCTpymEtOM NOt OTHpbIbIM He6om PnPMHeHITpe npHOdbIe IINrTO Ra6en-ynHHInTeN. PnPmeHeHne PnFOaHoro dIpa6oTbIO NOt OKpbITbIM He6OM Ka6eJIy-ydInHHInTeN CHHXKaet PNCK npOpaXBeH NJEKPTOTOKOM.
f) EcnH HeBO3MOHO H36eHaTb npHMehHHe 3NEKTPOHHCTPymEHTA B cbipom 0aoueHHn, NOHNooYte 3NEKTPOHCTPymETpe3 yctPOHCTBO 0aHTHO OTKIOUOHeHH. PmHEHHe YcTOpIcTBa 3aHTHO OTKIOUOHeHH CHNkaet pNK 3NEKTPINeCKTOR NopaxHeHH.
3) Be3onachOCTb IIOdei
a] Bydtbe BnHMaTeIbHbIMN, CnEHTe 3a TEM, YTO Bbl Daetae, H npOyMaHHo HauHHaIte paBOy C JNEKTPoHNCTPymEMT. He NoB3yUHeCb JNEKTPoHHCTPymEMT B yCTAIO CoCTOHH NII HcENB Bbl HAXoHTec B COCTOHHH HApHOTHcECHO NII ANKORIbHO OINbHEHH NII NOI BO3dEChTBm EKeAPCTB. OAnH MOMENT HeBnHMaTeIbHoCTH pPi pa6Ote cJNEkTPoHHCTPymEMT MoKET PpNBecTI K cepBe3HbIM TpaBMam.
b) PnMHHeIe cpeCTBa HnHbHdyalbHo 3aunbI h BcERda 3auHThble OuH. VcnoB3OaHne CpeACT HnAubyAaybHO 3aunbI, KaK To: 3aunTHoN MaKn, ObyBn Ha HeCKoNb3aJeNoDooB, 3aunTHoro WNeMa NIN cpeCTBa 3aunbI oPraHOB CnyxA, B 3aBNCMOCTn OT BnDa paBOtbl C 3JIeKTPoHNCTpymEtOM CHmKaet PNCK NOnyuChen TpaBM.
c)ПпсдТбрааHTe HнрдНамерEHHoe BнIHQUOHeNE 3NtEPONHCTPymeHTa. Ппсд NOHIOHueHEM 3NtEPONHCTPymeHTa K 3NtEPONH.TAHNO H NnK AHHyMnTOpY yEEDNTcB B bIKHOUeHOM COCTOHHN 3NtEPONHCTPymeHTa.YepKaHne NaIbua Ha bIKHOuTaTepe npi TpaHCnOPTpOBKe 3NtEPONHCTPymeHTa IN ODAKIOUeHNe K cETn NITaHn BKNIOUeHHOrO 3NtEPONHCTPymeHTa YpeBaTO HeCHaCTHBm CNYaAMn.
d) 8ynpaIte yctahOBOChHnHCTpyMENT HnRaeYCbHIE HIOUHO BnHIOeHHN 3NEHTPOHNCTPYMNTA. INHCTpyMENT NIN KIOCH, HAOXoAunCBO BpauaouechTACTN JIeKTOPNHCTPYMNTA, MOXET PnPBcTeN K TpaBMaM.
e) He pHMHMaTe HecetcBHeHoe NOHOeHHe Kopnyca TeHa. Bcerda 3aHHMaTe yctOHNBOE NODHHe N COxpaHnTe paBHOBeChe. BnaOapra 3tOMy Bb MoKte NeuWe KOHTpOnNpuBaT bNeKTpONHCTpyMeHT B HeoXkAaHbIb CNTyaunix.
f) HOCHTe NOxOAnHyPo paOxyo OeMy. He HOCHTe WpOkyo OdeMy n YkpaSeHHa. DePHTte BONcbi OeMybAIN OT DHNHyyuHXCA qacte. 1nPKoA oEJa, yKpaSeHHa NIN AINHHbte BONcbi MOryt 6bTb 3aTAYtB bPaUaIOuMmNC aCTaYMI.
g) PnH HAnHH B03MOHHOCHT YcTaHOBHN PbIeOTcABHaOHNX N PbIeCCOBHbX yCtpoHCTb npOBpRHe Hx pNcoEHHHeH N npabHbHOe HCNOL3oBaHHe. PtmuHeHne PbIeOTcOCA MoKet CHN3Nb OnaCHOctb, CO3dAbaMyIO PbIbIO.
h)XopoOe 3HaHHe 3NeHTponHCTpyMeTHOB, NOyueHHoe Bpe3yIbTaTe qactoro Hx HCNoBIOBAAHn, He DNOHNO pNBoDHTb K CamOyBepeHHoCTn HnHOpPBOAHHo TEXHHH De3oNAChOCTn OpaUeHN C 3NEHTponHCTpyMeTAMn. OAno He6pExKHOe AEiCTBne 3a OAnIO CeKYHabi MOKeT PnBcETN K cepE3bIM TpABMAM.
i) BHMHAHHE! B cnyae BO3HHHOBHeHH nepe6oB pa60te 3NEHTPOHnCTpyMeHTA BCNEcDTHBE NOHORO HIN qACTHNO HO pEHPaueHH 3HEPROCHA6HEHH HIN NOBpENHeHH CENH YNPABHeHH 3NEPROCHA6HEHH yCTAHOBHe TBbNIOHHe B NoIOnHe Me BbIKI, y6eHNbHcB,TOH OH He 3aONHOpoBaan (PnH eO HAIHH).OTKIOHHTe CETeYBO HNIky OTO3EH NIK OTOeOAnHHTe CBmHn AHyMynATOp.3TNM PneDoTbPaUaETcH EKeOHToPOnHyEmbl NOBtOPHbI 3anyck.
OnepaTop dONKeH HMeTb NocToHHBIOCTyN K 6NOKY KOMMyTaUNOHbIX npNoOpOB.
PnphMeHHHe.
CoepHnTe pyHH N pYKoTHN B CYXOM N HCTOM COCTOHHN H CBOEBPemHHO ydaHnTE nonaBHy HO HNX HNDHYN KOHCHEHTHYC MCA3Hcy. KcONb3KepyHH N pYKoTKn HE NOBLOIOT 6e3OAncho H 3KnPYaTHPOBaT b KOHTPOnIPoBaTb 3NEKTPOINCTPyMENT B HenpeAENDAEHbx CHTyaunx.
PnBbINHHeHH paOit, npN KOTOpbIX paOoOH HhCTpyMeHT MoKet 3aedt bckHpyo 3eHTponpOBOdky, depHnTE 3NEHTPOHNCTpyMeHT 3A hONP0BAHbIe pyKn. KoTAKT c HaxoAniecra NOa HapJxKeHem IpOBaKOJ MOKeT pInBeCtN K npApoeIO HeOBeKa 3JeKTPnuCeKIM TOKOM PeE3 MeTaNlNeCKHe TKOpOBOaIIue DeTaN INCHPTpyMeHa.
He neperpymaeTrepo0epnoHMyMaHHy.NcnoIb3yIte paOohm HnCTpyMeHT, coOBTeCTbyoHmN bdyAoc. CIOxOaIzmm paOohm 3neKtpOHnCTpyMeHTOM paObaetca 6biCTpeu 6eONachee.
He HcnoNb3yIe Tpy60Φpe3epHyo MaunHcy c nobpeMeHHbIM BbIHIOuatoTeJeM.
Tpy6oep3epHnHaMaunHa,KOTOPaH He BkIOuAeTCnHnHe BbIKIOuAeTCn,OnaHa HnoIeKHTO6ra3aTeNbHOMypeMOHTy.
OTKhNoUaYHe NHTAHMe NpeEd HAcTPOKHO 3NtHtPOHcTpyMeTHA HnCMAHOI paOoHx HcHCTpyMeTHOB. 3Ta Mepa npEdoTOPOKHOCTOn pPeOToBpaAaET HnepeHaMEpeHHoe BKNUeHoe Tpy60fpe3ePHoMaunHbI.
He pa3pewaiTe NOB3OBaTbC TpyoOphi3epHoi MaunHoi NuaM, KOtOpBie He 3AHOMblc HnHn Hne pOuHTaH NactoHnE HNCTpyKuHn. Ty6ophi3epHbIe MaunHbPiPcctabTnIOT cepE3HyIO nAChOCTB BYkax HeonbTHbIX non3OBaTenei.
Perynpho BbInonHnTe XeHHueChoe 06cnyHHBaHHe TpyoOphi3epHoMaunHbI.
PioueepHrTreOoOphi3epHyMoMaunHyHa npEIMET BO3MOHNbIX NOBpeHdenn H
HaHnue PnpuHx PhAnTopoB, KOpBoMte MOry HeraTHbHO Otpa3ntbCn Ha
3HCnPyataaunH TpyoOphi3epHo MaunHbI. HenCnpaBHy TpyoOphi3epHyO
MaunHy HeoOxOHMo OtpeMOHTPOBaTb NepehNcNoB3OBAHem.
MHorOuChnEHNHbIX HecHaCtHBx CnYaEB YdaNoCb 6bl N36ExaTb,ecnn 6bl TexHnueckoe O6cNyKbAHue Tpyo60pe3epHBx MaunH BIIIOHnIOcb HAJNeauum 6bpa3Om.
HcnoIb3yIte Tpy6oΦpe3epHyIO MaunHy, npHaJdneHocTH, paOohne HcTpyMeHTb H T. D. B COOTBBCTBHN C yKa3aHnHM DAHHORO pyKOBoDCTBa NO 3HCnIyatauIN, yUHTbIBAH pNt OTM yCIOBnRA paObTy b NBD BBINOJIHHeMOI onepaunH. IcNoIb3BaHNe Tpy6oΦpe3epHO MaunHy dA JBy BbIOJIHeHn ApyInx, He npeAycmOTpeHHbIX AnE ee KcNpyaTuAn Onepaun, MoKeT npNBecTN K BO3NHKHOBeHNI OOnaCHbIX CNTyaUn.
PpHHnIeHCTBna (cm.phc.A).
Tpy6o0pe3epHra MaunHa C nOmoUbpo pexyUero pa6oUero HnCTpyMeHa TOp3eAeN O6paBataBaBaeCTeHN KOnTAeNBHXOTpe3KOB TPy6 NpOonoXeHHbx Tpy6npoBOAOB.C NOMoBu KpenExKHOY cTPOcTBa MaunHa YctaHabINBaee Ta HapkyKHO CTOPHe TPy6uC N NOMoBu Co6CTBEHHORO MEXAHm3Ma pa6ooy NeaOn O6eraT py6chapyKn. B kayecTbe HnCTpyMeHa CNyKAT KpyrNbE NnHbBne DnCKn Atn MeTAnI NpOfoNbHe Bpe3b,pexyuaa KpOMKa KOTopBx BblONHeBA 3ABCHMocNt O mATEpNa I Tpy6b H3 B6tCPopeKyuCh CTanN NobIIeHNO npOHOCTNN Hn H TBpeAOrO CnnaBa.
- YctAHOBKa rny6uHbI paea npOHBOAHTC c NOMOULIO IHCTPYMEHTABHOI mHHaBHO 6aKn (16), wAPHPHO 3aKpENeHHo HA oBeHX 6OKOBHX nTTax H nepeCTaBmEMO XOOBBM BHMTON (6).
TpaHcnpthbBn (21),KOTOpbI c nOMoUbIO TpaHCnOptTHbx KONEc co3aET ABXKeHMe pa6oehNoAaH, INpOBADTCrO NT HcTpyMeHTaJIbHO WINHAdEra c nOMoUb2 CtyuHeneYepBpuHNOpeAau.
PDAaay BKNIOaeyTc N BIKIOaoyeTc PnN NMOOuN PbHara peEkoHcHnckoocTN NOaun (28).ΦpKUHOHHaMyfTa pEaoxpaHertpeAkykTopNOaun OT peperpy3kn.
HnCTpyMeHTaIbHbI WIIINHaeIb BpaIaeTcB OueHb JeeCTKHX NOAHHNHKaX. INaBHpeyKTOp, CO CMA3KOINORPYKeHNEM, ANI PnIBoDA
HnCTpyMeHTaIbHO TNIINHaeIg COCTOHT N3 PnAHeTapHO H cepBraHOO CTyneHei.
PeykTOp paccHtAn TaKHM Obp3OM, YTO cyuHoe TopMOKeHHe cenn DO nonHOJ octAHOBKn He npBOAnI K NOBpeKdEHNIO. Bce BaJIb peykTopp BpaauoTcR bOaUNNHNKx KaEHN.
IIOIOCTb MaUNHbIC OcMn PpeHa3HaueHa AIA BeEHHa NO Tpy6e 3akpePiENHOI Tpy6oOpe3epHOI MaUNHb I IA INpeAau CNP Pe3aHHa N IOaAHs.
- VBy3ka C HApYKbIM dAmMeTpOM Tpy6bOcUeCTBnAeTcR nepeCTaHOBKO XoAOBOI OCN (10).
Lcnn 3akpenneHn co6paHbI n3 OTAeJbHbIX OAnHaKOBbIX 3BeHbeB.
Uncno Heo6xoAMMbIX 3BeHbeB nIN dNHa cenEe 3akpenneHn 3abCtOT
HapxHoro DnAmetpa Tpy6bl.
TpaHcnpTnpoBbKa.

B

Onachoctb TpaBmPBOAHHH npn TpAChnpTPhoBHAAH TpyoopeepHO MaunHbI. TpaCHnOPTnpyTe TpyoOpe3ePHyO MaunHy TobnkO npn NPOOMU XBOJAMX B KOMPIEKT NOCTABKN PteTb AJIPEHeCKN (34) HIN CINAMKAK MHNIMYM TpEx YenOBek.
Hauana paobtbi.

Onachoctb TpaBmHPOBAnHa H3-3a HeOMnDaHNO CMeueHNr 3aROTOBKn.
3aKpennnTe 3aROTOBky nepeo6paOtrok BO H36eHNHe HeOMnDaHNO
CMEUH. PnO 6pa60Te 3aROTOBKn cyueCTByeT OAnCHOCTb HeoKHaHHOROTKaTa, NaEHN Hm CMEUH 3aROTOBKn.

MaHmHy pa3BwAeTcH cNpIb3ObAtb TOnbXo B TExNHcECh6 63ynPbHOM COCTOHn. Ipea KaKbAm BKIOHeHem NPOBepaTe MaHmHy Ha NaHmHy nH0uHEhblx nn NIOBpeKdEHnhPa6oOHN HtCPyMeHOBn
KOMHOHeHOB. 13HOWeHHbIe HINIOBpeXeHHbIe pa6Oue HNCTpyMeHTb I KOMHOHeHtB Heo6xOAnMo HEmEAnHeHHO 3aMeHrTb Ha HOBie.
IodrotOBHTeBhIbe padotbHa 06pa6aTaBaEMoT pyoe.
Tpy6by,pa3pe3aemble Ha cKnAaCkO INIOoAaKe,doNKHb 6bIb ynoxHb TaK, 4TO6by pekyuIN HcTpymEHT He 3aknHnBANO.
AIIyNOKeHHBxTpy6HaYactkeAINHO1MIOBCEOKpyKHOCTnTpy6bOJIKHO BblApckHbTaBcpaCtOaHHeOT HApkyKHO CTeHKN Tpy6bO CTeHKKaHabBe Me HeMeee50cm.
- Nobepxhoctbtpy6blDOnjka 6bItbOOnuHcMaOT3arpnHeHHnpyHTa. PpeBaHPteBHO yAdNtE MAnKHe 3aunTHBe NOKpblTHC nObepxhoCTn Tpy6bl.
Pexyun HnCTpyemt OONKHeB 6BbTb Bb6paH B COOTBTCTBN C MaTepeNlOM Tpyb, Tpe6yeMoI oOpMoI 06pa6oTKn H cMa3OHO-OxnaJkAioWe JNKAKOCTBo.
-yaanre cbapouhble wbbIpaHone konec nenei.
3a DoonHnTeBHOHnΦopMaueNe ObaaIaeTcB K NoCTabuNky CmaOchbIX MaTePnaIOB OxNAKDaIOeJ HxNkOcTO. (CM TAKe I NHEMaTHueckoe CmaOHO-OxNAKdaIOoee YctPOrCTBO 9 01 002 004)
Cma30yHbMaTePnAn npn 0^
-Cma3OHybMaTePnAnBIOCUT1n-32132039000
-Cma30uHbMaTePnBBIOCUT5n-32132040000
Cma30uHbMaTeepnAndo 25^
-Cma30HbMaTePnA11-32132042000
-Cma3OHybMaTePnA5n-32132043000
IpoIroTobKa TpyoOphipe3epHoMaunHbI (cM. pHC. A).
- Otnyctnte 3aXHMHOI pbHar (11).
- IIOAHIMNTe HNCTpymeHTaIbHyO uINHAnEJIbHyO 6a6ky (16) pIN NMOUHN KPNBOUNTHoN PyKoTkn (B INCTpymeHTaIbHOM KoΦpe) Ha MExaHn3Me NOaauH Na BpeaHne (7).
- ChHMMTe npH30HHbIe 6OHTb (9) npeCTaBBte XoAOBHyIO Ocb (10) B COOTBEcTBm C aAHbIMn Ta6NIIu (4) NOA TEKUIN BHEUHN DAHMetp Tpy6I.
CHOBA Kpenko 3aTaHnTe npnsoHHbIe 6oNTbl (9).
RSG Ex 1500 A/B (^**)
| P | D [ММ] [Дюйм] | |
| I 250 - 400 9,8 | 15,7 | |
| II 400 - 600 15,7 | - 23,6 | |
| III 600 - 900 23,6 | 6 - 35,3 | |
| IV 900 - 1500 35,3 - 58,9 |
RSG Ex 18 A/B (^**)
| P | D [MM] [ДJOИМ] | |
| I 250 - 400 9,6 | 15,7 | |
| II 400 - 600 15,7 | - 23,6 | |
| III 600 - 800 23,6 | 6 - 31,5 | |
| IV 800 - 1000 31,5 | - 39,4 | |
| V 1000 - 1300 39,4 | - 51,2 | |
| VI | 1300 - 3000 | 51,2 - 118,1 |
P:nonoKeHneXoOBOO oCn
D:AnameTppy6bl
BbABHbTe 3aKHMbYe cTpoCTBa (1) Anr cepee 3akpenne Hn BpaueHem npyKHHNHO cTaKaHa, YTO6bI nOcne yctAHOBKn Tpy6oPe3epHO MauHHIO bCTAbaJIc DOCTaTOOHHy XOA dN HATAKHeH.
Co6epnTe HataKHyU cIeB B COOTBeTCTBm C BHeuHIM dHaMeTpom Tpy6bl.
NOMECTHTe Tpy6oep3epHyIO MaunHy Ha Tpy6y H 3akpeHnTe ee npn NMOUIN NOAbemHOI pncnOco6neHnRAk, YTO6bMaunHa He COCKONb3Hyna.
Co6epHte BeayuOeBn yctpoiCTBO HATJKeHHaEN B COOTBeTCTBn C BHeHMMdAmETpOM Tpy6bl.
3aΦHKnpyTe BeayuHcNb Ha paccToHHN 10 MM prAOM c HATJXHOI cNbIO HanpoTbN Pheepero HNcTpymenta. PaCtOHe NOT naBua BeAyuE cNdu O nBanu cNmu 3akPereHHNcoctBaJET 10 MM.
IpoBepbTe 3To paaccTOnHHe NO OKpyKHoCTn He MeHee Tpex pa3.
3aKpennHe TpyoOpeepHoi MaunnHi Ha Tpye.
HanoMeHHe 3BeHbBbX qen
- HanoXitte eue packbIte 3BHeBBeIe cIe IHa Tpy6y no o6e CTOpOHbI Tpy6oΦpe3epHoi MaunHbl.
-Пинларнгпс Trpy6oФрe3pHyU MaunHy N и Ротангп ЗьнБeБeBE ue ZENI NOД ZEINHbIMN 3B3aOчКAMn (20)Тak,чTOбИ NOcNE ONYCaHnN Trpy6oФрe3ePHO MaunHbIMN 3B3bEbeBE ue ZENI BOWIn B aZaENPHeNeC e 3y6Zamn.
HaNoXKeTe CBO6OaHbE KOHcbl cIeNe H3Be3AOuKN OCh HaTJKeHNr' (14) nHaKnJaKy (19).
3aMKHnTe 3eBHeBeyko nIb naIbceM (30217216004) n3akpeNITe naneu, ABMy CTOnOpHbIMKoNbAmn (42634020005).
HaTHeHHe 3BeHbEbbix ceniE (cM. pnc. A).
- Chayana cnerka npinnoKHTe 3BeHbeBte ueNk Tpy6 neYtem Bpaaehnna 0oONx npyXHHbIX CTAKAHOB (1).Ara ToHoi BBBepKn Heckonbko pa3 nepaDbHbTe py6oOpeep3epHyIO MaunHy B o6e cToPOhNo OKpyKHOCTu Tpy6b.
BpaIeHHe mpyKHHbX CTaKaHOB HATaHHTe 3BeHbeBbIe cEN TAK, YTO6bl WTHOT (23, PNC. A) nOanB nPdoONbHOE OTeBepCTne npyHHORO cTakAna B ppeEnax BtTOckN OOKPYKHOCTN.
BoBpemrpoepcca pe3kn Heo6xOAnMo CNEANTb 3a NOIOXeHMeH WTHfTa. Ecnp Tpy6a H Kpyra, eun Hc6xOAnMo NOATRnBaTb NINOCa5nTb. PpepaPooecccmpe3nn CHMHTE Bce 4 pykOaTK.
Pmck BO3HHHOBeHHH HeCuaCTbIX CnyuaeB!
He 3aTnBaTe npyKHHbI CTaKaH DaJIbWe 3ToI ToUKn!

YctahOBka pa6oOH HhCtpymENTOB.
Onachoctb TpaBMPOBaHH
Cytcctbyet onaCHOCTb NOnyueHn TaBm H3-3a HenpeA HamepeHHoro BKIOHEny. Ipee MoTaxKom paOohero HnCTpyMeHTa H3BnKeHTe Wttencehns po3eTKn.
Onachoctb TpaBMPOBaHH
C CyuocByeOnaHocBn Ope3aOcTpbMn KpaAMNa6oHeoMHCTpymEHTa. PnMOHTaKe HdMeONTaKe pa6oHeoMHCTpyMeHTa HaDeBaTe 3aunTHthe nepuATKn.
Onachoctb TpaBMPOBaHH
OAnachocbTpABMPOBAAHOctpbIMIINFOPaOUMpaOUMNHCTpymENTOM. PnA demoHTaKe paOoHerIOHCTpyMeHaNaEBAHTe 3aunTHbe nepaTKn. HaeBaTe 3auuTHBe nepaTKn.
PpIMMeHnTe ToIbKO pa6OHe HnCTpyMeHTbI c 6e3yInpeHbIMn peKyuunmKpOMKaMn.
- Ipea yctahOBko Tpe6yTeC ONUCTnTb IHCTpyMeHTaIbHbI 1nnHaeBn TaKke pNIOHOHbIe N OCAOHyBe NOBepxHOCTn.
- YctaHOBHT pa6oOHHCTpyMeH T paCIOpHbIe Wai6bl.
- Tyro 3aTAHnTE 3aXmHHyraKy pa6oOero INHCTpyMeHTa.
BbOa B 3KcnnyatauHIO.
Tpy60Φpe3epHaMaunHa:

IopKIOHTe Tpy6oepe3epHyO MaunHy C 3neKtponpBOaOM K BNOKY KOMMYtaHOHHbIX np6OpOB, KOtoby coApExkNT cNeAyoUHne KOMNHOENTbl:
-ΓnabHbB BKIOuATeNb/peBepcNBbI BblKIOUaTeNb,
-3aIHTbB BbIKIOyateNb 3NEKTPoABnTaTeN,
-pacceIeHJIbMNHIMaJIbHOroHaPraJxEHnI, -TseKetKHeBc CoeAnHEHnI.
TnabHbB BYKIOaTeb HcNOb3yeTcA
BKIOeHHN IpeBepca HApBaNEHH BpauEHH.
3aunTHbB BYKIOuHTaB 3eKtpoDBaRatEn
paCueNTteb MNHMAbHBO HorapXeHH
06pa3yOT eHNbY3eI. Ppi nepepy3ke
cpa8aTBbaet 3aunTHb BYKIOaTeB
3eKtpoDBaRatEn, ppi OTKnIOeHH
HapXeHHc cETn paueNTteb MHNMaJIbHO
HapXeHHc OKIOaET TpyOoPee3EPHyO
MaunHyOT cTeH ANI PpeoTbpaueHn HnpeHnapeHnHO NOBTOPOHOrO 3aYnCKa.
AINBKNIOHEnI Tpy6oep3epHO MaunHb CneAyeT 3aEeCTBOBaTb 3aUNTHbI BIKIOHaTeN 3neKPTPOBnraTeN.
BIOK KOMMYTauHbIX pIb6OpOB Heo6xOAnMo paCIOJIKnTB TAK, YTO6bl onepaTOp BcERda HmEN K Hemy AOCTyI.
TpyoΦpe3epHnMaunHa BactuHb B3pb1B0e3onachm HcnoHHeHH:

Ipea6 6nokom kOMmytaHOnHHbX np6OpOB CneAet YcTAHOBnT BAnONHInTeJIbHYIO KOMMyTaUHOHHYKOPO6K CBbIKNoHaTeIeM AINB KBNIOEHN Tpy6OoepHcMauHHb Ha BpBBOOanacHbX yactkax 30Hb 2.
KoMMyTaunOHHy Kopo6Ky Heo6XoHMo paCnoJoxNtB TaK,HTo6bOnepaTop BcERdA HmEn K Heu DOCTy.
OnachocTb B3pbiba
PacnonaraTe 6nok KOMMytauHbIX np6OpOB 3a npeDenamn 3oHb2.
YnpabBHeHne.
Onachoctb TpaBMPOBaHH
Bo BpMa pa6oTb 3aunTHbI KOxy X OJKeH 6bTb NOnHOCTbIO 3aKpyI 3aΦHKpOBaH!
OnachoctbtpaBMPOBAAHn3-3pa3neTaOuEeCCTpyKKn
CtpyKa MoKet npBecTn K TpaBMam. CneAHTe 3a TeM, YTO6bI B ONaCHO 3OHe He 6blno NIOdei.
Onachoctb nohapa 13-3a pa3aetaocecnCTpykkn
CneAnte 3a TEM, yTo6bI B ONaCHO 3OHe He 6bINO BOCnnaMeHIOxxC MaTePnaNoB.
Onachoctb TpaBMPOBaHHA
PnB BKIOUeHHN Tpy6oΦpe3epHOJ MaINHb HMeETcR OaCHOCTb TaBMPOBaHHN 13-3a pa3neTaoUHXcA DeTaeJI. IpeE KAKAbIM npIMHeHHeM Tpy6oΦpe3epHOJ MaINHb y6paaiTe KpIBOuHHIyIO pyKOATky.
Ipoeypa npcka
B cnyae Tpy6oΦpe3epbIX MaunH C 3neKtpoAIBrataIeNem Heo6xoAIMO y6eAdbTcB nPabunlbHoCTn HaprabaneHra BpaueHnna paOoery HoHCTpyMeHTa. Haprabene HpaueHnne peeknouaetcrapebpceNBbIM nepeknoaTeIeNHa KOMMYtaIOHOHm6Noke.
Onachoctb TpaBMPOBaHHA
BoBpemraPabotbMaunHbI MeetcOnaCHOCTTpBaMnpoBaHnB BpaauoUmmncA DeTALmN.BoaCHyIO3OHy MaunHbI papeuaeTc3 3axoAnTbONkoIpaBOTnHOHaJaKe Cco6nOdeHem Mep nToTexHnke 6eOnaCHOCTN.
- OTKIIOUHTe npIBoA npn IIMOoi PbUHa rnepeKIOUeHnckOPOCTn IODaun (28).
-BkInouHTe Tpy6oΦpe3epHyIO MaunHy.
OTNYCTNE 3aHHMOHbI (11) n pni NOMOUI KPNBIOHNHO pyKoTNI ONyCTNE BpaAioUHcN CnIIbHbN DnCK KAOK MOHNO Tpy6eB Tpy6y. Iy60KO NorpyxehHbN NINbHbN dNCK CTaBnHnHpyet npouccpe3aHa.
-
PnI pIe3ePobAHnn Bb6paTne KaK MoKHo MEHbWee 3aueIeHHe mHcTpyMeHa. IpnONBDOANTbHOCTb pe3AHn BO3pactaET cyBENuHemEM rny6hNbpe3AHn.
-
Ppmynte pexyunn HNCTpymert npi6n3nentbno Ha 3 MM rny6xe, cem Heo6xOaHIO n 3aTeM aDHNMHTe Ha Tpe6yemyu rny6HNY. Ppn 3tOM pexyunn HNCTpymert BbXoANTn 3a3aenPIENH.
B cnlyuae ncoNbo3oBaHnI shkAbl ny6hHb daTe pa6OeMy NHCTpyMeHTy BOINB cOnpHKOCHOBeHne C NOBepxHOCTbO TybO. OTNCTNE raIKy C HAKaTKO (27),ycTahOBInTE yKAsaTeNB (28) Ha 0.CHOBA 3aTAHInTE raIKy C HAKATKO (27).YcTahOBnEHnA ryn6Ha BnHa Ha kane.
BbIKIOuHTe Tpy6oOpe3epHyo MaunHy.
-
3aTeM 3aФИКСИРУТе HAcTpoIky, 3aTЯHbY 3aXIMHOn pyIar (11).
-
Choba BKNIOHTe Tpy6oOpe3epHyIO MaunHy.
-
BkIIOUHTe pnpBOa npn IIOMOUI pbYaRa nepeKIOUeHINCKOPOCTN NOAUN (28).
-
Ecnno3b0nraet MOUHocb ABHrAteJra, pa3peKbTe cTeHNy Tpy6b 3a OAnH nPOXoA.
-Пролбгенье Trpyb MOrT BO BpeMa Pe3aHn H3MeHHTb CBoe NonoKHeHne n 3aKaTb HNCTpyMeHT B p3pe3. IOnToM yNoCTabHHeBle KInHbI Heo6XoAIMO B6BaHT bPa3e3 Yepe3 peryIaHbIpe PaCtOHRN3a peKyuIIMn HNCTpyMeHOM. Ha B3pblBOONacbHx YAcTkAx HCIOJIbYte KInHbI (6 33 05 013 002) (PnHHaDNeXHcOHT, BXOaJHue B KomIIeKT NoCTabKn RSG Ex 1500 A/B (^**) ) mOnOTOK n3 Be3bIKpOBOr MATEpHaJa.
- PpeDoTbpaaaute nepeerpy3ky Tpy6oΦpe3epHoMaunHbI.
Ipeperpy3ka Hauuio, ecnn npn Bpe3aHnBpaaaOooerocpexyuer HnctpymEnTa YncNo 06opOTOB MOTopa 3aMeTHo NaaAet.
- BcIeAcTBnE 3TOrO OAOHBpeMeHHo NaAaTe IPOH3BOAnITeNbHOCTb pe3aHnra.
-ФИКСИРУТЕ 3АТОТБКУ (OTpe3aEMYTO Tpyby) ИпрдOTврацAnTe ee NaAeHne.
Ha TOnCTOcTeHHbIX Tpy6ax (s>10 MM) pa3aEnky KpOMKn IOnA CBAPKy CneAdyET pe3epoBaTb 3a HeckoNkO npoxoAOB.
OAnHakOBaΦoMa pe3a 3aBnCHT O CneAyoUnx PaKToPOb:
-BBbepKn Tpy6ofope3epHO MaunHb DO Haayana pa6oTbi,
-OTKIOHeHnI rEmOpTpyeckO hOpMbI Tpy6bl OT oPOpMbI kpya nUHHApA,
coctoHnpeKyuue KpOMKn HnCtpymeHTa,
- TBepoCTMaTeepnana Tpy6bl.
Tp6oΦpe3epHa MaunHa OTnlaKeHa TaK, qTo nPi dAmEpTe Tpy6b B 300 MM 600 MM HauAo N KOHeu NNHn Pe3a NOHT COBnaAHO.
13-3a 3KcIeTpHNOCTn HapabJlroEero Bana MetKa HAcTpoKn (24, cm. pnc. E) DeCTBtENbHa TOnbKO AINr HABAHbIX hAmETPOB. IINr 60AnMeTPOB MOKET BOHNIKHytB EO6XoAMNOCTB BIOACTPOKe.
06paThbXoTpyoΦpe3epHbIX MaHH (RSG Ex \一 ^ 一 \ )
HaheceHne MATEpHnIbHoro yuepe6a!
PpeA Bo3BpAToM Tpy6o0pE3epHO MauHHb CneAyET BbIECTH peKyuIINHCTpymEn I3 Tpy6bI,HTO6bl PpeAOBpaTnTB NOBpeKdEHNr INHCTpymEnTa HpeADYkTopa.
-OTKIOUHTe npBOA, pN NMOOu npbHa rpeeknOueHnCKOpocTNnoaun (28).
- OTnyctnte 3aXkMHOH pbUar (11).
- BbIbeAte pa6OuH INHCTpyMeHT n3 Tpy6bl.
- YctaHOBHTIe IaHbIbIKIOUaTeIb/peBepcIBHbIKIOUaTeIb BNOIOXeHHe «0» (BbIKn).
VcTahOBiTe PBeBPCHBbH BbNIOJIOHeIb BnIOJOeHMe Io6PbTHOrO XoHa.
KpeIKo 3aTnHBe 3axHHMOb pbYar (11).
- BkIIOUHTe pnpBOd npn IMOOu npn IIOOu npbUaTpepeKIOUcHEnckOpocTn IOAuaN (28).
Tpyofope3epnna Maunna He npnoHa dnnpe3aHH Ha o6patHom xOy! yKa3aHH no OxlaHdEHHo H CMA3He.
HaheceHne MATEpHnIbHoro yuepe6a!
B npocece p3aHn pa6OuH nHCTpyMeHT Tpe6yet OXIAKdEHN mCMAKn. Pn HEOCTaTOHOM OXIAKdEHN mCA3Ke cTpyKKa MOKET 3aKNHHTBCr. 3To UpeBaTO NpONMOKOH hCTpyMeHTA.
Cnedyte daHHbIM/HHCTpyHcHm npOH3BODHTeI npHMehrERMO OXlaHdaOuero cpeCTba
-4yryHHbIe Tpy6bH Heo6xOaHMo Pe3aTb BcERdaB CYXOM COCTOHIN Ge3 npIMHeHn CMA3OuHO-OxNkDaIOUe OpeACTBA.
-ΠnIbHbI dNc Knn Φpe3y Aa pe3K HeerHPOBaHHbx cTaIbHbIX Tpy6 Heo6xoAIMO OxnaKaDaTb MbIbHOB BOAO.
HactpoHaToCHOCTXoJa.

-OTnycTHe raiky (15,cm.pnc.A) KInIOyOM pa3Mepa 46.
- NOBOPaYBaIteOcb(10)OTHOCTeINbHO HAKNaAKn (19). 3aTaNHTe rAky (15).
PnBpaueHnOcN (10) no yacobO CTpeJIke (B HappabHeHH peKyuero INHCTpyMeHTa) NINHnpeKyuero INHCTpyMeHTa CMeIaetCBnPaBO (HappabHeHne B3rJaPaBHO nApbHeHIO ABHXeHHo Tpy6oΦpe3epHO MauHHb).
PnBpaueHnO cno pOtnB uacobO CTpeIKn NINHnpeKyuero INHCTpyMeHTa CMeIaetcOOTBETCTBEHNO BnEBo.
MOHTAM DonoJIHHTenbHbIX 3BeHbeB cENH.

AnonHHTeBbIe 3BeHbIeN MoXHO MOHTnPOBaTb TOnbKO B npeAcMOTpeHHbIX AINr 3TORo MecTx.
- CHIMITE CTONOPHOE KOJIbO (32).
-CHMNTe naNeU (33). - BCTaBbTe Heo6xOAnMoe KOJInueCTBO 3BeHbeB UeIN.
-3BeHbIeHNpa3INuHbIXpa3MepOBBXOaT B KOMPiJeKT PnHaJIeXHoCTeMaINHbI. - BcTaBbTe naneu (33).
- MoHTpyTe HOBoe cTOnOpHoe KoJIbUo (32).
3aKpenIeHne Tpy6o0pe3epHoMaunHbI.

«A» Heo6xoAnmoe pa6ooyee npoctpaHCTBO npn Hau60nbwe rny6nHe pe3aHn.
«D» HapyKbI dHaMeTp Tpy6bl
《i》Hcno 3BHeBeCen npn DAmEtp Tpy6bD
RSG Ex 1500 A/B
| Положенияхозоваяоиocn | D[MM] [MM] | A[MM] [MM] | HДлина Zeелпna OДнусторону | ОБцая Длина Zeелпи | i* |
| 1 | 250300350400 | 400392384378 | 1427152516321744 | 2854305032643488 | 5566688 |
| 2 | 400450500550600 | 381375369364360 | 17821898201921442273 | 35643796403842884546 | 677777778 |
| 3 | 600650700800850900 | 362357352348344340337 | 2302243325662702284028623001 | 460448665132540568057246002 | 889910101010 |
| 4 | 90095010001050110011501200130014001500 | 348345342340337335333331329328 | 3142328434283464360737513896406243384355 | 6284656868566928721475027792812486768710 | 101111111111111111111111111111111111111111111111111111111111111111111111111111111111111111111111111111 |
*Homep 3a3a3a 30231013027,cocTo8ueu n3103BeHeBEB
RSG Ex 18 A/B
| Положенияхов的好ocn | D[MM] [MM] | A[MM] [MM] | HДлина Zeелниоandingусторону | ОБсяя длиныцени | I* |
| 1 | 250300350400 | 587576564553 | 1427152516321744 | 2854305032643488 | 556668 |
| 2 | 400450500550600 | 522511501492483 | 17821898201921442273 | 35643796403842884546 | 677777778 |
| 3 | 600650700750800 | 453445437429422 | 23022433256627022840 | 46044866513254045680 | 88910 |
| 4 | 8008509009501000 | 396393390386383 | 28623001314232843428 | 57246002628465686856 | 1010101011111 |
| 5 | 110501100115012001300 | 3900387385382379374 | 3464 036073751389640624338 | 6928072147502779281248676 | 11121212131314 |
| 6 | 1 | 3873 | 4355 | 0 | 87100 | 14 |
| 1400 | 382 | 4651 | 9302 | 15 | ||
| 1500 | 378 | 4950 | 9900 | 16 | ||
| 1600 | 373 | 5250 | 10500 | 17 | ||
| 1700 | 369 | 5553 | 11106 | 18 | ||
| 1800 | 366 | 5857 | 11714 | 19 | ||
| x | 1900 | 362A | 6162 | M | 12324 a | 20 |
| 2000 | 359 | 6468 | 12936 | 21 | ||
| 2100 | 356 | 6775 | 13550 | 22 | ||
| 2200 | 353 | 7083 | 14166 | 23 | ||
| 2300 | 350 | 7391 | 14782 | 24 | ||
| 2400 | 348 | 7700 | 15400 | 25 | ||
| 2500 | 346 | 8009 | 16018 | 26 | ||
| 2600 | 343 | 8319 | 16638 | 27 | ||
| 2700 | 341 | 8629 | 17258 | 28 | ||
| 2800 | 339 | 8940 | 17880 | 29 | ||
| 2900 | 337 | 9251 | 18502 | 30 | ||
| 3000 | 335 | 9562 | 19124 | 31 | ||
| *Homepr dlya zakaza uten 3 02 31 013 02 7, coctoansen 13 10 38eHbEbn no 635 mm. | ||||||
AIOACHTHKEHNOTTHMaBbHOPO npEABAPNTeBbHO HO HATRKeHnueNMOKHO NCIOJIbO3OBaTbpNnaraMeBbHCTpyMeHTaBbHOM KoΦpe NOnOBuHHBe 3eBbY eHINOH31,75MM.
PnHmep:
AII Tpy6bI dHaMeTpOM D=400 MM Tpe6yetc8 63BHeBbUeHIN (Homep AII 3aKa3a 302 31 013 027).

IbHHKeHne no Konee npn nomouin Beyuuei cenn
Co6epnTe BeauyuToeNb COOTBeTCTBryoUeN AINHb cornacho Taanie
AII AOCHTXKHeH NOTTHMaBHO rPpeABpTEnbHOr HATRKeHHa eHN MoXHO NCIOJIb3OBA Tb npINaTaMeB E NHCTpyMeHTaBbHOM KoΦpe IIOOBHHbIe 3BeHbY eHN dNHOH 31,75 MM.
AinhaBeadyuee ceinn
| Диаметр Trусы | Длinaцени | Зевая堕п | |||
| [MM] | [MM] | 635 | MM | 63 | 5 MM |
| 250 710 1 | 1 | 1 | |||
| 300 870 1 | 4 | 0 | |||
| 350 1030 | 1 | 6 | 1 | ||
| 400 1190 | 1 | 9 | 0 | ||
| 450 1344 | 2 | 1 | 1 | ||
| 500 1500 | 2 | 4 | 0 | ||
| 550 1660 | 2 | 6 | 1 | ||
| 600 1809 | 2 | 8 | 1 | ||
| 650 1970 | 3 | 1 | 1 | ||
| 700 2130 | 3 | 4 | 0 | ||
| 750 2290 | 3 | 6 | 1 | ||
| 800 2440 | 3 | 8 | 1 | ||
| 850 2600 4 | 1 0 | ||||
| 900 2760 4 | 4 0 | ||||
| 950 2921 4 | 6 0 | ||||
| 1000 3079 | 4 8 1 | ||||
| 1100 3397 | 5 3 1 | ||||
| 1200 3714 | 5 8 1 | ||||
| 1300 4032 | 6 3 1 | ||||
| 1 4 | 0 | 0 4 | 3 | 3 | 0 6 |
| 1 5 | 0 | 0 4 | 6 | 4 | 0 7 |
Homep a na 3aKa3a 30231034010(1=635mm)
Homep 3aKa3a 30231036010(1=63,5MM)
Homep 3a3a3a 30231035010(1=31,7MM)
- PnKpeHTE BeAUYU cIb 3a OAnO H3 ABYX 3BHeB UeIN K 3aXHMOMy YCTPOIcTBY PnN NMOU6 BONTA H CTONOPHO KONbua.
-1poAeHbTe Beyun yuactOK Beayueen eenn noa obe 3Be3doyn Beayuenenn (pnc.H).
-ПркрпнTe CбОднКонeU,БeДушeI ueN K 3aЖиMHOMy yCTpoiCTBy npn NOMOu6oNTa n CTOnOPHOrO KOblua.
-Пилхнite BeaушуTo cenb K'tpy6e Nytem BpaueHnЯ WecTnRpaHHnKa Ha 3aXHMHom yCTpoiCTbe (2). - PpOJoxHte BeAuyIO UeB Hb paCtOHHN 10 MM (OT pAnbueB npuBOADHOU cENn DO nAnbueB BeAuyEe UeIN) IN TpHXdI pOBepbTe paCtOHHne NO OKpyxHOctH.
3aTARnBaTe yCTPOIcTBo HATRKeHnA LEN pNp NmOuPi eTCHrPaHHnKa (29) DoTexnopOKa 5aJb6a30 HeAoAeTO KOpNcyaCTPOIcTBa HATRKeHn ALENN (AMAnao3oH 3aKIMHa OK.50 MM). (MaKc.MoMeHT 3aTJKKn 50 H-M)


BHMMHHe - onachoctb Heecacthblx cnyaeB! Hn B KOEM cnyae He npokpyuBaIte TpN CTOnOpbIX BNHTa (31)Btopue. (cm. pnc. H)
3aKnHouTheIbHbIe pa6oTbI nocJe KaHDoRo npHMeHeHHA.
-BbIbeAHTe pa6oHn HnCTpyMeHT n3 Tpy6bl.
- BbIKIIOuHTe Tpy6oOpe3epHyIO MaunHy.
CHHMMTe pa6oynn HhCTpyMeHT.
- PackpoTe KpeHneHne Tpy6oΦpe3epHoMaunHbI.
XpaHHe Tpy60Φpe3epHoMaunHbI.
-3aunHTe HApxHbIe MeTaIIHuecknE qactn OT Koppo3n.
-XpaHnTe Tpy6ofope3epHy MaunHy B cyxom MecTe.
TexobcnyHnBaHne npemOH.
TexobcnyKHBAHne H peMOHT.
CJIeKTPnHCTpyMeHTAMN IN PnINaIeXHoCTAMN FEIN, Tpe6yHOuIMM peMOHTA, 06paauTecB, NoAnayCTa, B cepBNCHyO cyx6y FEIN. AApEc HaxoANTCB IVHeTHe HtBe6-caiye www.fei.com.
AkyaIbHbI cIncOK 3aIacTeK kTOMy 3NEkTpOHCTpyMeHTy Bbl HaIeTe B IVItePHeTe No aDpecy: www.feln.com.
NcnoB3yTe TOJbKO OpunHnHaJbHbIe 3aIyactn.
Pn HeoXMOCTB Bb MOHETe cMOCTOENTbHO 3aMeHTb CNeyHOue HcTb: pa6oune HcTpymEtB, pyKoTKn, ZeNb, 3BeHb aen

Maunhy pa3peaaetcnaonb3oBaTb tonkoB TexHmpeckn 6e3ynpeHOM
ctoHnHn.13noHNHeBn HNOPBxAEHNBe pa6OHe NHCPTyHM
KOMTOHEHTb He06xoAMHO HEmEaENHHO 3ameHtB Ha HOBie.
OnachoctbtpaBMPOBAAH
BCJeAChBHe HnpeHaMepeHHOro BKIOueHna.
IpeaIIO6bIMMaHmNpyuYnuaMnCtpy6ofoep3epHOMaunHO H3BNEkaTe WTeNCenH3 po3eTK!
06uhe yha3aHH
Pa6oTbI NO TexHnueckOMy 06cnyKuBaHHIO MOrY BbNOnHrTa TOnbKO 6oyeHHbI cneuaJIncTbI.
Pa6Otbl NO yXoAyn Texo6CnyxuBAHHO OXBaTbIbAIOT B OCHOBHOM:
HapyxHyIO OuCTKy Tpy6oΦpe3epHO MaunHb N cene KpenHeHa.
Bn3yaIbHbIKoHTpObnBcEtp6oΦpe3epHOaHHbl.
= Cmehy macna peAykTopa.
-Cma3kyXoOBOOpe3b6bHnueeN.
CzMkhy HapnabHIOUxN IHCTPmEnTbHNOIIMINDAeBHO6aBKnB yCTPOJCTBE HATAKHeNt N TpAHCNoPTPOBaHN.
-Bo3o6HOBnEHHnHaKneek n npdeynpeXeHn Ha 3NeKTPoHnCTpyMeHTe.
YXoJ 3a 3BHeBbeBbIMN ueiAMN
ChaHana OCHNTHE 3BHeHb cHnO Tpy6bIX 3ARp3HeHn, 3aTe M BnraTe 3BeHb
cHn N tuaTeNbHO OH cHTNE HN pONMBOuHbM 6eH3HOM, KepoCHHom nnn
NooD6HbIM CpeACTOB.
AIIe oecneueHn CMA3Kn IIOONKHe OUYIe HbIe cEN Ha HeckoJIbKO YacOB B B3KToEkyuee MacNo, HApIMep, B TpaHcMncCOnHoe MacNo SAE 140.
Pmck BO3HMKHOBEHH Hecactbix CnyaeeB!
PepeaIOBTOHPbIM PnPmeHHeM IpOBeAHTe TuaTeNBbBn3ayAbHbKoHTpOb63yPcHOrO COCTHO B3eHbEuCen.3aMeHNToPBExKaEHHe NactH IN HeOCTaUIOHc CTOnOPHeK KOJIbA.
UHyp nHTaHH
PnnoBpeKdEHHHypa nHTaHHn3neKtpOnHcTpymeHTa HHPdoJIKeH 3ameHntb PpOu3BOaNTeHb Hn ero paeCTaBnteHb.
Mexanh3m noaun Ha Bpe3aHne (cm. phc. A)
HapyKHa860KOBaI NOBepxHOCTb RaIKn C Tpy6HOJ pe3b6OJI (17) OJIKHA 6bITb BCERdA OUnIEHNOH OT 3ARp3HEHNI CNJEIOB PkABuHHBI NcERKa cMa3AHHOH.
- Pn Cme He Macna peAkykTopa Heo6xOaHMo OuHCTHTb H Cma3aTb XoAOByIO pe3b6y.
DEmoHTAM:
- 13BNEKHTE BNT CUNHAPNueCKOJ FONOBKOJ (8).
-13BNEKNTe 6oNT (5) n3 KpblkN. - 3aTeM KPNBOWINHHOpyKoTKO BbBHTNtE MExaHn3M N0aun Ha Bpe3aHne H38aKnC Tpy6Ho1 pe3b6Oi.
- DeTAnCpe3b60HHeo6xOaHMoOuHCTHTb HcMa3aTB MaTOM (CM. pa3AeI 《Cma3OHyBle cpeAcTba Hcxema Cma3Kn》 Ha cTp.201).
-3aMeHHTe NOBpeKdEHHbIe rpa3ecbeMHbIe KOJIbLa.
MOHTAM:
MoTtAK OcyuCCTBnRETC B 6oPaTHOH NocNEAOBATENBHOCTn. He NobpeAHTe rpa3ecbEMHbE KOJIbUa pnp MOtTake!
3aHHMHe yCtpoHCTBO
PpeoTbpaaate 3arpa3HeHne pe3b6by pbm-6ontob (3,pnc.l)B npyKHHOM CTakaHe.
Pn Heo6xoAUMocTH OuHCTHepe3b6y n CMAKbTe MaCIOM.
Cma30uHbIe cpeDcTBa H CXema Cma3KN
YctpaHHeH HeHcnpabHObTei (KoHCTpyKmR RSG Ex (^**)]
| HéncnPabHocStB Bo3MOnHbIe PnuchHbIe Mepbl | ||
| Дыгатели pa6ochii Истчимent octanhabInBaIOTc | Очenvи hyзka TempepaTpya okryjaioшen credebl Icno | OlbayuTe Hn3KotempepaTpyhoe TpahomccnOHoe MacNo FEIN |
| Затулпся pa6ochii Истчимent 3amehite pa6ochii | Истчимent | |
| Нет наразжени B ceTn Прobерьte подкюочени K | сети И KOMmytaunOHbIe pri6obpy | |
| HendrabInbHoe habrajkeines B ceTn Прobervbte Данн | псо по дкюочени K сети | |
| Слишkom 6bIcTpa7poia nIIHn Cn1sKOM bVicokai npov3BOAnTEbHOCb cbema MaTePnAna no nepimetpy | Отreyunpyte peyuktor p/nIIHу mEmhshite rnybHy nOpruykhenia | |
| ПOTERi Macna B peAkyKTopHoi kopo6ke OnpaDelite | Мосто уtechnи uCtpanite ee -doJIeTe MacNo | |
| Чрзмерhoe пOBbIeHne TempepaTpyb B Abiratete | С hoBaВвLIOUHTe 6lOK KommytaunOHbIX pri6OpOB 30702041014 | |
| Поврждени цEHнOH 3Be3dOchNI Поврждени 3BeEHO zuHmHTo | Зенчini 3AmeHITe 3BeHOrOцEL | |
| HendrabInbHoe coeAnHeHne zuHn Прobevbte MeCTa | coeAnHeHni N nCnPaRbTe | |
| Палец zuHn BcTablen HEnoNHOCTbU BcTabbTe naneu | zuHn NnOIOCTbU | |
| HendrabinbHaj TpaekTopriya pe3a HendrabInbHaj BybEr | Ка Trpy6oФpe3epHoi МAsHHbIu IeNi | сm. pa3aDeI«ПоД罗TOBka Trpy6oФpe3epHoi МAsHHbIu (cM. pinc. A)» Ha ctrp. 198 n pa3aDeI «ЗakpenHne Tpy6oФpe3epHoi МAsHHbIu Ha Tpy6e» Ha ctrp. 198 |
| ОсуТСТВе 3KcSeHrtnuHOCTHn HaprablaIOUsoYoBa | Отreyunpyte ToCHOCb XOda, CM. pa3aDeI «HacTPOKa TOHOCTHn XOda» Ha ctrp. 199 | |
| Затулпся pa6ochii Истчимent 3AmeHite pa6ochii | Истчимent | |
| Косе ип ВerteхкалbHoe paclnoIoJeHne Tpy6bI, HeKpyIIOCTb Tpy6bI | И сponьзчte haprablaIOUee yCtpoIcTBQ, CM. «ЗakpenHne Tpy6oФpe3epHoi МAsHHbIu Ha Tpy6e» Ha ctrp. 198 n pa3aDeI «HaprablaIOUaJ pe3a» Ha ctrp. 200 | |
| Перерузka pa6oUero Истчимenta | Отreyunpyte peAkyKtor n/IIHу mEmhshite rnybHy nOpruykhenia | |
| Слижэннай сип OTCYcTbVUOIIaФунцMonaHbOcTb MaSHInbI | Het habраЖень B cetn Прobevbte ПОДКIOUChENe K | сети И KOMmytaunOHbIe pri6Opbl |
| БыклIOUaTeIb He BkIIOUeH | Прobevbte BbKlIOUaTeIb | |
| ПрocaklbZbIBaHIne MyΦbI | Отreyunpyte peAkyKtor nIIHу otPpABbTe 3NeKTPoMHCTpymertn Ha 3aBoA FEIN dIЯ nactPoRkn MOMeHTa cpa6aTbIBaHIna MyΦbI | |
| Чрзмернай вбраць | Слишkom 6bIcTpa7poia IODAua | Отreyunpyte peAkyKtor |
| Ра6ochii Истчимent onuShen сli6ochom ng6oko | ПоДнIMITE pa6ochii Истчимent | |
| ЗжIMHoH pyuar (11) He 3aTaNUT. | ЗатANITE zazimHoi pyuar | |
| Цebl ocra6JIeHa | Прobevbte nataxJeHueцileц | |
| Затулпся pa6ochii Истчимent 3amehite pa6ochii | Истчимent |
Rapantna.
IapaHTnHa H3dEInHe DeiCTByeT B COOTBeTCTBnC 3aKHOaTebHbIMN ppeINcHnHM, DeiCTByIOUIMM B CTPaHE BBODA K KcPnYaTaUNHO.
Pabouhe HnctpymEnbH npHaJaJIeHHoCTH.
THlbHbIe DHCN

1

2

3
$$ \beta = 8 ^ {\circ} $$
$$ r = 6 m m $$
$$ b = 4 \mathrm {m m} $$
EeIeKTHHITpy6oep3epHI MaunHH (HOcHTpyuia RSG Ex (^**)
Ha npyra y mepexi NobHHI BiAnOBiDaTH daHIM npo Ha npyry, Bka3aHm Ha Tpy6oepeephi MaunHi.
IIaKIOueHH Tpy6oOpe3epHOI MaunHn Heo6xIAHO 3axHCTNtN 3ano6IKHKOM Ha 20 A.
Perynphno nepebipraTe mepekHm shyp 1, 3a noTp6n, nooBxbyau!
IIaKIOHauTe Tpy6oΦpe3epHy MaunHy 6o 6noka KOMyTauiHnx npnnaIb IINue 3 BmKHeHM TOJOBHM BmNkAeym.
OnepaTOp IOBHNHe3zBxAnMaTHoCTyI Do6Ioka KOMyTauiHnX pIniAIB.
3actocybaHHA.
PyKoRTHNaI30nbObaHI NOBepXHi 3aBMnMaHOb6yTH CyXMn, YHCTHMn I He 3aOpYDHeHHM OHBOHO HOCHCCTHEHM MACHNOM. KOB3KI pyKoRTKn Ta I30nbObaHI NOBepXHi Ea30BaIOHb6e3neHoEckPnNyTaBYaHT eNeKTPolHCTpymEt H nepeA6aehnx ChTyaiJx.
Ipn poobotax, KOH pOoOH IHCTpymEn MOHe 3aueNTH 3axOBany eNEKtponpoBOnHy, TPhMaTe eJekTPOIHCTpymEn 3a I0JIbOaHI pyHOATn.
3aueenneHn npoAKN, 0o 3haoDntbce PIA HANpyROHO,MOKe 3apAkyBATN TAKOJ I metaneJI cactHHN eNEKTOIINCTpymEnTA Ta pIn3BOAnTdo ypaKeHHe NENEKTOINHM CTpYMON.
He nepenbaanbanyte Tpyoobpe3epHy MaunHy. BHKOpHCTOByte IaPo60TH BiNobIiHN Po60H INcTpymET. PnHaATn Hpo6OuH INcTpyMeT AO3oBONRe npaocBn KpaTe Ta 6e3neuHIIe.
He BnHOpNCTOByTe Tpyo0pe3epHy MaunHy 3 DeepHTHM BmHHkaayem.
Tp6o6p3epHa MaunHa, 10 He BMnKaetbca a6o He BmNkAeTbc, e He6e3neuHO i notpe6ye 06OB'3KOBOrO pemOHy.
BMMKAAIe MHJIENH,NEHI HIX HAETPOHOBH ENTPOIHCTPMTY a60 3AMHHOBAT pOooHINH ICHPTMYY. L1 nonepaKaBybbl3 axoAn3 TExHIK 6BeNekn nonepaXyIOb BnnaAkoBN 3anyCK Tpy6oepzepHOI MaunHH.
He 03BONHIE KOPNCTyBaTHC Tpy6oep3epHO MAWHHO Oco6am, HJI He 3Haiomi 3 Heo a6o He uTANH UcHtpyKuio. Y pa3i cactocyBaHHa HeoocblAueHMn OOCaAMn Tpy6oep3epH MaWHN e He6e3neHMMn.
Perynpho BmHohyTe TexHicHe 06cnyroBuHaHH TpyoOppe3epHO MaHHN.
IpeBiprrte TpyoOppe3epHy MaHHNy Ha HAHHcHt b NowkOdmHb, a TaOH iuHHx
fAnTopiB, RHI MOHTBy HeTAtHBQ BnHHyTH Ha EKcNpyAaHIO TpyoOppe3epHO
MaHHN. IpeD BHKOPHCTAHNM HecnPpABHa TpyoOppe3epHa MaHHa NobHHa
bTyh BiPeMOnTOBaHa. Barato HeuaChnx BnAikB cnpuHHREbCnoraHMM
DOrrAOM 3a TpyoOppe3epDHmMaHHAMn.
BnHOPcHbOByTe TpyoOphipe3ephi MaunHH, npHaJaDo DO Hx, pOoi IHCTpymEnTH ToIO BIDNObiHO Do BHAstOBK yui IHCTpyuHII 3 EcxnIyatauif 3 YpaxyBaHNM poOCHyMO Ta BnHOHyBaHNPObit. BnKOpNCaHH TpyoOphipe3epHH MaunH ANr PObit, AIN RkNX BOH N He nepeA6aHe, MoKe Ipn3BecTn DO He6e3nePHNX CNTyaui.
PpHHn pOoTH (Hb. Man. A).
Ty6o0fpe3epHa MaunHa 3a DOnomorOIO pIaIbHOro po6OHoro IHCTpyMeHTa BIdApiae Ta Ope3epye OKpEi BIdAeKn Ty6b Ta IpoKnaAei H ty6bnPobOAn.3a DOnomorOIO KpiINbHO pIcIcPOIO MaunHa BCTaHOBIIoTeBcH a 30BnHiH 6iK Ty6u H o6biE rtpSy 33OBIH 3a DOnomorOIO BnAChORo MexAHmIy PO6OHy noaui. Y kAcOti PobOvHX IHCTpyMeHTIB BkOpNcTObYIObC KpyrNi NnIaNB H AnCK HAn MeTaNy Ta IpoPinbl H pEes, PlaIbHa KpOMKa JkNx 3aneKHo BId MaTepiany Tpy6n Moze 6ytb BHKoHaHa 3 BBCOKoJIeroBAHOJ WBNakop3aNbHO CTani a0 3 TbePdo CnayB.
HanaTybaHHn pIN6HHn p13AHn 3AIChHOeBc3a aONOMOHO IHCTpyMeTHaJIbHOI uINHeBHO6a6Kn (16), kA aNapHIPO KpINITbc DO O06XbHNX NNT (3) i pyeryIOBc3a aONOMOHO XoAOBOFO TBHHTa (6).
TpaHcnpnBn BAN (21), kyn 3a OONOMORO TpaHCNOpTHNX KONl CTBOpOE pyx y mejex pa6ooyi noaichi, npbBOADTBcBia iHCTpyMeHTaNBHORO wHINHdieny epe3 2 cytneH neep'HOI nepeaui.
- IOnaHa BMnKaTeBcra Ta BMnKaTeBcra 3a DOIpomoroIO BaxEnrpeMeHHH WbNkOciT NoaHi (28).ΦpkiHa MyΦTa 3axuae peaykTO pOnaHi BiA nepeBaHTaKeHHa.
IhctpymEtAnbHn HnnHaeB o6epTaebc y 0oc6nBO JkOpctKnx nIaunHnKAX. ToIobHN peAkyTOp 3I 3MaUeHHM y MaCTInbHn BaHi Ia npBHeHHN IHcTpymEtAnbHOrO IuHnHaEeKn cKaNaAaEBc3 INaHepaTHoro Ta YeeP'auHoro CTynEHb.
PeykTop po3paXOBaHn TaKIM YHOM, IIO BnIaAkoB raIbMyBaHH naHIOra He npIN3oAInTb NOdo IONkoAKeHeb. YcI BaII IN PeaykTopa o6ePaOTbc y nIaUMHNkAX KOeHH.
Pama Maunn H 3 Ocmn npn3naeHa A nB eednn no Tpy6i 3akpinnnoHoi Ha Tpy6i Tpy6oepepHOaMHN, a TAKOX A npepaI ycnb piaHn Ta noaui.
-Пинacyваньгдо BiIIOBIHOrO iAmETpa Tpy6n BHKOHYEtbcra 3a
ДОпOMorIo NepeHanaTsyBaHHx OdoBOoi cci (10).
JaHIOrIaJ3akpInIeHHcKlaAiaOTbC3 0KpeMIX OHaKaOBHX JaHOK.
Knbkctb notpi6Hnx naohok a6o oOBxHa naHIOra dna 3akpinneHHa 3aneKHTb BiA 30BHIhBo rdoIameTpuy6n.
TpaHcnpTyBaHHa.

He63eNtepaBMyBaHHn iac tpaHcnpTyBaHHn tyo00pe3epHO MaHHn. TpaHCnoptyIte Tpyo00pe3epHy MaHHy nIIue 3a OOnOMOIO AOaAHX NeTb IAnnepeHeehn (34) a60 KaHaMeHHu YtpBox.
Peped noathaom po60TH.
Hebe3neKa TpaBMyBaHHaYepe3 HecNoiBai pyxN 3arotOBH.ΦicCyHTe 3arotOBHy nepeo6koIOIy3anObirAHn HeocnoiBaHOMy nepecyBaHHIO.
PiA vac 6p06Kn 3arotOBKn icHy eHe6e3neKa HeCnOaIBaHOro BiKooyBaHH, NaIHnA abo 3cYBaHHa 3arotOBKn.
EcknyatybaTH MaHHy Do3BOnHCTbCn HmYe y TexNHiO 6e3DorAHOMy cTahi. PepeKoXHM YbIMKHeHNM IpeEBipraTe HaABHcTb 3HOweHx a60 NooKOaKeHHx Po6OHX IHCTpymEtTb Ta KOMNoHEHTB. 3HOweHl a60 NooKOaKeHt iPo6Oi IHCTpymEtTu KOMNoHEHTN NoTpiIbHo HeaHOb 3AmHOBaTH Ha HOi.
Pi#roTOBui pOoTH Ha o6pOuHOBAHIN Tpyi.
Tpy6n,pi3aHHraKHX Bi6yBaETbca Ha CkNaAcbKomMy MaDaHnyK,notpi6HO niApertn TaK,io6 NopeaHTu 3aTHcEHnpo6oHOrIO hCTpyMeHa.
Vpa3i yknaeHnXtpy6HaIinHuiOOBxHIOHO1MnoBCbOMy3OBHIbOMy KOYtpy6nBiCTaHbdoCTIHKN KaHABN NOBHHoCKnaaATn He MeHwe 50 cm.
-06po6nIObHa NOBepxHr NOBHHa 6yTn BInbHa BiA 6py Ay Ta rpyHTy. 3a3aneriAb np6epiB 3 o6po6nIObAOHOI NOBEPXHi M'kI 3axNCHIOKpTTT.
PiaaBnPi o60uH hCTpyMeH NOBHeH Bn6MaTnc HbAIOI AHO MaTeplAn Typ6,Notp6HoOfOpMn 6oPo6Kn Ta OxOnOxByaBbHO3MaUyBaNBO HorO 3ac6y.
- Pn6epitb 3BapHi wBn npuy i3 KOncam Ta naHcIorAm.
3a OKaIaNHIUO IHΦOPMaJIeIO 3BεTαTEcA IOCTaHbNHaKIA oxONoXyBaBHO-3MaUyBaBHNx 3ac06iB. (Anb.TAKo TnHEBMATuHnO oxONoXyBaBHO-3MaUyBaBHNpnpctri91201002004)
MactunbHn 3ac6 npn 0^
-MactnIbHn3aci6BIOCUT1-32132039000
-MactnIbHn 3acI6 BIOCUT 5 n-32132040000
Mactnblnhn 3aci6do 25^
-MactnIbHnn 3ac61 n-32132042000
-MactnIbHn3ac65n-32132043000
PiIroTobKa TpyoΦpe3epHoMaunHH (Hb.MaJ.A).
-BiAnyctItb 3aTnckHn BaxKinb (11).
P1HIMtIb IHCTpyMeHTaBHy IINHAnbHy G6Ky (18) 3a DOIOMOrIOKPNBOWmHOIpyKOATKN (y yTnIpi 3 IHCTpyMeHTAmn) Ha mExAHi3Mi NDoaHi bpl3yBaHHA (7).
Buaanitbpn30HNI nporohu9 (9) i nepeCTaTe xOABoy Bicb (10) 3riAHO 3 AaHMMy Ta6NHI (4) BIaNOBIAHO DO HAeBHORO 3OBHIbHoro AIaMeTp aTy6i.
3HOByMiUHO 3aTgHiB npn3OHHI nporoHnH (9).
RSG Ex 1500 A/B (^**)
| P | D [MM] [Аюймов] | |
| I 250 - 400 9,8 | - 15,7 | |
| II 400 - 600 15,7 | - 23,6 | |
| III 600 - 900 23 | 6 - 35,3 | |
| IV 900 - 1500 35 | 5,3 - 58,9 |
RSG Ex 18 A/B (^**)
| P | D [MM] [АюймIB] | |
| I 250 - 400 9,6 | 15,7 | |
| II 400 - 600 15,7 | - 23,6 | |
| III 600 - 800 23 | 6 - 31,5 | |
| IV 800 - 1000 31 | 1,5 - 39,4 | |
| V 1000 - 1300 39 | 4 - 51,2 | |
| VI | 1300 - 3000 | 51,2 - 118,1 |
P:ПОJOXKeHHxOaOBoi Oci
D:ДiameTppy6n
BucHybTe 3aTnckHi npctpo1 (1) nlaHauorib nla 3akpinneHH hnnxom 06epTaHH npyXHHORo cKaHa, o6nicra BCTaHOBBNEHH Tpy6oΦpeHoi MaHH 6yIO DOCTaTHbO MICuA I3aTnCHHeHH.
CknaIb naHIOr aIra 3akpinieHHy y BiAnOBiHOcTI AO 3OBHIHbOrO iAmetpa Tpy6n.
Po3auyTe Tpy6oΦpeepHy MaunHy Ha Tpy6i 3aΦikCyuTe II niAioHMnM npHcTpoE M,06 MaunHa He 3MiCTnIacb.
CknaTb BeAynn NaHIOr Ta npncptri HaarHeHHaNaHOra y BiNOBiHOCTI DO 30BmIHbO rIoAmeTp aTy6n.
3akpiniTb BeaynnaHIOHa BiAcTaHI 10 MM npuy i3 naHIOROM aIaKpInneHHN HABNPOTn PpeepyBaHBOHO IHCTpyMeHTa. BiAcTaHb BIA nporoHnHa Beayoro NaHIOra DO nporoHnHa NaHIOra AII 3akpInneHHcknadae 10 MM.
- Nepebipte BiCTaHb NO BCbOMy NepmEtpy He MeHwE Tpbox pa3iB.
3aKnipIneHH Tpyo0Φpe3epHoMaHNNHaTpy6i.
HaKaNaDaHHaHKnOBHX NaHcHOrIb.
- PpoknaIb tse BiAkpnti naHKoBI naHIOrN 3 06ox 6oKIB Tpy6oΦpe3epHOI MaunHH no Tpy6i.
- PnHnIHmIty Tpy6ope3epHy MaunHy i npoeiBt IaHkoBI aHaIcHRI niA 3ipOchAMn (20),IO6 nCnIprKnAeHEnr Tpy6ope3epHOI MaunHH NaHKOBI naHcHOrn YbIuNn y 3ayenHeHn Is 3y6aMn.
IpoBeaItbBnBHI KINUJI NaHKOBNX NaHIOIRIB HA3 3ipoQkAMN OCI HATRHeHHA (14) iHaKnlaKoHO (19).
3aMKHtB 06nBa KIHJI NaHKOBOro NaHcIora nporohyem (30217216004) i 3akpinitb ABOMA cTOnOpHNMI KINbUAMN (42634020005).
HaTHryBaHHaNHOKBHX NaHcHOrIB (nB.MaI.A).
Cnoataky 3nerka npknai t b naHKOJI naHIOI AO Tpy6u IINXOM o6eptanHHOx npyKHHHX CTakAHIB (1).AraTOUHIWO BnPIBHOBAHH Tpy6ofoep3epHOI MaHHN HekinbKa pa3iB nocyHbTe II ekinbKa pa3iB y O60x HapmaKax.
- WnIXOM NOBepTahH NpyKHHN X CTAKAHIB HATARHITb NaHKOBI NaHUCORI TAK, Oo6 wTHOT (23, Man. A) N0TpanINB y No3OobXHI OTBIP npyKHHORO cTaKaHa y MEkXa NsA no KONY TPy6N.
-ⅡA qac npocey piaaHHN cniKyte a nonoKeHnMaHTnФa. JaKIO Tpy6a He Kpyrno, NaHcior notpIbHO nIaTyrBaTHn ABO nocNa6nOBaTHn. Pepea npoeaDpoio piaaHHN 3HimIty bc 4 pykOtKn.
He6e3neKa Heuaachoro BnnaHy!
He 3aTayyTe npyKHHH CTaKaH 3a Meki ue TOckn!

MohtakpobooHx hctpymehtib.
He6e3neKa TpaBMH
IChye He6e3neKa TpaBMyBaHHa Yepe3 HeHaBMnCHe YbIMKHeHHa. Pepea MoHTaxkem po6oOOro IHCTpyMeHTa BITrHtHiB tWTeNCb 3 pOeTkn.
He6e3neKa TpaBMH
IChy He6e3aek npiaiyee3 roctpi pianbhi kpoomn po6o0rO IHCTpymHa. PIA lac MOHTaKy Ta dEmoHTaKy po6oHOrIO IHCTpymTa HOITb 3axChi pykABKNK.
He6e3neKa TpaBMN
He6e3nKa onlky chepe rapuyn po6oyn IHcTpymENT. Pia cac dmoHTaKy po6oyoro inctpymenta Hocit baxnchi pykabuyn. Baraatte 3axnchi pykabuui.
BdraTe 3axnchi pykabni.
BnKOpNCTOByTe Nnue po6oqi iHcTpymEnTn 3 6e3aOraHHo piaaIbHOIO KpOMKOIO.
-PepeMOHTaKEM NOTpi6HO OuHCTnN pRirHHI Ta NOcaKOBi NOBepxHi HcTpyMeHTaJIbHorO WINHAdEJa.
-MoHTyTe po6OuH IHCTpyMeHT 3 pO3nIPHHMn WaI6aMn.
MiUHO 3aTARHITb 3aTHCKHy rauKy IHCTpyMeHTa.
Noatok po6oth.
Tpyo0dpe3ephaMaunHa:

IIaKIOaTe Tpy6ofope3epH Maunn H 3 eJeKtponpHbOAM CnoTuATy Do 6Joka KOMyTauiHHx PnHnaIb, JKN CKNaAaEtc3 HactynHIX KCMNOHeHTB:
-10BHN BIMNka/peBepcnBHN BIMNka,3axnHBNBMNkay eektpoDbnyHa
-po3'EnhyaMHIMInbHoi Hanpyu, -WTeNcBnHi po3'MH.
TOnOBHHBMHKaBHKOPHCTOBytcbA
YBMKHeHHI AINpeBepCyBaHHN HApPMAKy
06eTpAH.3axCHNH BMHKaABnHyHa I
pO3'EdhyBaMihImaHbHOHappyr YTBOpOHTb
EHNH ByoJ. Y pasi nepeBaHTaKeHH
CnpaBcOByc 3axNCHI BMHKaA BnHyHa, y pazi
BMKHeHHH HApPyr y MepeXi po3'EdhyBauch
MIHimaBHOHappyr BiKnOaee TpyoOphi3epHy
MaMHNY BiMepeXi DAn3oBiirAH
HEHaBMnCHOM NOBTOPHOM 3anyCKy.
AIOBTOPHOYBMKHeHHrTy6oep3epHOI MaunHnNotpiio 3aiaTn 3XNCHI BIMNKa4 ABNryHa.
BLOK KOMyTauiHnX npnaIIB NOBHeH 6yTH PO3aObaHn TAK,IO6 onepaTOp 3ABKAN MAB DO HbOro AOCTYII.
Tpyo0oep3ephaMaunHa yactKOBo BHOyXo6e3neuH KOHcTpyu:

Ipea6NOKOMKOMytauiHnX npuiaIBNtpi6HO BCTAHOBHTNI KOMytauiHny Kopo6Ky 3AoATKOBM BMNKaem AJnYBIMKHeHHr Tpy6oep3epHOI MAHN H y BN6xOHe63neuHnx AdNbHux 3OHn 2.
KOMytauiHa Kopo6ka NOBHHa 6yTH
po3aWOBaHa TAK, Uo6 OpeaTOP 3ABXAN MAB AO Hei DOCTyn.
He6e3neka Bn6yxy
Po3aOByTe 6nok KOMyTauiHnx npnnaIb 3a mExAMn 30n2.
Ecnnyatauia.
He6e3neHa TpaBMH
PiA cac pO60Tu 3axuCHn KOxuy NOBHeH 6yTu NoCTiHo 3aKpHTn i 3a6NOKOBAHn!
Hebe3neKa TpaBMn Upe3 ctpyKky, 10 po3niTaTbcB
CTpykKa MoKe CnpuHHHT TpaBMn. CnIaKyTe 3a Tm, uo6 y He6e3neHHi 30HI He 3HaXoAnNnCra IIOuN.
He6e3neka nomemi uepe3 ctpyky, 0o po3niTaebcra
CniAkyTe 3a Tm, uO6 y He6e3neHi 3oHI He 3HaxOAnnncnnerko3aMnCTi Matepiu.
He6e3neKa TpaBMN
PiA yac yBIMKHeHH Tpy6oOpe3epHOI MaunHn icHyE He6e3neKa TpaBMyaHHa Ype3 YacTHHH, IIO pO3NIaHTbC. IpeA KoXHHM BHKOpHCTaHHMaY6oOpe3epHOI MaunHH npi6npaTe KpNBOuHHny PYKoRTKY.
IpoeUpa 3anycny
Y pasi Tpy6oΦpe3epHmX Maunn 3 eNeKtponpNBOom Heo6XiHO nepekoHaTmca Y TOMy, uO HaprMOK o6eptAHn po6oYOro IHCTpyMeHTa E npABINbHM.
HaHpAMOK 6epeTahnpepeMnKaetbcepeBepCBHm BHMnKaem Ha KOMyTAUHOMY 6noi.
He6e3neHa TpaBMH
PiA qac po6oTH MaHINH icHyE He63neKa TpaBMyBaHHa Ype3 aCtHN, oO o6eptAObTc. AIO He63neuHOI 30HN MaHINH DO3BOJrEtBCr BXoANTn IINe AINp o6iT 3 HanaHTyBaHHa 3 AOtpMaHHa 3axoAB 3TexHIK 6e3neKn.
-BmKHiB npNbiA 3a OOnOMoIO BaXeJI NapeMnKaHHaBnAkoCTi noDaYi (28).
- YbimKHiTb Tpy6oΦpe3epHy MaunHy.
Bianycttb 3aTcknn Baxilb (11) i 3a Donomoroo KpbooHnHO pykoAynocytb nIIaIbHH dNCK, kHK o6eptBaCBA, kOMORA rI6we y Tpy6y. IIN6OKO 3aHyyENI INIaIbHH dNCK cta6iInye pioec pia3HH.
PiA vac fpeepeyBaHHBn6paTte 0HaaMeHHe 3aehennHInCTpyMeHTA. O6'EM HAp13aHH CTpyKKn 3pOcTae 3I 3bIbWeHHM rIN6HN p3AHN.
3aHypTe p6oOuH INCTpyMENT pnp6n. Ha 3 MM rnn6we, HIX Ntpi6HO, a nOTIM NOBepHb IHO rno HnTpi6Hy rnn6HNy. PpN cboMy po6oOH INCTpyMENT BHXoAMTh Ib 3aueenneHH.
- y pa3i BnKOpHCTaHHI kKaII IIN6MH H aIte Po6OOMy IHcTpymeHTy DToOPKHYTHcAo NOBepxHI TPy6i. BiNcyTtB rAky 3 HaKATKOIO (27) I BCTAHOBITb Bk3IIBHnK (28) Ha 0.3HOby 3aTrHITb RaKy 3 HaKaTkoIO (27). BiDperYbBOABHy IIN6MHy BP13AHy MOHXa npOuNTa H aKni.
-BmKHiTb Tpy6oOpe3epHy MaunHy.
-Notim 3aikcyte HanaitybaHHaJXOM 3aTAYBaHHa 3aTHCKHOrO BAXeJIa (11).
-3HOBy yBIMKHiTb Tpy6oΦpe3epHy MaunHy.
-ByBMKHTB npNBIA 3a OIOIMOROIO BaxKeIe IepemHKHaHb WbNkOcTl NoaHi (28). - RaKuo Oo3BOJRAE NOrYxHlCTb ABnryHa, PO3pIXTe CTInKy Tpy6n 3a OAnH pa3.
I PpoknaeHI Tpy6m MoKyTB nIac pi3aHn 3MHHTn CBOE NOHOHH I 3aTHCHyTN PO6OHN HCTPymENT y po3piI. Ype3 ue Heo6x1dHO 3a PIaJIbHM IHCTpyMeHToM Ha perynapHNI BldctAHBI6NBATN y po3Pi DAaHI KINHH. Y Bn6yXoHe63neuHX 3OHAX BNKOpNCOTByTe KINHH (6 33 05 013 00 2) (OaAaHe npnaaR RSG Ex 1500 A/B ( ) ) i MONOTOK 6e3ickpoBOro MaTeplany.
-3an06iraTe nepeBaHTaKeHHIO Tpy6ofope3epHOI MaunHn.
-HepeBaHTaKeHHn E HaBnM, kIIO nIa cA bIpyBaHHn po6oYOr IHCTpyMeHTa, 0o o6ePaTeBcR, KInbKlcTb o6eptIB ABrHyNa NOMTHO Naae.
-Yepe3 ue OAnHouaCHO NaAaB BInpo6HiCTb p3aHH.
3aikcyte 3arotobky (biap3ok ty6n) i nonepeAbte ii naIHna.
y pasi Tpy6 3 TOBCTMNI CTIHKMn (s > 10 MM) kpaI AII 3BaPBOAHH NOTpi6HO 6oPo6IaTIa 3a EeKInbKa IPOXoAIB.
OHaKOBaΦopMa po3piy 3aJIeXHTb BiA HAcTyNHx ΦaKTOpIb:
BnpiBHBIObAHN Tpy6ofope3epHOI MaunHn nepeaTkoM,
-BiAXHHeHHReOMeTpHuOΦOpMN Tpy6n BiAΦOpMN Kona a6o uNiHaPa,
-rocptpo hpooyor IHcTpyMeHTa,
-TBepocT MaTeplany Tpy6n.
Tp6o6pe3epHa MaunHa BlperyIbObaHa TAK, 00 y pasi IaMeTpa Tpy6n 300 MM i 600 MM NoaToK i KHeu b NiiH piaHH npakTuHHO 36iraotcbra.
Yepe3 ekcIeHTpHHiCt b HAnpAMHO B aN a MiTka HaNaWtYBaHHa (24, MAn. E)
e iinchoo nHne AINx DBOX AImetpiB. y pa3i GInbUnx AImetpiB Tpy6n MoKe 6yTH NoTpI6He OaATKOBe peryIOBaHH.
3aDhi xi tyfooeppeepnMaunn (RSG Ex (^**)
ToHNOHeHHMaTepiJIbHNxCINHOCTeI!
Ppea NOATKOM 3aHbOro XoAry Tpy6ofopeepHOI MaunHH Heo6xIAHO BIVECTn POBOHIN HCTpyMeHT 3 Tpy6n A'JRA3ano0iHaHH NooKOAnKeHHIO poGOHOrO IHCTpyMeHT I peykTopa.
-BmmKhtb npnBla 3a OONOMOIO BAKeJIe IepemNKAHII WbNkOCTI NOaHi (28).
BiAnyctiB 3aTnckHn BaxKinb (11).
-BnBeAdtbp6oouinHCTpymEn3 Tpy6n.
YctaHOBITb rOIOBHn BmMnKaaypeBepCnBn BmMnKauy noIOKeHHA 0 (BMK.).
-NepeMknHtPBepCBHNBIMKay y NOJNOKeHHa3aHbOro xOaY.
MiH0 3aTnCHiB 3aTnCKHn BaxKnb (11).
- YbIMKHiTb IIa 3a OIOOMOIO BaKeIa nepeMnKaHHaBnAkoCTi IooaHi (28).
Tpy60fpe3epHa MaunHHe ne pnh3haeHa dnn pi3aHH niaac 3aHbTo xOxy! Bka3iBKn 1o0 oxoJdKeHH i 3MaueHH.
ToHokHeHHMaTePiaIbHNx ciHocTei!
PoOvHn IHCTpymEt N1aC aac fpe3epyBaHHN nOTpiH6 OXoIooJxByaTH i 3MaUyBaTH. Y pasi HeoCTaHTbHO rOIOJxKeHHr I 3MaueHHr CTPyKk MoKe 3akHNHTncB. Lc MoKe np3BeCTn DO nnONmKn PoObOOr IHCTpyMHTa.
Iotpmytech inopmaui/Bka3ibOK Bhp06HHKa OxIoNDHyBaNbHoro 3acOby, 00 3actocobyctcb
YabyHHI ty6n 3aBkAn Notpi6H0Pi3Tu y cyxomy cTahi 6e3 aactocybaHHO xONoAxyBaHbHO-3MaUyBaHbHoro 3aco6y.
-ΠπηλβHπ ΣκC a60 φpe3y Σλη pI3aHn HεneroBaHnx cTαneBnx Tpy6 nOtpiδHo 3MaúγBaTH MmNbHOIO BOAOIO.
HaiaatbyaHHnTouHocTi xOy.

BiNyctiTBraKy(15,AB.MaJ.A)KIIHOyem3po3Mipom46.
IpOKpyyTeBcB(10)BiADHOCHOHaknaKn(19).
-3akpyTITbraiky (15).
y pasi nobeptaanx odooio ci (10) 3a cpiinko roaHHnka (y hapanpkmy
oeptanna po6oory IHcptrmHa) po6ouh IHcptrmHT 3MIuYbCpaBOpuy
(hapanpmoK ORIy y HapnPKy pyxTy pr6oepe3epHO MaunH).
y pasi nobeptaanx xo0oio oci npTo n cpiKNr OaHHnka po6ouh IHcptrmHT 3MIuYbCpaBOpuy.
MOHTAHI DOATKOBHX JAAHOK JAAHCORA.

OdaTkoBI naKNH Oo3BOJraTbCMAOTyBaTH Nnue y nepe6aueHX dna 1b0rMoCax.
3Himitb cTOnOpHe KInbue (32).
-3HIMITb IPOTOHOHm (33).
-YcTpOMiTb NOTpi6Hy KINbKicTb NaHOK NaHICrora.
JaHKn NaHIOra pi3Hnx po3MpiB MICTaTbCRA y KOMnneKTI npnaAra OMaunHH.
-yctpomitb nporohny (33).
MoHTyIe HOBe cTOnOpHe KInbue (32).
3aKnipJIeHHa TpyoΦpe3epHoMaunnn.

«A»notpi6hni po6oyn npocipt 3a Hai6iIbwoI rIn6HnHPi3aHH.
TapaTHia Ha Bpi6 Haaetbca BlIOBIAHO 0a3aHOaBvH npabn KpaHH 36yTu.
Po6oqi hCtpyMeHTH i npnaAa.
IIHJIaIbHI dHcHN

1

2

3
ΦopMa 1, BnCOKonerOBaHa WbHApOi3aNbHa CtA, AInr TnIy peAdkTopa:
| A, B - Д借贷收支凭证 | |||||
| Ø | ШирINA | Maca | КльбICTь Звцib | Мakc. Глибиha piizhanя | Homep Д借贷 Замobлени |
| (MM) | (MM) | (Kr) | (MM) | ||
| 160 | 4 | 0,5 | 50 | 25 | 6 35 02 022 00 6 |
| 180 | 4 | 0,7 | 60 | 35 | 6 35 02 037 00 8 |
| 200 | 4 | 0,9 | 64 | 45 | 6 35 02 053 00 7 |
| 220 | 4 | 1,3 | 70 | 55 | 6 35 02 041 00 1 |
ΦopMa 2, BnCOKonerOBAHa WnAkopi3aIbHa CTaJIb, AIN TnIy peAkyToppa:
$$ \beta = 8 ^ {\circ} $$
$$ r = 6 m m $$
$$ b = 4 \mathrm {m m} $$
TexhiHa DOkymeHTaJia: C. & E. Fein GmbH,
D-73529 Schwabisch Gmund
3axnCT HABKONHbOro cepedOBuA, yTnlaiai.
Ynakobky, Bi npaibobaoH eNktpoiHcTpmeHT Ta npnaAAnoTpi6Ho ytni3ybaTN ekOJIOHNo YCTUM cnoCoBOM.
IpeoHaOpHHaHnata HnctpyKm3a eHcNnoaTaun.
H3non3BaHH cHMBoJH,cbKpaueHH H TePMHH.
HOMHaHa MoHocT (P) 1500 W 1500 W
AbnKHa Ha 3axpaHbuaaKa6e (c uencen)
-
RSG Ex 1500 (**) 2 × 20 ~m 2 × 20 ~m
-
RSG Ex 18 A/B (**) 2 × 20 ~m 2 × 20 ~m
KlaHa 3aunTa /I
Klaac Ha 3aunTa IP X4
*EneKtpoADBnraTeH nCnOmaraTeHnpeBKnIOuBaTaBn B EekcnIO3NBHO 6e3OnaCHO HnBHeHn (cBoTBeTCTBaHo Ha AnPeKTHBaT ATEX)
| Из专卖店 RSG Ex 1500 A (**) | RSG Ex 18 A (**) | |
| RSG Ex 1500 B (**) | RSG Ex 18 B (**) | |
| Размени: | ||
| - Маса (m) | 80 kg | 80 kg |
| - Маск. Даматер Ha | 220 mm | 220 mm |
| Инструment | ||
| - Lmax. | 974 mm | 1088 mm |
| - Hmax. | 334 mm | 334 mm |
| - Bmax. | 450 mm | 431 mm |
| - B1 | 371 mm | 371 mm |
| - B2 | 201 mm | 201 mm |
| - B3 | 791 mm | 991 mm |
IpeHa3HaeHHe Ha MaunHHe 3a Fpe3ObaHe Ha Tpb6n.
MaHnHaTa 3a ppe3oBaHe Ha Tp6n e npHa3HaueHa 3a p3aHe n ppe3oBaHe Ha CBO6OAno CT0AaTb6BnOpBOAoN OT CTOMHa Nn YyHy, KAKTO n 3a
n3pa6oTbHa He aackn Ha kpaniHa Ha Tp6n npe4n 3abapBaHe Ha pa6oTHaT
nloAka, B xaneta Hn OTKPnto. MaHnHaTa 3a ppe3oBaHe Ha Tp6n e
npHa3HaueHa 3a cneuJinmHpaHHn pmpn n 3a o6cIyJbBeO nKBAInnpuHn
CneuJnInCTn 3a kpatkOBpeMeHHn EeKdEHN noepauHn
LJnata MaunHa 3a fpe3oBaHe Ha Tp6n HmA OOnyck 3a pa6ota B cpea C NOBnHeHa OnaCHOCT OT EKcIIO3n.
MaHHaTa 3a 0pe3ObaHe Ha Tpb6H He e npEHa3HaueHa 3a:
pa60TaB3OHa C NOBnWeHa ONaCHOCT OT EKcNNo3Hn.
- paBoTa npH cnHeN AbXa N paBoTa nOa BOa.
- pa6oTa n3BbH TeMnepaTyphnA dHaNa3OH oT -20°C do 40°C.
- p3aHe Ha B3pNBOONacn MaTePnAn.
- p3aHe Ha NecHo3aNaIIMMaTePnaI.
Директва на 94/9EC ATEX (Atmospheres Explosibles)
M3PnH0 NOCOyBaMe,Ye MaunHHTe 3a fpe3oBaHe Ha Tpb6n Ha FeIn OT MoEena RSG Ex (^**) HMAT ONYCK 3a pa6Ota B3OnC nOBuWeHa OnaCHOCT OEKINIOHN I npaAM ToBa 3a TeH MaUNHtBe 3a fpe3oBaHe Ha Tpb6n HrMa CepTHNkATn 3a H3NITBAHe cBrrAHO dIneKTHBaTAt Ha 94/9EC.
(πρι MaùnHàta 3a Φe3oBaHa Ha Tp6bN RSG Ex (**) ca n3ποI3BaHn CaMo ABA MoOyna, KOHTc BcθTetCTBa HT N3κCKBaHnTaATEX - eNEKtpoAIBrAteN I OAnbHnTeHnHa WAnTep.)
AnpeKTHBATAATEXBaXnCaMo3aEC.
06u n3rne.
1 MoAyn 3a 3axBaunae
2 BnHT 3a cTpaHnUHaTa nNoya
3 CtpaHnHa nOua
4Yka3aTeHa Ta6eHa
5UHTNΦT
B Ban C pe36a
7 MoAyn 3a perynipane
8 BuHT c uHnHApuHa rnaBa 3a MoDyNa 3a perynpaHe
9LHeHTpOBAuBnHT
10 3aA BnXkBaUa oc
11Noct3a3actonopbahe
12 1eCTOcTeHeBnHT
13 Koneno
14 O6Tgara oc
15 RaKa
16 NaTpoHHNK
17 Tpb6Ha raKa
18 BnHT 3a 3axBaAe Ha eNeKToD BrIaTeTn
19 Kanak
20BepnKHO KOneNo
21 TpaHcnOpTeB Ban
22OcnrypntenH npbcTeH (3erep-ua6a)
23UH
24 BnHT 3a 3aTbApHe Ha NaTpOHHNka
25PbkoxBaTka 3a npHeacHn (HONpaHn NOBbpxHOCTn)
26 Abn6OuHHa cKaHa
27HaKaTeHa rAaKa
28 NocT 3a BKNIOUBAHe Ha NOAbaHeTo
29 1eCToctHeH oTeaHa BepnraTa
30 Koneno Ha o6teraa Ha Bepra
31 OcnypntenHn BnHTOBe Ha o6Teraya Ha BepnraTa
32 3eep-ua6a 3a BepnKHO 3BeHo
33 1uΦT 3a BepnKHO 3BeHo
34 Konan 3a npehacnHe
3a Bawaata chryphoct.
06uynka3aHH3a 6e3onacHOCT.
BHHMAHNE IpOoTeTe BCnHn yKa3aHn 3a 6e3oNaChoct, 3a paOTo C MaunHata, 3aNo3HaTc ce c H306paHeHnTa H texHnueChnte
DAHHN, KOHIO HDABAT C TO3H ENEHTPOHNCTPYMENT. Iponyckn npn cna3BaHeto Ha yka3aHaHra 3a 6eOanHOCTn 3a paOto c MaunHaTa MOrat aa PneAn3BkAt TOKOB YApD, NOKAP n/HIN TeKKn TpABMn.
CbxpaaHbAte BCnH yHa3aHH 3a 6e3onachOCT H 3a paOta C MaunHata 3a non3BaHe B bDeue.
N3non3bAHnR yka3aHnra 3a 6e0nacpa6oTa TepMH
eneKtpOHCTpyMeHTu cbc 3axpaHaBau Ka6en) n AO akyMnyatopHN
eneKtpOHCTpyMeHTu (6ez 3axpaHaBau Ka6en).
1) Be3onachocHT ha pa60THOTo MACTO
a) ⅡДэлбгимачБOTHTO ChM RAHCTO H DOpE OCBETHO. Be3nOPaBbKt H HeOCTaYHOTo OCBetJIHHe MOrT A cNOMORHaT 3a Bb3HNKBAHETO H TpyO8A 3IIONOlyKa.
b) He pa6oTe c eneKToHHCTpymenta B cpea C nobHwena OnaCHOCT OT Bb3HHBaHe Ha ECHN03nB, B 0HN3OCT DO NecHO3nAINM TEHQCTN, Ra3OBe Hn npaxoo6pa3n MaTePhaHn. IIO BpeMe Ha pa6oTa B eEnekTPOHHCTpymentHeTte Ce OTeJnckPn, KOITo MOrat Da Bb3PiAmEHr T npaxoo6pa3n MaTePhaHn nn napn.
c]dpbHTe deu H cTpaHNHn Hna Ha 6e3oNa hO p3cToHHe,doKato paOHTe c eENTpONHCTpyMeHTA.AKO BHMaHNeTo Bu GbDe OTKnHO, MoXe Da 3ary6Ite KOHTPOna HAd eEnKTPOHNCTpyMeHTA.
2]Be3oNaChOCT npn pa60a C eIeHTpHueChn ToK
a) UenceIbT Ha eneHTponHcTpymEnTa TpO6Ba Da e nOxOAnu 3a noN3BaHHHOHTAK. B HnKabS CnyHae Ce DoOnyCa N3MeHNHe HA KOHTpyuHNTa HaUeCenA. Horato paOtoHE cBc 3aHyENe ENeHTPOyePdH, He N3noN3BaHTe AADanTeR 3a UeNCena, POn3BaHTo HApOrnHAnHn UeCenH INoKTANHAMJIraBa PnCKa OT Bb3HnKBaHe Ha TOKOB YAp.
b) 36BraaTe DonnHa Na TnToTo Bn Do 3a3eMeHn TeNa, HnP. Tp6h, OTOnnHTenHn YpeNn NTHaNnHHNnK. Korato TnToTo Bn e 3a3eMeHO, PNCkT OT B3HNKaHE Na TKoB YAap e NO-FOIaM.
c) Ipepa3bae eEeKTPoHHCTpymeHTa CH OT bHd H BNara. IpoHNKBaHTo Ha BOa B EeKTPoHHCTpymeHTa NOBnBa BA ONaCHOCTTA OT TOKOB yAp.
d) He 3nnon3BaIte 3axpaHbauN HAcEe 3a cEn, 3a KOnTo ToH e npedBHeH, HAp. 3a Da HOcHTe ENEHTPOHNCTPymEtA 3a Ka6ena HnHa 3BaHNTe 6ncenota OHTKAnTA. PpeNa3BaHTe Ka6ena OT HarpBaHe, OMACnBaHe, DOnHP Do OCTPH p6OBe HN Do NOpBNHH 3Bena HA Maunnn. TOpBeEHn Nn YcyKaHn Ka6eni YbeInuBaT pNCKa OT Bb3HNkBaHe Ha TOKOB yAp.
e) Horato pa6oHTte C eIeHTPOHnCTpyMeHT HABbH, H3non3BaTe cMo yBbHNHTENH Ka6En, NOxOaHs 3a pa6oTa Ha OTHpTO. H3non3BaHeTo HA YbNkTei, PpeHa3HaueH 3a pa6oTa Ha OTKpuTo, HamaJIbaPnKa oT Bb3HKnBAe Ha TKOB YApD.
f) Ano ce Hanara N3non3BaHTo Ha cEnentpOHnCTpyMeHa BbB bAnHa CpeHa, N3non3BaTe npedn3aH npEkbCba 3a YeTuHn TOkoe. N3non3BaHe To Ha npEda3e npEkbCba 3a YeTuHn TOkoe HaMaJraBa ONaCHOCTTa OT Bb3HNKBAHe Ha TOKOB yAp.
3)Be3onaceHnHaHHHa pa6ota
a) bdefe KOHcTPhpHH, cIeTe BHNMaTEH NO DeCTBHATA CH NocTBNaHTe npdN3JIbHO pAsymHO. He K3nO3BaHTe eEKeTPoHnCtPymEtA, KOrato Cte YmOpEH HIN NOB BnHHeHTo Ha HApOTHnHBeueCTBa, AKnKoxON HIN yOnBaUHn IekapCTBa. EAnH MInP a3ceHOT npaBoTa cEKeTPoHnCtPymEt MOke Da HMa 3a IocNeACTBHe N3KNIOHTENHO TeKKn HapaHBAHH.
b) Paobetecnpa3BaWpaoBHO6nHNO BHHarh C npdeNa3H0UHa. HocheTo Ha NOxO4Aun 3a Np3BAAHNEKTPoHCTpyMeHT IN N3BpWBaHaTaeHcOT NnHIN PpeAa3HN CpeACTBa, KaTO AnXaTeHa Macka,3ApABN NtBTHaTOBepHN O6yBKN Cbc CTaNHe TpaHep,3aUnTHa Kaka NNIM YMWMo3ArWNTeHN (AHTNoOH), HamaJIraBa pCKa OT Bb3NHkBAHe Ha TpyOda 3nONyka.
c) H368RaBte onaHocCTTa OT BkHIOUbaHe Ha eNekTPoHHCTPymeHTa no HeBHMnAHne. IpEHN Da BkHIOuHTe ounCeLa B KONTAKTA NIN Da NOCTABNTe BATEPHrA, HANTO N pnp npehacHe Ha eNekTPoHHCTPymeHTa, Ce YEKnOBHt PpeKbCBAe e No3Hnue "H3KnOyeho". HocHeTo HA eNekTPoHHCTPymeHTc C npbct Bbpx yNcKOBHn PpeKbCBAu NIN NO4abaHE To HA 3axpHaBauo HanpeKeHHe, OOKATO NcKOBHt PpeKbCBAu E BkHIOueH, YBEInuBa aOnaHOCTT Ta OT TpyoBD 3IOnOnyKn.
d]Pepn Da BkHouHTe eEnhtpOHcHcTpyMeHTa,ce yBepBaIte,ce CTeOTcTpaHHN OT HEtO BCHuHN NOMoUHN HcHcTpYMeHTu RaeeHH KInOObE. NOMoUeHN HcTpymET,3a6paBeH Ha BbPtTuO ce 3BeHO,MOKe da npMHn TpaBMn.
e) H36RbAte HeecctBeHNHe NoIohHnHa TaIto. PaOteTe B CTaBnHO NoIOHHe Ha TAno To BB BcEHN MoMeHT NODpaHnAte PABNOBcHe. TaKtue MoKeTe Da KOHTponPiPate eNkToPNHCTpyMeHt Na-OaOpE nNo-6eONaCHO, Ako BB3HNKe HeoVakBaHa CHTyaUN.
f) Paobotete c noxdoHIO 06neHNO. He paobotete c shpOHH dpExn Hnn ykpaawehn. Dpbjhtke hocata n dpxpeNTe Ch na bEsonacHO pAsctOHHe OT ABHNouCN Ce 38BHa. WnpokTe Apxen, ykpaawehnra, AbJrnte KcO mORat Da 6bDat 3axBaHaNu YBvNeeuON OT BbptraUNCe 38BcA.
g]Ako eBb3MOHHO H3NON3BaHETO Ha BbHJHa acNHPaUHOHNa CHCTema,ce YbBpRaHTe, Tye T BHKNUOHe N FyHNUOHHpa H3npaBO.H3non3BaHTo HAacnPaUHOHa CnCTema HaMaJIaBA pIcKOBTe, AblJkaUNCe Ha OTaENaIe Ce npI paBoTa npXoBe.
h] Do6poto no3HABaHe Ha cIeHTPOHHCTpyMeHa BCNEcTBHe Ha YecTa paOTo C HrO He e NOOB 3A HAmAHBaHe BA HBMAMHETo N ppeHOpBaHa H MepHtte 3a 6e0nachOch. EHO HeBHMaTeNoHO AeCTBHe MoKe da PpeAn3BbKa TeKKn HapAHBaHN Camo 33 YaChtN OT CekyHData.
4) PpHHHBO OTHOWeHHe HbM eEnKtponHCTpyMeHTne
a) He npetobapbaite enehtponHHCTpymte. H3non3baite eneHTPOHCTpymteHTe cAmo Cb06pa3HO TRXHOTOpnpedHa3NaueHne.Ile pa6oTHe no-Do6pe n No-6e3oNaCHO, KoraTo n3no3BaTe NoxOaIuHa eNtPOHCTpymteB 3aAdeHnO T pOn3BOAnTeI Ana3OH Ha HatoBapHe.
b) He 3nON3BaIe eneHTponHCTpyMeH, 4HHTo NcKOB npEnbCbae nOpeBEN. ENEKTPOHNCTpyMeH, KOIO To HE MoKe Da 6bAe H3KnIOuBaH IN BkIOUBAH IIO pIpeABHdEHHOT PpOn3BOaNTeRHaAHIN, e ONaCe H TpR6Ba Da 6bAe pEMOHTrpaH.
c)Ппдд ДИЗБPWBATE HANBHTO N DA e DeHIOCTN NO EENTHPOINHCTPYMEnTA, HANP. HAcTPOBAne, CMHa HA paOToEN HHCTPYMEnT, HAKTO H KORATO I PnH6PATE, H3KNHOBaTe UeNCeNaTo OT KOHTaT, PecN. H3BAHDAIte 6ATEpHNA, Ako E B3MOHNo. Ta3N MApKa IpeMaXBa OAnCHoCTTa OT 3aEiCTBaHe Ha eNEKTPoHNCTPYMeHa TNO HeBHMaHne.
d) CbxpahnBaHte enehtponHcTpyMeHTHe Ha MecTa, HbTeTo He Morat da 6bDat DOCTHnAT O DeHa. He DOnyChaTe Te Da 6bDat H3NO3BaHH OT Ntua, KOHO He Ca 3anO3HnC HauHn Ha paBota C THX He ca PPOeuHN TE3N HcTpyKuHH. KOrAto Ca BpEte H a HeONTHn IOTpe6HTeIN, eNEKTPOHcTpyMeHTHe MORAT Da 6bDat H3KNIOHTeHNo ONaCHn.
e) NodbpaHae Dope eneHTponHCTpymeHTHe cH aHccecoaHte Hm. NpOBepBaIte dann NoBHHNHe 3BeHa FyHKnOHHPaT b3yKnOHO, dann He 3AkhHbAT, dAHN HMA CuyneHN HIN NOBpeHEN DetaiHN, KONTO HApuwaBAT HIN H3MeHr TPhKUnHe Ha ENEtponHCTpymeTA. PpeH da H3NON3Bate eEHTponHCTpymeTA, ce NORPHete NOpeDHe Tcet AaHd TaHd ObDat pEmoHTPAHN. Mhoro OT TpyDoBHTe 3NoNOnyKn Ce dBnXaT Ha HeAo6pe NoAdbpaHn eneKTPonHCTpymeHTn uyeAn.
fI NOIbPMAHTE peMeUHTe HNCTpyMeTH BNHARn Oo6pe 3atoeyHH NCHTN.
Oo6pe IIOaBpJAHKeHte PEXeUHN HNCTpyMeTH nCOTpn Pb6OBe OKa3BAT
NO-MAIKO CbNPOTBnEHE M CE BOaR TIO-NEKO.
g) H3no3BaHte eJenKpOHnHcTpymEnHTe, OoBnHHeJIHHe npHCNOOCbENH, paOOTHHe HHCTpyMeTHN H T.H., CbOpa3HO HnCTpyKHNTE Ha npOn3BOIDNTeI. PnTOBa Ce CbOpa3HBaTe H c KOHNpETHHe paOoth YcNoBH H onepaHH, KHOTo TpOBa Da H3nbHInTe. IV3no3BaHeTo Ha eNEKtpONHCTpyMeHTn 3a pa3nHnOT ppeABnDeHte OT npOn3BOITeI. PnpOnKeHnIOBnAba ONaCHocTTAOT Bb3HNKBAHe Ha TpyOBn 3nONONYk.
h) NpOdbpHnAte DpbHHNTE H pBHOXBATHTE cyxH, YCHTH H HeOMaCHeHH. Xnb3rABnTE ADbKKN u PbKOXBaTKn HE No3OBnBaT 6eONaChata pa6oTa n O6bpto KOHTPOnPiHa He eNEkTPOHNCTpyMeHTa PnB b3HNKBaHe Ha HeoayKaBaHa CHTyALna.
5]Io#dbpkahe
a) DonychaHte peMOHTbHa eEnETPOHHCTPymENTHTE Bn da CE h3BbpBa cAmO OT HbAINHOHNPAH CNeuaHnCTH N CAMO C H3NO3BAHETO HA OPHNHAAHnpe3EpbHnactn. ToTo3 NaHnCe rapaHTnpa CBxpaHraBaHe Ha6eOnaCHOCTTa Ha enETKPOHHCTPymENTHa.
CneuHaHH yHa3aHH 3a 6e3oNaCHOCT npn pa6Ota C MaunHH 3a Φpe3oBaHe Ha Tpb6H.
PnIpyckaHeToB EekCnloaTaun, No BpeMe Ha pa6oTa n npTexHneCKTO 06cnyKaBaHa Ne MaHnHa3a 3a PpeOBeHa Htpb6n Cna3BaJIte HauHOHJHHTe HOPMaTHnBdOKOpMEnTu 3a 6eOnaNCHOT.
Cnza3BaIte 3aKoHOBInTe dIpeKTHINb 3a IpeAna3BaHc ot EKcnIO3m.
OcHpyraBaiTe cA6HnHO 3axBaUaHe Ha o6pa6oTBaHaTApb6a. Hecnna3BaHTo Ha TOBa n3nCKBaHe Moke Da npEaN3BnKa cepNo3Hn HapaHbAHn nn CmbPT.
3axpaHbAHn c eneKtpHcTBO Maunnn 3aΦpe3ObaHe Ha Tpb6n (Moden RSG Ex (^**)
3axpaHbauoTo HnpexeHne Tp8Ba Da CbOTBeTCTBa Ha daHHnTe, NocOeHN 3a MaunHaTa 3a fpe3ObaHe Ha Tpb6n.
3axpaHbAaTaBepra 3a MaunHaTa 3a pe3oBaHe Tp8Ba Da e 3auNTeHa c npEpan3nTe1 20 A.
PeobHO npOBepaBae 3axpaHbuaa Ka6en n eBEHTyaHNO IOn3BaH ydbnKnt!
BknHouBaIte MaunHaTa 3a pe3ObaHe Ha Tpb6n KbM Ta6NTo cMo KOrato rnaBHnT npeKbCBAe E bnoJKeHne "mKnIOyeHO".
Ta6nToC npeKbcBau Tp6Ba HnpeKbChaTO Da e AOCTbHNO 3a 06cnyBaunmaHHata.
Pa6ora.
IopdbpHaTe pbKoXBaTKHe N NOBbpxHOCTHe Hm UcHn H63 OMacnBaHe.
Xlb3aBn PbKoXBATKn He No3BONJIeBt CnYpHata pa6Ota C MaINHaTn KOHTPOnIpaHe Ha eNeKTPOuHCTpyMeHTA pN Bb3HNKBaHe Ha HeOaKaBAHc CNYtaU.
Horato H3nbHBAte DeHocTH, npH KOHTO pa60THAT HcTpyMeHt MoHe da nonaDHe HA cKHT NOD NOBbPxHOCTTA npoBOHNn NOd HappeMeHHe, DOnpaHTe eEeTPOHHCTPYMeTHA CMO H3NpAHAPHTe pKbXOBATKH. PnPc BcPnPKoCHOBHeC n POBoDAHKn NOA HAppeKeHHe TO MOKHe a Ce pPeaAe N IO metaHnTE NOBbPxHOCTHa eNEeKTPoHHCTPYMeTHa TObA Da IpeAn3BnKa TOKOB yAp.
He npetobapbaIte MaunHATA 3a P3eO3BaHae HtpbH. HnOan3BaIte nOxOaIuH 3a H3bpBauHata deHocT paOoTHN HcTpymEnTH. C NOxAoxoAua PaOToEH NHTpymEHT ue paOoTHTe No-kaeCTBeHO No-cyRPhO.
He 3nnon3BaHte MaunHata 3a dpe3oBaHe Ha Tpb6n, AHO NcchOBHn Npehbcay e nopehen. MaunHa 3a dpe3oBaHe Ha Tpb6n, KOTo H Me OKe Da 6bDE BKNIOUeHa Hn Hn 3KIOUeHa No PneABnDEHnO NT pON3BOAnTeN HauH, e ONaCn H Tpa6Ba D a 6bDe pemOHHTnpaHa.
PepkcbaHte 3axpaHbAHeto, npedn da H3BpWBate HactpoHH NO MaunHATA HIN da 3aMeHrte paOthHH HNCTpymEn. Ta3n PpeAtnaHa MApka PpeoTbaTaBa HEBOJHOTo BKJIIOUcBA He MAuHNaTA 3a ope3OBAHe Ha Tpb6n.
He donychahre C mawhHata 3a Φpe3oBaHa HtpbHa da paoTn Iua, KOHTO He ca 3a03HATc H en H konto He ca npoeHH Te3n Yka3aHa. MaunHtte 3a Φpe3oHa HtpbHa c onaChi, Ako ce NOn3BAt OT HeonnnTHn Iua.
Peobho no podbpaHte Maunnata 3a PpeoBahe Ha TpbO. IpopeepbaTe n 3a ebeHTyAnHH ypeHdAnHH, KaTOn H 3a dpyrH PhaTOpH, KOTo MOrat Da BNOaT npBnHOTo FyHnUHOHPaHe. MaunHa, KORTo He E H 3pRnD CbCTOHNHe, TpOBa DA bDe pemOHtPana npedn no3BaHe. MHOro OT 3IonoNyKIne, KOTo 6NuXa MORnA Da 6DaT H3eBerHAtn, Ce pnuHnHBaT OT NIOo NOAeHHMaUNHn 3a PpeoBaHa Ha TpbO.
H3no13BaIte MaunHata 3a Ppe3oBaHe Ha TpbO, DonbHInTeHHTE npncocobennha, pa0oHTHe HnCTpymEnTH nT.H. Cb6pa3HO yka3aHnraT a ToBa pbHOBOCTBO 3a EKnCNOaTuHN, Hato ce Cb6pa3RBate C KOHNpETHe Tpe0TH ycNBoH N3bHnBaHata OpeuaH. H3no13BaHTo Ha MaunHHe 3a Ppe3oBaHe Ha TpbO 3a DeHocTH, pa3NuHn OT npEaBnAeHnTe OT npOn3BOAnTeI, MoKe Aa Ppe43BnKa ONaCHn CnTuAuHN.
HaHH HaФункионнран (BHHTeФнгypaA).
MaunHata 3a 0pe3oBaHe Ha Tp6bN peKe i 0pe3oBa CBO6OAno CTOnu Tp6n HnoJooHn Tp6bONPOBOAn c NOMOua HA metaOpoeKeuu INCHtpymEnTH. C NOMOHTa Ha MOyau 3a 3axBaUHe Ta CE MOHTnpa KbM BbHnHaTcPraHa Ha Tp6bata n O6knaIa Tp6bTa ha Co6CTBEN XoA. KaTo pa6Othn INCHtpymEnTH ce H3No13Bt UINKpyLnHN AnCKObe 3a Metan n PpOPhInn Fpe3epu, YHNTo peKeuen Pb6OBe B 3abCNMOCT O MaTePnHa Ha Tp6bTa ca OT 6bp3ope3Ha CTOMHa nn TBbpOocnPaBHN.
HactpoBbAteHO HbIb6OuHnTa Hpa3aHe ce IINbPbUba Ype3 naTPOHNHa (16), der in den beiden Seitenplatten (3) KoToH NaRepyBa B ABeTe cTpaHnHHn PIOOH M MoKe Da 6bE HaCTPOeH C NMOUHTa H BAHTOBN BAI (6).
TpaHcNOpTNrBAN (21), KOHTO C NOMOUITa HA TpAHcNOpTHIe KOJIeNA OCHyRbA NOdABaHETo, ce 3a.4BKNKbA OT BAnla Ha HnCTpyMeHTa ppe3 DBe YepBAAHN CTeNEHn Ha peDyKTopa.
- IIOaBAHETO MoXe 4a 6bEe BKNIOUBAHO N3KNIIOVAHO C NMOIHTA HIOCTA (28).IIb3rau, cbeAHHTen ppeIpa3Ba peAkykTopa 3a IOaBAHETO OT npetOBAPBaHe.
IarepyBaHeTo Ha BaHa NaTPOHHka e 3nBnHEo H cNOBnHea ycToHBOCT. PeAkykTopb3 3aDbNkBaHe Ha BaHa NaTPOHHka cMa3aHe C MaCnEHa BaHa ce cbctOn ot eHaPiHaTHa NepBraHa npeDaBka.
PeDyKTopb e npoeKtnpaH Taka, ye npn 6nokpuhe Ha Bepurata Da He nOBpeXda. BCNUKn Banobe Ha peDyKtopa naerepyBat B pONKOBN naerepN.
Pamata Ha MaunHata COCHTa HMa 3a4aHa Da BOAn MaunHata 3a fpe3ObaHe Ha Tpb6n n0 Tpb6ata, KaKTo N da npEda BcNInTe Ha pR3aHe N noDAbaHe.
-HacTpoBnBaHToNo BbHnHnAaMaTeTpHa Tpb6aTa ce N3BbPbBa cpeynpaHe Ha ocTa (10).
Bepnnte 3a 3axbaaane Ca cbctabeHn OT OaENH eHaakBn BepnKHN cerMeHTN.
BpOHT Ha Heo6xoAumnte BepnKHN cerMeHTN, pecn. abnxnHa Ta Ha BepnraTa 3a 3axbaaane 3abcnOT BbHnnr Anametbp Ha Tpb6ata.
IpenacnHe.

B

OnachocT O hapaHbAe npn npaeha Ha MaunHata 3a 4pe30BaHa Htp6h. PpeHaee TaMaHATA 3a 4pe30BaHa He Tp6h Camo C BkJIOueHHeB OKOMJIENKTOBkATA KOJAHN (34) HNI HAI-ManKO To TPN NIIa.
PpeHn BkIIOUbaHe.

OnachocOT HapaHbAbe BCJedCTBHe Ha HeoayKaBaHO 3MeCTBaHe Ha 06paobotbaHH detaII. PpeH da 3anoHete o6paobotbaHETO My,
OCHyPbBaTe DeTaNla Cpeu Hye OeuaHbAo H3MeCTBaHe. PnO6pa6oTaBHeTo Ha DeTaNla CbIeCTByBaOnaHcOT OT HeoeuaKaHo NpeTpKpYNbHa, NaDaHe nn H3MeCTBaHe Ha DeTaNla.

Donycha ce pa6oTata Ha MaunHata cAmO aHO e B TexHHcNCH 63yHOpH CbCTOnHH. IpoBepBaIte MaunHata pNeAe BCKAO BKNUOeBA 3a pAnMHN HOBpeHn nn 3a NpOBeAe PA6oTeH NHCPTyMEHTN KOMNOHeHTN.
N3HOeHn Nn NOBpeAeHn pa6oTHn HcTpyMeHTn KOMnoHeHTn Tp8Ba He3a6aBHO Da 6bDat 3aMeHHn C HOBn.
IodrotobHa o6pa0bTaBaHata Tpb6a.
- Tpb6n, KOnTO ce peKsAT Ha MrcTcTo Ha CknaHpaHe, Tpr8Ba Da 6bDaT NOBAnrHaTH Taka, Ye pa6oTnHT HnCTpyMeHT Da He 6bDe 3aKnHeH.
- Pn IOJIOXEHN Tpb60npOBOAIN Tp8Ba NO pOaBxIKHHe Ha eAHM MeTp b OTCTOHOHTo AO CTHenTae HA N3KOnA t BCNH Kt CpaHN Da e Hau-MaIKo 50 cm, H3MepeHO O TBHHaTA NObBpxHOCT Ha Tpb63Ta.
IobbpxOCTT TaPbAa De NOCTHcEA OTH 3AmpcBaHHN HEMH Macn. PpeBpAeNOH TPOBBAa B6De IpeMxAHTA MEKA bOpbXPOHTHA HON
-PexeunrHnctpyment Tpr6Ba Da 6bde H36paH cb06pa3Ho MaTepuHa Ha
Tp6aTa, Heo6xOaMAta fOpMa Ha Cpe3a N OXnaKaAaO-CMa3BaJtA TeuHOCT.
IpeMaxHeTe 3aBapbUHN WcBOBe B 3OHaTa Ha KOnenata N 3axBaUauNTe Bepn.
AnbHnHTeHa MHOpMaJNa MoKeTe Da NOnyHTe OT AocTaBnuNtHe Bn Ha oxJaAaIa-0MaBa3MaJu MaPeHnA. (BNKe CbIoo pNcCNoCo6NeHMeTO 3a oxJaKaDa He Cc BrCTeH Bb3Ayx 9 12 01 002 004)
Cma3BaM MaTePnAn Pn 0^
-Cma3Baau MaTeepnAn BIOCUT 1L-32132039000
-Cma3BaM MaTePnAn BIOCUT 5L-32132040000
Cma3BaA MaTePnaI aO 25°C:
-Cma3BaMmATEpHn1L-32132042000
-Cma3BaMATEpH5L-321320430000
IodrotobKa Ha MaunHata 3a pe3ObaHe Ha Tpb6n (BmTe Phnpya A).
-OCBO6oAeTe noCTa (11).
-IOBAnHHeTe NaTPOHHnka (16) KaTo 3aBBpTHTe MoAynla 3a peryInpaHe (7) CpbHaTa MaHbena (B Kyapa c HcTpymEnTu).
P3BnHTe UENTPOBAUNTE BHTOBE (9) MONTHPaTte 3aDBHXBAUata OC (10) Cbrrncho DAHHNTe B Ta6Ntua (4) HA MCTo CbO6p3HO BbHUNr AnMeTp b Htp6bata.
- OTHOBO 3aTeRHeTe UeHTpOBAuNTe BnHTObE (9).
RSG Ex 1500 A/B ( )
| P | D [mm] [Inch] | |
| I 250 - 400 9.8 | 15.7 | |
| II 400 - 600 15.7 | - 23.6 | |
| III 600 - 900 23 | 6 - 35.3 | |
| IV 900 - 1500 3 | 5.3 - 58.9 |
RSG Ex 18 A/B (^**)
| P | D [mm] [inch] | |
| I 250 - 400 9.6 | 15.7 | |
| II 400 - 600 15.7 | - 23.6 | |
| III 600 - 800 23 | 6 - 31.5 | |
| IV 800 - 1000 3 | 1.5 - 39.4 | |
| V 1000 - 1300 3 | 39.4 - 51.2 | |
| VI | 1300 - 3000 | 51.2 - 118.1 |
P: nO3nIa Ha 3aABXBaTaTa OC
CbIeCTbByBa ONaCHOCT OT INr3rapAne HO T ORePcHn pa6oTeH HnCTpyMeNT. PpN DeMOHTnpaHe Ha pa6oTHnH INHCTpyMeNT NOn3BaTte PpeDnA3Hn PbKaBnU.
Pa6oTeTe c nppea3Hn pbKaBnU.
H3non3baTe caMo pa6OTHn HcHTpyMeHTn c 6e3yIpeuH pEkeu np6oBe.
- PpeAnIOCTaBHe IOUHcTe Te Bana, KaKTo N cHTpOBAuNTe N 3axBauaNIOBBpXHOCTn.
- NocTaBeTe pa60THH INCTpyMeHT C AnCTaHUNOHHN ANCKOBe.
- 3aterheTe raikata 3a 3axbaaHa Ha pa6oTHnHnCTpyMeHT.
BhJIOUbaHe.
Maunha 3a 0pe3oBaHe Ha Tpb6n:

BknIOyeMaHnHaTa 3a φpe3OBaHe Ha Tpb6n c eneKTPnuecko 3aDbNKBaHe npE3 Ta6No C npEkbCBAu, KOEt cbAbpKJa CneAHHTe KOMNOHEHTI:
-ΓnaBHe/peBepcBBeH npeKbcBaH
-ПpeAna3eH npeKbcBaY 3a eNeKtpoABnraTeNa
-Pe4n3Hopepe3aN3KIOUbaHe npOtnaAHe Ha HanpeKeHHeTO
-KynnnyH3n
IaBnHrT npeKbCauCe H3nON3Ba 3a BkIOuBaHe H 3aO6pbUaHe Ha NOCOKaHa BBpTeHe.
PpeAa3HnT PpeKbCba 3a eEnkTpoABnTaTeN n PpeAa3HOTPe OEpa3yBaT eAnmOayn. Pn PpeTOBpABHe PpeAa3HnT PpeKbCba 3a eEnkTPOaBnTaTeN H3KnIOuBa, PnO TNaaHa He HaPpeKeHHeTo N3KnIOvBa PpeAa3HO To pene, 3a D a PpeAOTBpatn HEKoHTponHaO BKNIOuBaHe Ha MaunHata 3a fpe3oBAe Ha Tpb6n Pnp
Bb3CTaHOBBAHe Ha HanpeKeHHeTO.
MaunHaTa 3a 6peoBaHe Na Tpb6n Ce Ncyka OTHOBOpe3 BKNIOUbaHe OT npekcbaya 3a eneKtpoDburataTeI.
Ta6nTo C npeKbCaHn Tp6Ba Da e pa3nOIOKeHO TaKa, Ye Da e OocTbHNO 3a o6CnyBaaHn MaunHaTa HnpeKbChato.
Maunha 3aΦpe3oBaHe Ha Tpb6n B yacTHuHO 6e3OnaCHO 3a EHCnIO3HH3IbHHeHHe:

PpeA TabIoTO C npeKbCauN H3nON3BaTe OAnbHInHTeNEH NcCKOB npeKbCau 3a pa6Ota Ha MaINHaTb B cpeA c NOBHeHa ONaCHOCT OT eKnIOHmOT o30a 2.
IyckOBnT npeKbCBA Tpr6Ba Da 6bAe NocTabEH TaKa, yeAa DcOCTbEN 3a 0cbNcyBaaMnaHHATA BBB BCEKN MOMET.
OnachOCTOTEKCNIO3M
Ta6nToC npeKcbcauu Tp8Ba Da e nocTaBeHo 3BbH 3OHata 2.
Pa6ota c mawHHata.
Onachoct or HapaHbahe
PbpeHa pa6ota npea3HnT KOxy Tpr6Ba Da e HnblHO 3aTBOpEH 6nokpah!
OnachOCT OT HapaHbAbe OT OXBpauu CTpyKKn
Te Morat Da IpeaN3BnKaT HapaHbHa. BHMaBaIe B 3acTaWeHaTa 30Ha Da HrMa Xopa.
OnachocT onokap OT OXTbbpauu CTpyKKn
BHHMaaTe B3acTpaWeHaTa 30Ha Da HMa JleChO3aJaIIMn PpeMeTN.
Onachoct or HapaHbahe
PnB KKnIOVAHe Ha MaIHHaT3a 3a Pze3OBAHe HA Tp6Bn CbIeCTyBa ONAOHcT OHT HApAHBe HOT XTBpUaHs ACtNHa. BnHar npeA N BKNIOVAHe Ha MaINHata OTCPaHbAaTeOT He pBuHata MaHbena.
PpouecHaBknIOuBaHe
PnMaHHHe 3aΦpe3OBaHe Ha Tp6bC eEnkTPOBnTeAe Tp8Ba Da ce OCHpyu BbpTeHTo Ha pa6OTHnIHCTpyMeHT Da e B nPaBnHaTa NocKa.
Iocokata Ha BbpTeHe MoKe Da 6bAe CMeHeHa Ype3 peBepCnBnI npekcbau H a6noto.

Onachoct ot HapaHbahe
Pn pa6oTea MaunHa cbueCTbYa OAnCHOCT OHTapaHraBaHHrO T BpTaIuNTe ce enEMeHTN. B 3actpaUeHata 30Ha Tpr6Ba Da ce BNt3a cAmo Pn n3BpWbAe Ha NaCTPOKn I npn CTporo Cna3BaHe Ha MePKnte 3a 6e3oanCHOCT.
- 13KIOUeTe peykTopa 3a noaabaTeHnHOTo ABHXeHne ype3 NoCTa (28).
-BKNIIOHcTe MaunHaTa 3a fpe3oBaHe Ha Tpb6n. - Ocb6o6aTe Nocta (11) H cbyHata MaHbEbaBpeKeTe BbptAunCe AHCK Btp6aTakONkToe b3MOxHO n-HaOany. BbIb6Oko Bp3aHnT peXeu, AnCK CTaBnInnepa npoeca Ha p3aHe.
- PnI pfe3ObaHe M36pePeTe NO BB3MOXHOCT NO-MANKO Bp83BaHe Ha pa60THN Hc7tpMeHr. O6embTpa3P3BaH MaTePnAn HapactBa C yBENuHaBe Ha Ab6OvHnHa TbP83BaHe.
BpeTa pa60THHnIHCTPmEHT pN6I.3mmNo-Abb6oOOTyHXHOTo, nocCe bBpHeTe AO Heo6xoAumata Ab6ouHnHa Bp3aBHe; taKa pa60THHnIHCTPmEHT ce Ocbo6ox4Aba
-Пин n3noN3BaHe Ha ckana 3a БлбоунHa,Допрета pa60THЯ HnCTpymTe DO nobbpxHOCTa Ha Tpb6a. PataBnIte HakaTeHata RaHa (27) И noctabe ctpenka (28) Ha noNsiuO O. OTHOB zaterMeT haKateHata raHa (27). БынбOчHATA Ha Bp3BaHe моDEа 6bAe OTHTeHa NO ckana.Ta.
-ИЗКИЮЧЕ МАШИHAТа 3a ФпeзOBaHе Ha Tpb6n.
CneA TOBa 3axBaHete 3apabo 4pe3 3aTgAre Ha Nocta (11).
-OTHOBO BKNIOUOte MaunHata 3a 0pe3OBaHe Ha Tpb6n.
Cnocta (28) BknioueTe peAkyTopa 3a noaBaHe.
AkoMOuHOCCTHa eNEKTPoABnIaTeIe eoCTaTbUHa,CTeHaTa Ha Tpb6aTa Tp6Ba Da ce pa3peKe Ha eINH IpoxOa.
-ПОLOЖЕНТрбнМожЕДноДдАТNOВЕмHa pЯЗаHe npeKeшиrt HHTPymeHTMOKEДаСеЗКЛИNH.3ATOBa BKNIOUeHNTeBOKOMNKeTobKaTa KlnHOBe Tp6BaДаCEHa6NBaTBMEXKAnHaTcNEdpeKeSHnHHTCnPTyMeHTHa PABHN HnTEpBAH.NBcpeA C nobuHEa ONaCHOT OE KcnIIOZnNn3NoN3BaYte KlnHOBeTe (6 33 05 013 002) (RSG Ex 1500 A/B**) BKIOUeHb OKOMNKeTobKaTa)ИУК OT MaTepHaJI,КоТTo HE OТДЯИ NCKPn. - 36raBnTe npetoBapBaHTo Ha MaunHaTa 3a 0pe3ObaHe Ha Tpb6n.
MaunHata ce npetobapba, ako npn Bp3BaHe Ha BpTAnu ce pa6oTeH nHcTpymeHT cKOpocTTa Ha BpTeHe Ha eNEkTPOBnTaTeHa ManJee 3HaunTeHNo.
TOBa BOAn CbIoo AO HamaJIbaHe Ha npOn3BOaNTeHOCCTTa Ha p3aHe.
YkpEnBaHte Taeta (OTp3BaHna KpaHa TpbGaTa), 3a Da npedeOtpaTnTe naaHeto My.
PnAe6eNoCTEHn Tpb6n (s>10mm) 3abapbHata yra Tp86Ba aa 6bde ppeoBHa Ha HkONK npoxOa.
IgAkoTo npOtuaHe Ha p3aHcTe ce onpeEeOn OT cneAHte oakTopn: -PiopabHbaHe Ha mAsHata 3a 0pe3oBaHe pN CTapTnpaHTo,
- reomeTpnuHOTo OTKnIOHeHne Ha Tpb6ata OT Kpbf, peCn. OT cINHApnuHa opMa,
- 0KoKo 06pe e 3aToeH pExeunr HnCtpymENT,
TbBpOCT Ha MaTePnAna.
MaunHaTa 3a fpeoBaHe Ha Tpb6n e HacTpoeHa TaKa, ye npn Anametpn 300 mm n 600 mm HauanoTo n KpaH a NInHnTe Ha cpea npn6n3ntenHO cbbaad. BcneCTBVe Ha eKcUeHTPnuNTeTa HA BOeunBaI MapKnPOBkata 3a noapBnBaHe (24,BNKe ThepyE) e BAINHa cMo 3a ABaTa nocOeHN Anametbpa. Pp nno-foiemeu Anametpn npn Heo6xoAnmoct Tp86Ba Da ce N3Bbpwn KopeKua.
06paTeH xoJ ha MaunHH 3a Phpe3ObaHe Ha Tpb6h (RSG Ex (^**)
Onachoct ot zeth!
PpeAn MaHHTa 3a 0e3OBAHe Da 6bAe BbPHATA B HauJIHa N03nIIN,paBOTNHATNCHPTymENT TpRABa 6bAe N3BaDeHOT Cpe3a,3a Da ce N36erHe NOBPeKdAHe HA NCHPTymENTa H aPe4yKTopa.
- 13KIOUeTe peyKTopa 3a noaBaTeHHOTo ABHXeHne ype3 nocTa (28).
- Ocbo6oAeTe nocTa (11).
-Ⅰ3BaTe pa6oTHnHnHcTpymeHT. - NocTaBeTe rnaBHHra/peBepcNBHn npeKbCBAu B no3nua «0» (n3KnIOyeHo).
-IOCTaBeTe peBepcNBHnI npEkbcbay B no3nua 3a o6paTeH xoA.
-3aterheTe nocTa (11).
CnocTa (28) BknioueTe peAkyTopa 3a noaBaHe.
Maunnata 3a Ppe3oBaHe TpbH He MoMe da peme npn o6pAHHXoI
Yka3aHaHa 3a OxlaHdaHe H Cma3BaHe.
Onachoct ot ets!
IIO Bpeme Ha p3aHae pa6oTHnT HnCTpyMeH Tpr6Ba Da 6bde OxnaKaDaH n CM3aBH. Ipn HeAOCTaBtHo OXnAaXaDAHe n CM3BaHe MoKx Da ce NOnyHn nonenBaHe Ha cTpyKKn. TOBA MoKx Da npeAun3BnKa ChynBaHe Ha pa6oTHnHnCTpyMeH.
Cna3BaIte yka3aHHa Ta npoH3BODHTeHa No3BaHHpaOteH HhCTpyMeH
- Tpb6n OT CNB yuryh Tp86ba Da ce pekkat BHHar 6e oxnaaDaa TeHocT.
Pn p3aHe Ha Tp6bO t HeIerHpaHa CTOMaHa OxIaKaAte cNpKpyrHnA Dnck,pecn.Φpe3epa cbc canyHeHa BOa.
HactpoBaHe Ha ToUHOCTa Ha XOJa.

Pa3BnTe raKaTa (15, BnKTe phrypa A) SW 46.
3aBpTeTe oCTa (10) cnPmaKanaka (19).
-3aterHeTe raKaTa (15).
Upe3 3abbpTaHe Ha ocTa (10) No NocOKa Ha YacOBHNKOBaTa CTePnKa (No NocOKa Ha pa6OTTHN HAHTPYMEHT pa6OTTHN HHTPYMEHT CE OTMeCTBa HAARCHO (nORneHaTO NO NOCOKa Ha NpeMeCTBaHETo Ha MaUNHATA 3a Fpe3ObaHe).
Pp3 3abbpTaHe Ha cTbOpaTHo Ha YacOBHNKOBaTa CTePnKa pa6OTTHN HAHTPYMEHT CE OTMeCTBa HANBO.
Dobabhe Ha 3Bena Ha Bephrata.


Oncycka ce 06abHrTo Ha 3BeHa Ha BepnraTa cAmo Ha IpeAaHHeHte 3a
eNTa No3n.
CbaTe 3erep-wai6ata (32).
-13BaTeUHΦTa(33).
- NocTaBeTe KeHaHHa 6poB BepnXHH 3BeHa.
-BepnKHN 3eHa c pa3JInuHa abJIKNHa ca BKJIOyeHb BOKOMPNIeKTOBKaTa Ha MaJINHata.
-BkapaTe uHΦTa (33).
- NocTaBeTe HOBa 3eRep-uaH6a (32).
3aKpenBaHe Ha MaWHHata 3a φpe3ObaHe Ha Tpb6H.

«A» Heo6xOaHMo pa6OTH npocTpaHCTBO npn no-roJMa db6OuHa Ha Cpe3a.
«D» BbHWeH dAmTeBp Ha Tpb6aTa
《》6poBepnKHH3eHa npnAnameTpbaT«D
RSG Ex 1500 A/B
| позишия на оста за п扼мecтваце на машинага | D [mm] [mm] [mm] [mm] | A | H Дылжина на веригата настара | обся о Дылжина на веригата | i* 6 |
| 1 250 | 400 | 1427 | 2854 | 5 | |
| 300 | 392 | 1525 | 3050 | 5 | |
| 350 | 384 | 1632 | 3264 | 6 | |
| 400 | 378 | 1744 | 3488 | 6 | |
| 2 | 400 | 381 | 1782 | 3564 | 6 |
| 450 | 375 | 1898 | 3796 | 7 | |
| 500 | 369 | 2019 | 4038 | 7 | |
| 550 | 364 | 2144 | 4288 | 7 | |
| 600 | 360 | 2273 | 4546 | 8 | |
| 3 | 600 | 362 | 2302 | 4604 | 8 |
| 650 | 357 | 2433 | 4866 | 8 | |
| 700 | 352 | 2566 | 5132 | 9 | |
| 750 | 348 | 2702 | 5404 | 9 | |
| 800 | 344 | 2840 | 5680 | 10 | |
| 850 | 340 | 2862 | 5724 | 10 | |
| 900 | 337 | 3001 | 6002 | 10 | |
| 4 | 900 | 348 | 3142 | 6284 | 10 |
| 950 | 345 | 3284 | 6568 | 11 | |
| 1000 | 342 | 3428 | 6856 | 11 | |
| 1050 | 340 | 3464 | 6928 | 11 | |
| 1100 | 337 | 3607 | 7214 | 12 | |
| 1150 | 335 | 3751 | 7502 | 12 | |
| 1200 | 333 | 3896 | 7792 | 13 | |
| 1300 | 331 | 4062 | 8124 | 13 | |
| 1400 | 329 | 4338 | 8676 | 14 | |
| 1500 | 328 | 4355 | 8710 | 14 | |
| *Каразложен Номер 3 02 31 013 02 7, сбостаяц ce ot 10 ворижни зavenа с дылжина по 635 mm. | |||||
RSG Ex 18 A/B
| позиця Ha octa 3a преемechтвае Ha машинаТа | D [mm] [mm] [mm] [mm] | A | H Дылжинha Ha Веригата Ha стара | обся O Дылжинha Ha Веригата | I* |
| 1 250 | 587 | 1427 | 2854 | 5 | |
| 300 | 576 | 1525 | 3050 | 5 | |
| 350 | 564 | 1632 | 3264 | 6 | |
| 400 | 553 | 1744 | 3488 | 6 | |
| 2 | 400 | 522 | 1782 | 3564 | 6 |
| 450 | 511 | 1898 | 3796 | 7 | |
| 500 | 501 | 2019 | 4038 | 7 | |
| 550 | 492 | 2144 | 4288 | 7 | |
| 600 | 483 | 2273 | 4546 | 8 | |
| 3 | 600 | 453 | 2302 | 4604 | 8 |
| 650 | 445 | 2433 | 4866 | 8 | |
| 700 | 437 | 2566 | 5132 | 9 | |
| 750 | 429 | 2702 | 5404 | 9 | |
| 800 | 422 | 2840 | 5680 | 10 | |
| 4 | 800 | 396 | 2862 | 5724 | 10 |
| 850 | 393 | 3001 | 6002 | 10 | |
| 900 | 390 | 3142 | 6284 | 10 | |
| 950 | 386 | 3284 | 6568 | 11 | |
| 1000 | 383 | 3428 | 6856 | 11 | |
| 5 | 1 | 390 0 | 3464 0 | 6928 0 | 11 |
| 1050 | 387 | 3607 | 7214 | 12 | |
| 1100 | 385 | 3751 | 7502 | 12 | |
| 1150 | 382 | 3896 | 7792 | 13 | |
| 1200 | 379 | 4062 | 8124 | 13 | |
| 1300 | 374 | 4338 | 8676 | 14 |
| 6 1300 | 387 | 4355 | 8710 | 14 | ||
| 1400 | 382 | 4651 | 9302 | 15 | ||
| 1500 | 378 | 4950 | 9900 | 16 | ||
| 1600 | 373 | 5250 | 10500 | 17 | ||
| 1700 | 369 | 5553 | 11106 | 18 | ||
| 1800 | 366 | 5857 | 11714 | 19 | ||
| x | d900 | A362 | M6162 | M12324 | 20 | |
| 2000 | 359 | 6468 | 21 | |||
| 2100 | 356 | 6775 | 22 | |||
| 2200 | 353 | 7083 | 23 | |||
| 2300 | 350 | 7391 | 24 | |||
| 2400 | 348 | 7700 | 25 | |||
| 2500 | 346 | 8009 | 26 | |||
| 2600 | 343 | 8319 | 27 | |||
| 2700 | 341 | 8629 | 28 | |||
| 2800 | 339 | 8940 | 29 | |||
| 2900 | 337 | 9251 | 30 | |||
| 3000 | 335 | 9562 | 31 | |||
| *Katanojen Homep 3 02 31 013 02 7, cBCTOAM ce ot 10 BepNXHn 3VeHa c | ||||||
3a nocttnahe Ha onTmamnHO oBtaHe Ha BepHrata, MoKe da 6bDat n3non3BaHH npnoxkeHBe Bkyapa c HnCTpyMeHTn NOOBn 3eHa c abnKHa 31,75 mm. PnMep:
PnHAnameTbpHa Tpb6ata D=400mm ca Heo6xoAMMn 6 BepnxHH Cermenta (KataJIOKeH HOMep 302 31 013 027).

Bodehe no hampablaBaauaTae Bepra
Cnno6e TaBnHnHaTa Ha Bepurata CbTnacHOaHHte B TaBnUata 3a NoCTnraHe Ha ONTMnHo O6TnraHe Ha Bepurata, MoKe Da 6bDat N3NON3BaHN npNoKeHnTe B kyapapa CnHCTpyMeHTN NOOBH 3BeHa C aBnKnHa 31,75 mm.
AbNxHa Ha BOeMaTa Bepura
| Даметы На Трьбая | Дыжин а На Веригаťa | Верхин семени | ||
| [mm] [mm] | 635 mm 63 | 5 mm | 31 | 75 mm |
| 250 | 710 | 1 | 1 | 1 |
| 300 | 870 | 1 | 4 | 0 |
| 350 | 1030 | 1 | 6 | 1 |
| 400 | 1190 | 1 | 9 | 0 |
| 450 | 1344 | 2 | 1 | 1 |
| 500 | 1500 | 2 | 4 | 0 |
| 550 | 1660 | 2 | 6 | 1 |
| 600 | 1809 | 2 | 8 | 1 |
| 650 | 1970 | 3 | 1 | 1 |
| 700 | 2130 | 3 | 4 | 0 |
| 750 | 2290 | 3 | 6 | 1 |
| 800 | 2440 | 3 | 8 | 1 |
| 850 | 2600 | 4 | 1 | 0 |
| 900 2760 4 | 4 0 | |||
| 950 2921 4 | 6 0 | |||
| 1000 3079 4 | 8 1 | |||
| 1100 3397 5 | 3 1 | |||
| 1200 3714 5 | 8 1 | |||
| 1300 4032 6 | 3 1 | |||
| 1400 4330 6 | 8 1 | |||
| 1500 4640 7 | 3 1 | |||
KaTANOxH HOMep 30231034010(1=635mm)
KataNoxH Homep 30231036010(1=63,5mm)
KaTaoXeH HOMep 30231035010(1=31,7mm)
-3axbaheTe BOeaaTa Bepura KbM O6Teraya Ha eINH OT ABaTa BepnKHN cerMeHTa C uHΦT H 3erep-ua63.
- PpekapaTe r noA DBeTe BepnKHN KOIeNa 3a BODeuata Bepura (hrypa H).
3axbaHene Cbo6OAnHn KpaHa 3aDbNkBaUdAte Bepira KbM ObTeRaC uHΦT n 3erep-ua6a.
Onbhe nO tb6ata BoAeata Bepra Ype3 3abptHe Ha wecctoehHHa 6ont Ha o6terapa (2).
Pdaphe BOeepaTa BepHa pa3ctOHne 10 mm (uHHT Ha 3aBnBbAaTa BepHa DO uHHT Ha BOeepaTa BepHa) npoBepeTe paoCTHO H Ta TpN MeCTa.
3aterHete obTeaHa Ha BePnAra Upe3 wecTOCTEHn8 60NT (29) AOKATO Wau6ata (30) Oonpe Do Kopnyca Ha oBeTera (Anana3oH Ha o6Tarahe npH6n. 50 mm). (MAKc. MOMHT Ha 3atrahe 50 Nm)


BHHMaHHe, onachOcT or 3Jiononya!
B HnkaKbB CnyaH He 3aBpTaTte TpTe OcnpyTeHH
BnHTa (31) Ha yenoto. (BnKTe fHypya H)
3aKIOHTENH DeHHCTCN EBCHOI3BaHe.
-Ⅰ3BaTe pa6oTHnHnHCTpyMeHT.
-13KIOeTeMaHnHaTa 3aΦpe3OBAhe Ha Tpb6n.
- DEmoHTnpaTe paboTHnHcTpymeHT.
-OCBO6oAeTeMaunHaTa3aΦpe3ObaHe Ha Tpb6n.
CbxpaaHbahe Ha MaunHata 3a 0pe30BaHe Ha TpbOh.
- Ppea3eTe OT Kopo3nBbHnHTe MeTaHn DeTaN.
-CbXpaHbAaTeMaunHaTa3aΦpe3OBaHeHa Tpb6nHa cyxO MCTo.
NoabpHaHe npemOnr.
3a noDabpHaHe H pEmoHT.
Mon, npn Heo6xOAnMoCT O T peMOHT Ha eNekTPOINHCTpyMeHTn I
OnbIHNTeHN pnpCnoc6bnHeHn HA FEIN ce 6pbuaaTe KbM OTOpH3npAHn
cepBnHn HpBoUc. AkTyAaHn aApeCe HamePte B INHTepHET Ha aApec
www.fein.com.
AkyaIeH cIncbK c pe3epBHN qactn 3a To3n eJektpOnHcTpymeHT MoXeTe aHaMepeT B HHTepHET Ha aPec www.fein.com.
N3no3BaIte cmo opunHnHn pe3epBn Yactn.
Ipn HeoXoHMOCT MOHETe CAMN da 3aMeHHTe CJIeHNTE eIeMeHTH: Pa6oTHn HHTCPyMeHTN, pbKoXBaTKN, BEpra, BEpHXH 3BeHa
Anycka ce mAluHaTa da cea6oTn cAmO aK eB TeXHueckn 6e3yKOpHo cbToHHe. H3OceHN mNOBpeAeHN GaoHTMn HcTpyMeHTN KOMIOHEENTn Tp6Ba 7a 6Daat 3ameAHn He3a6ABHO.
OnachOCT or HapaHnBaHe
BCJIeAChTBHe HbONHO BKnIOyBaHe.
PpeHn3BpWbAHe Ha KaKBHTO n Da e DeHocTHn MoaHnHaTa 3a
Φe3OBAhe Ha Tpb6n H3KnIOuBaTe UeIcPeNa OT KOHTaTla!
06uynka3aHn
Onycka ce DeHocTH NO NOAaKa Ha MaunHaTa Da ce H3BbPWBat cmo OT 06yueHH KBaHnHnupanH texHnU.
IodAbpKaHeTo Ha MaunHaTa ce cbCTOn IaBHO OT:
BbHsHo NouchTbaHe Ha MaunHaTa 3a ope3oBaHe Ha Tpb6n Ha Bepurnte.
- BbHwe HOrneA Ha MaunHaTa 3a φpe3ObaHe Ha Tpb6n.
- CmHa Ha MacnTa Ha peAkykTopuTe.
Cma3BaHe Ha 3aBnKBaunTe pe36n n Bepnnte.
- CMa3BaHe Ha BO4aUHTe HA BaONOBete B Mo4yUHTe 3a 3axBaUHaE H 3a3aBbHXBAHe.
IIOAmHeHrTe Ta6eKHTe HnpEaynpeAHTe YKa3aHnHa eNEKTPOHNCTpymEnTa
BcHn CbCTaBH N KOMNoEHTH CbOTBeTCTBaT Ha AnPeKTHIne HA FDA (Food and Drug Administration) Ha Deutsches Arzneibuch (DAB) BbB BaHAnHOTo My KbM MOMHTA n3dAHne.
IpenapaTbT MOKe Da 6bAe AOCTABEH OT:
CmaBaA npenapat BIOCUT 3000 3a TemnepaTpyn 日 ^ C
1L-32132039000
5L-32132040000
Cma3Baau npenapat yctoynuHa ctya 3a Tempepatypn DO-25°C:
1L-32132042000
5L-32132043000
PnB aHHTn c63xpaHbAe C TPha3eH ToK RSG Ex (^**) 3a Da MoKe Da ce 3nONI3Ba PnCIOOC6NeHHeTo 3a OxNaxKaHne N CMA3BaHe CbCrCTeH BB3Ay, e Heo6XoAM KOMnpecOp FEIN, KaTANOKeH Homep 9 26 01 023 02 3, C Ae6nt np6n. 130 130 1/min.
Pe3epBHH qactn.
Akyane cncbck pe3epBn qactm MOKeTe aHaMePnte B nHTepHET Ha aDpec www.fein.com.
Deknapaun 3a CbOTBETCTBHe.
Deknapaunrata CE Baxn cmo 3a CtpaHn OT Ebponeckn cyb03 n EFTA
(EBPOENCKATA acOuaaun 3a CBO6oHa TbproBn) n cAmO 3a IPOAkyTN, npEHA3NaeHn 3a Na3apnte B EC nn EFTA.
INMaFEIN rapaHTnpa CnblNa OTROBOPHOCT, Ye To3N npOyKT cbOTBeCTBa Ha BAnHnHTe HOpMaTHNBH DOKYEMHTn, NOCOeHN Ha NOCNEHATA CTpaHnHa HA TOBA pBKOBOCTBO 3a EKCNIOATauN.
Texnuecka dokymentaun npn: C. & E. Fein GmbH, D-73529 Schwabisch Gmund
Ona3BaHe Ha okonHaTcpea, opakyBahe.
OnakOBKNTe, n3e3NIte OT yNtOpe6a enkTPOHCTpyMeHTn AOnbJIHNTeHH npncocobHeHH TpaBa da ce paeBaT 3a OON3OTBOPraBe Ha cbAbpKaunTe CE TB XyCPOBHNH.
Uldised ohutusjuhised.
ATAHELEPANU
Eeltoed enne toru tootlemist
Tipas RSG Ex 1500 A () RSG Ex 18 A ()
RSG Ex 1500 B () RSG Ex 18 B (*)
Matmenys:
-
Masé (m) 80 kg 80 kg
-
Maks. Jrankio 220 mm 220 mm
-
IIgismaks. 974 mm 1088 mm
-Aukstismaks. 334 mm 334 mm
-
Plotis max. 450 mm 431 mm
-
B1 371 mm 371 mm
-
B_2 201 mm 201 mm
-
B3 791 mm 991 mm
Vamzdziu frezavimo masin paskirtis.
$$ \beta = 8 ^ {\circ} $$
$$ r = 6 \mathrm {m m} $$
$$ b = 4 m m $$
Padeves icerice (attels A)
Uzuriet caurules uzgiezna (17) arejo virsmu tiru no netirumiem un rusas un vienmer nedaudz ieellojiet to.
- Mainot parnesumkarbas ellu, noturiet un ieeljoiet kustigo vitni.
Demontaza
lzskruvejiet cilindrisko skruvi (8).
- Izvelciet cilindrisko skruvi (5) no parsega.
- Pec tam ar rokas kloki atskruvejiet padeves ierici no caurules uzgriezn.
- Notiriet un ieIoojet vitnotas das (skatiet sadau Smerviela un elo\$anas plans:
- Nomainiet bojatos stikla tiriitaja bredzenus.
Montaža
Montaiza tiek veikta preteja secib. Montazas laika nebojajiet stikla tirita
gredzenus!
Spriegotajerie
Izvairieties no vitnu uz cilpskruvem netirumiem (3, I att.) atsperkausa. Ja neplegclesams, notriet-jun leeljolet vitnes.
Smerviela un elosanasplans
$$ \beta = 8 ^ {\circ} $$
$$ r = 6 \mathrm {m m} $$
$$ b = 4 m m $$
5 V a r s 7 0 b
U forma, HSS, parnesumkarbas tipam:
| A, B - têrauda caurúu apsträdel, augsta limena legëts B - nelegëta têrauda un ñuguna caurúu apsträdel lidz maks. sieniŋu biezumam 10 mm un maks. 1600 mm diametram | |||||
| D | B | Svars | Zobu skalts | maksimālais griësanas dzilums | Pasūtijuma numurs |
| (mm) | (mm) | (kg) (mm) | |||
| 160 | 25 | 2,8 | 40 | 25 | 6 35 08 089 00 7 |

| Blokveida frēzësanas iekärtá, HSS, pärnesumkärbas tipam: | ||||||
| A, B - têrauda cauruçu apstrădei, augsta limena leğëtsB - nelegëta têrauda un Čuguna cauruçu apstrădei lidz maks. sieniu biezumam10 mm un maks. 1600 mm diametram | ||||||
| D | B | Svars | Zobu skaits | β | maksimãais griešanas džilums | Pasūtījuma numurs |
| (mm) | (mm) | (kg) | (°) | (mm) | ||
| 154 | 30,5 | 2,5 | 32 | 30 | 25 | 6 35 08 099 02 0 |
Kedes posms
$$ \beta = 8 ^ {\circ} $$
$$ r = 6 \mathrm {m m} $$
$$ b = 4 \mathrm {m m} $$
China RoHS Status Certificate
中国RoHS认证概况
Table of Toxic and Hazardous Substances/Elements and their Content
as required by China's Management Methods for Controlling Pollution by Electronic Information Products
有毒有害物质/成分及其含量表
$$ \beta = 8 ^ {\circ} $$
$$ r = 6 \mathrm {m m} $$
$$ b = 4 \mathrm {m m} $$
a)對藥增樂則藥贝贝已玉皂藥歸藥士,糟藥贈桑菊記伊者
b)云皂皂异,云之在云皂皂孕习如云皂皂习云皂皂习云皂皂习云皂皂习云皂皂习云皂皂习云皂皂习云皂皂习云皂皂习云皂皂习云皂皂习云皂皂习云皂皂习云皂皂习云皂皂习云皂皂习云皂皂习云皂皂习云皂皂习云皂皂习云皂皂习云皂皂习云皂皂习云皂皂习云皂皂习云皂皂
c)国中子青水青歌建,子青云云云云云云云云云云云云云云云云云云云云云云云云云云云云云云云云云云云云云云云云云云云云云云云云云云云云云云云云云云云云云云云云云云云云云云云云云云云云云云云云云云
作皂皂皂藻的藻皂藻藻藻藻藻藻藻藻藻藻藻藻藻藻藻藻藻藻藻藻藻藻藻藻藻藻藻藻藻藻藻藻藻藻藻藻藻藻藻藻藻藻藻藻藻藻
-
平望望望望之的

$$ \beta = 8 ^ {\circ} $$
$$ r = 6 \mathrm {m m} $$
$$ b = 4 \mathrm {m m} $$
- 1
1 - 100mm-20°C @ 40°C
-
mnnnne nnnn
EC Directive 94/9EC ATEX (amwneanngnll)
Tunwnwnwnnnnne FEIN iRSG Ex (^**)
d) ououououououououououououououououououououououououououououououououououou
e) nndnntnnnnaaennnnnneannnnnnnnnnnnnnnnnnnnnnnnnnnnnnnnnnnnnnnnnnnnnnnnnnnnnnnnnnnnnnnnnnnnnnnnnnnnnnnnnnnnnnnnnnnnnnnnnnnnnnnnnnnnnnnnnnnnnnnnnnnnnnnnn nn
mnnnnae nannnnaaennnnaananaanaaan anananaananaananaananaananaananaananaananaananaananaananaananaananaananaananaananaananaananaananaananaananaananaananaananaananaananaananaananaananaananaananaananaananaananaananaananaananaananaananaananaananaananaananaananaananaananaananaananaananaananaanaraannnnaaannnnaaannnnaaannnnaaannnnaaannnnaaannnnaaannnnaaannnnaaannnnaaannnnaaannnnaaannnnaaannnnaaannnnaaannnnaaannnnaaannnnaaannnnaaannnnaaannnnaaannnnaaannnnaaannnnaaannnnaaannnna
g) nnnnne nnnnnnnnnnnnnnnnnnnnnnnnnnnnnnnnnnnnnnnnnnnnnnnnnnnnnnnnnnnnnnnnnnnnnnnnnnnnnnnnnnnnnnnnnnnnnnnnnnnnnnnnnnnnnnnnnnnnnnnnnnnnnnnnnnnnnnnnnn nn
HSS HSS HSS HSS HSS HSS HSS HSS HSS HSS HSS HSS HSS HSS HSS HSS HSS HSS HSS HSS HSS HSS HSS HSS HSS HSS HSS HSS HSS HSS HSS HSS HSS HSS HSS HSS HSS HSS HSS HSS HSS HSS HSS HSS HSS HSS HSS HSS HSS HSS HSS
- 100000000000000000000000000000000000000000000000000000000000000000000
- 120 (21) 111111111111111111111111111111111111
n 28
wunwnnnnne nnnnnnnnnnnnnnnnnnnnnnnnnnnnnnnnnnnnnnnnnnnnnnnnnnnnnnnnnnnnnnnnnnnnnnnnnnnnnnnnnnnnnnnnnnnnnnnnnnnnnnnnnnnnnnnnnnnnnnnnnnnnnnnnnnnnnnnnnnnnnnnnnnnn nnannn nnannn nnannn nnannn nnannn nnannn nnannn nnannn nnannn nnannn nnannn nnannn nnannn nnannn nnannn nnannn nnannn nnannn nnannn nnannn nnannn nnannn nnannn nnannn nnannn nnannn nnannn nnannn nnannn nnannn nnannn nnannn nnannn nnann nenn nann nann nann nann nann nann nann nann nann nann nann nann nann nann nann nann nann nann nann nann nann nann nann nann nann nann nann nann nann nann nann nann nann nann nann nann nann nann nann nann nann nann nann nann nann nann nann nann nann
- mssuunnnnnaaennnnnne nnnn (10) mnnnnnnnnnnnnnnnnnnnnnnnnnnnnnnnnnnnnnnnnnnnnnnnnnnnnnnnnnnnnnnnnnnnnnnnnnnnnnnnnnnnnnnnnnnnnnnnnnnnnnnnnnnnnnnnnnnnnnnnnnnnnnn
y

(34)
nauuun
1
0
y d aannnnaaannnn
A
nnaaannnnnnaaaananaananaananaananaananaananaananaananaananaananaananaananaananaananaananaananaananaananaananaananaananaananaananaananaananaananaananaananaananaananaananaananaananaananaananaananaananaananaananaananaananaananaananaananaananaananaananaananaananaananaanaraannnna
1 1
10 10
-
nunnnnnnnnnnnnnnnnnnnnnnnnnnnnnnnnnnnnnnnnnnnnnnnnnnnnnnnnnnnnnnnnnnnnnnnnnnnnnnnnnnnnnnnnnnnnnnnnnnnnnnnnnnnnnnnnnnnnnnn
- nnnnneannnnnnnnnnnnnnnnnnnnnnnnnnnnnnnnnnnnnnnnnnnnnnnnnnnnnnnnnnnnnnnnnnnnnnnnnnnnnnnnnnnnnnnnnnnnnnnnnnnnnnnnnnnnnnnnnnnnnnnnnn
aonnoanana aanaeauane 1111111111111111111111111111111 - 10nlaeaeeyie (14) uanamn (19)
ananaananaananaan (30217216004)aaananaananaananaan (42634020005)
nunnnnnnnnnnnnnnnnnnnnnnnnnnnnnnnnnnnnnnnnnnnnnnnnnnnnnnnnnnnnnnnnnnnnnnnnnnnnnnnnnnnnnnnnnnnnnnnnnnnnnnnnnnnnnnnnnnnnn
- 100000000000000000000000000000000000000000000000000000000
nuiuunuunnuunuean (23 nwnneau A) hnnnnnne nee - 4
D
oannnnaa

n
A
aennnnnne nnnnnnnnnnnnnnnnnnnnnnnnnnn
A
aannnnnnaanennnnnnnnnnnnnnnnnnnnnnnnnnnnnnnnnnnnnnnnnnnnnnnnnnnnnnnnnnnnnnnnnnnnnnnnnnnnnnnnnnnnnnnnnnnnnnnnnnnnnnnnnnnn
A
aannnnnnaeennnnne aennnnne ennnnne
mnnn
Tnntnnnnnnnnnnnnnnnnnn
nunnnnnae nannnne nnnnnnne annnnnnnnnnnnnnn
-
n
mno:

nnaeannnnneennnnnne (line side) nnnnnnnnnnnnnnnnnnne
nannnnnnnnnnnnnnae
- nnnnnnnnnnnnnnnnne
nnnnnnnnnnnnnnnnnnne
nennnnnnnnnnnnnnnnnne
nennnnnnnnnnnnnnnnnne
nennnnnnnnnnnnnnnnnne
aannnnnnae annnnne aannnnnne anennnne nnnnnnne nnne
mnnnnnnaaannnnnnnnnnnnnnnnnnnnnnnnnnnnnnnnnnnnnnnnnnnnnnnnnnnnnnnnnnnnnnnnnnnnnnnnnnnnnnnnnnnnnnnnnnnnnnnn
nannnnnnnnnnnnnnnnnnnnnnnnnnnnnnnnnnnnnnnnnnnnnnnnnnnnnnnnnnnnnnnnnnnnnnnnnnnnnnnnnnnnnnnnnnnnnnnnnnnnnnnnnnnnnn
nnaunnnnnnnnnnnn

nunnuuuaanrnnnns nnaeaeannnnn nnnaaennnnnne aen annnnae ane ane ane ane ane ane ane ane ane ane ane ane ane ane ane ane ane ane ane ane ane ane ane ane ane ane ane ane ane ane ane ane ane ane ane ane ane

aannnnnnae
mua
国
aennnnnne nnnnnnnnnnnnnnnnnnnnnnnnnnnnnnnnnnnnnnnnnnnnnnnnnnnnnnnnnnnnnnnnnnnnnnnnnnnnnnnnnnnnnnnnnnnnnnnnnnn
A
aannnnnnaanrnnnnae nnnnnnne aennnnnne
aannnnnnaeennnn
nannnnnaananaananaananaananaananaananaananaananaananaananaananaananaananaananaananaananaananaananaananaananaananaananaananaananaananaananaananaananaananaananaananaananaananaananaananaananaananaananaananaananaananaananaananaananaananaananaananaananaananaananaanara
mnnnnaaannnnnnaan n BIOCUT 3000 mnnnnnnae annnnnnae annnnnnae annnnnnae annnnnnae annnnnnae annnnnnae annnnnnae annnnnnae annnnnnae annnnnnae annnnnnae annnnnnae annnnnnae annnnnnae annnnnnae annnnnnae annnnnnae annnnnnae annnnnnae annnnnnae
BIOCUT 3000 1572489678988888888888888888888888888888888888888888888888
FDA (Food and Drug Administration)
mnaaown:
BIOCUT 3000
1L-321320390000
5L-32132040000
-25°C:
1L-321320420000
5L-321320430000
aunurwral RSG Ex (^**) uonnoanrnnnne (nnnaeFEIN
92601023023)
1
yina
Tnnnne nnnnne nnne ennnnne ennnnne ennnnne ennnnne ennnnne ennnnne ennnnne ennnnne ennnnne ennnnne ennnnne ennnnne ennnnne ennnnne ennnnne ennnnne ennnnne ennnnne ennnnne ennnnne ennnnne ennnnne ennnnne ennnnne ennnnne ennnnee
nssnnnnnnnnnnnnnn
muyuue CE mwnnnnunnnnnae EFTA (European Free Trade
Association) EFTA EFTA
FEIN
mnnnne nnnnnnnnnnnnnnnnnnnnnnnnnnnnnnnnnnnnnnnnnnnnnnnnnnnnnnnnnnnnnnnnnnnnnnnnnnnnnnnnnnnnnnnnnnnnnnnnnnnnnnnnnnnnnnnnnnn
ionnnnnnnn
C. & E. Fein GmbH,
Mukul Sankaralalakun Vidyavari Ka Akanujayadu
Pruuk 7,
Kcavat Huy Eayeayeyasam 1000000000000000000000000000000000000000000000000000
-
kāntiāgai kāi gāntuārājá ākāi āhēiča tāčok (16) ākā ādāra viñthijāoīrìl, kīyāma jālātā. Jātā de lao lā sañáidú ālçét (3) āpí āsīs lānqī hǎmàot āhōlā tā ākī āmūngn. Kār səkaklā tā. Hājā rā
-
273545555555555555555555555555555555555555555555555555555555555555555555555555555555555555555555555555555
-
4023 4023 4023 4023 4023 4023 4023 4023 4023 4023 4023 4023 4023 4023 4023 4023 4023 4023 4023 4023 402
dul heeckstokk kki bgyarig givshg taor paur kdoar idjiaacn kgya gnay h dul heckstokk kai ouaduy kareanr aayal yagh yuoyek uuyuy yuyuy yuyuy yuyuy yuyuy yuyuy yuyuy yuyuy yuyuy yuyuy yuyuy yuyuy yuyuy yuyuy yuyuy yuyuy yuyuy yuyuy yuyuy yuyuy yuyuy yuyuy yuyuy yuyuy yuyuy yuyuy yuyuy yuyuy yuyuy yuyuy yuyuy yuyuy yuyuy yuyuy y
givaykkiyimaiy ius
Hohne yalni chn k Hs 6k
T
BibiyyirgaiMgatKefot
Eeknul yukk mshilin kka karky, kyyki gai paoay msiingg mssioan ko aepyke np aagcckrnnn aon kctad andpok
Paaayy mllilng Mshnoln k Paaay P ar Kssnn
gaiuee 1
Gaiadug cheon kco khsnna (chir A d
- 5a#s#e Pah#e T#o#n# #kuy 1) k## d##m#r#r #g#d# o# #p#y p#r
- 196072345678901234567890123456789012345678901234567890123456789012345678901234567890123456789012345678901234567890
- katei dki praknay k de tayran gnilan khi kshyati p a rgh yana n yadip aapay gnolal nehny, leto ees yaa to Puon: kaksna Jana chaiyep y aikr jdaia kajra jai hagiriy katei te s peaetl sahni 4 2eikal n
1

伊瓦尔克斯纳 乌拉 克 毕加特吉
1 7
1 电 费
1 !
K
LuyyBck 3Aor LuyuBckek
Sahmukhayya 1 (2023) RSG Ex (**)
FDA (Food and Drug Administration)
J (DAB)
:Jooe
BIOCUT 3000
1L-321320390000
5L-32132040000
-25°C aol y 10
1L-32132042000
5L-32132043000
b_2 = 32
. www.fein.com
.
EFTA JyJyJyJyJyJyJyJyJyJyJyJyJyJyJyJyJyJyJyJyJyJyJyJyJyJyJyJyJyJyJy
a 1 a 1 1 1 1 1 1 1 1 1 1 1 1 1 1 1 1 1 1
2
11 1111111111111111111111
C.&E.FeinGmbH:
$$ \beta = 8 ^ {\circ} $$
$$ r = 6 m m $$
$$ b = 4 \mathrm {m m} $$
| : | |||||
| 2 | 3 | 4 | 5 | 6 | 7 |
| 10 | 15 | 20 | 25 | 30 | 35 |
| 40 | 50 | 60 | 70 | 80 | 90 |
OE BC
| الله�� الله�� الله�� الله�� الله�� الله�� الله�� الله�� الله�� الله�� الله�� الله�� الله�� الله�� الله�� الله�� الله�� الله�� الله�� الله�� الله�� الله�� الله�� الله�� الله�� الله�� | X الله�� X الله�� X X X X X X X X X X X X X X X X X X X X X X X X X X X X X X X X X X X X X X X X X X X X X X X X X X x x x x x x x x x x x x x x x x x x x x x x x x x x x x x x x x x x x x x x x x x x x x x x x x x x X X X X X X X X X X X X X X X X X X X X X X X X X X X X X X X X X X X X X X X X X X X X X X X X X Y Y Y Y Y Y Y Y Y Y Y Y Y Y Y Y Y Y Y Y Y Y Y Y Y Y Y Y Y Y Y Y Y Y Y Y Y Y Y Y Y Y Y Y Y Y Y Y Y Y X X X X X X X X X X X X X X X X X X X X X X X X X X X X X X X X X X X X X X X X X X X X X X X X X y y y y y y y y y y y y y y y y y y y y y y y y y y y y y y y y y y y y y y y y y y y y y y y y y y Y Y Y Y Y Y Y Y Y Y Y Y Y Y Y Y Y Y Y Y Y Y Y Y Y Y Y Y Y Y Y Y Y Y Y Y Y Y Y Y Y Y Y Y Y Y Y Y Y y y y y y y y y y y y y y y y y y y y y y y y y y y y y y y y y y y y y y y y y y y y y y y y y y x x x x x x x x x x x x x x x x x x x x x x x x x x x x x x x x x x x x x x x x x x x x x x x x x y y y y y y y y y y y y y y y y y y y y y y y y y y y y y y y y y y y y y y y y y y y y y y y y y X X X X X X X X X X X X X X X X X X X X X X X X X X X X X X X X X X X X X X X X X X X X X X X X X L L L L L L L L L L L L L L L L L L L L L L L L L L L L L L L L L L L L L L L L L L L L L L L L L L Y Y Y Y Y Y Y Y Y Y Y Y Y Y Y Y Y Y Y Y Y Y Y Y Y Y Y Y Y Y Y Y Y Y Y Y Y Y Y Y Y Y Y Y Y Y Y Y Y L L L L L L L L L L L L L L L L L L L L L L L L L L L L L L L L L L L L L L L L L L L L L L L L L y y y y y y y y y y y y y y y y y y y y y y y y y y y y y y y y y y y y y y y y y y y y y y y y y L L L L L L L L L L L L L L L L L L L L L L L L L L L L L L L L L L L L L L L L L L L L L L L L L l l l l l l l l l l l l l l l l l l l l l l l l l l l l l l l l l l l l l l l l l l l l l l l l l l L L L L L L L L L L L L L L L L L L L L L L L L L L L L L L L L L L L L L L L L L L L L L L L L L X X X X X X X X X X X X X X X X X X X X X X X X X X X X X X X X X X X X X X X X X X X X X X X X X N N N N N N N N N N N N N N N N N N N N N N N N N N N N N N N N N N N N N N N N N N N N N N N N N N L L L L L L L L L L L L L L L L L L L L L L L L L L L L L L L L L L L L L L L L L L L L L L L L L x x x x x x x x x x x x x x x x x x x x x x x x x x x x x x x x x x x x x x x x x x x x x x x x x L L L L L L L L L L L L L L L L L L L L L L L L L L L L L L L L L L L L L L L L L L L L L L L L L M M M M M M M M M M M M M M M M M M M M M M M M M M M M M M M M M M M M M M M M M M M M M M M M M M L L L L L L L L L L L L L L L L L L L L L L L L L L L L L L L L L L L L L L L L L L L L L L L L L R R R R R R R R R R R R R R R R R R R R R R R R R R R R R R R R R R R R R R R R R R R R R R R R R R L L L L L L L L L L L L L L L L L L L L L L L L L L L L L L L L L L L L L L L L L L L L L L L L L N N N N N N N N N N N N N N N N N N N N N N N N N N N N N N N N N N N N N N N N N N N N N N N N N X |
y
a 1

Jaae Jaae Jaae Jaae Jaae Jaae Jaae Jaae Jaae
.
3 3
juiiui
(27)ijjai jai jai jai jai jai jai jai jai jai jai jai jai jai jai jai jai jai jai jai jai jai jai jai jai jai jai jai jai jai jai jai jai jai jai jai jai jai jai jai
Jai jie jie jie jie jie jie jie jie jie jie jie jie jie jie jie jie jie jie jie jie jie jie jie jie jie jie jie jie jie jie jie jie jie jie jie jie jie jie jie jie jie jie jie jie
(11)
2^ - ( 11)
.
(28)
· = 0
i 1
yjil jai jie jiae yjao Jg jai jia jia jia jia jia jia jia
-
jai jai (aayaa aai)
(p010<5)
j
yjgl jgl jgl jgl jgl jgl jgl
a1 = 2,a2 = - 4
JblaaJg
300 1
600
Jaaalalalalalalalalalalalalalalalalalalalalalal
1.2.2.4.2.4.5
aiee
y = - kx + b

aaii i 1
1
cuiu 3jie jie jie jie jie jie jie jie jie jie jie jie jie jie jie jie jie jie jie jie jie jie jie jie jie jie jie
Nnuiy
2.2ailln
y
1


2.2 2018 2019
p12
= - y1y2 - y_1
Joo Joo Joo Joo Joo Joo Joo Joo Joo Joo Joo
y
j 1
y
J 1
G
y
3.2015年1月1日
(**) RSG Ex 1500 A/B
| [Inch] | D [°] | P |
| 9.8 - 15.7 | 250 - 400 l | |
| 15.7 - 23.6 | 400 - 600 II | |
| 23.6 - 35.3 | 600 - 900 III | |
| 35.3 - 58.9 | 900 - 1500 IV |
(*) RSG Ex 18 A/B
| [inch] | D [π+1] | P |
| 9.6 - 15.7 | 250 - 400 I | |
| 15.7 - 23.6 | 400 - 600 II | |
| 23.6 - 31.5 | 600 - 800 III | |
| 31.5 - 39.4 | 800 - 1000 IV | |
| 39.4 - 51.2 | 1000 - 1300 V | |
| 51.2 - 118.1 | 1300 - 3000 V1 |
jul1j 505P
1
1
y
1
1
10 1
10 1
1
(20)jul 1
y
(19)g(14)
(30217216004)
(42634020005)
(Ajgl)
101 1
y
aill 23)
10
aaiiie
1201
1

1
201
J 1
2 = 35
( xy^2 + 1) ( xz^2 + 1) = 0
i 1
jai 2006
J
B

J 134






































b_1 = 2




Jauydu Jd Jd d a 1000000000000000000000000000000000000000000000000000

J 15 J 15 J 15 J 15 J 15 J 15 J 15 J 15 J 15 J 15 J 15 J 15 J 15 J 15 J 15 J 15 J 15 J 15 J 15 J 15 J 15 J 15 J 15 J 15 J 15 J 15






































y
()
1 1
50 1
-
1
1

































gssogd gdsj
(91201002004
i 1


































25°C

































1
































(16)aoll

































(9)uU
1
(9)wJUWuW
y
a 1

(10) 1
aee
y
J 1
y
a aal 1
a 1
aill 10000000000000000000000000000000000000000000000000
a
1 = 2
00000168
Lae aee eae aepeae 1. Jauy aye jayeel aal ae yeaey aed to aaiy 8a 8
a 1
Aaaiy iay yaaay yaaay yaaay yaaay yaaay
y
a 1
y
a 1
Kopplingsaggregatkombination
307 02 041 01 4
BnOK KOMyTauiHnx npnaIaIB
30702041014
En. Ta6no
30702041014
Lulitusseadme
30702041014
Komutaciniu prietaisy blokas
30702041014
Moototur kkanoeekshan


辅助开关
30722024017
輔助開關
30722024017
华杰杰刘
30722024017
a
30722024017
追加又个
30722024017
艾贝尼
30722024017
1
30722024017
开关设备装置
30702041014
開關設備裝置
30702041014
30702041014
y
30702041014
SイチギアSENPLI
30702041014
阿
30702041014
S_ OBC = 12 · CD · BC = CD.
30702041014
C E
EN ISO 12100:2010
2011/65/EU, 2006/42/EG

U. Hegosell
i.V.S.Bohm i.V.Dr.M.Hergesell
Director of Quality Director of Product
Management Development
Schwablsch Gmund-Bargau, 15.10.2021
C.E.FeinGmbH
Hans-Feln-StraBe 81
ManualGo.com