RSG EX18b - Wiertarka Fein - Bezpłatna instrukcja obsługi
Znajdź bezpłatnie instrukcję urządzenia RSG EX18b Fein w formacie PDF.
Pobierz instrukcję dla swojego Wiertarka w formacie PDF za darmo! Znajdź swoją instrukcję RSG EX18b - Fein i weź swoje urządzenie elektroniczne z powrotem w ręce. Na tej stronie opublikowane są wszystkie dokumenty niezbędne do korzystania z urządzenia. RSG EX18b marki Fein.
INSTRUKCJA OBSŁUGI RSG EX18b Fein
danéneumyslnymzaprutim.
Pred vsemprcemna frzce na potrubi ytahnete siovou zastrku!
Mazaci latyk pro kluzne plochy
Stroj na frzovanie rur nie je vchodny na vykonanavia rezov v spatnom chode!
Upozornenia tykajuce sa chladenia a mazania.
Hmotné škody!
Vlozeny, resp. nasadeny nastroj musi byc pozas frzovania chladeny a mazany. Pri naedostatocnom chladeni a mazani sa mozu zaseknut triesy. Moze to sposobit zlomenie nastroja.
Riadte sa udajmi/pokynmi/upozorneniami vyrobcu pouziteho chladiva
-
Rechte rury zo sivej liatina vždy bez chladiaceho maziva, teda suchým spôsobom.
-
Chladte pilovy kotuc, resp. frzu pri rezan nelegovanych ocefovych rur mydlovou vodou.
Nastavenie presnosti chodu.

Vysunte vlozeny, resp. nasadeny nastroj mimo zaber.
Vypnite stroj na frzovanie rur.
- Odoberte vlozeny, resp. nasadeny nastroj.
- Odopnite stroj na frzovanie rur.
Skladovanie stroja na frézovanie rur.
Roztahovacie kliny z ocele
| Objednávacie Čísló | 3 02 17 216 00 4 |
| Objednávacie Číslo | 6 33 05 006 00 8 |
Dodané prisluenstvo
Volitelné prisluşenstvo
| Objednámace Čísló Pocět Názov | ||
| 3 39 01 11 4 00 7 1 P | re pravný obal | |
| 3 39 01 031 00 1 | 1 | Kufor na náradie |
| 3 2 1 2 2 0 0 7 0 1 7 1 R | účné křúka | |
| 6 29 01 016 00 2 | 1 | Jednostranný křúč, velkost křúča 46 |
| 6 29 03 010 00 6 | 1 | Jednostranný křúč, velkost křúča 55 |
| 3 1 2 0 7 3 3 3 0 1 0 1 N | apínač reța zé iba pre RSG Ex 1500 A/B (**) | |
| 6 29 11 010 00 0 | 1 | Prstencový křúč, 17/19 |
| 6 29 06 014 00 0 | 1 | Nástrčný křúč, velkost křúča 46/41 |
| 3 0 2 3 1 0 2 9 0 0 2 2 0 | V a | čeková rețaz |
| 3 0 2 1 7 2 1 6 0 0 4 2 0 | S vorník | |
| 4 26 34 020 00 5 | 40 | Poistný krúžok |
| 6 3 3 0 5 0 1 3 0 0 2 5 R | ožfahováci kliny, bez tvorby iskler pre RSG Ex 1500/18 A/B (**) | |
| 3 0 7 0 2 0 4 1 0 1 4 1 | Rozvídzač pre RSG Ex 1500/18 A/B (**) | |
| 3 21 74 009 00 1 | 1 | Zdvihaci popruh |
| 3 21 74 010 00 3 | 1 | Zdvihaci popruh |
| 3 07 28 188 00 8 | 1 | Spojka CEE pre RSG Ex 1500/18 A/B (**) |
| 3 02 31 035 02 0 | 1 | Rețaz iba pre RSG Ex 1500 A/B (**) |
| 3 0 2 1 6 1 6 6 0 1 0 1 | S vorník iba pre RSG Ex 1500 A/B (**) | |
| 3 4 0 5 6 0 2 6 0 0 0 1 Z | asúsvacle ko t učé iba pre RSG Ex 1500 A/B (**) | |
| Objednávacie Čísló Pocět Názov | |||
| 302310130271R | efáz s10 reťa | zovými úsékmi | |
| 426340200051P | oistnékrúžok | ||
| 302172160041vorník | |||
| 430120511221Z | alicovanáskrutka | ||
| 63305013002 | Vyrážací klin bez vzníku Iskrenia | ||
| 91201002004 | Pneumaticke zariadechladenie a mazanie (DKSE) | ||
| 32433027017 | 1 | Pripájacie diely pre DKSE (platna) | |
| 92601023023 | 1 | KOMPresor pre DKSE | |
| 31414055002 | 1 | Hadica PA-DL, kompletná, prekompresor | |
| 411360050191S | pájací prvok | ||
| 302310350201 | Reťaz | ||
| 302161660101 | vorník | ||
| 340560260001Z | asúvacie kotúče | ||
Pneumatické zariadenie na chladenie a mazanie 9 12 01 002 00 4
Na zákblade pravdepodobne vysokych reznych rychlosti a rychlosti posuvu stroja na frézovanie rur je pri opracovávaní potrebné chladenie a mazanie nastrojov. Pneumaticke zariadenie na chladenie a mazanie pracuje na zákblade principu roźprawoia vyparovania chladiaceho maziva a vdaka Rozprawovácim dýzam, ktoré su namontované na stroji na frézovanie rur, poskytuje nepretržite a dobrechladenie a mazanie.
Tlumaczenie oryginalnej instrukcji eksploatajni.
Uzyte symbole, skróty i pojecia.
| Symbol, znak Objsnienie | |
| 11 | Nalezy stosować są doazoleń zawartych wznajdujⁿym są obok tekędzie lub na rysunku! |
| 2 | Załaczone dokumenty, tzn. instrukcje eksploatacji i ogólne wskazówki bezpiecieństwa sąȩzy koniecznie przyciezytać. |
| 3 | Pod;czas pracy sąȩzy użwoć Środków ochrony oczu. |
| 4 | Pod;czas pracy sąȩzy użwoć Środków ochrony sluchu. |
| 5 | Pod;czas pracy sąȩzy użwoć Środków ochrony rąk. |
| 6 | Ogólne znaki zakazu. Ten spośob postępowsania jest surowo wzbroniony. |
| 7 | Zabrania są dotykać! |
| 8 | Nie sąȩzy dotykać czegość elektronarȩźdia;będzych w ruchu. |
| 9 | Zabrania są dotykać lamychów i zȩbników! |
| 10 | Ostrzeżenie przy odstrymi krawędziami narȩźdi roboczych, na przyklad ostrzami noźy. |
| 11 | Goręca powierzchnia! |
| 12 | Zakres chwytania |
| 13 | Informacja dodatkowa. |
| 14 | Potwierdza zgodność budowy elektronarȩźdia z wytycznych Wspólnoty Europejskiej. |
| 15 | Wyeliminowane elektronarȩźdia i inné produkty elektrotechniczne i elektryczne sąȩzy zbierać oddzielnie i podȩć utylizacje zgodnia z zasadami ochrony Środkowska. |
| 16 | W zadnym wypadku są sąȩzy przyklecérić trzech srbu zabezmieczajycch. |
| 17 | Dotyczy tylko ChRL: Ochrona Środkowska przy normalnym zgodnym z przyznaczenia użtykOWANIuwynosi 10 lat. |
| (*)MZ)MZ)MZ) | alfabetu |
Dane techniczne.
| Numer zamówieniowy 7 360 ... 7 360 ... | ||
| Wersja konstrukcyjna* | RSG Ex 1500 A (**) | RSG Ex 1500 B (**) |
| Numer zamówieniowy 7 360 ... 7 360 ... | ||
| Wersja konstrukcyjna* RSG Ex 18 A (**) RSG Ex 18 B (**) | ||
| Napiȩcie (U) 400 V 400 V | ||
| Czȩstotiwość (f) 50 Hz 50 Hz | ||
| Rodzaj podłaczenia do sieci 3 ~ (Prad przyemlienny) | 3 ~ (Prad przyemlienny) | |
| Pędkość obrotowa bez obłowenia (n₀) | ||
| - Silnik | 2860 /min | 2860 /min |
| - Narȩźdia robocze | 35 /min | 70 /min |
| Posuw (f) | 40 mm/min | 80 mm/min |
| Moc uzytkowa (P) | 1500 W | 1500 W |
| Przewód (z wyczka) | ||
| - RSG Ex 1500 (**) | 2 x 20 m | 2 x 20 m |
| - RSG Ex 18 A/B (**) | 2 x 20 m | 2 x 20 m |
| Klasa ochryny | ①/Ⅰ | ①/Ⅰ |
| Rodzaj ochryny | IP X4 | IP X4 |
| *Silnik elektryczny i posȩdniczenia przyplenę zniemski wiersji przyciwyybuchowej (zgodnia z ATEX) | ||
| Wersja konstrukcyjna® RSG Ex 1500 A (**) | RSG Ex 18 A (**) | |
| RSG Ex 1500 B (**) | RSG Ex 18 B (**) | |
| Wymiary: | ||
| - Masa (m) | 80 kg | 80 kg |
| - maks. srednica narzejdzia roboczego | 220 mm | 220 mm |
| - Lmaks. | 974 mm | 1088 mm |
| - Hmaks. | 334 mm | 334 mm |
| - Bmaks. | 450 mm | 431 mm |
| - B1 | 371 mm | 371 mm |
| - B2 | 201 mm | 201 mm |
| - B3 | 791 mm | 991 mm |
Zastosowanie frezarek do rur:
Frezarka do rur przyznaczonja jest do cięcia i przyzowania zarowy no odślonietych, jak i są zulożonych rur stalowych i zeliwnych oraz do fazowania końówek rur przyd spaławien na placach budowy, w halach produktynych i na Wolnym powietrzu. Frezarka do rur przyznaczonja jest dla firm spezialistycznych, do obstugi przyźed opadowiednio wykwalifikownikany personel podczas codziennych zastosowanie nieciagych.
Kompletna frezarka do rur nie jest dopuszczona do pracy w przyestrzeniach chronionych przyed wybuchem.
Frezarka do rur nie jest przyznacznona do:
-zastosowan w strefach zagrozonych wybuchem;
- zastosowan podczas silneo deszczu lub pod woda;
pracy poza zakresem temperatur lezacym miedzy -20°C i 40°C;
- przechinania materiałów wybuchowych;
- przechinania materialów latwopalnych;
Wytyczna europejska 94/9WE ATEX (Atmosphères Explosibles)
Informujemy, ze frezarki do urr firmy Feln typu RSG Ex ( ) nie zostaly dopuszzone do pow w obszarach zagrozonych wybuchem i dlatego nie posiadajone Ccertfikatow domologacj typu w ramach weryfikacion WE 94/9.
(W przypadku frezarki RSG Ex (^**) wbudowane zostaly dwa elementy zgodne z ATEX: silnik elektryczny oraz przy.§ćznik posrednicźyc.)
Wytyczna ATEX obowiazuje tylko na obszarze WE.
Przeglad
1 Napinacz
2 Sruba mocujaca pIyte bocznai
3 Plyta boczna
4 Wskazówki
5 Sworzen
6 Pret gwintowany
7 Podajnik
8 Sruba z Ibem walcowym do podajnika
9 Sruba pasowana
10 Osbiezna
11 Dzwignia zaciskowa
12 Šruba z Ibeh szeciokatnym
13 Podkradka
14 Os napinacza
15 Nakretka
16 Wrzejciono do mocowania narzedzia roboczego
17 Nakretka do rur
18 Šruba mocujáça do silnka
19 Nakstadka
20 Koto tancuchowe
21 Wal transportowy
22 Pierscien zabezpieczajcy
23Kotek
24 Sruba blokujaca wrzeczno narzedziowe
25 Uchwyt transportowy (izolowane powierzchnie rekojesci)
26 Podzialka glebokosci
27 Nakretka radetkowana
28 Dzwignia przyȩćznika posuwu
29 Napinacz fancucha - szesciokat
30 Podkradka do napinacca tancucha
31 Šruby zabezpleczajace naplnacz lńcucha
32 Pierscien zabepezcieczajcy ogniwa fancucha
33 Sworzen ogniwa tancucha
34 Petle do noszenia
Dla wlasnego bezpieczentstwa
Ogólne wskazówki bezpieczewska.
OSTRZEZENIE
Nalezy przyczycytawcyszystkie wskazowki bezpieczentstwa, instrukcje ilustracja, a takze dane techniczne umieszczone
na elektronarzedziu. Nieprzestrzeganie wskazowek bezpieczentwa i zalecen
moze doprowadzic do porazenia pradem elektrycznym, pozaru i/lub powańych obrażć ciala.
Wszystkie instrukcje i wskazowki bezpieczene sta nalezy przechowywać do ewentualnégo dalszego zastosowania.
Uzywane wskazówkach bezpieczefstwa pojeclc „elektronarzedzie" odnosi sie do elektronarzędzi, zailanych z sieci (z przywodem sieciowym) oraz do elektronarzędzi, zailanych akumulatorami (bez przywodu sieciowygo).
1) Bezpieczneistwo mistragsca pracy
a) Stanowisko pracy nailsy utrzymywa w czystosci i dobrze oswieltone. Nieporzadek w mielscu pracy lub nieoswieltona przystrzen roboczna sprzyjaja wypadkom.
b) Nie nalezy uzywac elektronarzędzia w srodowiskach wybuchowych, twarzonych przy latwo palne ciecie, gazy lub pyly. Podczas pracy elektronarzędziem wytarzaja sieISKry, ktore moga spowodowac zapton pplyow lub oparow.
c) Podczas uzytkowania urzadzenia nalezy zwrocić uwage na to, aby dwzieci i innate osby po stronnne znajdowary sie w bezpiecznej odleglosci. Czynniki Rozpraszaja cnga spowodadc utrate panowania nad elektronarzedjem.
2] Beziepcei nestwo elektryczne
a) Wtyczki elektronarzędzi powinny pasownik do gniaźd. Nie wolno w zadnej sytuacji I w zęden spośob modyfikłowac wtyczek. Do elektronarzędzi uziemieniem ochronnym nie wolno uzywac zadnych wtyków adaptocyjnych. Oryglinalne wtzczki I pas subjace do nich gniaźda sieclowe zmnlejszaja ryzyko parażenia pradel.
b) Nalezy unika kontaktu z uziemionymi elementami lub zwartymi z masa, takimi jak raky, grzejniki, pie i lodowki. Uziemienie ciała zwaightszra rzyko porazenla pradem elektrycznym.
c) Elektronaręzdza naleźychroniczędzem i wilgocia. Przedostanie są wody do wnetrza obudowy zwiększa ryzyko prorażnia pradem elektrycznym.
d) Nigdy nie nalezy uzywać przywod do innych czynnosci. Nigdy nie nalezy nosić elektronarżędzia, trzymajć je za przywod, ani uzywać przywodu do zawieszenia urzadzenia; nie wolno teź wymiąc wtyczki z gniażda pociagajć za przywod. Przywod nalezy chronicź przydwoskimi temperaturami, nalezy go trzymać z dala od oleju, ostrych krawędzi i rucho-mych;czesci urzadzenia. Uszkodzone lub splatane przywodzy zwojekszaja ryzyko porazenia pradem elektrycznym.
e) W przypadku pracy elektronarzędzium na wolnym powietrzu, nalezy uzywac przewodu przydłuszajęco, dostosowanego rownieź do zastosowanżewnétrznych. Uzycie przydłuszacja dostosowanego do pracy na zewnatrixzmnijsza ryzyko prazenia prȩdom elektrycznym.
f) W riazie koniecznosci zastosowania elektronarzędzia w wilgotnym otoczeniu, nalezy zabepezieczyc obwod zasilania wyplażnikiem ochronny roznicowo-pradowym. Zastosowanie wyplażnika ochronego roźnicowopradoswogo zmniejsza rzyko porażenia pradem elektrycznym.
3) Beziepieczneistwo osob
a) Podczas pracy z elektronarzędzielem nalezy zachować ostroznosć, zaźda czynnosć wykonywać uwaznie i z rozwag. Nie nalezy uzywnie elektronarzȩdza,;będac zmeczonym lub znajdujac sie pod wplywem narkotyköw, alkoholu lub lekarstw. Chwila nieduwagi podczas praczy sąze要去 grozić bardzo powaźmyr urazami ciał.
b) Nalezy stosowac osobiste wyposazenia ochonne. Nalezy zawsze nosic okulary ochonne. Noszenia osobistego wyposazenia ochonnego - maski przechiwypłowey, obuwa z szorstk podeszwa, kasku ochonnego lub srodkow ochrony stuchu (w zaleznosci od rodzaju i zastosowania elektronarzedzia) -zmniejsza ryzyko obrazeń ciała.
c) Nalezy unikać niedamierzonego uruchomienia naręźdia. Przed wlożemiel wtyczki do gniażdka i/lub podlączemieni do akumulatora, a takość prsed unie-sieniem lub transportem elektronarźdia, nalezy upewnico sie, ze wylącznik elektronarźdia jest jest w pozycji wylączonej. Przenoszenia elektronarźdia z palcem opartym na wolażniku/wyolażniku lub wlożenie do gniażda sierciewego wtyczki wolażonego narȩźdia,要去 stać przy-czyna wypadkBów.
d) Przed wlaczeniem elektronarzędzia, nalezy usunac klucz e przyrzady nastawcze. Narzedzie lub klucz, pozostawiony w ruchomych czeciach urzadzenia moga spowodowych obrażeniacka.
e) Nalezy unikać nientaunalnych pozycji przy pracy. Nalezy dbac o stabilna pozycje przy pracy i zachowanie rownowagi. Dzieki temu:noza条规定 lepiej zapanowac nad elektronarnejdziem w nieprzewidznych sytuacjac.
f) Nalezy nosic odpowiednie ubranie. Nie nalezy nosic luznej odziezy ani bizu terii. Wlosy i ubranie nalezy trzymac z daleka od ruchomych elementow. Luzne ubranie, bizuteria lub dlugie wlosy moga zostac pochwycone przye ruchome czesci.
g) Jezeli produit przywidzial urzadzenia odsysajace i wychytoyujuce pyl, nalezy upewnic sie, ze sa one podlaczone i sa prawidlowo stosowane. Uzycie urzadzenia odsysajacego pyl要去zmniejsycz zagrozenia zdrowia pylami.
h) Nie wolno pozwolic, ary rutyna nabyta wwyniku wielokrotnego uzycia elektronarzędzia, zastapila scsie prestrzeganie zaasad bezpieczentwa. Niedbale oblsugwane elektronarziedzie moze w ulamku sekundy wyrzadzic istotne szkody lub spowodac cziekie obranzenia.
4) Obluga i konserwacja elektronarzedzi
a) Nie nalezy przyciejać elektronarżedzia. Nalezy dobrać odpwiednie elektronarżedzie do danej czynnosci. Najlepska jakość icosobiste bezpieczentwo myza odsiąć stosujć odpwiednio dobrane elektronarżedzie i pracujuć z predkość do jakiej zostalo zaprojektowane.
b) Nie nalezy uzywać elektronarżedzia z uzskodzonym wącznikiem/wyȩcznikiem. Elektronarżedźle, którego nie są za sterowania wącznikiem/wyȩcznikiem jest niebepez引擎 y wymiaga naprawy.
c) Przed Rozpoczeciem jakichkolwiek prac nastawczy, przyd wymiana osprzęt uł przem odlożemien elektronarźdia sąȩwość z gniażda sieciowyego i/lub usṇ⁺ć akumulator. Ten srodek ostrożnosciogranożna ryzyko niedzamierzonego uruchomienia elektronarźdia.
d) Nieuwywane elektronarzedzia nały przechowyac w myejscu niedostepnym dla Dzieli. Nie nały udostepniac narzedzia osobom, ktore nie sa z nim obznane lub nie zapoznaly sie z ninejsza instrukcja. Elektronarzedzia w rekachNieprzeszkolonego uzytkownika sa niebepezcieczne.
e) Elektronarzędzia i osprzet nalezy utrzymywac w nienagannym stanie techniczynm. Nalezy kontrolowac,czy ruchome czeci urzadzenia prawidlowo fungcjonuja i nie są zablokowane,czyNie doszlo do uszkodzenia niedtorych czeci oraz czy我不想epuja innokolicznosci,ktore mogaMIC wplyw na prawidlowe dzialanie elektronarzędzia. Uszkodzone czeci nalezy naprawic przyzciem elektronarzędzia. Wiele wypadkowski spowodowych jest nowa zwiacy konserwacja elektronarzędzI.
f) Nalezy stale dbać o czystość narędzi tnacych i regularnie je ostrzyc.
Starannie konserwowane, ostre narȩdź tnace rzbadziej sie blokuji i są latwiejsze w obstudze.
g) Elektronarzedzia, ospreet, koncowski itp. nalezy uzywac zgodnie z niniejsza instrukcja, uwzgldniąć warunki pracy i rodzaj zadania, ktore nalezy wykonac. Wykorystywanie elektronarzedzi do celow niedgodnych z ich przyznaczenia jest niebezpiecze.
h) Uchwyty i powierzchnie chwytowe powinny byc zawszeSuche, czyste, niedzabrudzone olejem ani smarem. Sliskie uchwyty i powierzchnie chwytowe nie pozwalaja na bezpieczne trzymanie narzedzia i kontrôle nad nim w nieoczekiwanych sytuacjach.
5) Serwis
a) Naprawe elektronárżedzia nalezy zleća wyplaćnie wykwalifikowanemu personelowy i przy uzyciu oryginialnych czȩci zamiennych. W ten spośob zagwarantowanja jest bezpieczna eksploataacja elektronárżedia.
Specjalne wskazówki bezpieczeste sta dla frezarek do rur
Podczas uruchamiania frezarki do rur, jak rowniez podczas jej konserwacz i eksploataci lately zo prestrzega lokalnych przy potęsow dotyczych zapobiegania nieszczesliwym wypadkom.
Nalezy przyestrzejac ustawowych dyrekwy dotyczych ochrony przyciwyybuchowej.
Nalezy dba o stabilna pozycje obrabianej rury. Niestosowanie sie do tego zalecenia moze prowadzić do powaznych obrażn lub smierci.
Frezarki do rur z napedem elektrycznym (wersja konstrukcyjna RSG Ex (^**) ).
Napięcie sieciowe musi są zgodzac z danymi umieszczonymi na frezarce do rur. Przyȩcombe frezarki do rur musi byc zabezpieczzone bezpiecznikiem 20 A.
Przewód sieciowy i ewentualnie zastosowany przydluźacz sąȩy regularnie kontrłowac!
Frezarke do rur nalezy podlaczac do szafy sterownikiej tylko po wylaczeniu wylacznika glownego
Operator musi miec swobodny dostep do szafy sterownikzej.
Zastosowanie
Uchwyty i innate powierzchnie chwytowe powinny byc zawszeSuche, czyste, wolne od smarow i oleju. Sliskie uchwyty zagrażaja bezpieczentwu pracy i moga stać sie przymczyna utraty kontroll nad elektronarzédzlem w nieprzewidzianych sytuacjach. Podczas wykonywnia prac, przy tkorych narzedzie robocze mogloby natrafic na ukrte przywody elektryczne, urzadzenia nały trzymac wylącznie za izolowane powierzchnie rkojesci. Kontakt z przewodem siele zasilajęje sąspodowej przekazanie napiecia na czȩci metalowe urzadzenia, co mogłoby spowodowej porazenie pradel elektrycznym.
Nie nalezy przyciejać frezarki do rur. Obróbki nalezy dokonywać odpwiednim, przywidzianym do tego celu narźedziem roboczym. Dobrze dobrane narźedzie robocze zapewnia wygodę i bezpieczność spracy.
Nie nalezy uzywać frezarek do rur, ktorych wylącznik jest uszkodzony. Frezarka, ktożej nie da sie wączyć lub wylączyć stanowyNiebezpieczność dl uzytkownik i musi zostac poddana naprawe.
Przed przystapieniem do czynnosci regulacyjnych lub wymiany narędzi roboczych naleź przerwać dopły wergii. Ten srodek ostrożnosci zapobiega niedzamierzonemu wączenia ięs zrezarki.
Nie nalezy udostepniac frezarko do ur rob osobom, ktore nie zostaly z niq zaznajomione lub ni przyczetytai niewszych przy beznosno. i niedoswiadczone osoby stanowia nebeziepceznstwo.
Nalezy regularnie konserwowac frezarke. Nalezy regularnie kontrlowac frezarke do rur pod katem moziwych uszkodzen, lub inny czynnikow, mogacych negatywnie wypnac na pracze urzadzenia. Nieprawidlowo funkcionujacf frezarke do rur nalezy zreperowac przystapieniem do pracy. Zlekcewazenie drobnych usterek i uzskodzen frezarek do rur spowodowo zuj niedelen powazny wypadek, ktorego moins byto uniknac.
Frezarko do rur, osprzej i narzedzia roboczne nalezy stosowac zgodnie ze wskazowkami zawartymi w niniejszej instrukcji eksplaatcj. Nalezy przy tym zawsze uwzgldniac warunki i rodzaj wykonywanej pracy. Niezgodne z przyznaczeniem uzychec frezare do rur moze doprowadzić do siebezpiecznych sytuacji.
Funkcjonowanie urzadzenia (zob. rys. A).
Frezarka do rur sluzy do cięcia i frezowania przy ulożeniem oraz juz ulożonych
rur przy uzyciu skrawajych narźedzi roboczych. Za pomoca zintegrowanego
napinacza moins ja latwo zamocowych po zewnetrznej stronie obrabianej rury.
Frezarka przytuwa są smocznennie dookola rury. W frezarkach do rur
wykorystuste są metalowe pły tarczowe oraz frezy ksztaltowe, ktorych
krawedzie - w zaleźnosci od zastosowanego materialu - wykonane zostaly ze stali
HSS lub z weglica spekanego.
Glebokosc cięcia można ustawic za pomocza wrzeciwna narźedziowego (16), ruchomo osadzonego w obu płytkach bocznych (3) oraz przy gwintowanego (6).
- Wal transportowy (21), wykonujacy posuw roboczyc wprawiajac w ruch kola ktransportowe, napedayzani jest wrzeconem narędziowym uruchamianym dwustopniowa przykladnie silmakowa.
Właczyc wylączyc ruch posuwowy można dzwignia (28). Sprzego poslizgowe zabezpieczna przyekliadnie przy部分地区。
Wrzejciono narędziowe zostalo szeczognie sztywno utozyskowane. Napędzajca wrzejciono narȩdziowe i pracząwa w kapieli ociejewi przykeklią glówna jest dwustopniowa: składc są z przykekliani planetrnej i przykekliani slimakowej.
Wymiary przykladni zostaly zaprojektowane w taki sposob, aby gwaltowne hamowanie lancucha odblyo sie nie wyrzadzajac zdznych szk od. Wszystkie waly przykladni ulozyskowane są w lozyskach walcowych.
Zadaniem ramy frezarki i jej osi jest prowadzenia zamocowanej na turze maszyny oraz przenoszenia sil tncych i sil poswu.
- Rame:noza dopasowac do srednicy zewnetrzej rury przyez przyestawienie osi bieznaj (10).
Lancuchy zaciskowe montuje sie z pojedynczych fragmentów o rownej dlugosci. Ilość potrzebnych fragmentów oraz ostateczna dlugosc lancucha zaciskowej uzalezniona jest od srednicy zewétrznej rury.
Transport.

Podczas transportu frazarki do rur istnieje niebepezicznstwo doznania obrazeni. Frezarke do rur powinny transportowae minimum trzy osoby; w innym wypadku nalezy koniecznie uzyc wchodzych w sklad dostawy pendl (34).
Przed pierwszym uzytkowaniem.
Istnieje niebepezpieczefstwo doznania obrazen za sprawna neoczekwiwanego ruchu obrahbianego elementu. Przed przystapieniem do obrkki element nalezy zabepezycz供求ne neoczekiwnyam porouszieniem sie. Istnieje
niebeziepceznstwo, iz obrabiany element przykreci sie podczas obrók, spadnia lub przysunie.
Maszyny wolno eksploatowac wyplacznie wovczas, gdy znajduje sie ona w nienagannym stanie technicznym. Przed kazdym uruchomlienem maszyny nały skontrolowac ja pod katem uszkodzonych lub zuzytych narzedzi roboczych i elementów konstrukcyjnych. Zuzyte lub uszkodzone narzedzia roboczecienty konstrukcyjne nały bez zwolki wymienci na nowe.
Prace przygotowawce przy przyeznaczonej do obrobki hurze.
Rury ktore beda ciete na placu magazynowym lub placu budowy, nalezy umiesci na podkladkach w ten sospob, aby w czasie przechinania narzedzie roboce ne blokwalso sie.
- W przypadku rur juiceslozonych nalezy na kaźdym odcinku wynoszacym 1 m zachownik odstep wynoszacy 50 cm od sciany dolu, mierzony od zewnetrzej strony rury.
Powierzchnia przyznaczona do obrsbi powinna bye wolna od wzelskiego rodzaj zuanieczyszczene. Z obrblanej powierzchni nalezy tez usunan miękka powlokte ochronna.
Wyboru naręźdia tnacego naleź dokonywać kierujac sie rodzajem materialiu, z którego zostafa wykonana rura, zaplanowanego rodzaju skrawania, oraz rodzaju zastosowanego chlodziwa.
W obrebie ruchu kolek i tancuchow nalezy usunac szwy spwalnicze.
Dalszych informaci można uzyskć u dostawcy srodów smrno-chlodźych. (zob. teź: Pneumatyczne uradzionie chlodźco-smarujace 9 12 01 002 00 4)
Chlodzlo do temperatur do 0^
- Chlodziwo BLOCUT 1 | - 3 21 32 039 00 0
- Chłodziwo BLOCUT 51 - 32132040000
Chlodzwiwo do temperatur do 25^
- Chlodziwo 1 L - 3 21 32 042 00 0
- Chłodziwo 51-32132043000
Prace przygotowawcze przy frezarce do rur (zob. rys. A).
Zwolnic dzwignie zaciskowa (11).
- Przesunarwzeciennik (16) do góry, uzywajc do tego celu dzwignie recznia (znajdujáci sie w wallice narędziowej), kóra moins osadžić osadžić przy podajniku (7).
- Usanac s Ruby pasowane (9) i prerzemontowac os bieznag (10) dopasowujac ja doactualnej srednicy zewn. rury, kierujac sie danymi zawartymi w tabeli (4).
- Ponownie dokrecic s Ruby pasowane (9).
RSG Ex 1500 A/B (^**)
| P | D [mm] [inch (cal)] | |
| I 250 – 400 9.8 | -15.7 | |
| II 400 – 600 15.7 | -23.6 | |
| III 600 – 900 23.6 | -35.3 | |
| IV 900 – 1500 35.3 | -58.9 |
RSG Ex 18 A/B (^**)
| P | D [mm] [inch (cal)] | |
| I 250 - 400 9.6 | 15.7 | |
| II 400 - 600 15.7 | - 23.6 | |
| III 600 - 800 23 | 6 - 31.5 | |
| IV 800 - 1000 3 | 1.5 - 39.4 | |
| V 1000 - 1300 3 | 39.4 - 51.2 | |
| VI | 1300 - 3000 | 51.2 - 118.1 |
P: Pozycja osi bieznjej
D: Srednica rury
- Obracajn napinaczem sprezynowym wysunac napinace tancuchow (1),aby po zamocawani frezarki do rur, pozostalo jestzsche dosc miejsca do obrobki.
Zmontowac Iancuchy napinajace, tak aby pasowaly na srednice zewnetrzna przyeznacionejo obrobki rury.
Umieszic frezarka na turze i zabepieczyc przyd przekrceniem sie za pomocadzwignicy.
Stosujac napinaczzmontowate lancuch prowadzacy na taka dlugoste,aby pasowal na srednice zewnetrzn a rury przyznacionejo do obrobki.
- Unieruchomic tańcuch prowadzagy w odstepie wynoszacym 10 mm od tańcucha napinacjaego, naprzejmi narędźia frezujacego. Odstep sworznia tańcucha prowadźaco go od sworznia tańcucha napinacjaego wynosi 10 mm.
- Odstep ten nalezy skontrolować co najmiej w trzech rożnych milejscach na obwodzie rury.
Mocowanie frezarki na turze.
Nakladanie Iancuchow
- Nie zamkniete jestcze tancuchy ulozyc dookola rury z obu stron frezarki.
Unlesc frezarke I wsunac tancuchy pod kola tancuchowe (20), tak ay po
osadzeniu frezarki lancuchy znalazly sie w zacepie. - Przeprowadzić swobodne konc fancuchów przyez kola osi (14), i nakladke (19).
- Polaczyc sworzniem (3 02 17 216 00 4) oba konce lancucha i zabezpieczyc oboma pierscienciami zabezpieczajacymi (4 26 34 020 00 5).
Naciag Iancuchow (zob. rys. A)
-Ulozyc oba lanciachy lekko na urze, kracoboma napinaczami sprezynowymi (1).Aby frezarka znalazla sie we walsciwej pozyci, nalezy ja kilkakrotnie poprowadzić po obwodzie rury w te i z powrotem.
- Napić tlańcuy, krecć obomá napinacámì sprežynowymi, aź kolek (23, rys. A) znadzie są w podluznym otworze napinacza, w wyłlobionnym do tego celu rowku.
- Podczas procesu obrobstk nalezy observwoć połoźenie kolka. Jeźeli rura przybiera niedrakgly ksztalt, nacią nalezy zȩwskić zubzmiejszyc. Prźed przystapieniem do obrobstk nalezy usnęc wyszystkie zȩtery rekójsć.
Zagrozenie wypadkiem!
Niewolno przekrecac napinacza sprezynowego poza ten punkt!

Montañ narzedzi roboczych.
Niebepiecznebstwo doznania obrażćciała
Istnieje niebepezecznwo doznania obradezh ciala wskutek niezamierzonego wlaczenia. Przed przystapieniem do montazu narędzia roboczego na三点y wyjać wtyczek sieciowa z gniażda.
Niebepezceinstwo doznania obrzei ciala
Istnieje ryzyko skaleczenia sie ostrymi krawedziami narzedzia roboczego. Podczas montazu I demontazu narzedzia roboczego nalezy nosic rekawice ochronne.
Niebepezienstwo doznania obrażćcia
Istnieje nlebepzecne stwo oparzenia sle goracym narzedzlem roboczym. Podcas demontazu narzedzia roboczego nalezy nosic reckawice ochronne. Nosic reckawice ochronne.

Stosowac nalezy wyłacznie naręździa robocze z niewskodzonymi krawedziami.
- Przed osadzeniem wrzeclona nalezy oczyscić powlerzchnie pasowania i przylegania.
Osadzic narzedzie robocze wraz z podkladkami dystansowymi.
-Mocno dociagnac nakretke mocujaca narzedzie roboczne.
Uruchomienie urzadzenia
Frezarka do rur:

C
Frezarkl do rur z napedem elektrycznym sąȩzy podlacźcy do szymi sterownikicy, posiadajȩcji nastepujće elementy składowe:
-Wlacznik glowyprzelaznik kierunko obrotow-Wylaclznik silnikowy
-Wyzwalacz podnapieciowy
-Polaczenia wtykowe
Wytacznik glównystosowany jest do wączania maszyny oraz do zmiandy kierunku obrotów. Wytacznik silnikowy i wyzwalacz podnapieciwy stanowíajejdna calośc. W razie przyȩzenia frezarki reaguje wytacznik silnikowy, a w razie awariw dostawie pradu wyzwalacz podnapieciwy odźacza frezarkówied siedci, aby zapobiec jej niedamierzonemu rozruchowy.
Ponowne uruchomienie frezarki odbywa sie poprzej uruchomienie wyacznika przyckażeniewego.
Szafé sterownikacja naleź yumieść w taki spośb. aby uzytkownik są w kázdejchwili do niedostć.
Frezarka do rur wykonana została częciwo w wersji przyciwyybuchowej:

Do pracy frezarka do rur w srodowisku
zagrożonym wybuchem strefy 2 naleź y明智 szafa
sterownikca podlaczyc skrzynke rozdzielcka
zaopatrzone w dodatkowy wącznik/wȩzznik.
Skrzynke rozdzielcka naleź umieść w taki
sposob, aby uzytkownik sąg sie w kaźdejchwili
do niedostć.
Niebepezeneistwo wybuchu Szafe sterownikca nalezy umieszeci poza stref2.
Obsluga
Niebepzpieczeneistwo doznania obrazen ciala
Pokrywa ochronna musi byc przy czy czas przy calkowicie zamknieta i zablokowan!
NiebeziepceINSTwo doznania obrażen spowodanych przy unoszacie sie opilki
Moga one spowodowac skeleczenia. Nalezy zwróci uwage, aby w obszarze zagrozenia (strefie niebepezcieznaj)Nie znejdowaly sieźadne osoby trzechie.
Niebepezieanse wo pozaru spowodawanego przyez unoszace sie opilki Nalezy zworci uwage, aby w obszarze zagrozenia (strefie niebepezcienej)Nie znajdowy si zdne latwopalne materialy lub przemioty.
Niebezpieczeneistwo doznania obrażćciala
Podczas włuczaniafreyzarki do rur istniejeNiebepeziecz nestwo doznania obrażen spowodowanych przy odzucone drobine elementy. Prźed kaźdym zastososowaniemfreyzarki do rur naleź wyusnoch korbeśćn.
Rozruch
W przypadku frezarek do rur napedzanych motorem elektrycznym nalezy skontrolowac,czy kierunek obrotu narędżia obrotowej jest wąsciwy. Zmiany kierunku ruchu dokunję sie za pomocza prȩclazznika kierunku obrotów, umieszczonego przy skrzynce roździelciej.

Niebezpieczeneistwo doznania obrazeń ciala
Podczas pracy maszyny istmieje niebepezcieznstwo doznania obrażencka spowodowyach obracajymi sie elementami. W strefle niebepezcienej maszyny wolno przybywac wylącznie w celu dokonia nastaw i przy zachowaniu niedzbednych srodkowski bezpieczehstwa.
- Wylaczyc przykriadnie posuwu dzwignia (28).
-Wlaczyc frezarkdo rur.
Zwolnic dzwignie zaciskowa (11) 1 za pomoca dzwigni recznej zagbeic w rurze obracajc siertcze na tyle, na ile to moziwie. Glebokie zarunienie tarczy w materiale pozwala na stabilny przebie经营活动
Podczas frzowania nały utrzymywać moziwie niskie zaangażowieanie naręźdia roboczego w obrobke. Im growska glębokość ciecia, tym grubszy tworzy sle wór.
Narędzie robocze sązy zanurzyc w materiały ok. 3 mm. glebiej,iesz jest to potrzebne, a thapsiekne prosteastawic na wymagana glębokość. W ten sposob utrzymane zostanie niskle zaangażońie narȩdzie roboczego.
Stosujac podzialke glebokosci moza dokonac takiego ustawienia, by naradzie "drapafo" po powierzchni rurry. Zwoilnic nikretke radelkowana (27) 1ustwic wskazowke (28) na 0. Ponownie doclagnak nikretke radelkowana (27). Ustwionja glebokosci moza odczytc na podziale.
-Wylaczyc frezarke.
- Na zakończenie ustalic nastawe, zaciagajć dzwignie zaciskowa (11).
- Ponownie wączyc frezarke.
- Właczyc przyzekfadni posuwu dzwignia przy.§acznika posuwu (28).
- Jezeli wydajnosc silnika na to pozwoli, scenke rury nalezy przechina犄ciem.
- Przelozone rury moga ugić sie podcas cięcia i narzedzie robocze zablokuje są w riazie. Z togo powodu naleź do powstajego rzazu w;bjac w regularych odlegość chalzocrine w dostawie klyn. W srodowisku zagrozonym wybuchem naleź stosowac klyn (6 33 05 013 00 2) (RSG Ex 1500 A/B ( ) ) ośprzet wchodź y w skląd dostawy) i mlotek, kró zostaly wykonane z materiały nie wytwarzajacego iskier.
Nalezy unikać przyciezenia frezarki do rur.
Przeciäenie ma miieszcie wówczas, gdy podczas wpwadzania pracujucego narzedzia roboczego do materiaiu licza obrotow silnika zauważalnie spada.
Wwyniku tegozmniejsza silez moc skrawania.
- Element (odciety kawalek rury) nalezy odpwiednio ustabilizowa, aby zabezpieczyc go przyspdnięciem.
W przypadku rur o grubych sciankach (s > 10mm) przecinanie szwu spawalniciego nalezy Rozlozyc na kila operaci.
Przecièe rury w ten sposób, aby oba końce linii cięcía sie zbieglyazoley od tego:
-czy rura zosta na poczaku cięcia ulożona wlasciwie,
czy rura odbiega geometrycznie od formy kolistej lub cylindrycznej,
-czy narzedzia robocze sa wystarczajaco ostre,
- jak twardy jest material, z którego zostala wykonana rura.
Frezarka do rur zostala w taki sposob wyjustowana, ze w przyypadku srednicy wynoszacej 300 mm lub 600 mm poczatek i koniec linii cięcia besteht sie mniej wiecejPokrywac.
Ze wzgldu na ekscentrycznosc (e) wala prowadzacego znacznik justowania (24, zob. rys. E) obwiatluzje tylko w przypadku wyzej podanych wartosci srednic. W przypadku rur o wiekszych srednicach moze zaistnie koniecznosc dodatkowejo justowania.
Bieg wsteczny frezarek do rur (RSG Ex ( )
Uszkodzenie mienia!
Przed przystapieniem do wycofywania frezarki nalezy upewnic sie, ze narzedzie roboczeci jest wysuniete, gdyw przeciwnym wypadku mogblogy dojsc do uszkodzenia narzedzia i przyktheadni.
- Wylaczyc przykriadnie posuwu dzwignia (28).
Zwolnic dzwignie zaciskowa (11).
Wysuwanie narzedzia roboczego. - Ustawic wącznik glówny/przelacznik kierunku obrotów w poźycji „0" (wy!).
- Przelacznik kierunku obrotow ustawic na bieg wsteczny.
Dociagnc dzwignie zaciskowa (11) - Właczyc przytekędni posuwu dzwignia przytelacznika posuwu (28).
Frezarka do rur nie jest przystosowan do cięcia w biegu wstecznym!
Wskazówki dotyczye chlodzenia i smarowania.
Uszkodzenie menia!
Podczas frezowanarnejedzie robocze musi bye chlodzone i smarowane. W razie niedostacechnego chlodenia lub smarowanja要去 dojsc do zablokownikie wiorów. Moze to spowodac uszkodzenia narzedzi roboczych.
Nalezy stosowac sie do wskazowek i zalecen producenta zastosowanego chlodziwa.
Rury z zeiwa szarego nalezy claç na sucho I bez chlodzenia.
- Podczas cięcia rur zę stali niestopowej, tarcze względnie frez naleź chłodź roztworem mydlanym.
Regulacja dokladynesci biegu.

Zwolnic nakretke (15, zob rys. A), rozwartosc 46.
- Przekrecic os (10) w kierunku przyciwnym do nakladki (19).
Dociagnakretke (15).
Obrot osi (10) w kierunku zgodnym z ruchem wskazowek zagara (w strone narzedzia roboczego) powoduje ruch narzedzia roboczego w prawo (linla wzroku jest zgodna z kierunkiem ruchu frezarki).
Obrot osi w kierunku przyciwnym do ruchu wskazowej zegara powoduje ruch narzedzia roboczego w lewo.
Montaz dodatkowych ogniw lancucha

Dodatkowe ogniwa tancucha wolno wstawlac tylko w przywidzianych do tego celu mistracach.
-Usnac pierscien (32).
-Usunać sworzen (33).
Zamontowac pozadana ilosc ogniw.
- Ogniwa rożnej wielkość wchodź w akcesiorów dostarczonych wraz z maszyna.
-Wstawic sworzen (33).
Zamontowac nowy pierscien (32).
Mocowanie frezarki na urze

,A"Przestrzen potrzebna do przy przy maksymalnej glebokosci ciencia.
D" Zewnetrzna srednica rury
"I' Ilosc segmentow lancucha przy srednicy ,D".
RSG Ex 1500 A/B
| Pozycja osi bleżnej | D [mm] | A [mm] | w y dlugosc ląńcucha z kaźdej ze stron | całkowa dlugosc ląńcucha | i*a |
| 1 | 250 | 400 | 1427 | 2854 | 5 |
| 300 | 392 | 1525 | 3050 | 5 | |
| 350 | 384 | 1632 | 3264 | 6 | |
| 400 | 378 | 1744 | 3488 | 6 | |
| 2 | 400 | 381 | 1782 | 3564 | 6 |
| 450 | 375 | 1898 | 3796 | 7 | |
| 500 | 369 | 2019 | 4038 | 7 | |
| 550 | 364 | 2144 | 4288 | 7 | |
| 600 | 360 | 2273 | 4546 | 8 | |
| 3 | 600 | 362 | 2302 | 4604 | 8 |
| 650 | 357 | 2433 | 4866 | 8 | |
| 700 | 352 | 2566 | 5132 | 9 | |
| 750 | 348 | 2702 | 5404 | 9 | |
| 800 | 344 | 2840 | 5680 | 10 | |
| 850 | 340 | 2862 | 5724 | 10 | |
| 900 | 337 | 3001 | 6002 | 10 | |
| 4 | 900 | 348 | 3142 | 6284 | 10 |
| 950 | 345 | 3284 | 6568 | 11 | |
| 1000 | 342 | 3428 | 6856 | 11 | |
| 1050 | 340 | 3464 | 6928 | 11 | |
| 1100 | 337 | 3607 | 7214 | 12 | |
| 1150 | 335 | 3751 | 7502 | 12 | |
| 1200 | 333 | 3896 | 7792 | 13 | |
| 1300 | 331 | 4062 | 8124 | 13 | |
| 1400 | 329 | 4338 | 8676 | 14 | |
| 1500 | 328 | 4355 | 8710 | 14 |
*Numer zamówieniowy 3 02 31 013 02 7 składajcy sie z 10 segmentów odlugosci kazdego z nich 635 mm.
RSG Ex 18 A/B
| Pozycja osibleżnej | D[mm] [mm] | A[mm] [mm] | w ydlugosćtańcucha zakaźdej ze stron | calkowaţa dlugosćtańcucha | i#. |
| 1 | 250300350400 | 587576564553 | 1427152516321744 | 2854305032643488 | 55668 |
| 2 | 400450500550600 | 522511501492483 | 17821898201921442273 | 35643796403842884546 | 67788977788 |
| 3 | 600650700750800 | 453445437429422 | 23022433256627022840 | 46044866513254045680 | 889910 |
| 4 | 8008509009501000 | 396393390386383 | 28623001314232843428 | 57246002628465686856 | 101010101111 |
| 5 | 110501100115012001300 | 390387385382379374 | 3464036073751389640624338 | 692872147502779281248676 | 111212131314 |
| 6 | 114001500160017001800190020002100220023002400250026002700280029003000 | 383382378373369366362359356353350348346343341339337335 | 4355046514950525055535857616264686775708373917700800983198629894092519562 | 87010930299001050011106117141232412936135501416621478215400160181663817258178801850219124 | 141516171819202122232425262728293031 |
*Numer zamówieniowy 3 02 31 013 02 7 składajcy sie z 10 segmentów odlugosci kaźdego z nich 635 mm.
Aby osiagnć optymalne naprezenia lancucha można wykorzystac zaćzone w walice narźedziowej segmenty o polowie dlugosci - 31,75 mm.
Przyklad:
Przy srednicy rury D = 400 mm potrzebne bedzie 6 segmentów lancucha (nr zamówieniowy 3 02 31 013 02 7).
Liniowe cięcie daneki lancuchowy prowadzącemu

H
Ustalic potrzbna dlugosc lancucha prowadzacego, kierujac sie tabela. Aby oslagnac optymalne naprezenie lancucha moza wykorzystac zauczone w walice narzedziowej segmenty o polowie dlugosci - 31,75 mm.
Dlugosflancacha prowadzacego
| Średnica rury | Dlugość tańcucha | Segmente tăńcucha | ||
| [mm] [mm] | 635 mm 63 | 5 mm 31,75 mm | ||
| 250 710 1 1 | 1 | |||
| 300 870 1 4 | 0 | |||
| 350 1030 1 | 6 1 | |||
| 400 1190 1 | 9 0 | |||
| 450 1344 2 | 1 1 | |||
| 500 1500 2 | 4 0 | |||
| 550 1660 2 | 6 1 | |||
| 600 1809 2 | 8 1 | |||
| 650 1970 3 | 1 1 | |||
| 700 2130 3 | 4 0 | |||
| 750 2290 3 | 6 1 | |||
| 800 2440 3 | 8 1 | |||
| 850 2600 4 | 1 0 | |||
| 900 2760 4 | 4 0 | |||
| 950 2921 4 | 6 0 | |||
| 1000 3079 | 4 8 1 | |||
| 1100 3397 | 5 3 1 | |||
| 1200 3714 | 5 8 1 | |||
| 1300 4032 | 6 3 1 | |||
| 1 4 | 0 | 0 4 | 3 3 | 0 6 |
| 1 5 | 0 | 0 4 | 6 4 | 0 7 |
Numer zamówieniowy 3 02 31 035 01 0 (l = 31,7 mm)
Za pomocaw sporznla i pierscienla przymocowac fancuch prowadzacy do gedneo z dwoch segmentów na napinaczu.
- Przeprowadzić pasmo prowadźace lancucha pod oboma kolarskami (rys. H).
Za pomocawzurznla plerscienia przymocowac swobodny koniec lancucha prowadzacego do napinacza.
Umiieszci Iancuch prowadzycny na rurjc obracajcPokretlem szeciokatnym napinacza (2).
Umiesci lancuch prowadzcy w odlegosci 10 mm (sworzen lancucha naptolowoed o sworznia lancucha prowadzacego).Ondstep ten nalezy skontrolowa w co najmnie trzech roznych.), mejcsch na obwodzie rury.
- Naciagnac napinacz Pokrettem szeciokatnym (29) tak, aby płytka (30) przylegala do obudowy napinacja (zakres mocowania ok. 50 mm). (maks. moment dokrecania 50 Nm)


Uwaga na zagrozenia wypadkiem!
W zadnym wypadku nle wolno przykreć trzech šrub zabeźpieczajacych (31) umieszczonych na czole. (zob. rys. H)
Prace zakoiczeniowe po kaźdym zastosowaniu maszyny
Wysuwanie narzedzia roboczego.
-Wylaczyc frezarke.
-Zdjać narzedzie roboczne.
-Wyfaczyc frezarke
MagazynOWanie frezarki do rur
- Chronic elementy metalowe przed korozja.
- Przechowywać frezarków do rur w suchym mięsçu.
Konserwacja i naprawy
Konserwacja i naprawy.
W razine koniecznosci naprawy elektronarzedzia wyprodukowanego przyez firme FEIN lub.gojo osprzejtu nalezy zwróci sie do jedem z punktow obsslugi klienta FEIN. Potrzebebne adesy moza znalec na stronle internetowej https://fein.com/pl_pl/.
Aktualna lista.czeci zamiennych dla niniejszego elektronarzedzia znajduje sie pod adresem internetowym www.fein.com.
Nalezy stosowac wyłacnie oryginalne czeci zamienne.
W razie potrzeby moziwa jest wymiana we wlasnym zakresie nastepujacye elementow: Narzedzia roboczec, rkojesci, lancuch, ogniwa lancucha
Maszyne wolno eksploatowac wylicznie woczmas, gdy znajduje sie ona w nienagannym stanc technizmyn. Zuzyte lub uzkodzone narzedzia roboze i elementy konstrukcjne nały bez zwolki wymi nic na nowe.
Niebepeziente doznania obrażćcia wskutek niedzamierzonego walkszenia.
Przed przystapieniem do jakichkolwiek prac przy frezarce do rur, nalezy wyjać wtyczke z gniaźdka!.
Wskazówki ogolne
Prac konserwacyjnych moga dokonywać tylko autoryzowani fachowcy.
Na prace konserwacyno-pielegnacyne skladaja sie nastepujuce czynnosci:
-Czyszczenenfrezarkdorur od zewnatrzoraIancuchow napinajacych.
- Kontrola wizualna calej frezarki
Wymiana oleju przyktedniowego.
- Smarowanie mechanizmu srbowego i fancuchow.
Smarowanie prowadnic wrzeciennika w Jednostce napinajaco-transportowej.
- Naklejki oraz wskazowy ostrzegawcze umieszczone na narzedziu nalezy regularnie odnawiac.
Pielegnacja ogniew Iancucha
Usunac brud i zanieczyszczenia z ogniw tancucha i poruszajac je, dokladnie je oczyscić benzyna do prania, nafta lub innym podobnym srodkiem.
Aby zagwarantowac dokladnePokrycie smarem, umiesci tancuchy na pare godzin w gestym oleju, np. oleju do przydekni SAE 140.
Zagrozenie wypadkiem!
Przed ponownym uzycielem tancuchow, Ich ogniwa nalezy poddać dokladnej wizualnej kontroll w celu upewnienla slez ich nienagannym stanie technicznym. Uszkodzone czeci nalezy wymienc, wstawic tez brakujace pierscienie zabezpieczajce.
Przewód przylaczeniowy
Jezeli przywod przytczeniwy elektronarzędzia jest uzzkodzony, wymiany must dokonac producent lub seinen przechstawiciel handlowy.
Podajnik (zob. rys. A)
- Nalezy pilnowac, aby powlerzchnia boczna nikretki (17) wolna byla od zabrudzen i rdzy, a takze stalePokryta smarem.
- Mechanizm szrubowy nalezy czysci i smarowac podczas kaźdej wymiany oleju do przydekadni.
Demontaz:
-Usunac sbrue cylindrowa (8).
Wyclagnac sworzen (5) z Pokrywy.
- Na zakońcie wykrećić podajnik z nakȩtki za pomocar korby recznej.
- Oczyslic i nasmarowac fragmenty gwintowane (zob. rozdziel Srodki smrne i plan smarowania na str. 156).
Wymienic uszkodzone pierscienie zgarniaje.
Montaz:
Montazu dokonujie sie postepujac w odwrotnej kolejnosci niz wyzej opisano. Uwazać, aby podczas montazu nie uzskodzic piercieni zgarniajacych!
System mocowania
Nalezy unikać zabrudzenia gwintu招投标 oczkowych (3, rys. l) w napinaczu spreźynowym.
Wrazie potrzeby ocyszcie gwint i nasmarowa.
Srodki smrne i plan smarowania
| OlejPrzektladniowyARAL Degol | PojemnośćZakreste temperatur[°C] | Specyfikacja |
| BMB 460 2 litry 0 do +60 Olej do przydektladni | typ CLPF wgdIN15502 | |
| BMB 100 2 litry -20 do +40 |
W momencie dostawy wrzeciennik napelniony jest fabycznie olejem ARAL Degol BMB 100. Nie zaleca sie stosowania innych olei przykladniowych.
Srodki smrne do powierzchni slizgowych
Do smarowania i pielegnaci powierzchni slizgowych zalecamy bezkwasowe, woodoporne markowe smary do tozysk slizgowych.

| Punkt smarny Środki smarne i materiały | eksplaatacyjne |
| 2 (przek.§nía) zob. tabelka Oleje smarne | do wrzeciennika |
| 3 (powierzchni silzigowe i mechanizm sąbowy) | Smar do loźysk silzigowych |
Usuwanie usterek (wersja RSG Ex [ ]
| Usterka Możliwe przyczyny Kroki | ||
| Sławnik i narȩźcie robocze przystaja działać | Bardzo niskie temperatury otoczenia | Zastosowej olej przy.§adniowy do niskich temperatur |
| Tepe narȩźcie robocze | Wymienić narȩźcie robocze | |
| Brak napięcia siedłowego | Skontrolowa przy.§ćze siedłowie i skrzynki rozdzielcie | |
| Niewość wapićcie robocze | Skontrolowa dane przy.§ćze siedłowego | |
| Za szybki posuw lub zbyt gruby wiór w jedernym obiegu | Dopasowa przy.§ć腱ié i/lub zredukowa glębokość frezOWANIA | |
| Olej wycieka ze skrzynki przy.§adniowej Znaleść sąsce przy.§će i usnać usterkę-Dopelnić oleju | ||
| Nadmierny wzrost temperatury w silniku | Reaktywować szafe sterownikca 3 07 02 041 01 4 | |
| Uszkodzone koło zańcuchowe | Uszkodzony segment zańcucha | Wymienić segment |
| Segmente zostaly nieprawidłowo połaczone | Skontrolowa punkty mocowania i skorygować połaczenia | |
| Sworzeń do zańcucha w povadzono tylko czȩ矫woo | Dosunać sworzeń do koñana | |
| Ustarka Mnöliwe przyczyny Kroki | ||
| Nieprawidłowy przybieg cięcia | Niewość wyosłowana frezarka i ląncuch | zob. rozdziel „Prace przygotowawcie przy frezarce do rur (zob. rys. A).“ na str. 152 i roździel „Mocowanie frezarki na burze“ na str. 153 |
| Wal prowadźcy nie jest osadzony wspólŚrodkowo | Wyregulowa są jej bieg, zob. roździel „Regulacja dokladsnosci bieg“ na str. 154 | |
| Tepe narȩźble robocze Wymlenić narȩźble robocze | ||
| Rura zostafa umieszczona skość lub pionowo; ewentualnie maNie pręwiedłowę geometrę (nie jest okragła) | Użć urȩźdenia prowadźego po wyznaczonym torze, zob. roździel „Mocowanie frezarki na burze“ na str. 153 i roździel „Liniowe piętie“ na str. 155 | |
| Narȩźcie robocze jest przyȩźone Dopotrawaec przyȩćdni i/lub zredukować glówne frezowania | ||
| Funkcjemaszyny są zredukowane lub nie spejmność swoich zadań | Brak napiecia sierciowej Skontrolować przyȩść siedje | wie i skrzynski roździelcie |
| Wlacznik nie jest przyȩczony Skontrolować przyȩznik | ||
| Sprȩglo silziga są Dopotrawaec przyȩćdni lub zlecić fabryczna regulacja momentu obrotowej spregoja firmie FEIN | ||
| Silne wibracje Za szybki posuw Wyregulować przyȩcladność | Narȩźcie robocze jest zbyt nisko osadzone Unieść narȩźcie robocze | |
| Dźwignia zaciskowa (11) nie jest dociagnęta | Dociagnę dźwignie zaciskowa | |
| Luźny ląncuch Skontrolować naprzejenie ląncucha | ||
| Tepe narȩźcie robocze Wymienić przyȩźcie robocze | ||
Gwarancja i rkojmia
Gwarancja na produkt jest wazna zgodnie z ustawowych przysepami regulajymi w kraju, w którym produkt dostal wpwadzony do obrotu.
Naręździa robocze i akcesoria
Pity sarczowe

1

2

3
ksztait1,HSS,do przekladni typu:
| A, B - do obrkur rur stalowych | |||||
| Ø | Szerokość | Masa | Zeby | maks. glębokość噤ka | Numer zamówieniowy |
| (mm) | (mm) | (kg) | (mm) | ||
| 160 | 4 | 0,5 | 50 | 25 | 6 35 02 022 00 6 |
| 180 | 4 | 0,7 | 60 | 35 | 6 35 02 037 00 8 |
| 200 | 4 | 0,9 | 64 | 45 | 6 35 02 053 00 7 |
| 220 | 4 | 1,3 | 70 | 55 | 6 35 02 041 00 1 |
ksztait 2, HSS, do przykădni typu:
| B - do rur zeliwnych | |||||
| Ø | Szerokość | Masa | Zęby | maks. glówność噤ca | Numerzamówienowy |
| (mm) | (mm) | (kg) | (mm) | ||
| 160 | 4 | 0,5 | 40 | 25 | 6 35 02 050 00 1 |
| 180 | 4 | 0,7 | 46 | 35 | 6 35 02 098 00 0 |
| 200 | 4 | 0,6 | 50 | 45 | 6 35 02 099 00 4 |
ksztalt 3, HSS, z zebami z weglica spiikanego, do przyekladni typu:
A, B - do obrski rur zeliwnych (takze wylozonych betonem) i rur ze stali niestopowiej do 400 N/mm²
| Ø | Szerokość | Masa | Zęby | maks. glębokość噤cía | Numer zamówieniowy |
| (mm) | (mm) | (kg) | (mm) | ||
| 160 | 4 | 0,5 | 40 | 25 | 6 35 02 080 00 8 |
| 180 | 4 | 0,7 | 44 | 35 | 6 35 02 061 00 9 |
| 200 | 4 | 0,9 | 50 | 45 | 6 35 02 084 00 2 |
Wpust pasowany
| (Sz x W x DI) | |
| mm | |
| 6 x 6 x 32 | 4 02 21 044 00 0 |
| 8 x 7 x 32 | 4 02 21 050 00 5 |
Pojemnik transportowy
| długosc x szerokosć x wysokość | |
| mm | |
| 1000 x 800 x 395 | 3 39 01 114 00 7 |
Frez ksztaltowy

| ksztatt V, HSS, do przykleadni typu: | ||||||
| A - do obrábki rur stalowych ze stali wysokostopowejB - do obrábki rur zeliwychi rur ze stali niestopowej o grubość scianki do 10 mm i srednicy maks. 1600 mm | ||||||
| D | B | Masa | Zeby | β | maks. glębokość噤ca | Numer zamówienowy |
| (mm) | (mm) | (kg) | (°) | w(mm) | ||
| 125 | 25 | 1,6 | 32 | 30 | 25 | 6 35 08 056 00 4 |
| 160 | 30 | 3,2 | 36 | 30 | 25 | 6 35 08 081 00 9 |
| 160 | 30 | 3,3 | 36 | 37,5 | 25 | 6 35 08 093 00 0 |
| 180 | 42 | 5,5 | 36 | 37,5 | 25 | 6 35 08 094 00 0 |
| 180 | 42 | 4,9 | 36 | 30 | 25 | 6 35 08 085 00 8 |


B=8°
r = 6mm
b = 4mm
| ksztäft U, HSS, do przydektni typu: | |||||
| A - do obrábkí rur stalowych ze stali wysokostopowejB - do obrábkí rur zěliwnych i rur ze stali niestopowej o grubość scianki do10 mm i srednicy maks. 1600 mm | |||||
| D | B | Masa | Zeby | maks,głebokośćciecka | Numer zarówienowy |
| (mm) | (mm) | (kg) | (mm) | ||
| 160 | 25 | 2,8 | 40 | 25 | 6 35 08 089 00 7 |

Segment Iancucha
| Frez kątowy, HSS, do przyek.§adni typu: | ||||||
| A - do obróbki rur stalowych ze stall wysokostopowej | ||||||
| B - do obróbki rur zeliwnych i rur ze stali niestop战略布局 o grubość scianki do 10 mm i s疏散nicy maks. 1600 mm | ||||||
| D B Masa | Zeby B maks. | głowobokość ciecia | Numer zamówienowy | |||
| (mm) | (mm) | (kg) | (°) (m) | |||
| 154 30,5 | 2,5 32 30 | 25 6 35 | 08 099 02 | |||
Swarzeń zamienny
| 10 segmentów ląncucha x 63,5 m | m = 635 mm |
| Numer zamówieniowy 3 02 31 0 | 13 02 7 |
| 1 segment ląncucha 31,75 | |
| Numer zamówieniowy 3 02 31 0 | 29 00 2 |
Zamienny piercien zabeepiezajacy
| Numer zamówieniowy | 3 02 17 216 00 4 | Łańcuch napinajcy 38,5 mm |
| Numer zamówieniowy | 3 02 16 166 00 0 | Łańcuch prowadźcy 54 mm |
Stalowe kliny roszczepiajace
| Numer zamówieniowy | 3 02 17 216 00 4 |
| Numer zamówienowy | 6 33 05 006 00 8 |
Zakres dostawy
| Numer zamówieniowy | Liczba | Nazwa |
| 3 39 01 114 00 7 | 1 | Pojemnik transportowy |
| 3 39 01 031 00 1 | 1 | Walizka na naręźdia |
| 3 21 22 007 01 7 | 1 | Korba reçzná |
| 6 29 01 016 00 2 | 1 | Klucz jegnoszczechowy, rozwartość 46 |
| 6 29 03 010 00 6 | 1 | Klucz jegnoszczechowy, rozwartość 55 |
| 3 12 07 333 01 0 | 1 | Napinacz法律法规 tylko do RSG Ex 1500 A/B (**) |
| 6 29 11 010 00 0 | 1 | Klucz oczarkowy, 17/19 |
| 6 29 06 014 00 0 | 1 | Klucz nasadowy, rozwartość 46/41 |
| 3 02 31 029 00 2 | 20法律法规 rolkowy | |
| 3 02 17 216 00 4 | 20 Sworzen | |
| 4 26 34 020 00 5 | 40 Pierścień zabeść pieczajaciousy | |
| 6 33 05 013 00 2 | 5 | Kliny rozszczechiapacja, beziskrowe do RSG Ex 1500/18 A/B (**) |
| 3 07 02 041 01 4 | 1 | Zestaw urzadzenia sterownikiczych do RSG Ex 1500/18 A/B (**) |
| 3 21 74 009 00 1 | 1 | Petla na rekte |
| 3 21 74 010 00 3 | 1 | Petla na rekte |
| 3 07 28 188 00 8 | 1 | Gniazdo CEE do RSG Ex 1500/18 A/B (**) |
| 3 02 31 035 02 0 | 1 | 法律法规 tylko do RSG Ex 1500 A/B (**) |
| 3 02 16 166 01 0 | 1 | Sworzeń法律法规 do RSG Ex 1500 A/B (**) |
| 3 40 56 026 00 0 | 1 | Zaslepki法律法规 do RSG Ex 1500 A/B (**) |
Opcjonalny osprzegt
| Numer zamówieniowy | Liczha | Nazwa |
| 3 02 31 013 02 7 | 1 | Łańcuch z 10 odćinkami |
| 4 26 34 020 00 5 | 1 | Piercień zabeźpieczajcy |
| 3 02 17 216 00 4 | 1 | Sworzeń |
| 4 30 12 051 12 2 | 1 | Śruba pasowsana |
| 6 33 05 013 00 2 | Klin wybijajcy, beziskrowy | |
| 9 12 01 002 00 4 | Pneumatyczne urȩdzenie chłodźco-smarujiangy (PUCS) | |
| 3 24 33 027 01 7 | 1 | Płtyka do PUCS |
| 9 26 01 023 02 3 | 1 | Kompresor do PUCS |
| 3 14 14 055 00 2 | 1 | Wąź PA-DL, kompletny do kompresora |
| 4 11 36 005 01 9 | 1 | Zȩczka |
| 3 02 31 035 02 0 | 1 | Łańcuch |
| 3 02 16 166 01 0 | 1 | Sworzeń |
| 3 40 56 026 00 0 | 1 | Zañlepki |
Pneumatyczne urzadzenie chlodzaco-smarujace 9 12 01 002 00 4
Zwgldeu na mozlowoc wystapienia duych prdekosci cięcia i poswu frezarki do rur konieczne jest chlodzenie I smarowanie narzedzi roboczych podczas obroki stali. Pneumatyczne uradzdenie chlodzaco-smaru掾 pracuje na zasadzie wytarwarzia mgly I odparowywnia chlodzwa: Dzieki dyszom zamocowanym na frezarce zapewnia stale dobre chlodzenie i smarowanie.
Oproczkiego togoMZna uniknac zanieczyszczenia gleby na placu budowy przyez zwykle stosowanaplikowana recznie emulsje do wiercenia.
Jako srodek smarno-chlodzacy zaleca sie zastosowanie chlodziwa do metalu BIOCUT 3000. jest to nowoczesny, w pehl syntetyczny srodek smary na duze obciazenia, o wysokim wskazniku lepkoci i duzym dzialaniu chlodzynam, jest rozpuszczalny w wodzie i biodegradowalya,atakie oszczedny w uzyciu (w zaleznosci od nastawy do ok.03 dm/h na dyse).
BIOCUT 3000 nie zawiera substantcjne siebezpiecznych dla zdrowia. Spelnia wymagania DVGW (Niemieckiego Stowarzyszenia Naukowo-Technicznego Gazu i Wody e.V.).
Wszystkie jego skladniki odpwiadaja dyrektywm FDA (Food and Drug Administration) oraz DAB (niemieckiej farmakopei) wactualnie obwiazujacym wydanlu.
Dopuszczalne srodki smarne:
Smar BIOCUT 3000 dla temperatur wyźyszych niż 0^ :
1L-32132039000
5L-32132040000
Smar odporny na niskle temperatury - do -25°C:
1L-32132042000
5L-32132043000
Do zastosowania pneumatyczno urzadzenia chlodozo-smarujacego w modelach RSG Ex (^**) potrzebny jest kompressor, (FEIN 9 26 01 023 02 3), ktory zapewni wydatek powietrza o wieleksi ok. 130 l/min.
Czeci zamienne.
Aktualnaglsteci zamiennych moza znalec pod adresem internetowym www.fein.com.
Oswiadczenie o zgodnosci.
Deklaracja CE dotyczy tylko krajów Unii Europejskiej oraz Europejskiego Stowarzyszena Wolngo Handlu (EFTA) i tylko wyrobów, któ przyznaczone są do zoprowadzenia na rynku UE lub EFTA.
Firma FEIN oswiadca z pelna odpowiedzialnoscia, ze niniejszy produkt zgodny jest z odpowiednimi postanowlenlami podanyml na ostatnej stronie nilejszej instrukcij eksplataci.
Dokumentacja techniczna: C. & E. Fein GmbH,
OchronaŚrodowiska, usuwanie odpadów.
Opakowanie, zuzyte elektronarzedzia i osprzet nalezy dostarczyc do utylizacji zgodnie z przyepisami z ochrony srodowiska.
Traducerea instructiunilor deutilizare originale.
Simboluri, prescurtarisi termeniutilizati.
Splośna varnostna opozorila.
A OPOZORILO Preberite vsa varmostna opozorila, navodila, ilustracione in tehnicne podatke, skaterimi je opremljeno to elektricno orodje.
4)Ппменнгдзггггггггггннннннннннннннннннннннннннннннннннннннннннннннннннннннннннннннннннннннннн.
a) He nperepymahe 3neKtpoHCTpyment. HcnoIb3yIte Ira Baew pa60tb npEHa3HaueHHb Ira 3TOO 3neKtpoHCTpyment. C noAoxoAizumm 3neKtpoHCTpymetom Bbl pa60taete Nyuwe HaexJHee B yka3ahHom dnaanaOHe MoUHOctn.
b) He paobatae CneKTPCHPTyEMHOTn phe HcnpabHom BbIKIHOyateNe. 3NeKTPoHCTpyMHT, KOtOpBHe IIOaAaTcB KIOUeHIOu HIN BbIKIIOUYHIO, ONaCEH NOnJKeH 6BtB OTpMOTHPOBOAH.
c) Neped TEM HAK HACTPAMBt 3NEHTPOHCTPYMENT, 3AMEHb PnHHADNHEKHO HNN YOBpATb 3NEKTPOHCTPYMENT Na Xp3AHHeH, OTHIOHYTE WNTENCEIbHyIO BHNy OT PO3ETNH CETN HIN BBHBe, ECIN 3TO BO3MOHNO, AHHMYIaTOp. 3Ta Mpa pTeoOCTopoXHOCTN ppeoTbpaaet HenpeAHAmepeHHOE BKIOeHHe 3NEKTPOHCTPYMeTA.
d] XpaHnTe 3NeHTPOHHCTpyMeHTb B HeIOCTyHOM dAeT MeCte. He paPeWaIte NOnb3OBAbCa 3NeHTPOHHCTpyMeHTom NHcAm, KOtOpBie He 3HaKOMbI C Hm HN He YHTAn HAcTOHxHHeCTpyKm. 3NeKTPOHHCTpyMeHTb OIaCHb BYkax HeONbTHbX NHU.
e) TuaTeNbO yxaHbAte 3a 3neKtpOHCTpyMeHOM H npHaadNeHOCtHM. NpOBepaIte 63ynpueHyo FyHKuHO H XOD ABHHyXcra YacteN 3neKtpOHCTpyMeHTA, OTCYCTBHe NOLOMOH HIN NOBpeKdEHH, OTPaTeNbBO BnHAIOxH Na FyHKUHO 3neKtpOHCTpyMeHTa. NpOBepaENHbIE qACTn DOJHbHb 6bTb OTpeMOHTPOBaHb DO HCNoJIb30BaHH 3neKtpOHCTpyMeHTA. IIOXoe 0cCnyKBaHHe 3neKtpOHCTpyMeHTOB JBNReTc PnPHHO6ONbUoro Yncna HeCAcTbIX CNYaee.
f] DeHHnepeyHsHnHHeCTpyMeHTB3AtoCHeHHOM HcCTOM COCTOHHM. 3a60TnIbHO yXooHexHbEpeKxUe HcHTpyMeHTbCocTpbMnpeKxUHMM KpOMKaMMpeKe 3akJIINHBAoTcR INxNtYeBeCTn.
g) PnHMeHHTe 3eHTpOHcPTyMEnT, npHHaJIeJHIOCTh, paOoHe HnCTpyMEnTbI M.T.N. B COOTBETCTBMN C HAcTOHcHMn HnCTpyKuHMn. YUHTbBaIte npH 30m PaOoHe yCIOBMA H bINONHReMy paOToY.
NcnoB3OBAHHe 3NEKTPoHHCTpymeHTOB AIN HnpeyCMOTpeHHbIX pa6Ot MOXET PnBecTN K ONaCHbIM CHTaUAM.
h) DepeHHe pyuHN NOBepxHOCT 3aXbATA cyHMn HcHCTbIMn, CneIHe TPOObl Ha HNX TQoBI HA HNX He 6bIIO HNNDKOH NIN KOHCNEHTHO CHM3KN. CKnolb3Kne pyuHN NOBepxHOCTn 3axBaTaN PpEnrTcBYOT G30NaChOMy o6paueHNO C HNTpyMeHToM N He aAOT HaDeexHo KOHTpOPIPOBaT bero B HENPeABnDEHHbIX CInTuAuaHx.
5]CepBnC
a) PAMONT Bawaero anektonpohtpyMeHa nopuyaiTe TOnbKo KBAHnHnpuBAnHO npcohany HToBko C pNmehHeHem opHnHaIbXb 3anachbX qacte. 3TtM ObseceuBaetc 6eOnanChost 2neKtPOHNCTpyMeHa.
Ocoble yka3aHHn no TEXHHKe 6e3oNaCHOCTH dIy TpyoOppePbIX MaunH.
PnB KBNIOUHENI TY6OoPpe3ePHoMaunHbI, npN paBoTe C HeN H npN ee 06cNoYKHNbO CoNOIOaTe HaUNHOaNbHbIe PneAtncaHnno PnpOOTBpaauEHIO HeCuACThXyCyaEB.
Co6nloaTe 3akoHOaTeIbHbIe npaHcHnno B3pbIBO3aUHTe.
CnEAnTe 3a yToHbIM NIOJKeHHM O6pa6aTbIbAeMoH Tpy6bl. HecO6JIIODeHHe 3TOrO yKa3AHnRA MoKET cTaB IpuNHO TRKeJIbIX TpaBM HnI CmepTH.
3Jektpnuechne Tpy6oΦpe3epHbIe MaunHbI (HOhctpyKuHa RSG Ex (^**)
HaPraKeHHe NITaIOoE CETo DOJIKHO COOTBeTCTBOBaTb HAnpRAKeHIO, yKa3aHHOMy HA Tpy6oOpe3epHoMaunHe.
IopKIOUeHHe Tpy6oOpe3epHO MaunHbI OJIXHO 6bTb 3auuueHo npdoxpaHntenem Ha 20 A.
Peynpno npOBepaTe cTeBOH uHyp n, ecnn mEeTc, ydHHnteIb!
POnkNIOaTe Tpy6oOpe3epHy MouHry K 6NoKy KOMMyTaUHOHHbIX np6OpOB TOIbKO pnp BbIKIOueHHOM rnaHBOM BbIKIOaTeNe.
- Kalstj (33) Jstatyklte.
Plieniniali pleistai
| Užsakymo numeris 3 02 17 216 00 4 |
Kartu pristatomi reikmenys
| Užsakymo numeris 33 05 006 00 8 |
Lietotie symboli, saisinajumi un jedzieni.
Elektroalzsardzibas klase 1/1
Aizsardzibas tips IP X4
*Elektrodzinejs un papildu sledzis spreadziendrosa versija (saderigs ar ATEX)
Konstrukcija RSG Ex 1500 A (^) RSG Ex 1500 B (^) RSG Ex 18 B (^**)
Izmiri:
-
Svars (m) 80 kg 80 kg
-
maks. darbarika diametrs 220 mm 220 mm
G_maks. 974 mm 1088 mm
-
A_maks. 334 mm 334 mm
-
P_maks. 450 mm 431 mm
-
P1 371 mm 371 mm
-
_2 201 mm 201 mm
-
P3 791 mm 991 mm
Caurulu frezeshanas iekartu lietosanas noliks.
Caurulu frezeisanas iekarta ir paredzeta atklato caurulu posmu un tadu caurulvadu, kas Izgataboti no terauda val cuguna, griesanal un frezeisanal, ka ari caurulu galu atdalisiianai pirms metinanas bvlaukumos, darbnicas un arpus telpam. Caurulu frezeisanas iekarta ir paredzeta specializetiem uzemumiem apmacitu darbinieku darbam ilgraicigai ikdlenas lietoanai.
Caurulu frezeisanis iekarta nav apstiprinata lietosanai spradziendrosas zonas.
Saglabajiet visus drosibas noradijumus un instrukcjias turpmakai lietosanai.
Drosifaboteikumos lietotais apzimejums „Elektroinstruments" attiecas gan uz tikla elektroninstrumentiem (ar elektrokabel), gan ari uz akumulatora elektroninstrumentiem (bez elektrokabela).
3) Personiská drośba
a) Darha laika saglabajiet paskontroi rikojieties saskaanar veselo sapratu. Partrauciet darbu, ja jutatives noguris vai atroidates alkhohala, narkotiku vai medikamentu izraisi reibuma. Stradajot ar elektroninstrumentu, pat viens neuzmanibas mirklis var but par celoni nipietnam savainojumam.
b) Izmantojiet individuales darba aizsardzibas lidzeklus. Darba laika nesajiet aizsargbrilles. Individuo darba aizsardzibas lidzeklu (puteklu maskas, neslidosu apavu un aizsargkiveres val ausu aizsargu) pieletośana atbilstoši elektroinstrumenta tipam un veicama darba raksturam lauj izvairütes no savainojumiem.
c) Nepielaujiet elektroninstrumenta patvafigu ieslegsanos. Pirms elektroninstrumenta pievienosanas elektrifklam, akumulatoria ivietosanas vai iznemsanas, ka ari pirms elektroninstrumenta parnesanas parlicinieties, ka tas ir izesegtys. Parnesot elektroninstrumentu, ja pirkstst atrodas uz lesedzeja, ka ari pievienojot to elektrobarosanas avotam laikka, kad elektroninstrumentis ir izesegtys, var vieglnotkt nelaimes gadijums.
d) Pirms elektrinstrumenta lesegsanas neazimirstiet iznemt no ta regulejosos instrumentus vai atslegas. Regulejosais instruments vai atslaga, kas lesegsanas bridi atrodas elektroninstrumenta kustigajas dalas, var radit savainojumu.
e) Darba laikā izvairiéties ienem nērṭu vai nedabisku kermena stavokli. Viener mieturiet stingru staju un centiéties saglabāt fidzsvaru. Tas atvieglo elektroinstrumenta vadibu neparedzētās situčiās.
f) Izveliieties darbam piemero tpu agberbu. Darba laika nenesajiet brivi plandoas drebes un rotsiletas. Netuvinlet garus matus un drebes elektroinstrumenta kustigajam dalam. Valigas drebes, rotsiletas un gari matl var lekerties elektroinstrumenta kustigjas dalas.
g) Ja elektroninstrumenta konstrukcija lauj tam pievient arejo puteklu uzuksanas vai savaksanas/uzkrasanas ierici, sekojiet, lia tă butu pieviento un pareizi darbotos. Pielletojot putekju uzuksanu vai savaksanu/uzkrasani, samazinás to kaitigā ietekme uz stradajos personas veselibu.
h) Nepalauijeties uz lemanam, kas tiek legutas, blezi lietojot instrumentus, neisligstiet pasapmierinatiba un neignorejiet instrumenta drojas lietosanas principus. Neuzmanigas ricibas del dazas sekundes dalas var gut nopietn suavoinojuu.
4) Saudzegoja apiesanas un darbs ar elektroninstrumentiem
a) Nepärslogojiet elektrinstrumentu. Katram darham izvělieties piemērotu elektrinstrumentu. Elektroinstruments darbojas labak un drošak pie nominālās slodžes.
b) Neliotojiet elektroinstrumentu, ja ir bojats ta iesledzëjs. Elektroinstruments, ko nevar leslegt un izslegt, ir bistams lietoanai un to nepieclesams remontét.
c) Pirms elektroninstrumenta regulesanas, piederumu nomainas vai novietosanas uzglabasanai atvienojiet ta elektrkabela kontktdaksu no barojosa elektronika va izpemiet no ta akumulatoru, ja tas ir iznemams. Sadi lespejams novest elektroninstrumenta nejausu lesleganos.
d) Ja elektroninstrumentes netiek lietots, uzglabajiet to piemerotä viëtã, kur elektroninstrumentes nav sasniozams berniem un personam, kuras neprot ar to rikoties vai naiv iepazinusãs ar siem noteikumiem. Ja elektroninstrumentu lieto nekompentertas personas, tas var apdraudét cilveku veselibu.
e) Savlaicigi apkalpojiet elektroinstrumentus un to piederumus. Pärbaudiet, vai kustigas dalas darbojas bez traucejumiem un nav iespiestas, vai kada novealam nav salauzta vai bojata, vai katra no tam pareizi funkcione un pilda tai paredzeto uzdevumu. Nodrosiniet, lai bojatas dalas tiktu savlaicigi nomainitas vai remontelas pilvarotà remonta darbnicà. Daudzi nelaimes gadijumi notiek tâpec, ka elektroInstruments pirms lletosanas nav pienacigi apkalpots.
f) Savlaicigi notiriŋ un uzasiniet griezosos darbinstrumentus. Rupigl kopti elektrinostrumenti, kas agadari ar asiem griezejinstrumentiem, laj stradāt daudz răzigak un ir vieglak vadami.
g) Lietojiet vienigi tadus elektroinstrumentus, papildpiederumus, darbinstrumentus utt., kas atbilst seit sniegtajiem noradijumiem, nemot vera ari konkrtos darba apstaklus un pielietojuma ipatnibas. Elektroinstrumentu lietosana ctiem lemkrkien, naek tiem, kuriim to r pearedzjuizi ražotajfirma, ir bistama un var novest pie neparedzamam sekam.
h) Uzturiet elektroninstrumenta rokturus un notuvirsmas sausas un tiras, sargajet tas no ejas un smervielam. Sildenafil rokturi un notuvirsmas trauce efektivi rikoties are elektroninstrumentu un to grosi vadit neparedzetasituaclljas.
5) Apkalpošana
a) Nodrosiniet, lai elektrinstumenta remontu veiktu kualificats personals, nomai izmantojo originalas rezerves dalas un piederumus. Tkal ta iespèjams panäktu n saglabat vajadžigo darba drošibas limeni.
Ipaşi droşibas noradijumi caurulu frzeşanas iekartam.
Nododot ekspluatajia, stradajot un apkopjot cauruju frezesanas iekartu, ieverojiet valsts noteikumus par nelaimes gadijumu noversanu.
levrojietlikumanaoteiktas pradziendrosibas vadinijas.
Pärliecinieties, ka apstradajama caurule ir drosi levietota. Instrukciju neieverosana var Izrasit nopietnas traumas val navi.
Elektriski darbinamas caurulu frezeshanas iekartas (RSG Ex (^**) konstrukcija).
Caurulu frezeshanas lekartas tikla spriegumam un spriegumata specifikacijai ir jaatbilst. Caurulu frezeshanas lekartas savlenojums janostiprina ar 20 A.
Regulari parbaudiet barosanas kabeli un, ja nepiecesams, pagarinataju!
Pievienojlet cauruu frzeesanas iekartu sadaies iekartu savienojumam tikai tad, ja galvenais sledzis ir izslegt.
Komutacijs lekarti kombinacjai vienmer jabut pleejamai operatoram.
Pielietojums.
Turiet rokturus un satveriana virmas sausas, tiras un brivas no ellas un
smrevielam. Slideni rokturi un satveriena virmas neauij elektroninstrumentu drosi darbinat un vadit neparedzetasituacijas.
Veicot darbu, kura laika darbinstruments var skart sleptus elektriskos vadus, turiet instrumentu tikai aiz izolētajām vīrsmām. Darbinstrumentam skarot
spiregumnesosus vadus, spiregums var nonakt aiz elektroinstrumenta metala dalam un klut par celoni elektriskajam triecienam.
Neparstogojiet cauruIe frzeshanas iekartu. Izmantojiet savam darbam piemorut papildinstrumentu. Izmantojoct parelzo papildinstrumentu, jus varat stradat labak undrosak.
Neliotojit cauru frzeesan is ekartu ar bojatu sledzi. Caurulu frezesan is ekarta, kuru vairs nevar ieslegt vai izslegt, ir bistama un ir jaremonte.
Pirms ierices iestatijum iestatisanas vai ivietoisanas papildinstrumentu nomainas ativenojlet stravas padevi. Sis plesardzibas pasakums nover's caurulu frzeesanas iekartas nejauš ieslegsanos.
Nelauijet citiem izmantot caoru lu frezeshanas iekartu, ja vii to nepazist vai nav ilaszijusi sos noradijumus. Caurlu frezeshanas iekartas Ir bistamas, ja tsi zmanto nepieredzejuas personas.
-Dzineja aizsardzibas sledzis
-Zemsprieguma atbrivosana
Savienotai
Galvenais sledzis tiek izmantots ka ieslegsanas sledzis un rotacijas virziana mainai. Dzineja aizsardzibas sledzis un zemspriguma atbrivotajs veido bloku. Parslodzes gadijumda zdineja aizsardzibas sledzis izsledzas; elektrotikla spriguma bojajuma gadijumaa zemspriguma atbrivosana atvieno caurulu freesanas ekartu no elektrotikla, lai noverstu nejausu atkartotu iedarbinasanu. Caurulu freesanas lekartu atkal iedarbina, iesledzot dzineja alzsardzibas slezl.
Sadales iekartu kombinacija janovieto t, la
operators to varetu sasniegt jebkura laika.
Caurulu frezesaniekarta ar dalaji spradziendros konstrukciju.

Plrms sadales lekartu kombineanas Izmantoijet
sadales karbu ar papildu iesleganas/izsleganas
sledi, la darbinatu caurulu frezesanas iekarto 2.
zonas potenciali spradzienbistamas zonas.
Vadibas karbam jabut novietotam ta, lai operators
tas varetu sasnligt jebkura lalka.
Spradziena risks
Rezerves sprostgrodzens
a) wuueoogluonwuwewuywuywuywuywuywuywuywuywuywuywuywuywuywuywuywuywuywuywuywuywuywuywuywuywuywuywuywuywuywuywuywuywuywuywuywuywuywuy
b) 1uunlndoan mnnnnae nannnne eonnnnne nnennnnnnnnnnnnnnnnnnnnnnnnnnnnnnnnnnnnnnnnnnnnnnnnnnnnnnnnnnnnnnnnnnnnnnnnnnnnnnnnnnnnnnnnnnnnnnnnnnnnnnnnnnnnnnnnnnnnnnnnnnnnnnnnnnnnnn
e) 1nnaa aannnnnnaa nnnnnaaennnnnnaaennnnnnaaennnnnnaaennnnnnaaennnnnnaaennnnnnaaennnnnnaaennnnnnaaennnnnnaaennnnnnaaennnnnnaaennnnnnaaennnnnnaaennnnnnaaennnnnnaaennnnnnaaennnnnnaaennnnnnaaennnnnnaaennnnnnaaannnnnnaaennnnnnaaannnnnnaaannnnnnaaannnnnnaaannnnnnaaannnnnnaaannnnnnaaannnnnnaaannnnnnaaannnnnnaaannnnnnaaannnnnnaaannnnnnaaannnnnnaaannnnnnaaannnnnnaaannnnnnaaannnnnnaaannnnnnaaannnnnnaaannnnnnaa ann
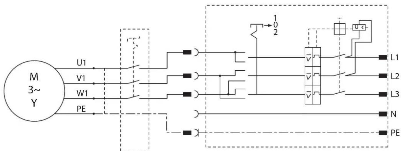
Pripojovaci schema
Schema pripojenia
Schemat przylaczeniowy
Schema electrica
Elektricna vezalna shema
Prikligučna shema
Prikligučna shema
Pripojovaci schema motoru
Schemapripojenia motora
Schemat podlaczeniwy silnika
Schemaelectrica motor
Elektrica vezalna shema motorja
Priključna šema motora
Priključna shema motora


Pridavný spinač
3 07 22 024 01 7
Pridavný spinač
3 07 22 024 01 7
Przelacznik posredniczacy
3 07 22 024 01 7
Comutator supplementar
3 07 22 024 01 7
Dodatno stikalo
3 07 22 024 01 7
Dodatni prekidač
3 07 22 024 01 7
Dodatna sklopka
3 07 22 024 01 7
Rozvadeč
3 07 02 041 01 4
Rozvádžač
3 07 02 041 01 4
Szafa sterownikca
3 07 02 041 01 4
Tablou de distributie 30702041014 Sestav stikalnih naprav 30702041014 Kombinacija sklopih ureada 30702041014 Kombinacija sklopih ureada 30702041014
RSG Ex 1500 A/B [ ] RSG Ex 18 A/B [ ]
Cxema nodkloucheHH
Cxema niknlochyehn
Cxema 3a cbbp3Bahe Uhendusskeem
Prijungimo schema
Savienojuma shema
Cxema noaKnIOueHn ABnraTeTn
Cxema niiKnIOueHHn ABnryHa
Cxema 3a BKNIOUbaHe Ha eNEeKToPOABnraTeTn
Notice-Facile