KD65XG8096 - Televízió SONY - Ingyenes használati útmutató
Találja meg az eszköz kézikönyvét ingyenesen KD65XG8096 SONY PDF formátumban.
Gyakran ismételt kérdések - KD65XG8096 SONY
Töltse le az útmutatót a következőhöz Televízió PDF formátumban ingyenesen! Találja meg kézikönyvét KD65XG8096 - SONY és vegye vissza elektronikus eszközét a kezébe. Ezen az oldalon közzé van téve az eszköze használatához szükséges összes dokumentum. KD65XG8096 márka SONY.
HASZNÁLATI ÚTMUTATÓ KD65XG8096 SONY
Szerelési információk a Sony fali konzol (SU-WL450) használatahoz
Támongatott modellek:
KD-75XG80□□*/65XG81□□*/65XG80□□*/55XG81□□*/
- Az adott típusnévben szereplö „□□" a típusra jellemzǒ számokat és/vagy karaktereket jalöli.
Vásárlóink figyelmébe
Termék-és baleset-biztonsági okokból a Sony azt tanácsolja, hogy a tv-készülék üzembe helyezését
Sony visontelado vagy alvallalkozó Hajtsa végre. Ne kiserelje meg a termek onallo felszerelését.
Sony visonteladok és alvallalkozók figyelmébe
A termek üzembe helyezékor, rendszeres karbantartásakor és vizsgálatakor maradéktalanul
tartson be mindedBiztonsagi oivintézkedest.
A keszülék felszerelëse megfelelo szaktudást igényel, különösen a tv-készülék sulyat tartó fal teherbirásanak megállapítását illetően. A keszülék falra rogzítését mindigBizza Sony visonteladora vagy alvállalkozóra, és szereleskor ügyeljen a biztonságra. A Sony nem vallal felelosséget a gondatlan vagy szakszerültlen szerelesból eredő személyi sérülësekér tavy anyagi károkér.
ABiztonsag es a megfelelo felszerelés erdekében kovesse a fali konzol kezelési utmutatojat, a
TV-beallitasi utmutatot es a jelen kezikonyv utasitasait.
Biztonság
Koszönjuk, hovy ezt a keszüléket vásárolta meg.
Vásárlóink figyelmébe
A termek felszerelsehez megfelelo
tapasztalat szukseges. A zerelest a Sony
viszonteladoja vagy szerzodott
alvallkozja végéze, kūlōns
tekintetel a zerelze bizzonságára. A
Sony nem teheto felelossé a helytelen
kezelésból vagy a helytelen szerelésból,
illetve a megadott termektól elteró
termek felszerelseból adó do semmilyen
anyagi kárét vagy szemelyi sérolésert.
Az On törvenyes jogait (ha vannak) ez
nem erinti.
Sony viszonteladok szamara
A termek felszerelsehez megfelelo tapasztalat szukseges. ABiztonsagos munkavegzs erdekuben alapasan olvassa el zet az utmutat. A Sony nem teheto felelosse a helyten kezelés es szereles miatt bekovtkezett semmilyen karert vagy serulésert. Kjeruk, a szereles befejezese utan ezt az utmutatot adja at a fogyasztonak.
Ez a hasznalati utmutató a termek helyes kezelesét, ilteve a fontos balesetvedelmi intezkedeseket mutatja be. Alaposan olvassa el ezt az utmutató, es hasznalja megfeleloen a termeket. A késobbi hasznalat celjara orizze meg ezt az utmutató.
A Sony termékeinek tervezese abiztonsag szem elott tartasaval tortenik. A termékeh helytehen hasznalata azonban sulyos égési serulest, aramutest okozhat, a termek feldolhet vagy leeshet. Az ilyen balesetek ekulerüse erdekében tartsba be abiztonsagi elorásokat.
VIGYAZAT
Meghatározott termékek
Ez a fali konzol a megadott tv-keszulekekhez hasznalhato. Tv-keszulekek eseteben a hasznalhato fali konzol tipusát a keszulek Referencia utmutatója tartalmazza.
Vásárlóink figyelmébe
FIGYELMEZTÉS
A kovetkezōBiztonsági elóirások be nem
tartasa súlyos égési sérlésist, halal't,
aramutest okozhat, a termek pedig
leeshet.
A szerelést erre felhatalmazott vallalkozó vegezze, és a gyerekeket tartsa távol a szerelés helyszinétől.
A fali konzol vagy a tv-keszülk helytelen felszerelése eseten a kovetkezbaasetek kovetkezhetnek be. A szerelest felhatalmazott vallalkozónak kevegezie.
A tv-keszulek leeshet, es sulyos serulest, zuzodast vagy torest okozhat.
Ha a fal, amelyre a fali konzolt felszerelik, nem stabil, egyenetlen, vagy nem meroleges a padlozatra, akkor a keszulek leeshet, es szemelyi seriulest vagy anyagi kart okozhat. A falnak legalabba tv-keszulek sulyanak negyszereset kell ebirnia.
(A tv-keszülk sulyat lasd a keszülk Referencia utmutatójaban.)
Ha fali konzol feilerosite nem eleggereos, akkor a keszulek leeshet, es szemelyi serulest vagy anyagi kart okozhat.
A tv-keszülék szállításátés levételet erre felhatalmazott vallalkozó végezze.
Ha a tv-keszülek szállításat vagy levételet nem felhatalmazott Vallalkozó vegzi, a keszülek leeshet, és személyi sérlüst vagy anyagi kart okozhat. Ügyeljen rá, hogy kettő, vagy több személy (75 húvelykes, vagy annál nagyobb televizio eseten három vagy több személy) szállitsa vagy szerelje le a televíziót.
A tv-keszülk felerösítése utan ne távolítsa el a csavarokat stb.
Ellenkező esetben a tv-keszülék leeshet, és személyi sérlést vagy anyagi kárt okozhat.
A fali konzolt ne szereljeszt, es az alkatreszeit nevaltoztassa meg.
Ekkor a fali konzol leeshet, es szemelyi sérulést vagy anyagi kart okozhat.
A fali konzolraCsak a megadott keszülketerositse fel.
Ez a fali konzolCsak a megadott keszulekekhez hasznalhato.Mas keszulek felorositese seten a keszulek leeshet, eltorhet, es szemelyi serulest vagy anyagi kart okozhat.
A fali konzolraCsak a tv-keszüléket erösítse fel. E Ne rázza a tv-t jobbra/ balra, felfelé/lefelé.
Ilenkez esetben a tv-keszulek leeshet, es szemelyi serulest vagy anyagi kart okozhat.
Ne támaszkodjon a tv-készülékre, és ne kapaszkodjon bele.
Ne tamaszkodjon a tv-keszülékre, és ne kapaszdkodjon bele, mert a tv-keszülék Onre eshet, és sulyos serülest okozhat.
VIGYAZAT
Az alabbiBiztonsagi elorasok be nem tartasa szemelyi serulent vagy anyagi kart okozhat.
A keszülék tisztítsa vagy karbantartasa soran ne alkalmazzon tul nagy erőt.
Ne nyomja meg nagy eróvel a tv-készülék felső résztét. Ellenkező esetben a tv-készülék leeshet, és személyi sérulésst vagy anyagi kárt okozhat.
Biztonsagi eloírasok
Ha a fali konzolra erositet tv-keszuleket hossz ideig hasznalja, akkor a fal anyagatol fuggoen a tv-kszulek mogt vagy felett elszinezodhet a falfelulet, a tapeta levhat.
Ha a fali konzolt leszereli, a csavarfuratok megmaradnak.
- Ne használá j a fali konzolt oyan helyen,
ahol mechanikai rezgésnek lehet kiteve.
A fali konzol felszerelése
Sony viszonteladok szamara
FIGYELMEZTETÉS
A kovetkezó utmutatasokCsak a Sony viszonteladok szamára szolnak. Feltétlenul olvassa e la ferti bitzonsagi elóirasokat,és a keszülek felszerelése, karbartartasa é ellenorzese soran fokozottan ügyeljen a biztonságra.
A fali konzolt ne szerelje fel oyan helyen, ahol atv-keszülk sarkai vagy oldalai kiloghatnak a fal sikjából.
A falra fuggeszt o konzolt ne szerelje fel oyan falfelületre, peldául oszlopra, ahol a tv-keszülk sarkai vagy oldalai kiloghatnak a fal sikjából. Ha egy személy vagy târgy a tv-keszülk kiáló sarkába vagy oldalába utközik, az személyi serülest vagy yangi kart okozhat.

A tv-keszüléket ne szerelje légkondiconaIó alá vagy föle.
Ha a tv-keszuleket hosszü ideig éri a légkontdioncionalból csepego viz vagy a levegoğáram, az aramütest okozhat, vagy a tv-keszulek helyteplenü mückedhet.
Ugyeljen a fali konzol ennek a hasznalati utmutatonak megfelelo, biztansagos falra rogzitésere.
Ha barmelyik csavar laza, vagy kiesik, akkor a fali konzol leeshet, es szemelyi sérulést vagy anyagi kart okozhat. A fal anyaganak megfelelo csvart hasznalja, es az egységet négy vagy tobb 8 mm atmérojú (vagy azzal egyenertéku) csavarralBiztonsagosan rozgizse a falra.

A mellekelt csavarokat
és csatlakozoelemeket
hasznalja,és tartsa be
a hasznalati utmutato
utasításait. Ha mas
alkatrészeket hasznal,
akkor a tv-készülék
leeshet,és személyi
sérulést okozhat, vagy
a tv-készülék
megsérülhet.
A fali konzolt a hasznalati utmutato utasitásainak szigó betartásával, helyesen szerelje össze.
Ha valamelyik csavar laza, vagy kiesik, akkor a tv-keszulek leeshet, es szemelyi sereulest okozhat, vagy megserulhet.
A megfelelo poziciokban erosen huzza meg a csavarokat.
Ennek elmulasztása eseten a tv-keszülk leeshet, és személyi sérulést okozhat, vagy megserülhet.
Ugyeljenarra,hogy felszerelés kozben ne erje utes a tv-keszuleket.
Ha a tv-keszuléket utés éri, akkor leeshet vagy eltörhet. Ez személyi sérlust okozhat.
A tv-keszüléket oyan sik falra szerelje fel, amely meröleges a padloźatra.
Ellenkező esetben a tv-keszülék leeshet, és személyi sérülés okozhat.
A tv-keszülék helyes felerösítese után megfeleloen rogzítse a kábeleket.
Ha a kábelek amberbe vagy tárgyakba gabalyodnak, az személyi sérulést okozhat, és a tv-készülek megrongálódhat.
Ugyeljenarra, hogy a halózati kabel vagy a csatlakozókábelek ne csiþödjenek be.
Ha a halózati kabel vagy az összeköto
kábelek a készülék és a fal koze csipodnek,
iltelete eroszakosan meghajlitják vagy
megcsavarják öket, akkor a belső verzetekek
szabadda valhatnak, és rovidzárlat vagy
szakadás következhet be. Ez tuzet vagy
áramütest okozhat.

A fali konzol falra erositéséhez szükségescavarok nincsenek mellekelve.
A fali konzol falra erositéséhez használia a fal anyaganak és szerkezeténk megfelelo csavarokat.
Tartalomjegyzék
A felszerelés elokészületei 5
Az alkatreszek ellenorzese 5
A felszereléshez megfelelo hely kivalasztasa. 6
Az alap falra szerelése 8
A televiziokeszülk felszerelésenek
előkészítésé
9
KD-75XG80□□ 9
KD-65XG81□/65XG80□ 10
KD-55XG81□□/55XG80□□ 11
KD-49XG81□/49XG80□/43XG81□/43XG80□
A tv-keszülk felszerelése a falra 14
KD-75XG80□□ 14
KD-65XG81□□/65XG80□□/55XG81□□/55XG80□□/49XG81□□/49XG80□□/43XG81□□/43XG80□□
A felszerelés megfeleloségének
ellenörzese. 19
Egyeb informaciok. 19
Muszaki adatok. 19
A televíókészülék falraszerelése
A szerelési utasítások televíókészülékenként elternek.
A tv-keszülk falra szerelesehez használja az SU-WL450 fali konzolt.
Megegyzés
Ha az asztali allvany a tv-keszulkhez van rogztive, eloszor valassza le az asztali allvanyt. Tekintse meg a Beallitasi utmutatot, es az asztali allvany levalasztasahoz kovesse alepeseket forditott sorrendben.
- Amikor levalasztja az asztali allvanyt a tv-keszulékról vagy rögzítia fali konzol csatlakozóelemeit, az LCD képernyő feluletények védelme érdekében helyezze a tv-keszuléket a képernyőjével lefelé egy stabil, vizszintes munkafelületre, amelyet letakart egy vastag, puha ruhával.
- Az eltavolitott csavarokat biztos helyen, gyermekek elol elzarva taroja.
A felszerelés előkészületei
A felszerelés elott keszítse el a TV reference utmutatóját as a beallitasi utmutatóját.
- A szereles megkezdese elott keszitsen elo olyan kereszthornyos (Philips) csavarhuzot, amely illik a csavarokba.
Dontse el, hol helyezkedjen el a tv-keszulek.
Keszitsen elo négy vagy tobb 8 mm atmérojü, es egy 5 mm atmérojü vagy annak megfelelo csavart (nincs mellekelve). A fal anyaganak megfelelo csavarokat valasszon.
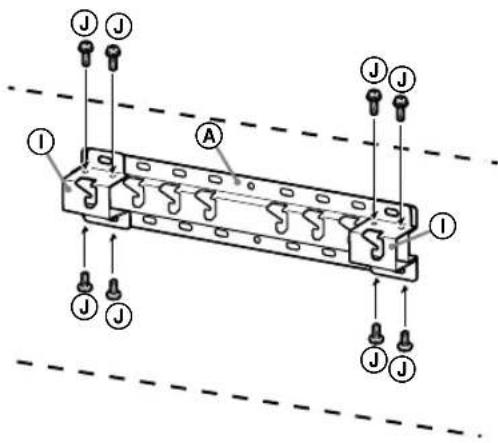
Az alkatreszek Ellenőrzésé
A SU-WL450 modellhez mellekelve
Ellenorizze, hogy minden alkatresz megtalalhato-e.
| A Alap (20) (1) B Tárcsa (2) | |
| ◎ PSW 6x20 (4)◎ PSW 4x20 hüvellyel (2) | |
| ◎ Távtartó (20) (2)◎ Pánt (1) | |
| ◎ Hüvely (20) (M4) (2) | ◎ PSW 4x20 (2) |
| ① Alap illesztőkeret (2) | ◎ PSW 4x10 (8) |
| ◎ Távtartó (60) (2) | PSW 6x50 (2) |
| ◎ Hüvely (M4) (2)◎ PSW 4x50 (2) | |
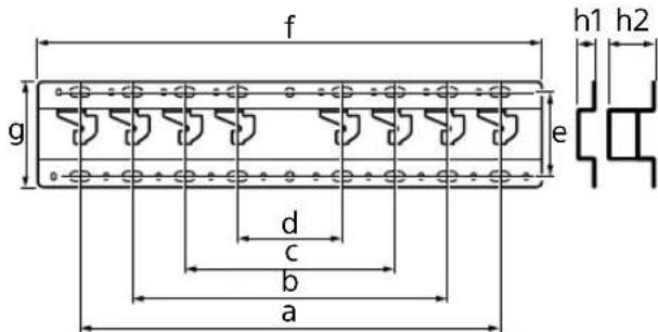
A felszereléshez megfelelo hely kivalasztása
1 Hatarozza meg a felszerelés helyét.
Győzödjön meg arról, hogy a falon elegendo hely van a tv-készüléknek, illetve hogy a fal legalabb a televíziókészülék sulyanak négyszeresét képes megtartani. A következő tablázat alapján szerelje fel a tv-készüléket a falra. A tv-készülék sulyat lásd a készülék Referencia utmutatójaban.
Normal rogzítés Falhoz közeli rögzítés

Mertékegység: mm
| Típusnév | A képernyő méretei | A képernyő bözeppontjának helyét meghatározó méret | A felszereléshez tartozó hosszérték | |||
| a | b | c | d | e | ||
| Normál rögzítés | Falgöz kõzeli rögzítés | |||||
| KD-75XG80□□ | 1686 | 970 | 202 | 690 | 142 | 100 |
| KD-65XG81□□ | 1463 | 845 | 173 | 597 | 142 | 100 |
| KD-65XG80□□ | 1463 | 845 | 173 | 597 | 142 | 100 |
| KD-55XG81□□ | 1241 | 721 | 95 | 460 | 141 | 100 |
| KD-55XG80□□ | 1241 | 721 | 95 | 460 | 141 | 100 |
| KD-49XG81□□ | 1101 | 645 | -15* | 314 | 119 | |
| KD-49XG80□□ | 1101 | 645 | -15* | 314 | 119 | |
| KD-43XG81□□ | 970 | 570 | 23 | 315 | 119 | |
| KD-43XG80□□ | 970 | 570 | 23 | 315 | 119 | |
- A tartó a képernyő kózeppontja alatt van.
Megegyzes
A felszerelestof fuggoen a tablazatadataihoz képest kisebb elteres mutatkozhat.
Ha a tv-keszuleket falra szereli, a tv felso oldala enyhén elore dol.
Ugyeljenarra, hogy a televiziokeszülék és a plafon, valamint a fal kiálo részei kozott legalabb az alabbi abrán lathato hely maradjon.
Mertékegység: mm

A megfelelo szellozesBiztositasa, es por vagy szennyezodés felhalmozodasanak megelozese erdekében:
- Ne üzemeltesse a tv-keszüléket fektetve, fejjel lefelé felszerelve, a határa vagy az oldálára fordíva.
-
Ne uzemeltesse a tv-keszüléket polcon, ágyra vagy takaróra helyezeve, illetve szekrenyben.
-
Ne takarja le a tv-keszüléket fuggönnyel vagy hasonlo textiliával, illetve ujsaggal vagy hasonlo anyaggal.
-
Ne szerelje fel a tv-keszuleket az alabbi módon.
Gátolt levegoáramlás.

Megegyzés
Ha a kábeleket a falban kivánja elvezetni, akkor még a szereles megkezdéselottfurjia ki azsükséges lyukat a falon.
Keszitsen egy lyukat a falban valahol az alap (20) A, alap illesztokeret es a tavtarto (20) E, a tavtarto (60) K teruleten kivul ahhoz, hogy elkerulje a kabelek becepiodesét.
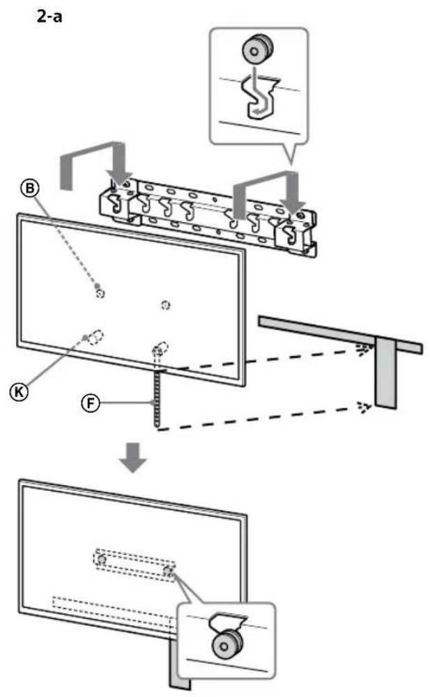
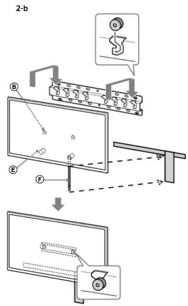
2 Valassza ki a falra valo felszerelés stilusát. A tv hatulja és a fal kozotti távolság az alábbiak szerint választhato ki.
2-a Normál rögzítés
2-b Falhoz kozeli rogzítés
Tekintse meg az 1. lépésben lathato tablazatot.
FIGYELMEZTETES
A 2-b lehtoseg valasztasa eseten a hatulso csatlakozokhoz valo hozzaferes korlatozott.


3 Az alap illesztőkeret
elhelyezésével kapcsolatban
tekintse meg az alábbi
táblázatot. A 2-b lehetőseg
valasztása esétén hagyja ki ezta
a lépást.
| Típusnév Kampók helye | |
| KD-75XG80□□ | |
| KD-65XG81□□ | b |
| KD-65XG80□□ | |
| KD-55XG81□□ | |
| KD-55XG80□□ | |
| KD-49XG81□□ | c |
| KD-49XG80□□ | |
| KD-43XG81□□ | d |
| KD-43XG80□□ | |

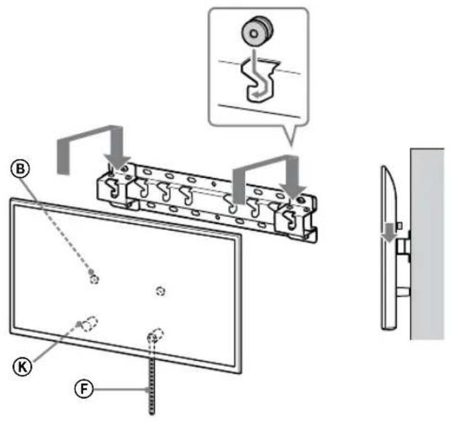
Illessze fel az ① alap
illesztőkeret a ② csavar (PSW 4x10) használatával az (20) ④
alapra, ha a 2-a lehetőseget
választotta.

4 Hatarozza meg a csavarok helyét az alap (20) A felszereléséhez.
Tekintse meg a muszaki adatokat az 19. oldalon.
A 2-a lehetoseg valasztasa eseten hasznalja az ① alap illesztokeret furathelyit.
FIGYELMEZTETES
A tevekeszuleket tartofal teherbirasanak akkoranak kell lennie, hogy legalabb a keszulek tomegenek negyszeroset elbirja (A tv-kszulek sulyat lasd a keszulek Referencia utmutatojaban.).
Deritse ki, mekkora a teherbirasa a falnak, amelyre a televiziokeszuleket szerelni kivanja. Szukseg eseten megfeleloen erositse meg a falat.
Az alap falra szerelése
- Használjon négy vagy tòbb 8 mm átméröjú vagy annak megfelelo csavart (nincs mellekelve).
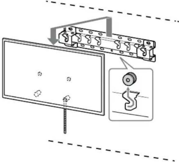
Illesszen négy csavart az ① alap illesztókeret furataihoz és az (20) A alaphoz (csak 2-a).
Vizszintesen szerelje fel az (20) alapot a falra.


A televiziókészülék felszerelésének elokésztítese
Az allvany felszereléserol lásd a beallitási utmutató.
KD-75XG80□□
1 A felszerelés tervezett helyét jelölje meg a falon.
Hasznaljon maszkoloszalagot, vagy egyeb eszkozt (nincs mellekelve) ahhoz, hogy a televizio helyet bejelõje az alap vagy az alap illesztokeret kozelben. Tajekoztatasul hasznalja a kovetkező tablazatot.

Mertékegység: mm
| Típusnév | Megjelött hossz | A képernyő bözeppon-tjának helyét meghatáro-zó méret |
| a | b |
KD-75XG80□□ 1686564150202
2 Csatlakoztassa a fali konzol
csatlakozóelemit. Ellenőrizable a
csatlakozóelemeket a 5.
oldalon található, „Az
alkatrészek Ellenőrzésé" című
szakasz „A SU-WL450
modellhez mellekelve" részények
segítségevel.
Megjegyzés
Acsavarok hasznalatal val szorosan rogzitse a csatlakozoelemeket.
Elektramos csavarbehajto hasznalata eseten kb 1,5 N-m 15kgf· cm meghuzasi nyomateket kell beallitani.
A felhasznalt, vagy fel nem hasznalt alkatreszeket bizi t helyen tarolja a kesobbi felhasznalashoz. Orizze meg ezt a kezikonyvet kesobbi hasnalaatra.

Normál rögzítés (2-a)
- A televizio hatuljan talalhato terminalok kozul nephanayat nem lehet hasznalni, ha ezt a rogzitesi stilust hasznalja.


3 Csatlakoztassa a szükséges kabel(eke)t a tv-készülékhez.
Mindenképpen csatlakoztassa a kábeleket, mielott felszereli a televiziokészuleket a falra. A televiziokészulek felszerelése utan már nem tudja csatlakoztatni a kábeleket. Tovabbi részletek a tv-készulékról annak Referencia utmutatójaban talalhatok.
Megegyzés
A kábelek falban valo elvezétésétBizza jovahagyással rendelkezó alvallalkozóra.
Kötegelje a cislatakozókábeleket annak érdekében, hogy ne lépjen rajuk a falra történ felszerelés elott.
4 Valassza le az asztali allvanyt a tv-keszülékról.
- EgyszerreCsak az asztali allvany egyik oldalat tavolitsa el. Fogja meg erosen es tartsa megBiztonsagosan az asztali allvanyt mindket kezevel, mikozben a tobbiek felemelik a televiziot.

Ismételje meg az eložo lépestre, est távolitsa el az asztali allvany masik oldalát.
Megegyzes
-Az asztali allvany levalasztasahoz harom vagy tobb szemely szukséges.
- Ugyeljen arra, hogy az asztali allvany televizióróltorténó levalasztsakor ne alkalmazzon tul nagy erot, mert az a televizio leesesehzvezet, ami szemelyisérulést vagy a televizio fizikai károsodásateredményezheti.
Az asztali allvany kezelésekor legyen ovatos annak erdekében, hogy elkerülje a televizio serulését.
A televizio megemelésekor legyen ovatos,mivel az asztali allvany levalasztasa utan az asztali allvany felborulhat eszemelyi serulest okozhat.
Legyen ovatos, amikor az asztali allvanyt levalasztja a televizirol, nehogy az felboruljon es kart tegyen abban a feluletben, amin a televizio all.
KD-65XG81□□/65XG80□□
1 Csatlakoztassa a fali konzol
csatlakozöelemeit. Ellenőrizable a
csatlakozöelemeket a 5.
oldalon található, "Az
alkatrészek Ellenőrészé" című
szakasz "A SU-WL450
modellhez mellekelve" részények
segítségevel.
Megjegyzés
Acsavarok hasznalatal val szorosan rogzitse a csatlakozoelemeket.
Elektramos csavarbehajto hasznalata eseten kb 1,5 N-m{15 kgf.cm} meghuzasi nyomateket kell beallitani.
- A felhasznalt, vagy fel nem hasznalt alkatreszeket bizi tols helyen tarojla a késobbi felhasznalashoz. Örizze meg ezt a kezikonyvet késobbi hasznalatra.

Normal rogzítés (2-a)
Falhoz kozeli rogzítés (2-b)
Megjegyzés
- A televizio hatuljan talalhato terminalok kozul nehanyat nem lehet hasznalni, ha ezt a rogzitési stilust hasznalja.


2 Csatlakoztassa a szükséges kabel(eke)t a tv-készülékhez.
Mindenéppen csatlakoztassa a kábeleket, mielott felszereli a televiziókészüleket a falra. A televiziókészülek felszerelése utan már nem tutja csatlakoztatni a kábeleket. További részletek a tv-készülekról annak Referencia utmutatójaban talalhatok.
Megegyzes
A kábelek falban valo elvezétésétBizza jovahagyással rendelkezó alvallalkozóra.
Kötegelje a cislatakozókábeleket annak érdekében, hogy ne lépjen rajuk a falra történ felszerelés elott.
3 Valassza le az asztali allvanyt a tv-keszulékról.
- EgyszerreCsak az asztali allvany egyik oldalat tavolitsa el. Fogja meg erosen es tartsa megBiztonsagosan az asztali allvanyt mindket kezevel, mikozben a tobbiek felemelik a televiziot.

Ismételje meg az eložo lépestre, est távolitsa el az asztali allvany masik oldalat.
Megegyzés
-Az asztali allvany levalasztasyhoz harom vagy tobb szemely szukseges.
- Ugyeljen arra, hogy az asztali allvany televizióróltorténó levalaszásakor ne alkalmazzon tul nagy erot, mert az a televizio leesésehzvezet, ami szemelyisérulést vagy a televizio fizikai károsodásateredményezheti.
Az asztali allvany kezelésekor legyen ovatos annak erdekében, hogy elkerulje a televizio seruleset.
A televizio megemelésekor legyen ovatos,mivel az asztali allvany levaliasztasa utan az asztali allvany felborulhat eszemelyi serulest okozhat.
Legyen ovatos, amikor az asztali allvanyt levalasztja a televiziorol, nehogy az felboruljon es kart tegyen abban a feluletben, amin a televizio all.
KD-55XG81□□/55XG80□□
1 Csatlakoztassa a fali konzol csatlakozóelemit. Ellenőrizable a csatlakozóelemetek a 5. oldalon található, „Az alkatrészek Ellenőrzésé" című szakasz „A SU-WL450 modellhez mellekelve" részények segítségevel.
Megegyzés
Acsavarok hasznalatal val szorosan rogzitse a csatlakozoelemeket.
Elektramos csavarbehajto hasznalata eseten kb 1,5 N-m 15kgf· cm meghuzasi nyomatekot kell beallitani.
A felhasznalt, vagy fel nem hasznalt alkatreszeket bizi t helyen taroIj a kesobbi felhasznalashoz. Orizze meg ezt a kezikonyvet kesobbi hasnalaatra.

Normál rögzítés (2-a)
Falhoz kozeli rogzítés (2-b)
Megjegyzés
A televizio hatuljan talalhato terminalok kozul nephanayat nem lehet hasznalni, ha ezt a rogzitesi stlust hasznalja.


2 Csatlakoztassa a szükséges kabel(eke)t a tv-készülékhez.
Mindenéppen csatlakoztassa a kábeleket, mielótt felszereli a televíozykészüléket a falra. A televíozykészülék felszerelése után mar nem tudja csatlakoztatni a kábeleket. További részletek a tv-készülékról annak Referencia utmutatójaban talalhatók.
Megjegyzés
A kábelek falban valo elvezétésétBizza jovahagyással rendelkezó alvallalkozóra.
Kötegelje a cislatakozókábeleket annak érdekében, hogy ne lépjen rajuk a falra történő felszerelés elott.
3 Valassza le az asztali allvanyt a tv-keszulekról.

Megjegyzés
A televizio megemelésekor legyen ovatos,mivel az asztali allvany levaliasztasa utan az asztali allvany felborulhat eszemelyi serulest okozhat.
- Legyen ovatos, amikor az asztali allvanyt levalaszta a televizirol, nehogy az felboruljon es kart tegyen abban a feluletben, amin a televizio all.
KD-49XG81□□/
49XG80□□ / 43XG81□□ /
43XG80□□
1 Valassza le az asztali allvanyt a tv-keszülékról.

Megjegyzés
- Ügyeljen arra, hogy a tv-keszülék alá helyezzen egy puha ruhat, hogy nehogy megserüljön a kijelző felszíne.
A fali konzol felszereléskor ne használa je asztali allványból eltavolított csavarokat. - Ügyeljen arra, hogy az eltávolított asztali allványt és a hozza tartozó csavarokat biztos helyen, gyermekek elöl elzarva tárolja. Szüksége lesz ezekre, ha a tv-készüléket egy asztalon kivanja használni a jovöben. Az asztali allvány nem vásárolhato meg kulón.
FIGYELMEZTETÉS
Bekapcsolas elott gyrozodjon meg rola, hogy a tv fuggoleges helyzetben van. Ne kapcsolja be a tv-keszuleket, ha az LCD panel lefelé nez, mert a képmegjelenités egenenetlenne valhat.
Ha a tv-keszülk feluletét nyomás vagy utés éri, akkor a tv-keszülk eltörhet vagy megrónálohat.
A tv-keszüléket képernyöjel lefelé helyeze egy stabil és vizszintes felületre úgy, hogy az asztali allvány tulnyuljon a felulet szélén. Ha a tv-keszülék és az asztali allvány talpa ugyanazon a vizszintes felülen talalható, akkor a kijelzo helyzete nem lesz stabil, és ezert megserülhet a tv-keszülék.
- Amikor leválasztja az asztali allványt a tv-készülékról, két kezzel ésBiztosan tartsa az asztali allványt.
2 Csatlakoztassa a fali konzol csatlakozöelemit. Ellenörizze a csatlakozöelemeket a 5. oldalon található, „Az alkatrészek Ellenörzese" címú szakasz „A SU-WL450 modellhez mellekelve" részények segítségevel.
Megjegyzés
Acsavarok hasznalatal val szorosan rogzitse a csatlakozoelemeket.
Elektramos csavarbehajto hasznalata eseten kb 1,5 N-m{15 kgf.cm} meghuzasi nyomatekot kell beallitani.
A felhasznalt, vagy fel nem hasznalt alkatreszeket biziros helyen tarojla a kesobbi felhasznalashoz. Orizze meg ezt a kezikonyvet kesobbi hasnalaatra.
Normál rögzítés (2-a)

A televizio hatuljan talalhato terminalek kozul nehanyat nem lehet hasznalni, ha ezt a rogzitese si stilust hasznalja.


3 Csatlakoztassa a szükséges kabel(eke)t a tv-készülékhez.
Mindenéppen csatlakoztassa a kábeleket, mielött felszereli a televiziokészüleket a falra. A televiziokészülek felszerelése utan mar nem tudja csatlakoztatni a kábeleket. További részletek a tv-készülekról annak Referencia utmutatójaban talalhatok.
Megegyzés
A kábelek falban valo elvezétésétBizza jovahagyással rendelkezǎ alvallalkozóra.
Kötegelje a csatlakozókábeleket annak érdekében, hogy ne lépjen rajuk a falra történ felszerelés elott.
A tv-keszülék felszerelése a falra
KD-75XG80□□
1 Emelje meg a televiziót.
Annak a megvalasztahoz, hogy a tarcsak (hol csatlakozzanak az alap, vagy az alap illesztokeret tartojahoz, tekintse at "A felszerelhesz megfelelohely kivalasztasa" 3.lepeseben szerepl tablazatot, a(z) 7. oldalon.
Győzódjön meg rola, hogy a televízó帽子ó része hozzaér t az alaphoz vagy az alap illesztőkerethez, amikor a televízió tartja.
Megegyzes
Tartsa mindkét kezzelBiztosan a televiziot es gyozodjon meg rola, hogy a pant F es a televizio alsoresze egy vonalban vannak a maszkoloszalaggal.
A televiziôt harom embar szalitsa és a televizóval szemben áló személy irányítsa a tobbieket a pozión beallitasa kozben.

Kiemelt ovatossagra van szukseg a televizio felszerelse kozben, kulonosen annak a szemelynek a reszerol, aki aluról tamasztja meg a televiziot, mert a keszulek leborulhat, es ez sulyos testi sérulest, akar halalt is okozhat.

2 Szerelje fel a televiziôt az alapra vagy alap illesztőkeretre.
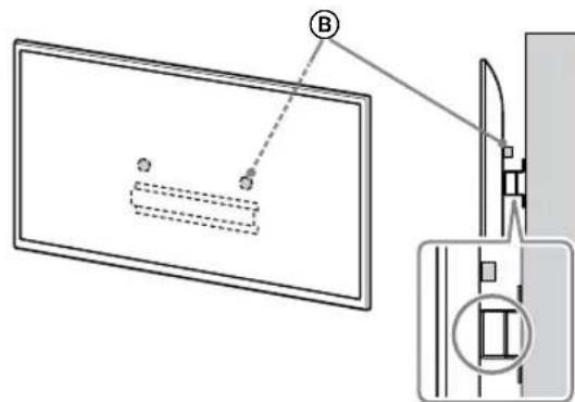
- Finoman csusztassa le a televiziôt, és a televizio hatuljan levő tárcsákat (B) akassza az alapba vagy az alap illesztőkeretbe, miután megbizonyosodott a furatok megfelelo alakjáról.
A televizióksülék falra valo felszerelése után Ellenörizze, hogy a tárcsák (szorosan illeszkednek-e az alapba vagy az alap illesztókeretbe. - Ovatosan engedje el mindkét kezzel, ügyelve arra, hogy a televizio nem esik le.

- Miután a televizióf felszerelte a falra, távolítsa el a maszkolószalagot, vagy egyeb eszköket a falró.





FIGYELMEZTETES
- Üglyeljen rá, hovy kettő, vagy tobb személy (75 húvelykes, vagy annál nagyobb televízió esétén három vagy tobb személy) fogja a televízió szallitás kozben.

3 Teendok a tv-keszulek aljanak elmozdulasa Ellen.
- A laza pantot F rogzitse feszesen a falhoz.


Hasznaljon egy 5 mm atmerojú vagy annak megfelelo csavart (nincs mellekelve).
Megegyzés
- Probálja a tv-keszülk ajat enyhén maga felé huzni annak Ellenörzéshez, hogy azBiztosan nem mozog-e elore. Ha mozgást tapasztal, akkor a rogzítés nem megfelelo, és a pantot Eújra szorosan fel kell erősitési.
KD-65XG81□□/
65XG80□□ / 55XG81□□ /
55XG80□□ / 49XG81□□ /
49XG80□□ / 43XG81□□ /
43XG80□□
1 Emelje meg a televiziót.
Annak a megvalasztasahoz, hogy a tarcsak (hol csatlakozzanak az alap, vagy az alap illesztokeret tartojahoz, tekintse at "A felszerelhesz megfelelohely kivalasztasa" 3.lepseben szerepl tablazatot, a(z) 7. oldalon.
Gyozodjon meg rola, hogy a televizio hatsó része hozzaér t az alaphoz vagy az alap illesztokerethez, amikor a televiziott tartja.

Megegyzes
Tartsa meg két kézzelBiztonsagosan a televiziot.
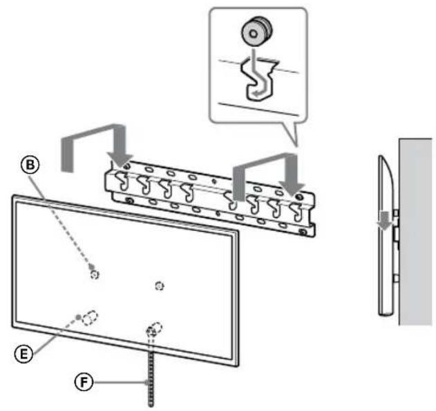
2 Szerelje fel a televiziôt az alapra vagy alap illesztókeretre.
- Finoman csuszatta le a televizió, és a televizio hatuljan levő tárcsákat (B) akassza az alapba vagy az alap illesztőkeretbe, miután megbizonyosodott a furatok megfelelo alakjáról.
- A televizióksülék falra való felszerelése után Ellenörizze, hogy a tárcsák (B) szorosan illeszkednek-e az alapba vagy az alap illesztókeretbe.
- Ovatosan engedje el mindkét kézzel, ügyelve arra, hogy a televizio nem esik le.


2-a

2-b

↓

↓
FIGYELMEZTETES
- Ugyeljen rá, hogy kettó, vagy több személy (75 húvelykes, vagy annal nagyobb televizio esétén három vagy több személy) fogja a televiziôt szallitás kozben.

3 Teendok a tv-keszülek aljanak elmozdulása Ellen.
- A laza pantot F rogzitse feszesen a falhoz.


Hasznaljon egy 5 mm atmerojvagy annak megfelelo csavart (nincs mellekelve).
Megjegyzes
- Probalja a tv-keszulek ajat enyhén maga felé huzni annak Ellenörzéshez, hogy azBiztosan nem mozog-e elore. Ha mozgast tapasztal, akkor a rogzités nem megfelelo, es a pantot F ujra szorosan fel kell erositeni.
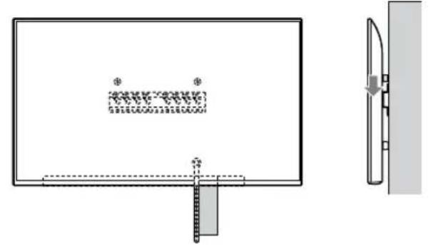
A felszerelés megfeleloségének ellenörzese
Ellenorizze a kovetkezoket.
A tárcsák ⑧ szorosan illeszkednek az alapba vagy az alap illesztőkeretbe.
- A halózati kábel és az összekö tó kábelek nem csavarodtak meg vagy csipödTek be.
A pant F feszes es nom laza.
FIGYELMEZTETÉS
A halózati kabel stb. nem megfelelo elhelyezese rovidzarlat miatt tuzet vagy aramutest okozhat. Ellenorizze a felszerelés megfeloségét.
Egyeb informaciók
A televiziokeszülk eltavolitásakor visszafelé hajtsa vegre az eljárast.

FIGYELMEZTETÉS
- Ügyljen rá, hovy kettó, vagy tobb személy (75 húvelykes, vagy annál nagyobb tevízió esétén három vagy tobb személy) fogja a tevíziót leszerelés kozben.
Muszaki adatok

Méretek: (kb.) [mm]
Suly (csak az alap): (kb.) [kg]
0,8
A forma es a muszaki adatok elozetes bejelentes nélkül megvaltozhatnak.
KönnyűKézikönyv