KD65XG8096 - Televizyon SONY - Ücretsiz kullanım kılavuzu
Cihazın kılavuzunu ücretsiz bulun KD65XG8096 SONY PDF formatında.
Sık sorulan sorular - KD65XG8096 SONY
Cihazınız için talimatları indirin Televizyon PDF formatında ücretsiz! Kılavuzunuzu bulun KD65XG8096 - SONY ve elektronik cihazınızı yeniden ele alın. Bu sayfada cihazınızın kullanımı için gerekli tüm belgeler yayınlanmaktadır. KD65XG8096 markasının SONY.
KULLANIM KILAVUZU KD65XG8096 SONY
Sony Duvar Askı Aparatını Kullanma Hakkinda Montaj Bilgileri (SU-WL450)
Desteklenen modeller:
KD-75XG80□□*/65XG81□□*/65XG80□□*/55XG81□□*/
- Gerçek model adlarinda "☐☐", bir modele özgünumara ve/veya karakterleri ifade eder.
Müsterilere
Urunu koruma ve guvenlik nedenleriyle, Sony TV'nizin montajinn Sony saticiari vya lisansli yukleniciler tarafindan gereklestirilmesini onemle onerir. Kendiniz kurmaya calismayin.
Sony Saticilari ve Yuklenicilerine
Montaj, periyodik bakim ve bu urunun incelenmesi sirasinda guvenlige son derece dikkat edin.
Özellikle duvarin TV'nin ağırkına dayanacak kadar güöl olup olmadışı belirlemek,—içn bu ürünün montaji,—içn yeterli derece uzmanlı gerekir. Bu ürünün duvara takilması konusunda Sony saticilarina veya lisanslı yüklenicilere)—gvenin ve montaj sirasinda)—güvenlige yeterince dikkat edin. Sony, montajin yanlı)—yöntemle veya uygunsuz)—sekilde"—yapilmasindan kaynaklanan,—hasar veya yaralanmalardan sorumlu)—degildir.
Güvenlik ve.Doğru kurulum icin, Duvar Aski Aparati Kullanim Talimatlari, TV Kurulum Kilavuzunu ve bu kilavuzdaki talimatlari izleyin.
Güvenlik
Bu urunu satin aldiginiz icin teşekkür ederiz.
Müsterilerimize
Bu urunu monte etmek icin yeterli derecede uzmanlik gereklidir. Montaji mutlaka Sony Bayilerine veya lisansi yuklenicilerine yaptrin ve montaj sirasinda gunlene özellklike dikkat edin. Sony, montajin yanlis yontemle veya uygunsuz sekilde yapilmasindan veya belirtilen urunun disinda bir urunun montajindan kaynaklanan hasar veya yaralanmalardan sorumu degildir. Yasal Haklariniz (varsa) etkilimenmez.
Sony Bayilerine
Bu urunu monte etmek icin yeterli derecede uzmanik gereklidir. Montaj isinin gveni bir sekilde yapilmasi icin mutlaka bu kullanim kilavuzunum tamamini okuyun. Sony, montaj yanlis yontemle veya uygunsuz sekilde yapilmasindan kaynaklanan hasarlardan veya yaralanmalardan sorumlu degildir. Montajdan sonra lufen bu kilavuzu musteriye verin.
Bu kullanim kilavuzunda urunun dokru kullanimi ve kazalari onlemek icin alinmasi gereken onemli tepbirler aqikanmaktadir. Bu kilavuzun tamamini okuduugunuzdan ve urunu dokru sekilde kullandiginizdan emin olun. Bu kilavuzu ileride basvurnak icin saklayin.
Sony urunleri güvenlige onem verilerek tasarlanmistr. Urunlerin yanlis kullanilmasi yangin, elektrik carpmasi, urunun devrilmesi veya urunun dusmesi sonucunda ciddi yaralanmaya neden olabilir. Bu gibi kazalar onlemek icin guvenlik tedbirlerine mutlaka uyun.
Uretici Firma: Sony Visual Products Inc. 2-10-1 Osaki Shinagawa-ku Tokyo, 141-8610 Japonya Telephone: (+81 3) 6748 2111
Turkiye Irtibat Numaralari: Tel: 0216-633 98 00 Faks: 0216-632 70 30 e-mail: bilgi@eu.sony.com
AEEYonetmeligine Uygundur PCB icermez
SONY
Ithalatci Firma: Sony Eurasia Pazarlama A.Ş.
Adres: Onur Ofis Park Plaza Saray Mah.
Ahmet Tevfik Ileri Cad.
No:10 34768 Ümraniye
İstanbul Türkiye
Sony Bilgi ve Danışma Hattı: 444 SONY (7669) (+90 216) 633 98 00
DIKKAT
Belirtilen urunler
Bu Duvar Aski Aparati belirtilen televizyonlarla kullanilacak sekilde tasarlanmistir. Televizyonlar icin, Duvar Aski Aparatinn kullanilabildigi dinogrulamak icin televizyonlarin Basvuru Kilavuzuna bakin.
Müsterilerimize
UYARI
Asgidaki tedbirler alinmaması, yangin, elektrik carması veya urunun dusmesi sonucunda ciddi yaralanmaya veya olume neden olabilir.
Montaji mutlaka lisansli yuklenicilere yaptirin ve montaj sirasinda kucuk tocuklari uzak tutun.
Duvar Aski Aparati veya televizyon匐ru monte edilmezse, asaigidaki kazalar meydana gelebilir. Montaji mutlaka lisansli yuklenicilere yapirtni.
- Televizyon dusebilir ve siyrik veya kirk gibi ciddi bir yaralanmaya neden olabilir.
Duvar Aski Aparatinin monte edileceigi duvar sabit degil, purzlu veya zemeine dik degilse, unite dusebilir ve yaralanmaya veya malin hasar gormesine neden olabilir. Duvar, televizyonun aigrilginen en az Dort katini destekleyebilmelidir. (Televizyonun aigril icin Basvuru Kilavuzuna bakin.)
Duvar Aski Aparatinin duvara montajinin yeterli derecede saglam yapilmamasi, unitenin dusmesine ve ciddi yaralanmaya veya malin hasar gormesine neden olabilir.
Televizyonun montajini veya demontajini mutlaka lisansli yuklenicilere yaptirin.
Televizyon luisansi yuklenicilerin disindaki kisiler taırsa veya demonte ederse, televizyon duşebilir ve ciddi yaralanmaya veya malin hasar görmesine neden olabilir. Televizyonu taşima veya dokme islemlerinin iki veyona daha fazla kisi (75 inc ve üzeri TV seti cin uc veya daha fazla kisi) tarafindan yapildigiindan emin olun.
Televizyonu monte etikten sonra vidaları, vb.çikarmayın.
Çıkarişaniz,televizyonduşebilirvédidi yaralanmaya veya malin hasar görmesine neden olabilir.
Duvar Askı Aparatinin parçalarindodehyşigkeitlik yapmayın.
Degisiklik yaparsaniz, Duvar Aski Aparati duşebilir ve ciddi yaralanmaya veya malin hasar gormesine neden olabilir.
Belirtilen ürún disindaki ekipmanlari sökmeyin.
Bu Duvar Aski Aparati yalnizca belirilen urunle kullanilacak sekilde tasarlanmistr. Belirilen urunun disinda ekipman monte ederseniz, dusebilir vya kirlabilir ve ciddi yaralanmaya vya malin hasar gormesine neden olabilir.
Duvar Askı Aparatın televizyonkında bir yük yüklemenin.
Televizyonu sola/saşa, yukari/asağı sallamayın.
Çıkarişaniz,televizyon dusebilir ve ciddi yaralanmaya veya malin hasar gormesine neden olabilir.
Televizyona dayanmayin veya asilmayin.
Televizyon uzerinize dusebileceginden ve ciddi yaralanmaya neden olabileceginden televizyona dayanmayin veya asilmayin.
DIKKAT
Asgidaki tedbirler alinmazsa, ciddi yaralanma veya malda hasar ortaya sikabilir.
Temizleme veya bakim sirasinda urune aşiri güç uygulamayın.
Televizyonun ust kenarina asiri guc uygulamayin. Cikanrsaniz, televizyon dusebilir ve ciddi yaralanmaya veya malin hasar gormesine neden olabilir.
Tedbirler
- Televizyonu Duvar Aski Aparati takili olarak uzun sure kullanirsaniz, duvarin yapildigi malzemeye baglı olaki arkadaki vuvara veya televizyonun ustunde renk要考虑 olabilir veya duvar kagidi yerinden;cikabilir.
Duvar Aski Aparati duvara monted Edildikten sonra cikarilrsa, vida delikleri kalir.
Duvar Aski Aparatini mekanik titresimler maruz kalan bir yerde kullanmayin.
Duvar Aski Aparatini Monte Etme
Sony Bayilerine
UYARI
Aşaqidaki talimatlar yalinizca Sony
bayileri icindir. Bu urünun montaji,
bakimi ve kontrlü sirasinda, yukarida
belirtilen güvenlik tedbirlerini
okuduğunuzdan ve güvânige özellikle
önem verdiğinizden emin olun.
Duvar Askı Aparatı televizyonun köselerinin veya kenanların duvar yüzeyindenkıntı yaptıduvar yüzeylerine monte etmeyin.
Duvar Aski Aparatini televizyon un koserinin veya kenarlarinin duvar yuzeyinden cikinti yaptigi, kolon gibi duvar yuzeyelerine monte etmeyin. Bir kisi veya nesne televizyonun cikinti yapapan kose sine veya kenarina carparsa, yaralanna veya mal hasari ortaya cikabilir.

Televizyonu klimanin
üzerine veya alta
monte etmeyin.
Televizyon klimadan gelen su sizi nisi veya hava akimina uzun sure maruz kalirsa, yangin, elektrik carpmasi veya televizyonda aniza meydana gelebilir.
Duvar aski aparatini duvara bu kullanim kulavuzundaki talimatlara gore saglam bir sekilde monte ettiiginizden emin olun.
Vidalardan biri gevserse veya cikarsa, Duvar
Aski Aparati dusebilir ve ciddi yaralanmaya
veya mal hasarina neden olabilir. Duvarin
malzemesi icin uygun vidalari
kullandiignizdan ve uniteyi 8 mm (veya
esdegeri) capinda dort veya daha fazla vida
kullanarak saqlam bir sekilde monte
ettiginizden emin olun.

Birlikte verilen vidaları ve ek parçaları bu kullanım kilavuzundaki talimatlara gore.Doğru bir sekilde kullandiginizdan emin olun.Başa parçalarkullanirsaniz, televisionyondusebilirve bedensel yaralanmaya veya televisionyun hasar gormesineneden olabilir.
Aparati bu kullanim kilavuzunda açıklanan prosedüre gore.Doğru bir sekilde monte ettiginizden emin olun.
Vidalardan biri gevser veya cikarsa, televizyon dusebilir ve bedensel yaralanmaya veya televizyonun hasar gormesine neden olabilir.
Vidaları gosterilen konumda iyice sikiştirdliginizdan emin olun.
Bu yapilmazsa, televizyon dusebilir ve bedensel yaralanmaya veya televizyonun hasar gormesine neden olabilir.
Montaj sirasinda televizyonu darbeye maruz birakmamaya dikkat edin.
Televizyon darbeye maruz birakilirsa, dusebilir veya parcalarna ayrlabilir. Bu, yaralanmaya neden olabilir.
Televizyonu dik ve diz bir duvara monte ettiğinizden emin olun.
Bu yapilmazsa, televizyon dusebilir ve yaralanmaya neden olabilir.
Televizyon dokru sekilde monte edildikten sonra, kabolari dokru sekilde sabitleyin.
Kisiler veya nesneler kablolara takilirsa, yaralanma veya televizyonda hasar ortaya cikabilir.
AC guc kablosunun vya
baiglanti kablosunun
sikmasina izin
vermeyin.
AC guc kablosu veya baglanti kablosu unite
lle duvar arasina sikisira veya guc
uygulanarak bukulur veya kivrilirsa, ic
iletkenler ortaya cikabilir ve bu durum, kisa
devreye veya elektrik koslimesine neden olabilir. Bu durum, yangina veya elektrik carpmasina neden olabilir.

Duvar Askı Aparatı duvara sabitlemek icin gereken vidalar ürünle birlikte verilmez.
Duvar Aski Aparatini monte ederken duvar malzemesi ve yapisi icin uygun vidalan kullanin.
Içindekiler
Montaj iin hazirlanma 5
Parçalari kontrol etme. 5
Montaj konumuna karar verme. 6
Tabani duvara monte etme 8
Televizyonun montaji icin hazirlanma.9
KD-75XG80□□ 9
KD-65XG81□□/65XG80□□ 10
KD-55XG81□□/55XG80□□ 11
KD-49XG81□/49XG80□/43XG81□/43XG80□
Televizyonu duvara monte etme. 14
KD-75XG80□□ 14
KD-65XG81□□/65XG80□□/55XG81□□/ 55XG80□□/49XG81□□/49XG80□□/ 43XG81□□/43XG80□□
Montajin tamamlandigini onaylama.19
Diger bilgiler 19
Teknik Ozellikler 19
Televizyonu duvara monte etme
Montaj proseduru televizyonunuza bagli olarak farklik gosterir.
TV'yi duvara monte etmek icin Duvar Aski Aparati'ni SU-WL450 kullanin.
Not
- Masa Üstü Sehpatı TV'ye takillya, once Masa Üstü Sehpatı nı Çiçarin. Masa Üstü Sehpasını takmak icin Kurulum Kilavuzuna bakin ve adınlari tersten takip ederek Masa Üstü Sehpasını ayirin.
Duvar Aski Aparati icin Ek parcalari sabitlerken veya Masa Usti Sehpasi nTV den cikarirken LCD ekranin yuzeyine zarar gelmesini onlemek icin TV'yi ekrani aagi bakacak sekilde kalin ve yumusak bir bezle kapl duz ve saglam bir yuzeye yerlestirin. - Çikariliàn vidalari Çocuklardan uzak tutarak güvenli bir yerde depaladīgünizdan emin olun.
Montaj增長 hazirlanma
- Kurulumdan once televizyonun Basvuru Kilavuzunu ve Kurulum Kilavuzunu hazir bulundurun.
Montajdan once vidalara uygun yildiz tornavida bulundurmayi unutmayin. - Televizyonunuzun montaj konumunu onaylayin.
- 8 mm capinda dört veya daha fazla vida ve 5 mm capinda veya esdeger birvida hazirlayin (birlikte verilmez). Duvarin malzemesine uygun vidalar secin.
Parçalari kontrol etme
SU-WL450 ile birlikte verilir
- Tüm parçalarin bulundugündan emin olun.
| A Taban (20) (1) B Makara (2) | |
| ◎ PSW 6x20 (4)◎ P$W 4x20, burçile (2) | |
| ◎ Ara Parçasi (20) (2) | ◎ Kayiş (1) |
| ◎ Burç (20) (M4) (2) | PSW 4x20 (2) |
| ① Taban Adaptörü (2) | ◎ PSW 4x10 (8) |
| ◎ Ara Parçasi (60) (2) | ◎ PSW 6x50 (2) |
| ◎ Burç (M4) (2)◎ PSW | 4x50 (2) |
Montaj konumuna karar verme
1 Montaj konumuna karar verin.
Duvarda TV[in yeterince alan oldugundan ve duvarin TV'nin aigrilginin en az dort kat i agrlik taiyabileceginden emin olun.
TV'yi duvara monte etmek hakkinda asagidaki tabloya bakin. TV'nin aigrilig icin TV'nizin Basvuru Kilavuzuna bakin.

Birim: mm
| Model adi | Görüntü boyutlari | Ekran merkezi boyutu | Montaj uzunluğu | |||
| a | b | c | d | e | ||
| Standart montaj | ince montaj | |||||
| KD-75XG80□□ | 1.686 | 970 | 202 | 690 | 142 | 100 |
| KD-65XG81□□ | 1.463 | 845 | 173 | 597 | 142 | 100 |
| KD-65XG80□□ | 1.463 | 845 | 173 | 597 | 142 | 100 |
| KD-55XG81□□ | 1.241 | 721 | 95 | 460 | 141 | 100 |
| KD-55XG80□□ | 1.241 | 721 | 95 | 460 | 141 | 100 |
| KD-49XG81□□ | 1.101 | 645 | -15* | 314 | 119 | 78 |
| KD-49XG80□□ | 1.101 | 645 | -15* | 314 | 119 | 78 |
| KD-43XG81□□ | 970 | 570 | 23 | 315 | 119 | 77 |
| KD-43XG80□□ | 970 | 570 | 23 | 315 | 119 | 77 |
- Braket konumu ekran merkez noktasinin altindadir.
Not
- Tablodaki sekiller montaja bagli olarak biraz degişebilir.
TV'niz duvara monte edildiginde, TV'nin ust tarafi oneogrubiraz eglir.
Televizyon ile tavan ve duvar seksintilararasinda asagida gosterildigi gibi uygunmesafe birakin.
Birim: mm

Uygun havalandirmayi saglamak ve toz veya kirin birikmesini onlemek icin:
TV setini duz yatirmayin, ters, geriyeogrnu veya yan monte etmeyin.
TV setini raf, kilim, yatak uzerinde veya kabin icine yerlestirmeyin.
TV setini perde gibi bir bezle veya gazete kagidi vb. ile kapatmayin.
TV setini asagida gosterilen sekilde monte etmeyin.
Hava sirkulasyonu engelleniyor.

Not
Kablolari duvara yonlendirmek istiyorsaniz, montaja baslamadan once kablorari yerlestirmek icin duvara bir delik acin.
Kablolarin sikmasini onlemek içn, Tabanin (20) A, Taban Adaptöru ① ve Ara Parcasinin (20) E, Ara Parcasinin (60) Cévre uzunluğu disinda bir yerde duvara delik acin.
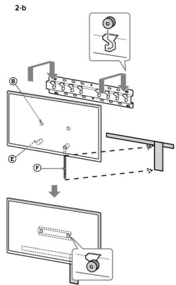
2 Duvara montaj tipi secin. Televizyonun arkasina olan mesafe asagida gosterildigi gibi secilebilir.
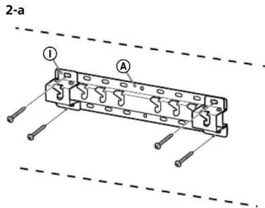
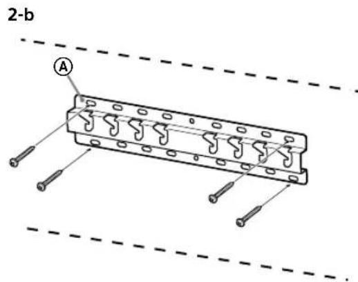
2-a Standart montaj
2-bince montaj
Adim 1'deki tabloya bakin.
UYARI
- 2-b seçildügennde, Arka terminale erisim sinrlidir.

3 Taban Adaptoru montaj konumu hakkindaki asagidaki tabloya bakin. 2-b secildigiinde bu adimi atlayin.
| Model adi Kanca konumu | |
| KD-75XG80□□ | |
| KD-65XG81□□ | b |
| KD-65XG80□□ | |
| KD-55XG81□□ | |
| KD-55XG80□□ | |
| KD-49XG81□□ | c |
| KD-49XG80□□ | |
| KD-43XG81□□ | d |
| KD-43XG80□□ | |

2-a secildigiinde, ① vidayi (PSW 4x10) ⑦ kullanarak taban adaptororuunu taban (20) A'ya takin.

4 Tabani (20) A kurmak icin vidalarin konumuna karar verin.
Sayfa 19'teki teknik özelliklere bakin.
2-a seildiginde Taban Adaptorunn delik pozisyonlarini kullanin.
UYARI
- Televizyonun monte edildigi duvar, tevizyonun en az dort kat aigrigi destekleyebilmelidir (Televizyonun aigrigi icin Basvuru Kilavuzuna bakin.)
- Televizyonun monte edilecegi duvarin saglamligrini belirleyin. Gerekirse duvari yeterli derecede guclendirin.
Tabani duvara monte etme
- 8 mm capinda veya esdeger dört veya daha fazla vida kullanin (birlikte verilmez).
Dort vidayi taban (20) ④ ile Taban Adaptörünun ① deliklerine takin (yalnizca 2-a).
Tabani (20) duvara yatay olarak monte edin.


Televizyonun montaji icin hazirlanma
Stand kurulum icin Kurulum Kilavuzuna bakin.
KD-75XG80□□
1 Kurulum konumunu duvara isaretleyin.
- Maskeleme bandi (birlikte verilmez) kullanarak televizyonun konumunu Taban veya Taban Adaptorunun yakininda isaretleyin. Asaigidaki tabloya bakir.

Birim: mm
| Model adi | İşaretin uzunluğu | Ekran merkezi boyutu | ||
| a | b | c | d | |
| KD-75XG80☐☐ | 1.686 | 564 | 150 | 202 |
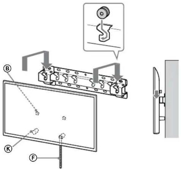
2 Duvar Askı Aparati,—çın,—olan,—ek parçaları)—takin. Sayfa 5'te "Parçaları"—kontrol etme" böllum"—nde "SU-WL450"—ile birlikte"—verilir"—ba"—ina"—bakarak"—ek parçaları"—kontrol edin.
Not
Ek parcalari vidalarikullanarak siki bir sekilde sabitleyin.
Elektrikli tornavida kullanirken, torku yaklaşik 1,5 N·m {15 kgf·cm} olarak ayarlayin.
Kullanilan veya kullanilmayan parçalari daha sonra kullanmak icin güvenli bir yerde depolayin. Bu kilavuzu daha sonra basvurmak icin saklayin.
- Bu montaj stilini kullanirken televizyonun arkasindaki terminallerden bazilarini kullanamazsiniz.


3 Gerekli kabloyu(kablolari) televizyona baglayin.
Televizyonu duvara monte etmeden once
kablolari bagladiqinizdan emin olun.
Televizyon monte edildiginde kablolari
baglayamayacaksiniz.
Televizyonunuzla birlikte verilen Basvuru
Kilavuzuna bakir.
Not
Duvardan kablo gezirme isini lisansli bir taserona verin.
- Uzerine basmamak icin duvara montaj isleminden once baglanti kabolarini toplayin.
4 Masa Üstü Sehpasini televizyondan dokun.
- Masa Üstü Sehpanin bir tarafıni bir seferde kaldırın. Düz-insanlartelevizyonu kaldirirken iki elinizle Masa Üstü Sehpayı sikica ve güvenli bir sekilde tutun.

- Onceki adimi tekrarlayin ve Masa Üstü Sehpanin diger tarafini kaldirin.
Not
- Masa Üstü Sehpadan ayirmak icin üç veya daha fazla insan gereklidir.
- Masa Üstü Sehpayi televizyondan ayirirken asir guc uygulamayin: cunku televizyon setinin dusmesine ve dolayisiyla fiziksel yaralanma veya televizyonun hasar gormesine neden olabilirsiniz.
- Televizyona hasar gelmesini engellelemek icin Masaustu Sehpayi kaldirirken dikkatli olun.
- Masa Üstü Sehpasi sökme islemi sirasinda televizyon kaldirken dikkatli olun; Masa Üstü Sehpasi devrilebilir ve yaralanmalara neden olabilir.
- Masa Üstü Sehpasıntelevizyondan sokerkençikarirken devrilmemesi ve televizyonun oturdugu yüzeye zarar vermemesi icin dikkatli olun.
KD-65XG81□□/65XG80□□
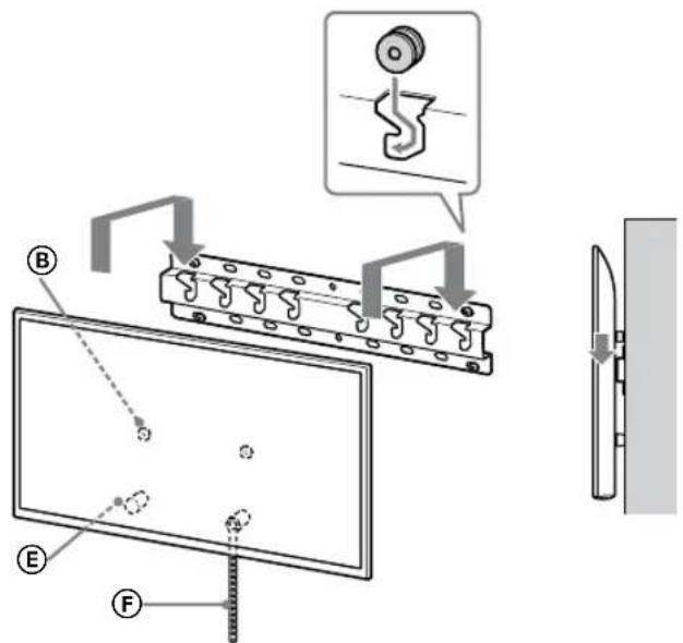
1 Duvar Askı Aparati,—çın,—olan ek parçaları)—takin. Sayfa 5'te "Parçaları"—kontrol etme"—bölüm"—nde "SU-WL450"—ile birlikte verilir"—bas)—ina bakarak.—ek parçaları)—kontrol edin.
Not
Ek parcalari vidalarikullanarak siki bir sekilde sabitleyin.
Elektrikli tornavida kullanirken, torku yaklaşk 1,5 N·m {15 kgf·cm} olarak ayarlayin.
Kullananan veya kullanilmayan parçaları daha sonrak kullanmak icin güvenli bir yerde depolayin. Bu kulavuzu daha sonraca basvurmak icin saklayin.
- Bu montaj stilini kullanirken televizyonun arkasindaki terminallerden bazilarini kullanamazsiniz.


2 Gerekli kabloyu(kablolari) televizyona baglayin.
Televizyonu duvara monte etmeden once kablolari bagladiginizdan emin olun.
Televizyon monte edildiginde kablolari baglayamayacaksiniz.
Televizyonunuzla birlikte verilen Basvuru Kilavuzuna bakin.
Not
Duvardan kablo gezirme isini lisansli bir taserona verin.
- Uzerine basmamak icin duvara montaj isleminden once baglanti kabolarini toplayin.
3 Masa Üstü Sehpasini televizyondan sökün.
- Masa Üstü Sehpanın bir tarafıni bir seferde kaldırın. Düz-insanlar televizyonu kaldırırken iki elinizle Masa Üstü Sehpayı sikica ve güvenlı bir sekilde tutun.

- Onceki adimi tekrarlayin ve Masa Üstü Sehpanin diger tarafini kaldirin.
Not
- Masa Üstü Sehpadan ayirmak icin üç veya daha fazla insan gereklidir.
- Masa Üstü Sehpayi televizyondan ayirrken asir guc uygulamayin: cunku televizyon setinin dusmesine ve dolayisiyla fiziksel yaralanma veya televizyonun hasar gormesine neden olabilirsiniz.
- Televizyona hasar gelmesini engellelemek ici Masaustu Sehpayi kaldirirken dikkatli olun.
- Masa Üstü Sehpasi dokme ilemi sirasinda televizyonku kaldirken dikkatli olun; Masa Üstü Sehpasi devrilebilir ve yaralanmalarana neden olabilir.
- Masa Üstü Sehpasıntelevizyondan sokerken Çikanırden devrilmemesi ve televizyonun oturdugu yüzeye zarar vermemesi icin;dikkatli olun.
KD-55XG81□□/55XG80□□
1 Duvar Askı Aparati,—çın,—olan ek parçaları)—takin. Sayfa 5'te "Parçaları"—kontrol etme" böllum"—nde "SU-WL450"—ile birlikte"—verilir"—ba"—ğina"—bakarak"—ek parçaları"—kontrol edin.
Not
Ek parcalari vidalari kullanarak sikbir sekilde sabitleyin.
Elektrikli tornavida kullanirken, torku yaklaşk 1,5 N·m {15 kgf·cm) olarak ayarlayin.
Kullananan veya kullanilmayan parçalari daha sonra kullanmak icin güvenli bir yerde depolayin. Bu kilavuzu daha sonra basvurmak icin saklayin.
- Bu montaj stilini kullanirken televizyonun arkasindaki terminallerden bazilarini kullanamazsiniz.


2 Gerekli kabloyu(kablolari) televizyona baglayin.
Televizyonu duvara monte etmeden once kablolari bagladiginizdan emin olun.
Televizyon monte edildiginde kabolari baglayamayacaksiniz.
Televizyonunuzla birlikte verilen Barangvuru Kilavuzuna bakir.
Not
Duvardan kablo gezirme isini lisansli bir taserona verin.
- Uzerine basmamak icin duvara montaj isleminden once baglanti kabolarini toplayin.
3 Masa Üstü Sehpasini televizyondan sökün.

Not
- Masa Üstü Sehpasi seksme ilemi sirasinda televizyonu kaldirken dikkatli olun; Masa Üstü Sehpasi devrilebilir ve yaralanmalaria neden olabilir.
- Masa Üstü Sehpasıntelevizyondan sokerken Çikanirken devrilmemesi ve televizyonun oturdugu yüzeye zarar vermemesi icin dikkatli olun.
KD-49XG81□□/ 49XG80□□ / 43XG81□□ / 43XG80□□
1 Masa Üstü Sehpasini televizyondan sökün.

Not
Ekranin yuzeyinin hasar gormesini onlemek icin televizyonu mutlaka yumusak bir bez serdiiginiz bir yere koyun.
- Duvar Aski Aparatini monte ederken, Masa Üstü Sehpasindan*cikardiginiz vidalari kullanmayin.
Cikaran Masa Ustu Sehpasini ve vidalarinocuklardan uzak tutarak guvenli bir yerde depoladiginizdan emin olun. Gelecekte televizyonu sehpza uzerinde kullanmak isterseniz bu parcalara ihtiyaacduyacaksiniz.Masa Ustu Sehpasayir satin alinamaz.
UYARI
- Acmadan once televizyonun dikey konumda oldugundan emin olun. Resim dagilimin esit olmamasini onlemek icin televizyon LCD panel asagib bakarken acilmamaldir.
- Televizyon un yuzeyine baski veya darbe uygulanirsa, televizyon kirlabilir veya hasar gorebilir.
- Televizyonu yuzu aşaqi bakacak ve Masa Üstü Sehpasi yuzeyin kenarindan Sarkacak sekilde sabit ve duz bir yuzeye yatirin. Televizyonun yuzu ve Masa Üstü Sehpasin tabani ayni seviyede tutulursa, calisma durumunun dengesi bozulur ve televizyon hasar gorebilir.
- Masa Üstü Sehpasini televizyondan sökerken, Masa Üstü Sehpasini her iki elinizle siki bir sekilde tutun.
2 Duvar Aski Aparati icin olan ek parçaları takın. Sayfa 5'te "Parçaları kontrol etme" böllumunde "SU-WL450 ile birlikte verilir" basligina bakarak ek parçaları kontrol edin.
Not
Ek parcalari vidalarik kulanarak sikbir sekilde sabitleyin.
- Elektrikl tornavida kullanirken, torku yaklaşik 1,5 N·m {15 kgf·cm} olarak ayarlayin.
Kullanlan veya kullanilmayan parcalari daha sonra kullanmak icin guvenli bir yerde depolayin. Bu kilavuzu daha sonra basvurmak icin saklayin.
- Bu montaj stilini kullanirken televizyonun arkasindaki terminallerden bazilarini kullanamazsiniz.


3 Gerekli kabloyu(kablolari) televizyona baglayin.
Televizyonu duvara monte etmeden once kablolari bagladiqinizdan emin olun.
Televizyon monte edildiginde kabolari baglayamayacaksiniz.
Televizyonunuzla birlikte verilen Barangvuru Kilavuzuna bakin.
Not
Duvardan kablo gezirme isini lisansli bir taserona verin.
- Uzerine basmamak icin duvara montaj isleminden once baglanti kabolarini toplayin.
Televizyonu duvara monte etme
KD-75XG80□□
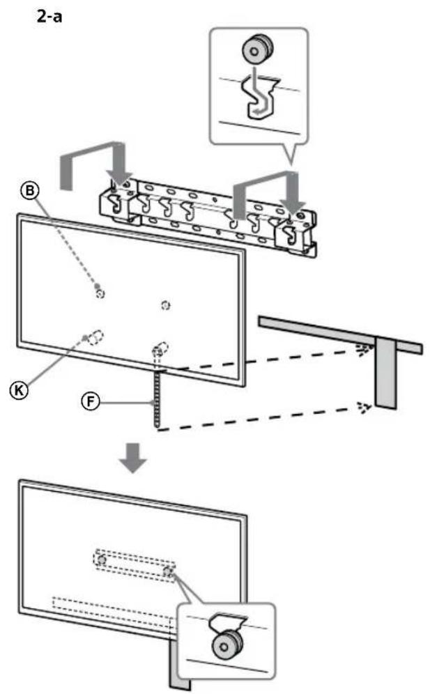
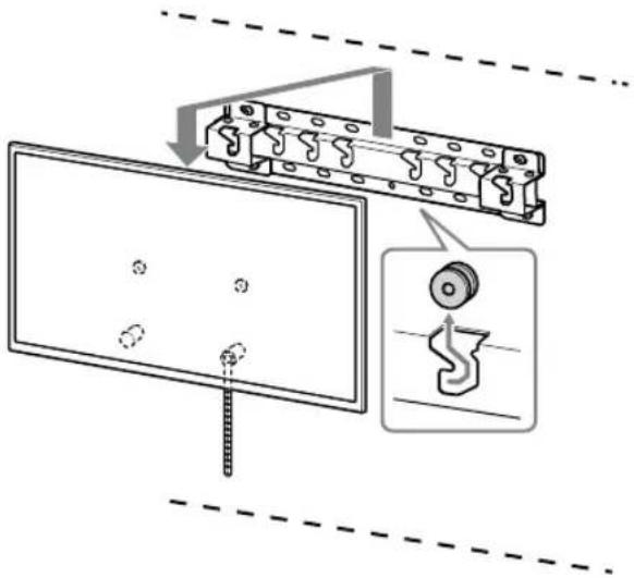
1 Televizyonu kaldirin.
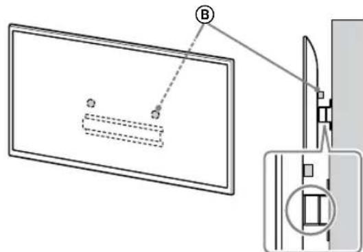
- Makaralarin (B) Taban veya Taban Adaptorundeki konumu icin 7 sayfasinda "Montaj konumuna karar verme" bolumunde adim 3'teki tabloya bakin.
- Televizyonu tutarken televizyonun arka tarafinin Taban veya Taban Adaptorunn arka tarafina degdiginden emin olun.
Not
- Televizyonu iki elinizle siki bir sekilde tutun ve Kayis
F ile tevizyonun alt kismimin maskeleme bandiyla ayni hizada oldugundan emin olun. - Televizyonu Üçkısiyle taşıyın ve televizyonun onündekıkı, düzlerinin konumu ayarlamasi icin kilavuzluk etsin.

- Televizyonu duvara monte ederken, Özellikte televizyonu asagidan destekleyen kisi;cok dikkatli olmalir; cunku televizyon seti dusebilir ve ciddi bedensel yaralanmalarava hatta olume neden olabilir.

2 Televizyonu Taban veya Taban Adaptoru uzerine monte edin.
- Televizyonu yavaşa aşaqiya.Doğru kaydirin ve televizyonun arkasina takili Makaralari (deliklerin seklini dokrulayarak Taban ya da Taban Adaptörüne takir.
- Televizyonu duvara monte ettikten sonra, Makaralarin (Tabana vya Taban Adaptorune siki bir sekilde kilitlendiginden emin olun.
- Televizyonun duşmeyeçinden emin olmak ilen her iki elinizi de yavaşa birakin.

- Televizyonu duvara taktiktan sonra maskeleme bandini duvardan ickarin.






UYARI
-Taşirken televizyonu iki veya daha fazla kisinin (75 inç ve üzeri TV seti icin üç veya daha fazla kişi)tuttugundan emin olun.

3 Televizyonun altinin kaymasini onleme.
Kayisin F gevsek tarafini tutun ve duvara sikica takin.


- 5 mm capinda veya esdeger vida kullanin (birlikte verilmez).
Not
- Televizyonun.altini haficke kendinize dogru cekmeyi deneyerek ileri dogru oynamadigindan emin olun. Herhangi bir oyna varsa, dogru sabitlenmemistir ve Kayis F tekrar sikica sabitlenmelidir.
KD-65XG81□□/
65XG80□□ / 55XG81□□ /
55XG80□□ / 49XG81□□ /
49XG80□□ / 43XG81□□ /
43XG80□□
1 Televizyonu kaldirin.
- Makaralarin (B) Taban veya Taban Adaptorundeki konumu icin 7 sayfasinda "Montaj konumuna karar verme" bolumunde adim 3'teki tabloya bakin.
- Televizyonu tutarken televizyonun arka tarafinin Taban veya Taban Adaptorun un arka tarafina degdiginden emin olun.

Not
- Televizyonu iki elinizle siki bir sekilde tutun.
2 Televizyonu Taban veya Taban Adaptoru uzerine monte edin.
- Televizyonu yavaşa aşaqiya.Doğru kaydirin ve televizyonun arkasina takili Makaraları (deliklerin seklini dokrulayarak Taban ya da Taban Adaptörüne takın.
- Televizyonu duvara monte ettikten sonra, Makaralarin (Tabana vya Taban Adaptorune siki bir sekilde kilitendiginden emin olun.
- Televizyonun Düsmeyeceğinden emin olmak icin her iki elinizi de yavasca birakin.


2-a

2-b

↓

↓
UYARI
-Taşırken televizyonu iki veya daha fazla kisinin (75 inç ve üzeri TV seti icin üç veya daha fazla kisi) tutugundan emin olun.

3 Televizyonun altinin kaymasini onleme.
Kayisin gesek tarafini tutun ve duvara sikica takin.


- 5 mm capinda veya esdeger vida kullanin (birlikte verilmez).
Not
- Televizyonun altini haficce kendinize dokru cekmeyi deneyerek ileri dokru oynamadigindan emin olun. Herhangi bir oynama varsa, dokru sabitlenmemistir ve Kayis E tekrar sikca sabitlenmelidir.
Montajin tamamlandiğini onaylama
Asgidaki noktalarikontrol edin.
- Makaralarin (B) Tabana veya Taban Adaptörüne siki bir sekilde asildiğindan emin olun.
Guc kablosu ve kablo bukulu veyasikistirilmis olmamalidir.
Kayis F siki olmali, gevsek olmamalidir.
UYARI
- AC guc kablosu vb'nin yanlis yerlestirilmesi, kisa devreye ve dolayisiyla yangina veya elektrik carpmasina neden olabilir. Montajin guvenli bir sekilde tamamlandiigindan emin olun.
Diger bilgiler
Televizyonu cikarirken, onceki kurulum prosedurunu ters yonde izleyin.

UYARI
- Çikarirken televizyonu iki veya daha fazla kisiin (75 inc ve üzeri TV seti icin üç veya daha fazla kisi) tuttgundan emin olun.
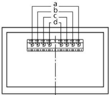
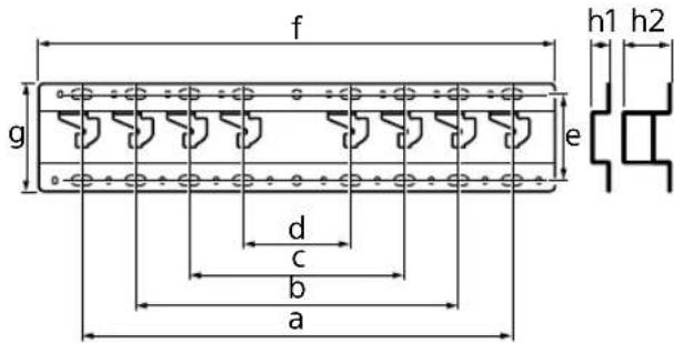
Teknik Özellikler

Boyutlar: (Yakl.) [mm]
a:400
b : 300
c:200
d : 100
e:80
f:480
g : 100
h1:20(2-b durumunda)
Tasarim ve teknik özellikler, önceden bildirilmeksizin degisiklige tabidir.
KolayKılavuz