KD65XG8096 - Televizor SONY - Manual de utilizare gratuit
Găsiți gratuit manualul dispozitivului KD65XG8096 SONY în format PDF.
Întrebări frecvente - KD65XG8096 SONY
Descărcați instrucțiunile pentru Televizor în format PDF gratuit! Găsiți manualul dvs. KD65XG8096 - SONY și luați din nou în mână dispozitivul dvs. electronic. Pe această pagină sunt publicate toate documentele necesare pentru utilizarea dispozitivului dvs. KD65XG8096 mărcii SONY.
MANUAL DE UTILIZARE KD65XG8096 SONY
Informații de instalare pentru適用area dispositivului de montare peperete Sony (SU-WL450)
Modele acceptate:
KD-75XG80□□* / 65XG81□□* / 65XG80□□* / 55XG81□□* /
55XG80□□* / 49XG81□□* / 49XG80□□* / 43XG81□□* /
43XG80□□*
- Pouru numele modelului actual, „□□“ indica numărulși/sau caracterele specifice pentru fiecare model.
Pentru clienti
Pentru protectia produsului si din motive de siguranta, Sony recomanda insistent ca instalarea televizorului dumneavoastră să fie efectuata de distribuiitori sau contractori licenciatiși Sony. Nu incercași să il instalati personal.
Pentru distribuitorii si contractorii Sony
Acordati atentie totala siguranstei in timpul instalarii, intretinerii periodice si examinarii acestui proclus.
Este necessara o experientă suficientă pentru instalarea acestui produs, mai ales pentru a determinina rezistența peretelui pentru susținerea greutății televizorului. Incredințați fixarea pe perete a acestui produs distribuitorilor sau contractorilor licențiș Sonyși accordati o atenție adecovata sigurantei în tampul instalări. Compania Sony nu este răspunțatoare pentru daune materiale sau vătămări corporale cauzate de manipularea inadecovata sau de instalarea necorespunțoare.
Pentru instalarea corectăși in siguranță, respectați instrucțiunile de/utilizare a dispositivului de montare pe perete, ghidul de configurare a televizoruluiși instrucțiunile din prezentul manual.
Despre siguranta
Vä multumim pentru achizitionarea acestui produs.
Pentru clienti
Pentru instalarea acestui produs este necessar un nivel sufficient de experienta. Subcontracta injalstarea distribuitorilor Sony Sau unor contractori licenciati si acordati o atentie speciala sigurantei in timpul instalarii. Sony nu este responsabila pentru niciun fel de daune materiaie sauvatamari corporale determinate de manipularea eronata sau de instalarea inadevcavata, respectiv de instalarea altei produs decat cel specificat.Drepturile dvs,prevazute de lege (dacaxist) nu sunt afectate.
Pentru distribuitorii Sony
Pentru instalarea acestui produs este necessar un nivel suficient de operanten. Cititi cu ateniete acast manual de instruftiuni,pentua e efectua operatilile de instalare in siguranta.Sony nu este responsabila pentru niciun fel de daune materiale Sauvatamari corporale determinate manipularea eronata sau de instalarea inadecvata.Imnanati acast manual clientului dupa instalare.
Acest manual de instruioni prezinta modul de manipulare corecta a produsului si masurile importante de precautie necessities pentru prevenirea accidentelor. Cititi cu atentie acest manual si utilizes produsul in mod corect. Păstrați acest manual disponibil pentru consultari ulterioare.
Produsele Sony sunt proiectate tänänd cont de siguranta. Totusi, dacă produsele sunt utilizes incorrect, pot avea ca rezultat producerea de grave vătãmări corporale prin incendiu, electrocutare, răsturnarea sa cuăderea produsului. Respectati mâsurile de precautie pentru siguranta, in vederea evitarii unor asemenea accidente.
ATENTIE
Produce specific
Acest dispositiv de montare pe perete este projetat in vederea utilizarii cu televizuarele specifie. Pentru televizuare, citigi hidul de referinta pentru a verifica dacă dispositivul de montare pe perete poate fi realizaz.
Pentru clienti
AVERTISMENT
Dacu urmatoarele matur de precautie nu sunt respectate, pot rezultate grave vatamari corporale sau deces prin incendiu, electrocutare sau caderea produsului.
Subcontractați instalarea produsului unor contractori licenciatișși tiniți copii i mici la distanță în timul instalării.
Dacà disposizitivul de montare pe perete sau televizorul nu este corect instalat, se pot produce urmatoarele accidente. Aveci grijca instalarea sá fie efectuata de câtre contractori licenciati.
- Televizorul poate cădeași poate cauza gravevatamari corporale, precum contuzii sau o fractura.
- Daca peretele pe care este instalat dispositivul de montare este instabil, nu este plan sau nu este perpendicular pe podea, aparatul poate cadea si poate cauza vatamari corporale sau daune materiale. Peretele trebuie sa poata sasusina o greutate de cel putin patru ori mai mare decat cea a televizorului. (Consultati ghidul de referinta al televizorului pentru a-i determina greutatea.)
- Daca instalarea dispositivului de montare pe perete nu este suficient de rezistentă, aparatul poate cădeași poate cauza vătamári corporale sau daune materiale.
Contractaşi operatiile demontare sau demontare a televizorului unor contractori licenciati.
Daca personane in afara unor contractori licenti transporta sau demontează tevizorul, acesta poate cădeași poate caza vațamari corporale sau daune materiale. Pentru transportarea sau demontarea tevizorului este nevoie de doua sau mai multe personae (trei sau mai multe persone pentru televizioarele cu diagonală de 75 de inci sau mai mare).
Nu demontati suruburile etc. dupa montarea televizorului.
In caz contrar, televizorul poate cădea si poate cauza vătamări corporale sau daune materiale.
Nu aduceți modificari componentelor dispositivului de montare pe perete.
In caz contrar, dispositivul de montare pe perete poate cadea si poate cauza vatamari corporale sau daune materiaie.
Nu montaşi alte echipamente in afara produsului specificat.
Acest disposizitiv de montare pe perete este proiectat numai in vederea utilizarii cu produsul specificat. Daca montati alt echipament decat cel specificat, acesta poate cdea sae se poate sparge si poate cauza vata mari corporale sau daune materiale.
Nu aplicati altasarcina in afara televizorului pe dispositivul de montare pe perete.
Nu zdruncinati televizorul stanga/dreapta, sus/jos.
In caz contrar, televizorul poate cădeași poate cauza vătamări corporale sau daune materiale.
Nu va rezemati pe si nu va agatai de televizor.
Nu va rezemati pe si nu va agatati de televizor, deoarece acesta poate cadea si poate cauza grave vatamari corporale.
ATENTIE
Daca urmatoarele masuri de precautie nu sunt respectate, se pot produvevatamari corporale sau daune materiale.
Nu manipulati produsul cu forta excesiva in timpul curataarii sau al intretinerii.
Nu aplicati o fora excessiva in parte a sus a televizorului. In caz contrar, televizorul poate cadea si poate cauza vatamari corporale sau daune materiaie.
Măsuri de precautie
Dacautilizati timp indelungat televizorul instalat pe dispositivul de montare pe perete,peretele din spatele sau deasupra televizorului se poate decolora, iar tapetul se poate desprinde,in functie de materialul peretelui.
- Daca dispositivul de montare pe perete este demontat dupa instalarea sa pe perete, in perete vor ramane orificile pentru suruburi.
- Nu utilizzato dispositivul de montare pe perete intr-o locatie unde este supus la vibratio mecanice.
Instalarea dispositivului de montare pe perete
Pentru distribuitorii Sony
AVERTISMENT
Urmatoare instruciuni sunt destinate numai distribuitorilor Sony. Cititi masurile de precautie descrie mai sus si acordati o attentie speciala sigurantei in timul instalarii, al intreinerii si verificarii acestui produs.
Nu instalati dispositivul de montare pe perete pe suprafete ale peretelui unde colturile sau pàrtile laterale ale tevizorului ies in afara fata de suprafata peretelui.
Nu instalati disposizitivul de montare pe perete pe suprafete ale peretelui precum un stalp, unde colturile sau partile laterale ale televizorului ies in afarafata de suprafata peretelui. Daca se intampla ca o persona sau un obiect sa loveasca partea sau coltul iesit in afaraltelevizorului, acest lucru poate cauza vatamari corporale sau daune materiale.

Nu instalati televizorul deasupra unei instalati de aer conditionat sa dedesubtul acesteia.
Dacă televizorul este expus tamp indelungat la scurgeri de apă sau la currente de aer proveneni de la o instalatie de aer conditionat, se pot produce incendii, socuri electrice sau defectiuni ale televizorului.
Instalati disponitivul de montare pe perete in condiţii de siguranta, urmânnd induciţiile din acest manual de instrutiuni.
Daca oricare dentre suruburi sunt slabite saud,dispositivul de montare pe perete poate cadaea si poate cauza vatamari corporale saudaune materiale. Utilizati suruburile corespunzatoare pentru materialul peretelui si instalata aparatul in condi tii de siguranta, utilisand patru saui mai multe suruburi cu diametrul de 8 mm (sau echivalent).

Utilizi corespunzator suruburile si piesele de montaj furnizate, urmand instruktiunile din acest manual de instructiuni. Daca utilizes elemente inlocuitoare, tevizorul poate cadea si poate cauza vatakari corporale sau deteriorarea aparatului.
Asamblati dispositivul de montare pe perete in mod corespunzator, urmând procedura explicata in acest manual de instrutiuni.
Dacā oricare dentre šuruburi sunt slàbite sau cad, televizorul poate cădea.si poate cauza vāṭamāri corporale sau deteriorarea aparatului.
Strangei adefvat suruburile in poziia indicata.
In caz contrar, televizorul poate cädea si poate cauza vātamāri corporale saudeteriorarea aparatului.
Nu supuneti televizorul la socuri pe durata instalarii.
Dacă televizorul este expus la socuri, poate cădea sau se poate sparge. Aceasta poate cauza vătamari corporale.
Instalati televizorul pe un perete plan si perpendicular pe podea.
In caz contrar, televizorul poate cădea si poate cauza vătamāri corporale.
După instalarea corectă a televizorului, fixați caburile în mod corespunzător.
Dacà oameni sau objecte se fncurcān cabluri, aceasta poate duce la vātamāri corporale sau la detioriorea televizorului.
Nu permiteci ciupirea/ perforarea cablului de alimentare in current alternatively s i nici a cablului de conexiune.
In cazul in care cablul de alimentare in curent alternativ sau cablul de conexiune sunt ciupite/perforate intre aparat si perete sau sunt indoite sau rasucite forat, conductorii interni pot deveni expusi si pot cauza un scurtcircuit sau o intrerupere a alimentarii cu energia electrica. Acesta poate determinina incendii sau un soc electric.

Suruburile necessities pertru fixarea dispositivului de montare pe perete nu sunt furnizate.
Utilizi suruburile corespunzatoare pentru materialul si structura peretelui la fixarea dispositivului de montare pe perete.
Cuprins
Pregatirea pentru instalare. 5
Verificarea pieselor 5
Stabilirea locatiei de instalare 6
Instalarea bazei pe perete 8
Pregatirea instalarii televizorului 9
KD-75XG80□□ 9
KD-65XG81□/65XG80□ 10
KD-55XG81□□/55XG80□□ 11
KD-49XG81□/49XG80□/43XG81□/43XG80□
Instalarea televizorului pe perete.14
KD-75XG80□□ 14
KD-65XG81□□/65XG80□□/55XG81□□/ 55XG80□□/49XG81□□/49XG80□□/ 43XG81□□/43XG80□□
Confirmarea finalizarii instalarii. 19
Alte informati 19
Specificatiu 19
Instalarea televizorului peperete
In functie de televizor, este posibil ca procedura de instalare sa differe.
Utilizati dispositivul de montare pe perete SU-WL450 pentru instalarea televizorului pe perete.
Notă
- Daca suportul de masa este atasat la televizor, desprindeti in prealabil suportul de masa. Consultati Ghidul de configurare si urmati pasii in ordine inversa, pentru a detasa suportul de masa.
- Amplasati televizorul cu ecranul orientat inJos pe o suprafata orontalaa si stabila, acoperita cu o laveta groasa si moale, la montarea pieselor de fixare pentru dispositivul de montare pe perete sau la demontarea suportului de masa de la televizor, pentru a preveni deteriorarea suprafetei ecranului LCD.
Depozitati suruburile demontate intr-o locatie sigura, fara a le la sa la indemana copilor.
Pregătirea pentru instalare
Tinenla indemana ghidul de referinta ghidul de configurare a televizorului inaintede aincepe instalarea.
- Inainte de asamblare, pregati o surubelinita tip Phillips adevata suruburilor.
- Confirmatu pozita de instalare a televizorului.
- Pregati patru sau mai multe suruburi cu diametral de 8 mm si un surub cu diametral de 5 mm sau echivalent (nu sunt furnizate). Selectati suruburi corespunzatoare pentru materialul peretelui.
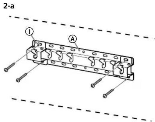
Verificarea pieselor
Furnizat cu SU-WL450
| A Bază (20) (1) B Troj | iu (2) |
| ◎ PSW 6x20 (4)◎ PSW 4x20 cu bucșă (2) | Curea (1) |
| E Distanțier (20) (2) E | ◎ PSW 4x20 (2) |
| ◎ Bucșă (20) (M4) (2) | ◎ PSW 4x10 (8) |
| ① Adaptor bază (2) ① | ◎ PSW 6x50 (2) |
| ◎ Distanțier (60) (2) ① | ◎ PSW 4x50 (2) |
| ◎ Bucșă (M4) (2) ⑨ PSW 4x50 (2) | ◎ |
Stabilirea locatiei de instalare
1 Stabiliti locaia de instalare.
Asigura-va cã peretele dispune de spatiu sufficient pentru televizor si cã poate sustine o greutate de cel putin patru ori mai mare decat cea a televizorului.
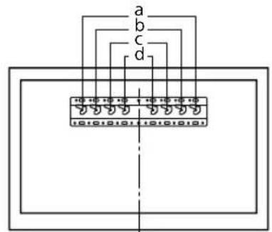
Consultaţi tabelul următor pentru instalarea televizorului pe perete. Consultaţi ghidul de referintă al televizorului pentru a determinina greutatea acestuia.

Punctul central al ecranului
Unitate: mm
| Numele modelului | Dimensiunea ecranului | Dimensiunea centrală a ecranului | Lungime pentru montaj | |
| a | b | c | d | |
| Montaj standard | ||||
| KD-75XG80□□ | 1.686 970 202 690 142 100 | |||
| KD-65XG81□□ | 1.463 845 173 597 142 100 | |||
| KD-65XG80□□ | 1.463 845 173 597 142 100 | |||
| KD-55XG81□□ | 1.241 721 95 460 141 100 | |||
| KD-55XG80□□ | 1.241 721 95 460 141 100 | |||
| KD-49XG81□□ | 1.101 645 -15* 314 119 | 78 | ||
| KD-49XG80□□ | 1.101 645 -15* 314 119 | 78 | ||
| KD-43XG81□□ | 970 570 23 315 119 | 77 | ||
| KD-43XG80□□ | 970 570 23 315 119 | 77 | ||
- Consola se posizioneaza sub punctul central al ecranului.
Notă
- Este posibil ca valorile din tabel sa fie uesor diferite, in functie de instalare.
Cand televizorul este instalat pe perete, partea superioar a acestua se inclina uor inaine.
Lasaşi un spațiu liber suficient intre televizorși tavanși partile proeminente ale peretelui, aș cum se arata mai jos.
Unitate: mm

-
Pentru asigurarea unei ventilatiu adevate si pentru a preveni acumulare de murdarie sau graf:
-
Nu amplasati televizorul pe podea, nu il instalati in poztie rasturnata, cu spatele sau pe o parte.
- Nu amplasati televizorul pe un raft, covor, pat sau intr-un dulap.
- Nu acoperiti televizorul cu un material, precum perdele, ori obiecte precum ziare etc.
- Nu instalati televizorul aça cum se arata mai jos.
Circulatia aerului esteblocata.

Notă
- Daca intentionati sā orientati cablurile prin perete, realizati un orificiu in perete pentru introducerea cablurilor inaunte de a incepe instalarea.
Pentru a preveni ciupirea/perforarea cablurilor, pregati un orificiu in perete undeva in afara perimetrului bazei (20) adaptor baza 1 si a distantierului (20) E, a distantierului (60) K.
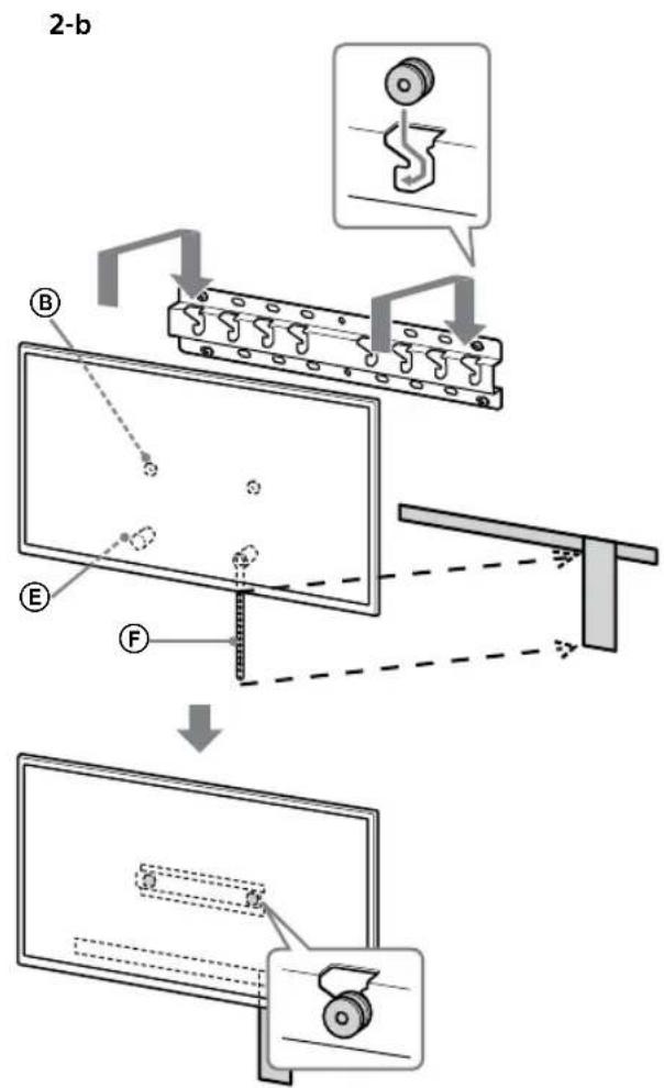
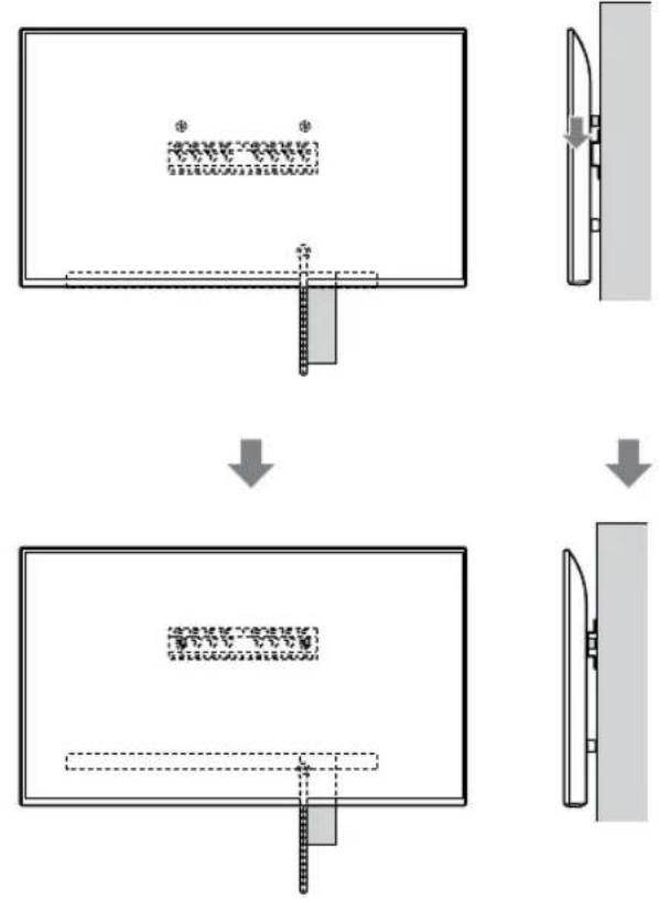
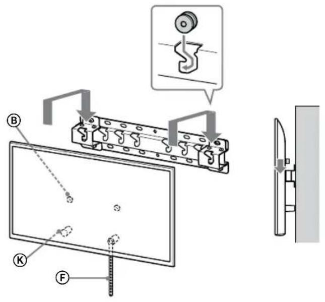
2 Selectaţi stilul de montare pe perete. Distanţa de la partea din spate a televizorului la perete poate fi selectata conform imaginii de mai jos.
2-a Montaj standard 2-b Montaj pe suport subtire Consultati pasul 1 din tabel.
AVERTISMENT
Cand se selecteaza 2-b, accesul la terminalul din spate este limitat.

3 Consultaţi tabelul de mai jos privind locaţia de montare a adaptorului de bază. Daca se selectează 2-b, omiteti acest pas.
| Numele modelului Cârlig locație | |
| KD-75XG80☐☐ | |
| KD-65XG81☐☐ | b |
| KD-65XG80☐☐ | |
| KD-55XG81☐☐ | |
| KD-55XG80☐☐ | |
| KD-49XG81☐☐ | c |
| KD-49XG80☐☐ | |
| KD-43XG81☐☐ | d |
| KD-43XG80☐☐ | |

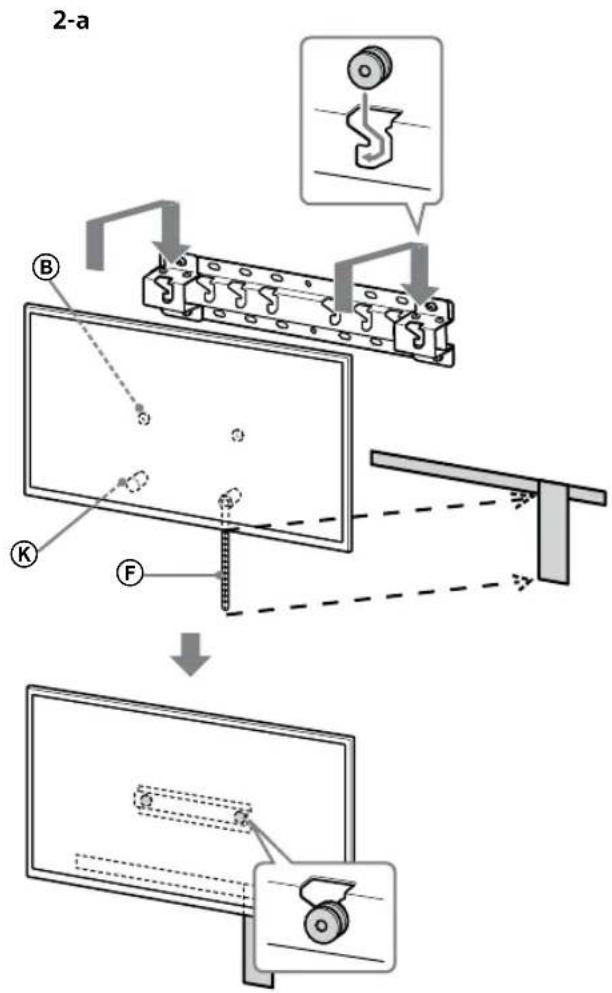
Montaţi adaptorul de bază ① cu ajutorul Šurubului (PSW 4x10) ⑫ pe bază (20) ④ atunci cand selectaţi 2-a.

4 Stabiliti poziile suruburilor pentru instalarea bazei (20) A.
Consultatu speficatiie de la pagina 19. Cand selecu 2-a,utilizati poziile gaurilor de la adaptorul de baz 山
AVERTISMENT
Peretele pe care va fi montat televizorul trebuie sa poata sustine o greutate de cel putin patru ori mai mare decat cea a televizorului (Consulta ti ghidul de referinta al televizorului pentru a-i determina greutatea.).
- Determinati rezistenta peretelui pe care urmeaz a fi montat televizorul. Considati in masura suficienta peretele, daca este besoinar.
Instalarea bazei pe perete
Utiliziati patru sau mai multe suruburi cu diametrul de 8 mm sau echivalent (nu sunt furnizate).
Montaţi patru Šuruburi la orificiile adaptorului de bază ① Cu baza (20) A (numai 2-a).
- Installa baza (20) ④ orizonta pe perete.


Pregătirea instalării televizorului
Consultaigi ghidul de configurare pentru instalarea suportului.
KD-75XG80□□
1 Marcați pe perete locul in care veti monta televizorul.
- Folosiţi bandă de marcare (neinclusă) sau produse similare pentru a marca locul televizorului in apropierte bazei sau a adaptorului de bază. Consultăti tabelul de mai jos.

Unitate: mm
| Numele modelului | Lungime pentru marcare | Dimensiunea centrală a ecranului | ||
| a | b | c | d | |
| KD-75XG80☐☐ | 1.686 | 564 | 150 | 202 |
2 Montați piesele de fixare pentru disponibilitudemontare pe perete. Verificatișpiesele de fixare consultand „Furnizat cu SU-WL450" din „Verificarea pieselor" de la pagina 5.
Notă
Fixati bine piesele de prindere folosind sububuri.
Candutilizati o surubelnita electrica, setaticuplul a aproxativ1,5N-m{15kgf-cm}.
- Păstrați piesele folosite sau nefolosite intr-un loc sigur, pentru a le putea utiliza pe viitor. Păstrați acest manual pentru consultare ulterioară.

Montaj standard (2-a)
Montaj pe suport subtire (2-b)
Notă
- Nu puteti utilizes unele mufe de pe partea din spate a televizorului atunci cand il instalati cu minimum de spatiu liber.


3 Conectati la televizor cablul necesar sau caburile necessities.
Conectaţi caburile inainte de instalarea televizorului pe perete. Nu veṭi putea conecta caburile cánd televizorul este instalat.
Consultati ghidul de referinta furnizat cu televizorul.
Notă
- Pozarea cablurilor in perete se va efectua de catre un contractor licentiat.
- Inainte de montarea pe perete, legati caburile de conectare, pentru a nu calca pe ele.
4 Demontaşi suportul de masă de la televizor.
- Scoateti pe ränd câte o parte laterala a suportului de masă. Tinei bine suportul de masă cu ambele maiini in timp ce persona sau personele care va ajută ridică televizorul.

- Repetai pasul anterior si scoatei cealalta parte laterala a suportului de masă.
Notă
- Trei sau mai multe persone sunt necessare pentru a detasa suportul de masă.
- Aveti grijä sänuutilizati fortä excesivañ timpe deetai suportul de masä din televizor, deoarece poate caza caderea televizorului, rezultänd in vātamärí corporale sau deteriorarea televizorului.
- Aveti grijă atunci cand manipulati suportul de masă pentru a preveni deteriorarea televizorului.
- Ridicatu gi grijta televizorul, pentru ca suportul de masa este desprins si se poate rasturna,provocand yatamari corporale.
- Demontatu cu grijă suportul de masă de la televizor, pentru a evita càderea acestuiași deteriorarea suprafetei pe care este asezat televizorul.
KD-65XG81□□/
65XG80□□
1 Montaţi piesele de fixare pentru dispositivul de montare pe perete. Verificatai piesele de fixare consultandi „Furnizat cu SU-WL450" din „Verificarea pieselor" de la pagina 5.
Notă
Fixati bine piesele de prindere folosind sububuri.
Candutilizatiogurubelniataelectrica,setaticupullaapproximativ1,5N-m{15kgf-cm}.
- Păstrati piesele folosite sau nefolosite intr-un loc sigur, pentru a le putea utiliza pe viitor. Păstrati acest manual pentru consultare ulterioară.

Montaj standard (2-a)
Montaj pe suport subtiire (2-b)
Notă
- Nu puteti utilizes unele mufe de pe partea din spate a televizorului atunci cand il instalati cu minimum de spatiu liber.


2 ConectaI la televizor cablul necessitiesau caburile necessities.
Conectaţi caburile (^nainte de instalarea televizorului pe perete. Nu veṭi putea conecta caburile (^cand televizorul este instalat.
Consultati ghidul de referinta furnizat cu televizorul.
Notă
- Pozarea cablurilor in perete se va efectua de catre un contractor licentiat.
- Inainte de montarea pe perete, legati caburile de conectare, pentru a nu calca pe ele.
3 Demontaşi suportul de masă de la televizor.
- Scoatei pe ränd câte o parte laterala a suportului de masă. Tineni bine suportul de masă cu ambele maiini in tamp ce persona sau personele care va ajută ridică televizorul.

- Repeta piasul anterior si scoatei cealalta parte laterala a suportului de masă.
Notă
- Trei sau mai multe persone sunt necessare pentru a detasa suportul de masă.
- Aveṭi grijā sa nu utilizesṭi fortā excesiva in timp ce detasaṭi suportul de masā din televizor, deoarece poate cauza caderea televizorului, rezultān ind vāṭamāri corporale sau deteriorarea televizorului.
-
Aveci grijatunci cand manipulati suportul de masa pentru a preveni deteriorarea televizorului.
-
Ridicatu cui grijta televizorul, pentru ca suportul de masa este desprins si se poate rasturna, provocand vatamari corporale.
- Demontati cu grijă suportul de masă de la televizor, pentru a evita càderea acestuiași deteriorarea suprafetei pe care este asezat televizorul.
KD-55XG81□□/55XG80□□
1 Montaţi piesele de fixare pentru disposizitivul de montare pe perete. Verificati piesele de fixare consultandi „Furnizat cu SU-WL450" din „Verificarea pieselor" de la-page 5.
Notă
Fixati bine piesele de prindere folosind sububuri.
Candutilizati o surubelinita electrica, setaicuplul la aproximativ 1,5 N-m{15 kgf-cm}.
- Păstrați piesele folosite sau nefolosite intr-un loc sigur, pentru a le putea utiliza pe viitor. Păstrați acest manual pentru consultare ulterioară.
Montaj standard (2-a)

Montaj pe suport subtiire (2-b)
Notă
- Nu puteti utilizes unele mufe de pe partea din spate a televizorului atunci cand il instalati cu minimum de spatiu liber.


2 Conectati la televizor cablul necesar sau caburile necessities.
Conectaçti caburile inainte de instalarea televizorului pe perete. Nu veṭi putea conecta caburile cand televizorul este instalat. Consultaţi ghidul de referinta furnizat cu televizorul.
Notă
- Pozarea cablurilor in perete se va efectua de catre un contractor licentiat.
- Inainte de montarea pe perete, legati caburile de conectare, pentru a nu calca pe ele.
3 Demontaşi suportul de masă de la televizor.

Notă
Ridicatu cui grijia televizorul, pentru ca suportul de masa este desprins si se poate rasturna, provocandvatamari corporale.
- Demontatu cugrijasaportul de masa de la televizor, pentru a evita caderea acestua si deteriorarea suprafetei pe care este asezat televizorul.
KD-49XG81□□/
49XG80□□ / 43XG81□□ /
43XG80□□
1 Demontaşi suportul de masă de la televizor.

Notă
- Amplasati televizorul intr-o locatie unde ati instalat o laveta moale, pentru a preveni deteriorarea suprafetei afisajului.
-La instalarea dispositivului de montare pe perete, nuutilizati suruburile demontate de la suportul de masă.
Depozitate suportul de masa demonat si suruburile acestua intr-o locatie sigura, fara a le la sa la indemana copiilor. Vei avea nevoie de acestea dacar diu sutilizati televizorul pe o masa in viitor. Suportul de masa nu poate fi achizionat separat.
VERTIZARE
- Aveti grijca televizorul sae afle in pozitie verticala inainte de pornire. Televizorul nu trebuie pornit cu panoul LCD orientat cu fata in jos, pentru a evita neuniformitate ale imaginii.
- Daca se aplica presiune sau soc pe suprafata televizorului, televizorul se poate sparge sau deteriorora.
- Amplasati televizorul cu fata in jos pe o suprafata stabila si orientală cu suportul de masă suspendat peste marginea suprafetei. Amplasarea fetei televizorului si a bazei suportului de masă pe aceeasi suprafata orientală va crea o situție de lucru instabilă si poate deteriorara televizorul.
- La detasarea suportului de masă de la televizor, tineti bine suportul de masă cu ambele maii.
2 Montați piesele de fixare pentru disposizitivul de montare pe perete. Verificati piesele de fixare consultandi „Furnizat cu SU-WL450" din „Verificarea pieselor" de la-page 5.
Notă
Fixati bine piesele de prindere folosind sububuri.
Candutilizati o surubelinita electrica, setatci cuplul la aproximativ 1,5 N-m{15 kgf·cm}.
- Păstrati piesele folosite sau nefolosite intr-un loc sigur, pentru a le putea utilizinga pe viitor. Păstrati acest manual pentru consultare ulterioara.

Montaj standard (2-a)
Montaj pe suport subtiire (2-b)
Notă
- Nu puteti utilizes unele mufe de pe partea din spate a televizorului atunci cand il instalati cu minimum de spatji liber.


3 Conectati la televizor cablul necesar sau caburile necessities.
Conecta caburile inainte de instalare televizorului pe perete. Nu veți putea conecta caburile cand televizorul este instalat.
Consultati ghidul de referinta furnizat cu televizorul.
Notă
- Pozarea cablurilor in perete se va efectua de catre un contractor licentiat.
- Inainte de montarea pe perete, legati caburile de conectare, pentru a nu calca pe ele.
Instalarea televizorului pe perete
KD-75XG80□□
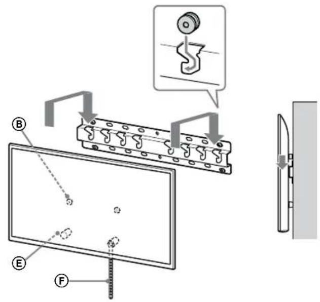
1 Ridicati televizorul.
- Pentru amplasarea troliului (B) pentru suspendarea bazei sau a adaptorului de bază, consulțați tabelul de la pasul 3 din sectiunea „Stabilirea locatiei de instalare" de la pagina 7.
- Atunci cand tineti televizorul, asigurati
va că partea din spate a acestuia atinge
baza sau adaptorul de bază.
Notă
Tineni bine televizorulcu ambele mainisi asigurati-va ca partea de jos a televizorului si cureaua F sunt aliniate cu banda de mascare.
- Televizorul trebuie tinut de trei persone, iar persona din fata televizorului trebuie sa le indices celoralti cum sa regleze pozitia.

- Persoanele care montează televizorul trebuie sa procedeze cu mare grijă, mai ales persona care sustine televizorul de jos, deoarece televizorul poate cădeași poate cauza vătamâri corporale grave sau chiar deces.

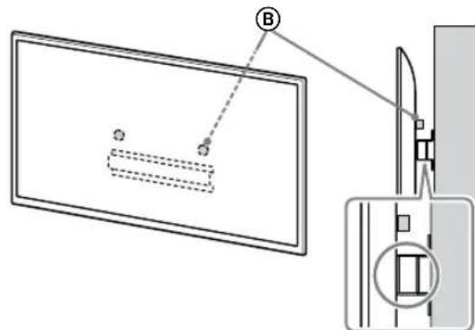
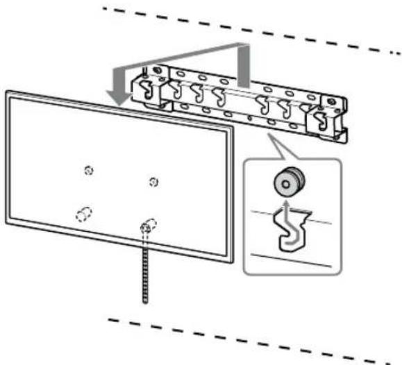
2 Montaţi televizorul pe bază sau pe adaptorul de bază.
- Impingeti uşor televizorul in jos.si fixaṭi troliul ⑧ montat pe spatele televizorului pe bază sau pe adaptorul de bază, avánd grijă să-l potriviti in găuri.
- După instalarea televizorului pe perete, verificati ca troliul ⑧ este ferm fixat pe bază sau pe adaptorul de bază.
Luati incet mainile de pe televizor,
pentru a va asigura ca acesta nu cade.

- Dupa montarea televizorului pe perete, indeparta banda de mascare sau produsele similare.




AVERTISMENT
- Pentru a transporte televizorul, acesta trebuie tinit de doua sau mai multe persone (trei sau mai multe persone pentru televizuarele cu diagonală de 75 de inci sau mai mare).

3 Prevenirea alunecarii partii de jos a televizorului.
Luati partea netensionata a curea sifixati-o ferm pe perete.


Utilizi un surub cu diametrul de 5 mm Sau echivalent (nu este furnizat).
Notă
- Incercati sā trageti uṣor partea de jos a televizorului spre dumneavoastrā, pentru a va asigura ca nu se deplaseaza inainte. Daca survine o miscare, aparatul nu este corect fixat, iar curea (trebuie fixata ferm din nou.
KD-65XG81□□/
65XG80□□ / 55XG81□□ /
55XG80□□ / 49XG81□□ /
49XG80□□ / 43XG81□□ /
43XG80□□
1 Ridicatu televizorul.
- Pentru amplasarea troliului (B) pentru suspendarea bazei sau a adaptorului de bază, consultati tabelul de la pasul 3 din sectiunea „Stabilirea locatiei de instalare" de la pagina 7.
- Atunci cand tini televizorul, asigurativa capi partea din spate a acestua atinge baza sau adaptorul de baz.

Notă
Tineti bine televizorul cu ambele maii.
2 Montaţi televizorul pe bază sau pe adaptorul de bază.
- Impingeti uşor televizorul in jos.si fixati troliul 8 montat pe spatele televizorului pe bază sau pe adaptorul de bază, avand grijă să-l potriviti in găuri.
- După instalarea televizorului pe perete, verificati că troliul (B) este ferm fixat pe bază sau pe adaptorul de bază.
Luati incet mainile de pe televizor,
pentru a va asigura ca acesta nu cade.


2-a

2-b

↓

↓
RO
AVERTISMENT
- Pentru a transporte televizorul, acesta trebuie tinit de doua sau mai multe persone (trei sau mai multe persone pentru televizuarele cu diagonală de 75 de inci sau mai mare).

3 Prevenirea alunecarii partii de jos a televizorului.
Luati partea netensionata a curea sifixati-o ferm pe perete.


Utilizi un surub cu diametrul de 5 mm Sau echivalent (nu este furnizat).
Notă
- Incercati sā trageti uṣor partea de jos a televizorului spre dumneavoastrā, pentru a va asigura ca nu se deplaseaza inainte. Daca survine o miscare, aparatul nu este corect fixat, iar cureautrebuie fixata ferm din nou.
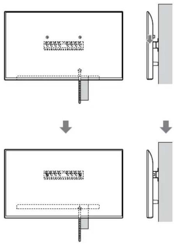
Confirmarea finalizării instalării
Verificati urmatoarele aspecte.
- Troliul (B) este suspendat ferm pe bază sau pe adaptorul de bază.
- Firul Şi cablul nu sunt răsucite sau ciupite/ perforate.
- Curea (F) este stransa, fara portiuni netensionate.
AVERTISMENT
- Amplasarea incorcêa cablului de alimentare in current alternative etc. poate cauza incendiu sau socuri electrice prin intermediul unui scurtcircuit. Din motive de siguranță, verificati finalizareia instalării.
Alte informaţii
La demontarea televizorului, parcurgeti procedura de instalare in sens invers.

AVERTISMENT
- Pentru a demonta televizorul, acesta trebuie tinut de doua sau mai multe personane (trei sau mai multe personane pentru televizoarele cu diagonală de 75 de inci sau mai mare).
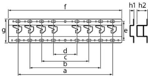
Specifications

Dimensiuni: (aprox.) [mm]
a : 400
b : 300
c:200
d : 100
e:80
f:480
q : 100
h1 : 20 (casetă 2-b)
h2:60 (caseta 2-a)
Greutate (numai baza): (aprox.) [kg]
0,8
Structura 山 specificatiile se pot modifica fara preaviz.
ManualUșor