KD65XG8096 - Televisor SONY - Manual de utilização gratuito
Encontre gratuitamente o manual do aparelho KD65XG8096 SONY em formato PDF.
Perguntas frequentes - KD65XG8096 SONY
Baixe as instruções para o seu Televisor em formato PDF gratuitamente! Encontre o seu manual KD65XG8096 - SONY e retome o controlo do seu dispositivo eletrónico. Nesta página estão publicados todos os documentos necessários para a utilização do seu dispositivo. KD65XG8096 da marca SONY.
MANUAL DE UTILIZADOR KD65XG8096 SONY
Informações de instalacao para Utilizar o Suporte de Parede Sony (SU-WL450)
Modelos suportados:
KD-75XG80□□*/65XG81□□*/65XG80□□*/55XG81□□*/
Para proteção do produits e por motivos de segurar, a Sony recomenda vivamente que a instalação do seu teletvisor está efetuada por agentes ou tecnicos licenciados da Sony. Não tente instalá-lo sozinho.
Para os agentes e tecnicos da Sony
Deve ser dada total atençao a segurancarunde a instalacao, durante qualquer manutencao periodica e durante qualquer verificacao deste produits.
É necessário ter experiencia suficiente para instalar este produit, especialmente para determinar se a parede tem robustez suficiente para suportar o peso do televisor.
Certifique-se de que confia a instalacao deste produto numa parede a agentes ou tecnicos licenciados da Sony e de a devida atencao à seguranca durante a instalacao.
A Sony não poderá ser responsabilizada por quando quer danos ou ferimentos causados por manuseamento incorreto ou instalação incorrente.
Para Segurar e instalação adequadas, siga as Instruções de Funcionamento do Suporte de Parede, Guia de Configuração do Televisor e as indicatores neste manual.
Seguranca
É necessária uma formação técnica adequada para instalar este produit. Solicite a instalacao a agentes Sony ou aERPresista especial atencao a seguranca durante a instalacao.A Sony nao se responsabiliza por quaisquer danos ou ferimentos causados pela utilizacao indevida ou instalacao incorrecta, nem pegela instalacao de um produitsifferente do produits especificado.Os seuS Direitos Estatuiários (se existrem) nao sao afectados.
Para os agentes da Sony
É necessária uma formação técnica adequada para instalar este produto. Leia atentamente这是 manual de instruções para fazer a instalação com segurarça. A Sony não se responsabiliza por quaisquer danos ou ferimentos causados pela utilização inadeva ou instalação incorrecta. Após a instalação, entrega estemanual de instruções ao cliente.
Este manual de instruções desc VE as precauções importantes necessárias para evaporar acidentes e'utilizar o produits de forma correcta. Leia-o na integra e utilize o produits corretoamente. Guarde este manual para futuras consulutas.
Os produits da Sony são concebidos para.Oferecer a maior seguranca.No entanto,seutilizados de forma incorrecta,podemprovocar ferimentos graves atraves deincendido,choque eletrico ou quaida Paraevitatarthispeo de acidentes,respeite aspecaucesde seguranca.
CUIDADO
Produtospecificados
Este Suporte para Montagem na Parede foi concebido para ser realizado apenas com o teletvisor especialico. Para televisores, consulte o Guia de referencia para verificar se o Suporte para Montagem na Parede pode ser realizado.
Para os pacientes
AVISO
O não cumprimento das precações indicadas abaixo, pode provocar a morte ou ferimentos graves atraves de incéndio,acho électrique ou quada do produits.
Certifique-se de que a instalacao é efectuada por representantes autorizados e mantenha as crianças afastadas do local durante a instalacao.
Se o suporte de montagem na parede ou o televisor não foram instalados corctamente, poder ocorrê os seguentes acidentes. Certifique-se de que a instalacao é efectuada por tecnicos precisificados.
- O televator pode cair e provocar ferimentos graves, como equimoses ou fracturas.
- Se a parede onde o Suporte para Montagem na Parede está instalado for instavel, irregular ou não estiver perpendicular ao chao, o aparecido pode cair e provocar ferimentos ou danos materiais. A parede deve ser sufficientemente forte para supportar um peso, no minimo, quatro vezes superior ao do teletvisor. (Consulte o Guia de referencia do teletvisor quando ao respetivo peso.)
- Se a instalacao do Suporte para Montagem na Parede não for sufficientemente solida, o aparecido pode cair e provocar ferimentos ou danos materiais.
Contrate技术和ducados para o transporte e desmontagem do televisor.
Se o transporte ou montagem for feito por pessoas que nao os tecnicos qualificados, o televisor pode cair e provocar ferimentos ou danos materiais. Certifique-se que o transporte ou a desmontagem do televator devera ser efetuado por das ou mais pessoas (três ou mais pessoas para televator de 75 polegadas e acima).
Não retire os parafusos, etc., après a desmontagem do televisor.
Se o fizer, o televisor pode cair e provocar ferimentos ou danos materiais.
Não faça quaisquer alteracoes nas peças do Suporte para Montagem na Parede.
Se o fizer, o Suporte para Montagem na Parede pode cair e provocar ferimentos ou danos materiais.
Não instale um equipamento diferente do especialico no suporte.
Este Suporte de Instalação na Parede foi acontecido para ser realizado apenas com o produits spécifique. A instalação de qualquer及其他 equipamento pode resultar em queva ou quebra e provocar danos materiais ou ferimentos.
Não coloque nenhumacarga para algo dotelevisor no Suporte paraMontagem na Parede. Nao agite o televisor paraa esquerda/para a direita,para cima/para baixo.
Se o fizer, o televisor pode caire provocar ferimentos ou danos materiais.
Não se encoste nem se pendure no televator.
Nao se encoste nem se pendure no tevisor,
pois este pode cair e provocar ferimentos
graves.
CUIDADO
Se as seguiates precauções não foram observadas, poderão ocorro ferimentos ou danos materiais.
Nãoança demasiada paraça durante a limpeza ou manutenção do produits.
Nãoança demasiada para na parte superior do teletvisor. Se o fazer, o teletvisor pode cair e provocar ferimentos ou danos materiais.
Precauções
- Se utilizes o teovisor instalado no Suporte para Montagem na Parede durante muito tempo, a parede por vez ou por cima do teovisor pode perdar a cor e o papel de parede pode descalar-se, dependendo do material da parede.
- Se retirar o Suporte para Montagem na ParedeAFPDOo instalar,os orificiosdo parafuso ficam na parede.
- Não utilize o Suporte para Montagem na Parede num local num local sujeito a vibações mecânicas.
Instalar o suporte para montagem na parede
Para os Agentes da Sony
AVISO
As seguintes instruções destinam-se apenas aos agentes da Sony. Leia as precauções de segança na integra e preste muito atençao às medidas de segança que é preciso respeitar durante a instalação, manutençao e verificacao deste produto.
Não instale o suporte para montagem em paredes em que os cantos ou os lados do televisor fiquem afastados da parede.
Nāo instale o suporte para montagem na parede em colunas em que os cantos ou os lados do teletvisor fiquem afastados da parede. Se uma pessoa ou objeto embaterem no canto ou lado saliente do teletvisor,ippo pode provoc ferimentos ou danos materiais.

Não instale o televisor por cima ou por baixo de um aparecido de ar condicionado.
Se o televator ficar exposto a fugas de agua ou correntes de ar do aparelho de ar condicionado durante muito tempo, pode ocorro um incendidio, um在哪que elétrico ou uma avaria.
Instale o suporte para montagem na parede com segurarça靼as indicatoresdestemanual de instruções.
Se algoq dos parafusos estiver solto ou cair, o suporte para montagem na parede pode cair e provocar ferimentos ou danos materiais. Utilize os parafusos adequados ao material de que feita a parede e fixe bem o suporte com quatro ou mais parafusos de 8 mm de diametro (ou Equivalentes).

Utilize os parafudos e os acessórios fornecidos conforme as indicações destemanual de instruções. Seutilizarotmos acessórios, o televisor podecaireprovocarferimentosa algoém ou danos materiais no proprietarytelevision.
Monte o suporte corretamente, seguido o procedimento explicado;neste manual de instruções.
Se um dos parafusos se soltar ou cair, o televator pode cair e provocar ferimentos a algoém ou danos materiais no televator.
Aperte bem os parafudos na posicao correta.
Se não o fiz, o tevisor pode cair e ferir algoém ou ficar danificado.
Não submeta o televisor a qualquerCHOque durante a instalacao.
Se o televisor softer choques, pode cair ou partir-se. O que pode provocar ferimentos.
Instale o tevisor numa parede perpendicular e plana.
Se não o fazer, o televisor pode cair e provocar ferimentos.
Depois de instalar corretamente o televator, fixe bem os cabos.
Se as pessoas ou objetivos ficarem emaranhados nos cabos, poder ferir-se ou danificar o televisor ou o monitor.
Não deixe o cabo de alimentação CA, nem o cabo de ligação ficarem trilhados.
Se o cabo de alimentacao CA ou o cabo de ligationao ficar trilhado entre o aparelho e a parede ou se os做不到 orcer a forca, os condutores internos poder ficar a vista e provocar um curto-circuito ou a quebra do cabo eletrico. Pode provocar um incendio ouCHOque eletrico.

Os parafudos necessários para fixar o Suporte para Montagem na Paredenão está incluídos.
Utilize os parafudos apropriados para o material de que é feita a parede e para a estrutura quando instalar o Suporte para Montagem na Parede.
Indices
Preparar a instalacao. 5
Verificacao das peças 5
Decirid sobre a localização da instalação......6
Instalacao da base na parede 8
Preparar a instalacao do televisor. 9
KD-75XG80□□ 9
KD-65XG81□□/65XG80□□ 10
KD-55XG81□□/55XG80□□ 11
KD-49XG81□/49XG80□/43XG81□/43XG80□ 12
Instalacao do televisor na parede. 14
KD-75XG80□□ 14
KD-65XG81□□/65XG80□□/55XG81□□/ 55XG80□□/49XG81□□/49XG80□□/ 43XG81□□/43XG80□□
Confirmar a conclusão da instalacao 19
Outras informacoes 19
Especificações 19
Instalacao do televisor na parede
- Se o Suporte de Fixação para Mesas estiver instalado no teletór, desinstale o Suporte de Fixação para Mesas primaryo. Consulte o Guía de Configuração e cumpra os passos na ordem inversa para(desencaixar o Suporte de mesa do teletór.
- Coloque o televisor com o eira voltado para baixo sobre uma superficie plana, estavel e coberta com um pano espesso e macio para instalar as peças de fixacao do Suporte de Parede ou para desinstalar o Suporte de Fixacao para Mesas do televisor, para fazer danificar a superficie do eira LCD.
- Guarde os parafudos que remove num lugar seguro e fora do alcance de crianças.
Preparar a instalacao
- Tenha o Guia de Referência do Televisor e o Guia de Configuraçao à maior antes da instalacao.
- Certifique-se de que tem uma chave de parafusos Phillips adequada aos parafusos antes de proceder à montagem.
- Confirme a posicao de instalacao do seu televisor.
- Prepare quatre ou mais parafusos de 8 mm de diametro e um parafuso de 5 mm ou equivalente (não fornecido). Escolha parafusos adequados para o material da parede.
Verónica das peças
Fornecido com o SU-WL450
- Verifique se todas as peças está incluidas.
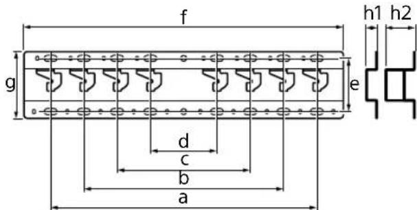
| A Base (20) (1) B Polia (2) | |
| ◎ PSW 6x20 (4)◎ PSW 4x20 com anilha (2) | |
| E Espaçador (20) (2) E Cinta (1) | |
| G Anilha (20) (M4) (2) | H PSW 4x20 (2) |
| I Adaptador de base (2) | J PSW 4x10 (8) |
| K Espaçador (60) (2) | L PSW 6x50 (2) |
| M Anilha (M4) (2) N PSW 4x50 (2) | |
Decirsoa localização da instalação
1 Decida sobre a localização da instalação.
Certifique-se de que a parede tem espoço suficiente para o tevisor e que consueguo suportar o quadruplo do peso do tevisor.
Consulte aabela segunte relativa à instalacao do tevisor numa parede.Consulte o Guia de referencia do tevisor para saber qual e o peso do tevisor.

Unidade: mm
| Nome domodelo | Dimensoes do visor | Dimensao do centrodo.eclipse | Comprimento para montagem | |
| a | b | c | d | |
| MontagempadãoMontagemcurta | ||||
| KD-75XG80□□ | 1.686 970 202 690 142 100 | |||
| KD-65XG81□□ | 1.463 845 173 597 142 100 | |||
| KD-65XG80□□ | 1.463 845 173 597 142 100 | |||
| KD-55XG81□□ | 1.241 721 95 460 141 100 | |||
| KD-55XG80□□ | 1.241 721 95 460 141 100 | |||
| KD-49XG81□□ | 1.101 645 -15* 314 119 | 78 | ||
| KD-49XG80□□ | 1.101 645 -15* 314 119 | 78 | ||
| KD-43XG81□□ | 970 570 23 315 119 | 77 | ||
| KD-43XG80□□ | 970 570 23 315 119 | 77 | ||
- A posicao do suporte é abaixo do punto central do ecran.
Nota
- Os他们在标签的标签上都显示在标签的标签上。
- Quando o televisor estiver instalado na parede, a parte superior do televisor ficará ligeiramente inclina para arente.
Permite uma folga adequada entre o televisor e o tecto e as peças salientes da parede, conforme aparecido abaixo.
Unidade: mm

-
Para garantir uma ventilação adequada e fazer a accumulacao de sujidade e po:
-
Não instale o teletor na horizontal, virado ao contrário, invertido ou de lado.
- Não instale o televisor sobre uma prateleira, carpete ou cama, nem dentro de um armário.
- Nao cubra o televator com panos, como cortinas, nem com jornais, etc.
- Não instale o televisor como ilustrado em baixo.
Circulacao de ar bloqueada.

Nota
- Se desejar instalar os cabos numa parede, fazerPrimeiro um orifico na mesma para introduzir os cabos antes de iniciar a instalacao.
Para evaporar trilhar os cabos, prepare um orifico na parede no exterior do perimetro da base (20) A, adaptador de base 1 e do espaçador (20) E, do espaçador (60) K.
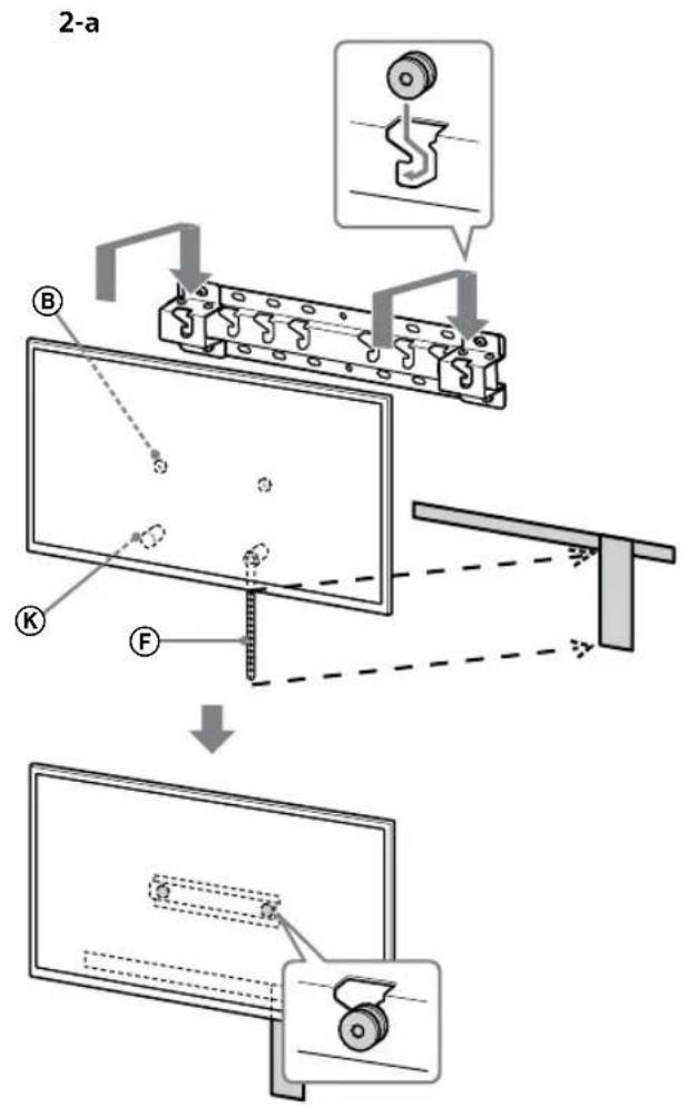
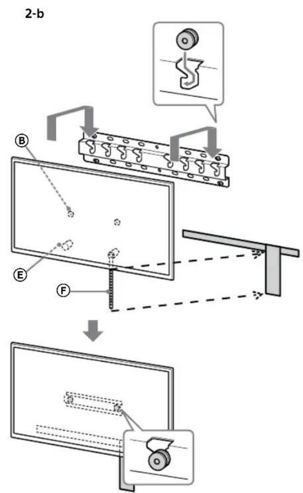
2 SeLECTION o estilo de montagem na parede. A distancia entre a parte traseira do teilevisor e a parede pode ser seleccionada conforme abaixo indicado.
2-a Montagem padrão 2-b Montagem curta
Consulte aanela do passo 1.
AVISO
- Quando seleccionar 2-b, o acesso ao terminal posterior é limitado.


3 Consulte aanela em baixo para saber qual é a localização de instalação do Adaptador da Base. Caso seleção 2-b, ignore este passo.
| Nome do modelo | Localização do gancho |
| KD-75XG80□□KD-65XG81□□KD-65XG80□□ | b |
| KD-55XG81□□KD-55XG80□□KD-49XG81□□KD-49XG80□□ | c |
| KD-43XG81□□KD-43XG80□□ | d |

Instale o adaptor da base ① utilizing o parafuso (PSW 4x10) ② na base (20) ④ quando seleccionar 2-a.

4 Decida as posicaoes dos parafudos para instalar a base (20) A.
Consulte as espécicações na págnia 19. quando selecciónar 2-a,utilize as posições dos orificios do adaptor da base ①.
AVISO
- A parede na qual o tevisor sera instalado deve ser capaz de suportar um peso quatro vezes superior ao peso do tevisor (Consulte o Guia de referencia do tevisor quando ao respetivo peso.).
- Determine a resistência da parede em que está instalado o teilevisor. Se necessário, reforce a parede.
Instalacao da base na parede
- Utilize quatre ou mais parafusos de 8 mm de diametro ou equivalente (não fornecido).
- Instale quatre parafusos nos orificios do adaptorador da base ① com a base (20) (apenas 2-a).
- Instale a base (20) A na parede, na horizontal.


Preparar a instalacao do televisor
Consulte o Guia de Configuração para a instalação do suporte.
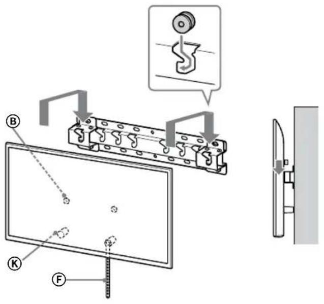
KD-75XG80□□
1 Marque a localização da instalação na parede.
- Utilize fita de pintura, etc. (não fornecida) para marcar a localização do teletor perto da Base ou Adaptador de Base. Consulte aabela segunte.

Unidade: mm
| Nome do modelo | Comprimento para marca | Dimensão do centro do esrã | ||
| a | b | c | d | |
| KD-75XG80□□ | 1.686 | 564 | 150 | 202 |
2 Instale as peças de fixação do Suporte de Parede. Verifique quando éao as peças de fixação consultando "Fornecido com o SU-WL450" na secção "Verificacao das peças", na pagina 5.
Nota
- Apertefirmamenteaspeçasdefixacaoutilizando parafusos.
- Quando'utilizar una chape de parafusos eltrica, configure o binario de aperto para aproximamente 1,5 N·m {15 kgf·cm}.
- Guarde as peças que utilizear ou não utilizear num lugar seguro para poder utilizes-a-las no futuro. Guarde estemanualpara poder consulta-lo no futuro.
Montagem padrao (2-a)

Montagem curta (2-b)
Nota
- Com este estilo de montagem, não poderá'utilizar algunos dos terminais da parte deTRS do Tevisor.


3 Ligue o(s) cabo(s) necessario(s) ao televator.
Certifique-se de que liga os cabos antes de instalar o televisor na parede. Não poderá ligar os cabos quando o televisor estiver instalado.
Consulte o Guia de referencia fornecido com o seu televisor.
Nota
- Certifique-se de que o encaminhamento dos cabos ao longo da parede é efectuado por agentes autorizados.
- Junte os cabos de ligação para fazer tropeçar neles antes da montagem na parede.
4 Separe o Suporte de Fixação para Mesas do televisor.
- Remova umazo do Suporte de Mesa do Televisor de cada vez. Firmamente segure no Suporte de Mesa do Televisor com ambas as maoos quando另外一个 persona levanta o televisor.

- Repita o passo anterior e remove o除外do Suporte de Mesa do Televisor.
Nota
- Três ou mais pessoas são necessárias para desencaixar o Suporte de Mesa do televisor.
- Tenha cuidado para não exercer demasiada para quando(desencaixa o Suporte De Mesa do Televisor,pois pode causar a queda do televisor e resultar em ferimentos pessoas ou danos fisicos ao televisor.
- Tenha cuidado quando manuseia o Suporte de Mesa do Televisor para prevenir danos ao televisor.
- Tenha cuidado ao levantar o televisor, poi o Suporte de Mesa do Televisor é desencaixado, o Suporte de Mesa do Televisor pode cair e provocar ferimentos pessoais.
- Tenha cuidado ao remove o Suporte de Mesa do Televisor para fazer que caia e danifique a superficie onde se encontrar o televisor.
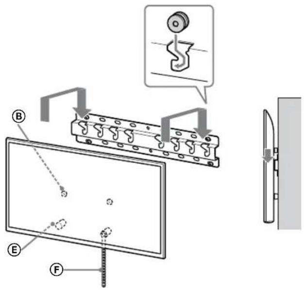
KD-65XG81□□/65XG80□□
1 Instale as peças de fixação do Suporte de Parede. Verifique quando são as peças de fixação consultando "Fornecido com o SU-WL450" na secção "Verificação das peças", na párgina 5.
Nota
- Apertefirmamenteaspeçasdefixacaoutilizando parafusos.
- Quando utilizar una chave de parafusos electrica, configure o binário de aperto para aproximamente 1,5 N·m {15 kgf·cm}.
- Guarde as peças que utilizez ou não utilizes num lugar seguro para poder'utilizá-las no futuro. Guarde estemanualpara poder consultá-lo no futuro.

Montagem padrao (2-a)
Montagem curta (2-b)
Nota
- Com este estilo de montagem, não poderá'utilizar algunos dos terminais da parte deTRS do Televisor.


2 Ligue o(s) cabo(s) necessario(s) ao televisor.
Certifique-se de que liga os cabos antes de instalar o televisor na parede. Não poderá ligar os cabos quando o televisor estiver instalado.
Consulte o Guia de referencia fornecido com o seu televisor.
Nota
- Certifique-se de que o encaminhamento dos cabos ao longo da parede é efectuado por agentes autorizados.
Junte os cabos de ligaçao para evitar tropeçar neles antes da montagem na parede.
3 Separe o Suporte de Fixação para Mesas do televisor.
- Remova umazo do Suporte de Mesa do Televisor de cada vez.Firmamente segure no Suporte de Mesa do Televisor com ambas as maoos quando另外一个 persona levanta o teovisor.

- Repita o passo anterior e remove o outras lado do Suporte de Mesa do Televisor.
Nota
- Três ou mais pessoas são necessarias para desencaixar o Suporte de Mesa do teilevo
- Tenha cuidado para não exercer demasiada para quando desencaixa o Suporte De Mesa do Televisor, poi pode fazer a quaida do televisor e resultar em ferimentos pessoas ou danos fisicos ao televisor.
- Tenha cuidado quando manuseia o Suporte de Mesa do Televisor para prevenir danos ao televisor.
- Tenha cuidado ao levantar o televisor, poi o Suporte de Mesa do Televisor é desencaixado, o Suporte de Mesa do Televisor pode cair e provocar ferimentos pessoais.
- Tenha cuidado ao remove o Suporte de Mesa do Televisor para fazer que caia e danifique a superficie onde se encontrar o televisor.
KD-55XG81□□/55XG80□□
1 Instale as peças de fixação do Suporte de Parede. Verifique quando são as peças de fixação consultando "Fornecido com o SU-WL450" na secção "Verificação das peças", na网页 5.
Nota
- Aperte firmamente as peças de fixação'utilizando parafusos.
- Quando utiliser una clave de parafusos electrica, configure o binário de aperto para aproximamente 1,5 N·m {15 kgf·cm}.
- Guarde as peças que utilizez ou não utilizes num lugar seguro para poder utilizez—las no futuro. Guarde estemanualparapowerconsulta-lo no futuro.

Montagem padrao (2-a)
Montagem curta (2-b)
Nota
- Com este estilo de montagem, não poderá'utilizar algunos dos terminais da parte de vez do Televisor.


2 Ligue o(s) cabo(s) necessario(s) ao televisor.
Certifique-se de que liga os cabos antes de instalar o televisor na parede. Não poderá ligar os cabos quando o televisor estiver instalado.
Consulte o Guia de referencia fornecido com o seu televator.
Nota
- Certifique-se de que o encaminhamento dos cabos ao longo da parede é efectuado por agentes autorizados.
- Junte os cabos de ligação para fazer tropeçar neles antes da montagem na parede.
3 Separe o Suporte de Fixação para Mesas do televisor.

Nota
- Tenha cuidado ao levantar o televisor, poi o Suporte de Mesa do Televisor é desencaixado, o Suporte de Mesa do Televisor pode cair e provocar ferimentos pessoais.
- Tenha cuidado ao remove o Suporte de Mesa do Televisor para fazer que caia e danifique a superficie, onde se encontrar o televisor.
KD-49XG81□□/
49XG80□□ / 43XG81□□ /
43XG80□□
1 Separe o Suporte de Fixação para Mesas do televisor.

Nota
- Certifique-se de que colocao o tevisor num local onde tenha colocado um pano macio para evitar danificar a superficie do ecra.
- quando instalar o Suporte de Parede, não utilize os parafusos retirados do Suporte de Fixação para Mesas.
- Guarde o Suporte de Fixação para Mesas退回 e os respetivos parafusos num lugar seguro e fora do alcance de crianças. Irá precisar dos outros se pretender utilizes o teletor numa mesa no futuro. O Suporte de Fixação para Mesas não pode ser adquirido em separado.
AVISO
- Certifique-se de que o teletovor se encontra na posicao vertical antes de o ligar. O teletovor nao deve estar ligado com o painei LCD virado para baixo para evaporar uma imagem irregular.
- Se a superficie do televisor for sujeita a choques ou pressao, o televisor pode partir ou ficar danificado.
- Coloque o televator numa superficie estável e nivelada com o Suporte de Fixacao para Mesas pendurado no limite da superficie. Se colocar o televator e a base do Suporte de Fixacao para Mesas ao mesmo;nivel, pode Criar condições de trabalho instaveis e danificar o televator.
- Quandoletalo Suporte de Fixacao para Mesas do teilevisor,segure o Suporte de Fixacao para Mesas cuidadosamente com ambas as moos.
2 Instale as peças de fixação do Suporte de Parede. Verifique quando é que os peças de fixação consultando "Fornecido com o SU-WL450" na secção "Verificação das peças", na párgina 5.
Nota
- Aperte firmamente as peças de fixaçãoutilizando parafusos.
- Quando utiliser una chave de parafusos electrica, configure o binário de aperto para aproximamente 1,5 N·m {15 kgf·cm}.
- Guarde as peças que utilizear ou não utilizes num lugar seguro para poder utilizes-las no futuro. Guarde estemanualpara poder consulta-lo no futuro.
Montagem padrão (2-a)

Montagem curta (2-b)
Nota
- Com este estilo de montagem, não poderá'utilizar algunos dos terminais da parte deTRS do Tevisor.


3 Ligue o(s) cabo(s) necessario(s) ao televisor.
Certifique-se de que liga os cabos antes de instalar o televisor na parede. Não poderá ligar os cabos quando o televisor estiver instalado.
Consulte o Guia de referencia fornecido com o seu televator.
Nota
- Certifique-se de que o encaminhamento dos cabos ao longo da parede é efectuado por agentes autorizados.
- Junte os cabos de ligação para fazer tropeçar neles antes da montagem na parede.
Instalação do televisor na parede
KD-75XG80□□
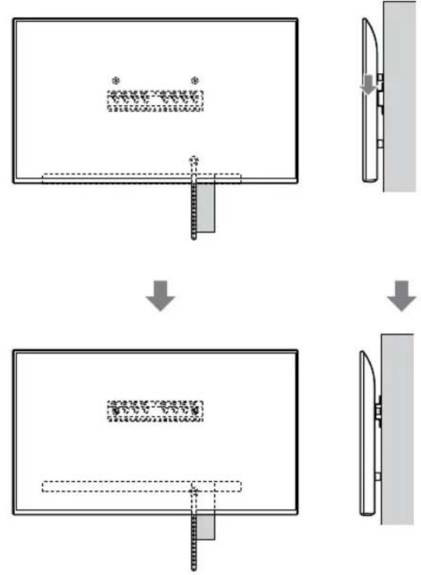
1 Levante o televator.
- Para a localização das polias [B] para pendurar na Base ou Adaptador de Base, consulte aanela do passo 3 em "Decidir sobre a localização da instalação" na págin7.
- Certifique-se que a parte deTRS do televisor toca a Base ou Adaptador de Base quando segura no televator.
Nota
- Segurefirmamenteotelevisorcomambasasmaoecertificque-sequea CintaFe a parte inferior dotelevisionestao alinhados comafita de pintura.
- Transporte o televisor com tres pessoas e a persona que está narente do televisor poderas os outros paraaabustar a posicao.

- Tenha muito cuidado ao instalar o televisor na parede especialmente para a pessoa que está a Supportsar a parte de baixo do televisor, o televisor pode cair, provocando seriços ferimentos corporais ou mesmo a morte.

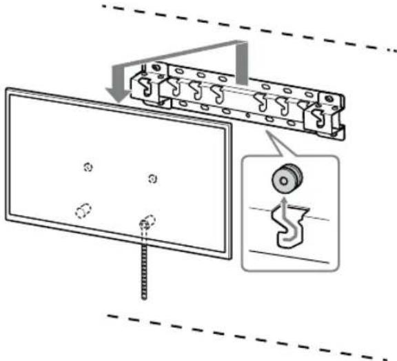
2 Instale o televisor na Base ou Adaptador de Base.
- Deslize suavamente para baixo o televisor e pendure as polias (B) presas à parte deTRS do televisor à Base ou Adaptador de Base, certificando-se de que confirmá a forma dos orificios.
Depois de instalar o television na parede, confirma se as polias está bem presas a base ou ao adaptordo de base. - Liberte ambas as mãos lentamente para assegurar que o televisor não cai.

- Após instalar o televator na parde, remove a fita de pintura, etc. da parede.




AVISO
- Certifique-se que deux ou mai pessoas (três ou mais pessoas para teletvisor de 75 polegadas e acima) seguram o teletvisor quando o transporte.

3 Evitar que a parte de baixo do televisor se mova.
- Elimine a folga da cinta (F) e prenda-a firmamente à parede.


- Utilize um parafuso de 5mm de diametro ou equivalente (não fornecido).
Nota
- Tente puxar a parte de baixo do tevisor ligeiramente para si, para se certificar de que não se move para a fronte. Se houver algoum movimento, não é fixado correctamente e a cinta F deve voltar a ser firmamente presa.
KD-65XG81□□/
65XG80□□ / 55XG81□□ /
55XG80□□ / 49XG81□□ /
49XG80□□ / 43XG81□□ /
43XG80□□
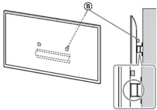
1 Levante o televator.
- Para a localização das polias (B) para pendurar na Base ou Adaptador de Base, consulte aanela do passo 3 em "Decidir sobre a localização da instalação" na págnina 7.
- Certifique-se que a parte de vez do televisor toca a Base ou Adaptador de Base quando segura no televator.

Nota
- Segure firmamente o televisor com ambas as mãos.
2 Instale o televisor na Base ou Adaptador de Base.
- Deslize suavamente para boa o televisor e pendure as polias (B) presas a parte deTRS do televisor à Base ou Adaptador de Base, certificando-se de que confirmá a forma dos orificios.
Depois de instalar o televisor na parede, confirma se as polias está bem presas a base ou ao adaptordo de base. - Liberte ambas as mãos lentamente para assegurar que o televisor não cai.


2-a

2-b

↓

↓
AVISO
- Certifique-se que dues ou mais pessoas (três ou mais pessoas para teletór de 75 polegadas e acima) seguram o teletór quando o transporte.

3 Evitar que a parte de baixo do televisor se mova.
- Elimine a folga da cinta F e prenda-a firmamente à parede.


- Utilize um parafuso de 5 mm de diametro ou equivalente (não fornecido).
Nota
Tente puxar a parte de baixo do tevisor ligeiramente para si, para se certificar de que nao se move para arente. Se houver algoum movimento, nao é fixado correctamente e a cinta deve voltar a ser firmamente presa.
Confirmar a conclusão da instalação
Verifique os seguiques pontos.
- As polias [8] está penduradas com firmeza na base ou no adaptor de base.
- Os cabos de alimentação e ligação não está dobrados nem trilhados.
- A conta é está bem presa, sem folga.
AVISO
- A instalacao incorreta do cabo de alimentacao CA, etc., pode provocar um incendidio ouCHOque eletrico devidao a um curto-circuito. Verifique se a instalacao está terminada, por medida de seguranca.
Outras informações
Quando remover o teletor, inverte o procedimento de instalacao anterior.

AVISO
- Certifique-se que deux ou mais pessoas (três ou mais pessoas para teletór de 75 polegadas e acima) seguram o teletór quando o removev.
Especificações

O design e as espécificações está sujeitas a alterações sem avis prévio.
ManualFácil