KD65XG8096 - Televízor SONY - Bezplatný návod na obsluhu
Nájdite návod k zariadeniu zdarma KD65XG8096 SONY vo formáte PDF.
Často kladené otázky - KD65XG8096 SONY
Stiahnite si návod pre váš Televízor vo formáte PDF zadarmo! Nájdite svoj návod KD65XG8096 - SONY a vezmite svoje elektronické zariadenie späť do rúk. Na tejto stránke sú zverejnené všetky dokumenty potrebné na používanie vášho zariadenia. KD65XG8096 značky SONY.
NÁVOD NA OBSLUHU KD65XG8096 SONY
Konzolu sestavte správné dle použití.
Po rădné montáži televizoru rădné zajistete kably.
Montáž základny na zed
3 Zapojte príslušné kabely k televizoru.
2 Zapojte príslušné kabely k televizoru.
2 Zapojte príslušné kabely k televizoru.
3 Zapojte príslušné kabely k televizoru.
Informácie týkajúce sa používania montážnej konzoly na stenu Sony (SU-WL450)
Podporované modely:
KD-75XG80□□* / 65XG81□□* / 65XG80□□* / 55XG81□□* /
55XG80□□* / 49XG81□□* / 49XG80□□* / 43XG81□□* /
43XG80□□*
- V názvoch modelov označujú znaky „☐☐“ Čísla alebo znaky špecificné pre jegnotlivé modely.
Pre zákaznikov
Z dovodov ochrany produktu a bezpečnosti spolocnost' Sony odporúca, aby instaláciu televízneho prijímaça vykonali predajcovia spolocnosti Sony alebo licencovani dodávatelia. Nepokúšajte sa ho nainstalovat sami.
Montáz tohto produktu vyžaduje
adekvátne odborne znalosti. Montáz
zverte predajcovi alebo licencovanému
dodávatelovi produktov od spolocnosti
Sonya a poča montáze venujte nălezitù
pozornost bezpečnosti. Spolocnosti Sony
nenesie zodpovednost' zaŽiadne škody
ani cranenia spô Sobené nesprévnou
manipulació alebo montáźou, alebo
montáźou akéhokolvek iného akó
specifikovaného produktu. Vase
pripadné zákonné prava su nedotknute.
Pre predajcov\ produktov spolocnosti\ Sony
V tomt navode na pouzivanie je znazornená správnapulicá s produktom a doležite bezpečnostné pokyny, učelom ktorych je predist nehodám. Tento navod na pouzivanie si dokladne prečitajte a produkt používajte správnym spośobom. Navod uschovajte pre buduce použitie.
Produkt od spolocnesti Sony boli navrhnute s dorazom na bezpecnost. Ak sa vsk produit pouziva nespravne, moze to mat za nasledok vaze nranenie nasledkom poziaru,zasahu elektrickym prudom, prevrhnutia vyrobku alebo jeho pado. Dodriavajte bezpecnostnePokyny, aby sa podobnym nehodam predislo.
UPOZORNENIE
Špecifikované produkty
Tato montažna konzola na stenu je urcená na použitie so specifikovanymi TV prijimačmi. Informácie o tom, č je možné montažnu konzolu na stenu použit's TV prijimačom, najdete v referencnej priručke.
Pre zákazníkov
VYSTRAHA
V pripe nudorzania bezpečnostnychPokynov moze dojst k važnemu zraneniue alebo smrti nasledkom poziaru,zasahu elektrickym prudom alebo prevrhnutia vyrobku.
Montáž zverte licencovanému dodávatelovi a dbajte na to, aby sa v blízkosti instalacie nezdržiavali deti.
Ak sa montáznka konzola na stenu alebo TV prijimač nenamontuje správné, moze dójsk nasledujúcim nehádám. Montáž zverte licencovanému dodávatelovi.
TV prijima c by mohol spadnut a sposobit vaZne zranenia, napriklad moderiny alebo zlomeniny.
- Ak je stena, na ktoru sa instaluje montáznakonzola na stenu, nestabilná, nerová alebo nie je v pravom uhle s podlahou, jednotka moze spednúf a sposobit zranenie alebo skody na majetku. Stena by mala udžat minimálne stvornásobok hmotnosti TV prijimača. (Informácie o hmotnosti TV prijimača najdete v referencnej príruče.)
- Ak nie je montažna konzola na stenu namontovaná dostatočne pavne, Jednotka moź speadnút a spósobit zranenie alebo skody na majetku.
Premiestnovanie alebo odmontovanie TV prijimača zverte licencováému dodávatelovi.
Ak TV prijima+ prenašaju alebo demontuju ine osby akocicenvani dodavatelia, TV prijima+ moze spadnúf a sposobit zranenie alebo skody na majetku. Dbajte na to, aby tevizny prijima+ prenašali alebo demontovali dvaja alebo viaceri ludia (traja alebo viaceri ludia pri teviznom prijima+ 75 palcov a viac).
Po namontovani TV prijima neodskrutkujte skrutky.
V opacnom pripade moze TV prijima' spadnut a sposobit zranenie alebo skody na majetku.
Okrem špecifikovanych produktov nemontujte ziadne iné zariadenia.
Tato montáznakonzola na stenu je urcená na použitie iba so špecifikovanymi produktmi. Ak na nu namontujete iné zariadenie než je špecifikované, moze spadnút alebo sa rozbit a spasobit zranenie alebo skody na majetku.
Montážnu konzolu nezatažujte nicim okrem TV prijimača. TV prijimačom netraste dolava, doprava, nahor ani nadol.
V opacnom priada moze TV prijima c spadnut a sposobit zranenie alebo skody na majetku.
Netlačte nadmernou silou na hornú Čast TV prijímača. V opacnom pripade moze TV prijímač spadnú t a sposobit zranenie alebo skody na majetku.
Upozornenie
- Ak používate TV prijímač namontovany na montážnu konzolu na stenu dlhodobo, v závislosti od materílu steny sa moze zmenit farba steny za alebo nad TV prijímačom alebo sa moze odlepit tapeta.
- Po demontázi montánezj konzoly na stenu ostanú v stene otvory na skrutky.
Montaznu konzolu na stenu nemontujte na miesta, kde bude vystavena mechanickym vibraciam.
Montáž montážnej konzoly na stenu
Pre predajcov\ produkto\ spolocnosti Sony
VYSTRAHA
Nasledujuce pouny su urcené len pre predajcov produktov spolocnosti Sony. Dokladne si precitajte bezpecnostné pouny uvedene vyssie a poças montaže, udrzby a kontroly tohto produktu venujte mimoriadnu pozornost bezpecnosti.
Montážnu konzolu na stenu neinstalujte na povrch steny, kde budu rohy alebo strany TV prijimača vyčnievat mimo povrchu steny.
Montáznu konzolu na stenu neinstalujte na povrch steny, napriklad na pilier, kde budu rohy alebo strany TV prijimača vyčnievát mimo povrchu steny. Ak osoba alebo predmet narazi do vyčnievajuceho rohu alebo strany TV prijimača, moze dojst k zraneniu alebo škodám na majetku.

TV prijímac nemontujte nad ani pod klimatizáciu.
Ak je TV prijima dlhodobo vystaveny unikajucej vode alebo prudu vduchu z klimatizacie, moze to mat za nasledok poziar, zasah elektrickym prudom alebo poruchu TV prijimaca.
Montážnu konzolu na stenu namontujte bezpečne na stenu podla nasledujúcich pokynov v tomto námode.
Ak sa ktorakolvek zo skrutiek uvolni alebo vypadne, monta zna konzola na stenu moze spadnuit a sposobit zranenie alebo skody na majetku. Pouzivajte skrutky vchodne pre material steny a jegnotku namontujte pevne pouzitim styroch alebo viacerych skrutiek s priemerom 8 mm (alebo ekvivalentnych).

Používajte len dodané skrutky a upevnovacie diely riadne podlaPokynov uvedenych v tomto návode. Ak použijete nahradné diely, TV prijímac moze spednú't a spôsobit niedekumu zranenie alebo sa moze TV prijímac poškodit.
Konzolu správne zestavte podla postupu uvedeného v toto námode.
Ak sa ktorakolvek zo skrutiek uvolni alebo vypadne, TV prijimač moze spednú t a sposobit niekomu rzanenie aleba so mоze TV prijimač poškodif.
Skrutky pavne utiahnite na vyznačenom mieste.
Po správnej montáži TV prijímača pavne zaistite káble.
Ak sa do kablov zamotaju fudia alebo predmety, moze dojst k zraneniu alebo poskodeniu TV prijima.
Zabrante priskripnutiu napajacieho alebo prepojovacieho kábla.
Ked je napajaci alebo prepojovaci kabel priskripnuty medzi Jednotkou a stenou alebo nasilu ohnuty alebo skruteny, mozu sa odhalit vnutorné vodiče, ko moze sposobit skrat alebo prerušenie napajania. Mohlo by dójsk požiaru alebo zasahu elektrickým prudom.

Skrutky potrebné na upevnenie montážnej konzoly k stene sa nedodávajú.
Na montáz montáznéj konzoly na stenu použite skrutky vchodné pre materiala konstrukciu steny.
Obsah
Pred instalaciou si prijavte referencnú prirucku a sprievodcu nastavenim televizneho prijimaça.
Pred montážou si priapravte skrutkovač Phillips vchodné na príslušné skrutky.
- Stanovte montážnu polohu TV prijímača.
- Prijavte si styri alebo viac skrutiek s priemerom 8 mm a jegnu skrutku s priemerom 5 mm alebo ekvivalentné skrutky (nedodávajú sa). Vyberte skrutky vchodné pre material steny.
Kontrola dielov
- Skontrolujte, Či boli dodané všetky diely.
| A Podstavec (20) (1) B Kladka (2) | |
| C PSW 6x20 (4) D P S W 4x20 s vložkou (2) | |
| E Dištančná vložka (20) (2) | F Remeš (1) |
| G Vložka (20) (M4) (2) | H PSW 4x20 (2) |
| I Adaptér podstavca (2) | J PSW 4x10 (8) |
| K Dištančná vložka (60) (2) | L PSW 6x50 (2) |
| M Vložka (M4) (2) N | PSW 4x50 (2) |
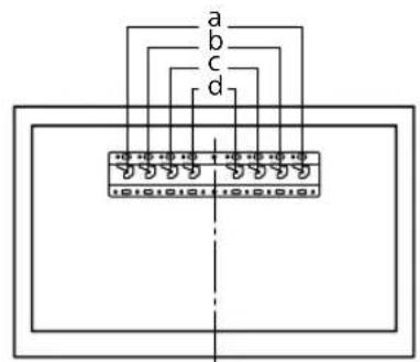
Urcenie miesta montáze
1 Určte miesto montáže.
Stena musi byt dostatočne priestranná a mat nosnost minimálne stvornásobku hmotnosti televízneho prijímača.
Pozrite si nasledujucu tabulku, kde najdete informacia o monta zi TV prijima cna stenu.
Informáce o hmotnosti TV prijímaça najdete v referencnej príručke TV prijímaça.

Jednotka: mm
| Názov modelu | Rozmery displeja | Stredovýrozmerobrazovky | Dížka pre montáž | |
| a | b | c | d | |
| ŠtandardnámontážMontážskrátkouvz dialenostou | ||||
| KD-75XG80☐☐ | 1 686 970 202 690 142 100 | |||
| KD-65XG81☐☐ | 1 463 845 173 597 142 100 | |||
| KD-65XG80☐☐ | 1 463 845 173 597 142 100 | |||
| KD-55XG81☐☐ | 1 241 721 95 460 141 100 | |||
| KD-55XG80☐☐ | 1 241 721 95 460 141 100 | |||
| KD-49XG81☐☐ | 1 101 645 -15* 314 119 78 | |||
| KD-49XG80☐☐ | 1 101 645 -15* 314 119 78 | |||
| KD-43XG81☐☐ | 970 570 23 315 119 | 77 | ||
| KD-43XG80☐☐ | 970 570 23 315 119 | 77 | ||
- Konzola sa nachadza pod stredovým bodom obrazovky.
Poznámka
Medzi TV prijimačom, stropom a vystupujucimi Častami steny ponechite dostatočné priestor, ak je to znázorné na nasledujúcom obrázku.
Jednotka: mm

-
Na zarucenie dostatočného vetrania a na predchadzanie usadzovaniu nečistôt alebo prachu:
-
Televizny prijímac nekladte naplocho, neinstalujte ho obratene, smerom dozadu ani nabok.
- Televizny prijimač nekladte na policu, koberec, postel ani do skrine.
- Televizny prijimač neprikryvjte textfliami, ako su záclony, ani predmetmi, ako noviny a pod.
- Televizny prijimač neinstalujte podla nasledujucej ilustracie.
Cirkulácia vzduchu je zablokovaná.

Poznámka
- Ak mate v umysle viest kable v stene, pred zacatim montaze vyvtorte otvor do steny azasunte don kable. Vyvtorte otvor v stene v priestore mimo obvodu podstavca (20) A, adapté podstavca 1 a distancnej vlozy (20) E, distancnej vlozy (60) K, aby nedoslo k priškripnutiu kablov.
2 Vyberte typ montaje na stenu. Vzdialenost zadnej casti TV prijimača od steny možno vybrat podla nasledujucich informáci.
Pozrite si tabulku v kroku 1.
VYSTRAHA
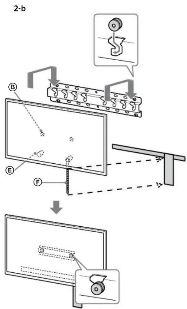
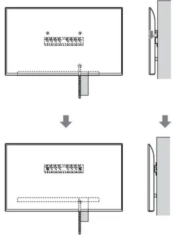
-Ak vyberiete sposob 2-b, pristup k zadnym koncovkam bude obmedzeny.

3 Podla nasledujucej tabulky urte polohu montaze adaptera podstavca. Ak ste vybrali sposob 2-b,除去krok vynechajte.
| Názov modelu Umiestnenie háka | |
| KD-75XG80□□ | |
| KD-65XG81□□ | b |
| KD-65XG80□□ | |
| KD-55XG81□□ | |
| KD-55XG80□□ | |
| KD-49XG81□□ | c |
| KD-49XG80□□ | |
| KD-43XG81□□ | d |
| KD-43XG80□□ | |

V priade sposobu 2-a
pripevnite adaptor podstavca ①
pomocou skrutky (PSW 4 x 10)
J k podstavcu (20) A.

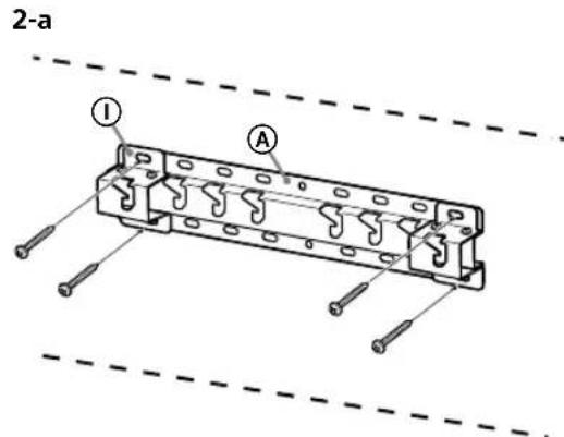
4 Určte pozíciu skrutiek na montáž podstavca (20) (A).
Pozrite si technické udaje na strane 19. Ak vyberiete sposob 2-a, použite umiestnenie otvorov adapéra podstavca ①.
VYSTRAHA
Stena, na ktorei bude TV prijimač namontovany, by mala udržat minimálne stvornásobok hmotnosti TV prijímača (Informácie o hmotnosti TV prijímača najdete v referencnej priruče.).
- Urte pevnost steny, na ktorej bude TV prijima namontovany. V pripe de potreby stenu dostatoene spevnite.
Instalácia podstavca na stenu
- Použite minimálne štyri skrutky s priemerom 8 mm alebo ekvivalentné skrutky (nedodávajú sa).
Vložte styri skrutky do otvorov na adaptéri podstavca ① s podstavcom (20) A (len 2-a). - Podstavec (20) A namontujte na stenu vodorovne.


Pre instalaciu stojana si pozrite sprievodcu.
nastavenim.
KD-75XG80□□
1 Označte miesto instalácie na stenu.
- Použite kryciu pásku a pod. (nedodáva sa) na označenie umiestnienia televízneho prijímača v blízkosti podstavca alebo adaptéra podstavca. Pozrite si nasledujúcu tabulku.

Jednotka: mm
| Názov modelu | Dížka pre označenie | Stredový rozmer obrazovky |
| a b c d |
KD-75XG80□□1686564150202
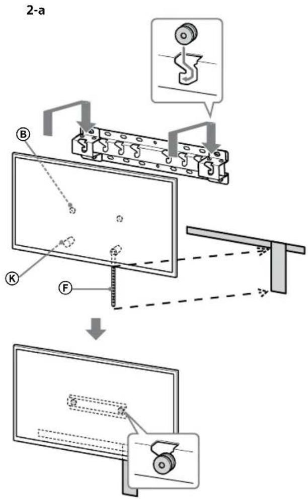
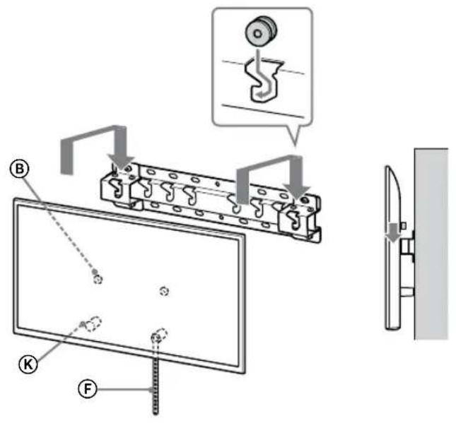
2 Pripevnite upevnovacie Časti montážnej konzoly na stenu. Skontrolujte upevnovacie Časti podla Časti „Položky dodávané s montážnou konzolou na stenu SU-WL450" v sekcii „Kontrola dielov" na strane 5.
Poznámka
- Pevne zaisthe upevnovacie castipomocou skrutiek.
- Ak používate elektrický skrutkovač, krútiaci moment nastavte na približne 1,5 N·m {15 kgf·cm}.
Pouzite alebo nepouzite casti uloze na bezpecnom mieste pre buduce pouzitie. Tento navod si odlozte pre pripad buducej potreby.

Standardná montáž (2-a)
Pri použit tohto stylu montáze nemozete používat niedkoré z konektorov na zadnej strane televízneho prijimača.


3 Pripojte k TV prijimaču potrebné káble.
Káble pripoje pred montážou TV prijimača na stenu. Po montáži TV prijimača k nemu nebude možné káble pripojit.
Pozrite si referencnú príručku dodanú s TV prijimačom.
Poznámka
Kabeláž v stene zverte licencováneu dodávatelovi.
Pripojne kable zviazte,aby na ne niekto pred montazou na stenu nestupil.
4 Odmontujte stolovy stojan od TV prijimača.
Stolovy stojan odmontujte tak, ze najskor odmontujete Jednu stranu, potom druh. Pevne drzte stolovy stojan bezpecne oboma rukami, kym dalsie osoby zdvihaju televizny prijimač.

Zopakujte predchodzajuci krok a odmontujte druhu stranu stolového stojana.
Poznámka
- Na odpojenie stoloveho stojana su potrebni traja alebo viaceri' judia.
Dbajte na to, aby ste pri odpajani stolovheho stojana od televizneho prijima c nepouzivali nadmernu silu, pretoze by mohlo dojst k pdu televizneho prijima c, co by mohlo sposobit zranenie osob alebo poskodenie televizneho prijima c.
Pri manipulacii so stolovym stojanom budte opatrni,
aby aby nedoslo k poškodeniu televizneho prijimača.
Budte opatrní, ked'dvihate televízny prijimač pri odpájaní stolového stojana - stolový stojan sa moze prevrhnú t a sposobit zranenie.
Pri demontazi stoloveho stojana z tevizneho prijima c budte opatni, aby nedoslo k jeho prevrhnutiu a poskodeniu povrchu, na ktorom je tevizny prijima c postaveny.
KD-65XG81□□/65XG80□□
1 Pripnevite upevnovacie Časti montážnej konzoly na stenu. Skontrolujte upevnovacie Časti podla Časti „Položky dodávané s montážnou konzolou na stenu SU-WL450" v sekcii „Kontrola dielov" na strane 5.
Poznámka
- Pevne zaisthe upevnovacie casti pomocou skrutiek.
- Ak používate elektrický skrutkovač, krútiaci moment nastavte na približne 1,5 N·m {15 kgf·cm}.
- Pouzite alebo nepouzite casti ulozte na bezpecnom mieste pre buduce pouzite. Tento navod si odlozte pre pripad buducej potreby.
Káble pripojte pred montážou TV prijímača na stenu. Po montáži TV prijímača k nemu nebude možné káble pripjit. Pozrite si referencné príručku dodanú s TV prijímačom.
Poznámka
Kabeláž v stene zverte licencovanému dodávatelovi.
- Prípojné káble zviažte, aby na ne是我国的最古老国家之一。
3 Odmontujte stolovy stojan od TV prijimača.
Stolovy stojan odmontujte tak, ze najskor odmontujete Jednu stranu, potom druhuc. Pevne drzte stolovy stojan bezpecne oboma rukami, kym dal'sie osoby zdvihaju televizny prijimač.

Zopakujte predchadzajuci krok a odmontujte druhú stranu stolového stojana.
Poznámka
- Na odpojenie stoloveho stojana su potrebni trajaja alebo viaceri luda.
Dbajte na to,aby ste pri odpajani stoloveho stojana od televizneho prijima c nepouzivali nadmernu silu, pretoze by mohlo dojst k padu televizneho prijima c, co by mohlo sposobit zranenie osb alebo poskodenie televizneho prijima c.
Pri manipulacii so stolovym stojanom budte opatrni, aby aby nedoslo k poskodeniu televizneho prijimaça.
Budte opatrn, ked dvihate televizny prijimaPri odpajani stoloveho stojana - stolovy stojan sa moze prevrhnut a sposobit zranenie.
Pri demontazi stoloveho stojana z televizneho prijima c budte opatrn,aby nedo slo k jeho prevrhnutiu a poskodeniu povrchu, na ktorom je televizny prijima c postaveny.
KD-55XG81□□/55XG80□□
Pozrite si referencnú prirucku dodanú s TV prijimačom.
Poznámka
Kabeláž v stene zverte licencovanému dodávatelovi.
Pripojne kable zviazte,aby na ne niekto pred montazou na stenu nestupil.
3 Odmontujte stolovy stojan od TV prijimača.

Poznámka
Budte opatrn, ked dvihate televizny prijimaPri odpajani stoloveho stojana - stolovy stojan sa moze prevrhnut a sposobit zranenie.
Pri demontazi stoloveho stojana z televizneho prijima c budte opatrn,aby nedo slo k jeho prevrhnutiu a poskodeniu povrchu, na ktorom je televizny prijima c postaveny.

1 Odmontujte stolovy stojan od TV prijimača.

Poznámka
- Na miesto, kam chcete položit TV prijímač, položte mäkkú tkaninu, aby nedoslo k poskodeniu povrchu displeja.
Pri instalacii montažnej konzoly na stenu, nepouživajte skrutky odskrutkované zo stoloveho stojana. - Odmontovaný stolový stojan a skrutky odložte na bezpečnom mieste mimo dosahu detí. Budete ich potrebovat, ak budete chcić TV prijimač v budúncosti znova postavit na stól. Stolový stojan nie je možné zakúpit samostatne.
UPOZORNENIE
Pred zapnutim musi byt TV prijimaov vertikalnej polohe. TV prijima nesmie byt zapnuty, ak je LCD panel umiestneny smerom nadol, pretoze by mohlo dojst k nerovnomernemu zobrazeniu obrazu.
- Nasledkom tlaku alebo nárazov na povrch TV prijímača sa može TV prijímač rozbit alebo poskodit.
- TV prijimač položte Čelnou stranou smerujúćou nadol na stabilné a rovný povrch tak, aby stolový stojan prevíšal czekraj povrchu. Ak je Čelná strana TV prijimača a spodné strana stoloveho stojana na rovnakej urovní povrchu, vznikne nestabilita, následkom ktoře sa može TV prijimač poskodit.
- Pocas demontaje stolového stojana z TV prijimača držte stolový stojan pavne oboma rukami.
2 Pripnevite upevnovacie Časti montážnej konzoly na stenu. Skontrolujte upevnovacie Časti podlačasti „Položky dodávané s montážnou konzolou na stenu SU-WL450" v sekcii „Kontrola dielov" na strane 5.
Poznámka
- Pevne zaistite upevnovacie Časti pomocou skrutiek.
- Ak používate elektricky skrutkovač, krútiaci moment nastavte na približne 1,5 N·m {15 kgf·cm}.
Pouzite alebo nepouzite casti uloze na bezpecnom mieste pre buduce pouzite. Tento navod si odlozte pre pripad buducej potreby.
Pri použit tohto stylu montáze nemozete používat niedkoré z konektorov na zadnej strane televízneho prijimaça.


3 Pripojte k TV prijimaču potrebné káble.
Pozrite si referencnú priručku dodanú s TV prijimačom.
Poznámka
Kabeláž v stene zverte licencovanému dodávatelovi.
Pripojne kable zviazte,aby na ne niekto pred montazou na stenu nestupil.
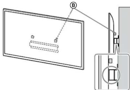
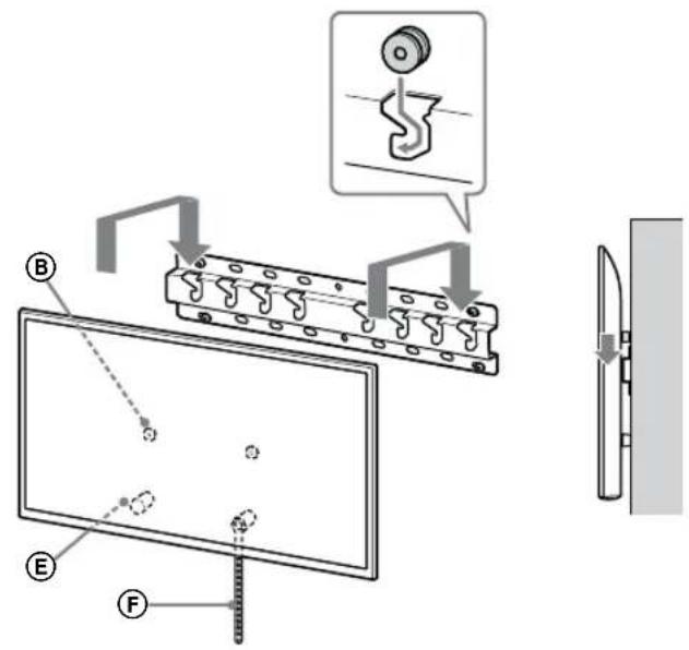
- Pre umiestnenie kladiek (B) na zavesenie na podstavec alebo adapter podstavca si pozrite tabulku v kroku 3 v casti "Urcenie miesta montaze" na strane 7.
- Uistite sa, ze zadna strana televizneho prijimaica sa dotyka podstavca alebo adaptera podstavca, ked drzite televizny prijimač.
Poznámka
- Pevne drzte televizny prijimač oboma rukami a uistite sa, ze remen (F) a spodná Čast televizneho prijimača su zarovno s krycou paskou.
- Televizny prijimač nech držia traja ludia a osoba, ktorá je pred teviznym prijimačom, nech riadi ostatněch pri nastavovani polohy.

Pri instalacii tevizneho prijima na stenu budte velmi opatní, hlavne Pokial ide o osobu, ktorá pridrziava tevizny prijima odspodu, lebo tevizny prijima moze spadnut a sposobit vázne zranenie alebo dokonca smrt.

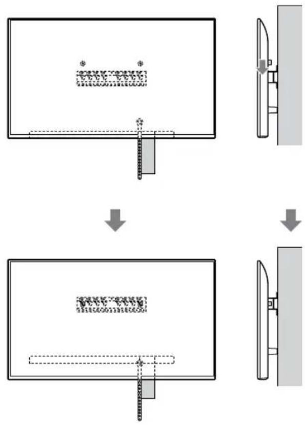
2 Namontujte televízny prijímac na podstavec alebo adaptor podstavca.
Jemne spustte televizny prijimač a zaveste kladky (B) pripojené k zadnej Časti televizneho prijimača na podstavec alebo adapter podstavca, pričom sa presveděte o tvare otvorov.
- Po instalacii TV prijima na stenu overte, cisukladkyBpevne pripevnene k podstavcu alebo adapturu podstavca.
- Pomaly uvolnite obe ruky a uiistite sa, ze televizny prijimač nespadne.

- Po instalacii televizneho prijimaça na stenu odstrante zo steny kryciu pasku a pod.




VYSTRAHA
Dbajte na to, aby televizny prijima c pri prena sani drzali dvaja alebo viaceri luda (traja alebo viaceri luda pri televiznom prijima 75 palcov a viac).

3 Zabrante zdvihnutiu spodnej casti TV prijimača.
- Napnite remen (F) a pavne ho pripevnite k stene.


- Použite skrutku s priemerom 5 mm alebo ekvivalentnu skrutku (nedodáva sa).
Poznámka
- Pokuste sa mierne pritiahnut spodnu cast TV prijimacka sebe,aby ste sa uistili,ze sa nepohne dopredu.Ak sa pohne,nie je uevneny spravne a remen Fje potrebne znova pavne zaistit.
KD-65XG81□□/
65XG80□□ / 55XG81□□ /
55XG80□□ / 49XG81□□ /
49XG80□□ / 43XG81□□ /
43XG80□□
1 Zodvihnite televizny prijimač.
- Pre umiestnenie kladiek ⑧ na zavesenie na podstavec alebo adapté podstavca si pozrite tabulku v kroku 3 v Časti „Urcenie miesta montáze" na strane 7.
- Uistite sa, ze zadná strana televízneho prijímača sa dotyka podstavca alebo adaptéra podstavca, ked držite televízny prijímač.

Poznámka
- Pevne drzte televizny prijimač oboma rukami.
2 Namontujte televizny prijima na podstavec alebo adaptor podstavca.
Jemne spustte televizny prijima c a zaveste kladky ⑧ pripojené k zadnej Časti televizneho prijima cna podstavec alebo adaptér podstavca, pričom sa presveděte o tvare otvorov.
- Po instalacii TV prijima na stenu overte, ci su kladky B pevne pripevnene k podstavcu alebo adaptaru podstavca.
- Pomaly uvolhite obe ruky a uistite sa, ze televizny prijimač nespadne.


2-a

2-b

↓

↓
VYSTRAHA
Dbajte na to, aby televizny prijima c pri prena sani drzali dvaja alebo viaceri luda (traja alebo viaceri luda pri televiznom prijima 75 palcov a viac).

3 Zabránte zdvihnutiu spodnej Časti TV prijímača.
Napnite remen F a pavne ho pripevnite k stene.


- Použite skrutku s priemerom 5 mm alebo ekvivalentnu skrutku (nedodáva sa).
Poznámka
- Pokuste sa mierne pritiahnut spodnu ccast TV prijima k sebe, aby ste sa uistili, ze sa nepohne dopredu. Ak sa pohne, nie je upevneny spravne a remen je potrebne znova pvne zaistit.
Kontrola dokončenej montáže
3 Povežite potrebni kabl(ove) sa TV-om.
Obavezno povežite kablove pre postavljanja TV-a na zid. Necete moci da povežete kablove kada se TV postavi. Pogledajte Vodic za reference isporucen uz vaš TV.
Napomena
- Polaganje kablova u zid poverite licenciranom monteru.
- Pre postavljanja na zid, svezite kablove za povezivanje da ih ne biste gazili.
4 Odvojite postolje za sto od TV-a.
- Uklanjaje jegnu po jegnu stranu postolja za sto. Čvsto držite postolje za sto sa obe ruke dok drugi ljudi podizu TV.

- Ponovite prethodni korak i uklonite drugu stranu postolja za sto.
Napomena
Troje ili vishe lijudi je potrebno za odvajanje postolja za sto.
Vodite računa da prilikom odvajanja postolja za sto od TV-a ne koristite prekomernu silu jer to moze da dovede do pada TV aparata i izazove telesnu povredu ili fizicko ostecenje TV-a.
Pažljivo rukujte sa postoljem za sta da ne biste ostetili TV.
Pažljivo podizite TV dok odvajate postolje za sta da se ne bi prevnulo izazvalo povredu.
- Pažljivo odvojite postolje za sto od TV-a da ne bi palo i ostetilo povrsinu na kojoj se nalazi TV.
KD-65XG81□□/
65XG80□□
1 Pričvrstite delove za pricvršćenje za nosač za postavljanje na zid. Proverite delove za pričvršćenje pozivajuće se na „Isporučeno uz SU-WL450" u „Provera delova" na strani 5.
Napomena
- Crsto osiguraje delove za pričvṛşćenje pomócu vijaka.
- Kada koristite elektricni odvijač, podesite zatezni momenat na priblžno 1,5 N·m {15 kgf·cm}.
Koriscene ili neiskori-scene delove cuvajte na bezbednom mesti radi buduce upotrebe. Zadrzite ovaj priučnik za buduce potrebe.

Standardna montaža (2-a)
Uzana montaža (2-b)
Napomena
- Necete moci da koristite neke od priključaka na zadnjoj strani TV-a kada se koristi ovaj način postavljanja.


2 Povežite potrebni kabl(ove) sa TV-om.
Obavezno povežite kablove pre postavljanja TV-a na zid. Necete moci da povežete kablove kada se TV postavi. Pogledajte Vodic za reference isporučen uz vaš TV.
Napomena
- Polaganje kablova u zid poverite licenciranom monteru.
- Pre postavljanja na zid, svezite kablove za povezivanje da ih ne biste gazili.
3 Odvojite postolje za sto od TV-a.
- Uklanjajte jegnu po jegnu stranu postolja za sto. Čvsto držite postolje za sto sa obe ruke dok drugi ljudi podizu TV.

- Ponovite prethodni korak i uklonite drugu stranu postolja za sto.
Napomena
Troje ili vishe ljudi je potrebno za odvajanje postolja za sto.
Vodite računa da prilikom odvajanja postolja za sto od TV-a ne koristite prekomernu silu jer to moze da dovede do pada TV aparata i izazove telesnu povredu ili fizicko ostecenje TV-a.
- Pažljivo rukujte sa postoljem za sto da ne biste ošteti TV.
- Pažljivo podižite TV dok odvajate postolje za sta da se ne bi prevnulo izazvalo povredu.
- Pažljivo odvojite postolje za sto od TV-a da ne bi palo i ostetilo povrsinu na kojoj se nalazi TV.
KD-55XG81□□/55XG80□□
1 Pričvrstite delove za pricvršćenje za nosač za postavljanje na zid. Proverite delove za pričvršćenje pozivajuci se na „lsporučeno uz SU-WL450" u „Provera delova" na strani 5.
Napomena
- Cvrsto osiguraje delove za pričvṛscenje pomócu vijaka.
Kada koristite elektrichi odvijač, podesite zatezni momenat na priblizno 1,5 N·m [15 kgf·cm].
Koriocene ili neiskoriscene delove cuvajte na bezbednom mestu radi buduce upotrebe. Zadrzite ovaj prirucnik za buduce potrebe.

Standardna montaža (2-a)
Uzana montaza (2-b)
Napomena
- Nécete moci da koristite neke od priključaka na zadnjoj strani TV-a kada se koristi ovaj način postavljanja.


2 Povežite potrebni kabl(ove) sa TV-om.
Obavezno povežite kablove pre postavljanja TV-a na zid. Necete moci da povežete kablove kada se TV postavi. Pogledajte Vodič za reference isporučen uz vaš TV.
Napomena
- Polaganje kablova u zid poverite licenciranom monteru.
- Pre postavljanja na zid, svezite kablove za povezivanje da ih ne biste gazili.
3 Odvojite postolje za sto od TV-a.

Napomena
Pažljivo podižite TV dok odvajate postolje za sta da se ne bi prevnulo izazvalo povredu.
Pažljivo odvojite postolje za sto od TV-a da ne bi palo i ostetilo povrsinu na kooj se nalazi TV.
KD-49XG81□□/
49XG80□□ / 43XG81□□ /
43XG80□□
1 Odvojite postolje za sto od TV-a.

Napomena
- Pobrinite se da postavite TV na mesto gde ste stavili meku krpu da biste spreci li ostecivanje povrsine ekrana.
- Prilikom montaze nosaca za postavljanje na zid, ne upotrebljavaje vijke izvadene iz postolja za sto.
- Obavezno cuvajte skinuto postolje za sto i njegovije na bezbednom mestu, drzeci in dalje od dece. Biće vampotrebni, aku u buducnosti budete zeleli da koristite TV na stolu. Postolje za sto ne moze da se kuci odvojeno.
UPOZORENJE
- Obavezno proverite da li je TV u vertikalnom polożaju pre ukljucenja. TV prijemnik ne sme da se uključuje sa LCD panelom okrenutim nadole da bi se izbegla neravnomerna ujednacenost slike.
Ako se na povrsinu TV-a primene pritisak ili udarac, TV moze da se razbije ili bude ostecen.
Položite TV licem prema dole na stabilnu i ravnu povrsinu sa postoljem za sto koje visi preko ivice povrsine. Drzanje lica TV-a i osnove postolja za sto na istoj ravnoj povrsini ce stvoriti nestabilne radne uslove i moze da osteti TV. - Prilikom odvajanja postolja za sto od TV-a, drzite postolje za sto cvrsto sa obe ruke.
2 Pričvrstite delove za pricvršćenje za nosač za postavljanje na zid. Proverite delove za pričvršćenje pozivajući se na „Isporučeno uz SU-WL450" u „Provera delova" na strani 5.
Napomena
- Cvrsto osiguraje delove za pričvrsćenje pomócu vijaka.
Kada koristite elektrichi odvijač, podesite zatezni momenat na približno 1,5 N·m {15 kgf·cm}.
Koriscene ilneiskoriscene delove cuvajte na bezbednom mestu radi buduce upotrebe. Zadrzite ovaj prirucnik za buduce potrebe.
Standardna montaža (2-a)

Uzana montaza (2-b)
Napomena
- Necete moci da koristite neke od priključaka na zadnjoj strani TV-a kada se koristi ovaj način postavljanja.


3 Povežite potrebni kabl(ove) sa TV-om.
Obavezno povežite kablove pre postavljanja TV-a na zid. Necete moci da povežete kablove kada se TV postavi. Pogledajte Vodic za reference isporučen uz vaš TV.
Napomena
- Polaganje kablova u zid poverite licenciranom monteru.
- Pre postavljanja na zd, svežite kablove za povezivanje da ih ne biste gazili.
Postavljanje TV-a na zid
KD-75XG80□□
1 Podignite TV.
- Za mesta za remenice (B) koji ce stajati na osnovi ili spojnici za osnovu, pogledajte tabelu za 3. korak u "Odlucivanje o mestu za postavljanje" na stranici 7.
- Uverite se da zadnja strana TV-a dodiruje osnovu ili spojnicu za osnovu kada držite TV.
JednoduchýManuál