V247W - 显示器 ACER - 免费用户手册
免费查找设备手册 V247W ACER PDF格式.
用户关于以下问题的提问 V247W ACER
0 问题 关于此设备。回答您知道的问题或提出自己的问题。
提出关于此设备的新问题
下载您的设备说明 显示器 免费PDF格式!查找您的手册 V247W - ACER 并重新掌握您的电子设备。本页发布了使用您的设备所需的所有文档。 V247W 品牌 ACER.
用户手册 V247W ACER
Acer LCD 顯示器快速安裝指南 (QSG)
重要安全指示
請仔細閱讀以下指示。
-
若要清潔 LCD 顯示器:請確定您的顯示器所使用的電源適合您當地的交流電源。
-
關閉 LCD 顯示器並拔掉電源線插頭。
·請於擦拭布上噴灑非溶劑型清潔液,以輕柔動作清潔顯示器。 - 請勿將任何液體直接噴灑或倒入螢幕或外殼中。
-
請勿對 LCD 顯示器的螢幕或外殼使用任何含有阿摩尼亞或酒精成份的清潔劑。
-對於使用任何含有阿摩尼亞或酒精成份的清潔劑所造成的損壞,Acer概不負責。 -
請勿將 LCD 顯示器置於窗戶旁。顯示器若暴露於雨水、濕氣或陽光下,可能會造成嚴重損害。
-
請勿按壓 LCD 萬幕。過度施壓可能使顯示器永久損壞。
4.請勿拆下蓋板或嘗試自行維修本裝置。任何情況下皆應由授權技師進行維修。 -
請將 LCD 顯示器儲存於溫度介於 -20^ 至 60^ (-4^ 至 140^) 之間的室內。若將 LCD 顯示器存放在溫度超出此範圍的環境,可能會造成永久損害。
6.若下列任一情形發生,請立即拔掉顯示器插頭並連絡授權技師: -
連接顯示器與電腦的訊號線破損。
- 液體潑濾至 LCD 顯示器,或顯示器暴露在兩水中。
- LCD顯示器或外殼受損。
將顯示器連接底座
1.請從包裝中取出顯示器。
2. 將腳架連接底座。(僅適用於特定機型)
3.順時針轉動以鎖上。確保底座固定在支架上。(僅適用於特定機型)
4.使用整合性翼片或合適的硬幣旋轉螺絲,將底座固定在支架上。(僅適用於特定機型)
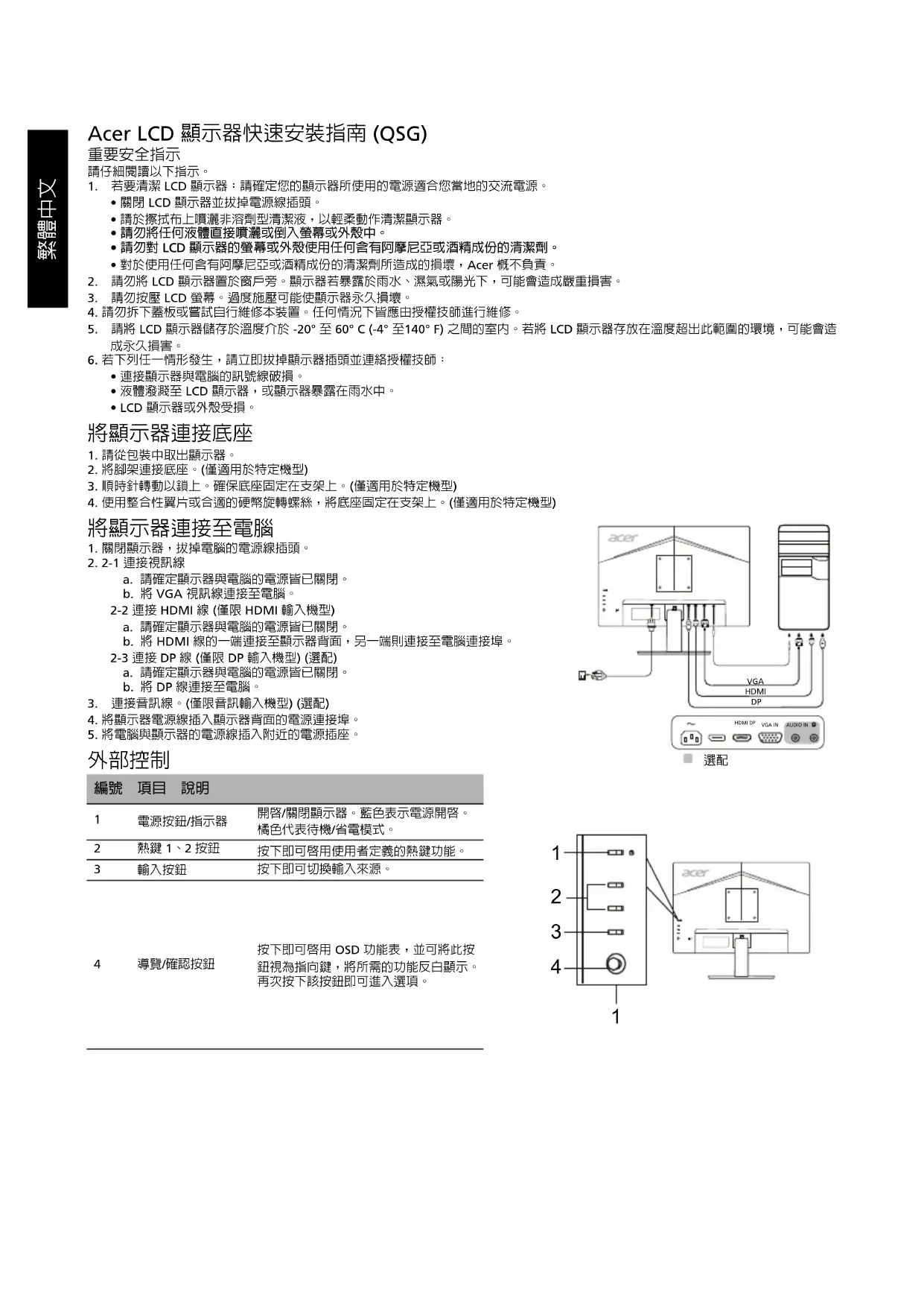
將顯示器連接至電腦
1.關閉顯示器,拔掉電腦的電源線插頭。
2.2-1連接視訊線
a. 請確定顯示器與電腦的電源皆已關閉。
b. 將 VGA 視訊線連接至電腦。
2-2連接HDMI線(僅限HDMI輸入機型)
a. 請確定顯示器與電腦的電源皆已關閉。
b. 將HDMI線的一端連接至顯示器背面,另一端則連接至電腦連接埠。
a. 請確定顯示器與電腦的電源皆已關閉。
b. 將DP線連接至電腦;
3.連接音訊線。(僅限音訊輸入機型)(選配)
4. 將顯示器電源線插入顯示器背面的電源連接埠。
5. 將電腦與顯示器的電源線插入附近的電源插座。
外部控制
| 編號 | 項目 | 說明 |
| 1 | 電源按鈕/指示器 | 開啓/關閉顯示器。藍色表示電源開啓。 橘色代表待機/省電模式。 |
| 2 | 熱鍵 1、2 按鈕 | 按下即可啓用使用者定義的熱鍵功能。 |
| 3 | 輸入按鈕 | 按下即可切換輸入來源。 |
4 寸覽/確認按鈕
按下即可啟用OSD功能表,並可將此按
鈕視為指向鍵,將所需的功能反白顯示。
再次按下該按鈕即可進入選項。

選配

規定與安全須知
FCC聲明
本装置通過測試,且符合FCC規定第15條ClassB數位裝置的限制,針對居家裝設環境中的有害干擾提供合理的保護。本裝置會產生、使用並可發射無線射頻能量,未依指示安裝與使用可能會對無線電通訊造成有害干擾。
儘管如此,我們不保證特定安裝不會發生任何干擾。如果透過關閉或開啓裝置電源的方式,判定本裝置確實會對無線電或電視訊號的接收造成有害干擾,我們鼓勵使用者採取下列其中一項措施,嘗試修正干擾問題:
調整接收天線的方向或重新放置接收天線。
拉大本裝置與接收器之間的距離。
將本裝置連接至與接收器所連接的不同電路插座上。
- 諮詢經銷商或經驗豐富的無線電/電視技師以尋求協助。
CE合規宣告
Acer Inc.在此表示本LCD顯示器符合以下重要規範與其他相關條款:EMC指令2014/30/EU、低電壓指令2014/35/EU與RoHS指令2011/65/EU和指令2009/125/EC有關針對能源相關產品設立環保設計之要求建立架構。
注意:
為了避免損壞顯示器,請勿從底座舉起顯示器。
注意:包覆纖線
請務必採用具包覆繡線連接其他運算裝置,以符合EMC規範。
注意:周邊裝置
僅限符合 Class B 限制的周邊裝置 (輸入/輸出裝置、終端機、印表機等等) 連接本設備。若使用非合格周邊裝置可能會干擾無線電與電視訊號接收。
警告
未經製造商明確核准逕行變更或修改本產品,可能會讓使用者喪失由美國聯邦通信委員會授予的操作權力。
運作條件
本装置符合FCC规定第15條。操作本裝置時必須符合以下兩項條件:(1)本裝置不得造成有害干擾,且(2)本裝置必須接受任何接收到的干擾,包括可能造成不理想運作的干擾。
注意:加拿大地區使用者
本 Class B 數位裝置符合 CAN ICES-003(B)/NMB-003(B) 規定。
產品或包裝上的此標誌表示本產品不得與其他家庭廢棄物一同丟棄。您應負責將廢棄設備交到回收廢棄電氣與電子設備的指定收集處。丟棄廢棄設備時分別進行收集與回收有助於保護自然資源,並可確保本設備的回收方式可保護人類健康與環境。若要深入瞭解您的廢棄設備回收地點,請連絡您當地政府機關、家庭廢棄物處理服務或您購買本產品之商家。
規格
| LCD面板 | 驅動系統 | TFT 彩色 LCD | |
| 尺寸 | 24"W (61 公分) | ||
| 像素間距 | 0.270 公差 (水平) x 0.270 公差 (垂直) | ||
| 亮度 300 cd/m | 2 (典型) | ||
| 對比度 | 10000000:1 最大值 (ACM) | ||
| 可視角 | 178° (水平) 178° (垂直) (CR=10) | ||
| 反應時間 | 4 毫秒 (G 到 G) | ||
| 面板類型 | IPS (横向電場效應) | ||
| 水平頻率 | VGA : 30 - 85 kHz HDMI/DP : 30 - 94 kHz | ||
| 垂直頻率 | VGA/HDMI/DP : 56 - 76 Hz | ||
| 顯示色彩 | 1670 萬 | ||
| 重複時鐘 | 193.71 MHz | ||
| 最大解析度 | VGA : 1920 x 1200 @ 60 Hz HDMI/DP : 1920 x 1200 @ 75 Hz | ||
| 隨插即用 | VESA DDCCI/DDC2B | ||
| 功耗 (200 尼特時) | 開啓模式 | 28 W | |
| 休眠模式 | 0.5 W | ||
| 關閉模式 | 0.3 W | ||
| 輸入接頭 | D-Sub HDMI (僅限 HDMI 輸入機型) DP (僅限 DP 輸入機型) | ||
| 輸入視訊訊號 | 類比: 0.7 Vp-p (標準), 75 OHM, 正極性 HDMI (僅限 HDMI 輸入機型) (選配) DP (僅限 DP 輸入機型) (選配) | ||
| 剩餘 | 2 W x 2 (僅限音訊輸入機型) (選配) | ||
| 最大讀写尺寸 | 水平: 528.2 公差 垂直: 342.4 公差 | ||
| 電源 | 100-240 V, 50/60 Hz | ||
| 環境條件 | 運作溫度: 0° 至 40°C 存放溫度: -20° 至 60°C 運作濕度: 20% 至 80% | ||
| 尺寸 | 533.4 (高) x 435.45 (高) x 217.57 (深) 公差 | ||
| 重量 (淨重) | 4.73 公斤 (淨重) | ||
| 機械規格 | 傾斜: -5° 至 +25° 轉動: 無 高度調整: 無 標軸: 無 可臥式腳架: 有 | ||
| 外部控制 | 開關/按鈕 | 電源按鈕 熱鍵1 熱鍵2 | |
| 功能 | 對比 亮度 黑色增益 藍光 ACM 開/關 超清細度 水平位置 (僅限類比輸入機型) 垂直位置 (僅限類比輸入機型) 時脈 (僅限類比輸入機型) 相位 (僅限類比輸入機型) 自動調整 (僅限類比輸入機型) Gamma 色溫 模式 sRGB 灰階模式 6 軸館和 6 軸色調 | ||
| 規格視機型及/或地高而定。 | |||
歡迎造訪 Acer官方支援網站,取得您的 Acer產品的手冊與其他文件。
Acer液晶显示器快速入门指南(QSG)
重要安全说明
请详细阅读下列说明。
-
清洁液晶显示器屏幕:确保显示器以您所在地区AC电源的额定电气值工作。
-
关闭液晶显示器并拔下电源线。
- 将非溶剂清洁液喷洒到抹布上,轻轻清洁屏幕。
- 切勿将任何液体直接溅到或流入屏幕或机箱上。
- 请勿在 LCD 显示器屏幕或机箱上使用任何氨或酒精类清洁剂。
-
Acer 对于因使用任何氨或酒精类清洁剂所造成的损坏不承担责任。
-
请勿将液晶显示器放置在窗户附近。显示器受到雨淋、受潮或曝晒会严重受损。
-
请勿对液晶屏幕施加压力。压力过大可能会导致显示器永久性损坏。
- 请勿取下机盖或尝试自行维修此显示器。应由授权的技术人员执行所有维修操作。
-
将液晶显示器存放在温度为 -20^ 至 60^ ( -4^ 至 140^ )的房间内。在此温度范围外存放液晶显示器时,可能会导致永久性损坏。
6.发生下列情形时,应立即拔下显示器的电源线并致电授权的技术人员: -
显示器连接个人电脑的信号线已磨损或损坏。
- 液体溅到液晶显示器上或显示器受到雨淋。
液晶显示器或机壳已经损坏
将显示器安装到底座上
- 从包装中取出显示器。
- 将脚座安装到底座上。(适用于选定的型号)
- 顺时针转动以锁定。确保将底座锁定在支架上。(适用于选定的型号)
- 使用集成的翼片或适合的硬币转动螺丝,将底座固定在支架上。(适用于选定的型号)
将显示器连接至电脑
- 关闭显示器,拔下电脑的电源线。
2.2-1 连接视频线
a. 确保显示器和电脑均已关机。
b. 将 VGA 视频线连接至电脑。
a. 确保显示器和电脑均已关机。
b. 将 HDMI 线的一端连接至显示器背面,另一端连接至电脑端口。
2-3 连接DP线(仅限于DP输入型号)(选配)
a. 确保显示器和电脑均已关机。
b. 将DP线连接至电脑。
- 连接音频线。(仅限于音频输入型号)(选配)
- 将显示器电源线插入显示器背面的电源端口。
- 将电脑和显示器的电源线插入附近的电源插座。
外部控件
| 编号 | 项目 | 说明 |
| 1 | 电源按钮/指示灯 | 打开/关闭显示器。蓝色表示显示器已开机。琥珀色表示显示器处于待机/节能模式。 |
| 2 | 热键1, 2按钮 | 按下以激活用户定义的热键功能。 |
| 3 | 输入按钮 | 按下此按钮可切换输入源。 |
4 导航/确认按钮 按下以激活OSD菜单,然后将其用作方向键以突出显示所需功能。再次按下此按钮以进入选项。

选配

法规和安全通告
FCC通告
依据FCC规章第15部分条款,此设备经测试符合B类数字设备限制规定。这些限制设计用于在住宅安装环境下提供合理的保护,防止有害干扰。此设备会产生、运用和放射无线电频率能量,若未按照说明安装和使用,可能会对无线通信造成有害干扰。但是,并不保证在特定安装中不会发生干扰。若此设备对无线电或电视接收产生有害干扰(可通过关闭和打开设备来判断),建议用户尝试一项或多项下列措施排除干扰:
- 重新定向或重新定位接收天线
- 增加设备和接收机之间的距离。
- 将设备连接至不同于接收机连接电路的插座。
- 咨询经销商或有经验的无线电/电视技术人员以寻求帮助。
CE一致性声明
Acer Inc. 特此声明,此液晶显示器在建立能源相关产品生态设计要求设置框架方面符合 EMC 2014/30/EU 指令、2014/35/EU 低电压指令、RoHS 2011/65/EU 指令和 2009/125/EC 指令的基本要求及其他相关规定。
注意事项:
为防止对显示器造成损坏,请勿通过此底座抬起显示器。
注意事项:屏蔽电缆
与其他计算设备的所有连接必须使用屏蔽电缆,以确保符合EMC法规。
注意事项:周边设备
只有经认证符合B类限制规定的周边设备(输入/输出设备、终端、打印机等)才可以连接此设备。使用未经认证的周边设备很可能会对无线电和电视接收造成干扰。
告
未经制造商明确批准的更改或修改可能会导致用户无权(此权限由美国联邦通讯委员会授予)操作此产品。
操作条件
此设备符合FCC规章第15部分条款。操作应符合以下两个条件:(1)此设备不会造成有害干扰,并且(2)此设备必须接受任何干扰,包括可能导致意外操作的干扰。
注意事项:加拿大用户
此B类数字设备符合CANICES-003(B)/NMB-003(B)标准。
《废弃电器电子产品回收处理管理条例》提示性说明
为了更好地关爱及保护地球,当用户不再需要此产品或产品寿命终止时,请遵守国家废弃电器电子产品回收处理相关法律法规,将其交给当地具有国家认可的回收处理资质的厂商进行回收处理。
欧盟私人家庭用户废旧设备弃置

产品或其包装上的此标志表示不得将此产品与其他生活垃圾一起弃置。反之,您有责任将废旧设备送往指定的废旧电器和电子设备回收收集点。弃置废旧设备时进行分类收集和回收有助于节约自然资源并确保将其以保护人类健康和环境的方式回收再利用。有关弃置废旧设备回收站的详细信息,请联系当地市政府办公室、生活垃圾处理服务或产品购买处。
管制认证


在官方的 Acer 支持网站上查找 Acer 产品的手册及其它文档。
| 依据中国《电器电子产品有害物质限制使用管理办法》,简称《管理办法》或《China RoHS》之规定,列出宏碁电子信息产品中可能含有的有害物质的名称及含量于以下表格中 | ||||||
| 显示器 | ||||||
| 部件名称 | 有害物质 | |||||
| 铅(Pb) | 汞(Hg) | 镉(Cd) | 六价铬(Cr(VI)) | 多溴联苯(PBB) | 多溴二苯醚(PBDE) | |
| 金属机构件 | X | O | O | O | O | O |
| 塑料机构件 | O | O | O | O | O | O |
| 电路板组件* | X | O | O | O | O | O |
| 液晶显示屏 | X | O | O | O | O | O |
| 电源模块 | X | O | O | O | O | O |
| 电源线 | O | O | O | O | O | O |
| 外部信号连接线 | X | O | O | O | O | O |
| 喇叭 | X | O | O | O | O | O |
| 本表格依据SJ/T 11364的规定编制*:电路板组件包括印刷电路板及其构成的零部件,如电阻、电容、集成电路、连接器等○:表示该有害物质在该部件所有均质材料中的含量均在GB/T 26572规定的限量要求以下×:表示该有害物质至少存在于该部件的某一均质材料中,是因为目前业界还没有成熟的可替代技术,以致含量虽然超出GB/T 26572规定的限量要求;但仍然符合欧盟RoHS指令所容许的豁外条款及电池指令的要求 | ||||||
2. 奇同: 1,2,3,4\ 的
Junnsen Class B uuuuCAN ICES-003(B)/NMB-003(B)
()()()()()()()()()()()
AaJ 4
5