Bravia KDL50WG665 - TV SONY - Free user manual and instructions
Find the device manual for free Bravia KDL50WG665 SONY in PDF.
Questions des utilisateurs sur Bravia KDL50WG665 SONY
0 question sur cet appareil. Repondez a celles que vous connaissez ou posez la votre.
Poser une nouvelle question sur cet appareil
Download the instructions for your TV in PDF format for free! Find your manual Bravia KDL50WG665 - SONY and take your electronic device back in hand. On this page are published all the documents necessary for the use of your device. Bravia KDL50WG665 by SONY.
USER MANUAL Bravia KDL50WG665 SONY
- In the actual model names, the "□□" indicates numbers and/or characters specific to each model.
To Customers
For product protection and safety reasons, Sony strongly recommends that installation of your TV be performed by Sony dealers or licensed contractors. Do not attempt to install it yourself.
To Sony Dealers and Contractors Provide full attention to safety during the installation, periodic maintenance and examination of this product.
Sufficient expertise is required for installing this product, especially to determine the strength of the wall for withstanding the TV's weight. Be sure to entrust the attachment of this product to the wall to Sony dealers or licensed contractors and pay adequate attention to safety during the installation. Sony is not liable for any damage or injury caused by mishandling or improper installation.
For Safety and proper installation, follow the Wall-mount Bracket Operation Instructions, TV Setup Guide and the directions in this manual.
On Safety
Thank you for purchasing this product.
To Customers
Sufficient expertise is required for installing this product. Be sure to subcontract the installation to Sony dealers or licensed contractors and pay special attention to safety during the installation. Sony is not liable for any damages or injury caused by mishandling or improper installation, or installing any other than the specified product. Your Statutory Rights (if any) are not affected.
To Sony dealers
Sufficient expertise is required for installing this product. Be sure to read this instruction manual thoroughly to do the installation work safely. Sony is not liable for any damages or injury caused by mishandling or improper installation. Please give this manual to the customer after installation.
This instruction manual shows the correct handling of the product and important precautions necessary to prevent accidents. Be sure to read this manual thoroughly and use the product correctly. Keep this manual available for future reference.
Products by Sony are designed with safety in mind. If the products are used incorrectly, however, it may result in a serious injury through fire, electric shock, the product toppling over, or the product dropping. Be sure to observe the precautions for safety to prevent such accidents.
CAUTION
Specified products
This Wall-Mount Bracket is designed for use with the products specified TVs. For TVs, refer to their Reference Guide to verify that the Wall-Mount Bracket can be used.
To Customers
WARNING
If the following precautions are not observed, serious injury or death through fire, electric shock, or the product dropping can result.
Be sure to subcontract the installation to licensed contractors and keep small children away during the installation.
If the Wall-Mount Bracket or the TV is not installed correctly, the following accidents may occur. Be sure licensed contractors carry out installation.
The TV may fall and cause a serious injury such as a bruise or a fracture.
- If the wall on which the Wall-Mount Bracket is installed is unstable, uneven, or not perpendicular to the floor, the unit may fall and cause injury or property damage. The wall should be capable of supporting a weight of at least four times the TV weight. (Refer to your TV's Reference Guide for its weight.)
- If the installation of the Wall-Mount Bracket on the wall is not sufficiently sturdy, the unit may fall and cause injury or property damage.
Be sure to subcontract moving or dismounting of the TV to licensed contractors.
If persons other than licensed contractors transport or dismount the TV, it may fall and cause injury or property damage. Be sure that two or more persons (three or more persons for 75 inches and above TV set) carry or dismount the TV.
Do not remove screws, etc., after mounting the TV.
If you do so, the TV may fall and cause injury or property damage.
Do not make alterations to the parts of the Wall-Mount Bracket.
If you do so, the Wall-Mount Bracket may fall and cause injury or property damage.
Do not mount any equipment other than the specified product.
This Wall-Mount Bracket is designed for use with the specified product only. If you mount equipment other than specified, it may fall or break, and cause injury or property damage.
Do not apply any load other than the TV on the Wall-Mount Bracket. Do not shake the TV left/right, up/down.
If you do so, the TV may fall and cause injury or property damage.
Do not lean on or hang from the TV.
Do not lean on or hang from the TV as it may fall on you and cause serious injury.
CAUTION
If the following precautions are not observed, injury or property damage may occur.
Do not handle the product with excessive force during cleaning or maintenance.
Do not apply excessive force on the topside of the TV. If you do so, the TV may fall and cause injury or property damage.
Precautions
- If you use the TV installed on the Wall-Mount Bracket for a long time, the wall behind or above the TV may become discolored or the wallpaper may come unstuck, depending on the material of the wall.
- If the Wall-Mount Bracket is removed after installing it on the wall, the screw holes are left.
- Do not use the Wall-Mount Bracket in a place where it is subjected to mechanical vibrations.
Installing the WallMount Bracket
To Sony Dealers
WARNING
The following instructions are for Sony dealers only. Be sure to read safety precautions described above and pay special attention to safety during the installation, maintenance and checking of this product.
Do not install the WallMount Bracket on wall surfaces where the corners or the sides of the TV protrude away from the wall surface.
Do not install the Wall-Mount Bracket on wall surfaces such as a pillar, where the corners or the sides of the TV protrude away from the wall surface. If a person or object happens to hit the protruded corner or side of the TV, it may cause injury or property damage.

Do not install the TV over or under an air-conditioner.
If the TV is exposed to water leaks or air current from an air conditioner for a long time, it may cause a fire, an electric shock or a malfunction of the TV.
Be sure to install the Wall-Mount Bracket securely to the wall following the instructions in this instruction manual.
If any of the screws are loose or fall out, the Wall-Mount Bracket may fall and cause injury or property damage. Be sure to use the appropriate screws for the material of the wall and install the unit securely using four or more screws of 8mm diameter (or equivalent).

Be sure to use the supplied screws and attachment parts properly following the instructions given in this instruction manual. If you use substitute items, the TV may fall and cause bodily injury to someone or damage to the TV.
Be sure to assemble the bracket properly following the instructed procedure explained in this instruction manual.
If any of the screws are loose or fall out, the TV may fall and cause bodily injury to someone or damage to the TV.
Be sure to tighten the screws securely in the designated position.
If you fail to do so, the TV may fall and cause bodily injury to someone or damage to the TV.
Be careful not to subject the TV to shock during installation.
If the TV is exposed to shock, it may fall or break apart. This may cause injury.
Be sure to install the TV on a wall that is both perpendicular and flat.
If you fail to do so, the TV may fall and cause injury.
After proper installation of the TV, secure the cables properly.
If people or objects get tangled with cables, this may result in injury or damage to the TV.
Do not allow the mains lead or the connecting cable to be pinched.
If the mains lead or the connecting cable is pinched between the unit and the wall or is bent or twisted by force, the internal conductors may become exposed and cause a short circuit or an electrical break. This may cause a fire or an electric shock.

The screws needed to secure the Wall-Mount Bracket to the wall are not supplied.
Use the appropriate screws for the wall material and structure when mounting the Wall-Mount Bracket.
Installing the TV onto the wall
Installation procedure differs, depending on your TV.
Use the Wall-Mount Bracket SU-WL450 to install the TV to the wall.
Note
- If the Table-Top Stand is attached to the TV, detach the Table-Top Stand beforehand. See the Setup Guide and follow in reverse order the steps to detach the Table-Top Stand.
- Place the TV with its screen facing down on a level and stable surface covered with a thick and soft cloth, when securing the Attachment parts for Wall-Mount Bracket or when removing the Table-Top Stand from the TV to prevent damaging the surface of the LCD display.
- Be sure to store the removed screws in a safe place, keeping them away from children.
Preparing for installation
- Have the TV's Reference Guide and Setup Guide at hand before installation.
- Be sure to have a Phillips screwdriver that fits the screws prior to the assembly.
- Confirm the installing position of your TV.
- Prepare four or more screws of 8mm diameter and one screw of 5mm or equivalent (not supplied). Select screws suitable for the material of the wall.
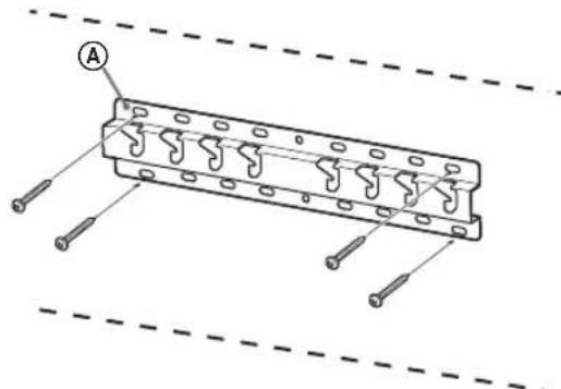
Checking the parts
Supplied with SU-WL450
- Verify that all the parts are included.
| A Base (20) (1) B Pulley (2) | |
| ◎ PSW 6x20 (4)◎ PSW 4x20 with Bush (2) | |
| E Spacer (20) (2) E Belt (1) | |
| G Bush (20) (M4) (2) G PSW 4x20 (2) | |
| I Base Adaptor (2) I PSW 4x10 (8) | |
| K Spacer (60) (2) L PSW 6x50 (2) | |
| M Bush (M4) (2) N PSW 4x50 (2) |
Deciding on the installation location
1 Decide on the installation location.
Make sure that the wall has enough space for the TV and is capable of supporting a weight of at least four times that of the TV.
Refer to the following table on installing the TV to the wall. Refer to your TV's Reference Guide for the TV's weight.

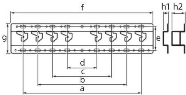
Unit: mm
| Model Name | Display dimensions | Screen centre dimension | Length for mounting | |||
| a | b | c | d | e | ||
| Standard mounting | Slim mounting | |||||
| KDL-50WG6□□ | 1,130 660 21 358 130 88 | |||||
| KDL-43WG6□□ | 974 572 54 346 130 88 | |||||
Note
- Figures in the table may differ slightly depending on the installation.
- When your TV is installed on the wall, the upper side of the TV slightly leans forward.
Allow for suitable clearance between the TV and the ceiling and protruding parts of the wall as shown below.
Unit: mm

To ensure proper ventilation and prevent the collection of dirt or dust:
Do not lay the TV set flat, install upside down, backwards, or sideways.
- Do not place the TV set on a shelf, rug, bed or in a closet.
- Do not cover the TV set with a cloth, such as curtains, or items such as newspapers, etc.
- Do not install the TV set as shown below.
Air circulation is blocked.

Note
- If you intend to route the cables in the wall, make a hole in the wall to insert the cables before beginning the installation.
To prevent pinching the cables, prepare a hole in the wall somewhere outside the perimeter of the Base (20) A,Base Adaptor 1 and Spacer (20) E, Spacer (60) K.
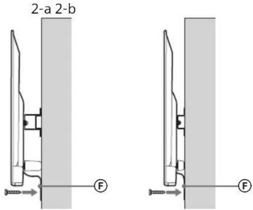
2 Select Wall mounting style. It is selectable as shown below.
2-a Standard mount
2-b Slim mount
Refer to the table of step 1.
WARNING
- When 2-b is selected, rear terminal access is limited.

2-a 2-b
3 Refer to the below table about the Base Adaptor fitting location. In case of selecting 2-b, then skip this step.
| Model Name Hook location | |
| KDL-50WG6□□ | c |
| KDL-43WG6□□ | |

Fit Base Adaptor ① by using Screw (PSW 4x10) ② to Base (20) ④ when selecting 2-a.

4 Decide the positions of the screws for installing the Base (20) A.
Refer to the specifications on page 12. When selecting 2-a, please use the hole positions of Base Adaptor ①
WARNING
The wall that the TV will be mounted on should be able to support a weight of at least four times that of the TV (Refer to your TV's Reference Guide for its weight.).
- Determine the strength of the wall the TV will be mounted on. Reinforce the wall sufficiently, if necessary.
Installing the Base on the wall
- Use four or more screws of 8mm diameter or equivalent (not supplied).
- Fit four screws to the holes of Base Adaptor ① with Base (20) A (2-a only).
Install the Base (20) A on the wall horizontally.

Standard mounting (2-a)

Slim mounting (2-b)
Preparing for the installation of the TV
Refer to the Setup Guide for stand installation.
1 Detach the Table-Top Stand from the TV.

Note
Make sure to place TV on the place where you put a soft cloth on to prevent damaging display's surface.
- When installing the Wall-Mount Bracket, do not use the screws removed from the Table-Top Stand.
- Be sure to store the removed Table-top Stand and its screws in a safe place, keeping them away from children. You will need them if you want to use the TV on a table in the future. The Table-Top Stand cannot be purchased separately.
WARNING
- Be sure the TV is on the vertical position before switching on. TV set must not powered on with LCD panel face down to avoid uneven picture uniformity.
If pressure or shock is applied to the surface of the TV, the TV may break or become damaged. - Lay the TV face down on a stable and level surface with the Table-Top Stand hanging over the edge of the surface. Having the TV face and the base of the Table-Top Stand on the same level surface will create an unstable working condition and can damage the TV.
- When detaching the Table-Top Stand from the TV, hold the Table-Top Stand securely.
2 Attach the Attachment parts for Wall-Mount Bracket. Check the Attachment parts by referring to "Supplied with SU-WL450" in "Checking the parts" on page 5.
Note
- Firmly secure the Attachment parts using screws.
- When using an electric screwdriver, set the torque setting to approximately 1.5 N·m {15 kgf·cm}.
- Be sure to store the used or unused parts in a safe place for future use. Retain this manual for future reference.

Standard mounting (2-a)
Slim mounting (2-b)
Note
- You cannot use some of the terminals on the rear of the TV when using this mounting style.


3 Connect the necessary cable(s) to the TV.
Make sure to connect the cables before installing the TV on the wall. You will be unable to connect the cables when the TV is installed.
Refer to the Reference Guide supplied with your TV.
Note
- Subcontract the cable routing in the wall to a licensed contractor.
- Bundle the connecting cables to prevent stepping on them before wall mounting.
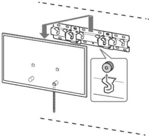
Installing the TV on the wall
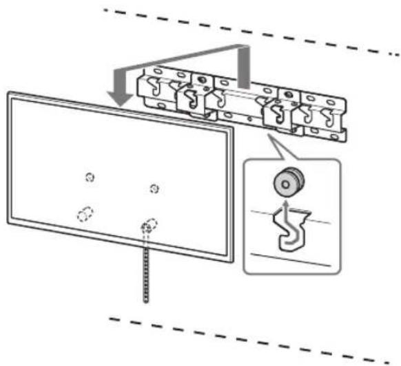
1 Install the TV onto the Base or Base Adaptor.
- For the location of the Pulleys (B) to the hang on the Base or Base Adaptor, refer to the table of step 3 in "Deciding on the installation location" on page 7.
- Gently slide down the TV and hang the Pulleys ⑧ attached to the rear of the TV to the Base or Base Adaptor, making sure to confirm the shape of the holes.
After installing the TV on the wall, confirm the Pulleys are firmly latched into the Base or Base Adaptor. - Release both hands slowly to ensure that the TV does not fall.

Standard mounting (2-a)

Slim mounting (2-b)
WARNING
- Be sure that two or more persons (three or more persons for 75 inches and above TV set) hold the TV when carrying it.

2 Preventing the bottom of the TV from shifting.
Take up the slack of Belt F and attach it to the wall tightly.

2-a 2-b

- Use a 5mm diameter screw or equivalent (not supplied).
Note
Try to pull the bottom of the TV towards yourself slightly, to make sure that it does not move forward. If there is any movement, it is not fixed correctly, and the Belt should be secured firmly again.
Confirming the completion of the installation
Check the following points.
- The Pulleys (B) are firmly hung onto the Base or Base Adaptor.
- The cord and the cable are not twisted or pinched.
- The Belt (F) is tight with no slack.
WARNING
- Improper placement of the mains lead, etc., may cause fire or electric shock through a short circuit. Be sure to confirm the completion of the installation for safety.
Other information
When removing the TV, reverse the previous installation procedure.

WARNING
- Be sure that two or more persons (three or more persons for 75 inches and above TV set) hold the TV when removing it.
Specifications

Dimensions: (Approx.) [mm]
a : 400
b : 300
c:200
d : 100
e:80
f:480
g : 100
h1:20(case2-b)
h2:60(case 2-a)
Weight (base only): (Approx.) [kg]
0.8
Design and specifications are subject to change without notice.
Dimensions: (approx.) [mm]
a:400
b : 300
c:200
d:100
e:80
f:480
g : 100
h1:20 (cas 2-b)
h2:60 (cas 2-a)
Poids (base seule) : (approx.) [kg]
0,8
Dimensoes: (Aprox.) [mm]
a : 400
b : 300
c : 200
d : 100
e:80
f:480
g : 100
h1 : 20 (caso 2-b)
h2:60 (caso 2-a)
Peso (apenas base): (Aprox.) [kg]
0.8
Klargøring for installation
1 Find TV'ets placering.
Rozmery: (pribl.) [mm]
a:400
b : 300
c:200
d : 100
e:80
f:480
g : 100
h1:20(pripad 2-b)
h2:60(pripad2-a)
KbM Tbprobunte Ha Sony
3a MOHTupaHeTo Ha npOdykTa ce
H3NCKBa ONIT. IpOyeTe BHNMaTeJHO
TOBa pBkoBOCTBO, 3a Da N3BbPwHte
6e3oNaCHO MOnTAXHnTE DeHocTN. Sony
He HcO nTROBOPHOCT 3a NOBpeDN IINI
HapaHraBaHH, PNINHEHn OT
HePpABuHa YNtPOBeA INM MoHTax.
PiPeaTe TOBa pBkoBOCTBO Ha
KJIHeTA CNeD MOHTaKa.
Toba pBkoBODCTBO NOKa3Ba npabuHnHn
HauHn 3a pa6Ota c npOyKa n BaxHnTe
npEpa3HaMpeKn, KOIO TpA6Ba Da ce
npEepnEmat 3a da Ce n36BerHaT 3IoOnyKn.
PpoUeTe BnHmATEIHO Toba pBkoBODCTBO n
n3NoJ3BaIte npOyKa npABuHnO, 3ana3eTe
pBkoBODCTBOTo 3a bDeuN cnpaBKn.
IpoDyKTnTe Ha Sony ca npoeKtnpaHn C Mncbl 3a 6e0nacHocCTTa. Ho ako N3noJ3Bate npOdykTA HnpeBaHNO,TOBa MOxKe Da IOBeDe Do cepNo3HO HapAHaBaHe BCNEcTBNe Ha NoXap, eNektpuYeCKn ydAp, NaDAHe NnN 3NPyCKHe Ha npOdykTA. CnaBaJIte MepeKHTe 3a 6e0nacHoc 3a npEDoTbPaTBAVe Ha TaKINbA INUdEHTN.
BHIMAHNE
YToUHBAHe Ha npOdyKTnte
Ta3N KOH3OJa 3a MOHTax Ha CTeHa e
PnoeKtnpHa 3a M3NO3BaHe cMo C
yKa3aHnTE TeJeBn3Opn. BnXte CnpBaOChnTe
pbKOBoDCTBa 3a TeneBn3OpTe, 3a Da
PnoeBnPeTaeMOne Da Ce M3NO3Ba Ta3N
KOH3OJa 3a KaPENBaHe KbM CTeHa.
KbM KJIneHTnte
PPEyPPEKDEHNE
Ako He ce cna3BaT cneHnTe npedn3Hm
Mepkn, ToBA MOKeJa IOBedeIdo
cepno3Ho HapaHbAHe NnCMBpT O
Noxkap, eNeKtpuYeCKn yap nnn NaHahe
Ha npOdykTa.
Bb3IOxKeTe MOHTaKa Ha JIuIeH3npaHn N3NbHnHTeI N dpbXTe DeIaTa HaCTpaHn No BpeMe Ha MOHTaKa.
Ako KOH3OJaTa 3a MOHTaK Ha CTeHa He e MOHTnPaHa NpaBnHIO,MOKe Da Bb3HNKHAT CNeDnHTe HnUdEHTN.YBepeTe Ce,Ye MOHTaKbTcNbBpWbAOTIuCEH3nPaHIN N3NJHInTEJIN.
TeNeB3OpT MoKe Da NaHe N Da npEnBnBaK cepno3Ho HapaHbAe, KaTo KOHTyNIM CYNBaHe.
Ako CTehata,Ha KOIto e MOHTnpaHa KOH3OJIATA 3a MOHTax HA CTeha,e HeCTabunHa,HePABHa INn He e nepneHHKyJnPaHa Ha Noda, KOHCTpyKUInra MoKe Da nadHe i Da npuHn HapaHnBaHe INn NobpeDa Ha mMyueCTBO. CTeHaT Tp6Ba Da e cncoc6Ha da N3dbpxn TeKcct, NOHe qETnpNKpTaHO pBeNnBaAua Ta3n Ha TeNeBn3Opa.(BnxTe CnpaBOHTo pBkOBoCTBO Ha TeneBn3Opa OTHOCHO TerlTO My.)
AkoMOHTaKbTHa KOH3OJaTa 3a MOHTaKa HcTeHa He e IOCTaTbHcO 3dpaB, KOHCTpyKcIraTa MoKe Da NaIHe N da npuHnHa hapaRaBaHe nn NobpeDa Ha NMUYsctBO.
YBepTe ce, ye cTe Bb3IOXnI npemeCTBaHETO nIe MoHTaKa Ha TeJeBN3OpaHa IuueH3npaHn N3NbHNHTeJI.
AkoDpynIuca,OCBENIuceH3npaHNI 13NbIHNTeIN TpaHCnOpTnpaT NIN DeMOHTnPaT TeNEBu3Opa,Toi MOKe da NaHe I Da npuHHn HapAHBaHe NIN NOBPeHa Ha NMUyecTo. YBepeTe ce,Ye DBaMa NNOBee Duyn (TPMn NIN NOBee dywn 3a KOMnKeT TENeBu3Op c pa3mepoT75nHua) npEacarT NIN DEMOHnPaT TeNEBu3Opa.
He cBaJnTe BnHTObe n DpyrN CJeD MOHTaKa Ha TeLeBu3opa.
Ako ro HanpaBnte, TeleBn3OpbT MoKe da naHne H da npuHn HapaHraBe nn NOBpeHa Ha NMyIeCTBO.
He npomehnyte yactnte Ha KOH3OJaTa 3a MOHTaX Ha CTeha.
Ako Ro HapnabITE, KOH3OJATA 3a MOHTax Ha CTeha MoKeJa NaJdHe N da npuynHn HapahBaHe nn NobpeHa HAIMyCECTBO.
He mONTupaTe npyro o6opyDbaHe,ocBeH yKa3aHnI npOdyKT.
Ta3n KOH3OJa 3a MOHTax Ha CTHe a e npoeKtnpHa 3a 3IIOJI3BaHe cMo C yKa3AHn IPOyKT. Ako MOHTnapTe o6OpYBaHe, pa3NmuHO O TYKa3AHOTo, T0 MoKe Da NaHe Nn Da Ce Cyyn N da pnuHn HapAraBaHe Nn NobpeDa Ha mMyuectBO.
He noJaraTe KOH30JaTa 3a MOHTaX Ha CTeHa Ha HnKaKbB Dpyr TOBap,OCBeH Ha To3n Ha TeLeBu3Opa. He KlaTeTe TeLeBu3Opa HaJIyBO/HaIЯCHO, Harope/HaDony.
Ako ro HanpaBnTe, TeneBn3OpBT MoKe Da naDHe N da npuHnH HapaHbAe nn nobpeHa HmMyIecTBO.
He ce oBlaraTe n He ce BnCeTe Ha TeLeBu3Opa.
He ce 0bIraIte Hc yBncBaIeOT TeIeBn3Opa,3aIoTO MoKe da naDHe I da npuHnH cepno3HO hapaHbaHe.
BHIMAHNE
Ako cneHnTe npedna3n MeKpHe ce cna3BaT,MOKe Da Bb3NkHe HapahBaHe nIIOBpeDa Ha mMyuieCTBOTo.
He TpeTnpaIte npOdyKTa c npeKaIeHa cnla no BpeMe Ha noUncTbaHe IINn pOdRpBkKa.
He npinarainpnekanenacnlaBbpxy RopnataaactHaTeleBnOpa.Ak0r Hapabnte,TeLEBNOpBTMOKe da naHede Ha npuHHn HapaHraBe NIO nobpeHa Ha NMuyueCTBO.
PpeHnMepKn
- AkoNbIro BpeMe N3NON3BaTe TeneBn3Op, MOHTINpaH Ha KOH3OJa 3a MOHTaXK Ha cTeHa, cTeHaTataaNII HA Hero MeMoKeJa de oBe3uBeTu NII TanetbTa ce paJenNi, B 3aBMCIMoCT OT MaTepnJaHa cTeHaT.
Ako KOH3OJATA 3a MOHTAX HA CTHeA bIe DCBAHEoTCTEHATA CIED MOHTaKa, IcE OCTAHATOBOPNOTBHTOBETe.
He N3IOJI3BaIte KOH3OJaTa 3a MOHTaK Ha CTHeHa MЯCTO, KbTeTO MoKe JбБdneNoJIOJXeHa MEXAHuNHn B6paUIn.
MOHTAX Ha KOH30Ja 3a MOHTAX Ha CTeHa
KbM TbproBunTe Ha Sony
PNEyPPEKDEHNE
CneHnTe HNCTpyKuIN Ca cAmO 3a TbpROBNTe Ha Sony. PpOeTete MepKte 3a Be3oNaCHocT, OINCAH No-TOpe nOsbPHeTc CNEUAnHO BHIMAHHe Ha Be3oNaCHocCTTa No BpEm HA MOHTXa, NODpBXkTa I NHCNKeLmTA Ha npOyKtA.
He MoHTnpaIte KOH3OJaTa 3a MOHTaJx Ha CTeHa Ha CTeHHN IOBbpxHOCTn, KbDeTo bTlnte NIn CTpaHnTe Ha TeJeBu3Opa Ce N3DaBaT HaCTpaHn OT NOBbpxHOCTTa Ha CTeHaTa.
HEMOHTpApTe KOH3oNaTa 3a MOHTax Ha CTeHa HA CTEHNIOBbpxHOCTn, HANPMep KONOHa,KbTeTO bTnIte NtCTpaHITHe TNeBUN3Opa CE n3DaBaT HAcTpAHn OT NOBbPxHOCTTa HA CTeHaTa.AkO IINCe NIN PpeIMET YdApn INaDeHnBfNl INn CTpaHa Ha TEJIbEN3Opa TOBa MoKeJa pNCHIN HapAHBaHe INN NobpeHa HmUyIecTBO.

He mONTnpaTe TeIeBn3opa NaI NII NOD KINMaTNIK.
Ako TeBn3OpbTe n3NoKe npDfJXnTHe Na TeOBe NnB3NyUH0 TeueHne O TKnMaTNK, TOBA MoKe Ja npEaBnBnKa NoKap, eJeKTPnuCeKn Yuap nn Hn3npaBHOCT Ha TeBn3Opa.
MOnTnpaIte 3dpaBO KOH30JaTa 3a MOHTaK Ha CTeHa KbM CTeHaTa KaTO CJIeDbATE NHCTpyKcNITe B TOBa pBKOBoDCTBO 3a pa6ota.
Ako HKOJ OT BNTOBeCe ce paxna6n nI nn PaHHe, KOH30JaTa 3a MoHTaK Ha CTeHa MOKe Da NaHHe N Da npuHHn HapAHBaHe nN NOBpeHa Ha mUyIeCTBO. N3NoJ3BaTe NOxOJaUN 3a MaTePunAna Ha CTeHaTa BNTOBe IMOTnPauTE KOHCTpyKUnrTA 3dPaBO KaTO m3NON3BaTe YeTIPn NN NOBue BNTa C dAmEtbp 8 mm (nn EKBNAJIeHTH).

Изпольваite правлино ДОCTаВеHnte ВИNTОBE И OKачБаши части КATO СLEДВаTe ИНСТPyКцИnte В TOВа рьКOBODCTBO 3a разота.Ако ИЗПОЛЗВaTe ЗамecтВaши ЕLEMENTTи, ТелевизорьТ може да паднe и дa причини Телесна поврEDA пл дa ce поврedi.
YBepTe ce, ye crIIO6BaTe KOH3OJaTa npaBnHNO KaTO CLEdBATE npoueDypaTa, ONICAHa B TOBa pBKOBOCTBO 3a pa6ota.
Ako HkaoONOT BnHTObTe Ce pa3xna6n nn NaHne, TeneBn3OpBT MoKe Da naHne n da npuChyTneLecha NoBpeDa nn da ce NopeDi.
3aTeHHeTe 3dpaBO BnHTOBeTe B yKa3aHOTO NIOJoxKeHne.
Ako He ro HanpaBnTe, TeteBn3OpbT MoKe da naIaHne I Da npuHn TeneCHa NOBpea nn da Ce NOBpei.
BnmaBte da He yapTe TeJeBn3opa no BpeMe Ha MOtaja.
Ako TeneBn3OpBT 6bDe NpONoXeH Ha yIap, ToT moKeJa daNpHe Ia de CcuyIIN. ToBa MoKeJa doBede Do hapArBaHe.
MOnTnpaIte TeJeBn3Opa Ha CTeHa, KOrTo e nepNeHdNkUyIrpHa n paBaHa.
Ako He HapnabNTe TOBa,TeJIeBUN3OpbT MoKe Da naHne N da npuHHn HapaHbaHe.
Cnei npabunHnmoHTaX Ha TeJeBn3opa,06e3ONaCeTe npabUNHo Ka6eIte.
Ako xopa unn npdeMeTu ce 3aJIeTAT Ba6eJInte, TOBa MoKe Da npuHnH HapaHbAHe unn NobpeDa Ha TeENB3Opa.
He donyckaia Te npTnCKaHe Ha 3axpaHbAunKa6eI nIHa CBbp3BaunKa6eI.
Ako 3axpaHbauNt Ka6eI IIN CbBp3Baunr Ka6eI BbDat npTnCHaTN MeKdy KOHTpyKUInra TcTeHATA IIN AKO 6bDat OByHaTN IIN ycKaHN CbC CuNA, BbTpEHNTE npBOOHNm MOKe Da ce OOrJr N da pNnHr KbCo CbeDInHeHne IIN eEeKTPuecku Ynap. TOBA MOKe Da npNnHn NoXap IIN eEeKTPuecku Ynap.

BnHTOBeTe,Heo6xOdIMN 3a 3aKpenBaHe Ha KOH30JaTa 3a MOHTaX Ha CTeHa KbM CTeHaTa, He Ca BKJIIOUeHN B KOMJIeKTA.
M3noN3BaIteNoDxOJaUNBHTObeCnopeMaTePnAHa HA CTeHAta N KOHCTpyKlIraT, KOrato MOHTnPate KOH3oNaTa 3a MOHTaX HaCTHeA.
Mоntаж Ha TeJIeВиЗopa Ha CTeHaTа
IpoeDypaTa 3a MoHTaK e pa3nUHa cnopei TeJeBn3opa.
Изпольаве КОнЗолаТа 3a 3akpenBaHe КБМ CTeHa SU-WL450, 3a Да моNTираTe TelenBn3opa Ha CteHaT.
3a6eJexkka
Ako nocTabkata 3a Maca e npikpeheHa KbM TeIeBn3opa, npedBaupTeJIHO pa3kaueTe noCTabkata 3a Maca. BxKTe PbKOBOCTBOTO 3a HAcTPOKa N CneDbaIte CTbKNTE B o6paTeH pei, 3a Da CBJIte NoCTabkata 3a Maca.
- NocTaBete TeJebn3opa CekpaHa HaOny Ha paBaHa n CTabnHa NOBbpxHOCT, NOKpNTa C De6ena N MeKa TBkaH, KOraTO 3aKpeNBaTe OKaBaUnte YAcTn 3a KOH3OJaTa 3a 3aKePNBaHe KbM CTeHa UNI KOraTO CBaJIrTe NOCTaBkata 3a Maca OT TeJebn3opa, 3a Da IpeIoTbPaTInTe NOBpeJa Ha NOBbpxHOCTT ha LCD dncnJe.
He nponycKaIe Da cbxpaHTe CbaJIeHTe BnHTObe Ha cnrypHO MRCTO, KaTo Fn Na3NTe OT Deua.
Повтовka 3a мотаяк
CnpaBOUHOTOpbKOBOCTBO npbKOBOCTBOTO 3a HaCTpoiKa Ha TeJIeBn3opa Tp6Ba Da ca NOD pKAppeN 3aIOuBaHe Ha MOHTaxa.
-ПпeдсглобанetoОсичpeTe OTBepTKa Phillips,КоТоOTROВарЯHaбOLTOBete.
- Поберете поожжениTo 3a монтхн на.Tелевизра.
- PnIroTBeTeYeTnpuNIIIOBueB BuHTa C DnAmetbp 8 mm n eINH BnHT C DnAmetbp 5 mm NII IN EKBUNBaJIeHTHn (He ca BKJIIOUeHb B KOMNKeTa). N36peTe BuHTOBe, NOxOJaUN 3a MaTePnaJa Ha CTeHaT.
Поберka на частпт e
DocTaBeHo c SU-WL450
- Поберете дали BCчкн ча налчни.
| A Oснова (20) (1) B | Makapa (2) |
| ◎ PSW 6x20 (4)◎ | PSW 4x20 c Втулka (2) |
| E Дистанционна Втулka (20) (2) | F Колан (1) |
| ◎ Bтулka (20) (M4) (2) | H PSW 4x20 (2) |
| ◎ Aдантета Oснова (2) | J PSW 4x10 (8) |
| ◎Дистанционна Втулka (60) (2) | L PSW 6x50 (2) |
| ◎ Bтулka (M4) (2)◎ | PSW 4x50 (2) |
OnpejeIHe Ha MrcTTo Ha MOHTaK
1 N36epete mactoto Ha MOHTaX.
YBepTe Ce, Ye Ha CTeHa TMa IIOCTaTbUHO MRCTO 3a TeJeBn3Opa NYe TRe cNoCo6Ha Da
N3DbpxKn TeXeCt, NOHe YETnpNKpaTHo INpeBnAbaUa Ta3N Ha TeJeBn3Opa.
BnxTe CneHata Ta6LNa OTHOCHO MONTaKa Ha TeJeBn3Opa Ha CTeHaTa. BxKTe cnpabOuyHOTo
pbKOBOcTBO Ha TeJeBn3Opa OTHOCHO TERlOTO My.

Mepn einnu: mm
4 OnpeJeIeTe MeCTaHa BnHTOBeTe 3a MOHTaX Ha OCHOBata (20) A.
BnKTe cneuNkauNTe Ha cTpaHnca 12.
Korato n36epete 2-a, n3noJ3BaIte cIeHNITE no3nCn Ha OTBOpnte 3a aAnTepa Ha OCHOBaTa ①.
PENyPENKDEHNE
CTeHaT,HaKoTTo 6bJe MOHTnpaH TeIeBn3OpBT, TpRbBa Da MoXe Da NoDlbPxa Ha-MaNko YeTnpi NtTERNOTo MY (BnXTe CnPaBOHOTo PbKOBOcTBO HA TeIeBn3Opa OTHOCHO TERNOTo My.).
- OnpeIeIeTe 3dpabINHATA Ha cTeHATA, Ha KOrTo Ie 6bJe MOHTnpaH TeIeBn3OpbT. Ako e Heo6xoJIMo, ycInTe CteHATA DOCTaTb4HO.
MOHTaK Ha ochoBaTa Ha cTeHaT a
- IV3noJ3BaIte YeTupn IIN NOBuee BnHTa C dNaMeTp8 mm INN eKBnBaJIeHTHn (He ca DoCTaBeH).
3aKpeTe YeTnpTE BnHTa B OTBOpNTe Ha aAnTepa Ha OCHoBaTa ① C OCHoBaTa (20) A (cmo 2-a). - MoHTnpaIte oCHOBaTa (20) A XOpN3OHTaJIHO Ha CTeHaTa.

CTaHdapTeH MoHTaX (2-a)

TeceH MOHTaX (2-b)
ПодгOTOBka 3a MOHTaЖ Ha TeJIeВиЗopa
IpnMOHTaXHaCTOaBnKTe pkoBOcTBOTo 3a HactpoKa.
1 Otkaute NoctabkaTa 3a Maca OT TeJeBn30pa.

3a6eJexkka
- YbepTe ce, ye cTe noCTaBnIn TeneBn3opa Bbpxy MeKa Kbpna, 3a Da npEoTbpaTne nobpeHa NoBbpxHOCTTa Ha DnCnIe.
Korato MOHTnPate KOH30JaTa 3a 3aKpePnBaHe KbM CTeHa, He N3NOJ3BaIte BINTOBTe, CBAJIeH NOT NOCTaBkata 3a Maca.
3ana3eCTBaneHaTIOCTABKa 3a Maca nHeHHTe BnHTObe Ha CNrypHO MRCTo, HAcTpaHn OT Deua. Te Ue BNOTP6BaT, AOKNcKATE Da N3NOJ3BaTe TeneBn3Opa Bbpxy Maca B 6bJeSe. IocTabKaTa 3a Maca He MoKe Da Ce Nopbya OTDeHo.
PNEyNPEKDEHNE
-Ппесдд BA KIIOHHTe TELEBUN3Opa, YBepete ce, Ye Toe BbB BEPTNKaIIHa NO3NcIa. TeLEBUN3OpBT He TpR6Ba Da 6bDe BKIOUChE B 3axpaHbAHeto C LCD nAHeNa, O6bpHAT HADOny, 3a Da CE N36ErHe HEPABHOMePHoCT Ha KapTINHATA.
Ako nobbpxHocTt Ha TeIeBn3opa 6bJe n3IoKeHa HahATnCK Nn yDap,ToJ MoKe Da ce Cchynnn NOBpeN.
-Пложete TeLEBnOpa c LlueTo HAnOly Ha CTaBnHa n paBHa NOBbPxHocT, KaTo NocTaBkata 3a Maca BnCn N3BbN pb6a Ha NOBbPxHocTt. Ako JIneTo Ha TelenBnOpa n OChOBaTa Ha NocTaBkata 3a Maca ca Ha eDHO HnBO, TOBa Ie IOBeDe Do HeCTaBnIHn YcIobnA 3a pa6oTa n MoKe da NOBpeDi TelenBnOpa.
KoratoOTkauate NOCTaKaTAta 3a Maca OTTeJIeBn3Opa, DpbXTe 3dpaBO NOCTaKaTAta 3a Maca.
2ПикpenTe OKaUbaunTe yactn 3a KOH30JaTa 3a 3akpeNBaHe KbM cTeHa. ПрOBepTe yactnte 3a OKaUbaHe, KaTO cpaBHnTe C "OoctaBeHo c SU-WL450" B "PpOBepKa Ha yactnte" Ha cTpaHnua 5.
3a6eJexkka
3akpenete yactnte 3a OKaYBaHe c nOMoTa Ha BnHTOBe.
Korato n3non3Bate eeneKtpnuecka OTBeptKa, 3aadaTe Hactpoikata Ha BbptTmN MOMENT npu6IIN3NTeJHO Ha1,5 N·m {15 kgf·cm}.
3ana3eTe m3no3BaHnTe nn HeN3no3BaHnTe YaCTNa 6e3oNaCHO MRCTO 3a 6bdeu yNoTpe6a.3ana3eToBa pkoBOcTBO 3a 6bdeua cnpabka.

CTaHdapTeH MoHTaX (2-a)
TeceH MOHTAX (2-b)
3a6eJexkka
-ПиTO3N CTIN HA MOHTaK He MoXeTe Da n3nO13BaTe HAKON OT KIeMNTe OT3aD Ha TeNeBn3Opa.


3 CbpxKeTe Heo6xOuMnte Ka6eJI N KbM TeJeBn3opa.
YBepete ce, ye cte Cbbp3aann Ka6eInte npedn da MOHTnpaTe TeJeBN30pa Ha cTeHata. Hma da Moxete da rC CBpKete, cJeKDATO TEJEBN3OpBT e MOHTnpaH. BNXTe cnpabOCHOTo pBKOBOCTBO, DOCTabeHO C Baunr TEJEBN3Op.
3a6eJexkka
Bb3noKTe npokapBaHeto Ha Ka6eHnTE BCTeHa HnueH3npaH n3nBnHTeJ.
Cb6peTe Cbbp3BaunTe Ka6eN, 3a Da He rHnHaTbnTe npeMOnTaKa Ha CTehaT.
Mоntаж Ha TeJIeВиЗopa Ha CTeHaTа
1 MoNTnpaIte TeIeBn3Opa B OCHOBaTa IJIaIaITePa 3a OCHOBaTa.
3a MecToNoJoxHeHneTo Ha MaKapnte ⑧ 3a OKaUBaHe BbpxO OCHOBaTa NnnaAanTepa 3a OCHOBaTa, BnXTe Ta6nIuata B CTbNka 3B "OnpeJeIHe Ha MCTOTO Ha MOHTaX"OT cTpaHnua 7.
BHHMaTeJHO Nl63HeTe HaOJy TeJeBn3Opa n 3aKaueTe MaKapUte B, 3aKpeHn KbM 3aHaTa CtpaHa Ha TeJeBn3Opa, KbM OCHOBaTaN aAnTepa 3a OCHOBaTa, KaTo npOBepuTe oopMaTa Ha OTBOpuTe.
Cne MoNTax Ha TeJeBu3opa npOBepTe daH MaKapITE B ca 3npaBO 3aKaueH NbM OCHOBaTa Hn aDaTepa Ha OCHOBaTa.
BaBHO nCyheTe u DBeTe cn pbc, 3a da CTe CnryphN, Ye TeJeBn3OpbT HMa Da naHe.

CTaHdapTeH MoHTaX (2-a)
TeceH MoHTaX (2-b)

PNEyNPEKDEHNE
- YBepete ce, ye Dbama nnnoBee dywn (Tpma nn noBoeye duyn 3a KOMnneKT TeeneBu3Op cpaMepn OT 75 nHua) dbpxat TeeneBu3Opa, Korato ro Hocnte.

He no3B0JaTe DeTm B36npaTbCra Ha TeNEBu3Op.
XpaHInTe MeKnKe DetaTI N BHe DocraeAemOCT DeTe, Yo6b OHI He MOrNI CNYaHaN NoPrrNoTtB IN.
Iocne MoTaja TeJIeBn3opa He BbIHMaIte BNHTbl N T. D.
B npotnHOM cnyae TeleBn3op MOKET yNaCTb nCTaB nPnHHoN TpBaM nIIN NOBpeJENHmUeCECTBA.
He pa36bpaaiTe n He meHnTe deTaJIn KPOHSTeHa dJa HaCTeHHoY yCTaHOBKn.
B npotmbHOM cnuyae kpohUteH nIa HacteHHO YCTAHOBKIMoKeTynAcTbN CTaTbnpuHHoTpaBMnnnOBpeXekdeHnmyUeCTBA.
He yctaHaBnBaIte Ha KpOnuTeH KaKoe-Jn6o Dpyroe o6OpyObaHne, Kpome yKa3aHHoro.
3ToT KPOHHTeIN DnI HaCTeHHoYcTaHOBKn
npedHa3HaueH dnnncOJIb30BaHnra TOnbKO C
yKa3aHHbIMn 3dEJIaHm. EcIn Ha DaHHom
MOHTaXHom KpOHHTeHne KpeNTcR
obopyoBAHHe, He npedHa3HaueHHoe dnn
TAKo YCTaHOBKn, OHO MOKeYnaCTb NnN
nOLyuHTb NOBpeXdEHnA, a TaKxE MoKeT
CTaB npUHHoT PaBM nIO NobpeXdEHn
mMyEcTBA.
Bo n36exkHe peperpy3KN KPOHSTeHa dIra HAcTeHHoI yCTaHOBKn He yCTaHaBJIbBaIte Ha HeM HnueRo, KpOme TeJeBu3Opa. He Tpcnte TeJeBu3Op BLeBO/BnpaBO,BBepx/ BHn3.
B npotnbHOM cnyae TeIeBn3Op moKet yNaCTb N CTaTb npuHOn TpaBM uNIOBpeKdEHHMMyEcTBA.
He onnpaTecb Ha TeIeBn3Op n He depXHTecb 3a Hero.
He OnnpaTecb Ha TelenBn3Op n He DepeXtncb 3a Hero, TAK KAK OH MOKeT yNaCTb N CTb PnNHHoN NOyueHnnaCepe3hNb TxpAbM.
BHIMAHNE
PnHec6bIeHN CJeDyUOxN MeP npDeTOPOXHOCTN CyueCTByET BepoTHOCb NOpUyeHn TpaBM nIN nobpeXeHn IMUeCTBa.
YXOD 3a Hm Heo6xOIMO OcyuieCTBnTb,He npNKlaIbIBa Qpe3MepHbIX ycJIIN.
He neperpykaTe BepxHIOU qactb
TelenB3Opa.B npOTNBOM Cnyuae
TelenB3Op MOKeT yNactb N CTaTb pNHyHOI
TpaBM INI NOBpeXdEHHM MMyuCeCTBa.
Mepbl npedoctopoXHocTN
EcnTeneBn3Op,ycTaHOBHeHHbHa KPOHHTeHNe DnI HaCTeHHO YCTaHOBKn IN CNOJIb3yeTCB TcEHHe NdITeBHorO BpeMeHnTO B3aBNCmOCTOn OT MaTePnaJa CTehblNo3aDn Hero HnAD HmM MORYt BBILBeCTb CTehblNlNOTCTaTb O60N.
-ПосnéДемOTаЖа КрОнштейнэ ДЯп
Н acteHHOY yCTaHOBKи B CTeH OcTaHyTCr
OTBepCTN.
He nCnoJb3yTe KPOHJTEHN Jnla HAcTeHHOYcTAHOBKN BMeTax C mExAHuYeCKMm BVbpaUaMm.
He yctaHaBnBaIte KPOHHTeH DJI HaCTeHHoY UCTaHOBKN Ha TaKHX CTeHax, rKe Kpa TeneBn3opa 6yDyT BbICTyNaTb 3a Kpa CTehbl.
He yctaHaBnBaIte KPOHtEnH nIa HAcTeHHoYCTaHOBKN Ha TaKNX NOBepxHocTAX CTEN (HaNPIMep, Ha KOLOHnax), rJe Kpaar TEJEBN3Opa 6ydyT BbICTyNaTb 3a Kpaar NOBepXHoCTN CTHebl. 3aDeB 3a BlcTynApUe Kpaar TELEBN3Opa, MOxHO NOLyHTb TpABMy IIN NIOBpeDnTb IMyIeCTBO.

He yctaHaBnBaIte TeIeBn3Op nOd KOHdNcNoHepOM nIi HaI Hm.
EcINB TeYeHne npoDoJnxIeTbHorO npomEeyKa BpeMeHN TeJeBn3Op NOBepExe H03DeECTBnIO KOHeHCata NnN NOtOKa BO3Dyxa N3 KOHNuHOhepa,3TO MoKET CtaTB pNpHuHOH Bo3RopHa TReBeN3Opa,npoJaKeHn 3JIeKTPueCKM TOKOM NnHEcnpaBHOCTN TeJEBn3Opa.
O63aTeIbHo HaDeXHo
PnKpeNITe KPOHHTeH
TnHaCTeHHo
YCTaHOBKn KCTeHe,
CLeDy INHCTpyKcIyM,
PnVBedeHHbIM B
HaCToAeM
pYKOBOdCTBe.
Ecnn kaoon-n6o n3 BnHTOB ocna6neH nnBbIaI, KPOHTeH dIy HAcTeHHOYCTAHOBKn MOKeT yNaCTb N CTaTb npuHHoTbpAMN IN NOBpeJHNEH NMyueCTBa. PnBbIOJIHeH MOnTaXa OB3aTeJIbHONCNOJIb3yTE BnHTb, KOtOpBe COOTBeTCTBYOTMaTePNAcy TcHb, N HaDeKHO YcTAHOBNTycPoINCTBO, NCNOJIb3yHe Me HeMee YeTbIpcBnTHOB 8 MM (nnn aHaONrHyhix).

O6a3aTeIbHo
NcNoIb3yIte
BXoJaUe B KOMnJIeKT
BnHTbI N DeTaJIu DJIa
KpeJIeHnI N CTpOro
CneDuYIte
NHCTpyKzIaM,
PnIBeDeHHbIM B
DaHHOM pYKOBoDCTBe
no yCTaHOBKe. Ecln
PnYCTaHOBKe 6bln
NCIOJb3OBAHbI INHbIE
KpeIeXHbIe
MaTePnaJIbI,
TeJIeBn3Op MoKeT
yNaCTb N NOJyUHTb
NOBpeJxDeHnI NJIu
CTaTb PnUHHoN
TpaBM.
063aTeIbHo
BbIOJHryTe c6Opky
KPOHHTeHa,TOUHO
CJeDyI HCTpyKcIyM,
N3IOXKeHHbIM B
HaCTOJsem pyKOBOdCTBe
No yCTaHOBKe.
Ecnn KaKoi-Jn6o n3 BnHToB ocna6JeH nn BbInan, TeneBn3Op MOKeT yNaCTb NONYuHTb NOBpeXDeHnN nN CTaTb npuHHo nOlyeHn TpaBM.
Haedekho 3aTaNHTe BnHTbIB npedHa3NaueHHbIX JI HNX KpeNexKhbIX OTBepCTnX.
B npoTnBHOM cnUyae, TeJeBn3Op MoXeT yNaCTb NnOlyuNTb NOBpeXdeHmN nI IN CTaTb npuHHoT TpaBM.
CneITe 3a TeM, YTo6bI BO BpeMa yCTaHOBKn TeLeBn3Op He NOdBepraJcR BO3eICTBnIO TOJNUKOB.
TOnyMnMOrY Bb3BaTb naJeHne n nopuy TeEnBn3opa.3To MoKet npNBeCTN K TpaBME.
YCTaHaBnBaIte TeJIeBn3Op Ha CTeHe TOJbKO B TOM Clyuae, ecIn OHa IIOCKaN paCNoJIoXKeHa NOD npAmbIM YrIOM K NOy.
B npotnbom cnyae TeJeBn3Op moKet ynaTb nCTaTb npuHNO TpaBM.
IocneHaJleKaueyCTaHOBKnTeJIeBn3Opa oBeCneYbTe 6e3OpacHoe paCnoJoxKeHne Ka6eJe.
KaBeI npEcdTaBnIOuNe npEnTCTBnI dIy IIOeN nObekTOB, MOrY TcTaB npNHyOH NOyueHn cepe3hBx TpaBM NIN NOBpExdHn TebeN3Opa.
He donyckaite 3aueemJeHna Ka6eJnHTaHnI
coeHHTelbHbIX Ka6eJe.
EcnnKaebnNTaHnNnCoeHNHTbHbN kabeB6ydt3aXaTMeKdyYCTpoCTBOM n CTehoNNnCnIOI N30HYT NN nepekpyeh,TO 130JIaNn BHYTpEHHNX npBOOBMOket bItb HapyeHa, YTO MOKeT CtaB pINuHNO KOPOTKO r 3aMbKaHnNnO6pblBa.3To MOKet Bb3BtB Bo3RopaHHe NnPiPnBEcTN K nopaxhenIO 3NeKTpuCeKNM TKOM.

BnHbI, KpeNpIe KpoHwTeHbI dIra HAcTeHHoY UCTaHOBKn K CTHe,B KOMPJIeKT NocTabKn He BXOJrT.
Pn MoTtaxe KPOHUIteHa IaI HaCTeHHOYCTAHOBKNICNOJIb3yIteBUNTHbIOOTBeTCTBYUcme MaTePnaNy n CTPkYtpeCTHebl.
I3dJIINr DOJXHbI XpAHnTBcB KAPTOHHoH yNakOBKe B TEMHOm CYXOM, YNCTOM xopoIIO BEHTNIpyeMOM NOpMeueHnB YdaJIeHNOT MCT XpaAHeHnKNCLOT nIeNoeJ.TEmepaTypaXpaAHeHn:OT-20C Do+60C.BNaXHoCTb XpaAHeHn:<80%.
He yctaHaBnBaIe TeIeBn3Op Ha NoIKe, KOBpe, KpOBAu Nnn B IkaFy.
HeHaKpbIbAitTe TeneBn3Op TkaHbIO,HaNPmep 3aHaBeCKaMn,a TaKxE Ra3eTaMn N.T.I.
He yctaHaBnBaIe Te TeneBu3Op TaK, KaK noka3aHo Ha pucyHKe Hxke.
Unpkynsna Bo3nyxHa HapyseHa.

PpmeaHne
- Npej yctaHOBKO, ecn npednoIarAETc npolokntb KaBn B cTeHe, TaKke onpeJeITe OTBepCTNr dNra KaBJI IN PocBepNTe OTBepCTne B cTeHe. IJn npedOTbpaueHnna 3aueMJIeHnRA KabeNei NOIroTOBBe TE OTBepCTne B cTeHe B o6NaCTn 3a npedeJamn nepumMeTp a OCHOBAHn (20) A, aanTep ocHOBAHn ① n npokJaKn (20) E, npokJaKn (60) K.
2 BbI6epnte cnooc hacteHHoyn yCTaHOBKn. PacctOraHne ot 3aDHei NaHei TeJeBn3Opa Do CTeHb MoXHo BbI6paTb, KaK POKa3aHO HIXke.
2-a CtaHdapTHoe KpenneHne
2-b KomnakTHa yCTaHOBka
Cm. war 1 B ta6nue.
PNEyUNPEKDEHNE
-Пи Вьборе Рнкta 2-b orpaHnueH DoCTyN K 3aДHM pa3beMaM.

3 PaCnoIooKeHnKpeJIeHn 6a30BOrO aAnTepa cm. B Ta6nue Hnke. Ppi BbIbope nyHKta 2-b npOnyCTnte 3TOT WaI.
Ha3BaHne moJeN IpoJoxKeHne cko6
KDL-50WG6□□
KDL-43WG6□□
C

ПрикpenTe aадаNTep OCHOBAHЯ ① c nOMOUsbIO BnHTa (PSW 4x10) J K OCHOBAHIO (20) A npN BbIbope nyHKTa 2-a.

4 OnpeJeIte MeCTOnOJIOxKeHne BnHTOB IJIy UCTaHOBKn OCHOBaHn (20) A.
Cm. cneuФнkaun Ha ctp. 13.
Pn BbIbOpE nyHKta 2-a nCnoJb3yTe
NoLoXeHnA OTBepCTn aAnTepa
OCHOBaHHN ①.
PNEyNPEKDEHNE
CTeHa,HaKOTOpO6yET yCTaHOBJIeH TeLEBn3Op, DOJIXHa BbIePJKBaTb BC, NpeBbIaHOuIe BEc TELEBn3OpA, NO KpaIHeMpe, B YeTbipe pa3a (YTO6bI y3HaTb BEc TELEBn3OpA, CM. CnpabOuHoe pyKOBOCTBO.).
- OnpeJeIte npOuHocTcTeHbI, Ha KoTOpyIO 6yIeYcTaHOBJIe HTeNEBn3Op. Ipn Heo6xOJIMOCTN yKpeIInTe CTeHy.
YctaHOBka OCHOBaHnHaCTehy
- IVcnoIb3yIte yeIbepe nn 60Jee BnHTOB dnaMetpOM 8 MM nnn aHaIOnuHbIX NM (B KOMnJIeKT NOCTaBKn He BXoJrT).
BCTaBnB YeTbIpe BNHTa B OTBepCTna aanTepa OCHOBaHn ①, npKpeNte ero K OCHOBaHnO (20) A (ToJbKO 2-a). - YctaHOBnTe OCHOBaHne (20) A Tropu3OHTaJIbHO Ha CTeHy.

Ctahapthoe kpenneHne (2-a)

Komnaktha yctahOBka (2-b)
Komnaktha yctaHOBka (2-b)
PpmeaHne
BbHe CMOXeTe NcNoJIb3OBaTb HeKOTOpIe pa3beMbHa 3aJHNe NaHEJI TeJIeBUN3Opa npu daHHOM Tnne yCTaHOBKn.


3 PoiKJIIOUHTe Heo6xOIMbIe Ka6eII K TeJIeBn3OpY.
Ipepe yctahOBKO TeJeBu3Opa Ha cTeHy
6b3aTeNbHO NOKIOUHTe Ka6eN.
Piocne yctahOBKn TeJeBu3Opa
NOKIOUChHe Ka6eJcCTaHET
HeBO3MOXHBIM.
Cm.CnpabOCHoe pyKoBOdCTBO,
Ppnilaraemoe K TeJeBu3Opy.
PpMueaHne
-ПоручITE npoklaДку kaбелВ стеньеониюванOMY NOряДИКУ.
-Пелед Креленем устpoctBaHa CTeHy yIoxKeTe coeINHITeJIbHbIe Ka6eN, YTO6bl ClyuayHo He HAcTyIINrB Ha HIX.
YcTaHOBKa TeJIeBn3Opa HaCTeHy
1 YctaHOBnTe TeJIeBn3Op Ha OCHOBaHne IJn aIanTepe OCHOBaHnJ.
PacnoIoxeHne 8nKuBOB nKpeJIeHnO cHOBaHnU nn aanTepa OCHOBaHn CM.B Ta6nue 7ara 3 B pa3dene "OnpeJeHne MeCTOnoJoxeHn Iy UCTaHOBKn"Ha cTp.8.
OcToPOxHO onyCTnTe TeJeBn3Op n HaBeCbTe uKNBbl B, yCTaHOBJIeHHbIe Ha 3aHHeN naHeI N MOHTOPa, Ha OCHOBaHHe Nnn aDantep OCHOBaHnA, CO6JIouDa FOpMy OTBepCTn.
- Iocne yCTaHOBKn TeJIeBN3Opa Ha CTeHy y6eIInTeCb B TOM, YTO 1KNBbl B HAnExKHO 3aΦIKCnPOBaHbI B OCHOBAHN nn aadantpe OCHOBAHna.
MeIeHNo y6epnte o6e pykn u y6eINTEcb, YTO TeJeBn3Op HaJeXHO VCTaHOBJIeH.

CtaHdapThoe KpenneHne (2-a)
Komnaktha yctahOBka (2-b)

PNEyNPEKDEHNE
- Y6eIntecb, yTO TeNEBn3Op yDepKINBAOT Dba nn 60onee yenobek (Tpn nnn 6oonee yenobek dny TeNEB3Opa c daarohalb6 75 duimOB u 60nbue) npn ernopehoce.

2 PpeIoTbpaueHne CmeueHn HxKHeu actn TeJeBn3opa.
- YctpaHnte cna6nHy JeHTa F n HndexHo npnkpeHnte ero K cTeHe.


- NcnoIb3yIte BnHT dnaMetpom 5 MM nnn erO kBnBaJIeHT (He npNJaraTc).
PpmeaHne
Cnerka NotrHnTe HnKHO Yoacb TeNeBn3Opa Ha ce6y,TO6bI y6eDntBCa, YTO OHa He DnHexTCB Bnepe. EcnECTb He6oJbWOn NIOFT, To TeneBn3Op He 3akpenHe HndJeKaUIM o6pa3OM, a JeHTa F CneDyET 3akpenTb HndExKHee.
- WKNBbI ⑧ HaJExKHO HaBeWeHbI Ha OCHOBaHHe NnN aDanTeP OCHOBaHn.
- Hyp n KaebIb He nepekpyeHb I He 3aueMneHbI.
- JeHtA F HAnExKHO npNkpeHnEh 6e3 Cna6nHbI.
PNEyNPEKDEHNE
- HenpabnIbHoe paonnoXeHne Ka6eI npTaHn I T. d. MoKET PnBecT N K03rOpAHIO INN NopaxHeHIO 3JIeKTPuYeCKM TOKOM B pe3yIbTaTe KOPOTKO r 3aMbKaHn.IJRA oEocneueHn 6e3oNaChOCTn y6eINTEcb B TOM, YTO BCE NYKtbl YCTaHOBKn BbINOJIHeHbl.
Почая Информацья
Pn cHrTn TeIeBn3Opa BbInOnHnTe OINcaHHyO BblSe IpoceDpy B o6paTHo NocJeIOBaTeJIbHOCTN.

BHIMAHNE
Y6eHntecb,TO MOHtOp ydepKnaHOT Dba nnboonee yeNoBek (Tp nnn 60onee yenobek nTne TeneBu3opa c dnaRoHaNbIO 75 kmoMBO 60nbue) npn erO CHaTN.
TexHnueckne xapakTepncTkNk

Pa3mepb:(npn6J.)[MM]
He BnKpyuYTe rBnHTn, Too, nCJMa MOHTyBaHHa TeIeBi3opa.
Kkuo 3poobntu ce, TeneBizop MoKe BnactTa 3aBdaTc Cepno3Hx TpaBM Nn npn3BeCTN Do NnKOJKeHH MaHa.
He 3miHouTe deTaJI KPOHHTeHa dJa HAcTIHHOro KpinJeHHra.
Kkto 3pObTuN Ce, KPOHTeH DnA HACTHNO KpIJIeHN M0Xe Bnactn Ta3aBdATCepo3Hnx TpaBM Yn PnPn3BeCTn Do N0WKOJxEHHaMaHa.
He BCTaHOBJIouTe HiaKnx iHmX npncTpoIB, Kpim 3a3NaueHOro Bnpo6y.
Ley KPOHHTN DIA HACTIHORO KPIINENH
Pn3HaueHO DIA BUKOPCTAHN IINIE 3
3aHaueHIM BNPoBOM.Y BUNADKY
BCTAHOBENHH INHIX PnCtPoB, KpIM
3aHaueHBOHNMOKytBnactuY
3naMaTNA Ta 3aDaTAt CEPNOHx TPABM Y
Pn3BeCTNo NO WKOJKeHH MaHa.
He 3actocobyTe do KpoHtTeHa dJa HactiHoro KpinIeHHn IHI HiBaHTaKeHH, OKpIM TeJIeBi3opa. He po3xITyIte TeJIeBi3Op yIbO/BnpaBO qN Bropy/ BHn3.
Kkuo 3pObntu ce,TeeB1Op MoKe Bnactu Ta 3aBdaTc Cepno3Hux TpaBM YN PnIN3BeCTNu NOIWOKOJKeHHMaHa.
He cnpuaTecna TeleBizop i He yinJaTec3a Hboro.
He cnnpaTecHa TeLeB3Op I He cinnnTeCe 3a HbOro, OCKInbKn BiH MoKe Bnactn Ha Bac Ta 3aBdAn CepNo3HNx TpaBM.
PONEPEJXEHH
KkUo He DToPmYBaTnca HabeDeHnx HNxue 3aTepezxHnx 3axoDb, ue MoKe Jpn3BcTn Do cepno3Hnx TpaBM Yn NnOIOKJKeHHa MaHa.
Pid yac ouuueHna 6o 06cnyrobyBaHHn Bnpo6y He npKnaaTe do Hboro HaMipHOi CNII.
He npknadaTne HaidmipHOi CnN do
BepXhBoJtAHnH TeneB1Opa.JKUo
3pOuNTnCe,TeNEBi3Op MOnE Bnactn Ta
3aBdATn cepNo3nXn TpaBM Nn PnPn3BeCTn Do
noWKoDKxEHMaHa.
3acTepeKHi 3axoDi
KIOTo TeneBIsOp, YCTaHObNeHn Ha KPOHHTeIN DnHa HAcTIHHOro KpInNHeHH, 6yde BnKOpNCTOByBaTnC npOTAROM TpNbAHorO Yacy, 3aEnXHo BiD MaTePiaNy, kIMM BkPuTa CTiHa, NoBepxHr CTiHn 3aTeNEBIsOPm HAD HMM MoKe 3He6apBtUNc a60 BID CTiHn MOKytB BiKnEitncswnanepe.
KpOHNHeHnHaCTINHO KpIeHHN3HnTnNCnTO,AKNOroBNO BCTAHOBHeHO HcTHi,BCTIH3aJIuWbCBA OTBOPuBID WypnIB.
He BnKOpNCTOBYTe KPOHUITeHN DnA HactHHOrO KpInJIeHHB MicX, De BiDyBaTcBcMEXAHUHcBiBpaCaI.
BcTaHOBLeHnKpOnuTeHnA dIHa nactiHHoro KpInJeHHa
IiHcMOHTyBaHHKPOHHTeHa DnHaCTiHOrO KpInJIeHHB NKOpNCTOByTeBnHTN BiINOBiHO Do CTpykTpyn CTHN TaMaTepiAly, kIM BOHA BkPNTa.
36epiraTe BnpoBn B KAPTONHn KopoBcU, y TEMHOmy, CxOMy, NCTOMy npmiuEHHI 3 do6pOo BEHTNnueiEo, OKPemO BiD Micb 36epiraHaHn Kncnot I LyrB. TemnepaTypa 36epirAHn: BiD-20 Do + 60°C. Bonorictb 36epiraHH: <80%.
BctaHOBJIeHHa TeneBi3opa Ha CTiHi
Iopraok yctaHOBHeHHaJIeKHTb BiIM MoJei TeneBi3opa.
Uo6 BCTaHOBtN TeJIeBi3Op Ha CTiHi, BnKOpNCTOByIte KPOHHTeIN DnA HAcTIHHORO KpInJeHHr SU-WL450.
PnpMItka
Jaio do TenebiOpa npKpInnHeHa HactIbHa nItnopa, BID'EDHaiTe II. NociBHK i3 HanaTuBaHH Ta BIKoHnyTe BIDNOBiHi KpOKn B 3BOpOTHomy NopAky, IIO6 BiD'EDHaTn HactIbHy nItnopy.
- Ⅲo6 He noIooKoItn PK-naHJIb niJ vac BCTaHOBHeHH KpINJBnHX eIeMeHTIB KPOHHTeHa JnHa HAcTIHHORO KpINHeHH Abo 3HImaHH HaCTJIbHOI niNOpn, NOKlaIITb TeNeBI3Op ekpaHom DoHN3y Ha pIBHy, CTIKY NOBepXHIO, Ⅲo BKpNTA TOBCTOIO, M'KOIO TKaHHIO.
TpmaIte BnKpyeHrBnHTN B6e3neHOMy, HeOcXKHOMy DnA DTeMicu.
ПиД�ТовkadoBCTaHOBJIeHHa
- IpepeBCTaHOBJIeHHyYBaXH0 O3HaIOMTeCb i3 IOBIHNKOM Ta NociSHNKOM i3 HanaTsyBaHHa TeneBi3opa.
- PpeD 36npaHnM nepekoHaITeC, MoCTe xpectOBy BnKpyTKy, Ka nIXoNDtB Ira rBnHTiB.
- NpepeBipTe NOLOXeHHBCTaHOBJIeHHN TeJIeBi3opa.
PiIroTuYte npHaMHi QOTnpu rBnuHTn diAmEtPOM 8 MM i ODNH rBnuHT diametpom 5 MM a6o eKBiBaJIeHTHI (He BXOJaTb DO KOMNJIeKTy NOCTaHaHH).PiI6epiTb rBnuHTu BiINOBiIDHO DO MaTepiAny, kIM M BkPuta CTiHa.
Ipebeipka deTaJIeN
Noctaeta3SU-WL450
- IpepeBipTe, YN Bci DeTaJI BKJIOUeHo Do KOMnJIeKTy NOCTaHaHH.
| AБаза(20)(1)ВШК | В(2) |
| CГВИNTPSW6x20(4) | DГВИNTPSW4x20i3ВТУЛКОЮ(2) |
| EПрOKладka(20)(2) | FРемиь(1) |
| GВтулka(20)(M4)(2) | HГВИNTPSW4x20(2) |
| IПерек中级6aЗn(2) | JГВИNTPSW4x10(8) |
| KПрOKладka(60)(2) | LГВИNTPSW6x50(2) |
| МВтулka(M4)(2) | NГВИNTPSW4x50(2) |
Bn3haeHHaMiCzBCTaHOBJIeHHa
1 Bn3HaTe Micce BCtahOBHeHHa.
Ipekeohntecra, 0c tHa Mae doCTaTHi po3mipn i B 3MO3i BNTpMaTn Bary, 0oHaHMeHwe B. cytnpu pa3n 6ilbuy 3a Bary TeJIeB3opa.
Даи, Heo6xidi Дя BCTahOBHeHЯ TeleBi3opa Ha CTiHi, MoXHa 3HaIbTn B HabeJeHIn HIXKte Ta6JInci. Bary TeleBi3opa MoXHa 3HaIbTu B DoBIDHNky Do TeleBi3opa.

OduHnUaBmipIOBaHHaMM
He KnaIitb TeneB3Op rOpn3oHTaJIbHo, He BCTaHOBIIOte NOrO HxNHBoO CTOpOHIO DOrOpN, 3aOM Haneped a6o Ha 6ik.
- He CTaTe TeIeBizOp Ha nonu, KINIM, noCtInb a6o Bwafo.
He HApRuBaIte TeJIeBi3Op TkaHnHO (3aHaBicKToTOo) a60 IHuIMN peyAMn, HAnpIKJa r3eTaMn. He BCTaHOBIOIte TeJIeBi3Op TaK Jk NOKa3aHo HIXKYe.
NopyuheNo
üπρκύλις ποῦνίτρ.

PpimItka
A KIO pAnHyETcB npKNaCTn Ka6eni y CTHi, 3pO6iTb OTBIP y CTHI, Uo6 BCTaBNTu Ka6eni nepeI noaTkom YCTaHOBJEHN.
Uo6 3anO6iTn 3atncKaHHIO Ka6eniB, 3pO6iTb OTBIP y CTHI 3a Mekamn nepmMetpa 6a3n (20) A, nepexiDnIK DnIg 6a3n ① Ta npokJaKn (20) E, npokJaKn (60) K.
2 O6epiB cnociB BCTaHOBJIeHnHa CTiHi. Bi6epiB BiIcTaHb Bi3aHbOi NaHeI TeIeBi3Opa Do CTiHN YK NOKa3aHo HIXQye.
2-b ToHke KpInJIeHHa
ДиВ.ТаБлИЦИВКроцI1.
3ACTEPEKEHH
- Y pa3i Bn6bopy 2-b doctyn Do rHi3d Ha 3aHi nHaHeJI 6yJe o6mexeHn.

3 Miche BCTaHOBJIeHnAaIaTepa OCHOBINIBITbcB Ta6NIuI HxKHe. KaIO Bn6paHo 2-b, npOnyctItb uekPok.

ToHke KpInIeHHa (2-b)
Пид�товka дOBCTановленnersTelebi3opa
IIN. NocihNK i3 HanaWtYBaHHa IJI BCTaHOBHeHH nOpN.
1 BiD'eHaIte HaCTiBHy NiDnopy BiD TeLeBi3Opa.

PpMItka
- He nouKoHTn DcNnei, 3actnlb nobepxHIO, Ha kky bdeTe KnaCTn TeneBisOp, mATKOM M'koT tKaHHI.
He BnKOpNCTOByIe npn BCTaHOBNeHHi KPOHHTeHa dIy HactiHHoro KpinneHHra BnHTN, BnKpyHeHi 3 HactiIbHoI niOpn.
TpmaTe 3HrTy HactIbHy nIINpOy Ta BnKpyeHi rBHTN B63NeuHOMy, HeIOcXHOMy dIaTne Micci.BoHI 3HaIObIaTbcBaM, kIOo B MaIbTyBbOMy BN 3axOyTe BCTaHObITN TeNEBI3Op Ha cToJI. HactIbHa nIINopa He npOdaTbcra OkpeMo.
NONEPEDXEHN
-NepeTUMKYBIMKHyTNTeNBeI3Op,BCTaHOBITb Ioro BepTKaJIbHO.1063anO6IITnfoPMyBaHHIO HEPIBHomipHOro 3o6paXeHHn,He BMkaIte TeneBI3Op,pO3taWObAHNI PK-nAHeJIIO DOHN3y.
Bid HATnCKaHH a60 ydapy NOBepxH TelenbiOpa MoKe po3bntnc a60 3aHTn NOnKoJKeHH.
Knaitb Telebiop ekaHOM doH3y Ha pibHy, MiHy nobepxHIO, u6 HactIbHa nIINopa 3BiUyBaIacra yepe3 kpaNOBepxHi. Raio IuBoBa NOBepxHr TelebiOpa NOnopa HactIbHOi NiINOPn 3haxoTbcra Ha ODNHYPiHI, To yMOBuPo6OTn 6ydyTB HeCTa6IbHMn, i MoXJIne NoWKoJKeHHa TelebiOpa.
MiHOTpMaTeHaCTIbHyPiDnopy,BID'EDHyIOUHII BIDTENEBi3Opa.
2 3aФICyIe KpINJIbHi
eIemENTn KPOHHTeHa dIa
HaCTiHHOrO KpInJIeHHra.
IpeBipTe HaABHicTb ycix
KpINJIbHNx eIemEHTIB,
KOpNCTUOuNCb CnNCKOM
«ПocTauaeTbc3 SU-WL450» y
po3dJIi «IpeBipKa DeTaJeN»
Ha cTOp.5.
Ppimtka
HaHIO3aikcyTe KpINnIbHi eJeMeHTn 3a DOnOMOrOIO rBnHTiB.
-Дя eнгкшои BnKpyTKBCTaHOBiTb MometObeptaHHI np6n3Ho 1,5 H·M{15 Krc·cm}.
-ObOB'3KOBO 36epeXitB BnKOpuctaHia 60 HeBnKOpuctaHI KOMNoHEHTN B 6e3neHOMy MiCiHa BUNaIOK, Ako BOH 3HaIOb6IbTbcra B MaHyTHbOMy. 36epeXitb uei NocibHK dNBA BnKOpuctaHHa MaHyTHbOMy.

CtAndapThe KpinneHnra (2-a)
ToHke KpInJIeHHa (2-b)
Ppumitka
- 3a TAKORO BAPIAHTA BCTAHOBHeHBA H He 3MOKeTe BUKOPNCTOBYATN DeKi rHi3Da Ha 3aHnI NaHEni TeNEBi3opa.


3Пдкючыdo telebi3opa Heo6xidiKa6eni.
IpebeipTe NiiknoueHHKa6ebiIB nepeyUcTaHOBHeHHMa TeJeBi3Opa Ha cTIHi. PicnaBCTaHOBHeHHa TeJeBi3Opa 6ydeHEMOxNBO NiKNIouHTu Ka6eni.1NB. OOBiHNK Do TeJeBi3Opa.
Ppimitka
- Dopyitb npoknaaHnKa6eNIB y CTiHi niDpydNky, knn Ma e liueh3io.
3B'jkiTb 3'ENHyBaIbHi Ka6eNi BnyoK,io6 3anobirn nonadaHHIO ix NiD Horn nepeyctaHOBHeHHMa CTHI.
YctaHOBJIeHHa TeneBi3opa Ha CTiHi
1 YctaHOBITb TeIeBi3Op Ha 6a3y a6o nepexiDnK dIy 6a3n.
- ⅢHaTnca po3aWbAHn HaKIB ⑧, 3a kI TeJIeB13Op nIiBiWyEcTBcH Ha 6a3i a6o nepexiHNky dIg 6a3n, iNv. Ta6JnU dIg etany 3 B po3diI I «Bn3HaueHHra Micu BCTaHOBHeHHra» Ha cTOp.7.
-ObepexHo onyctitb Telebi3op Ta nIDbicTe uKIBu 8, npNKpInnHei 33aNy Telebi3opa,Ha bazi a6o nepexiHky dna 6a3n (BOHN NOBHHI BiINOBiDaTu po3Mipam OTBOpIB). - Picna BCTaHOBHeHH TaJIeBi3Opa Ha CTiHi nepekoHaITeCra, 10 WkIBn HADiHNO 3aikcoBaHo B 6a3i a6o B nepexIDHKy dJa 6a3u.
-Повььно BiДиСкай Te TelenВi3Op obompaуКAMU, 06 NepeCbIuHTnCry, 0o BiH He BnaJe.

CtaHdapTHe KpinneHHa (2-a)
ToHke KpInIeHHa (2-b)

3ACTEPEXEHH
Пд ус посясени телевизора мою nobHHI TpIMaTN OToHaMehWe dBOe IIOdei (OToHaMehWe TpoE,якso DiarOHaNb TeelvB3Opa cKaJa75 IIOmIB ab6 6nbwe).

2 3anobirahnra 3miueHHIO HxHbOi yactnHn TeJeBi3opa.
PiBepiB npOBnCy yactnHy peMeHrTa HadiHNO npKpInIty nOro Do CTIN.

BukopucobyTe rBnHT iameTpom 5 MM a6o eKBiBaJIeHTHn (He BXOHTb DO KOMNJIeKTy NOCTaHaHH).
Pnpimtka
Cnpo6yTe NERKO NOTHHTN HXHHO qactHy TeneB30pa Ha ce6e, 106 nepekoHaTcA, 10 BOHa He pyxaCTbca Bnpep. JaKIO TEneB3Op pyxaCTbcra, Ioro 3akpinHe HnppaBnIbHo i Heo6xIDHO ue pa3 HaiiH No 3akpinntpuemih F
Ipebipka nicla 3aBepseHnBCTaHOBJIeHHN
Ipepeipte 3a3Nauehi HnXyne nyHKnT.
- Wkibn B HajiHo BCTabNeHO B 6a3y a6oB nepexiHnk Jn8 6a3n.
- Hyp i ka6eIb He nepekpyeHi He 3aTncHeH.
- Pemihb F MiUHO 3aKpinneHo 6e3 npOBucaHHa.
3ACTEPEKEHH
- Henpabnlbhe po3miueHHH uHypa XNBHeHHH 3miHHOro CTpyMTOOMOXeCTATN npuHHO NOKexi a60 ypaKeHH H eEkeTpHnM CTPyMOM yHacniDOK KopoTko 3AMnKaHH.3 MeTOO 6e3NeKn OOB'3KOBO nepeBipTe BCE nICr 3aBepWeHH BCTaHOBHeHH.
IHHI BiIDOMOCTI
Пд ус 3нимпя Телевизора ДOTрмуТecьВka3aHoi ПpoцEDуРи BCTahOBлeHHЯ Y3BOPOTHOMY NOPRky.

3ACTEPEKEHHJ
PiJac3HIMAHnTeJIeB3OpaNoroNOBHHI TpIMaTNIohAmHeHneDBoEIOJe(UoHaMeHWe TPOe,KIODiarOHaHbTeJIeB3OpaCKnaJaE75IOmMIBa60BInbwe).
Texhihi xapaKtepncnkn

P03mipn: (npu6n.) [MM]
a:400
b : 300
c:200
d:100
e:80
f:480
g : 100
h1:20(BunaDOK2-b)
h2:60(Bunapok2-a)
Bara (Tilbkn 6a3a): (npn6J.) [Kr]
0,8
KoHCTpykui Ta texHiXapaKTepnTKMOKyTb 6yTN 3MiHeHi 6e3 nonepeJKeHH.

Ohuke paigaldus (2-b)
Ohuke paigaldus (2-b)
Markus.
Ohuke paigaldus (2-b)

HOIATUS
Mass (ainult alus): (umbes) [kg]
0.8
h1:20 (2-b variants)
KypbIINfbIHbTa3aJay He OraH KYTIM Xacay Ke3iHde KaTbI KYW CaImHaB13.
Teneiapdbh korapb beneriH kattbkyu mamahbi. Erep coaI cTeHTIN 60ncabhi, Teneiapbp Knyalb Hemece Myniktih 3aKbIMDaHybl MYMkiH.
AldbH any shaapanapbl
Ka6biprafa 6eKty KpOnHteHiHe opHbIInaTneIeNIdapdbI y3ak YakBt 60bl NaIaIaNcHbI3, Ka6bIpaHbIH MaTePnIbHa 6aJIaNbHcTbI TeNepiAp aTbHdAbe He yctHderI TycErepyI MeMece Tyckara3dbI H TYCI KEty MymIKH.
Ka6bprara 6kty kpoohuetaHH opHaTkaHHaH KeiHa KaIaTa aCaHa3, Ka6bprada 6ypaHa cBaHaIaynapbla Kaala.
Kabipara 6kity kpoHtTeHH
mexankanbTep6eic acep eTeIH opbHa
naiDanaHaB13.
Ka6biprafa 6ekity kpoHwTeHH opHaTy
6ypbIHTapbI He KanTaJIbI Ka6bIpra 6eTIHeH WbIFbIN TypaTbIH OpbIHApFa opHaTnaHbI3.
Ka6biprafa 6ekity KPOHtTeHHin TepeiAapdbH bpybiTApbl He KaTaNbl Ka6bipra 6etihen Wbbltn Typatbn GaraH cekindiOpBnIaPFA opHaTNaHb.4Am Hemece 6acka 3at TeneiIapdbH WbblIn TyfAH bpybiHbHa He KAanIbHa COKca,On XkapatanyhHe Mece MyNk 3akBMdAnhybl MYMKH.

TeJeIaApbIH caIKbIHDaTkbIHTbIH yCTHe He actbHa opHaTnAb3.
Teenapra cankbnDaTkbuTah yakbIt 60bi cy tamblnapbAp kca He cankbn ay a cokca, onepke, TOK coryfa Hemece TeenapabH Dpybc XyMbic icTeMeyih Ekenyi MymkH.
Ka6biprara 6ekity KPOHHTeHHIOB1 NaIaIaNHy HcayNbIFbIHcY OTBIPbIMMbIKTan 6ekITiHi3.
Bypanapabih6piKofanbinHeTycin Kanran
bonca,kaibprafabeKity KpontheiKynan,
kapaatkaHemece MyNIIT3akIMdahyibaHa
ekenyIyMmIK.H.KabipraHbMaTePnAhlBa
cainbypanapabi naDanaHb13Kehe
DnAmetpi8MM(HemeceYKcac)60natbH Tep
HeOaHdaKaenBypanapabndnaDanaHa
OTbIPbnKpyanDbMbTKanBeKtiH3.

BepinreH 6ypaHdaIap
meh 6ekity
6eIweKTePin OcbI
HyckayNbIKTaftbI
HyckaynapFa cyneHe
OTbIPbIN dypbc
naindaHaHbIHbI3.
KocankbI 3JeMeHTTepdi
naindaHaHcaHbI3,
TepeiHap Kynan,
6ipeyre Dehe
XapaKaTbIH canybl
Hemce TeJeHdapbl
3aKbIMDaaybl MymkiH.
HcyaynbkTa 6epiReh npoceDypanapra cyneHe OTbIPBn KPOHwTeHdi DypbICTa
KypactbipbIHbl3.
Bypanapapb6pi jkorfanca Hemece Tycin
Kanfah Bonca, Teneinap Kynan, Bipeyre
DeHe JkapakatbH canyib Hemece
Tepeiadapdb3akbIMdayby MyMKH.
Бураздалар корсетин reн opьдamaMbiktan6ekitinyi kepek.
OcbnaiopbHdalmaca,TepeuapKylan, 6ipeye dehe kapaKaTabh canybHemece TepeuadpaB3akmbday MykH.
OpHaTy Ke3iHdTeNeIaDapbI COfbIn aImaHbI3.
Teneiapdbcofbin ancaHb3, on knyaybI Hemece cbHybMyMkiH. ByaH xapaKaT anybHbM MyKhi.
TeJeIaIapbI Ka6bIprA MeH eDeHRe nepEnHKyIrp 6oNaTbIHdai etin opHaTy KepeK.
Erep conai 6oImaca, Teneiupap KnyaybI Hemece xapaKaT anyBIsMMyKIn.
Tepeiap dypbic opHaTbIraHHaH KeiH Ka6eJIbepdi Aypbc 6ekITiHi3.
Aamap HeMece 6acka 3attap KaebIre opanatbH 6onca, xapaKaTka He TeneiNapDbH 3akBIMdAhybHa eKeyi MymKiH.
AinHbIMaJIbI TOK cbIMbl HeMece Kocy Ka6eni KbICbIJbIN KaImaybl KepeK.
Ainbimab Tok cbmbi Hemece Kocy ka6eni
KpaJI MeH Ka6bipra apacBHa KaCbIbn
KaIcA, MaBICaH Hemece KyuTEN opaIraH
Bonca, Iki KaBITTaBHTap 3AkIMDaHIn,
KbIcKa TYbIKaTnyra Hemece 3NeKTP Ke3IHH
y3inyHe ce6en 6onyb MyMkh. ByeptTih
nai Da bonyha Hemece Tok coryr Akenyi
MyMKH.

KpoHwTeHdi Ka6bipfara 6ekityre kaxeTTI 6ypaHaJap 6epiImereH.
Ka6bipfara 6eKity KPOHHTeHH 6eKITy Ke3IHKe Ka6bipraHH MaTepnaJIbMeH KpyblmbHa caBypaHdaanapDb naDaanahbHb3.
TeJeIaIapIbI Ka6bIpFaFa opHaTy
TeeneiapdbH Typhe 6aHaNbICTbI opHaTy npoueypacbi e3rewe 60ana.
TД-ды ka6biprafa opnaty ywiH SU-WL450 Ka6biprafa opHaTaTBiH KPOHwTeHiH NaДананьИЗ.
HycKay
YCTEN TYfblpI T-FA 6eKITInce, YCTEN TYfblpIH anDbIH ana axkbpatbHb3. OPhATy HcaynblbHIN Kapan, yCTEN yCTI TiperIH WcWy KaamdapbH IN KePI petneH opBHaHb3.
CKD nncnnei 6etinH 3aKbIMdaNyib H 60ndbp May yuH Kabiprafopa hataTbH kpoHHTeHi Tipkey 6enweKeTpH 6ekemdey Hemece Td-dan Ycten TybipH anbn Tactay Ke3iHde Td 3kpaBH TeMeH KapaBH KaBn JxymCaK WBepeken HxaBbIFAH Teric, TypaKb 6etke KoBbHbI3.
AnbHrah 6paHdapanapdb6anaanapda anbc, kayinciOpbHfKaonbiHb3.
Ophatyfa daibihdbik
OpHaTy aIbIHJa TД aHbIKTaMaJIbIK HcayIbIFbIH XHe opHaTy HcKayIbIFbIH aIbIHbI3.
Kypactbipmac 6ypbH 6paHda napra cai Keletin Phillips 6ypaybiu 6onyiKepek.
Teeneiap6ekitietinopbIHbIaHbIKTaHbI3.
Диametpi 8 MM 60JIaTH TeP HEme OdaH da KeI 6ypaHaJa XHe 5 MM-Nik HEme YKcac (6epiImereH) 6ypaHa DaIbIHdHaI3. Ka6bIpraHaBH MaTepnaIbHa caI KeJeTIn 6ypaHaIapDbI TaHaHbI3.
БошекердTekcepy
SU-WL450 KypbIrfbcIMeh 6epinei
- Bapnbik 6eJWeKTePdiH 6ap eKeHdiH TeKcepiH3.
| A Heri3 (20) (1) B Terepiik (2) | |
| ◎ PSW 6x20 (4)◎ TblfbiH PSW 4x20 (2) | |
| ◎ ApaIbIK (20) (2)◎Белдik (1) | |
| ◎ TblfbiH (20) (M4) (2) | ◎ H PSW 4x20 (2) |
| ◎ Heri3ri ādantep (2) | ◎ J PSW 4x10 (8) |
| ◎ ApaIbIK (60) (2) L | PSW 6x50 (2) |
| ◎ TblfbiH (M4) (2) N | PSW 4x50 (2) |
OphatbIaTbIH opbIHdbi aHbIKtay
1 OphatbIaTbIH opbIHdbI aHbIKTaHbI3.
Ka6bipraTД yuH xetKiniKti opbH 6ap ekeHH xHe TД-ын KeMHde TeP Tce aybipnbfbIH KTepe aIaNtBuHdaFaH TeKcepH3.
Teeneiapbki Ka6bpifa opHaty Typanbl KeNeci Kcctehi kapaHbI3. TeeneiapdbIH canMaBih TeKcepy yuih TeeneiapdbIH AhtkTaMaJIbIK Hcckay 6JIIMIH kapaHbI3.

Kypan:MM
| Ynlri hemipi | Зкран салем dipei | Зкран opтасын cIeшемi | Орнату узbingíbli | |
| a | b | c | d | |
| Стондартыbli opнату | ||||
| KDL-50WG6□□ | 1130 660 21 358 130 88 | |||
| KDL-43WG6□□ | 974 572 54 346 130 88 | |||
HycKay
KecTeeri DepekTepeOpHaTyfa 6aIJaHaHbIcTbI a3dAn e3reWeJeHyi MymKiH.
- TД Кабьрага оратыногда TД когаргь 6eNiiri a3an anfa eHkeeji.
Tepeiap MeH Te6e XHe Ka6bipFaHbIH WbIFbIKbI 6eNikTepi apacbIHda TEmHe KepcetinreHde aWbIK opbIH KaJIdbIHbI3.
Kypan:MM

Tnicti kengdety khe Kip MeH WAnHHK HnHaNbyH 6oNdbIpMAY yuH:
- TД-ды Калларын КйmaHbI3, XKorapfbl KafBnH Temen Kapai, apTKa KapaTbIn Hemece KbIpbIMeH opHaTnaHbI3.
TД-дblcepere,kiemre,TeceKKe Hemece uKaΦKa KOIMaHbI3.
TД-ды nepденер сяктшубepkeн HeMece ra3etTeP T.6.CNkTbI 3JIeMeHTTepeMn KaHNaHbI. - TД-ды тemeнда Керсетлг end opHaTnabI3.
Aya aHnblmb6IOKtaJfHaH.

Hyckay
Ka6enbepi Ka6bipra iWine canBH 60ncabH3, opHaTnac 6pybIH Ka6enb caBHaTbIH Ka6bipraHbI Tecin anybHb3 KepeK. Ka6enbep KbcblIN KaMnac yuiH Heri3 (20) A, Heri3ri aanTep 1 MeH apaNbIK (20) E, apaNbIK (60) K nepimetpiHn TBc Ka6bipraaH caBilay daBihDaHb3.
2 Ka6bipfara opnaty ctnin TaHdaHbI3. TeJeiHaapdbIH apTKbI XaftMeH Ka6bipra apakaawbIKtbIfbIH ToMeHde KepcetTInreHdEe TaHdaYFa 6oNaDbpeTTeJIeI.
2-a CtaHdapTTbI opHaTy
2-b KaKbIH opHaTy
1-Kaam KecTecIHe KaapAh3.
ECKEPTY
-2-b TaHdaIraH Ke3e, ApTKbI TepMHaIFa KaTbIHac WKeTeyJI 60aIbl.


3 Heri3ri aanTepdi 6eKity opHbI TypaJIbI TeMeHderi KeCTeDeH KapaHbI3.2-b TaHaJraH XaFdaNda, OcbI KaJaMdbI eTKi3in Xi6epiHi3.
| Y NFLI HEMIPI IIMEK OPHBI |
| KDL-50WG6□□C KDL-43WG6□□ |

AanTop ① Heri3iH (PSW 4x10)
② BypaHdaIapbImeH 2-a
TaHdaIraH Ke3de (20) A Heri3iHe
6ekity.

4 Heri3di (20) A opHaTu ywiH 6ypaHdaJapdbIH opHbIH aHbIKTaHbI3.
12-6eTTeri CnnaTamaJapbI KapaHbI3. 2-a TaHaanFaH Ke3De, ① AanTop Heri3iHIn Tecik OphIn naJaHaHbHbI3.
ECKEPTY
TeIeIeIeIap opHaTbIaTbIH Ka6bIpa TeIeIeIeIap canMaftbHAn TePte cE aybip CAnCaKbTI KeTepe AnybI Tnic (CanMaftbHn Tekcepy yWIn TeIeIeIeIapDbH AnbIKtAmabIK Hcckay 6enimH KapaHbI3.).
TeJeIaIap 6ekITinTIN Ka6bIPraHbIH 6epiKTIirn aHbIKTaHbI3. KaKeT 6oJcA, Ka6bIPraHbI JKeTKJIikTi Typde KyweiTIn3.
Ka6bipfara TyfbipdbI opHaTy
-Диametpi 8 MM 60nataBH He yKcac Tept Hemece OdaH da KEN 6ypaHdaHbI naaanaHbH3 (6epinmereH).
① AanTopbHbH Heri3iHe TepT 6paHdaJapbl (20) A Heri3imEn 6ekitii3 (Tek 2-a).
Herizdi (20) Ka6bipfara KeJdeHeH etin opHaTbIHb3.

CTaHdapTbI opHaTy (2-a)

XaKbIH opHaTy (2-b)
TeJeIaIopHaTyFa daIbIHday
Tipek opHaTy HxckaynbIfbIH KapaHbI3.
1 TeIeIaIapHaN YcTeI Tyfblpbln aIbIbI3.

HycKay
-ⅡnncneinH6eTIN3akbIMdAmay yuHIn TeJeNndapdbI KymcaK uSybepeK TeceJIreH Xepre KoBbHb3.
Ka6bprafa opHaTaTBn KpOHTeHdi opHAty Ke3iHne, YcTeN TyfblbIH anbIHraH 6ypaHdAnapDbI naDanaHbHbI3.
AInbHraN YcTeN TyfbipBn XaHe ObHb 6paHaJaapdbH banaIapDbN KObn JKeTneTIN, Kayinc3 Kepde caKaTaHb3. TepeNdapBb Kein H yCtene naDanaHfbHb3 Keince, onap KepeK 6oNaDb. YcTeN TyfbipBn 6eNEk catbN anyFa 6oMaNbbl.
ECKEPTY
TeJeIaPbIKocapbIH aIbIHda OHbIH TIK opHaIackaHbIH TeKcepiH. CypTIN 6ipKeNikim EmeC TypaTbIbIFbIH aIbIH any yuiH TeJeIaPbIH cyBik KpIcTaJIbIK dncnnei TaKtacbIHbH 6et TEMeH kapan KOCblmaybl KaKeT.
ErepTepeDapdbHbETHeKbcIMHeMececoKbI TYcC,TepeDap6y3bIybi HeMece 3aKbIMaIybi MYMKIH.
TeJeIaapBb6eTTHweTInHeTyPraH YcTe TylbipbI 6apKaTbJxHe T3yXepre6eTI TeMeH KapaTbIN KOiHbI3.TeJeIaapDbH6eTI MeH YcTe TLbipbIHbIH 6aacb6ipdeN deHRe6eTInHe BoJca,TypakcbI 6ymbic Kyin Xacn,TeJeIaapDb3aKbIMdaybl MmkiH.
- YcTeN TyfblpH IN TeneINapdaH anraH Ke3e, YcTeN TyfblpH MblKTan YCTaHbI3.
2 Ka6bipfara opHaTaTbIn KpoHtTeH ywiH Tipkey 6eIweKTePiN TIPKeHi3. 5-6eTTeri «BolweKTePdi TekcepY» 6eImiHderi «SU-WL450 KpypbIJIbICbIMeH 6epinei» TapMaftbH Kapay apKbIbMoHTaXday 6eIweKTePiN TekcepHi3.
Hycay
-BekiTy 6eIweKTePiH 6ypaHdAnap apkblbMbKTan 6ekitH3.
3NeKtp6pyaybIHTaNaIaHaHfAHa,aiHaJy 15KcCmOPHaTbHb3.
- NaIaHaHbIraH HeMeCe naIaHaHbIMarH 6oIweKTepeAnDarbKOJaHbcYiwH Kayinc3 opBHa KaTaNFaHbIH TeKcepiH3. Byn HcaybIKTbI 6oNaWakKa KaPay yiwH cKaTaHbI3.

CTaHdapTTbI opHaTy (2-a)
XaKbIH opHaTy (2-b)
Hycay
OcbI opHaty CTINIH naIaIaNHy Ke3InDe TД-nyIh apTKbIXaRbIHdaFbI KeB6ip TepMNHaIapDbI naIaNAnHy MymkiHemec.


3 KaKeTTi Ka6eIbI (ka6eIbIepI) TeJeIaIapra Kajray.
Teneiapbl ka6bipfara opHaTnac 6ypbH Ka6eIbdepin H KaIraHraHbIH TeKcepH3. Teeneiapbl opHaTKaHHaH KeiH Ka6eIbdepi KaNlay MymKiH 6oMaJbI. Teeneiapmen 6epineTiH AnbIKtamaJIbK HyCKay 6enIMH KapaH3.
Hyckay
KaebIbI Ka6bIpaI iImeH Kypri3y KymblcTapBH IInueH3nrcbI 6ap Mepdirep Xacaybl Kepek.
Ka6eBnepdi Ka6bIpara 6ekiTnc 6ypbH onapdbi 6acbin KeTne yuih kanaHaTaBH Ka6eBnepdi XHHaHbI3.
Ka6bipfara TeJeiIapIbI opHaTy
1 TepeiapIHeri3re Hemece Heri3 aanTepiHe opHaTbIbI3.
Herizderi Hemece Heriz aanterepihderi imMeKteri TerepukTep 8 opHbH 7-6eTteri «OpHaTbInaTbIH opbIHbI aHbIKay» iHderi 3-Kaam keCTeciHeh KapaHbI3.
- TeleДIapDbI aKbIPbIH TEmeH cbIPfblIN, TeLEIaP apTbHa TipKeIreH terepwikTepei B Heri3re Hemece Heri3 anaTepine iin, caHbIaynap NiwiHIn paCTaHbI3.
TД-ды ka6bIpfara opHaTKaHHan KeiH terepwikTeP ⑧ Herizre Hemece Herizri adanTepre 6ekem iinHreHirih TeKcepiny3.
TepeiapdbHkyIamaaTbIHbHaKe3 KETki3y yuH eki KOJIbIHbI3dbl 6aay 6ocatbHbI3.

CTaHdapTbI opHaTy (2-a)
KaKbIH opHaTy (2-b)

ECKEPTY
TeJeIaIapbI TacImaIay KeiHne eKHe Hemece OaH KEN aAM (75IOHMdi XeHE OaH YNKeH TeJeIaIap XHaFbI yuH YuH Hemece OaH KEN aAM) YCTaFaHBiH TEKcepH3.

2 Tepeiapdbin TemeHri 6eniriHxblkbln KeTyIH 6oIbIpMay.
- Bennikti F anbIn, OHbl Ka6bIpfara MblTan 6ekitiH3.


-Диametpi 5 MM 60nataBH Hemece YKcac 6ypaHdaHbI naiDanaHaBHy3 (6epiImereH).
Hyckay
TeIeIaapbH anFa Kapai KblkbimAaTbHbH TeKcepy yuiH TeneIaapdbH TEmehri 6enirih e3iH3re Kapai akbpH TaTpBn KePiJ3. KblknTbH 6onca, Dypic 6ekitIMereh 6onraHbXhe 6enlkiT F KaTa 6ekitIH3.
OpHaTydbIH aKaTaNfAHDbIFbIH Tekcepy
Kenecinepei TekepiHiz.
TerepuikTepeHemerceHerizirandepre aantepihe bekem iniHdi.
- CbIM MeH Ka6eNb opaImaFaH Hemece KbICbIImaHaH.
- BeNDiK (F) MbykTan 6ekitijreH.
ECKEPTY
AinbImaIbTOKcbIMbIHHEMeC T.6.KateOpHaJIacBykBICKaTybIKaTYCaIaDapbIHAnepTTiHnaJaDa6OlybHAhemeCE TOKcofYKayniHeKeJyIMykH.OPhATyKMybICTapbIH Kayinc3dk TaIaNTapbHa caOpbHdaFaHbHa K3XeTK3H3.
Backa aknapaT
TeneiapbI anfah Ke3e anbHfI opHaTy npoeDypacbIH KepicHwe opbIHaHbI3.

ECKEPTY
TeIeIaIapbIweuYKe3Hde eKHeMeceOaHKeN aam (75IOHMdiXaHe OaH yInKeTeneIaIap XnHaBbI yWIn Yw Hemece OaH KeN aAM) YCTaFaHBH TeKcepiJ3.
TexHnKaJIbIK cHnTaTamaJapbl

In oio 1- yy nn npnnn nn nny Sony ,nnna nn by
.7nynnnnn nn ybnn .Sony 0v oovn
Sony
y
yNn nn nnn nn nn nn nn nn nn nn nn nn nn nn nn nn nn nn nn nn nn nn nn nn nn nn nn nn nn nn nn nn nn nn nn nn nn nn nn nn nn nn nn nn nn nn nn nn nn nn nn nn nn nn nn nn nn nn nn nn nn nn nn nn nn nn nn nn nn nn nn nn nn nn nn nn nn nn nn nn nn nn nn nn nn nn nn nn nn nn nn nn nn nn nn nn nn nn nn nn nn nn nn.
,yn by npnnn nn n npnnn nn n nn y y ,n npnnn nn o .n n nn n nn n nn n nn n nn
nni nni nn nnnn nn nnnnnnnnnnnnnnnnnnnnnnnnnnnnnnnnnnnnnnnnnnnnnnnnnnnnnnnnnnnnnnnnnnnnnnnnnnnnnnnnnnnnnnnnnnnnnnnnnnnnnnnnnnnnnnnnnnnnnnnnnnnnnnnnnnnnnnnnnnnnnnnnn
ybynnn,ynynn
IN nnnn nn nn
ynnn nn nnnn by ynnn
#
Dn nn nn nn nn nn nn nn nn nn nn nn nn nn nn nn nn nn nn nn nn nn nn nn nn nn nn nn nn nn nn nn nn nn nn nn nn nn nn nn nn nn nn nn nn nn nn nn nn nn nn nn nn nn nn nn nn nn nn nn nn nn nn nn nn nn nn nn nn nn nn nn nn nn nn nn nn nn nn nn nn nn nn nn nn nn nn nn nn nn nn
n nn nn nn nn nn n nn nn nn nn nn nn nn nn nn nn nn nn nn nn nn nn nn nn nn nn nn nn nn nn nn nn nn nn nn nn nn nn nn nn nn nn nn nn nn nn nn nn nn nn nn nn nn nn nn nn nn nn nn nn nn nn nn nn nn nn nn nn nn nn nn nn nn nn nn nn nn nn nn nn nn nn nn nn nn nn nn nn nn nn nn nn nn nn nn nn nn nn nn nn nn nn nn nn nn nn
yyn pnn by nno nyon bnbynwn,nyon on.ynbn ypninnyo
177
DINNNN NNNN BYNPN INN NNNN NNNN NNNN NNNN NNNN NNNN
ybn npnnv topn
07712 0316 7-5y 13107777777 .
IN pnn nnnn nn nnnn nn nnnnnn nn nnnnnn nn nnnnnn nn nnnnnn nn nnnnnn nn nnnnnn nn nnnnnn nn nnnnnn nn nnnnnn nn nnnnnn nn nnnnnn nn nnnnnn nn nnnnnn nn nnnnnn nn nnnnnn nn nnnnnn nn nnnnnn nn nnnnnn nn nnnnnn nn nnnnnn nn nannnnn nn nannnnn nn nannnnn nn nannnnn nn nannnnn nn nannnnn nn nannnnn nn nannnnn nn nannnnn nn nannnnn nn nannnnn nn nannnnn nn nannnnn nn nannnnn nn nannnnn nn nannnnn nn nannnnn nn
n
n nn n nn nn nn nn nn nn nn nn nn nn nn nn nn nn nn nn nn nn nn nn nn nn nn nn nn nn nn nn nn nn nn nn nn nn nn nn nn nn nn nn nn nn nn nn nn nn nn nn nn nn nn nn nn nn nn nn nn nn nn nn nn nn nn nn nn nn nn nn nn nn nn nn nn nn nn nn nn nn nn nn nn nn nn nn nn nn nn nn nn nn nn nn nn nn nn nn nn nn nn nn
y nynnnn nn np 1
y 107
10000000000000000000000000000000000000000000
NNN 107
yhy nybn,nyyn ON
yyn
yhy npn nyn on
7777777777777
ybn by pwn yynn np nnn nnynnnnnnnnnnnnnnnnnnnnnnnnnnnnnnnnnnnnnnnnnnnnnnnnnnnnnnnnnnnnnnnnnnnnnnnnnnnnnnnnnnnnnnnnnnnnnnnnnnnnnnnnnnnnnnnnnnnnnnnnnnn
mno 2y
y
mmppb
yipnnn npnnn npn n nn npnnn npnnn npnnn npnnn npnnn npnnn npnnn npnnn npnnn npnnn npnnn npnnn npnnn npnnn npnnn npnnn npnnn npnnn npnnn npnnn npnnn npnnn npnnn npnnn npnnn npnnn npnnn npnnn npnnn npnnn npnnn npnnn npnnn npnnn
Sony
y 1000000000000000000000000000000000000000000000000000000000000000000000
ynnn nn nnnn nn nnnn
nnn nnnnnnnnnnnnnnnnnnnnnnnnnnnnnnnnnnnnnnnnnnnnnnnnnnnnnnnnnnnnnnnnnnnnnnnnnnnnnnnnnnnnnnnnnnnnnnnnnnnnnnnnnnnnnnnnnnnnnnnnnnnnnnn
in nnnn nn nnnn nn nnnn
NNPnnpn TINNp bynnn.
ybnbynnbnynnynn
Vnnn nn nN 107 p7n,
,
IN nn an 7vnnnN .
Onnn nn nnnn nn nnnn nn nnnn nn nnnn nn nnnn nn nnnn nn nnnn nn nnnn nn nnnn nn nnnn nn nnnn nn nnnn nn nnnn nn nnnn nn nnnn nn nnnn nn nnnn nn nnnn nn nnnn nn nnnn nn nnnn nn nnnn nn nnnn nn nnnn nn nnnn nn

yipn 10
ywnn nnynnnn nn nnnn
nyn by np nnnn npnnn 2y in nnnn nn ynnn nnnn npny .npn noo oohn noon nno nno n no n no n no n no n no n no n no n no

n nn nnn nn
IN OINNINNNN NINNNN INNNN INNNNNN INNNNNN
NNnnnnn nn nnnnnnnnnnnnnnnnnnnnnnnnnnnnnnnnnnnnnnnnnnnnnnnnnnnnnnnnnnnnnnnnnnnnnnnnnnnnnnnnnnnnnnnnnnnnnnnnnnnnnnnnnnnnnnn
nna, n 1000000000000000000000000000000000000000000000000000000000000000000000

ywnynn 10
nnnynn 0p000
nbnn nn nnn
n. nnnn nn
pnnnn nn
nnnnn, npnnn
nnnnn nn
pinnnnn nn
#
SU-WL450
yyn-yynnn np
.
.0xnnn nn nnnnnnnnnnnnnnnnnnnnnnnnnnnnnnnnnnnnnnnnnnnnnnnnnnnnnnnnnnnnnnnnnnnnnnnnnnnnnnnnnnnnnnnnnnnnnnnnnnnnn
| (2) 陳鈞⑧ | (1) (20) 陳鈞⑧ |
| (2) PSW 4x20⑥ | (4) PSW 6x20⑥ |
| (1) 陳鈞⑤ | (2) (20) 陳鈞⑤ |
| (2) PSW 4x20⑧ | (2) (M4) (20) 陳鈞⑥ |
| (8) PSW 4x10① | (2) 陳鈞⑦⑧① |
| (2) PSW 6x50① | (2) (60) 陳鈞⑧ |
| (2) PSW 4x50⑨ | (2) (M4) 陳鈞⑧ |
7
TAYTNNN
Tn Tn nn nnn nn nn nn nn nn nn nn nn nn nn nn nn nn nn nn nn nn nn nn nn nn nn nn nn nn nn nn nn nn nn nn nn nn nn nn nn nn nn nn nn nn nn nn nn nn nn nn nn nn nn nn nn nn nn nn nn nn nn nn nn nn nn nn nn nn nn nn nn nn nn nn nn nn nn nn nn nn nn nn nn nn nn nn nn nn nn nn nn nn nn nn nn nn nn nn nn nn nn
n np, nnnn nn nnnn nn nnnn nnnn nnnn nnnn nnnn nnnn nnnn nnnn nnnn nnnn nnnn nnnn nnnn nnnn nnnn nnnn nnnn nnnn nnnn nnnn nnnn nnnn nnnn nnnn nnnn nnnn nnnn nnnn nnnn nnnn nnnn nnnn nnnn nnnn
,
.
nppnnn
nnpnnn nn nnn nn nn nn nn nn nn nn nn nn nn nn nn nn nn nn nn nn nn nn nn nn nn nn nn nn nn nn nn nn nn nn nn nn nn nn nn nn nn nn nn nn nn nn nn nn nn nn nn nn nn nn nn nn nn nn nn nn nn nn nn nn nn nn nn nn nn nn nn nn nn nn nn nn nn nn nn nn nn nn nn nn nn nn nn nn nn nn nn nn nn nn nn nn nn nn nn nn
77
.
S APQ = S AQP + S_ PQQ
7
y 5 yipn nn. (p)
nppnn npny noyn
1.nppnn
yNnNnNnNnNnNnNnNnNnNnNnNnNnNnNnNnNnNnNnNnNnNnNnNnNnNnNnNnNnNnNnNnNnNnNnNnNnNnNnNnNnNnNnNnNnNnNnNnNnNnN

yD:nD
.0000000000000000000000000000000000000000
yOyOyOyOyOyOyOyOyOyOyOyOyOyOyOyOyOyOyOyOyOyOyOyOyOyOyOyOyOyOyOyOyOyOyOyOyOyOyOyOyOyOyOyOyOyOyOyOyOyOy
77
PN.00N 00
- mnnn, m:
-2y no 5
- -
n nn nnnn
3
.
n 的一个
1 IN DODN
nnn nn n nn nn nn nn
PB BA

77
ybn75
nannnny
EasyManual