Bravia KDL50WG665 - Телевизор SONY - Бесплатное руководство пользователя
Найдите руководство к устройству бесплатно Bravia KDL50WG665 SONY в формате PDF.
Questions des utilisateurs sur Bravia KDL50WG665 SONY
0 question sur cet appareil. Repondez a celles que vous connaissez ou posez la votre.
Poser une nouvelle question sur cet appareil
Скачайте инструкцию для вашего Телевизор в формате PDF бесплатно! Найдите своё руководство Bravia KDL50WG665 - SONY и возьмите своё электронное устройство обратно в руки. На этой странице опубликованы все документы, необходимые для использования вашего устройства. Bravia KDL50WG665 бренда SONY.
РУКОВОДСТВО ПОЛЬЗОВАТЕЛЯ Bravia KDL50WG665 SONY
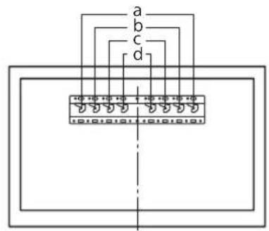
| Иme на м odeл | Размери на ekранa | Размер на ceHTьра на ekранa | Дыжина на моHTаж | |
| a | b | c | d | |
| Стоандартын MOHTаж | ||||
| KDL-50WG6□□ | 11306602135813088 | |||
| KDL-43WG6□□ | 9745725434613088 | |||
3a6eJekka
- Yncnata B Ta6nlaTa MoKe JNeKo Da Ce pa3nuaBb T 3aBNCIMOCT OT HaUNHa Hn3BpBaHe Ha MOHTaKa.
Korato Baunr TeneBn3Op e MOHTnpaH Ha CTeHaT, rOpHaT My HacTe JeKo Ce HaKnlaH Hanpei.
OCTaBeTe NOxOJaIoo pa3cTOrHne MeJxNy TeJeBn3Opa, TaBaHa N I3JaDeHIne YactH Na CTeHaTa, KaKTo e NOKa3aHO No-DoNy.
Mepn eDHHu: mm

3a da noctnHHeT npabnHa BeHTnlaUmaI Da npedOTbpaNTe C6bnpaHETo Ha npax mPbcOTna:
He cnaarTe TeBnOpa Da JLeKu Ha NIOCKaTa Cn CTpaHa, He ro MOHTnpaTe O6bPhAT C rOpHna Kpa HADONY, HaONAKU INCTpaHNUHO.
He cnaaTe TeBn3opa Bbpxy paTOBe,KnIM, Ierno nnB DpeWHNK.
He nokpnbAaTe TeneBn3opa C TBkaH, KaTo HAnnpMep nepDeTa, INI C npEaMeTu KaTo BEcTHNtU IN dp.
He MoHTnpaIe TeIeBUN3Opa, KaKTo e NOKa3aHO NO-DOV.
BnKHeHneTo Ha Bb3DyXa e 6JIOknpaHO.

3a6eJexKa
-AkoBb3HaMepeBaTe da npekapate KaBeJIte B CteHaTa, HAnpaBeTe OTBOp B CteHaTa, 3a Da BMbKHeTe KaBeJIte npEn HaayanoTo Ha MOHTaKa. 3a Da npedOTbPaTIne 3aunnBaHe Ha KaBeJIte, HAnpaBeTe OTBop B CteHaTa N3BbH nepmEtpa Ha OCHOBaTa (20) A, aanTep Ha OCHOBaTa I n DnCTaHNoHHata BtYlka (20) E, nCTaHNoHHata BtYlka (60) K.
2 N36epeTe BnMOnTaJxHa cTeHa.Pa3cToHnETo OT 3aHaTt aact Ha TeJeBn3Opa Do CTeHaTa MoKe Da ce n36epe, KaKTo e NOKa3aHo NO-DoJy.
2-a CtaHdapTeH MOHTaJx
2-b TeceH MOHTaX
BnKTe Ta6nIaTa O TcbNka 1.
PNEyNPEKDEHNE
Korato e n36paHO 2-b,doCTbNT Do 3aHnTe KneMn e orpaHHHeH.


3 BuxTe Ta6nIaTa No-DoIy 3a MeCTOnOJIOXKeHneTo Ha aAnTepHnaΦHTINr 3a OCHOBaTa. Ako cTe n36paIi 2-b, npOnycHeTe Ta3n CTbNka.
| Име на мобел Мecтоноожени На Кукaita |
| KDL-50WG6□□ KDL-43WG6□□ C |

MOnTnpaTe aAnTepaHa OCHObTa ① KaTO n3NoJ3BaTe BnHT (PSW 4x10) J KbM OCHObTa (20) A, aKO cTe n36paJn 2-a.

Для правильно установки дадного Издени НеобхODIMdoctaTOHьОпыT,В Oсobенhoeцп по оределени того,В состорни Ли CTehа Bbldeржать BEc Teleевзора.Образелно рпвькпдя установки STOTOИЗдени на CTehу DINLEPOВ Или Лицензированны IX NOДРЯДУКOB Sonyи CTporo COБЛюдайу ТExнky 6e3ОпаСночи по Вьлолени paBOT NO установке.Компаня Sony He HeceT OTBeTCTBENHOCTb 3a Любile NOJOMKIn IJI IN TpaBMbl, Bbl3BaHHbie He npaBUNlbHbIM 6Obaшеним с Издениmen Или erO He npaВильно установков.
Дябетонин Надлесашей установский ИНСТРУКПИ NO КСПЛУАТAUИ NKOHHTeHa ДЯ HabTeHHоустановский,pYKOBODCTBO NO ySTAHOBKe TelenBUN3Opa N yka3aHnA DAHHORO pYKOBODCTBa.
Be30nacHocTb
Blaorapn3a nokykny 3TOro n3dennr.
Для nokуразелу
Дя утановки данного n3дени Тpe6yetcdoctaTOchbOnbl. ОьзateIbHObOobpatNTeCbКДИпepу nII nIuIeH3npOBaHHOMNoDpRdUKNky SONY, aТakke coBIOJauTe HeOxOxDmIbe Меры п徳сOTOPOXHOCTN BO BPEM УCTaHOBKи n3dIJN. KomnaHry SOу He HeCET OTBETCTBEHOCTN npHaHEceHIM LIOBOrO yUepeBa nII N BiPDA БИЗВАННOrO HENpaBnIbHbIM Оьраз ecHem nII YcTaHOBKол nIbO УТСАнбКон He ppeHаЗнayEHORO dЯ ЗТOrO n3dIJN. 3To He BnIReT Ha BAuN ЗАконьны праBa (ecnТakOBbie nmeIoTcR).
Длгдиелеров Sony
ДяуctahOBkn DaHORO n3dEJNn
Tpe6yTeTdoCTaTOHbIOnbIT.ДЯ
6e3oNaChOH yCTAHOBKn YCTPOINCTBa
O63aTeJIbHO BHIMATEJIbNO IPOHTNTe
HaCTOJee pyKOBOCTBO.Sony He Hecet
OTBeTCTBeHHOCTB Cnyae
NoBPexkDHeMN INI NOnyHeHn TpaBM B
pe3yJIbTaTE HenpABInHoro O6paUeHNn
INI NeHaJIeXaUeY ctaHOBKn.10
OKOHuaHNy CTaHOBKn nepeJaIte 3To
pyKOBoCTBO NOKyNaTeIIO.
B 3TOM pyKOBODCTBE NO yCTAHOBKe npINBEDeHb BAXHBIE MepBi npEOCTOPOKHO HnHFOpmuaNIO no oBeCNeHHIO HAJIeXaJero O6paueHnC n3JeIeM, KOtOpBHe HeoBXOIMbl DnI npEoTbPAuEHnHEcAcTHbIX CnyaeB. O6Ba3ATEHb BOHNAtMeBnIO npOHTnTe HACTOUIee pyKOBODCTBO N nCnONb3yIne n3dJIne No Ha3NaeHHIO.CoxpAHNTe HACTOUIee pyKOBODCTBO DnI NCNOB3OBAHN B6dyUeM.
N3dennsrypa3pa6oTaHbICyetom Tpe60baHnNo 6e3onacHOCTN.ODhako He npabInbHoe nCIOJIb3OBAHne N3denn MoKet CTbT npuHNO HNOyehen cepbe3HbX TpaBM BCIEcTBNE NOPaHexH N3eKTPnueckm TKOM,BO3rOpaHn, onpoknIbBaHn nn NaedHn N3dEHN. Bo N36ExaHne BO3NHKOHeHn TaKnx HeecactHBx CnyaeB O83aTeNbHO Co6nDaTe COOTBeTCTBYUOnne MePbI npdeocToPOKHOCTN.
Data n3rotoblenya kka3aHa Ha n3deJinn yIyakOBKe Ha 3TNKeTc KOtpx-KoDOM B cIeIyouem fOpMaTe:YYYY/MM, rIe YYYY -rOd, MM-Mecra n3rotoblenya
PonBDoNTenb: CoHn BnKyAn IpoJaKTc INHK., 2-10-1 OcaKn IInHaraba-Ky ToKNo, 141-8616 Raonna CEnaHo B Kntae
Oprahn3aun,ynonHMOUeHHa npHnMaTb
npTeH3nn OT Notpe6Btene Ha TeppntOpn
Ka3axctHa
AO 一 CoHn 3JKeKTPoHnKc
PepctabuNTbCTBO K3axCTaHe,
050010,Pecny6nka Ka3axCTaH, r.AImaTbI,
np.Doctbk,Dom 117/7
IMnopTepeHaTeppToPmCTpaH TaMOxEHnOoC03a:AOcOnn 3JKeTpoHnKc, Pocns,123103,MockBa, KapambIeBckn npoe3d,6
BHIMAHNE
Yka3aHHbIe n3dJIInr
DaHHb KpOHTeH nHa HacteHHoro
KpeJIeHn IpeHa3HaueH dIra OTDeIbHbIX
MoJeHne TeteBn3OPOB.Cm. CnpabOohoe
pyKOBoDcTBO K TeEbn3Opam dIra npOBepKn
BO3MOxHOCTN IcNOJb3OBAHN KpOHTeHnA
dIra HacteHHoYCTaHOBKn.
Для nokуразелей
PNEUINPEKDEHNE
HecobJIOeHne npBBeHbIX HNKe
MepnpoCTOPOXHOCTMOKET CTaTb
pPnHHOcmEPNTNNNOJUyEHNA
cep3HbIX TpaBM BCJeCDTBNE
nopaxHnE 3NeKTPnuCeKN MTOKOM,
BO3rOpAHn, OpOKnDbHaBHn Nn
NaDeHn N3DeHn.
063aTeIbHo 06paTntecb K JIuceH3nPoBaHHOMy IOpRAnky,a TaKKe He DOnyckaIte TORO,HTo6bl DeTN HaxOdnCb B6JIn3m MeCTa YCTaHOBKn N3dEIny.
HenpaBnBnaYcTaHObKa KPOHtTeHa DnA
HAcTeHHOy YCTaHOBKn UIN TeJeBN3OpA
MOKeT CTAb PnUHNO NpeuNCHeHHbIX
HNKe HecCaTbX CnYaeB. DnA
BbIOJIneHNeY cTaHOBKn O83aTeNbHo
OBpaNTeCb KInueH3NpOBAHHbIM
NOpaDnKAM.
TeNeBmOp MOxEYynactb n CtaTb npuHNOIPOUyENHcpeB3hXtpaBM, HAnpMnepyUM6OBnnpeNepeJOMOB.
Ecni CTeHa,Ha KOTopoB BbINONHReTc8
yCTAHOBKa KPOHHTeHnHa JnA HAcTeHHoH
yCTAHOBKn,HeCYTOuMHBa,HEPOBHnI
He BePTNKaJIbHaN,HIzIeNe MoKe Tynactb
HNOUYHTb NOBpeXdHn IINI CTaTB
PpUHNHO TpaBM IINI NOBpeXdHn
mMyueCTBa.CTeHa DOJXHa BbIDepXNBaTB
Bec,No KpaIHeMpe,B YteHpe pa3a
peBbIaOuIbn Bec TEeBN30pa.
(HTobblY3HaTBe BC TeeBN30pa,CM.
CnpabOuyHoe pyKBOOCTBO.)
- Ecn yctaHOBKa KpOHTeMa dIa HAcTeHHOY cTcAHOBKn BblIOJIHReTCHa HeoCTaTOUHO pOuHO CTeHe, N3DeJIne MoKeT yNaCTb NOnyUHTb NOBpeKdEHHN IIN CTa bPnUHO TpABM INI IOBpeKdEHN NMyUcCTBa.
Mepbl npeioctopoxhoCTN B OTHOWeHn DeTei
Дляперемшениилдемontак Teleв3opaобзateьно образнтесьКлцehИрованыIMПОДРЯДУКAM.
Ecn TpaHcnpTnOBKa Nnn DEmoHTax TeBnOpa BbInOnHReTc H NueHnPobAHnBM NODpRdNkAMn, OH MOKeT yNaCTb N CTaB PnUHNO TpABM Nn NOBpeXeHnA MUsCTBa. Y6eNTecb, YTO nepeHoc Nnn DEmoHTax TeBn3Opa OcyueeTbJraTeC BAByMa Nn BoJe Nuaamn (Trn Nn Booey eNoBek nIy TneBn3Opa C dnaRaHaJIbIO 75 duIMOB IN bOlSe).
ПорядOK установки Кронштейна Дли Настенho Установки
Длгдиелров Sony
PNEyPPEKDEHNE
CnedyuHnHCTpykU npedHa3NaueHb TOnbKO Dnla DnJIePOB Sony.ObaTeNbHo npOHTne npaBnA texNknBe3oNaChOcTn n C6bIOdaTe ooc6be Mepe npEoCTopoxKHO BO BpEmyCTAHOBKn,OBcnyKBaHn npOBepKn DaHHOrn 3dEInna.
ПорядOK установки Телевизopa на стени
IpoceDpya yCTaHOBKn OTnUyaeTcB 3aBNCIMOCTN OT MOnEn TeneBu3Opa.
IcnoJb3yInTe KPOHHTeH dJa HAcTeHHoYcTaHOBKn SU-WL450 dJa YcTaHOBKnTeJeBu3Opa Ha cTeHy.
PpIMeuaHne
EcnHn HAcToIbHa NOpCTaBknpKpEnHe KaTeIeBu3Opy, ChaHaA OTCoeDHNTE HaCToIbHyIO NOCTaBky. BInOnHnTE B O6paTHOM NopJKe WArN No npncOeDnHEHnHO HAcToIbHoN NOCTaBKn, ONuCaHHbIe B pyKOBOCTBO Nn HAcTPOKe.
IIOJXtTe TJIeBn3Op Ha yCTOuHByIO POBHyIO NOBepxHOCTb, 3aCTeENHHyIO MRAKOn PIIOTHOI TKaHbIO, TaK, YTO6bI OH pACNoJaTcRgE KpaHOM BHN3 PpN KpeJIeHN DeTaNE KPOHHTeHa IIN HAcTeHHoY UCTaHOBKn IIN npCHrTN HAcToBHoN NODCTABKn C TeJIeBn3Opa BO n36ExAHne NobpeXdEHn XK-3KpaHa TEJIeBn3Opa.
XpaHnTe n3BnueHeHHbE BNHTbI B HaNExKHOM HeIOCTyHOM IaIeTeMecTe.
Под�товka К установке
Bo Bpemr yctaHOBKn cnpaBOuHoe pyKOBOCTBO n pKOBODCTBO NO yCTaHOBKe TeJIeBu3Opa Bcerda DoJXHbI 6bITb NOd pyko.
B npocce yctahOBKn nCnoJb3yInTe KpeToo6pa3HyIO OTBeptKy, COOTBeTCTByOuIyIO NcNoJb3yeMbIM BnHTaM.
- BbI6epnte MeCTo yCTaHOBKn TeJIeBN3Opa.
- IoIroTOBbTe YeTbipe nn 60Jee BnHTOB dAmetpOM 8 MM n OOnH BnHT dNaMeTpOM 5 MM n nn erO kKBuBaJIeHT (He BXoIIT B KOMNJIeKT NOCTaBKn). Bbl6epNTe BnHTbI B COOTBeTCTBnC MaTePnaJIOM CTeHbl.
Поберka komплектуни
PpnilaraetcK SU-WL450
- Поберп Te KOMЛЕКTHOCTb TOBapa.
| A Ochobahne (20) (1) | B USKIB (2) |
| C PSW 6x20 (4) D P S W 4x20 c Втулков (2) | E Поставka (20) (2) |
| G Втулka (20) (M4) (2) | H PSW 4x20 (2) |
| I Адамер Основаня (2) | J PSW 4x10 (8) |
| K Покладka (60) (2) | L PSW 6x50 (2) |
| M Втулka (M4) (2) N | PSW 4x50 (2) |
OnpeJeHne MeCTOJIOJKeHnI yCTaHOBKn
1 OnpeJeIte MeCTOnOJoxKeHne IyCTaHOBKn.
Y6eHNTecb, yTO CTeHa, Ha KOTOpyU 6yIeT UCTaHaBJIuBaTbcr TcJIeBu3Op, IMeET DoCTaTOUHO MeTa I CnOco6Ha BvIepXkaTb Bec, NO KpaIHeMpe B YeTbIpe pa3a IpeBbIuaUoIuN BEc UCTaHaBJIuBaEMOrO TeJIeBu3Opa.
Cm. CnEduOuSyTo TabuNcNo yctahOBKe TeJeBn3Opa Ha cTeHy.Cm. CnpaBOUHOe pyKOBoDCTBO TeJeBn3Opa IpyoCMOTpa CBeHn O Bece TeJeBn3Opa.

EiHnIcBi n3MepeHn:MM
| Названны м odeл | Разmersы зкрана | Положения центра экрана | Длиа для креления | ||
| a | b | c | d | e | |
| Стоандрове Креления Креления Установka | |||||
| KDL-50WG6□□ | 1130 660 21 358 130 88 | ||||
| KDL-43WG6□□ | 974 572 54 346 130 88 | ||||
PpMueaHne
PncyHKn B Ta6JIue Moryr HEMHOrO OTJNUaTbC8B 3aBNCIMoCTN OT YcTaHOKn.
Korda TeLeBn3Op yCTaHOBneH Ha CTeHy, BepxHra YacTb TeLeBn3Opa HEMHOro HaKIOHReTc BnpeId.
Obecneyte HaJIuHne DOCTaTOUHO 3a3Opa MeKdy TeIeBn3OpOM, NOTOKOM N BbICTyaIOUIMN YaCTaMn CTeHbI, KaK POKa3aHO Ha pUCyHKe HIXKe.
Eduhuiuhi3MepeHnHa:MM

-Ⅱn oecneueHn Hndnxaue BENTnnau n npedotbpaueHn CKonneHn rprn n bIn:
He KnaIte TeLeBn3Op 3KpaHOM Bn3; He yCTaHaBnBaIte TeJIeBn3Op IpeBepHybIM HxHNe CTOPoHOB BBepx, 3aJOM HaPepei nnHa6ok.
Под�товka К установке Телевизopa
Для получени подробно Инфорmaцио6 yctaHOBKe NOДТаВКИ CM. рУКОВДСТВО NO yCTaHOBKe.
1 OToCoeHnHTe HaCToJIbHyIO NOCTaBky OT TeJIeBn3Opa.

PpmeaHne
KnaTe TeneBn3Op Ha MmRkyo TkaHb, YTO6bl n36eKaTb NOBpeXdEHn DnCnpe.
-ⅡpUyCTaHOBKe KPOHHTeHaIg HAcTeHHoHyCTaHOBKn He IcNoB3yIte BnHTbl, N3BJeEHbIe N3HAcToJIbHO NoCTaBN.
XpaHnte n3BneHHyIO HAcToIbHyIO NOCTaBky Iee BnHTb HAdExKHom HeOCTyHOM DJIg DeTei MeCTe OH Bam Notpe6yOTc,ecIN Bbl 3axOTte YCTaHOBTb TeNEBn3Op Ha CTJ B6dyUcEM. HAcToIbHa NoCTaBKa HE npNo6peTaetc OTDenHo.
OCTOPOXHO!
-NepeBkJIuOeHnEM y6eIITecb,TO TeJIeBn3Op HaxoJNTcB BepTnKaJIbHOM NIOJKeHm.3aIpeUeHO BKJIOuATb TeJIeBn3Op,ecN OH paCNoIaraeTcR XXK-3KpaHOM BHn BO n36ExaHne HepaBHOMepHoCTn 1306paXHeHn.
Bo3eInCTBnHaTeENb3OpDaBHeHnI MExaHueckOcNbMoKETnpBecTnKNoJOMKe IIN NOBpeXDeHIO TeENb3Opa.
-ПОLOXКTe TEJIeBn3Op 3KpaHOM BHN3 Ha YCTOuNByIOPOBHyIO NOBepxHOCTb TAKIM O6pa3OM, YTO6blHAcTOLbHAR NODCTaBA KByIOJNA 3a KpaINOBepxHOCTn. PacNoIoxKeHne 3KpaHa TeJIeBn3OpuOCHOBAHNA HACToJIbHOH NOCTaBKn HA ONDOMyPOBHe MOKET NpNBecTI K CO3dAHH HeYCTOuNBBIXpaBOUx YCNOBm IN NOBpeDHTb TEJIeBn3Op.
-При OTcoeINHeHn HAcToIbHoN NOCTaBKn OT TeNEBn3Opa Kpenko yepKnBaTe HaCToIbHyo NOCTaBky.
2ПркpenTe Kpeнжьie DeTaII NKPOHHTeHaДЯ HabTeHHo YCTaHOBKN. BbIOnHnTe npOBepky KpeENxHbIX DeTaleN corlaacHo nyHKTy "PpIlaRaetcK SU-WL450"В pa3dJe "PpOBepka KOMJIeKTAuIN"Ha cTp.6.
PpmeaHne
ПлnotоюзakpenITE кpenexHьie DeTALN C nOMOUBBUNTOB.
-ПиИСЮЛБОВAHIM3JIeKTPUpeCKOOTBepTKI 3aДaIte MOMeHT 3aTЯKKu,paBHyI npu6JIIN3NTeJIbHO 1,5H·M{15Krc-CM}.
XpaHnte NcNoB3OBAHHbIe HnHcNoB3OBAHHbIe DeTaN BHaJeKHom MeCTe, YTObI B6yUysem IN MoXHO 6blIO NCNoB3OBAbT. CoXpaHnte DaHHyIO IHCTpyKuIO NO EKcNpyaTaUN DnA daNbHeJWeRO NcNoB3OBAHnI.

CtAndapThoe KpenneHne (2-a)
Поберka Вынонения установки
PpOBepeTe CJIeDyUOuNe NyHKTbI.
ПростаяИнструкция