LHF 2800 - Vrtni drobilnik ATIKA - Brezplačna navodila za uporabo
Brezplačno poiščite navodila za napravo LHF 2800 ATIKA v formatu PDF.
Vprašanja uporabnikov o LHF 2800 ATIKA
0 vprašanje o tej napravi. Odgovorite na tiste, ki jih poznate, ali zastavite svoje.
Zastavite novo vprašanje o tej napravi
Prenesite navodila za vaš Vrtni drobilnik v formatu PDF brezplačno! Poiščite svoja navodila LHF 2800 - ATIKA in vzemite svojo elektronsko napravo nazaj v roke. Na tej strani so objavljeni vsi dokumenti, potrebni za uporabo vaše naprave. LHF 2800 znamke ATIKA.
NAVODILA ZA UPORABO LHF 2800 ATIKA
Navodilo za uporabo - Varnostni napotki - Nadomestni deli

Seite 1

Page 9

Page 17

Ctp. 25

Str 34

Side 42

- oldal

Strana 57

Pagina 65

Side 73

Blz.80

Stronie 88

S. 96

ctp. 104

Strana
113

Stran 121
Nositi zašitu za uši i oči.

Nositi zašitnerukavice.

Zastiti od vlage.
Simboli uputa za uporabu

nemojte upotrijebiti neispravne vodove
eventualna ostecenja uredaja (vidi sigurnosne upute)
- jesu li svi vijci Čvrsto pritegnuti
Priključak na mrežu
- Usporedite napon koji je naznačen na pločici s tipom urežaja i priključite urežaj na odgovarajuću propisanu uticnicu.
- Upotrijebite produktni kabel odgovarajućeg presjeka.
Mrežno osiguranje
| Švicarsku | UK | ||
| 2300 W | 16 A tromo | 10 A tromo | 13 A tromo |
| 2500 W | 16 A tromo | 13 A tromo | |
| 2800 W | 16 A tromo | 13 A tromo | |
| 3000 W | 16 A tromo | 13 A tromo | |
Impedancija mreije
Posebna upozorenja za usitnjavanje:
Naprave ne smete pognati, preden ste prebrali ta navodila, upostevali vse navedene napotke in napravo montirali, kot je opisano.
Navodilo shranite za prihodnjo uporabo.
Vsebina
| Izjava o skladnosti | 122 |
| Obseg dobave | 122 |
| Opis naprave | 122 |
| Obratovalni šasi | 123 |
| Simboli na napravi | 123 |
| Simboli v navodilih za uporabo | 123 |
| Pravilna uporaba | 123 |
| Preostala tveganja | 123 |
| Varnostni napotki | 124 |
| Sestava | 125 / 137 |
| Zagon | 125 |
| Delo z vrtnim rezalnikom | 126 |
| Postavitev nasprotneg noža | 127 |
| Vzdřevanje in nega | 127 |
| Možne motnje | 128 |
| Tehnični podatki | 129 |
| Garancija | 129 |
| Nadomestni deli | 131 |
Izjava o skladnosti ES
V skladu z direktivo 98/37 ES
ATIKA GmbH & Co. KG
na kateregaa se nanaša ta izjava, odgovarja zadevnim osnovnim varnostnim in zdravstvenim zahtevam pravilnika 98/37/ES, kot tudi zahtevam drugih zadevnih pravilnikov
Po razpakiranju preverite vsebino kartona, ce
je popolna,
se je morebiti poskodovala med transportom.
Prosimo, da reklamacije takoj sporočite trgovcu, dobavitelju oziroma proizvajalcu. Poznejših reklamacij ne bomo upostevali
1 predmontirana enota naprave
1 podvozje
2 kolesi
- 2 kolesnaPokrova
2 nogi
1 vreške z vijaki
1lovilna kosara
1 navodilo
Opis naprave

A. Žrelo za rezalno blago
B. Stikalo za vklop/izklop
C. Povratni gumb / Zaščitje motora
D. Rocaj
E. Vtič
F. Zapah lovilne kosare
G. Stikalo za smer vitja
H. Gornji del ohisjal
I. Nastavni gumb za rezalni valj
J. Lovilna kosara
K. Podvoje's kolesi in nogami
ObratovalniČasi
Prosimo, upostevajte regionalne predpise.
Simboli na napravi
| Pred zagonom preberite navodila za uporabo ter varnostne napotke in jih upoštevajte. | Pred popravilom, vizdrževanjem in čišćenjem izključite motor in izvlecite omrežni vtikač. | ||
| Nevarnost zmečkanin pri obratujčem motorju - oddaljite neudeležene osebe, hišne ljubimce in domače Živali. | Pazite na obračajuće se nože. Roke in noge med obratovanjem stroja ne držite v odprtinah. | ||
| Nosite zašćito za vid in sluh. | Nosite zašćitne rokavice. | Zašćitite pred vlago. | |
| Rezanje materiala | Ni rezanja materiala | ||
| Lovilna košara zapahnjena | |||
| Lovilna košara opdahnjena | |||
| Elektrčni aparati ne spadajo med hišne opdakte. Aparate, pribor in embalažo posredujte ekološki reciklažni postaji. | |||
Simboli v navodilih za uporabo

Preteča nevarnost ali nevarna situacija Neupoštevanje teh napotkov lahko povzroči poškodbe oseb ali materialno škodo.

Pomembni napotki za pravilno uporabo. Neupostevanje teh napotkov lahko povzroci motnje.

Napotki za uporabnika. Ti napotki vam pomagajo optimalno uporabljati vse funkcjie.

Montaža, uporaba in vzdřevanje. Tukaj je natančno razloženo, kaj morate storiti.
Pravilna uporaba
K pravilni uporabi spada rezanje
-vej vseh vrst do premera (odvisno od vrste in svezine lesa )
- ovenelega, vlažnega,Že več dni skladisčenega vrtnega odpadka z vejami.
Rezanje stekla, kovin, plastični delov, plastičnih vrečk, kamenja, odpadkov materiala, korenin z zemljo, odpadkov brez trdih materialov (npr. kuhnjski odpadki) ni dovoljeno.
Vrtni rezalnik jeprimeren samo za zasebno uporabo v hiši in na vrtu.
Vrtni rezalniki za zasebni domac in ljubiteljski vrt so tiste naprave, ki se ne uporabljo v javnih nasadih, parkih, naSportnih igriscih ter v kmetijstvu in gozdarstvu.
K pravilni uporabi sodi tudi upoštevanje proizvajalčevih predpisov za obratovanje, vzdřevanje in zagon ter upoštevanje varnostnih napotkov iz navodil za uporabo.
Kot nepravilna uporaba steje vsaka drugacna uporaba. Proizvajalec ne prevzema odgovornosti za skode, ki izhajajo iz tak sne uporabe - tveganje zanje prevzema izključno uporabnik.
Samovoljno spreminjanje vrtnega rezalnika ima za posledico izključitev jamstva proizvajalca za vse vrste škode, ki zaradi tega nastane.
Napravo lahko pripravljajo, uporabljajo in vzdrujejo le osebe, ki se na to spoznajo in soseznanjene z moznimi nevarnostmi. Zagon sme izvesti samo naše osebje ali servisna sluzba, ki smo jo za to pooblastili.
Preostala tveganja

Tudi pri pravilni uporabi lahko kljub upoštevanju vseh vnih varnostnih predpisov obstajajo preostala tveganja li konstrukcije, ki je pogojena z namenom uporabe.
Preostala tveganja se lahko zmanjsajo, ce se v celoti upoševata točki „Varnostni napokit" in „Pravilna uporaba" ter celotna navodila za uporabo.
Pozornost in previdnost zmanjsujeta nevarnost osebnih poskodb in materialne skode.
- Nevarnost poškodb prstov in rok, Če z roko sežete skozi neko odprtino in pridete v stik z rezilom.
- Nevarnost poskodb prstov in rok pri montažnih in Čistilnih opravilih na nozu/rezilu.
- Poškodbe zaradi izmeta rezanih delov na področju lijaka.
- Nevarnost zaradi elektricnega toka, pri uporabi neustreznih elektrichnih priključnih vodov/napeljav.
- Dotik delov, ki prevajajo elektrichi tok, pri odprith elektrichni sestavnih delih.
- Prizadetost sluha pri dlje trajajočih delih brez zašite za sluh.
Nadaljinje lahko kljub sprejetim ukrepom obstajajo neočitna preostala tveganja.
Varnostni napotki
Pred zagonom tega izdelka preberite in upoštevajte naslednje napotide ter predpise o preprečevanju nezgod oziroma varnostna dolocila. ki veljajo v posamezni državi, da sebe in druge zašitite pred možnimi poskodbami.
Varnostne napotke posredujte vsem osebam, ki delajo s strojem.
Te varnostne napotke dobro shranite.
Popravila na varnostnem izklopu smejo opravljati samo proizvajalec oziroma od njega imenovano podjetje.
Pred uporabo naprave se s pomojo navodil za uporabo seznanite z njo.
- Naprave ne uporabljajte za namene, za katere ni namenjena (gleje poglavji "Pravilna uporaba" in "Delo z vrtnim rezalnikom").
- Poskrbite za varno postavitev in zmeraj ochranajte ravnotežje naprave. Ne iztegujte se. Pri vstavljanju materiala za rezanje stojte na enaki ravnini z napravo.
- Bodite previdni in pozorni. Pazite na to, kaj delate. Ravnajte razumno. Ne uporabljaje stroja, Če ste utrujeni oziroma ste pod vplivom drog, alkohola ali zdravil. Samo trenutek nepazljivosti med uporabo naprave lahko povzroči resne poskodbe.
Pri delu nosite zašcitna očala in zašcitto za sluh.
- Nosite primerno delovno oblačilo: - nobenih širokih oblačil, - obutev, ki ne drsi,
- Upravljalec je na delovnem področju stroja odgovoren za tretje osebe.
- Otroci in mladostniki mlajski od 16 let ne smejo delati z napravo.
Poskrbite, da se pri stroju ne zadržujejo otroci. - Naprave nikoli ne uporabljajte, ko se v njeni blizini nahajajo neudeležene osebe.
- Naprave nikoli ne pustite brez nadzora.
- Skrbite za red na delovnem področju! Nered lahko povzroči nezgode.
- Postavite se v delovni položaj, t.j. stransko ali za napravo. Nikoli ne stojte na predelu odprtine za izmetavanje.
- Nikoli ne segajte v odprtino za vstavljanee ali izmetavanje.
- Obraz in telo ne približujte odprtini za vstavljanje materiala.
- Naprave ne obremenite prekomerno! Bolje in varneje boste delali v navenedenem zmogljivostnem področju.
- Napravo uporabljajte samo s celotnimi in pravilno nameščenimi varnostnimi napravami in na stroju ne spreminjaje ničesar, kar bi lahko vplivalo na varnost.
- Ne spreminajte stevila vrtljajev motorja, ker uravnava varno najvecjo delovno hitrost in schecki motor in vse vrtece se dele pred poskodbami zaradi prevelike hitrosti.
- Naprave ne uporablajte brez polnilnega lijaka.
- Ne spreiminjaje naprave oz. delov naprave.
- Naprave ne škropite z vodo. (Elektrčni tok je vir nevarnosti).
-
Upostevajte vplive okolice:
-
Naprave ne uporabljaje v vražni ali mokri okolici.
- Naprave ne pustite stati v dežju in ne delajte v dežju.
-
Delajte le v razmerah z dovolj svetlobe, poskrbite za zadostno osvetlitev.
-
Preprečite nevarnost poškodovanja prstov in nosite zašcitne rokavice, ko napravo montirate in Čistite.
Stroj izklopite in izvlecite omrežni vtikač iz vtichnice pri:
popravilih
- vzdrževalnih in Čistilnih delih
- preverjanju, ali so priključni vodi zaviti ali poškodovani
- odpravljanju motenj
- transportu
- zapuščanju naprave (tudi pri kratkotrajnem premoru)

Pri zamašenem vstopnem ali izstopnem delu stroja motor izkljucite in izvlecite omrežno stikalo, preden odstranite ostanke materiala iz vstopnega ali izstopnegela dela stroja.
Preverite,ali je stroj poškodovan:
pred nadaljinjo uporabo naprave je treba skrbno preveriti, ali varnostne naprave brezhibno delujejo;
- prepičajte se, ali gibljivi deli stroja brezhibno delujejo, se pri tem ne zatikajo in niso poskodovani. Vsi deli morajo biti pravilno montirani in izpolnjevati vse pogoje, ki so potrebni za brezhibno delovanje vrtnega rezalnika.
- poskodovane zašitne priprave in dele mora pravilno popraviti ali zamenjati strokovnjak, Če v navodilih za uporabo ni navedeno drugace.
treba je zamenjati poškodovane ali nečitljive varnostné nalepke.
- Naprave in orodja, ki jih trenutno ne uporabljate, hranite v suhem, zaklenjenem prostoru, izven dosegao otrok.
! Elektrčna varnost
- Izvedba priključega voda v skladu z IEC 60245 (H 07 RN-F) s prečnim prerezom voda majmanj
1,5 mm² pri dolžini kabla do 25 m
2,5 mm² pri dolžini kabla več kot 25 m
- Dolgi in tanki priključni vodi povzročajo izgubo napetosti. Motor ne bo dosegel največje zmogljivosti, funkcija naprave pa se bo zmanjsala.
Vtic in vticnica priključega voda morata biti gumijasta, iz mehke plastike ali drugega termoplastičega materiala z enako mehansko trdnostjo ali pa biti s tem materialom vsaj obložena.
Vtična naprava prikljucnega voda mora biti zašcitena pred škropljenjem. - Pri polaganju priključnih vodov pazite, da niso stisnjeni ali upognjeni in da se vtčna povezava ne zmoči.
Kabla ne uporabljaje v namene, za katere ni namenjen. Zašcitite kabel pred vročino, oljem in ostrimi robovi. Ne uporabljaje kabla za vlečenje vtikača iz vtičnice. - Ce uporabljate kabelski boben, morate kabel popolnama odviti.
- Redno kontrolirajte podaljsevalni kabel in ga zamenjajte,Če je poškodovan.
- Ne uporabljajtePokvarjenih priključnih vodov/napeljav.
- Na prostem uporabljajte samo za to odobrene in ustrezno označene podaljiševalne kable.
- Ne uporabljaje nikakrsnih zaacsinh elektrichnih priključkov.
- Prikljucite napravo preko stikala za zašcito pred okvarnim tokom (30 mA).
Elektrichi priključek oz. popravila na elektrichnih delih stroja lahko izvaja samo koncesioniran elektricar ali ena od nasih servisnih sluzb. Upostevati morate krajevne predpise, še posebej tiste, ki zadevajo zašitne ukrepe.
Popravila na drugih delih stroja smejo opravljati smo proizvajalec oziroma ena od njegovih servisnih sluzb.
Uporabljaje samo originalne nadomestne dele. Ce uporabljate druge nadomestne dele in drug pribor, lahko pride do nesre. Za škodo, ki pri tem lahko nastane, proizvajalec ne odgovarja.
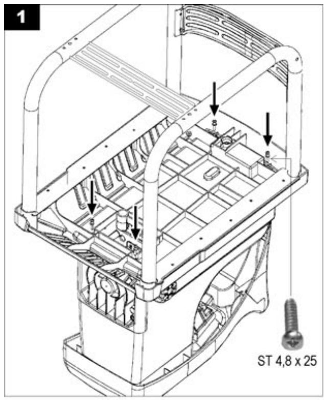
Sestava
glej stran 137

Zagon
Prepričajte se, ali je naprava celotna in montirana v skladu s predpisi.
- Za uporabo postavite rezalnik na vodoravno in trdno podlago (nevarnost, da se prevrne).
- Naprave ne postavite na tlakovana ali peskana tla.
- Napravo uporabljajte samo na prostem. Vzdržujte oddaljenost (najmanj 2 m) od stene ali drugega trdega predmeta.
Pred vsako uporabo preverite:
- priključne vode/napeljave, Če so poškodovani (razpoke, rezi in podobno);
ne uporabljajePokvarjenih vodov/napeljav;
- glede morebitnih poskodb (glejte Varnostni napotki);
- Če so vsi vijaki trdno priviti.
Omrežni priključek
- Primerjajte napetost, ki je navedena na tipski plošćici naprave z omrežno napetostjo, in prikljucite napravo na ustrezno in predpisano vtičnico.
- Uporabljaje podaljsevalni kabel z zadostnim prerezom.
Zavarovanje omrežja
| Švicarsku | UK | ||
| 2300 W | 16 A nosilci | 10 A nosilci | 13 A nosilci |
| 2500 W | 16 A nosilci | 13 A nosilci | |
| 2800 W | 16 A nosilci | 13 A nosilci | |
| 3000 W | 16 A nosilci | 13 A nosilci | |
Omrežna impendanca
Pri neugodnih omrežnih pogojih lahko pride med postopkom vklopa do kratkotrajna znižanja napetosti, ki lahko negativno vpliva na druge naprave (npr. utrianje luči).
Če upostevate največje omrežne impedance, navedeni v tabeli, so motnje malo verjetne.
| Moč P1(W) | Omrežna impendanca Zmax(Ω) |
| 2300 | 0,22 |
| 2500 | 0,22 |
| 2800 | 0,22 |
| 3000 | 0,22 |
Stikalo za vklop/izklop
Ne uporabljaje naprav, na katerih ne deluje stikalo za vklop in izklop. Pokvarjeno stikalo mora nemudoma popraviti oziroma zamenjati pooblascena servisna služba.

Vklop
Pritisnite zeleni gumb ①
Izklop
Pritisnite rdeci gumb 0
Zaščita pred ponovni zagonom pri izpadu elektricnega toka
Pri izpadu toka se naprava samodejno izklopi (sprožilec nicělne napetosti). Za ponovni vklop znova pritisnite zeleni gumb.
Zašcita motorja
Motor je opremljen s zašitnim stikalom, ki pri preobrenitvi motorja, slednjega samodejno izključi. Ko se motor ohladi (pribl. 5 min.), ga je možno ponovno zagnati. Pritisnite
- ponastavitveni gumb (zaščita motorja)
- zeleni gumb(1) za ponovni vklop.
Stikalo za smer vitja
Stikalo za smer vitja aktivirajte le pri izklopljenom rezalniku.
Postavitev
Materijal bova vdrt z rezalinim valjkom in nasekan.
Postavitev
Nož dela v nasprotnem smeru in vklesčeni materijal bova spet svoboden.
Potem ste stikalo za smer vitja DALI v postavitev , držite zeleni gumb vklopnika/izklopnika vtisnit. Rezalni valj po postavljen v nasprotni smer. Kadar vklopnik/izklopnik pustite, se rezalnik avtomatski izklopi.
Tip
- Veliki predmeti ali kosi lesa se z večkratno aktiviranje odstranjajo takov smeru rezanja in tudi v smeru osvobadjanja.
- Za odstranjevanje blokiranih predmetov z Žrela ali izpraznjevalne odprtine rabite palico ali kavelj.

Čakajte vselej da rezalnik stane preden ga znova ite.
Lovilna košara
Vgrajena lovilna košara je opremljena z ročajem za zapahnitev in varnostnim izklopom.

Lovilna kosara je zapahnjena in tesno povezana z napravo.

Lovilna košara je odpahnjena in ločena od naprave. Naprave ni možno vkljuciti.
Clelovilno kosaro odpahnete ob deluojcapravi, se naprava samodejno izklopi.
Delozvrtnimrezalnikom
Pri delu nosite zašcitna očala in zašito za sluh.
Dališi material, ki moli iz naprave, lahko skoči nazaj, ko ga noži vpotegnejo! Ohranjajte varnostno razdaljo!
- Nikoli ne segajte v odprtino za vstavljanje ali izmetavanje materiala.
- Obraz in telo ne približujte odprtinì za vstavljanje.
- Roke, druge dele telesa in obleke ne jegte v polnilno cev, izpraznjevalni kanal ali v blizino drugih gibljivih delov.
Pred vklopom naprave preverite da v polnilnem lijaku ni ostankov rezanja. ali je lovilna košara zapahnjena.
- Naprave ne prevračajte pri obratujočem motorju.
Pri poljenju pazite, da v lijak ne zaidejo nikakrsni kovinski deli, kamni, steklenice ali drugi predmeti, ki se ne morejo obdelati.
- Če v polnilni lijak zaidejo tujki ali se začne naprava nenavadno oglasati ali vibrirati, jo takoj izklopite in počakajte, da se zaustavi. Izvlecite omrežno stikalo in izvedite naslednje točke: – preverite škodo,
zamenjajte ali popravite poskodovane dele,
- preverite napravo in zategnite zrahljane dele,
Naprave ne smete popravljati, ce za to niste pooblasceni (glejte varnostne napotke).

Kaj lahko sekljam?
Da:
Veje vsih vrst do maks. premera, odvisno od vrste in svezine lesa
- ovenele, vlažne, Že več dni uskladisčene vrtne odpadke seklajte samo izmenično z vejami
Ne:
- steklo, kovinske delie, umetne masé, plastične vrečke, kamne, odpadke blaga, korenine z zempljo
- odpadke brez trde konsistence NPR. kuhinjske odpadke

Posebni napotki za sekljanje:
Polnite materijal za rezanje vedno z desne strane v polnilne odprtineŽrela.
Veje, vejice in les sekljajte kratek cas po rezanju
- ko se ta rezan material posusi, postane zelo trd, najveci prerez vej, ki se jih zmanjsa.

Pri močno razvejanih vejah odstranite stranske poganjke.
Obdelovanje vrtnih odpadkov, ki vsebujejo veliko vode in so nagnjeni k lepljenju
- te odpadke sekljaje skupaj z materialom za sekljanje, ki vsebujejo les, da preprecite zamašitev v naprvi.Zrezani material v področju izpraznjevalne odprtine ne sme biti previsok. Previsok zrezani material lahko zamaši izpraznjevalni kanal. S tem lahko pride do vračanja materiala skozi polnilno odprtino materiala. Lovilno košaro redno praznite.
Polnilno odprtino in izpraznjevalni kanal očistite, Če je naprava zamašena. Za to najprej izklopite motor in izvlecite mrežni vtic.
Bodite pozorni, da se uposteva najveci prerez vej, ki ga je moznno obdelati z va so napravo (gleje «Tehnični podatki«). Glede na vrsto in svezino lesa, se lahko zmanjsa najveci premer vej za obdelavo.
Rezilo v veliki meri samodejno povleče material za sekljanje.Samodejni preklop smeri vrtenja:
Pri nenadnem blokiranju naprave se lahko smer vrtenja rezalnega valja preklopi in v tem primuru material za sekliganje potisne nazaj.
- izklopite napravo
- počakajte, da se rezalni valj zaustavi
- napravo ponovno vklopite in uporabite material, ki se lažje seklja.
Pri preobrenitvi naprave se samodejno izklopi motor, ki je opremljen z zašcitnim stikalom za motor.
- Po pribl. 5 minutah rezalnik ponovno vklopite.
- V primeru, da se naprava po tem Času ne da vklopiti, poglejte napotke pod točko „Obratvalne motnjē".
Postavitev nasprotneg noža
Nasprotni nož B je možno naravnati prosto naravnati na rezalnem valju A. Po moćnosti je treba ostaviti malo razdaljo kakor bi obratovanje blo efektivno.
Mehki materijal ali mokre veje se lahko strgajo nombre da bova rezane. Tudi nasprotni obrabljeni nož more po večkratnem obratovanju voditi do tistega problema
Naravnava razdalje.
Vključite aparat.
Na desne strane plastičnega ohiša je naprava za naravnavo. Za nastavitev distance obrnite nastavni gumb (D) v desno takó, da se vijak (C) premika k rezalnemu valju. Vrtite tink Časa dokler z ispraznjevalne odprtine ne pada alu ostruzek.

Vzdrževanje in nega
Pred začetakom vsakega vzdřevalnega opravila
- izkljucite motor in izvlecite omreznvi vtika;
da preprečite poskodbe si nadenite zašitne rokavice.
Ko napravo izkljucite,se rezalno orodje še nekaj Časa vrti. Pred začetkom popravila ali vzdřevanja počakajte, da se vsi deli ustavijo.
Bodite pozorni, da po koncu popravila ali vzdhrzevanja odstranite vso orodje in izvijače.
- Vrtni rezalnik v glavnem ne potrebuje vzdhrževanja. Zaradi ohranjanja vrednosti in za dolgoŽiviljensko dobo upostevejte naslednje:
Poskrbite, da Bodies prezračevalne reže proste in Čiste.
Preverite prirtdilne vijake (po potrebi jih zategnite).
- Po seklianju očistite napravo.
Napravo Čistite samo s toplo, mehko krpo in mehko krtaco.
Nikoli ne uporabljaje Čistilnih sredstev ali razredčil. Na napravil lahko povzročite nepopravljive škode. Kemikalije lahko razjejo dele iz umetne mase.

- Rezalinika ne Čistite s tekočo vodo ali z visokotlačnim Čistilnim aparatom.
- Nezašcitene kovinske dele po vsaki uporabi zaradi zašcite pred rjo poskropite z okolju prijaznim, biolosko razgradljivim razpršilnim oljem.
- Rezalni valj in plošča za naknadno rezanje sta dela, ki se obrabita, vendar imata pri normalni uporabi in naknadni nastavitvi v dokladu s predpisomŽiviljensko dobo, ki traja več let.
Możne motnje

Pred vsakim odpravljanjemotenj
- izklopite napravo,
- počakajte, da se naprava ustavi
- izvlecite vtikač iz elektricnega omrežja.
| Motnja | Možni vzrok | Odprava |
| Motor ne steće | ni omrežne napetosti | preverite varovalko |
| priključni kabel jePokvarjen | poskrbite za preverjanje (strokovjak - elektriar) | |
| naprava je preobremenjena (Zašćita motorja) | apat pustiti ohlajevati Vtisnite 1. Povratni gumb (Zašćita motorja) 2. zeleni gumb za ponovni začetak obratovanja. | |
| Lovilna košara odpahnjena (varnostni izklop lovilne košare sprodi) | zapahnite lovilno košaro | |
| Motor brni, vendar ne steće | rezalni valj je blokiran | Aparat izklopiti. Vklopite stikalo za smer vitja na aparatu v postavitve ↑. Aparat vklopiti dokler se blokiranje ne dviga. Postavitte stikalo za smer vitja v postavitve ↓ nazaj. |
| kondenzator jePokvarjen | napravo posljite v popravilo proizvajalcu ali podjetju, ki ga je navedel | |
| Material za seklientanje se ne povlači v napravo | Rezalni valj se vrti v obratni smeri. Položaj stikala ni pravilen | Aparat izklopiti in stikalo za smer vitjapreusmeriti. |
| material za seklientje tiči v lijaku | Aparat izklopiti. Vklopite stikalo za smer vitja v postavitve ↑. Aparat vklopiti kakor bi rezalno blago blo osvobodeno oz., odstraniti elev. nečistocu. Aparat spet izklopiti. Za dalše obratovanje postavitse stikalo za smer vitja v postavitve ↓ nazaj. | |
| Material za seklientje premehak ali preveč vlazen | izrabljeni rezalni valj | |
| izrabljeni rezalni valj | nasprotno plošćo postavitti kako je to pri „naravnava nasprotne plošće" opisovano, pri zelo močne obrabe nadomestite rezalni valj | |
| Material za seklientje se ne reže dobro. | Nasprotni nož ni dovolno naravnan. | Nasprotno plošćo postavitti kako je to pri „naravnava nasprotne plošće" opisovano. |
| Naprava steće, vendar pri majhni obretenitvi blokira in se preko stikala za zašćito motorja izklopi. | Predolg kabel za podalšek ali premajhen presek vtičnica preveč oddaljena od glavnegaprklička ali premajhen presek prkličnega voda. | Kabel za podalšek z majmanjsim prerezom 1,5 mm², dolg maksimalno 25 m. pri dalšem kablu prerez majmanj 2,5 mm². |
Tehnični podatki
| Model | 2300 | 2500 | 2800 | 3000 |
| Vrsta | AH 623 | AH 620 | AH 621 | AH 622 |
| Motor | Motor na izmenični tok 230 V~, 50 Hz, 2800 min-1 | |||
| Zmogljivost motorja P1 S6 - 40 % | 2300 W | 2500 W | 2800 W | 3000 W |
| Število vrtaljev rezalni valj | 40 min-1 | |||
| Stikalo za vklop/izklop s | zašćito pred obretenitvivo, rezalno in vžvratno funkcijo, aktiviranjem ob ničelni napetosti | |||
| Teža | 29 kg | 29,5 kg | 30 kg | 30,5 kg |
| nivo zvočnegа tlaka LPA (merjeno v skladu z 2000/14/ES) | 70,3 dB (A) | 70,3 dB (A) | 70,3 dB (A) | 70,3 dB (A) |
| izmerjen nivo hrupa LWA (merjeno v skladu z 2000/14/ES) | 90,3 dB (A) | 90,3 dB (A) | 90,3 dB (A) | 90,3 dB (A) |
| zagotovljen nivo hrupa LWA (merjeno v skladu z 2000/14/ES) | 93 dB (A) | 93 dB (A) | 93 dB (A) | 93 dB (A) |
| največji prerez vej, ki se jih da obdelati (glede na vrsto in svežino vej) | Ø maks. 40 mm | Ø maks. 40 mm | Ø maks. 42 mm | Ø maks. 42 mm |
| Zašćitni razred | I | |||
| Vrsta zašćite | IP X4 | |||
| Zavarovanje omrežja | 16 A nosilci | 16 A nosilci | 16 A nosilci | 16 A nosilci |
| Švicarsku | 10 A nosilci | -- | -- | -- |
| UK | 13 A nosilci | 13 A nosilci | 13 A nosilci | 13 A nosilci |
Garancija
| SLO | Nadomestni deli |
| Podatki o nadomestnih delih se nahajano seznamu in v skici. | |
| Naročanje nadomestnih delov:- - dobavlja jih proizvajalec - potrebne navedbe pri naročanje: · barva naprave · stevilka naročila / oznaka ·Želeno stevilo kosov · model vrtnega rezalnika · typ vrtnega rezalnika | |
| primer: oranžen, 380307/ gornji del ohišjal, 1, LHF 2800, AH 621 | |
| Pos.-Nr | Ersatzeil-Nr. | D | GB | F | БС |
| Spare part no. | Bezeichnung | Designation | Description | Оьз国家战略e | |
| RéférenceHomep зада | Trichter | Funnel | Trémie | Фуния | |
| 1 | 380331 | Ein-/Ausschalter | On/Off switch | Interrupteur marche/arrêt | Прековсвача 3aВклюванециИзклюване |
| 2 | 380304 | Trichter | Funnel | Trémie | Фуния |
| 3 | 380306 | Astfuhrung | Branch guide | Guidage des branches | Заленьяп се знади указдяпя 3aБezорасост |
| 4 | 380307 | Gehäuseoberteil (orange) | Upper enclosure part (orange) | Partie supérieure du carter (orange) | Горна чAST на кожуха (оранжев) |
| 4 | 380308 | Gehäuseoberteil (mintgrün) | Upper enclosure part (mint green) | Partie supérieure du carter (vert) | Горна чAST на кожуха ( Zeелно) |
| 4 | 380326 | Gehäuseoberteil (rot) | Upper enclosure part (red) | Partie supérieure du carter (rouge) | Горна чAST на кожуха (Червао) |
| 5 | 380011 | Kondensator 45 μF | Capacitor 45 μF | Condensateur 45 μF | Кондэнатор 45 μF |
| 6 | 380302 | Sicherheitsaufkleber 1 | Safety label 1 | Autocollant de sécurité 1 | Държач на Фунята 1 |
| 7 | 382316 | Sicherheitsaufkleber 2 | Safety label 2 | Autocollant de sécurité 2 | Държач на Фунята 2 |
| 8 | 380335 | Sicherheitsaufkleber 3 | Safety label 3 | Autocollant de sécurité 3 | Държач на Фунята 3 |
| 9 | 380312 | Gegenmesser | Fixed counter blade | Contre-couteau | Насрешиен пох |
| 10 | Wechselstrommotor mit Getriebe | AC-motor with gear | Moteur à courant alternatif | Двигател с рedingуков | |
| 380332 | P1 2300 W | P1 2300 W | P1 2300 W | P1 2300 W | |
| 380333 | P1 2500 W | P1 2500 W | P1 2500 W | P1 2500 W | |
| 380255 | P1 2800 W | P1 2800 W | P1 2800 W | P1 2800 W | |
| 380334 | P1 3000 W | P1 3000 W | P1 3000 W | P1 3000 W | |
| 11 | 380309 | Gehäusedeckel | Housing lid | Couvercle du carter | Шутоаглуштеленkanak |
| 12 | 380257 | Schneidwalze | Cutting roller | Cylindre de coupe | Решени валяк |
| 13 | 380316 | Fangkorb | Retaining basket | Bac collecteur | Предима на рeshETКa |
| 14 | 380313 | Verriegelungshaken | Locking hook | Crocket de verrouillage | З actоногая за Кука |
| 15 | 380314 | Abdeckung (Verriegelungshaken) | Cover (locking hook) | Cache (Crocket de verrouillage) | Калak (зacrоногая за Кука) |
| 16 | 380315 | Verriegelungshebel | Locking lever | Manette de verrouillage | З actоногая за Дост |
| 17 | 380318 | untere Verstärkungsstrebe | Lower reinforcing brace | Entretoise de renforcement inférieure | Долна ус在里面 наpondанапrecуна podпора |
| 18 | 380322 | Radkappe (orange) | Wheel cap (orange) | Enjolivre du roue (orange) | Покравцшник накраимп за кoleлонто (оранжев) |
| 18 | 380325 | Radkappe (mintgrün) | Wheel cap (mint green) | Enjolivre du roue (vert) | Покравцшник накраимп за кoleлонто ( Zeелно) |
| 18 | 380328 | Radkappe (rot) | Wheel cap (red) | Enjolivre du roue (rouge) | Покравцшник накраимп за кoleлонто (чесло) |
| 19 | 380321 | Achse (Schraube M8x85) | Axle (screw M8x85) | Axe (vis M8x85) | Ос (Вinhт M8x85) |
| 20 | 380320 | Rad | Wheel | Roue | Кoleло |
| 21 | 380319 | Standfuss | Foot | Pied | Стода |
| 22 | 380324 | Standbein | Leg | Pied de support | Олорa |
| 23 | 380323 | hintere Verstärkungsstrebe | Rear reinforcing brace | Entretoise de renforcement arriere | Здана ус在里面 наpondанапrecуна podпора |
| 24 | 380303 | Schraubenbeutel | Fastener bag | Sachet de visserie | Торбучка с собл trade |
| 25 | 382556 | Lüfterflugel | Fan blade | Pale de ventilateur | Лопатka за В entлиаторa |
| 26 | 380273 | Steckerkragen (VDE) | Connector shroud (VDE) | Collet de contacteur (VDE) | Пръстен за центся |
| 27 | 380311 | Einstellknopf für Schneidwalze | Adjusting knob for cutting roller | Bouton de réglage du rouleau de coupe | Егунраш винт |
| 28 | 380327 | Handgriff | Handle | Poiignée | Чужа |
| 29 | 382480 | Adapterstecker fur Schweiz | Adapter connector for Switzerland | Adaptateur de fiche pour la Suisse | Пер_EXODа винке дая Шевцари |
| Pos.-Nr. | Obj. Čislo Varaosanro. potalkatrész- szám broj rezervnog dijela | CZ Popis | FN Nimitys | H Megnevezés | HR Oznaka |
| 1 | 380331 | Zapínač/vypínač | Käynnits-/sammutuskytkin | KI-/BE-kapcsoló | Sklopka za uključivanje/ isključivanje |
| 2 | 380304 | Trychtyř | Suppilo | Tólcsér | Lijevak |
| 3 | 380306 | Vedeni větvi | Oksan | Ágvezető | Vodilo za grane |
| 4 | 380307 | Horní Čast plaste (oranžovy) | Kotelon yläosa kokon. (oranssi) | A motorház felső része (narancs) | Gornji dio kučista (narančasti) |
| 4 | 380308 | Horní Čast plaste (zeleny) | Kotelon yläosa kokon. (vihrea) | A motorház felső része (zold) | Gornji dio kučista (zielony) |
| 4 | 380326 | Horní Čast plaste (rudy) | Kotelon yläosa kokon. (punainen) | A motorház felső része (piros) | Gornji dio kučista (crveni) |
| 5 | 380011 | Kondenzátor 45 μF | Kondensaattori 45 μF | Kondenzátor 45 μF | Kondenzator 45 μF |
| 6 | 380302 | Bezpečnostni nălepka 1 | Turvallisuustarra 1 | Biztonsági matrica 1 | Sigurnosna naljepnica 1 |
| 7 | 382316 | Bezpečnostni nălepka 2 | Turvallisuustarra 2 | Biztonsági matrica 2 | Sigurnosna naljepnica 2 |
| 8 | 380335 | Bezpečnostni nălepka 3 | Turvallisuustarra 3 | Biztonsági matrica 3 | Sigurnosna naljepnica 3 |
| 9 | 380312 | Protinuz | Vastateră | Ellenkés | Protunoz |
| 10 | Motor na střidavy proudly | Vailhtovirtamoottori | Váltakozó áramú motor | Izmjenični motor | |
| 380332 | P1 2300 W | P1 2300 W | P1 2300 W | P1 2300 W | |
| 380333 | P1 2500 W | P1 2500 W | P1 2500 W | P1 2500 W | |
| 380255 | P1 2800 W | P1 2800 W | P1 2800 W | P1 2800 W | |
| 380334 | P1 3000 W | P1 3000 W | P1 3000 W | P1 3000 W | |
| 11 | 380309 | Viko plaste | Kotelon kansi | Mozorházfedő | Poklopac kučista |
| 12 | 380257 | Rženy válec | Leikkuutela | Vágoél | Rezni valjak |
| 13 | 380316 | Záchytný koš | Keruusällö | Gyüjtőkosár | Prihvatna kosara |
| 14 | 380313 | Uzamykaci háky | Lukitushaka | Rögzítő kampó | Blokirna kuka |
| 15 | 380314 | Kryt (Uzamykaci háky) | Kansi (Lukitushaka) | Fedél (Rögzítő kampó) | Poklopac (Blokirna kuka) |
| 16 | 380315 | Uzamykaci páka | Lukitusvipu | Rögzítőkar | Blokirna poluga |
| 17 | 380318 | Spodní zesilovaci vzpěra | alempi vahvistustuki | Alsó erősítő merevités | Donji potporanj za pojačavanje |
| 18 | 380322 | Kolečkový kryt (oranžovy) | Pyörakapseli (oranssi) | Keréksapka (narancs) | Poklopac kotača (narančasti) |
| 18 | 380325 | Kolečkový kryt (zeleny) | Pyörakapseli (vihrea) | Keréksapka (zold) | Poklopac kotača (zielony) |
| 18 | 380328 | Kolečkový kryt (rudy) | Pyörakapseli (punainen) | Keréksapka (piros) | Poklopac kotača (crveni) |
| 19 | 380321 | Osa (Śrob M8x85) | Akseli (Ruvi M8x85) | Tengely (Csavar M8x85) | Osovina (Vijak M8x85) |
| 20 | 380320 | Kolo | Pyörä | Kerék | Točak |
| 21 | 380319 | Opěrná noha | Tukijalka | Láb | Nogar |
| 22 | 380324 | Noha | Tukijalka | Támasztékláb | Noga |
| 23 | 380323 | Zadní zesilovaci vzpěra | ylempi vahvistustuki | Hálsó erősítő merevitő | Stražnji potporanj za pojačavanje |
| 24 | 380303 | Obálka se šrouby | Ruuvipussi | Csavartasak | Vrećica s vijcima |
| 25 | 382556 | Vzduchová kridélka | Tuuleteslevy | Ventilator szárnlyapát | Ventilatorsko krilo |
| 26 | 380273 | Nástrčkový limec (VDE) | Pistokeholkci (VDE) | Dugógällér (VDE) | Utilkač s ogrlicom (VDE) |
| 27 | 380311 | Regulačni kolečko | Leikkuuterän säätönuppi | Beállito gomb a vágohengerhez | Gumb za podešavanje valjka za rezanje |
| 28 | 380327 | Rukoje' | Kahva | Fogantyú | Ručka |
| 29 | 382480 | Adaptér pto Švýcarsko | Sveitsissä käytettävi liitäntäpistoke | Adapterdugo Svájchoz | Adaptorski utikač za Švicarsku |
| Pos.-Nr. | n° del pezzo di ricambio Reservedelsnr. Reservedeel-nr. nr zamówien | Denominazione | N Betegnelse | NB Benaming | P Oznaczenia |
| 1 | 380331 | Interruttore on / off | Av/pà-bryter | In-/uitschakelaar | włącznik / wymićznik |
| 2 | 380304 | Imbuto | Trakt | Trechtler | lejek |
| 3 | 380306 | Guidarami | Kviststyrning | Takkengeleiding | prowadnica gałezi |
| 4 | 380307 | Parte superiore contentore (arancione) | Husoverdel (orange) | Bovenkant van de behuizing (orange) | górna czȩć obudowy (pomarańczowy) |
| 4 | 380308 | Parte superiore contentore (verde) | Husoverdel (grønn) | Bovenkant van de behuizing (groen) | górna czȩć obudowy (zielony) |
| 4 | 380326 | Parte superiore contentore (rosso) | Husoverdel (rød) | Bovenkant van de behuizing (rood) | górna czȩć obudowy (czerwona) |
| 5 | 380011 | Condensatore 45 μF | Kondensator 45 μF | Condensator 45 μF | Kondensator 45 μF |
| 6 | 380302 | Etichetta adesiva con leindicazioni per la sicurezza 1 | Sikkerhetsmerke 1 | Veilighidestdicker 1 | naklejka bezpiecieństwa 1 |
| 7 | 382316 | Etichetta adesiva con leindicazioni per la sicurezza 2 | Sikkerhetsmerke 2 | Veilighidestdicker 2 | naklejka bezpiecieństwa 2 |
| 8 | 380335 | Etichetta adesiva con leindicazioni per la sicurezza 3 | Sikkerhetsmerke 3 | Veilighidestdicker 3 | naklejka bezpiecieństwa 3 |
| 9 | 380312 | Controlama | Motkniv | Tegenmes | przeciwnoź |
| 10 | Motore a corrente alternata | Vekselströmmotor | Wisselstroommotor | silnik prȩdu zmiennego | |
| 380332 | P1 2300 W | P1 2300 W | P1 2300 W | P1 2300 W | |
| 380333 | P1 2500 W | P1 2500 W | P1 2500 W | P1 2500 W | |
| 380255 | P1 2800 W | P1 2800 W | P1 2800 W | P1 2800 W | |
| 380334 | P1 3000 W | P1 3000 W | P1 3000 W | P1 3000 W | |
| 11 | 380309 | Coperchio contentore | Huslock | Behuizingdeksel | pokrywka obudowy |
| 12 | 380257 | Cilindro portalame | Skärvals | Snijwals | walec tnagy |
| 13 | 380316 | Contenitore di raccolta | Oppsamlingskurv | Opvangbak | zgarniacz |
| 14 | 380313 | Ganci di blocaggio | Låsekroker | Vergrendelingshaak | Hak blokućy |
| 15 | 380314 | Copertura (Ganci di blocaggio) | Afdekking (Vergrendelingshaak) | pokrywa (hak blokućy) | |
| 16 | 380315 | Leva di blocaggio | Låsepak | Vergrendelingshefboom | dźwignia blokuća |
| 17 | 380318 | Sostegno di rinforzo inferiore | Nedre forsterkningsstøttebjelke | onderste versterkingsbalk | dolna podpora wzmacniajaica |
| 18 | 380322 | Copriruota (arancione) | Hjulkappe (orange) | Wieldop (orange) | kolpak kola (pomarańczowy) |
| 18 | 380325 | Copriruota (verde) | Hjulkappe (grønn) | Wieldop (groen) | kolpak kola (zielony) |
| 18 | 380328 | Copriruota (rosso) | Hjulkappe (rød) | Wieldop (rood) | kolpak kola (czerwona) |
| 19 | 380321 | Asse (Vite M8x85) | Aksel (Skruv M8x85) | As (Schroef M8x85) | oS (Śruba M8x85) |
| 20 | 380320 | Ruota | Hjul | Wiel | kolarsko |
| 21 | 380319 | Piedino | Stäfot | Standvoetje | stopa |
| 22 | 380324 | Piede di supporto | Stäbein | Standbeen | noga |
| 23 | 380323 | Sostegno di rinforzo posteriore | Bakre forsterkningsstøttebjelke | achterste versterkingsbalk | tylna podpora blokuća |
| 24 | 380303 | Confezione di viti | Skruepose | Schroevenzak | woreczek ze šrubami |
| 25 | 382556 | PaLETTE di ventilazione | Viftevinge | Ventilatorvleugel | łopatka wentyladora |
| 26 | 380273 | Collare connetto (VDE) | Støpelkrage (VDE) | Stekerkraag (VDE) | kolnierz wymiżki (VDE) |
| 27 | 380311 | Manopola di regolazione per rullo di taglio | Innsillingsknappen til skjærevalsen | Instelknop voor snijwals | pakrello ustawce walca tnaço |
| 28 | 380327 | Impugnatura | Handtak | Handgreep | uchwyt |
| 29 | 382480 | Adattatore per la Svizzera | Adapterstopsel for Sveits | Adaptersteker voor Zwitserland | wtyczka adapterowa dla Szwajcarii |
| Pos.-Nr. | Nr. piesel deschimbNe zapachnoчачиNahradny diel Ž.Stevilka narocila | RODenumirea | RUSОьзанецme | SKOznacenie | sloOznaka |
| 1 | 380331 | Comutatorul pornire/oprine | ПереклочаельВКЛ./Выкел. | Zapınă/урınăc | Vklopnik/lzklopnik |
| 2 | 380304 | Pálnie | Воронка | Lievik | Lijak |
| 3 | 380306 | Ghidaj crengi | Налравлишая ветveь | Vodidlo konárov | Vodilo vej |
| 4 | 380307 | Partea de sus acarcasei (portocaliu) | Верхия чASTь корпуca (оранжевý) | Vrchná āst' krytu (oranžová) | Gornji del ohišjal (oranžen) |
| 5 | 380308 | Partea de sus acarcasei (verde) | Верхия чASTь корпуca (zelentý) | Vrchná āst' krytu (zeleny) | Gornji del ohišjal (zielony) |
| 6 | 380326 | Partea de sus acarcasei (roşú) | Верхия чASTь корпуca (красная) | Vrchná āst' krytu (červěna) | Gornji del ohišjal (rdeče) |
| 7 | 380011 | Condensator 45 μF | Прухимный зажим ra汞 | Kondenzátor 45 μF | Kondenzator 45 μF |
| 8 | 380302 | Eticheta de siguranta 1 | Нakleйka c указанямпTekнikk SEЗОПАССТСТУ 1 | Bezpečnostné nálepka 1 | Varnostna nalepnicia 1 |
| 9 | 382316 | Eticheta de siguranta 2 | Нakleйka c указанямпTekнikk SEЗОПАССТСТУ 2 | Bezpečnostné nálepka 2 | Varnostna nalepnicia 2 |
| 10 | 380335 | Eticheta de siguranta 3 | Нakleйka c указаняmII Tekнikk SEЗОПАССТСТУ 3 | Bezpečnostné nálepka 3 | Varnostna nalepnicia 3 |
| 380312 | Contracuţit | Протиюрешуший пох | Nasprotni nož | Nasprotni nož | |
| Motor cu angrenaj | Двигател лесемен Horokta | Motor na strihedavy prud | Motor na izmenični tok | ||
| 380332 | P1 2300 W | P1 2300 W | P1 2300 W | P1 2300 W | |
| 380333 | P1 2500 W | P1 2500 W | P1 2500 W | P1 2500 W | |
| 380255 | P1 2800 W | P1 2800 W | P1 2800 W | P1 2800 W | |
| 380334 | P1 3000 W | P1 3000 W | P1 3000 W | P1 3000 W | |
| 11 | 380309 | Capac carcasă | Крышka корпуca | Vrchnák krytu telesa | Pokrov ohišja |
| 12 | 380257 | Cutiţ-disc | Рожуший валник | Rezací valec | Rezalni valj |
| 13 | 380316 | Coş de captare | Ловиьnamя корпина | Zachyný kós | Lovilna košara |
| 14 | 380313 | Càrlig de blocare | Бл_OKироочький крик | Uzamykie háky | Zapahnitveni kavelj |
| 15 | 380314 | Capacul (Càrlig de blocare) | Крышka (Бл_OKироочький крик) | Kryt (Uzamykie háky) | Pokritjur (Zapahnitveni kavelj) |
| 16 | 380315 | Pârghie de blocare | Бл_OKироочьный рыцаг | Uzamykacia páka | Zapahnitvena ročica |
| 17 | 380318 | Contraflă inferioară de rigidizare | Нінknя раслорka IXEVSTKOCTNI | Spodná zerosilovacia vzpera | Spodnja ojačitvena prečka |
| 18 | 380322 | Acoperire a marginii (portocaliu) | Колпak кoleесa (оранжевý) | Puklica (oranžová) | Kolesni Pokrov (oranžen) |
| 19 | 380325 | Acoperire a marginii (verde) | Колпak кoleесa (эденицьцьць) | Puklica (zeleny) | Kolesni Pokrov (zielony) |
| 20 | 380328 | Acoperire a marginii (roşú) | Колпak кoleесa (красная) | Puklica (červěna) | Kolesni Pokrov (rdeče) |
| 21 | 380321 | Ax (Şurub M8x85) | Оьь (Вinh M8x85) | Os (Skrutka M8x85) | Os (Vijak M8x85) |
| 22 | 380320 | Roata | Кolesto | Koleso | Kolo |
| 23 | 380319 | Picior suport | Onopra | Oporná noha | Noga |
| 24 | 380324 | Picior | Стода, Левая | Noha l'avá | Leva nosilna noga |
| 25 | 380303 | Contraflă de rigidizare din spate | Задnia раслорka IXEVSTKOCTNI | Zadné zosilovacia vzpera | Zadnia ojačitvena prečka |
| 26 | 380273 | Guler de proteție pentru stecăr | Задné с винтами | Vrecko so skrutkami | Vrečke z vijaki |
| 27 | 380311 | Şurub de reglare | Ручka установки ржужциedo валке | Regulačni koliesko | Nastavni gumb za rezialni valj |
| 28 | 380327 | Mâner | Чуcka | Madlo | Ročaj |
| 29 | 382480 | Adaptérovä zăstrěka pre Švajčiarsko | Пер_EXODNA Викla дя Шевцарini | Adaptérovä zăstrěka pre Švajčiarsko | Adapterski vtiča Švico |






LahkaNavodila