KD65XD8505B - Téléviseur SONY - Notice d'utilisation et mode d'emploi gratuit
Retrouvez gratuitement la notice de l'appareil KD65XD8505B SONY au format PDF.
| Type d'accessoire | Support mural |
| Compatibilité | TV standard et écran plat |
| Matériau | Acier robuste |
| Charge maximale supportée | Non précisé |
| Installation | Fixation murale |
| Orientation | Fixe |
| Dimensions | Non précisé |
| Poids | Non précisé |
| Couleur | Noir |
| Accessoires inclus | Vis et chevilles |
| Normes de sécurité | Conforme aux normes industrielles |
| Garantie | Non précisé |
| Instructions multilingues | Oui |
| Type de montage | Murale |
| Compatibilité VESA | Non précisé |
FOIRE AUX QUESTIONS - KD65XD8505B SONY
Téléchargez la notice de votre Téléviseur au format PDF gratuitement ! Retrouvez votre notice KD65XD8505B - SONY et reprennez votre appareil électronique en main. Sur cette page sont publiés tous les documents nécessaires à l'utilisation de votre appareil KD65XD8505B de la marque SONY.
MODE D'EMPLOI KD65XD8505B SONY
Informations d'installation pour l'utilisation du support de fixation murale Sony (SU-WL450)
Modèles pris en charge :KD- 65XD85☐☐/55XD85☐☐
- Dans les noms de modèle réels, « □□ » indique des chiffres et/ou des caractères propres à chaque modèle.
À l'attention des clients
Pour des raisons de sécurité et de protection du produit, Sony recommande vivement de confier l'installation de votre télévisuer à des revendeurs ou installateurs agrésés Sony. N'essayez pas de l'instructor vous-même.
A l'attention des installateurs et revendeurs Sony
Soyez particulièrement attentif à la sécurité pendant l'installation, l'entretien périodique et l'examen du produit.
L'installation de ce produit exige un certain savoir-faire, notamment pour vérifier la résistance du mur qui devra soutenir le poids du téléviseur. Veillez à confier la fixation de ce produit au mur à des revendeurs ou installateurs agréés Sony et portez une attention suffisante aux consignes de sécurité pendant l'installation. Sony ne saurait être tenue responsable de tout dommage ou de toute blessure découulant d'une mauvaise utilisation ou d'une installation incorrecte.
Pour une installation sûre et correcte, suivez le Mode d'emploi du support de fixation murale, le Guide de démarrage du téléviseur et les instructions de ce manuel.
Sécurité
Nosyouvemoremercionsd'avoirfait l'acquisition de ce produit.
A l'attention des clients
L'installation de ce produit exige un certain savoir-faire. Veiliez à confier l'installation à des revendeurs Sony ou à des installateurs agrésés et portez une attention particulière aux consignes de sécurité pendant l'installation. Sony ne saurait être tenue responsable de tout dommage ou de toute blessure découlant d'une mauvaise utilisation ou d'une installation incorrecte, ou encore de l'installation d'un produit autre que celui spécifique. Vos droits légaux (eventuels) ne sont pas affectés.
À l'attention des détaillants Sony
L'installation de ce produit exige un certain savoir-faire. Lisez ce mode d'emploi attentivement afin de proceeder à l'installation en toute sécurité. Sony saurait être tenue responsable de tout dommage ou de toute blessure découlant d'une mauvaise'utilisation ou d'une installation incorrecte. Une fois l'installation terminée, veillez remetre ce manuel d'installation au client.
Ce mode d'emploi indique comment manipuler le produit correctement et content des precautions essentielles à prendre pour évier tout accident. Lisez attentivement ce mode d'emploi et voirlez à utiliser le produit correctement. Conserve ce mode d'emploi pour toute referencia ultérieure.
Les produits Sony sont concus pour vous offrir le maximum de sécurité. Toutefois, si les produits sont utilisés de façon incorrecte, ils peuvent entraîner des blessures graves en provoquant un incendie ou l'élecrocution, ou encore la chute de l'appareil hors de son support. Veillez à observer les consignes de sécurité préconisées pour éviter de tels accidents.
ATTENTION
Produits spécifiés
Ce support de fixation murale est concu pour etre utilise avec les téléviseurs specifiés. Pour plus d'informations sur les téléviseurs, reportez-vous à leur Guide de reférence pour vous assurer que vous pouvez bien utiliser le support de fixation murale.
À l'attention des clients
AVERTISSEMENT
Le non-respect des consignes suivantes peut être fatal ou entraîner des blessures graves en provoquant un incendie, l'électrocution ou la chute de l'appareil.
Veillez à confier l'installation à du personnel agréé en tenant les petits enfants à l'écart pendant l'installation.
Si le support de fixation murale ou le télévisueur n'est pas installé correctement, les accidents suivants peuvent se produit. Veillez a confier l'installation à des installateurs agreés.
- Le téléviseur peut tomber et causer des blessures graves comme des hématomes ou des fractures.
- Si le mur sur lequel le support de fixation murale est fixé est instable, inégal ou non perpendicular au sol, l'appareil risque de tomber et de provoquer des blessures ou des dommages matériels. Le mur doit pouvoir supporter un poids équivalent à au moins quatre fois celui du téléviseur. (Pour connaître le poids du téléviseur, reportez-vous à son Guide de-reference.)
- Si l'installation du support de fixation murale n'est pas assez solide, l'appareil risque de tomber et de provoquer des blessures ou des dommages matériels.
Veillez à confier le déplacement ou le démontage du téléviseur à des installateurs agréés.
Si des personnes autres que des installateurs agres transparent et demontent le téléviseur, celui-ci peut tomber et provoquer des blessures ou des dommages matériels. Deux personnes au moins doivent porter ou démonter le téléviseur.
Ne retirez pas les vis, etc. apres l'installation du téléviseur.
Dans ce cas, le téléviser pourrait tomber et provoquer des blessures ou des dommages matériels.
Ne modifies pas les pieces du support de fixation murale.
Dans ce cas, le support de fixation murale pourrait tomber et provoquer des blessures ou des dommages matériels.
N'installezaucnPappareil autrequeceuxspécifiés.
Ce support de fixation murale est uncon pour et être utilisé avec les produits spécifiés uniquement. Si vous installez un apparéil autre que ceux qui sont spécifiés, il pourrait tomber ou se brisser et provoquer des blessures ou des dommages matériels.
N'installez aucune charge autre que le téléviseur sur le support de fixation murale.
Ne secouez pas le télévisueur vers la gauche/ droite, le haut/bas.
Dans ce cas, le téléviseur pourrait tomber et provoquer des blessures ou des dommages matériels.
Ne vous appuyez pas sur le téléviseur et ne vous y suspendez pas.
Ne vous appuyez pas sur le téléviseur et ne vous y suspendez pas, car il risque de tomber et de causer des blessures graves.
ATTENTION
Le non-respect des consignes suivantes peut entraîner des blessures ou des dommages matériels.
N'applique aucune force excessive sur le produit au cours de l'entretien ou du nettoyage de l'appareil.
N'exerce aucune pression excessive sur le dessus du téléviseur. Dans ce cas, le téléviseur pourrait tomber et provoquer des blessures ou des dommages matériels.
Precautions
- Si vous utilisez le téléviseur fixe au support de fixation muralependant une longue période,le mur situe derriere le téléviseur ou au-dessus de celui-ci peut se decolorer, ou encore le papier peint peut se decoller, selon le matériel du mur.
- Les trous des vis restent apparants si vous démontez le support de fixation murale après son installation.
- N'utilise pas le support de fixation murale dans un endroit soumis à des vibrations mécaniques.
Installation du support de fixation murale
À l'attention des détaillants Sony
AVERTISSEMENT
Les instructions suivantes concernent les détaillants Sony uniquement. Lizez attentivement les consignes de sécurité ci-dessus et accorde une attention particulière à la sécurité lors de l'installation, de l'entretien et de la verification de ce produit.
N'installez pas le support de fixation murale sur une surface ou les coins ou les cots du téléviseur dépasseraient.
N'installez pas le support de fixation murale sur une surface verticale telle qu'une colonne, ou les coins ou les cots du télévisueur depasseraient de la surface murale. Si une personne ou un objet venait a heurter le coin ou les cots du télévisueur, ceci risquerait de provoquer des blessures ou des dommages matériels.

N'installez pas le téléviseur sur ou sous un climatiseur.
L'exposition prolongée du télévisuer à des fuites d'eau ou à des courants d'air provenant du climatiseur pourrait provoquer un incendie, l'électrocution ou des problèmes de fonctionnement du télévisuer.
Veilles à installer le support de fixation murale solidement en suivant les instructions de ce mode d'emploi.
S'il manque des vis ou si elles sont desserrées, le support de fixation murale pourait tomber et provoquer des blessures ou des dommages matériels. Veiliez à utiliser les vis appropriées selon le matériel du mur et installez le téléviseur solidement en utilisant au moins quatre vis de 8 mm de diamètre (ou équivalentes).

Veillez à utiliser correctement les vis et les pieces de fixation fournies conformément aux instructions du mode d'emploi. Si vous utilisez d'autres éléments de fixation, le téléviseur pourrait tomber et cause des blessures corporelles ou être endommagé.
Veillez à monter le support correctement en suivant la procédure décrite dans ce mode d'emploi.
S'il manque des vis ou si elles sont desserrées, le téléviseur pourrait tomber et causer des blessures corporelles ou être endommagé.
Veillez à serrer les vis solididement dans la position indiquée.
Si vous olibiez, le téléviseur pourrait tomber et causer des blessures corporelles ou être endommage.
Veillez à ne pas soumettre le téléviseur à des chocs pendant l'installation.
Si le téléviseur subit des chocs, il pourrait tomber ou se briser. Ceci pourrait cause des blessures.
Veillez à installer le téléviseur sur un mur parfaitement vertical et plat.
Dans le cas contraire, le téléviseur pourrait tomber et provoquer des blessures.
Une fois le téléviseur installé correctement, fixez solidement les câbles.
Si des personnes ou des objets s'accrochant aux câbles, cécic risque de provoquer des blessures ou d'endommager le téléviseur.
Veillez à ce que le cordon d'alimentation CA ou le cable de raccordement ne soit pas coincide ni écrasé.
Si le cordon d'alimentation CA ou le cable de raccordement est coïncé entre l'appareil et le mur, ou s'il est pié ou tordu, les conducteurs internes peuvent être exposés et provoquer un court-circuit ou une coupure électrique. Un incendie ou l'électrocution pourrait en résulter.

Les vis nécessaires à l'installation du support de fixation murale au mur ne sont pas fournies.
Utilissez les vis appropriées selon le matériel et la structure du mur lors du montage du support de fixation murale.
Installation du téléviseur au mur
La procédure d'installation varie selon votre téléviseur.
Utilisez le support de fixation murale SUWL450 pour installer le téléviseur sur le mur.
Remarque
- Les vis que vous retirez doivent être rangees en lieuURT, hors de portée des enfants.
Préparation de l'installation
- Gardez le Guide de referencia du téléviseur à portée de main avant l'installation.
- Avant de procéder au montage, vérifie que vous disposez d'un tournevis cruciforme adapté aux vis.
- Vérifiez la position d'installation de votre téléviseur.
- Préparez au moins quatre vis de 8 mm de diamètre et une vis de 5 mm ou équivalente (non fournies). Choisissez des vis adaptées au matériel du mur.
Vérification des pieces
Fournies avec le SU-WL450
- Vérifiez que vous disposez de toutes les pieces.
| A Base (20) (1) | B Poulie (2) |
| C PSW 6x20 (4) | D PSW 4x20 avec douille (2) |
| E Entretoise (20) (2) | F Courroie (1) |
| G Manchon (20) (M4) (2) | H PSW 4x20 (2) |
| I Adaptateur de base (2) | J PSW 4x10 (8) |
| K Entretoise (60) (2) | L PSW 6x50 (2) |
| M Manchon (M4) (2) | N PSW 4x50 (2) |
| O Fixation murale (S) (2) | P Entretoise (2) |
| Q Rondelle (1) | R PSW 5x12 (1) |
Fournies avec le téléviseur (fixées à l'arrière)

Choix de l'emplacement d'installation
1 Choisissez l'emplacement d'installation.
Assurez-vous que le mur dispose d'un espace suffisant pour le téléviseur et qu'il peut supporter un poids équivalent à au moins quatre fois celui du téléviseur.
Reportez-vous au tableau suivant lorsque vous installez le téléviseur au mur. Pour connaître le poids du téléviseur, reportez-vous à son Guide de referencia.

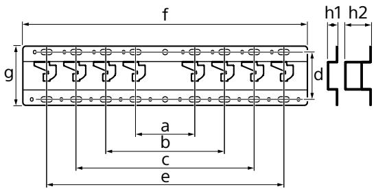
Unité : mm
| Nom du module KD- | Dimensions d'affichage | Dimension du centre écran | Longueur de montage | ||
| a | b | c | d | e | |
| Montage standard | Montage fin | ||||
| 65XD85□□ | 1454 | 842 | 56 | 483 | 102 |
| 55XD85□□ | 1231 | 717 | 129 | 494 | 102 |
Remarque
- Les chiffres repris dans le tableau peuvent varier légèrement selon l'installation.
Prévoyez un espace suffisant entre le téléviseur et le plafond ainsi que les parties saillantes du mur, tel qu'indiqué ci-dessous.
Unité : mm

-
Pour assurer une bonne ventilation et éviter l'accumulation de poussière et de saleté :
-
Ne posez pas le télévisuer à plat et ne l'installez pas tête en bas, à l'envers ou de biais.
- Ne placez pas le téléviseur sur une étagère, un tapis, un lit ou dans une armoire.
- Ne recouvre pas le téléviseur avec du tissu, notamment des tentures, ou des objets tels qu'un journal, etc.
- N'installez pas le téléviseur de la maniere illustrée ci-dessous.
La circulation d'air est bloquée.

Remarque
- Si vous envisagez d'acheminer les cables à travers la paroi murale, percez un trou dans le mur et insérez-y les cables avant derialcder aI's installation. Pour ne pas pincer les cables, prépare un trou dans le mur, en dehors du périmetre de la base (20) A, Adaptateur de base 1 et de I'entretoise (20) E, de I'entretoise (60) K.
2 Sélectionnez le style de fixation murale. Il est possible de sélectionner la distance entre l'arrière du téléviseur et le mur comme indiqué ci-dessous.
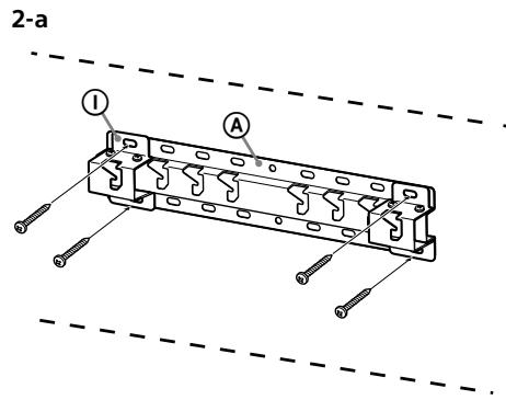
2-a Montage standard
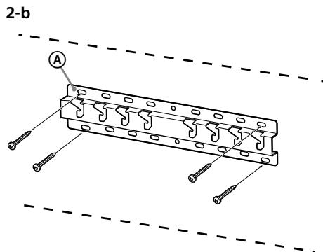
2-b Montage fin
Reportez-vous au tableau de I'etape 1.
AVERTISSEMENT
- Lorsque 2-b est seLECTIONné, l'accès à la borne arrêté est limité.


3 Reportez-vous au tableau ci-dessous pour connaître l'emplacement de montage de I'adaptateur de base. Lors de la selection de 2-b, omettez cette etape.
| Nom du modèle KD- | Emplacements des crochets |
| 65XD85□□ | b |
| 55XD85□□ | c |

Montez l'adaptateur de base ① avec les vis (PSW 4x10) ② sur la base (20) ④ lors de la seLECTION de 2-a.

4 Déterminéz les positions des vis pour l'installation de la base (20) A.
Reportez-vous aux spécifications de la page 12.
Lors de la seLECTION de 2-a, utilisez les positions des orifices de I'adaptateur de base ①
AVERTISSEMENT
- Le mur sur lequel vous installez le téléviseur doit pouvoir supporter un poids équivalent à au moins quatre fois celui du téléviseur (Pour connaître le poids du téléviseur, reportez-vous à son Guide de réference).
- Déterminnez la solidité du mur sur lequel vous allez installer le téléviseur. Au besoin, renforcez suffisamment le mur.
Installation de la base au mur
Utilisez au moins quatre vis de 8 mm de diamètre ou équivalentes (non fournies).
- Insérez quatre vis dans les orifices de l'adaptateur de base ① avec la base (20) A (2-a seule).
- Installez la base (20) © au mur à l'horizontal.


Préparation à l'installation du téléviseur
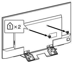
1 Retirez les vis à l'arrière du téléviseur.
KD-65XD85□□

KD-55XD85□□

2 Installez les pièces de fixation du support de fixation murale. Vérifiez les pièces de fixation en vous reportant à la section « Fournies avec le SU-WL450 » sous « Vérification des pièces » à la page 5.
Remarque
Fixez convenablement les pieces de fixation à l'aide des vis.
- Si vous utilisez un tournevis électrique, réglez son couple sur 1,5 N·m {15 kgf·cm} environ.
- Veiliez à ranger en lieu sur les pièces superflues en vue de leur utilisation ultérieure. Conservez ce manuel pour toute reférence ultérieure.
Montage standard (2-a)

Montage fin (2-b)
Remarque
- Ce type de montage ne permet pas d'utiliser certaines bornes situées à l'arrière du téléviseur.


3 Raccordez le(s) cable(s) requis au téléviseur.
Veillez à raccarder les câbles avant d'installer le téléviseur au mur. Vous ne pourrez plus raccarder les câbles une fois le téléviseur installé.
Reportez-vous au Guide de reférence fourni avec le téléviseur.
4 Retirez le support de cable (fourni avec le téléviseur). (KD-65XD85□□ uniquement)

5 Rassemblez les câbles.
Pour le KD-65XD85□□, fixez le support de cable à un des orifices internes.

Remarque
- Confiez l'acheminement du cable dans le mur à un installateur/agréé.
- Avant l'installation au mur, regroupez les câbles de raccordement afin d'éviter de les piétiner.
6 Détachez le support de table du téléviseur.

Installation du téléviseur au mur
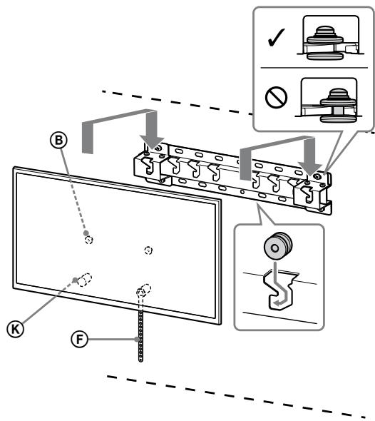
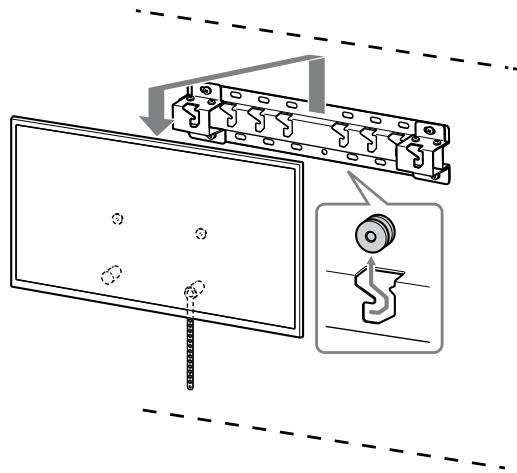
1 Installez le téléviseur sur la base.
- Pour connaître l'emplacement des poulies (B) auxquelles accrocher la base, reportez-vous au tableau de I'etape 3 de la section « Choix de l'emplacement d'installation » à la page 6.
- Maintenez fermement le téléviseur avec les deux mains et accrochez delicatement les poulies ⑧ fixées à l'arrête du téléviseur à la base, en veillant à vérifier la forme des trous.
- Àprous avoir installé le télévisueur au mur, vérifie que les poulies (B) sont fermement enclenchées dans la base ou l'adaptateur de base.

2-a

2-b
AVERTISSEMENT
Assurez-vous qu'au moins deux personnes Maintiennent le téléviseur lors de son transport.
2 Maintien en place du dessous du téléviseur.
- Supprimez le jeu de la courroie (F) et attachez-la solidement au mur.


Utilisez une vis de 5 mm de diamètre ou équivalente (non fournie).
Remarque
- Essayez de tirer légèrement le dessous du télévisueur vers vous pour vous assurer qu'il n'avance pas. S'il a du mouvement, cela signifie qu'il n'est pas fixé correctement et qu'il faut à nouveau fixer solidement la courroie (F).
Vérification de l'achèvement de l'installation
Vérifiez les points suivants.
- Les poulies (B) sont solidement accrochées à la base ou à l'adaptateur de base.
- Le cordon et le cable ne sont pas tordus ou coincés.
La couroie F est bien tendue.
AVERTISSEMENT
- Si le cordon d'alimentation CA ou autre n'est pas correctement installé, un court-circuit pourrait survenir et provoquer un incendie ou l'électrocution. Pour votre sécurité, vérifie que l'installation est effectuee complètement.
Informations complémentaires
Lors du retrait du téléviseur, inversez la procEDURE d'installation décrite précédemment.

AVERTISSEMENT
Veillez à ce que le téléviseur soit soutenu par deux personnes au moins lorsque vous le retirez.
Specifications

La conception et les specifications sont sujettes à modification sans préavis.
a : 100
b : 200
c :300
d:80
e : 400
f :480
g : 100
h1:20 (caso 2-b)
h2:60 (caso 2-a)
Peso (solo base): (aprox.) [kg]
0,8
Tack for att du valtenna produit.
Till kunder
a :100
b : 200
c :300
d : 80
e :400
f : 480
g :100
h1 : 20 (2-b variants)
h2 : 60 (2-a variants)
Svars (pamatne): (aptuveni) [kg]
0,8
Konstrukcija un specificacijs var tikt mainitas bez iepriekseja brdinajuma.
Notice Facile