KD65XD8505B - TV SONY - Gratis bruksanvisning och manual
Hitta enhetens manual gratis KD65XD8505B SONY i PDF-format.
Ladda ner instruktionerna för din TV i PDF-format gratis! Hitta din manual KD65XD8505B - SONY och ta tillbaka ditt elektroniska enhet i hand. På denna sida publiceras alla dokument som behövs för att använda din enhet. KD65XD8505B av märket SONY.
BRUKSANVISNING KD65XD8505B SONY
Installationsinformation für användning av Sony Väggfeste (SU-WL450)
Modeller som stöds: KD-65XD85☐☐/55XD85☐☐
- I aktuella modellnamn anger "□□" siffror och/eller tecken som ar specifika für varje modell.
Till kunder
Für att skyddaprodukten och av sakerhetsskäl rekommenderar Sony starkt att TV:n installeras av
Sony-Äterförsäljare eller licensierade installerätör. Försök inte att installerera den själv.
Till Sony-Äterförsäljare och installerätör
Agnafull uppmärksamhet at sakerheten under installation, periodiskt underhall och undersökning av denna produkt.
Tillräcklig expertis kravs För att installerera denna produit, speziellt För att fastställa vaggens styrka:nar det gäller att hälla upp TV:ns vikt. Anlita alltid en Sony-Äterförsäljare eller en licensierad installerator och ägna vederbörlig uppmärksamhet Åt sakerhet under installationen. Sony År inte ansvarsskyldiga for materiella skador eller personskador som orsakats av felaktig hantering eller felaktig installation.
För saker och korrekt installation ska du följa vaggfastets braupsanvising, TV:ns startguide och anvisingarna ienna handbok.
Om sakerhet
Installationen av denna produkt kraver att du har tillräckliga kunskaper. Se till att anlita en Sony-Äterförsäljare erlen behörig montör für att utföra installationen och var särskilt noggrann med säkerhen under installationen. Sony ar inte ansvarigt für eventuella person-ller materiella skador som orsakats av felaktig hantering ell feraktig installation, aller av att annat an den specificeradeprodukten installerats. Dina eventuella lagenliga rättigheter päverkas inte.
For Sony-Återförsäljare
Installationen avenna produit kraver att du har tilrackliga kunskaper. For att du sca kunna gora den hare installationen saker maste du ta del av informationen i den hare bruksanvisingen. Sony kan inte hallas ansvarigt for eventuella skador erller personskador som orsakats av felaktig anvanding der el felaktig installation.Vänligen ge den hare brauksanvisingen till kunden after utfords installation.
I den har bruksanvisningen finns instruktioner for hur Produkten anvandsamt information om sadant som du borkenna till for att undvika olykor. Las den harguiden noga och anvand Produkten enigt instruktionerna.Behall den harbruksanviseningen for framtida bruk.
Produkter frän Sony átformade med tanke
på sakerhet. Om produkterna emellertid
anvands felaktigt kan det leda till allvarlga
persönskador till följd av brand, elstöter aller
av att produiten väl tller fallit ned.
Forebygg södana olyckor genom att inte
äsidosätta sakerheten.
SE UPP
Angivnaprodukter
Detta vaggfaste ar tillverkat for att anvandas tillsammans med passande TV-apparater. Se respective referensguide for varje TV-apparat for att se om detta vaggfaste kan anvandas.
Till kunder
WARNING
Om följande sakerhetsföreskrifter inte
foljs kan det leda till allvarliga
persn达标 oder ödsfall som föld av
brand, elektriska stötar, attprodukten
välter eller faler ner.
Överlåt installationen till behörig personal och se till att små barn inte befindner sig i narhetenär installationen utförs.
Om vaggfestetller TV:n inte installeras pa ratt satt kan foljane olyckor ske. Se till att installationen utfors av behörig personal.
TV: n kan falla ner och asara allvarija skador som skrapsr ellenbrott.
- Om vöggen dar vöggfästet monteras inte ar stabil, jännn ellor lodrät mot golvet, kan encheten losna och orsaka skador pa person och/eller eigendom. Vöggen skall vara stark nog att klara en vikt på minst yra gänger TV:ns vikt. (Mer information om vikten fini i referensguiden till TV:n.)
- Ominte installationen vaggfastet sitter stabil kan encheten losna och orsaka skador paerson och/eller egendom.
Överlåt forflyttning eller nedmontering av TV:n till behörig person.
Om obehöriga personer transporterar eller monterar ner TV:n kan den falla och orsaka allvarliga person- ergerégendomsskador. Se till att alltid minst två personer bär eller monterar ner TV:n.
Ta inte ur nagra skruvar etc. after att TV:n monterats.
Det kan leda till att TV:n faller ner och orsakar allvarliga person- ell ergendomsskador.
Modificera inte vaggfests olica delar.
Dákanvaggfastetlossnochorsakskadorpaprsonoch/elleregendom.
Montera ingen annan utrustning an den specificeradeprodukten.
Detta vaggfaste ar tillverkat enbart for
användning tilsammans med angiven
produkt. Om du anvander det for montering
av annan urustninq kan det losna eller gä
sonder och orsaka skador på person aller
egendom.
Utsatt inte vaggfustet for annan belastning an den fran TV:n.
Skakainte TV:n at vänster/höger,uppät/ nedät.
Det kan leda till att TV:n faller ner och orsakar allvarliga person- ell ergendomsskador.
Luta dig inte mot allerhang på TV:n.
Luta dig inte mot ell erhang pa TV:n
eftersom den kan falla ner pa dig och orsaka
alvarlig skada.
SE UPP
Om du inte afterfolj följande sakerhetsforeskrifter finns det risik forepersonskador eller skador på egendom.
Hantera enhances forsiktig\ när du rengör den aller utfor unterhäll.
Tyng inte onödig mycket på TV:ns ovensida.
Det kan leda till att TV:n faller ner och
orsakar allvarliga person- eller
egendomsskador.
- Om du anvander TV:n monterad pa vaggfastet under en langre tid, finns det risk att vagen bakom ell er vanfor TV:n missfargas aller att tapeten losnar, beroende pa vaggmaterialiaet.
- Om du tar bort vaggfastet fran vagen after installationen flnns skruhhalen kvar i vagen.
Använd inte vägflästet på platser som ar utsatta for mekanisk vibration.
Installeravaggfastet
Till Sony- aterforsäljare
WARNING
Fölljande instructuerungen gäller bara für Sony-Äterförsäjlare. Lás ovanstende sakerhetsföreskrifter noga och slapp aldrig tanken på sakerheten, varé sig under installation, unterhalb ihrer kontroll av den harprodukten.
Installera inte vaggfustet på en yta)där TV:ns horn eller sidor skjuter ut fran vöggen.
Installera intolerancegatpaaen yta,tilt exemplepenalpelare,darTV:ns horn ellersidor skjuterutfranvaggem.0n em person ellerrtofremralakraemotTV:nsutskujandedelarrdetledalstillallvarlgperson-lleregendomsskada.

Installera inte TV:n over uller under en luftkonditioneringsanlaggning.
Om TV:n utsats for vattenlackage aller luftströmmar frän en luftkonditioneringsanlaggnunder en langre tid kan det leda till brand, elektriska stötar eller Funktionstörning hos TV:n.
Följ anvisingarna i den har bruksanvisingen noga sa att monteringen av vaggfastet uppfyller sakerhetskraven.
Omn胆固醇 van skruvarna sitter lost ether lossnar kan vaggfastet lossna och orsaka skador pa person erigendom. Se till att du anvander ratt skruv for vaggmaterialiet och skruva fast enheten ordentligt med minst fya skruvar pa 8 mm i diameter (eller motsvarande).

Följ anvisiningarna i den här braupsanvisingen sä att de medfoljande skruvarna och monteringsdetaljerna blir använda på rätt sätt. Om du använder ersättningsdetaljer kan TV:n falla ner och ansaka personskador eller skador på TV:n.
Se till att fästet monteras ihop korrekt/GLt instruktionerna i braupsanvisingen.
Om nçagon av skruvam sitter lõst ell er losnat helt, kan TV:n lossna och orsaka personskador er skador ap TV:n.
Fäst och dra Åt skruvarna på den plats)där de ar avsedda att sitta.
I annat fall kan TV:n falla ner och orsaka personskador eller skador pa TV:n.
Utsatt inte TV:n for stötar vid installationen.
Om TV:n utsats for stotar kan den falla ner ell er g sonder. Detta kan orsaka personskador.
Installera TV:n på en vagg som ar bade lodrat och slät.
Annars kan TV:n falla ner och orsaka personskador.
När TV:n installererats på rätt satt fester du kablarna ordentlich.
Om personer eller foremål trasslar in sig i kablarna kan det orsaka persorskador eller skador på TV:n.
Se till att inte nätkabeln aller anslutningskabelnkommen i kläm.
Om nätkabel aller anslutningskabeln klams mellan encheten och väggen,�� böjs och vrids med vänd, kan de inre ledarna i kablarna filäggas, vilket kan leda till kortslutting aller stromavbrott. Det kan i sin tur leda till brand aller elektrisk stöt.

Skruvarna som behövs for att skruva fast vaggfastet på väggen medfoljer ej.
Skriva fast vaggfastet med skruvar som ar avpassade after vaggmaterialiet och vaggens struktur.
Använd vaggfäsitet SU-WL450 for att installerera TV:n på väggen.
Obs!
- Var noga med att forvara de borttagna skruvarna på en saker plats ochhall dem borta frän barn.
Förbereda installationen
- Ha TV:ns referensguide till hands fore installationen.
- Innan du pâbörjar monteringen bör du se till att ha en Phillips-skruvmejsel som passar skruvarna.
- Kontrollera din TV:s monteringsplats.
- Förbered minst fyra skruvar med en diameter på 8 mm och en skruv med en diameter på 5 mm eller liknande (medfoljer ej). Välj skruvar som är lämpiga für vaggmaterialiet.
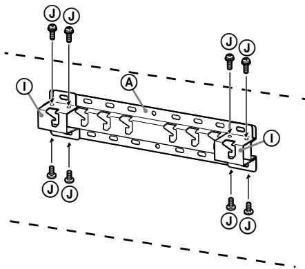
Kontrollera delarna
Medfoljer SU-WL450
- Kontrollera sà att alla delar medfoljer.
| A Bas (20) (1) | B Block (2) |
| C PSW 6x20 (4) | D PSW 4 x 20 med bussing (2) |
| E Distans (20) (2) | F Rem (1) |
| G Bussning (20) (M4) (2) | H PSW 4x20 (2) |
| I Basadapter (2) | J PSW 4x10 (8) |
| K Distans (60) (2) | L PSW 6x50 (2) |
| M Bussning (M4) (2) | N PSW 4x50 (2) |
| O Väggfeste (S) (2) | P Distans (2) |
| Q Bricka (1) | R PSW 5x12 (1) |
Medfoljer TV:n (fast på baksidan)

Välja installationsplats
1 Välj installationsplats.
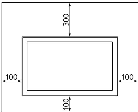
Kontrollera att vöggen ar stor nog for TV:n och att den ar stark nog for en vikt som ar fyra gänger TV:ns vikt.
Se foljande tabell beträffande att installerera TV:n på vöggen. Se TV:ns referensguide avseende TV:ns vikt.

Skärmens mittpunkt
Enhet: mm
| Modellnamn KD- | Bildskärmsmätt | Avständ till skärmens mittpunkt | Monteringsavstand | |||
| 3 | b | c | d | e | ||
| Standard-montering | Väggnäre montering | |||||
| 65XD85☐□ | 1454 | 842 | 56 | 483 | 102 | 60 |
| 55XD85☐□ | 1231 | 717 | 129 | 494 | 102 | 60 |
- Värdena i tabellen kan variera en aning beroende på installationen.
Obs!
Se till att det finns ett tillräckligt stort mellanrum mellan TV:n och taket och utskjutande delar av väggen enligt nedan.
Enhet: mm

-
För att sakerställa lamplig ventilation och forhindra ansamling av smuts och damm:
-
Lagg inte TV-apparaten ner, och montera den inte upp och ned, bak och frem, eller med en kortsida uppåt.
- Placera inte TV-apparaten på en hylla, matta, sang ell er iett skap.
- Täck inte TV-apparaten med tyg, t.ex. gardiner, ell er annat material som tidninger etc.
- Installerainte TV-apparaten sà som visas nedan.
Luften kan inte cirkulera fritt.

Obs!
- Om du avser att dra kablarna i väggen ska ett hal for detta borras i väggen innan installationen pâborjas. Förbered ett hal i väggen utänfor basen (20) A, basadapter ① och distansen (20) E, distansen (60) K for att forhindra att kablarna klams.
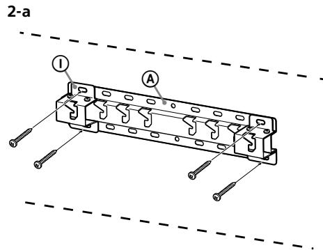
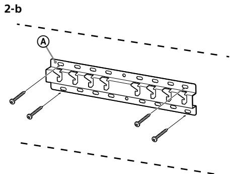
2 Valj typ av vaggmontering.
Avstandet fran TV:ns baksida till
vagggen väljs enligt
anvisiningarna nedan.
2-a Standardmontering
2-b Tät montering
Set tabellen i steg 1.
WARNING
- När 2-b välj ár atkomst till uttagen på baksidan begransad.


3 Se tabellen nedan for information om monteringsplats for bottenadaptern. Om 2-b valjs kan du hoppa over detta steg.
| Modellnamn KD- | Hakens placering |
| 65XD85□□ | b |
| 55XD85□□ | c |

Montera botanicalapeter ① med skruv (PSW 4x10) ⑤ i bas (20) ④ när 2-a väljs.

4 Avgör var skruvarna ske sitta vid montering av basen (20) A.
Se specificationsnpa sidan 12.
När du valjer 2-a ská hålpositionerna for bottenadapter ① användas.
WARNING
Den vagg som TV:n ska monteras på@maste vara stark nog attbaraen vikt på minst fyra ganger TV:ns vikt (Se din TV:s referensguide for information om dess vikt.).
- Försakra dig om att vöggen där TV:n skall monteras ar tillräckligt stark. Förstärk vöggen ordentlich om sö behövs.
- Förbered minst fyra skruvar med en diameter på 8 mm eller liknande (medfoljer ej).
Satt fyra skruvar i halen for botanical adapter ① med bas (20) A (endast 2-a).
Fast basen (20) horisontellt på väggen.


Förbered installationen av TV:n
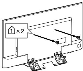
1 Ta bort skruvarna是从 TV:ns baksida.
KD-65XD85□□

KD-55XD85□□

2 Fäst monteringsdetaljerna für vaggfäsitet. Kontrolera monteringsdetaljerna genom att hänvisa till "Medfoljer SU-WL450" i "Kontrolera delarna" på sidan 5.
Obs!
Fast monteringsdetaljerna ordentligt med skruvar.
- Om du använder en elektrisk skruvdragare ske du ställa in vridmomentet på círka 1,5 Nm {15 kgf.cm}.
- Glöm inte att spara oanvända delar på en saker plats För framtida användning. Sparaenna braksanvisning För framtida användning.

Standardmontering (2-a)
Väggnära montering (2-b)
Obs!
- Vissa av terminalerna på baksidan av TV:n kan inte anvandas vid detta monteringssatt.


3 Anslut nödvändiga kablar till TV:n.
Se till sà att du ansluter kablarna innan du monterar TV:n på väggen. Det går inte att ansluta kablarna Near TV:n ar monterad. Se referensguiden som följde med TV:n.
4 Lossa kabelhällaren (medfoljer TV:n). (endast KD-65XD85□□)

5 Bunta ihop kablarna.
För KD-65XD85□□ fäster du kabelhällaren i en av de inre hålén.

Obs!
- Anlita en behörig montör für att utföra kabeldragningen i vöggen.
- Samla ihop anslutningskablarna for att undvika att du trampar på dem innan vaggmontering sker.
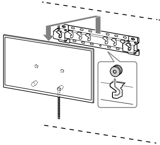
6 Ta loss bordsstativet fran TV:n.

Information om var blocken B skahänga paa basen finns i tabellen understeg 3 i avsnittet "Välja installationsplats"paa sidan sidan 6.
- Häll TV:n ordentigt med båda händerna och hang försiktigt upp blocken (B), som sitter på TV:ns baksida, på basen, genom att passa in dem i hålens form.
- När TV:n har monterats på vöggen ská man kontrollera att blocken ⑧ ar ordentlich fästa i basen eller basadaptern.

2-a

2-b
WARNING
- Se till sà att minst tvá personer hjälpss àt att bāra TV:n.
2 Forhindra att TV:ns nedre del flyttar sig.
- Spänn Åt remmen (F) och fäst den ordentlich i vöggen.


- Använd en skruv på 5 mm i diameter aller liknande (medfoljer ej).
Obs!
- Forsök dra TV:ns nedre del mot dig for att se till att den inte rör sig. Om TV:n rör sig sitter den inte fast som den sk och remmen F maste dras Åt ytterligare.
Kontrollera att installationen har slutförs
Kontrollera fölande punkter.
- Att blocken (B) hänger ordentlich på basen eller basadaptern.
- Sladden och kabeln inte har vridits eller kommit i klåm.
- Remmen ár átdragen och inte hänger slappt.
WARNING
- Felaktig placering av nätkabeln etc. leda till brand eller elektriska stötar till följd av en kortslutning. Av sakerhetsskal ar det viktigt att du kontrollerar att installationen har slutförts.
Övrig information
Ta bort TV:n genom att utföra installationsfürandet i omvänd ordning.

WARNING
- Se till sa att minst två personer hjälps Åt att hälla i TV:n\ när den tas bort.
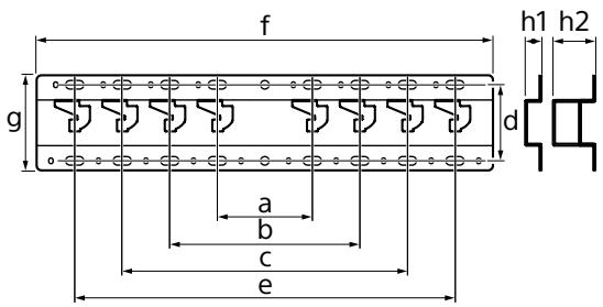
Specificationer

Matt: (cirka.) [mm]
a :100
b : 200
c :300
d :80
e :400
f :480
g :100
h1 : 20 (fall 2-b)
h2 : 60 (fall 2-a)
Vikt (endast bas): (cirka.) [kg]
0,8
Design och specifikationer kan ändrasutan foregående meddelande.
1 Installer TV-en på sukkelen.
- For Å se hvor skivene ⑧ skal henge pa soskelen, kan du se tabellen i trinn 3 i "Bestemme installationsstedet" paside 6.
- Hold TV-en med begge hendene på en sikker mæte og heng skivene ⑧ som er festet på baksiden av TV-en på sukkelen, mens du sørger for at det passer fasongen på hullene.
- Etter installationsjon av TV-en på veggen, kontrollerer du at trinsene ⑧ er godt festet på sukkelen eller sukkeladapteren.

2-a

2-b
ADVARSEL
- Sørg for at to eller flere personer holder TV-en nár den bærés.
EnkelManual