KD65XD8505B - Televisie SONY - Gratis gebruiksaanwijzing en handleiding
Vind de handleiding van het apparaat gratis KD65XD8505B SONY in PDF-formaat.
Download de handleiding voor uw Televisie in PDF-formaat gratis! Vind uw handleiding KD65XD8505B - SONY en neem uw elektronisch apparaat weer in handen. Op deze pagina staan alle documenten die nodig zijn voor het gebruik van uw apparaat. KD65XD8505B van het merk SONY.
GEBRUIKSAANWIJZING KD65XD8505B SONY
Installatie-informatie voor de Sony-wandmontagesteun (SU-WL450)
Ondersteunde modellen: KD-65XD85□\*/55XD85□\*
- In de werkelijkke modelnamen staan inplaats van "□□" nummers en/of letters die voor elk model anders zijn.
Aandeklanten
Om het apparaat te beschermen en om veiligheidsredenen raadt Sony u met klem aan de teileisie te lien installereren door een Sony-dealer of een erkende installmenteur. Probeer de installmentie nicht zichuiit te voeren.
Aan Sony-dealers en installateurs
Let goed op de veiligheidijdens installmentie, periodiek onderhoud en inspectie van dit product.
Voor de installmentie van dit product is de nodige expertise vereist, met name om te bepalen of de muur sterk genoeg is om het gewicht van de televisie te dragen. Laat de installmentie van dit product aan een muur uitvoeren door een Sony-dealer of een erkende installmenteur, en let goed op de verilgheidijdens de installmentie. Sony kan nicht aansprakelijk worden gesteld voor schade of letsels als gevolg van een onjuiste behandeling of installmentie.
Om de veiligheid en een degelijkke installmentie te verzekeren, volgt u de gebruiksaanwijzing van de wandmontagesteun, de beknopte gids van uw television en de instructies in deze handleiding.
Veiligheid
Bedankt voor uw aankoop van dit product.
Aandeklanten
Om dit product te konnen installereren is afoende deskundigheid nodig. Besteed de installmente uit aan dealers van Sony of aan bevoegde installateurs, en schenkijdens de installment speciale aandacht aan de veilighheid. Sony is nicht aansprakelijk voor schade of letsel als gevolg van onjuist handelen, een onjuiste installmente of de installmente van een ander product dan het opgegeven product. Uw wettelijk rechten (indien van toepassing) worden Niet aangetast.
Aan Sony-dealers
Om dit product te kennen installeren is afdoende deskundigheid nodig. Lees deze gebruksaanwijzing aandachtig door zodat u de instalatie videil kuntuitvoeren. Sony is nicht aansprakelijk voor schade of letsel als gevolg van onjuist handelen of een onjuiste instalatie. Geef deze gebruksaanwijzing aan de klant nadat het product is geinstalleerd.
In deze gebruiksaanwijzing worden beschreiben hoe het product moet worden gebruikt en worden belangrijke voorzorgsmaatregelen geveven die vereist zich om ongelukken te voorkomen. Lees deze gebruiksaanwijzing aandachtig door en gebruik het product op de juiste manier. Bewaar deze gebruiksaanwijzing voor toekomstig gebruik.
Bij het ontwerpen van producten houdt Sony rekening met de verilgheid. Als de producten onjuist worden gebruikt, kan dit darüber ernstige letseisveroorzaken als gevolg van brand, elektrische schokken, omvallen of latenten vallen het product. Houd rekening met de verilgheidsmaatregelen om dergelijk oncegvallen te voorkommen.
OPGELET
Opgeven producten
Deze wandmontagesteun is geschikt voor gebruik met de opgegeven tv's. Voor televisies verwijzen weaar de referentiehandleiding om na te gan of de wandmontagesteun kan worden gezruikt.
Aandeklanten
WAARSCHUWING
Als u de volgende voorzorgsmaatregelen Niet in acht neemt, kan dit leiden tot ernstige verwondingen of zelfs de dood ten gevolge van brand, elektrische schokken of het latent vallen van het product.
Besteed de installmente uit aan bevoegde installateurs en houd keine kinderen uit de buurtijdens de installmentie.
Als de wandmontagesteun of de tv nicht correct worden geinstalleerd, kann den volgende ongelukken zich voordoen. Zorg ervoor dat de instalattie worden utgagevoerd door bevoegde installateurs.
- De tv kan vallen en ernstige letselsveroorzaken, zoals kneuzingen of breuken.
- Als de muur waaraan de wandmontagesteun worden bevestigd onstabeli of ongelijk is of nicht loodrecht op de vloer staat, kan de steun vallen, met letsels of beschadiging van eigendommen tot gevolg. De muur moet sterk genoeg zichen om ten minste vier ker het gewicht van de tv te dragen. (In de referentiehandleiding van uw television vindt u het gewicht van uwDTVise.)
- Als de wandmontagesteun Niet stevig genoeg aan de muur worden bevestigd, kan de steun vallen, met letsels of beschadiging van eigendommen tot gevolg.
Als u de tv wilt verplaatsen of van de steun wilt halen, moet u dit werkuitbesteden aan bevoegde installateurs.
Als andere Personen dan bevoegde installateurs de tv verplaatsen of van de steun halen, kan de tv vallen, met letsels of beschadiging van eigendommen tot gevolg. Ten minste twee Personen要去 den tv dragen of van de steun halen.
Verwijder de schroeven Niet nadat de tv aan de steun is bevestigd.
Als u dit wel doet, kan de tv vallen, met letsels of beschadiging van eigendommen tot geolg.
Breng geen aanpassingen aan de onderdelen van de wandmontagesteun aan.
Als u dit wel doet, kan de wandmontagesteun vallen, metLetsels of beschadiging van eigendommen tot gevolg.
Installer geen andere producten dan het opgegeven product.
Deze wandmontagesteun is alleen geschikt voor gebruik met het opgegeven product. Als u andere producten dan het opgegeven product gaat installeren, kan het vallen of breken, met letsels of beschadiging van eigendommen tot bevolg.
Bevestig geen ander gewicht dan de tv aan de wandmontagesteun. Schud de tv Niet van links\ haar rechts of op en neer.
Als u dit wel doet, kan de tv vallen, met letsels of beschadiging van eigendommen tot geolg.
Leun nicht op en hang Niet aan de tv. De tv kan op u vallen en ernstige letselsveroorzaken.
OPGELET
Als er geen rekening worden gehonden met de volgende voorzorgsmaatregelen, kan dit letsel of beschadiging van eigendommen tot gewolg hebden.
Oefen nicht te veel drukuit op het product als udit reinigt of onderhoudt.
Oefen Niet te veel drukuit op de bovenkant van de tv. Als u dit wel doet, kan de tv vallen, met letsels of beschadiging van eigendommen tot gevolg.
Voorzorgsmaatregelen
- Als u de tv langere tijd gebruikt terwijl deze aan de wandmontagestein bevestigd, kan de muur achefter of boven de tv verkleuren en kan het behang losraken, afhankelijk van het materiaal waarvan de muur is gemaakt.
- Als u de wandmontagesteun verwijdert\ nat u deze aan de muur heb tevestigd,\ dan bijden de schroefgaten zichtbaar.
- Gebruik de wandmontagesteun niet opplaaten waar deze worden blootgesteld aan Mechanische trillingen.
De wandmontagesteun installeren
Aan Sony-dealers
WAARSCHUWING
De volgende instructies gelden enkel voor Sony-dealers. Lees zeker de bovenstaande verilghieidsmaatregelen en schenk extra aandacht aan de verilghieid tijdens de installation, het onderhoud en de contrôle van dit product.
Installeer de wandmontagesteun nicht op een muuroppervlak waar bij de hoeken of de zichkanten van de tv de wand Niet raken.
Installer de wandmontagesteun nicht op muropoppervlakken, zaels een pilaar, waar bij de hoeken de zichkanten van de tv de wand nicht raken. Als een persoon of voorwerp tegen een uitstekende hoek of zichkant van de tv botst, kan dit letsels of beschadiging van eigendommen tot gevolg hebben.

Installer de tv Niet boven of onder een airconditioner.
Als de tv voor langerearend wordt blootgesteld aan waterlekkage of luchtcirculatie van een airconditioner, kan dit brand, elektrische schokken of een storing van de tv tot gezolg hebben.
Bevestig de wandmontagesteun stevig aan de muur volgens de instructies in deze gebruiksaanwijzing.
Als een van de schroeven los zit of valt, kan de wandmontagesteun vallen, met letsels of beschadigming van eigendommen tot gevolg. Gebruik schroeven die geschikt zijn voor het materiaal van de muur en bevestig de steun stevig met vier of meer schroeven van 8 mm diameter (of gelijkwaardig).

Gebruik de bijgeleverde schroeven en montageonderdelen op de juiste manier volgens de instructies in deze gebruiksaanwijzing. Als u andere onderdelen gebruikt, kan de tv vallen, met lichamelijke letsels of beschadiging van de tv tot gevolg.
Zorg ervoor dat u de steun correct monteert volgens de instructies in deze gebruiksaanwijzing.
Als een van de schroeven los zit of valt, kan de tv vallen, met lichamelijke letels of beschadiging van de tv tot gevolg.
Draai de schroeven stevig vast op de aangegeven plaats.
Als u dit Niet doet, kan de tv vallen, met lichamelijke letsels of beschadiging van de tv tot gevolg.
Stel de tv Niet bloot aan schokkenijdens de installmentie.
Als de tv worden blootgesteld aan schokken, kan die vallen of breken. Dit kan letsels tot gevolg hebden.
Bevestig de tv aan een vlakke muur die loodrecht op de vloer staat.
Als u dit Niet doet, kan de tv vallen, met letsels tot gevolg.
Bundel de kabels goed samen na het installereren van de tv.
Als mensen of voorwerpen blijven haperen aan de kabels, kan ditLetsels of beschadigend van de tv tot vegol hebden.
Zorg ervoor dat het netsnoer en de verbindingskabel nicht geklemd raken.
Als het netsnoer of de verbindskabel geklemd raaktussen de steun en de muur of als een van beiden met kracht gebogen of gadraaid is, kan de interne bedrading worden bloatgelegd, waardoor kortsluiting of een stroomonderbreking kan wordenverooraazakt. Dit kan brande of elektrische schokken tot geolg hebden.

De schroeven die u nodig hebt om de wandmontagesteun te bevestigen, zich nicht bijgeleverd.
Gebruik voor het bevestigen van de wandmontagesteun schroeven die geschikt zich voor het materiaal en de structuur van de muur.
De tv aan de muur bevestigen
De installmentprocedure verschift afhankelijk van de tv.
Gebruik de wandmontagesteun SU-WL450 om de teilevisie aan een muur te bevestigen.
Opmerking
- Bewaar de verwijderde schroeven op een veilige plaat waar kinderen er nicht bij konnen.
De voorbereidingen treffen voor de installmentie
- Zorg ervoor dat u de referentiehandleiding van de teilevisie bij de hand heeft voor u met de installmentie begint.
Leg een kruskopschroeqvendraaier klaar die geschikt is voor de gebruikte schroeven. - Bepaal waar u de tv zult installereren.
- Zorg voor vier of meer schroeven met een diameter van 8 mm en een schroef met een diameter van 5 mm of gelijkwaardig (niet bijgeleverd). Gebruik schroeven die geschiktঀoor het materiaal van de muur.
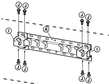
De onderdelen controleren
Bijgeleverd bij SU-WL450
- Ga na of alle onderdelen bijgeleverd zijn.
Bijgeleverd bij de tevisie (zie achechterkant)
| A Voet (20) (1) | B Kabelschrift (2) |
| C PSW 6x20 (4) | D PSW 4x20 met huls (2) |
| E Afstandhouder (20) (2) | F Riem (1) |
| G Huls (20) (M4) (2) | H PSW 4x20 (2) |
| I Voetadapter (2) | J PSW 4x10 (8) |
| K Afstandhouder (60) (2) | L PSW 6x50 (2) |
| M Huls (M4) (2) | N PSW 4x50 (2) |
| O Wandmontage- onderdeel (S) (2) | P Afstandhouder (2) |
| Q Onderlegring (1) | R PSW 5x12 (1) |

De installmenteplaats bepalen
1 Bepaal waar u de tv zult installereren.
Voorzie voldoende ruimte voor de televisione aan de muur en zorg ervoor dat deze minstens vier ker het gewicht van de televisione kan dragen.
Raadpleeg de volgende tabel om de televisione op de wand te installereren. Raadpleeg de referentiehandleiding van uw televisione voor het gewicht van uw televisionie.

Middelpunt van het beeldscherm
Eenheid: mm
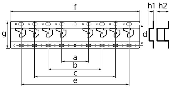
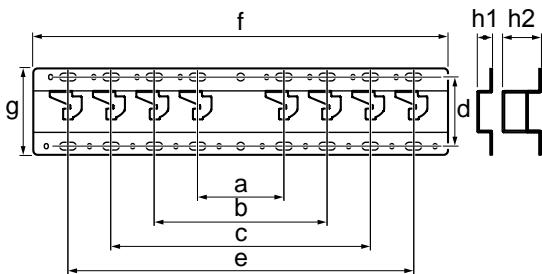
| Modelnaam KD- | Afmetingen beeldscherm | Afstand tot middelpunt beeldscherm | Afstand voor de montage | |||
| a) | b) | c) | d) | e) | f) | |
| Standaard-montage | Smalle montage | |||||
| 65XD85□□ | 1.454 | 842 | 56 | 483 | 102 | 60 |
| 55XD85□□ | 1.231 | 717 | 129 | 494 | 102 | 60 |
Opmerking
- De waarden in de tabel konnenlicht afwijken affankelijk van de installmentie.
Zorg Zoals hieronder weergegeven voor voldoende ruimte:tussen de tv, het plafond en uitstekende delen van de muur.
Eenheid: mm

- Voor een goede ventilatie en om ophoping van vuil en stof te voorkomen:
Leg de tevisie nicht plat op de grond en installeer\
deze nicht ondersteboven, achefterstevoren of\
gedraid.
Zet de télévisie Niet op een plank, tapijt, bed of in een kast.
Bedek de televiseiet met een doek (bv.een gordijn)of met voorwerpen als kranten enz.
- Installee de télévisie nicht zoals hieronder worden getoond.
De luchtcirculatie is geblokkeerd.

Opmerking
- Als u de kabels door de muur wilt geleiden, maakt u een opening in de muur om de kabels door te steken voor u aan de installmentie begint.
Om te voorkomen dat de kabels geklemd rake, maakt u vooraf een opening in de muur buiten deplaatsen waar de voet (20) A, Voetadapter 1 en de afstandhouser (20) E, afstandhouser (60) K gemonteerd worden.
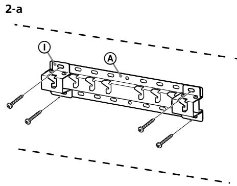
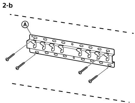
2 Kies de wandmontagestijl. De afstand tussen de achechterkant van de tv en de muur kan gekozen worden zoals hieronder aangegeven.
2-a Standaardmontage
2-b Smalle montage
Raadpleeg de tabel in stap 1.
WAARSCHUWING
- Als u kiest voor 2-b, zijn de aansluitingen achteraan slechts beperkt toegankelijk.


3 Raadpleeg de onderstaande tabel voor meer informatie over de bevestigingsplaats van de voetadapter. Als u kiest voor 2-b, kutu deze stap overslaan.
| Modelnaam KD- | Plaats van de haak |
| 65XD85□□ | b |
| 55XD85□□ | c |

Bevestig de voetadapter ① met de schroef (PSW 4x10) ② aan de voet (20) ④ runawayer u kiest voor 2-a.

4 Bepaal de posities van de schroeven voor de installmentie van de voet (20) A.
Raadpleeg hiervoor de specificaties op pagina 12.
Als u kiest voor 2-a, dient u de posities van de gaten voor de voetadapter ① te gebruiken.
WAARSCHUWING
- De muur waaraan de tv bevestigd zal worden, moet sterk genoeg zijn om ten minste vier ker het gewicht van de tv te dragen (In de referentiehandeiding van uw television vindt u het gewicht van uw television.).
- Bepaal de sterkte van de muur waarop de tv worden gemonteerd. Verstevig de muur indien nodig.
De voet aan de muur bevestigen
- Gebruik vier of meer schroeven met een diameter van 8 mm of gelijkwaardig (niet bijgeleverd).
- Bevestig vier schroeven in de gaten van de voetadapter ① met de voet (20) A (alleen 2-a).
- Bevestig de voet (20) A horizontal aan de muur.


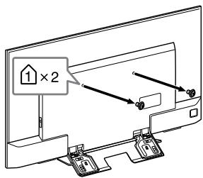
De installment van de tv voorbereiden
1 Verwijder de schroeven aan de城县.
KD-65XD85□□

KD-55XD85□□

2 Bevestig de
bevestigingsonderdelen voor de wandmontagesteun.
Controleer de bevestigingsstukken door "Bijgeleverd bij SU-WL450" te raadplegen in "De onderdelen controlleren" op pagina 5.
Opmerking
Zorg ervoor dat de bevestigingsonderdelen goed vastgeschroefd zich.
- Wanner u een elektrische schroevendraier gebruikt,要去 u de draaikracht instellen op ongeveer 1,5 N·m {15 kgf·cm}.
- Bewaar de ongebruekte onderdelen op een veilige plaats voor toekomstig gebruik. Bewaar deze handleiding zodate u deze in de toekomst kut raadplegen.

Standaardmontage (2-a)
Smalle montage (2-b)
Opmerking
- Als u重点领域 montagestijl kiest, können bepaalde aansluitingen aan de�始kant van de teileisie niets gebruikt worden.


3 Sluit de nodige kabels aan op de tv.
Zorg ervoor dat alle kabels aangesloten zich voor u de tv aan de muur bevestigt. Als de tv geinstalleer is,kest u de kabels Niet longer aansluiten.
Raadpleeg de referentiehandleiding die bij uw tevisie is geleverd.
4 Maak de kabelhouser (bijgeleverd met de televisie) los (alleen voor KD-65XD85□□).

5 Bind de kabels samen.
Bij de KD-65XD85□□ bevestigt u de kabelhouser aan een van de openingsen.

Opmerking
- Als u de kabels in de muur wilt geleiden, is het aan te raden dit uit te besteden aan een erkende installmenter.
- Bundel de kabels samen om te voorkomen dat u erop trapt voor u de tv aan de muur bevestigt.
6 Maak de tafelstandaard los van de televisie.

De tv aan de muur bevestigen
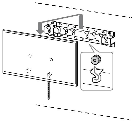
1 Monteer de tv op de voet.
- De locatie van de kabelschijven (B) voor het bevestigen van de tv aan de voetkest u terugvinden in de tabel bij stap 3 onder "De installmentieplaats bepalen" op pagina 6.
- Houd de tv stevig vast met beiden handen en hang de kabelschijven die bevestigd zijn aan de achterkant van de tv voorzichtig aan de voet. Let hierbij op de vom van de openingsen.
- Controller na het bevestigen van de tv aan de muur of de kabelschijven ⑧ stevig verankerd� in de voet of voetadapter.

2-a

2-b
WAARSCHUWING
- Draag de tv.altijd minstens met twee Personen.
2 Voorkom dat de onderkant van de tv gaat bewegen.
- Span de riem (F) goed aan en bevestig deze stevig aan de muur.


- Gebruik een schroef met een diameter van 5mm of gelijkwaardig (niet bijgeleverd).
Opmerking
- Probeer zich de onderkant van de tv maar u toe te trekken om te controlleden dat deze Niet kan bewegen. Als de tv nog beweegt, is deze nicht correct bevestigd en moet de riem F opnieuw vastgemaakt worden.
De installmente controlleden
Controleer de volgende punten.
- De kabelschijven (B) zijn stevig verankerd in de voet of voetadapter.
- Het snoer en de kabel zichniet verstrengeld of gekneld.
- De riem is stevig aangespannen.
WAARSCHUWING
- Een fout aangesloten netsnoer enz. kan door een kortsluiting brand of elektrische schokken veroorzaken. Controleer algijd anschraf de installmentie om zeker te zijn dat alles veilig is.
Extra informatatie
Voer de hiervoor beschreiben installmentieprocedure omgekeerduit om de tv van de muur te verwijderen.

WAARSCHUWING
- Verwijder de tv.altijd minstens met twee Personen.
Technische gegevens

Afmetingen: (ong.) [mm]
a :100
b : 200
c :300
d : 80
e :400
f :480
g :100
h1 : 20 (voor 2-b)
h2 : 60 (voor 2-a)
Gewicht ongeveer 0,8 kg (alleen voet)
Wijzigingen aan het ontwerp en de technische gegevens bijn voorbehonden zonder kennisgeving.
Terepuiktep 8 Heri3re Hemece Herizri aanTprep aanTpepine 6ekem iinii.
-
CbIM MeH KaBebIb opaJImaFaH Hemece KbICbJIIMaFaH.
-
Beñidík F Mbiktan 6ekitirreH.
ECKEPTY
AinbMaIbTOKcbMbHbHHeMeceT.6.KaTeOpHaNacybblkckaTynbKTany caJapBbHaH eptTIH naJaDa bonybHaHe mece TOKcfoy Kaynihe kenyi MyMkiH. OphatyXMybCTapbHbH Kayincidik TaanTapbHa caiOpbHdAnfahbHaKe3 XeTki3iHj3.
Backa aKnapaT
TeJeIaIapIbI aJIFaH Ke3Ie aJIbIHfblOpHaTy npOeIypacbIH KepicHHe opbIHdaHbI3.

ECKEPTY
TepeuapbI aIfAH Ke3e eki HeMece OaH da KcI aam TeepuapbI yCTan TypyI KepeK.
TexHnkaJIbIK cHnataTamaJapbl

Θηωεmθερε: (ωaMaMeH) [MM]
a : 100
b : 200
c : 300
d : 80
e :400
f :480
g : 100
h1:20(2-b typi)
h2 : 60 (2-a typi)
SimpelGids