KD65XD8505B - Televisore SONY - Manuale utente e istruzioni gratuiti
Trova gratuitamente il manuale del dispositivo KD65XD8505B SONY in formato PDF.
Scarica le istruzioni per il tuo Televisore in formato PDF gratuitamente! Trova il tuo manuale KD65XD8505B - SONY e riprendi in mano il tuo dispositivo elettronico. In questa pagina sono pubblicati tutti i documenti necessari per l'utilizzo del tuo dispositivo. KD65XD8505B del marchio SONY.
MANUALE UTENTE KD65XD8505B SONY
Informazioni sull'installazione per l'utilizzo della staffa di montaggio a parete Sony (SU-WL450)
Modelli supportati: KD-65XD85□*/55XD85□*
- Nei nomi dei modelli, "□□" indica numero e/o caratteri utilizzati per designare i singoli modelli.
Ai Clienti
Per la protezione del prodotto e per motivi di sicurezza, Sony consiglia caldamente di far realizzare l'installazione del teilevisore da rivenditori Sony o distributori autorizzati. Non cercare di installare il teilevisore da soli.
Per i rivenditori e gli installatori Sony
Prestare particolare attenzione alle misure di sicurezza durante l'installazione, la manutenzione periodica e la revisione del presente prodotto.
Per l'installazione di quello prodotto è necessaria una certa esperienza, soprattutto per stabilire la resistenza del muro che dovrebbe sostenere il peso del teilevisore. Affidare il lavoro di collocazione di quello prodotto a parrete a rivenditori Sony o a distributori autorizzati e prestare l'attenzione necessaria alla sicurezza durante l'installazione. Sony non si assume alcuna responsabilità in caso di danni o ferite causate da una gestione non adeguata o da un'installazione scorretta.
Per ragioni di sicurezza e per una corretta installmente, atteneri alle Istruzioni per l'uso della staffa di montaggio a parete, alla Guida di avvio del teilevisore e alle indicazioni contenute in quello manuale.
Informazioni sulla sicurezza
Grazie per aver acquistato quello prodotto.
Informazioni per i clienti
Per l'installation di quello prodotto è necessario disquire di sufficiente competenza. Assicurarsi che l'installation venga eseguita da rivenditori Sony o da personale autorizzato e prestare particolare attenzione alla sicurezza durante le operazioni di installatione. Sony non pourrait essere ritenuta responsable per anni o lesions Cause da usi non appropriati del prodotto, da installatione non corretta o da installations di prodotti diversa da quello specificato. Quanto dichiarato non pregiudica (eventuali) diritti legali dell'acquirente.
Informazioni per i rivenditori Sony
Per l'installation di"Thiso prodotto è necessario disporre di sufficiente competenza. Leggere attendamente il presente manuale di struzioni per garantire la corretta esecuzione della procedura di installation. Sony non pourrait essere ritenuta responsable per dani o lesions causate da usi non appropriati del prodotto o da installation non corretta. Consegnare il presente manuale al cliente dopo l'installation.
Il presente manuale di istruzioni spiega come utilizzato correttamente questo prodotto; inoltre, contiene precauzioni importanti da rispetto per prevenir incidenti. Accertarsi di leggere attendentamente questo manuale e di utilizzato correttamente il prodotto. Conservare quello manuale a portata di mano per poterlo consultare in futuro.
I prodotti Sony sono progettati per essere sicuri. Ciononstante, è possible che, se i prodotti vengono utilizzati in modo errato, si verifichino lesioni gravi dovunte a incendi, scosse elettriche, ribaltamento o caduta dei prodotti stessi. Onde evitare tali incidenti, accertarsi di osservare le appropriate precauzioni per la sicurezza.
ATTENZIONE
Prodotti specificati
Questa staffa di montaggio a parete è progettata per essere utilizzata con i teilevisori specificati. Per quanto riguarda i teilevisori, consultare la relativa Guida di riferimento per verificare se la presente staffa di montaggio a parete può essere utilizzata.
Informazioni per i clienti
AVVERTENZA
Se le precauzioni riportate di seguito non vengono rispetto, è possibile procurarsi lesioni gravi o mortali a causa di incendi, scesse elettriche o caduta del prodotto.
Assicurarsi che l'installazione venga eseguita da personale autorizzato e tenere lontani i bambini durante l'installazione.
Se la staffa di montaggio a parete o il tevisore non vengono installati correttamente, sono verificarsi i seguenti incidenti. Accertarsi che l'installazione si effettua da personale autorizzato.
- Il tevisore potrebbe cadere e causare lesioni gravi, per esempio contusioni o fruttae.
- Se laparete su cui viene installata la staffa di montaggio a parete è instabile, irresgolare oppure non è perdiccolare al pavimento, l'unità potrebbe cadere causando lesioni o danni a oggetti. La parete delve essere in grado di sostenere un peso almeno quello volta superiore a quello del teilevisore. (Consultare la Guida di riferimento del teilevisore per verificarne il peso.)
- Se l'installazione a muro della staffa di montaggio non è sufficientemente salda sulla parete, l'unità potrebbe cadere e causare lesioni o danni a oggetti.
Assicurarsi che lo spostamento o lo smontaggio del tevisore vengano eseguiti da personale autorizzato.
Qualora lo spostamento o lo smontaggio del tevisore vengano eseguita da personale non autorizzato, il tevisore potrebbe cadere e causare lesioni o danni a oggetti. Assicurarsi che il tevisore venga trasportato o smontato da almeno due persone.
Dopo aver completeness il montaggio del teilevisore, non rimuovere viti o altri elementi simili.
In caso contrario, il tevisore potrebbe cadere e provocare lesioni o danni a oggetti.
Non effettuare modifiche sulla staffa di montaggio a parete.
In caso contrario, la staffa di montaggio a parete potrebbe cadere e provocare lesions o danni a oggetti.
Non montare prodotti diversi da quelli specificati.
Questa staffa di montaggio a parete è progettata per essere utilizzata esclusivamente con il prodotto specificato. Se viene montato un prodotto diverso da quello specificato, quello potrebbe cadere o rompersi causando lesioni o danni a oggetti.
Non collocare altri oggetti diversi dal teilevisore sulla staffa di montaggio a parete.
Non scuotere il tevisore. verso destra/sinistra o verso l'alto.il basso.
In caso contrario, il tevisore potrebbe cadere e provocare lesioni o danni a oggetti.
Non appoggiarsi né aggrapparsi al tevisore.
Non appoggiarsi né aggravapparsi al televisione perché potrebbe cadere e causare lesioni gravi.
ATTENZIONE
In caso di inossevanza delle seguenti precauzioni, potrebbero verificarsi lesioni o danni a oggetti.
Non esercitare una pressione eccessiva sul prodotto durante le operazioni di pulizia o manutenzione.
Non applicare una forza eccessiva sulla parte superiore del tevisore. In caso contrario, il tevisore potrebbe cadere e provocare lesioni o danni a oggetti.
Precauzioni
- Se si utilizza il tevisore installato sulla staffa di montaggio a parete per un tempo prolongato, è possible che la parete dovro o sopra il tevisore scolorisce o che la carta da parati si stacchi, a seconda del materiale di cui è costituita la parete.
- Se la staffa di montaggio a parete viene rimossa dopo essere stata installata sulla parete, i fori delle viti rimangono.
Non utilizzare la staffa di montaggio a parete in luogi soggetti a vibrazioni meccaniche.
Installazione della staffa di montaggio a parete
Informazioni per i rivenditori Sony
AVVERTENZA
Le seguenti istruzioni si rivolgono escludvamente ai rivenditori Sony. Accertarsi di leggere le precauzioni per la sicurezza descritte in precedenza e prestare particolare attenzione alla sicurezza durante le operazioni di installatione, manutenzione e controllo del prodotto.
Non installare la staffa di montaggio a parete su un muro dove gli angoli o i lati del tevisore sporgono alla superficie del muro stesso.
Non installare la staffa di montaggio a parete su un pilastro se gli angoli o i lati del tevisore sporgono alla superficie del pilastro stesso. Se una persona o un oggettodevessero urtare la parte sporgente del tevisore, potrebbero verificarsi lesioni o danni a oggetti.

Non installare il televisore sopra o sotto un condizionatore d'aria.
Se il tevisore rimane esposto a perdite d'accu o correnti d'aria provenienti da un condizionatore per lungo tempo, potrebbero verificarsi incendi, scosse elettriche o malfunzionamenti del tevisore.
Accertarsi di installare saldamente la staffa di montaggio a parete rispetto le istruzioni contenate in quello manuale.
Se una o più viti dovessero apparire allentate o dovesseso cadere, la staffa di montaggio a parete potrebbe cadere a sua volta, causando lesions a personne o danni a oggetti. Assicurarsi di utilizzato le viti appropriate al materiale di cui è costituita la parete e INSTALLARE il prodotto saldamente utilizzato almeno quattro viti con diametro di 8 mm (o equivalenti).

Accertarsi di utilizzato correttamente le viti e gli altri materiali per l'installazione in dotazione rispettoando le istruzioni contenate in quello manuale di istruzioni. Se siutilizzato altriamateriali, il tevisore potrebbe cadere ecausare lesioni apersona o danni altelevisore stesso.
Accertarsi di montare correttamente la staffa rispettoando la procedura spiegata nel presente manuale di istruzioni.
Se una o più viti dovessero apparire allentate o dovessero cadere, il televisore potrebbe cadere e causare lesioni a persona o danni al televisore stesso.
Accertarsi di serrare saldamente le viti nella posizione individata.
In caso contrario, il televisore potrebbe cadere e causare lesionsi a persona o dati al televisore stesso.
Evitare che il tevisore subisca urti durante l'infallazione.
Se il tevisore subisce urti, potrebbe cadere o rompersi. Ciò potrebbe causare lesioni.
Accertarsi di installare il televisore su una parete perpendiculare e piana.
In caso contrario, il tevisore potrebbe cadere e provocare lesioni.
Dopo aver completeness I'installazione del teilevisore, fissare correttamente i cavi.
Qualora persono o oggetti dovesso rinanere impigliati nei cavi, ciò potrebbe causare lesions o dati all televisione.
Verificare che il cavo di alimentazione CA o il cavo di collegamento non rimangano incastrati.
Se il cavo di alimentazione CA o il cavo di collegamento rimangono incastrati tra il prodotto e la parete oppure vengono piegati o attorcigliati forzatabente, è possible che i conduttori interni restino scoperti, provocando cortocircuiti o rotture dei cavi stessi. Ciò potrebbe causare incendi o scousse elettriche.

Le viti necessarie per l'installazione a parete della staffa di montaggio non sono fornite in dotazione.
Per montare la staffa di montaggio a parete, utilizzare le viti appropriate per il materiale di cui è composta la parete.
Installazione del tevisore a parete
La procedura di installatione cambia a seconda del tevisore da installare. Utilizzare la staffa di montaggio a parete SU-WL450 per installare il tevisore alla parete.
Nota
- Assicurarsi di conservare le viti rimosse in un luogo sicuro, lontano alla portata dei bambini.
Preparazione per l'installazione
- Tenere a portata di mano la Guida di riferimento del teilevisore, prima di iniziare l'installazione.
- Accertarsi di essere a disposizione un cacciavite a stella adeguato alle viti prima di procedere con l'installazione.
- Controllare la posizione di installmente del teilevisore.
- Prepare almeno quattro viti con diametro di 8 mm e una vite con diametro di 5 mm o equivalenti (non in dotazione). Scegliere viti adatte al materiale di cui è composta la parete.
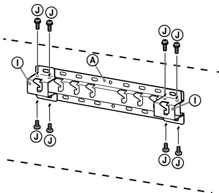
Controllo degli elementi
In dotazione con SU-WL450
- Verificare che tutti gli elementi necessari siano inclusi.
| A Base (20) (1) | B Gancio (2) |
| C PSW 6x20 (4) | D PSW 4x20 con boccola (2) |
| E Distanziale (20) (2) | F Cinghia (1) |
| G Boccola (20) (M4) (2) | H PSW 4x20 (2) |
| I Adattatore della base (2) | J PSW 4x10 (8) |
| K Distanziale (60) (2) | L PSW 6x50 (2) |
| M Boccola (M4) (2) | N PSW 4x50 (2) |
| O Materiali per il montaggio a parete (S) (2) | P Distanziale (2) |
| Q Rondella (1) | R PSW 5x12 (1) |
In dotazione con il tevisore (fissato alla parte posteriore)

Scelta della posizione di installmente
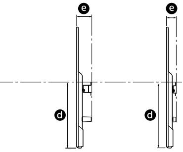
1 Scegliere la posizione di installmente.
Assicurarsi che la parete abbia abbastanza spazio per il tevisore e sua in grado di sostenere un peso pari almeno a quattro volte quello del tevisore.
Consultare la segunte tabella sull'installazione del teilevisore alla parete. Consultare la Guida di riferimento del teilevisore per conoscere il suo peso.

Montaggio standard Montaggio sottle
Punto centrale dello schermo

Unità: mm
| Nome del modello KD- | Dimensioni del display | Dimensione centrale dello schermo | Lunghezza per il montaggio | ||
| a | b | c | d | e | |
| Montaggio standard Montaggio sottile | |||||
| 65XD85□□ | 1.454 | 842 | 56 | 483 | 102 60 |
| 55XD85□□ | 1.231 | 717 | 129 | 494 | 102 60 |
Nota
- I numero nella tabella potrebbero variate leggermente a seconda dell'installazione.
Accertarsi di lasciare uno spazio libero adeguato tra il teilevisore e il soffitto e le parti sporgenti della parete, come illustrato molto.
Unità: mm

- Per garantire un'adeguata ventilazione ed evitare la raccolta di sporco o polvere:
Non posare il tevisore piatto, né installarlo in posizione capovolta, girato all'indietro o lateramente.
Non posizionare il teilevisore su uno scaffale, un tappeto, un fatto o dentro un armadio.
Non coprire il tevisore con tessuti od oggetti, come per esempio tende, giornali e simili.
- Non installment il tevisore nel modoindicato di seguito.
Circolazione dell'aria bloccata.

Nota
- Se si intende far passare i cavi atraverso la parete, effettuire un foro nella parete per insertire i cavi prima di"iniziare l'installazione. Per evitare che i cavi rimangano incastrati, posizionare il foro nella parete in modo che si trovi all'esterno del perimetro della base (20) A, adattatore della base 1 e del distanziale (20) E, del distanziale (60) K.
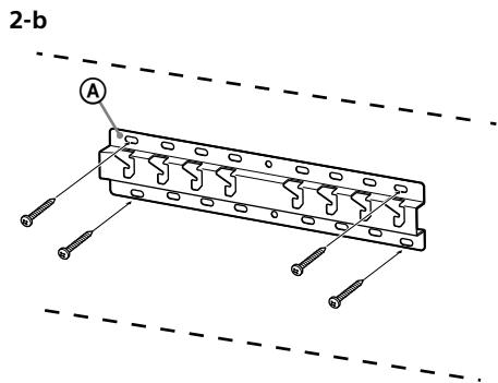
2 Selezionare lo stile di montaggio a parete. La distanza del retro del tevisore alla parete è selezionabile come molto除去.
2-a Montaggio standard
2-b Montaggio sotty
Consultare la tabella del passaggio 1.
AVVERTENZA
- Con il montaggio 2-b, l'accesso al terminale posteriori è limitato.


3 Consultare la tabella segunte sulla posizione di montaggio dell'adattatore della base. In caso si selezioni 2-b, saltare但这a fase.
| Nome del modello KD- | Posizione dei ganci |
| 65XD85□□ | b |
| 55XD85□□ | c |

Fissare l'adattatore della base ①utilizzando la vite (PSW 4x10) ②alla base (20) A se si selezione 2-a.

4 Decide le positioni delle viti per l'installazione della base (20) A.
Consultare le caratteristiche tecniche a pagina 12.
Se si selezione 2-a,utilizzare le posizioni dei fori dell'adattatore della base ①
AVVERTENZA
- La parete su cui verrà montato il teilevisore devese sere in grado di sostener un peso almeno quattro volte superiore a quello del teilevisore (Consultare la Guida di riferimento del teilevisore per verificarne il peso.).
- Verificare la robustezza della parete su cui sare montato il teilevisore. Se necessario, rinsforzare la parete.
Installazione della base sulla parete
- Utilizzare almeno quattro viti con diametro di 8 mm o equivalenti (non in dotazione).
- Fissare quattro viti nei fori dell'adattatore della base ① Con base (20) ④ (solo 2-a).
Installare la base (20) sulla parete orizzontalmente.


Preparazione per l'installazione del teilevisore
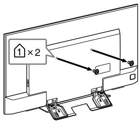
1 Rimuovere le viti alla parte posteriori del teilevisore.
KD-65XD85□□

KD-55XD85□□

2 Fissare gli elementi di fissaggio per la staffa di montaggio a parete. Controllare gli elementi di fissaggio consultando la sezione "In dotazione con SU-WL450" sotto "Controllo degli elementi" a pagina 5.
Nota
- Fissare saldamente gli elementi di fissaggio using o le viti.
- Se siutilizza un cacciavite elettrico,la coppia devesse parlacirca 1,5 N-m{15 kgf-cm}.
- Assicurarsi di conservare le parti inutilizzate in un luogo sicuro per un utilizzo futuro. Conservare il presente manuale per riferimenti futuro.
Montaggio standard (2-a)

Montaggio sottle (2-b)
Nota
- Non è possible utilizzato alcuni dei terminali presenti sulla parte posteriore del teilevisore quando si utilizes lo stato stile di montaggio.


3 Collegare i(I) cavi(o) necessari(o) al tevisore.
Accertarsi di collegare i cavi prima di installare il teilevisore sulla parete. Non sare più possibile collegare i cavi dopo l'installazione del teilevisore.
Consultare la Guida di riferimento in dotazione con il tevisore.
4 Staccare il portacavi (in dotazione con il teileisure). (solo KD-65XD85□□)

5 Collegare i cavi.
Per i modelli KD-65XD85□□, fissare il portacavi a uno dei fori interni.

Nota
- Assicurarsi che l'insertimento dei cavi nella parete sia eseguito da personale autorizzato.
- Raggruppare i cavi di collegamento per evitare di calpestarli prima del montaggio a parete.
6 Rimuovere il supporto da ravolo dal tevisore.

Installazione del tevisore a parete
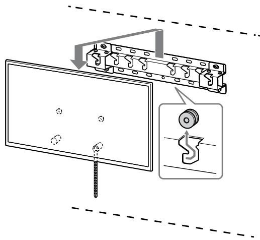
1 Installare il tevisore sulla base.
- Per quanto riguarda la posizione dei ganci ⑧ da fissare alla base,fare riferimento alla tabella del passaggio 3 in "Scelta della posizione di installmenta" a pagina 6.
- Tenere saldamente il teilevisore con entrambhe le mani e agganciare delicatamente i ganci 8 posizionati sul retro del teilevisore alla base, accertandosi di controllare la forma dei fori.
- Dopo l'installazione del tevisore alla parete, verificare che le pulegge ⑧ siano fissate saldamente alla base o all'adattatore della base.

2-a

2-b
AVVERTENZA
- Accertarsi che il teilevisore sia tenuto da almeno due persone durante il sollevamento.
2 Evitare che il fondo del televisore si sposti.
- Sollevare il cinghia e fissarlo saldamente alla parete.


- Utilizzare una vite con diametro di 5 mm o equivalente (non in dotazione).
Nota
- Tirare delicatamente il fondo del teilevisore versus di se per verificare che il teilevisore non si possa muovere. Se il teilevisore si muove, significia che non è stato fissato correttamente ed è necessario fissare nuovamente il cinghia (F) in modo saldo.
Controllo finale dopo l'installazione
Verificare quanto segue.
- Le pulegge (B) sono fissate saldamente alla base o all'adattatore della base.
- I cavi non sono attorcigliati o incastrati.
- Il cinghia F è fissato saldamente e non è allentato.
AVVERTENZA
- Un posizionamento non corretto del cavo di alimentazione CA ecc. può causare corto circuiti e, di conseguenza, incendi o scosse elettriche. Una volta completata l'installazione, accertarsi di verificarne la sicurezza.
Altre informazioni
Per rimuovere il tevisore, attenersi alla procedura di INSTALLazione descritta in precedenza, ma in ordine inverso.

AVVERTENZA
- Accertarsi che il teilevisore sia tenuto da almeno due persone durante la rimozione.
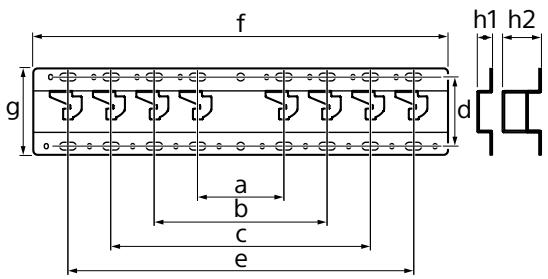
Caratteristiche tecniche

Dimensioni: (Circa) [mm]
a :100
b : 200
c :300
d : 80
e :400
f :480
g :100
h1 : 20 (caso 2-b)
h2 : 60 (caso 2-a)
Peso (solo base): (Circa) [kg]
0,8
Design e specifiche tecniche sono soggette a modifiche alla sua preawviso.
Notice-Facile