KD65XD8505B - Телевізор SONY - Безкоштовний посібник користувача
Знайдіть посібник до пристрою безкоштовно KD65XD8505B SONY у форматі PDF.
Завантажте інструкції для вашого Телевізор у форматі PDF безкоштовно! Знайдіть свій посібник KD65XD8505B - SONY і поверніть собі контроль над електронним пристроєм. На цій сторінці опубліковані всі документи, необхідні для використання вашого пристрою. KD65XD8505B бренду SONY.
ПОСІБНИК КОРИСТУВАЧА KD65XD8505B SONY
Для зхисту виюбу Та 3 міркувань бeзnéкі компанія Sony国有资产о pekomeндус, lo6 BCTaHOBJIeHЯ TelebeI3Opa 3diiCHIOBaJIOCS dInIePam n abo liueH3OBAHnMn pIprdHnKamn Sony. He HAMaRaTecra BCTaHOBHTn NOrO CaMOCTiHNo.
IhOpmaia InIeIuIepiB i nIpaIaNkIB Sony
PniiJrTe MaKcImMaJIbHy yBary 6e3nei NiI qac BCTaHOBHeHH, nepioDmUHOrO o6ClyROvBaHHra TanepebipKn Bvpo6y.
Для Встановленья сьOTO Виpo6у, OсОБлво Для ВИЗнayehнЯ МИСНСТI CTIN, ра КOBИнHA ВИТРИМУВАТN BARY TEJIЕВIZOPA, HeO6xIDHO MaTи ДОCTaTHiJ DOCBiD. ДОВIPЯTe BVKOHHЯ мOLTAZKу TIlbKN ДИЛЕРам чи ЛICEH3OBAHIM пIDрЯДнКam Sony Ta npДILЯпte habeJHy yBary 6e3NeUpiДчac Встановленья. Komпаня Sony He Hece JODHOI BiДПОВIDAльноcti 3a 3бNTКИ マТРавMn, ВИКЛКаHI Heправиьною ekCПNYATAciEQU Ch VсВсановленьям.
IhOpMaciio 0oDo npaBnHOrO n6e3neuHOro BCTaHOBHeHH nDiBiTbC8 B IHCtpKcii 3 ekcnnyataci KPOHtTeiHa dJa hAcTIHHOrO KpInJIeHHy, y Noci6Hnky 3 NoaTkY pO6OTn 3 TeJeBIOpOM i B cBomy Noci6Hnky.
BiDomocti 36e3neKn
| Назва моделi KD- | Габаши дисп leя | Габаши центра ekрана | Розмір дія мо ntайу | ||
| a | b | c | d | e | |
| Сто handартукій лени. Кріплійнія | |||||
| 65XD85☐☐ | 1454 | 842 | 56 | 483 | 102 |
| 55XD85☐☐ | 1231 | 717 | 129 | 494 | 102 |
ДиВ. tabлцю в кроцi 1.
3ACTEPEKEHH
- Y paazi Bn6bopy 2-b doctyn do rhi3d Ha 3aadHni nahenii 6bye o6mxeheni.


3 Miche BCTaHOBJIeHnaIaNTepa OCHOBn DnBiTbCra B Ta6NIci HnKHe. JaKIo Bn6paHo 2-b, npOnyctITb cei KpOK.
| №3ba mojeni KD- | РОзтуваня raков |
| 65XD85□□ | b |
| 55XD85□□ | c |

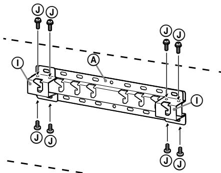
Прикпіпіть aадантур ① за Доюмогою Гиntа (PSW 4x10) Jdo ochobn (20) A (якшо Вибрано ВAPIANT 2-a).

Як soo Вибрано ВAPIANT 2-a, BИКОПСТОВУЛТЕ OTBOPИ Ha aДАNTePI OCHOBNI ①.
3ACTEPEKEHH
-Пиберпь повиску часиу ременя (F) Ta надійно ппкріпіть НOrо д CTIN.


BukopncToByTe rBnHT diAmetpom 5 MM a6o ekBbIaJIeHTHn (He BXOДNTb Do KOMPJIeKTy NOCTaUHaHH).
Ppimrka
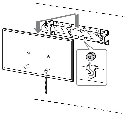
CnpobyTe IerKo NtaryHn HxHcH qactHy Tebei30pa Ha Ce6e, uOb NepekoHaTncs, uO BOHa He pyxaetcbnpeed. KaTO Tebei30p yxaetcbsc, noTo 3akpiInHo HnepaunBho i ho o6xidno pa3 haDiinHO 3akpinntp pemih F
Ipebipka nicla 3aBepWeHnBCTaHOBJIeHHJ
IpebeipTe 3a3NaeHi HxKcpe NyHKTn.
-БлOKи ⑧ NaДиИно BCTaВЛeНоВ 6a3y a60ВперexiДнИК ДЯ 6a3n.
- Lhup i ka6eIb He nepekepyeHi I He 3aTnCHeHi.
- Pemihb FMiUHO 3aKpInJIeHo 6e3 npOBuCaHHJ.
3ACTEPEXEHH
- HenpaBnIbHe po3MiueHnIhUypa KJMBLeHn 3MInHoro CTpyMy TOIO MOKe CTATN pNnuHNO IOXeKi a6O yApkeHn EJIeKTPNuHM CTpyMOM YHaCNIoK KOpOTKO 3AmNKAHn. 3 MeTOIO 6e3neKn OOB'3KOBo NepeBiPte BCE NcIg 3AbePeHHn BCTAHOBnEHn.
Iишi BiIDOMOCTi
Плд уасзиманг TeJIeBI3OpaДOTpIMyItecR BkzaHOI ПpoUeDypN BCTaHOBJIeHHY Y 3BOPOTHOMY NOpRAdky.

3ACTEPEXEHH
- 3HIMATU TENEBI3OP MAJTOB pInHaMHI DJI OOC6N.
TexhihixapaKtepncnkn

Pozmipn: (npns.) [MM]
a :100
b : 200
c :300
d : 80
e :400
f :480
g :100
h1:20(BuPuaIOK 2-b)
h2:60(Bunapok2-a)
Bara (tɪnbɪkɪ 6aʒa): (πριδβ.) [kʌr]
0,8
KohctpykjiTa texHiXi xaapKeptnKn MoKytb 6ytN 3mHeHb63 nonepdkeHH.
ПростаІнструкція