KD-55XE8096 - Televizorius SONY - Nemokama naudojimo instrukcija
Raskite įrenginio instrukciją nemokamai KD-55XE8096 SONY PDF formatu.
Atsisiųskite instrukciją savo Televizorius PDF formatu nemokamai! Raskite savo instrukciją KD-55XE8096 - SONY ir vėl perimkite savo elektroninį įrenginį. Šiame puslapyje skelbiami visi dokumentai, reikalingi jūsų įrenginio naudojimui. KD-55XE8096 prekės ženklo SONY.
NAUDOJIMO INSTRUKCIJA KD-55XE8096 SONY
Televizora montažai pie sienas izmantojiet sienas montažas kronsteinu SU-WL450.
Piezime
- IFaktiniu modeliu pavadinimuose „☐" rodo konkrečiai kiekvienam modelui priskiriamus numerius ir (arba)Ženklus.
Pirkëjams
Siekiant apsaugoti gaminj ir užtikrinti sauguma, „Sony“ griěztai rekomenduoja, kad televizioru pritvirtintu „Sony“ prekybos atstovai arba licencijuoti tiekějai. Nemèginkite jj tvirtinti patys.
"Sony" prekybos atstovams ir tiekèjams
Tvirtindami šj gaminj, atlikdami jo reguliaria priežiūr ar patikrimima, visă démesj skirkite saugumui.
Norint pritvirtinti šj gaminji, reikia turéti pakankamai kompetencijos, ypač nustatant, ar siena galès išlaikyti televizoriaus svorj. Pasirūpinkite, kad „Sony“ prekybos atstovai ar licencijuoti tiekëjai pritvirtintu šj gaminj prie sienos. Tvirtinant pakankamas demesys turi buti skirtas saugumui. „Sony“ néra atsakinga už jokía Žalá ar sužalojimus, kilusiudél netinkamo pernešimo ar montavimo.
Siekdami užtikrinti saugumā ir tinkamai pritvirtinti, vykdykite prie sienos tvirtinamo laikklio Eksploatacijos instrukcijas, televizoriaus Paleisties vadove ir šiame vadove pateikiamus nurodymus.
Suga
Dékojame, kad jsigijote šj gaminj.
Pirkéjams
Norint sumontuoti šj gaminji, reikia turétī
pakankamai kompetencijos. Del
montavimo kreipkitës „Sony“ prekybos
atstovus ar licencijuotus tiekëjus, o
montavimo metu ypatinga démesi
skirkite saugai „Sony“ nera atsakaingu uz
jokia Žalá ar sužalojinmus, kiliusi del
neteisingo pernešimo ar montavimo
ara mbuntujant kitus, nei nurodyti,
gaminius. Júsu teisëns pagal jstatymä
(jei toki yra) tai takos neturi.
"Sony" prekybos atstovams
Norint sumontuoti šj gaminji, reikia tureti
pakankamai kompetencijos. Atidziai
perskaityike šja naudojimo instrukcija,
kad montavimo darbus atliktumete
saugiai. "Sony" nera atsakinga už joki
žalá ar sužalojinus, kilusius del
neteisingo pernesimo ar montavimo.
Baigé montavimo darbus atiduokite šj
vadova pirkéjui.
Sioje naudojimo instrukcjoje rodoma, kaip teisingai elgtis su gamini ir pateikiamos svarbios atsargumo piemones, kurij reikia lakytis, kad butu isvengta nelaimingu atsitikimu. Atidzii perskayite ši vadova ir teisingai naudojako gaminj. Pasilikite šj vadova, kad galetumete jj perziureti ateitye.
"Sony" gaminiai sukurti galvojant apie sauga. Jei gaminiai naudojami neteisingai, gali kilti gaisras, galma patiarti elektros smugi, gaminys gali nuvirsti ar uzkristi ir taip rimtau szaloti. Laikykites atsargumo priemoniu del saugos, kad isvengtumete tokiu nelaiminguy atsitikimu.
DÉMESIO
Tinkami gaminiai
Sis prie sienos tvirtinamas laikiklis skirtas tam tikriems TV. Noredami patikrinti, su kuriais televizoriais galima naudoti prie sienos tvirtinamaaikiklj, Zr .Nuorodinj vadova.
Pirkéjams
JSPÉJIMAS
Nesilaikant toliau pateiktu atsargumo
priemoniu, gali kilti gaisras, galima patirti
eletktros smugj arba gaminys gali nukristi
- del to galima rimtai susizaloti ar net
žuti.
Pasirupinkite, kad montavimo darbus atliktu licencijuoti tiekëjai, o montavimo metu neleiskite arti buti mažiems vaikams.
Jei prie sienos tvirtinamas laikiklis arba TV sumontuoti netinkamai, gali jykti toliau nurodyti nelaimingi atsitikimai. Jsitiknine, kad montavimo darbus atlieka licencijuoti tiekjakai.
- TV gali nukristi ir rimtai suzaloti galite patiri sumusimu arba lizui.
- Jeigu siena, ant kurios montuojamas prie sienos tvirtinamas laikiklis rya nestabili, nelygi ar nestatmena grindims, jrenginys gali nukristi ir suzaloti arba sugadinti turta. Siena turetu buti pakankamai virta, kad išaikytu bent keturis kactus didesnj svor nei TV. (Noredami suzinoti televisioniaus svori, Žr. jo Nuorodinj vadova.)
- Jeigu priere sienos tvirtinamas laikiklis bus sumontuotas nepakankamai tvirtai, jrenginys gali nukristi ir suzaloti arba sugadinti turt.
TV perešimo ar iśemimo darbus patikékite licencijuotiems tiekëjams.
Jei TV transportavimo ar iśēmimo darbus atlkitu ne licenciujoti tiekëjai, TV gali nukristi ir sužaloti arba sugadinitu tura. Pasirūpinkite, kad TV perneštu ir isimi t bent du asmensy.
Sumontave TV, neissukite sraigtu ar kt. daliy.
Jei tai padarysite, TV gali nukristi ir suzaloti arba sugadinti turt.
Nekeiskite prie sienostvirtinamo laikiklio daliu.
Jei tai padarya-site, prie sienos tvirtinamas laikiklis gali nukristi ir suzaaloti arba sugadinti turt.
Nemontuokite kitos jrangos, išskyrus nurodyta gaminj.
Sis prie sienos tvirtinamas laikiklis skirts naudoti tik su nurodytu gaminiu. Jeigu montuosite kita, nei nurodyta, jrangaj gali nukristi arba luzti, todel suzaloti arba sugadinti turta.
Prie sienos tvirtinamo laikiklio neapkraukite didesne, nei TV apkrova.
Nekratykite TV kairén / dešinén arba aukstyn / Žemyn.
Jei tai padarysite, TV gali nukristi ir suzaloti arba sugadinti turta.
Nesilenkite ir nesikabinkite ant TV.
Nesilenkite ir nesikabinkite ant TV, nesjis gali ant jusuyuzkristi ir rimtai suzaloti.
DÉMESIO
Nesilaikant toliau nurodytu atsargumo
priemoniu, galima susižaloti arba sugadinti tura.
Valydami gaminj ar atlikdami jo technine priežiūrā, neveikite jo per didele jęga.
Nespauskite TV is virsaus per stipriai. Jei tai padarysite, TV gali nukristi ir suzaloti arba sugadinti turta.
Atsargumo priemonés
- Jei TV, sumontuota ant prie sienos tvirtinamo laikkio naudosite ilga laika, siena už TV ar virš jo gali nublukti arba tapetai gali atskiljuoti, priklausomai nuo to, iš koki medziagu pastatya siena.
- Nuémus prisukta prie sienos tvirtinama laikiklj, sienoje liks raigtu padarytos skyles.
- Nenaudokite prie sienos tvirtinamo laikiklio tokiose vietose, kur ji veiktu mechanine vibracija.
Prie sienostvirtinamo laikikliomontavimas
"Sony" pardavimo atstovams
JSPÉJIMAS
Toliau nurodyto instrukcijos skirtos tik "Sony" tiekëjams. Perskaitykite pirmaiu pateiktas atsargumo priemones ir montuodami, eksploatuodami bei tikrindami šj gaminj ypatinga démesj skirkite saugai.
Nemontuokite prie sienos tvirtinamo laikiklio ant sienos tokioje vietoje, kur TV kampai arba šonai išsikištu už sienos paviršiaus.
Nemontuokite prie sienos tvirtinamo laikiklio
ant kolonq ar panasiq paviriqi, kur TV
kampai arba sonai i sikištu už sienos
pavirsiaus. Jei asmuo ar objektas uzkliudytu
i sikišusj TV kampaar sona, sis gali sužaloti
ara sugadinti turtä.

Nemontuokite TV virš oro kondictionieriaus arba po juo.
Jei ant TV laša vanduo arba jj ilga laika veikia oro srautas iš oro kondiconieriaus, gali kilti gaisras, galima patirti elektrós smugj arba TV gali sugesti.
Pasirupinkite, kad priesienos tvirtinamas laikiklis butu patikimai pritvirtantas prie sienos, laikantis siame vadope pateiktu instrukciju.
Jei kuris nrosraigtas atsilaivintuyar iskristu, prie sienos tvirtinamas laikiklis gali nukristi ar suzaloti arba sugadinitaru tjt. JSitinkite, kad naudojate sienos medziagai tinkamus saigrtus ir patikimai prritvirtinkite jranga keturiais ar daugiau 8 mm skersmens (arba atitinkamais) saigtaits.

Tiekiamus sraigtus ir
priedu dalis naudokite
tinkamai, laikydamiesi
šiame vadove pateiktu
instrukciju. Jei
naudojame pakaitalus,
TV gali nukristi ir kā
nors sužaloti arba
suggesti.
Pasirupinkite, kad laikiklis butu surinktas tinkamai, vadovaujantis siame vadove pateiktomis proceduromis.
Jei kuris nors raigtas atsilaivintu ar iškristu, TV gali nukristi ir sugesti arba kā nors sužaloti.
Pasirupinkite, kad sraigtai butu patikimai jsukti reikiamose vietose.
Jei to nepadarrysite, TV gali nukristi ir sugesti arba kā nors sužaloti.
Bükite atsargus, kad montavimo metu TV nebūtú sutrenktas.
Sutrenkus TV,jis gali nukristi arba perlužti. Taip galima susižaloti.
Jsitikinkite, kad TV montuosite ant statmenos ir plokšcios sienos.
Jei to nepadarysite, TV gali nukristi ir suzaloti.
Teisingai sumontave TV, tinkamai pritvirtinkite laidus.
Jei zmones ar objektar jsipainios tarp kabeliu, gali butu suzaloti zmones arba sugadantas TV.
Saugokite, kad KS maitinimo laidas arba jungiamasis kabelis nebūtú suspausti.
Jei KS maitinimo laidas arba jungiamasis
kabelis bute prispaustas tarjrenginio ir
sienos arba per jega sulkentas ar suspastaus,
gali išlji vidiniai laidininkai, todél gali ivykti
trumpasis jungimas arba nutrukti elektrros
tiekimas. Del to gali kilti gaisras arba galima
patiriti elektrros smügi.

Sraigtai, kuriç reikia prie sienos tvirtinamam laikikliui montuoti prie sienos, nepridéti.
Montuodami prie sienos tvirtinama laikikli, naudokite sienos medziagai tinkancius saigtus.
TV montavimas prie sienos
Montavimo procedura skiriasi priklausomai nuo TV.
Noredami pritvirtinti televizoriu prie sienos, naudokite prie sienos tvirtinamlaikiklj SU-WL450.
Pastaba
- Išuktus sraigtus butinai laikykite saugioje, vaikams nepasiekiamoje vietoje.
Pasiruoshimas montuoti
Pries tvirtindami pasiimkite televizoriaus Nuorodinj vadova.
- Pries montuodami jsitikinkite, kad turite sraigtams tinkamakryzminj atsuktuva.
- Patikrinkite TV montavimo vieta.
- Pasiruoškite keturis ar daugiau 8 mm skersmens sraigtus ir viena 5 mm skersmens arba atitinkama sraigta (neprideti). Pasirinkite sienos medziagai tinkamus sraigtus.
Daliç patikrinimas
- Isitikinkite, kad yra visos dalys.
| A Pagrindas (20) (1) | B Skriemulys (2) |
| C Sraigtai PSW 6x20 (4) | D Sraigtas PSW 4x20 su ivore (2) |
| E Tarpiklis (20) (2) | F Diržas (1) |
| G Ivore (20) (M4) (2) | H Sraigtai PSW 4x20 (2) |
| I Pagrindo adapteris (2) | J Sraigtai PSW 4x10 (8) |
| K Tarpiklis (60) (2) | L Sraigtai PSW 6x50 (2) |
| M Ivore (M4) (2) | N Sraigtai PSW 4x50 (2) |
| O Prie sienos tvirtinamas jtaisas (S) (2) | P Tarpiklis (2) |
| Q Poveržlè (1) | R Sraigtas PSW 5x12 (1) |
Tiekiama kartu su televizoriumi (pritvirtinta užpakalineje dalyje)

Montavimo vietos pasirinkimas
1 Nusprěskite, kurioje vietoje montuosite.
Jsitikinkite, ar ant sienos pakanka vietos televizoruii ir ar ji galès atlaikyti svorj, bent keturis kartus didesnj už televizoriaus.
Zr. toliau pateiktä lentele, kur rasite informacijos api televizoriaus tvirtinimä prie sienos.
Noredami sužinoti televizoriaus svorj, Žr. jo Nuorodjin vadova.

Vienetai: mm
| Modelio pavadinimas KD- | Rodyti matmenys | Ekrano išmatavimas iki centro | Tvirtinimo ilgis | |||
| a | b | c | d | e | ||
| Standartinis tvirtinimas | Kompaktiškas tvirtinimas | |||||
| 65X850☐C | 1453 | 844 | 21 | 450 | 133 | 91 |
| 55X850☐C | 1236 | 722 | 116 | 485 | 115 | 73 |
| 49X830☐C | 1093 | 643 | 206 | 536 | 107 | 65 |
| 43X830☐C | 961 | 568 | 191 | 483 | 107 | 65 |
Pastaba
- Atsižvelgiant j montažă, lenteleje nurodyi skaičiai gali šiek tiek skirtis.
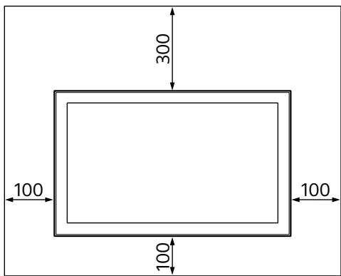
Palikite tinkama tarpa tarp TV ir lubu bei išsikišusi sienos daliu, kaip parodyta apacioje.
Vietenai: mm

-
Siekdami uztikrinti tinkama ventililiacija ir neleistikauptis nešvarumams arba dulkéms:
-
nedekite televizoriaus ant plokstumos, netvirtinkite apversto, atbulai arba ikypai;
- nedékite televizoriaus ant lentynos, kilimélio, lovos arba j spinta;
- neuždenkite televizoriaus audiniu, pvz., užuolaidomis, daiktais, tokiais kaip laikrašciai ir t. t.;
- nemontuokite televizoriaus kaip parodyta apacioje.
2 Pasirinkite tvirtinimo prie sienos budă. Atstumă tarp TV galinès pusès ir sienos reikia pasirinkti, kaip nurodyta toliau.
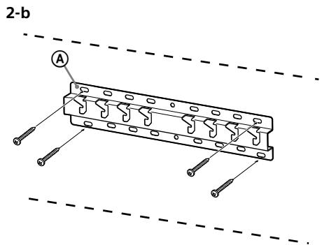
2-a Standartinis stovas
2-b Plonas stovas
Zr. j 1 veiksmo lentele.
JSPEJIMAS
- Kai pasirenkamas 2-b variantas, prieiga prie gale esanciu išvadu tampa ribota.


3 Norédami sužinoti apie
pagrindo adapterio tvirtinimo
vieta, Žr. lentele toliau. Jeigu
pasirinkote 2-b budă, šj veiksmaj
praleiskite.
| Modelio pavadinimas KD- | Kabliuko vieta |
| 65X850☐C | a |
| 55X850☐C | b |
| 49X830☐C | |
| 43X830☐C | c |

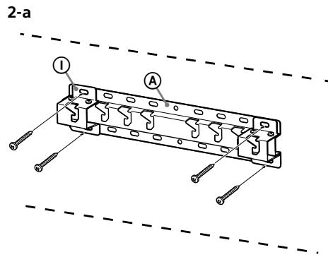
Pagrindo adapteri ①, naudodami sraigt (PSW 4x10) ② pritvirtinkite prie pagrindo (20) ④, jeigu pasirinkote 2-a montavimo bud.

4 Nustatykite sraigtu vietas, kur montuosite pagrinda (20) A.
Zr. 12 psl. pateiktus techninius duomenis.
Jei pasirinkote 2-a budā, naudokités skyliu, esanciu pagrindo adapteryje ①, vietomis.
JSPÉJIMAS
- Siena, ant kurios bus kabinamas TV, turetu buti pakankamai tvirta, kad išlaiktyu bent keturis kartus didesnj svorji nei TV (nordami sužinoti televizoriaus svorji,Žr. jo Nuorodinj vadova.).
- Nustatykite sienos, ant kurios bus kabinamas TV, tvirtum. Jei reikia, pakankamai sutvirtinkite siena.
Pagrindo montavimas priesenos
- Naudokite keturis ar daugiau 8 mm skersmens arba atitinkamus sraigtus (nepridéti).
- Keturis sraigtus prakiškite per pagrindo adapteryje ① esancias angas ir sujunkite su pagrindu (20) A (tik 2-a).
- Sumontuokite pagrinda (20) ④ horizontaliai ant sienos.


Pasiruošimas tvirtinti TV
1 Išsukite televizoriaus užpakinaléje dalyje esancius varžtus (taikoma tik KD-65X850☐C).

2 Pritvirtinkite prie sienostvirtinamo laikiklio tvirtinimodalis. Perziurekite skyriu „Daliupatikrinimas" - "Tiekiama kartusu SU-WL450" 5 psl. irpatikrinkite tvirtinimo dalis.
Pastaba
Sraigtais gerai pritvirtinkite papildomas dalis.
- Kai naudojate elektrinj atsuktuva, sukimo momenta nustatykite iki 1,5 N·m {15 kgf·cm}.
- Nepanaudotas dalis laiky kite saugioje vietoje atei ciai. Kad galétuméte pasiziuriéti ateityje, išsaugokite šj vadova.

Standartinis tvirtinimas (2-a)
Kompaktiškas tvirtinimas (2-b)
Pastaba
- Jei naudojate šj montavimo budā, negalèsite naudoti tam tikru tevizoriaus gale esanciu jungciu.


3 Prijunkite prie TV reikiamá (-us) kabelj (-ius).
Kabelius prijunkite pries tvirtindami TV priesienos. Kai TV bus pritvirtantas, kabeliŋ prijungti nebegalèsite.
Zr. kartu su televizoriumi tiekiama Nuorodinj vadova.
4 Nuimkite kabelio laikiklj (pridētaj prie televizoriaus). (Taikoma tik KD-55X850□C/49X830□C/ 43X830□C)

Jei naudojate KD-55X850□C/49X830□C/ 43X830□C, pritvirtinkite kabelio laikiklj prie vienos iš vidiniu angu.

Pastaba
- Kabelius nuvesti sienoje patikëkite licencijuotam tiekëjui.
Pries montuodami, jungiamuosius kabelius suriskite, kad ant ju neuziaptumete.
6 Atjunkite ant stalo pastatomstov\n\n

TV tvirtinimas prie sienos
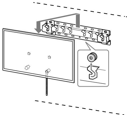
1 Sumontuokite TV ant pagrindo.
Noredami sužinoti ant pagrindo kabinamú skriemuliu ⑧ , Žr. j 3 veiksmo lentele, kuri pateikiama 7 psl. skyrelyje „Montavimo vietos pasirinkimas".
Tvirtai laiky kite TV abiem rankomis ir skriemulius ⑧ , prijungtus prie TV galinés pusés, atsargiai pakabinkite ant pagrindo, kad jie atitiktu angu forma.
- Sumontave TV ant sienos, jsitikinkite, kad skriemuliai (B) tvirtai užfiksuo ti pagrinde arba ant pagrindo adapterio.

2-a

2-b
JSPÉJIMAS
- Pasirupinkite, kad nešant TV, jj laikytu bent du asmenys.
2 TV apacios apsauga nuopakrypimo.
- Paimkite diržas (F) ir tvirtai pritvirtinkite prie sienos.


- Naudokite 5 mm skersmens arba atitinkama sraigta (nepridétas).
Pastaba
Pabandykite nestipriai patraukti TV apacia tiesiaj save, kad jsitikintumete, jogjis nejuda.Jei TV nors kiek juda,jis nera teisingai prritvirtintas ir dirzas E reikia gerai prritvirtinti i s naujo.
Montavimo darbu užbaigimo patvirtinimas
Patikrinkite toliau nurodytus dalykus.
- Skriemuliai (B) tvirtai kabo ant pagarindo arba pagarindo adaptersio.
- Ar laidai ir kabeliai néra susisuke ar suspausti.
- Ar diržas (F) yra sandari, be plysiu.
JSPÉJIMAS
- Neteisingai nutiesus KS maitinimo laidar kitus kabelius, galima patirti elektros smugj, ivykus trumpajam jungimui. Dél saugumo patvirtinkite, kad montavimo darbai baigti.
Kita informacija
Nuimdami TV, anksciau aprasytacpeduratlikite atvirskcia tvarka.

JSPÉJIMAS
- Pasirupinkite, kad nuimant TV, jj lakytu bent du asmenys.
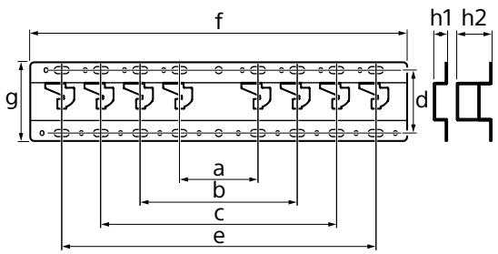
Techninai duomenys

Matmenys: (apytksl.) [mm]
a :100
b : 200
c :300
d : 80
e :400
f :480
g :100
h1 : 20 (2-b atvejis)
h2 : 60 (2-a atvejis)
Svoris (tik pagrindo) (apytiksl.) [kg]
0,8
Dizainas ir techninai duomenys gali buti keiCiami be jspejimo.
Navodila za uporabo nosilca za stensk o montažo Sony (SU-WL450)
Podprti modeli:
KD-65X850*C/55X850*C/49X830*C/43X830*C
LengvasVadovas