KD-55XE8096 - Telewizor SONY - Bezpłatna instrukcja obsługi
Znajdź bezpłatnie instrukcję urządzenia KD-55XE8096 SONY w formacie PDF.
Pobierz instrukcję dla swojego Telewizor w formacie PDF za darmo! Znajdź swoją instrukcję KD-55XE8096 - SONY i weź swoje urządzenie elektroniczne z powrotem w ręce. Na tej stronie opublikowane są wszystkie dokumenty niezbędne do korzystania z urządzenia. KD-55XE8096 marki SONY.
INSTRUKCJA OBSŁUGI KD-55XE8096 SONY
Informacja dotyczść instalacji w celu korzystania z uchwytu scienngo firmy Sony (SU-WL450)
Obstugiwane modele:
KD-65X850*C/55X850*C/49X830*C/43X830*C
- Symbol „☐" w rzechywistych nazwach modeli wskazuje cyfry i/lub znaki specyficznę dla danego modelu.
Do Klientów
W celu zapewnienia ochry produktu i bezpieczentwa firma Sony zdecydowanie zaleca przypegowadzenia montazu telewizora przydstrybutorów Sony lub licencijonowych wykonawcow. Nie naleź podejmować samodzielnych przyb montazu.
Do dystrybutorów Sony i wykonawćów
Podczas montazu, okresowej konserwacje i sprawdzania unto produktu nalezy przystrzegać wszymstich zasad bezpieczność.
Do zamontowaniakiego produktu konieczne jest posiadanie odpowsiedniago dozwiedzania, co dotyczy szczególnie sprawdzania nośnosci sciany w celu podtrzymania cięzaru telewizora. Montaţego produktu do sciany naleź powierzyc dystrybutorom Sony lub licencijonowanych wykonawcom, zwracajć odpowiednia uwage na kwestie bezpiecieństwa podczas montaţu. Firma Sony nie ponosi odpowiedzialnosci zaźadne szkody lub obrażenia wynikajść z nieprawidłowego postepowania lub nieprawidłowego montaţu.
W celu zapewnienia bezpieczenstwa i wsiciwej instalacji nalezy postepowa zgodnie z instrukcja obslugi uchwytu sciennego, Przewodnikiem uruchamiania telewizora i wskazowkami zawartymi w tej instrukcji.
Informacja dotycznej bezpiecznychstwa
Dziekujemy za zakup tego produktu.
Do Klientów
Do zamontowania tego produktu konieczne jest posiadanie odpowiedniego doświadczenia. Naleź zlećańczędzybyutorom Sony lub licencjonowanym wykonawcowim zwracćszȩgólna uwage na bezpiecieznstwo podczas montazu. Firma Sony nie ponsoni odpowiedzialnosci zaźadne szkody lub obrażenia wynikajść z niedrawidłowego postepowania, niedrawidłowego montazu albo montowania jakichkolwiek innych produktów niedwymienione. To zastrzeżenie nie agrnicza spraw ustawowych klienów (ješli takie przysluguja).
Do dystrybutorów Sony
Do zamontowania tego produktu konieczne jest posiadanie odpowiedniego doświadczenia. Naleź dokladnie przyȩzytać tę instrukcje, aby zapewnic bezpiecznych przybieg prac montażowych. Firma Sony nie ponosi odpowiedzialność z zaędne szkody lub obrażeniaDynikajaceznie prawidłowego postepowania lub niewioredlówego montaź. Po zakończenu montaź nały przyzekañć tę instrukcje Kunden.
W teil instrukcj przdastawiono prawidlowa obsluge produktu oraz wazne sądki ostrznosci,majcae na celu zapobziezenia wypadkom.Nalezy dokladnie przyeczyta te instrukcje i w prawidlowy spośb korzystac z produktu.Nalezy zach文化传播 te instrukcje w celu wykorzystania w przyszlósci.
Produkty firmy Sony sa Projektowane z myśla o zapewnieniu bezpieczenstwa. Nieprawidlowe korzostanie z produktów要去jnek spowodowej pouazne obrażenia na skutek pozaru,porażenia pradem elektrycznym, przewrćenia sie produktu lub.gojeu upadyk.Nalezy prestrozegrć siodkowski ostrożnosci,aby uniknáć tego typu wypadkowski.
Nadzór nad dystrybucja na terytorium
Rzeszypospolitej Polskiej sprawuje Sony
Europe Limited, The Heights, Brooklands,
Weybridge, Surrey, KT13 0XW, United Kingdom.
UWAGA
Okreslone produkty
Ten uchwyt scienny zostal zaprojecttowany z mylsa o uzyciu z okreslonym modelami televizorów. W instrukcji televizora moins sprawdzić,czy uchwytu sciennegoauthorizationuzycz danym televizorem.
Do Klientów
OSTRZEŽENIE
Nieprzestręganie ponieszych srodkowski ostrożnosci są spowodowej powazne obrozenia lub smierć na skutek pozaru, parażenia prȩdome elektrycznych lub upadku produktu.
Naleź zlecae montañ licencjonowanym wykonawcom i zapewnic, aby podczas montaqu nie znajdowały są w povlizu małe daneci.
Jesli uchwyt scienny lub telewizar nie
zostana zamontowane prawidlowo, moze to
skutkowa nastepujacymi wypadkami.
Nalezy zleca monta licencjonowanym wykonawcom.
- Telewizor要去 spać, powodujac powazne obrożenia, takie są stłuczenia czy złamania.
Jesli sciana, na ktorej montowany jest telewizor, jest niestabilna, nierowa albo neprostopadla do podlogi, telewizor moze spasc, powodujac obraZenia lub uzkodzenia mienia. Sciana musi byc w stanie uniesc cizar co najmiej czterokrotnie Wiekszy od cizaru telewizora. (Cizar telewizora jest podany w了我的 instrukcji). - Jesli montaz uchwytu sciennego do sciany nie zostanie wykonany odpowiednio mocno, telewizor moze spasc, powodujac obrazenia lub uszkodzenia mienia.
Nalezy zleca przemieszczanie i demontañ telewizora licencjonowanym wykonawcom.
Jesli przyemieszczaniemi lub demontažem
telewizora这意味着 zajmowac sie osoby heute nz
licenjonowani wykonawcy, televizorMZe
spać, powodujac obrażenia lub uszkodzenia
mienia. Do przenoszenia i demontažu
telewizora potrzejne są co najmiej dwie
osoby.
Po zamontowaniu telewizora nie wykręcać srub itp.
Na skutek takiego działania televizor要去 spęc, powodujac obrażenia lub uzskodzenia mienia.
Nie modyfikować elementów uchwytu sciennego.
Na skutek takiego dzialania uchwyt scienny\ moze spasć, powodujć obrożenia lub\ uszkodzenia mienia.
Nie montować innych urzadzen;iż okreslony produkt.
Ten uchwyt scienny jest przywidziany do uzytku wylączne z okreslonymi produktami. W przyypadzu zamontowania urzadzenia...,
innego niz okreslone,要去 ono spać,
powodujac obrażenia lub uzskodzenia mienia.
Nie obciązać uchwytu sciennego obciązeniem innym nz telewizor. Nie potrzaszaj telewizorem na boki ani w góre/w doł.
Na skutek takiego danejania televizor maybe spać, powodujć obrăzenia lub uzskodzenia mienia.
Nie wieszac sie ani nie opierać na telewizarze.
Nie wieszatac sie ani sie opierać na telewizorze, gdyż na skutek takiego dzialania telewizor要去 spaść, powoduć国家标准 obrażenia.
UWAGA
Nieprzestrzeganie poniższychŚrodków ostrōznosci są spowodstawć obrażenia lub uzwkodzenia mienia.
Podczas czyszczenia i konserwacci nie wywierać zbyt mocono go nacisku na produkt.
Nie naciskać zbyt mocno telewizora od góry. Na skutek takiego dzialania telewizar föze spasć, powodujć obrăzenia lub uszkodzenia mienia.
Środki ostrożnosci
- W przypadyku dlugotrwalego uzytkowania telewizora zamontowanean nauchwycie sciennym sciana za lub ponad telewizoremMZe olec odbarwieniu albo tapa要去 sie odkleic, w zaleznosci od rodzaju materialu, jakom Pokryta jest sciana.
- Po zdemontowaniu zamontowanego wczesnej do sciany uchwyt uciennego otwory w scianie pozostaja.
- Nie uzywac uchwytu sciennego w mięjscach narazonych na drgania Mechaniczne.
Do dystrybutorów Sony
OSTRZEŽENIE
Ponijsze instrukcje są przyznaczone wychyczne dla dyabrytiorów Sony. Naleź przyȩczycyta powzysze sądki ostrożnosci, zwracajć szȩgólny uwage na bezpiecieznstwo podcas montaź, konserwacja i sprawdzania tego produktu.
Nie montować uchwytu sciennego na powierzchniach, w przypadku którch narozniki lub boki telewizora mogłyby wystawać poza powierzchnie.
Nie montowac uchwtyu sciennego na powierzchniach takich jakiary, w przypadku ktorych narozni kub lobi televizora moglyby wystawac poza powierzchnie. W razie uderzenia naroznika lub boku televizora chez osobej lub obiekt mogloby to spowodowac obrazenia lub uszkodzenia mienia.

Nie montować telewizora nad lub pod klimatyzatorem.
W przypadku narażeniaTelewizora przyez dluszysz czas na wycieki wody albo struMIe powietrza z klimatyzatora moze dojsć do porazenia pradem elektrycznym lub awarii telewizora.
Uchwyt scienny nalezy mocno zamocować do sciany, zgodnie wskazówkami podanymi w tej instrukcj.
Jesi którakolwiek ze šrub poluzuje sie lub wypadnie, uchwyt sciency moze spasć, powodujac obrażenia lub uszkodzenia mienia. Naleź uzywać šrub odpowiednich do materialu, z którego wykonana jest sciana i zamontowć uchwyt za pomocą czterech lub więcej šrub o srednicy 8 mm (lub odpowiedników).

Naleź uzywać
dostarczonych Śrub i elementów
montażowych w prawidłowysposob, zgodnie z wskazówkami podanymi w tej instrukcji. W przypadku uzywania elementów zastępczych telewizor要去 spaść, powodujac obrażenia lub uszkodzenia.
Uchwyt naleźny zamontować w prawidłowy sposob, zgodnie ze wskazówkami podanymi w tej instrukcjci.
Jesli ktorakolwiek ze smr poluzije sie lub wypadnie, telewizor moze spasć, powodujac obrażenia lub uzzkodzenia.
Śruby naleźmy mocno wkręcać w wyznaczonych mistręszech.
W innym przypadku telewizor要去 spać, powodujć obrażenia lub uszkodzenia.
Nie narawać telewizora na wstrȩsy podczas montaqu.
Na skutek wstrz空气质量 telewizor moze spać lub Rozpáć sie. Moze to spowodowa brażenia.
Montowac telewizor na scianie prostopadjej do podlogi i plaskiej.
W innym przypadku telewizor要去 spać, powodujć obrażenia.
Po zamontowaniu telewizora w sprawidów sposob zamocowa kable.
Zaplątanie sie osob lub objieków w kable要去 spowodowej obrażenia lub uzkodzenia.
Nied dopuszczac do zacisiiglia przywodu zasilajacego lub kabli污染防治.
W przypadku zacisniecia przywodu
zasilajacego lub kabl污染防治ch pommiedzy
uradzemeni a sciana albo ich zginania lub
skrejanica na sie避孕 dojsć do odśloniecia
wewnetrzych zyl, a co za tym idzie do
zwarcia lub przerwy w owodzie. Moze to
spowodowej pozar lub porażenie przemdet
elektrycznym.

Śruby potrzebne do zamontowania uchwytu sciennego do scianyNie są dostarczone.
Podczas montazu uchwytu sciennego nalezy uzywać rob odpowiednich do materiaiu i struktury sciany.
Procedura montazu roźni są w zależnosci od modelu telewizora.
Nalezy użć uzychytu sciennégo SU-WL450 w celu montaquuTelewizora na scianie.
Uwaga
- Wykrecone s Ruby przechowywać w bezpiecznym sąjscu z dala od daneci.
Przygotowanie do montaźu
- Przygotować przyted montaquem instrukcję telewizora.
- Przygotować przydostem srbokręt Phillips pasujczy do srb.
- Wybrać.), mięszc zemstowze telewizoria.
- Przygotownikczytery lubwcieje s Ruby o srednicy 8 mm orazjqenda sbrze o srednicy 5 mm lub odpowiedniki (nedostarczone). Wybrac s Ruby odpowiednie do materiafu, z ktorego wykonana jest sciana.
Sprawdzenie elementów
Dostarczone z uchwytem SU-WL450
- Sprawdzić,czy wzyszystkie elementy zostaly dostarczone.
| A Podstawa (20) (1) | B Kółko (2) |
| C PSW 6x20 (4) | D PSW 4x20 z tuleja (2) |
| E Podkładka dystansowa (20) (2) | F Pasek (1) |
| G Tuleja (20) (M4) (2) | H PSW 4x20 (2) |
| I Adapter podstawy (2) | J PSW 4x10 (8) |
| K Podkładka dystansowa (60) (2) | L PSW 6x50 (2) |
| M Tuleja (M4) (2) | N PSW 4x50 (2) |
| O Uchwyt scienny (S) (2) | P Podkładka dystansowa (2) |
| Q Podkładka (1) | R PSW 5x12 (1) |
Dostarczone z telewizorem (przemocowany z tylu)

Wybór.),
1 Wybrać.),
Upewnicie, ze na scianie jest wystarczajco duzo几点ca dla telewizora, a takze ze sciana jest w stanie uniesc ciagar co najmiej czterokrotnie Wiekszy od ciagaru telewizora.
Zapoznac sie z poniieszta tabela dotyczac montazu telewizora na scianie. Cięzar telewizora., można sprawdzić w是我的instruktji.

Jednostka: mm
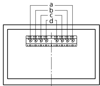
| Nazwa modelu KD- | Wymiary monitora | Wymiar Środkowy ekranu | Długość dla montaź | |||
| a | b | c | d | e | ||
| Standardowy montaź | Plaski montaź | |||||
| 65X850☐C | 1453 | 844 | 21 | 450 | 133 | 91 |
| 55X850☐C | 1236 | 722 | 116 | 485 | 115 | 73 |
| 49X830☐C | 1093 | 643 | 206 | 536 | 107 | 65 |
| 43X830☐C | 961 | 568 | 191 | 483 | 107 | 65 |
Uwaga
- Wartosci podane w tabei moga sie roźnic minimalie w zależnosci od instalacji.
Zapewnic odpowiedni odstep pomiedzy telewizorem a sufitem i wystajacymi elementami, jakPokazano ponizej.
Jednostka: mm

-
Aby zapewnić prawidłowā wentrej i zapobiec gromadzeniu sie kurzu lub brudu:
-
Nie umieszczac眩 telewizora plasko ani nie montowac spodem do tylu, ekranem do sciany lub z boku.
- Nie umieszczac眩 telewizora na polce, dywanie, lozku lub w szafce.
- Nie zakrywać telewizora tkaninami, takimi jak zaśłony, ani innymi przychodmiotami, takimi jak gazety.
- Nie montować telewizora w poniższy sposób.
Zablokowana cyrkulacja powietrza.

Uwaga
- Jesli kable major byc prowadzone w scianie, wykonac otwor na kable w scianie przyrozpieciem montazu.
Aby zapobiec zaciśćci kabli, otwor w scianie powinien zestac wykonany poza zewétrznym obwodem podstawy (20) A,adapter podstawy 1 podkladki dystansowej (20) E, podkladki dystansowej (60) K.
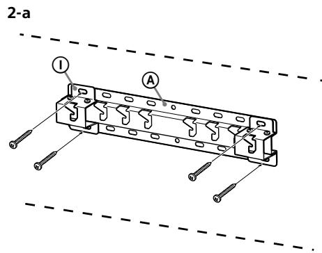
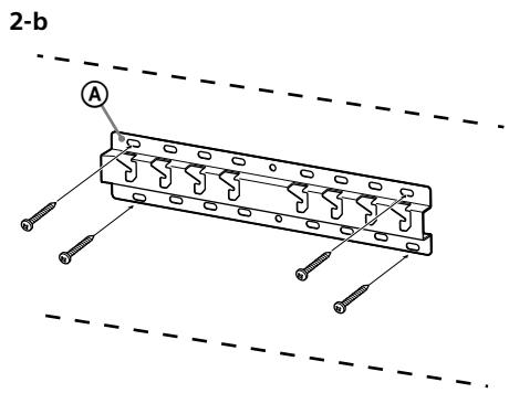
2 Wybierz sposob montazu na scianie. Odleglość tylnej czȩci telewizora do sciany przy wybrać, jak pokazano poniżej. 2-a Standardowy montañ 2-b Plaski montañ
Patrzabela w kroku 1.
OSTRZEZENIE
Gdy wybrany zostanie variant 2-b, dostep do panelu tynego bedzieograniczony.


3 Zapoznaj sie z poniższa tabelaw celu sprawdzenia połozenia montaźu adapterera podstawy. W przypadku wybrania variantu 2-b naleźy poiność ten krok.
| Nazwa modelu KD- | Połozenia haka |
| 65X850☐C | a |
| 55X850☐C | b |
| 49X830☐C | |
| 43X830☐C | c |

Zamocuj adapter podstawy ①
za pomocę s Ruby (PSW 4x10) ②
do podstawy (20) ④ w
przypadku wybrania variantu 2-a.

4 Okreslic pofozenia srb do montazu podstawy (20) A.
Patrz specyfikacja na stronie 12.
W przypadku wybrania variantu 2-a nalezy uzych pozycji otworów dla adaptersa podstawy ①
OSTRZEZENIE
- Sciana, na tkórej ma zostac zamontowany telewizor, musi byc w stanie uniescciezar co najmiej czterokrotnie Wiekszy odciezaru telewizora. (Ciezar telewizora jest podany w了我的 instrukcjji).
- Okresić nosnošć sciany, na ktořej ma dostac zamontowany telewizor. W razie potrzeby odpowiednio wzmocni scianę.
- Uzyc czterech lub wiecej srbu o srednicy 8 mm lub odpowiednikow (niedostarczone).
- Wkreć cztery Śruby w otwory adaptersa podstawy ① z podstawā (20) ④ (tylko 2-a).
- Zamontowá podstawe (20) @ poziomo na scianie.


Przygotowanie do montaqu telewizora
1 Odkreć s Ruby z tyfu telewizora (tyIko model KD-65X850□C).

2 Przymocuj elementy uchwytu dla uchwytu sciennego. Sprawdz elementy uchwytu zgodnie z sekcia „Dostarczone z uchwytem SU-WL450" w rozdzie "Sprawdzenie elementów" na stronie 5.
Uwaga
- Przymocuj prawidłowo elementy uchwytu za pomocą srub.
- Jesli uzywany jest srbokret elektryczny, daneź ustawić moment obrotowy na ok. 1,5 N·m {15 kgf·cm}.
- Nieuwywane częsci naleź omieść w bezpiecznych sąszcie w celu użycia w przyszȩcie. Zachowac instruktów do wykorzystania w przyszȩcie.

Standardowy montaż (2-a)
Plaskimontaz (2-b)
Uwaga
- W przypadku—togo typu montazu nie jest möglichw uzymie niedtórch złaczy z tylu telewizora.

3 Podłaczyc niedzbebędne kable do telewizora.
Kable naleź podȩczyć przyd zamontowaniem telewizora na scianie. Pozamontowaniu telewizora podȩczenie kabli;będzie niemożliwe. Patrz instruktacja dołączona do telewizora.
4 Odłącz uchwyt do kabli (dostarczony z telewizorem). (tylko modele KD-55X850□C/ 49X830□C/43X830□C)

5 Uformuj wiazkę przywodów.
W przypadku modeli KD-55X850□C/ 49X830□C/43X830□C przymocuj uchwyt do kabli do jedem z wewnetrznych otworów.

Uwaga
- Nalezy zlecać prowadzenia kabli w scianie licencjonowanym wykonawcom.
- Zwijać razem kable污染防治 w celu zapobiezenia nadepnięciu na nie przyzionowaniem na scianie.
6 Odkrć podstawe od telewizora.

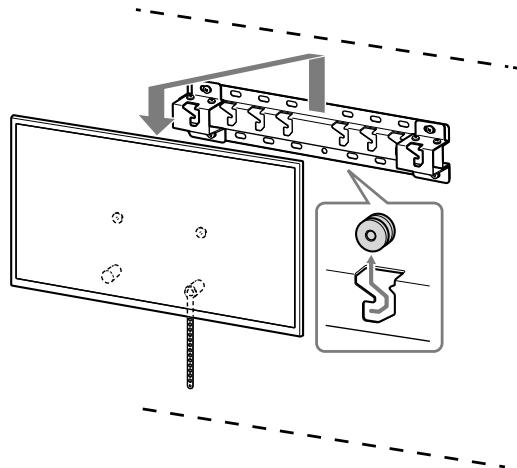
1 Zamontowac telewizor na podstawie.
- Odnosnie do lokalizacja kótek do zawieszania na podstawie patrz tabel dla kroku 3 w sekci „Wybor myjecka montaź” na stronie 7.
- Przytrzymać mocno telewizar dwiema rękami i delikatnie zawiesić kółka (B) zamocOWane do tylnej czȩci telewizora na podstawie, zgodnia z ksztaltem otworów.
- Po zamontowaniu telewizora na scianie sprawdzić,czy kółka 8 są pewnie osadzone w podstawie lub adapterze podstawy.

2-a

2-b
OSTRZEZENIE
- Do przenoszenia telewizora potrzebne są co najmiej dwie osoby.
2 Zapobieganie odchylaniu sie dolnej czeci telewizora.
- Naciąnac pasek (F) i zamocować go mocno do sciany.


- Uzyc s Ruby o srednicy 5 mm lub oppowiednika (niedostarczona).
Uwaga
- Spróbować delikatnie pociągnć telewizor do siebie, aby sprawdžić,czy jest on dobrze zamontowany. Ješli telewizor poruszy sie, oznacza to, ze nie jest prawidlowo zamontowany i naleź mynocnej naciągnć pasek (F).
Sprawdzenie kompletnosci montazu
Sprawdzić nastepujace pozycje.
Czy kola sapewnie osadzone w podstawie lub adapterze podstawy.
Czy przywośd i kableNie są skrecone ani zac)iñe.
Czy pasek F nie jest luźny.
OSTRZEZENIE
- Nieprawidlowe umieszczenie przywodu zasilajacego itp.monary spowodowac pozar lub porazenie pradem elektrycznym na skutek zwarcia. Ze wzgliedow bezieczeniana alezy sprawdzić kompletnosć montazu.
Pozostale informacja
W celu zdemontowania telewizora nalezy wykonać procedur montazu w odwrotnej kolejność.

OSTRZEZENIE
- Do demontażu telewizora potrzebne są co najmiej dwie osoby.
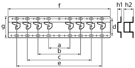
Specyfikacja

Wymiary: (ok.) [mm]
a :100
b : 200
c :300
d : 80
e :400
f :480
g :100
h1 : 20 (przypadek 2-b)
h2 : 60 (przypadek 2-a)
Ciezar (tylko podstawa): (ok.) [kg]
0,8
Konstrukcja i specyfikacja mogą ulec zmieanie bez uprzedzenia.
Uzstadot televizoru, nepaklaujiet to triecieniem.
Ja televiztors tiek paklauts triecienam, tas var nokrist vai saluzit. Tas var radit traumas.
Tiekiama kartu su SU-WL450
yinnn yip ywn,2-a nny
. ① 1
ProstaInstrukcja