KD-55XE8096 - Телевизор SONY - Безплатно ръководство за потребителя
Намерете безплатно ръководството на устройството KD-55XE8096 SONY в PDF формат.
Изтеглете инструкциите за вашия Телевизор в PDF формат безплатно! Намерете ръководството си KD-55XE8096 - SONY и вземете отново електронното си устройство в ръце. На тази страница са публикувани всички документи, необходими за използването на вашето устройство. KD-55XE8096 на марката SONY.
РЪКОВОДСТВО ЗА ПОТРЕБИТЕЛЯ KD-55XE8096 SONY
Опразда на мяостOTO на моHTаж
1 N36peTe MЯCTOTO Ha MOHTaJ.
YBepTe Ce, Ye Ha CTeHaTa IMa DoCTaTbUH O MAcTo 3a TeJeBn3Opa N Ye Ta e CnOCo6Ha Da
I3DbpxkN TeJecT, NOHe YetnpKpaTHo PpeBnSbAbaSa Ta3N Ha TeteBn3Opa.
BxKTe CneIHaTa Ta6IuCa OTHOcH O MOtTaKa Ha TeteBn3Opa Ha CteHaTa. BxKTe cnpaBOuHOTo
pbKOBoDCTBO Ha TeteBn3Opa OTHOcH ToTJIoTO My.

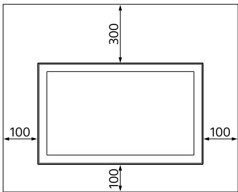
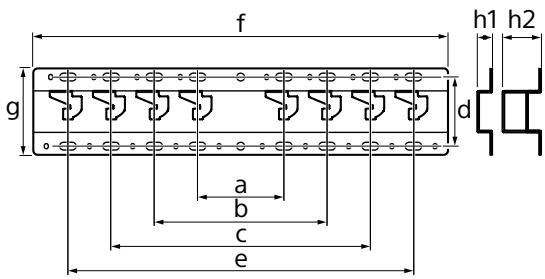
Mepn eDInHn: mm
| Иme на м odeл KD- | Размeperи на ekранa | Размeper на цentьра на ekранa | Дылжина на моNTах | |||
| a | b | c | d | e | ||
| Стондантейн MOТах | Teсен MOТах | |||||
| 65X850□C | 1453 | 844 | 21 | 450 | 133 | 91 |
| 55X850□C | 1236 | 722 | 116 | 485 | 115 | 73 |
| 49X830□C | 1093 | 643 | 206 | 536 | 107 | 65 |
| 43X830□C | 961 | 568 | 191 | 483 | 107 | 65 |
3a6eJekka
- Yncnata B TabluncaTa MOKe IeKo Da ce pa3InuBaT B 3aBnCmOCT OT HaunHa H3BbPwBaHe Ha MoNTaKa.
OCTaBeTe NOxOJaIoo pa3cTOrHnHe MeJkDy TeJIeBn3OpA, TaBaHa N I3JaDeHnTe YaCTNu Ha CTeHaTa, KaKTo e NOKa3aHo No-DoJy.
Mepn eunu: mm

3a da noctnHHe npabInHa BeHTnlaIauN i Da npedOTbpaNTe cbbnpaHETo Ha npax nnMpbcotn:
- He cnara Te TeneBn3opa Da Jlexn Ha nIIOCKaTa Cn CTpaHa, He rO MOHTnpaTe OsbPnat C rohpna KaH aDOny, HaoNakn Nm CTpaHnHNo.
- He cnlaaIte TeIeBn3opa Bbpxy paΦTOBe, KIINM, IerIIO nII N B dpeuHNIK.
- He nokpmbaIte TeneBn3opa C TbKaH, KaTo Hanpimep nepTeA, INIc PpeMEmT KATO BECTHNIu N Dp.
- He monTupaIte TeIeBUN3opa, KaKTo e nOKa3aHOnNo-dony.
ДвижениToHaВьздуха e6лokupaHo.

3a6eJexkka
- Ako Bb3HaMepeBaTe da npekapate Ka6eInte BCTeHaTa, HnpaBeTe OTBOP B CTeHaTAt, 3a Da BMbKHeTe Ka6eInte npdi NaHauNTo Ha MOHTaKa. 3a Da npedeOTbPaTe 3aunnBaHe Ha Ka6eInte, HnpaBeTe OTBOP B CTeHaTAt N3BbH NepmMetbPa Ha OCHOBaTe (20) A, aanTpE Ha OCHOBata 1 nDnctAHNoHHaTa Btynka (20) E, DnCTaHNoHHaTa Btynka (60) K.
2 ɪЗбөрete ВиД моNTаж Ha CTeHa. Pa3CTOЯнeTO OT 3aДиТа част Ha TeЛeВиЗОра до CTeHаТа може дa ceɪзбөр, KaKTo e POKa3aHo NO-ДOLу.
2-a CtaHdapTeH MOHTaX
2-b TeceH MOHTaX
BuxTe Ta6JIucaTa O t CbIka 1.
PNEyNPEKDEHNE
Korato e n36paHO 2-b,doCTbNT do 3aHnTe KJIeMn e orpaHnueH.


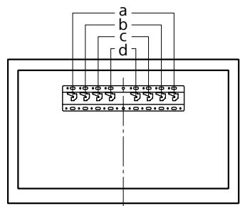
3 BuxTe Ta6nIaTa nO-dOly 3a MeCTOnoJIoXeHneTo Ha aJaTepHnA fHTnHr 3a ochOBaTa. Ako cTe n36paIi 2-b, npOnyucHe Ta3N CTbPkA.
| Име на мodyел KD- | Мecтоноожени на кукatinga |
| 65X850□C | a |
| 55X850□C | b |
| 49X830□C | |
| 43X830□C | c |

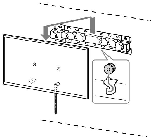
MOnTnpaTe aAnTepeHa OCHOBaTa ① KaTo n3NoJ3BaTe BInr (PSW 4x10) J KbM OCHOBaTa (20) A, aKO cTe n36paII 2-a.

Пюверka на прикlioчвано на мOLTажа
Поберете слднITETOUKN.
- MakapuTe ⑧ ca 3aKaueHn 3dpaBO 3a OCHOBaTa NII aDANTepa Ha OCHOBaTa.
- Ka6eJInte He ca ycyKaHn nn npTncHaTn.
- Kolan (F) e 3aTeHataи ИЯma xla6bHa.
PNEyIpyKdEHN
- HenpaBnHTo noCTaBHe Na 3axpaHbAunna Ka6eN n DpyrMoKe Da npuHnNoXap nnEneKtpueckn ydap nopAdn Kbco CbeDInHeHne. C orJeI Ha 6e3oNaChocTt npOBepTe daJIN MOHTaKbTe 3aBbPseH.
Дугашхорmaцnia
Korato cbaJrTe TeIeBn3Opa, n3IbJIHHeTepoueDypata Ha MOHTaKa B O6paTeH pei.

PNEUYIPEXJEHME
- OcnnypeTe DBe NII NOBeue IInca, KOITO Da IbpxkAT TeIeBUN3opa npn CBaJIHeTO My.
CpeunΦnKaun

ЛеснаИнструкция