KD-55XE8096 - Fernseher SONY - Kostenlose Bedienungsanleitung
Finden Sie kostenlos die Bedienungsanleitung des Geräts KD-55XE8096 SONY als PDF.
Laden Sie die Anleitung für Ihr Fernseher kostenlos im PDF-Format! Finden Sie Ihr Handbuch KD-55XE8096 - SONY und nehmen Sie Ihr elektronisches Gerät wieder in die Hand. Auf dieser Seite sind alle Dokumente veröffentlicht, die für die Verwendung Ihres Geräts notwendig sind. KD-55XE8096 von der Marke SONY.
BEDIENUNGSANLEITUNG KD-55XE8096 SONY
Installationsinformationen zum Verwendend der Wandhalterung (SU-WL450) von Sony
Unterstützte Modèle:
KD-65X850*C/55X850*C/49X830*C/43X830*C
^* , " steht für Zahlen und/oder Zeichen, die im eigentlichen Modellnamen für das jeweilige Modell eindeutig sind.
FürdenKunden
Zum Schutz des Produkts und aus Sicherheitsgründen empfeht Sony dringend, die Installation des Fernsehgeräts von einem Sony-Änderer oder lizenzierten Fachleuten ausfuhren zu halten.
Versuchen Sie nicht, das Fernsehgeber selbst zu installieren.
Für Sony-Handler und Montagefachleute
Achten Sie bei der Installation, der regelmäßigen Wartung und der Überprüfung des Produkts in erster Linie auf Sicherheit.
Zur Installation theses Produkts sind Fachkenntnisse erforderlich, insbesondere um die Tragfähigkeit der Wand für das Gewicht des Fernsehgeräts sicherzustellen. Überlassen Sie die Montage theses Produkts an der Wand unbedingt Sony-Händlern oder lizenzierten Fachleuten und ergreifen Sie bei der Montage geeignete.
Sicherheitsmaßnahmen. Sony übernimmt keine Haftung für Verletzungen bzw. Sachschäden, die durch unsachgemäßen Umgang mit dem Produkt oder eine fehlerhafte Montage entstehen.
Befolgen Sie aus Sicherheitsgründen und zum Zweck einer ordnungsgemäßen Installation die Anweisungen in der Bedienungsanleitung zur Wandhalterung, in der Einführungsanleitung zum Fernsehgerät und in dieser Anleitung.
Hinweise zur Sicherheit
Vielen Dank, dass Sie sich für these Produkt entschieden haben.
An die Kunden
Zur Montage这点es Products sind ausreichende Fachkennntrisse erforderlich. Überlassen Sie die Montage einem Sony-Handler oder einem lizenzierten Fachmann und achten Sie bei der Montage insbesondere auf die Sicherheit. Sony übernimmt keine Haftung für Schäden oder Verletzungen durch die fehlerhafte Handhabung oder eine unsachgemäße Montage oder für die Montage eines anderen als des angegebenen Products. Ihr gesetzlichen Rechte (wenn zutrefend) sind davon nicht betroften.
An die Sony-Handler
Zur Montage deses Produkte sind ausreichende Fachkennnisse erforderlich. Lesen Sie sich diese Anleitung unbedingt sorgfältig durch, um die Montagearbeiten sich durchzufahren. Sony übernimmt keine Haftung für Schäden oder Verletzungen durch die fehlerhafte Handhabung oder eine unsachgemäße Montage. Händigen Sie diese Anleitung nach der Montage dem Kunden aus.
These Bedienungsanleitung zeigt die richtige Handhabung des Produkts und wichtige Vorsichtshinweise, die notwendig sind, um Unfälle zu vermeiden. Lesen Sie sich diese Anleitung sorgfält durch und verwenden Sie das Produkt korrekt. Bewahren Sie diese Anleitung zum künftigen Nachschlagen auf.
Produkte von Sony wurden im Hinblick auf die Sicherheit entwickelt. Wenn die Produkte aber falsch verwendet werden, kann das zu schwerwiegenden Verletzungen durch Feuer, Stromschlag, das Kippen des Produkts oder das Herunterfallen des Produkts führen. Beachten Sie unbedingt die Vorsichtshinweise, um solche Unfälle zu vermeiden.
VORSICHT
Angegebene Produkte
These Wandhalterung wurde zur Verwendungen mit den angegebenen Fernsehgeräten entwickelt. Schlagen Sie bei Fernsehgeräten im zugehörigen Referenzleitfaden nach, um sich zu vergewissern, dass die Wandhalterung verwendet werden kann.
An die Kunden
WARNING
Wenn die folgenden Vorsichtshinweise nicht beachteitet werden, kann es zu schwerwiegenden Verletzungen oder Tod durch Feuer, Stromschlag oder das Herunterfallen des Produkts kommt.
Überlassen Sie die Montage einem lizenzierten Fachmann und halten Sie keine Kinder während der Montage fern.
Wenn die Wandhalterung oder das Fernsehgerät nicht korrekt montiert werden, kann es zu den folgenden Unfallenkommen. Achten Sie darauf, dass die Montage durch einen lizenzierten Fachmann ausgeführht wird.
- Das Fernsehgerat kann herunterfallen und schwerwiegenden Verletzungen wie Prellungen oder Brüche verursachen.
- Wenn die Wand, an der die Wandhalterung montiert werden soll, instabil, uneben oder nicht senkrecht zum Boden ist, kann das Gerät herunterfallen und Verletzungen oder Sachschädten verursachen. Die Wand solte mindestens das vierfache Gewicht des Fernsehgeräts tragen können. (Informationen zum Gewicht des Fernsehgeräts finden Sie im Referenzleitfaden des Geräts.)
- Wenn die Montage der Wandhalterung an der Wand nicht ausreichend stabil ist, kann das Gerät herunterfallen und Verletzungen oder Sachschäden verursachen.
Überlassen Sie die Umpositionierung bzw. den Abbau des Fernsehgeräts einem lizenzierten Fachmann.
Wenn andere Personen als ein lizenzierter Fachmann den Transport oder Abbau des Fernsehgeräts übernehmen, kann es herunterfallen und Verletzungen oder Sachschäden verursachen. Achten Sie darauf, dass mindestens zwei Personen das Fernsehgerät trabgen oder abbauen.
Entfernen Sie keine Schrauben usw., nach dem Sie das Fernsehgerät montiert haben.
Anderfalls kann das Fernseherger herunterfallen und Verletzungen oder Sachschäden verursachen.
Nehmen Sie keine Veränderungen an Teilen der Wandhalterung vor.
Andernfalls kann die Wandhalterung herunterfallen und Verletzungen oder Sachschädens verursachen.
Montieren Sie keine Geräte außer dem angegebenen Produkt.
These Wandhalterung wurde nur zur Verwendungen mit dem angegebenen Produkt entwickelt. Wenn Sie andere als das angegebene Gerämt montieren, kann sie herunterfallen oder brechen und Verletzungen oder Sachsäden verursachen.
Belasten Sie die Wandhalterung nur mit dem Gewicht des Fernsehgeräts. Setzen Sie das Fernsehgerät keinen Erschüttungen nach links/rechts oder oben/unden aus.
Andernfalls kann das Fernsehgerat herunterfallen und Verletzungen oder Sachschäden verursachen.
Lehnen und hängen Sie sich nicht an das Fernsehgerät.
Lehnen und hängen Sie sich nicht an das Fernsehgerät, da es auf Sie fallen und schwerwiegende Verletzungen verursachen konnte.
VORSICHT
Wenn die folgenden Vorsichtshinweise nicht beachteit werden, kann es zu Verletzungen oder Sachschaden kommt.
Üben Sie während der Reinigung oder Wartung keine übermäßige Gewalt auf das Produkt aus.
Üben Sie keine übermäßige Gewalt auf die Oberseite des Fernsehgeräts aus. Andernfalls kann das Fernsehgerät herunterfallen und Verletzungen oder Sachschäden verursachen.
Vorsichtshinweise
- Wenn Sie das Fermsehgerät längere Zeit verwenden, wenn es an der Wandhalterung angebracht ist, kann sich, abhängig vom Material der Wand, die Wand hinter oder über dem Fermsehgerät verfarben oder die Tapete kann sich losehen.
- Wenn die Wandhalterung nach der Montage an der Wand entfern wird, verbleiben die Schraubenbohrungen.
- Verwenden Sie die Wandhalterung nicht an Orten, an denen sie mechanischen Vibrationen ausgesetzt ist.
MontierenderWandhalterung
An die Sony-Handler
WARNING
Die folgenden Anweisungen gelten nur für Sony-Handling. Lesen Sie sich unbedingt die oben aufgeführten Sicherheitshinweise durch und achtEN Sie während der Montage, Wartung und Überprüfung des Produkts insbesondere auf die Sicherheit.
Installieren Sie die Wandhalterung nicht auf einer Wandfläche, bei der die Ecken der Kanten des Fernsehgeräts über die Wandfläche hinausragen.
Installieren Sie die Wandhalterung nicht auf einer Wandfläche, wie einer Saule, bei der die Ecken der Kanten des Fernsehgeräts über die Wandfläche hinausragen. Wenn eine Person oder ein Objekt gegen die vorstehende Ecke oder Seite des Fernsehgeräts stöhlt, kann es zu Verletzungen oder Sachschäden kommt.

Montieren Sie das Fernsehgerät nicht über oder unter einem Klimagerät.
Wenn das Fernsehgerät längere Zeit auststrendem Wasser oder dem Luftstrom einer Klimaanlage ausgesetzt ist, kann es zu einem Brand, Stromschlag oder einer Fehlfunktion des Fernsehgerätskommen.
Achten Sie darauf, die Wandhalterung entsprechend den Anweisungen in dieser Bedienungsanleitung sich an der Wand zu montieren.
Wenn Schrauben locker sind oder hersaufallen, kann die Wandhalterung herunterfallen und Verletzungen oder Sachschäden verursachen. Verwendten Sie unbedingt geeignete Schrauben für das Material der Wand und montieren Sie das Gerät sicher mit vier oder mehr Schrauben mit einem Durchmesser von 8 mm (oder entsprechendem Material).

Verwenden Sie
unbedingt die
mitgelieferten
Schrauben und
Befestigungsteile
entsprechend den
Anweisungen in dieser Bedienungsanleitung.
Wenn Sie andere Teile verwenden, kann das Fernsehgerät
herunterfallen und
Personenschäden oder
Schäden am
Fernsehgerät
verursachen.
Bauen Sie die Halterung ordnungsgemäß entsprechend den in dieser Bedienungsanleitung beschrieben Schritten zusammen.
Wenn die Schrauben lose sind oder herausfallen, kann das Fernsehergat herunterfallen und Personenschaden oder Schaden am Fernsehergat verursachen.
Ziehen Sie die Schrauben unbedingt an den dafür vorgesehenen Positionen fest.
Anderfalls kann das Fernsehgerät herunterfallen und Personenschäden oder Schäden am Fernsehgerät verursachen.
Achten Sie darauf, das Fernsehgerät während der Montage keinen Erschüttungen auszusetzen.
Wenn das Fernsehgerat Erschüttungen ausgesetzt wird, kann es herunterffen oder brechen. Dies kann zu Verletzungen führen.
Achten Sie darauf, das Fernsehgerät an einer Wand zu montieren, die senkrecht und eben ist.
Andernfalls kann das Fernsehgerät herunterfallen und Verletzungen verursachen.
Sichern Sie die Kabel nach der ordnungsgemäBen Montage des Fernsehgerats ordnungsgemäß.
Wenn sich Personen oder Gegenstände in den Kabeln verfangen, kann diese zu Verletzungen oder Schäden am Fernsehgerät führen.
Verhindern Sie, dass das Netz- oder die Verbindungskabel eingeklemmt werden.
Wenn das Netz- oder die Verbindungskabel zwischen dem Gerät und der Wand eingeklemmt werden oder gewaltsam verbogen oder verdreht werden, können die internen Adern freilegelegt werden und es kann zu einem Kurzschluss oder Stromschlagkommen. Dies kann zu einem Brand oder Stromschlag führen.

Die Schrauben zur Sicherung der Wandhalterung an der Wand sind nicht mitgeliefert.
Verwenden Sie passende Schrauben für das Material und die Struktur der Wand, wenn Sie die Wandhalterung montieren.
Montierendes
Fernsehgeräts an der Wand
Die Montageschritte variieren abhängig vom Fernsehgerät.
Verwenden Sie für die Montage des
Fernsehgerats an der Wand die
Wandhalterung SU-WL450.
Hinweis
- Bewahren Sie die abgenommenen Schrauben unbedingt an einem sicheren, für Kinder nicht zugänglichen Ort auf.
Vorbereitung der Montage
- Legen Sie vor der Montage den
Referenzleitfaden des Fernsehgeräts bereit. - Stellen Sie vor der Montage sicher, dass Sie einen Kreuzschlitzschraubendreher bereitgelegt haben, der auf die Schrauben passst.
- Überprüfen Sie die Montageposition des Fernsehgeräts.
- Legen Sie mindestens vier Schrauben mit einem Durchmesser von 8 mm und ein Schraube mit einem Durchmesser von 5 mm bzw. entsprechende Schrauben bereit (nicht mitgeliefert). Wahlen Sie Schrauben, die für das Material der Wand geeignet sind.
Überprüfen der Teile
Mit der SU-WL450 gefelert
- Stellen Sie sicher, dass alle Teile vorhanden sind.
| A Grundplatte (20) (1) | B Rolle (2) |
| C PSW 6x20 (4) | D PSW 4x20 mit Hülse (2) |
| E Abstandshalter (20) (2) | F Gurt (1) |
| G Hülsse (20) (M4) (2) | H PSW 4x20 (2) |
| I Grundplatten- adapter (2) | J PSW 4x10 (8) |
| K Abstandshalter (60) (2) | L PSW 6x50 (2) |
| M Hülsse (M4) (2) | N PSW 4x50 (2) |
| O Wandmontage- adapter (S) (2) | P Abstandshalter (2) |
| Q Unterlegscheibe (1) | R PSW 5x12 (1) |
Mit dem Fernsehgerät gefeliefert (an der Rückseite angebracht)

Festlegen der Montageposition
1 Legen Sie die Montageposition fest.
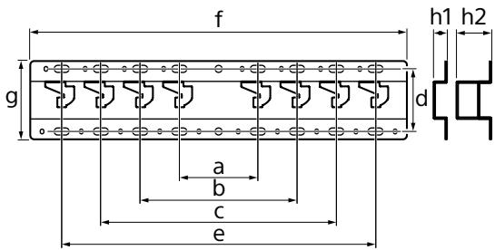
Stellen Sie sicher, dass an der Wand genug Platz für das Fernsehgerät ist und dass die Wand eine Tragfähigkeit von mindestens dem Vierfachen des Gewichts des Fernsehgeräts aufweist. In der folgenden Tabelle findsen Sie Informationen zum Montieren des Fernsehgeräts an der Wand. Im Referenzleitfaden zum Fernsehgerät finden Sie Informationen zum Gewicht des Fernsehgeräts.

Einheit: mm
| Modell-bezeichnung KD- | Display-abmessungen | Bildschirmitten-abmessung | Montagemaße | |||
| a | b | c | d | e | g | |
| Standard-anbringung | Schmiele Anbringung | |||||
| 65X850□C | 1.453 | 844 | 21 | 450 | 133 | 91 |
| 55X850□C | 1.236 | 722 | 116 | 485 | 115 | 73 |
| 49X830□C | 1.093 | 643 | 206 | 536 | 107 | 65 |
| 43X830□C | 961 | 568 | 191 | 483 | 107 | 65 |
Hinweis
- Die Angaben in der Tabelle können je nach Installation etwas variieren.
Bedienungsanleitung des Fernsehgeräts. Lassen Sie zwischen dem Fernsehgeber und der Decke sowie vorstehenden Teilen der Wand ausreichend Platz, wie unter dargestellt.
Einheit: mm

- Um eine ausreichende Belüfung saferzustellen und die Ansammlung von Schmutz und Staub zu verhindern:
- Legen Sie das Fernsehgerät nicht flach hin, installieren Sie es nicht auf dem Kopf stehend oder mit der Rückseite oder Seite nach vorne.
- Stellen Sie das Fernsehgerät nicht in ein Regal, auf einen Teppich, auf ein Bett oder in einen Schrank.
- Decken Sie das Fernsehgerät nicht mit Decken oder Vorhängen ab und legen Sie keine Gegenstände wie Zeitungen usw. darauf.
- Installieren Sie das Fernsehgerät nicht wie weiter unter den dargestellt.
Die Luftzirkulation wird blockiert.

- Wenn 2-b ausgewählt wird, ist der Zugriff auf die Anschlüsse an der Rückseite eingeschränkt.
Hinweis
- Wenn Sie vorhaben, die Kabel in der Wand zu verlegen, machen Sie eine Bohrung in der Wand, um die Kabel durchzufahren, bevor Sie mit der Montage beginnen.
Um zu verhindern, dass die Kabel eingeklemmt werden, führen Sie die Bohrung in der Wand außerhalb der Umfassung des Grundplatte (20) A, Grundplattenadapter 1 und des Abstandshalter (20) E, Abstandshalter (60) K durch.
2 Wahlen Sie die Art der Wandbefestigung. Sie konnen die Entfernung von der Rückseite des Fernsehgeräts zur Wand wie unter angegeben auswahlen.
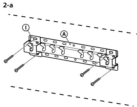
2-a Standardanbringung
2-b Schmale Anbringung
Beachten Sie die Tabelle in Schritt 1.
WARNING


3 Informationen zur Montageposition des Grundplattenadapters finden Sie in der Tabelle unten. Wenn Sie 2-b wahlen, uberspringen Sie diesen Schritt.
| Modellbezeichnung KD- | Hakenpositionen |
| 65X850□C | a |
| 55X850□C | b |
| 49X830□C | |
| 43X830□C | c |

Bringen Sie den
Grundplattenadapter ① mit der Schraube (PSW 4x10) ① an der Grundplatte (20) ④ an, wenn Sie 2-a wahlen.

4 Legen Sie die
Schraubenpositionen für die Montage der Grundplatte (20)
festival.
Beachten Sie die technischen Daten auf Seite 12.
Wenn Sie 2-a wahlen, verwenden Sie die Bohrungspositionen des
Grundplattenadapters ①.
WARNING
Die Wand, an der das Fernsehgerät montiert wird, sollte mindestens das vierfache Gewicht des Fernsehgeräts tragen können (Informationen zum Gewicht führen Sie im Referenzleitfaden des Fernsehgeräts.).
- Bestimmen Sie die Stärke der Wand, an der das Fernsehgerämt montiert werden soll. Verstärken Sie die Wand bei Bedarf ausreichend.
Montieren der Grundplatte an der Wand
- Verwenden Sie mindestens vier Schrauben mit einem Durchmesser von 8 mm bzw. entsprechende Schrauben (nicht mitgeliefert).
- Setzen Sie vier Schrauben in die Bohrungen des Grundplattenadapters ① und der Grundplatte (20) ④ ein (nur 2-a).
- Montieren Sie die Grundplatte (20) ④ horizontal an der Wand.


Vorbereitung der Montagedes Fernsehgeräts
1 Entfernen Sie die Schrauben an der Rückseite des Fernsehgeräts (nur KD-65X850□C).

2 Bringen Sie die Montageteile für die Wandhalterung an. Überprüfen Sie die Montageteile anhand der Abschnittte „Mit der SU-WL450 gefelert" und „Überprüfen der Teile" auf Seite 5.
Hinweis
- Befestigen Sie die Montageteile sicher mit Schrauben.
- Wenn Sie einen elektrischen Schraubenzieher verwenden, stellen Sie ein Drehmoment von etwa 1,5 N·m {15 kgf·cm} ein.
- Bewahren Sie die nicht verwendeten Teile für den zukünftigen Gebrauch unbedingt an einem sicheren Ort auf. Bewahren Sie diese Anleitung zum späteren Nachschlagen auf.

Standardanbringung (2-a)
Schmale Anbringung (2-b)
Hinweis
- Bei dieser Art der Montage konnen Sie einige der Anschlüsse auf der Rückseite des Fernsehgeräts nicht nutzen.


3 Schließen Sie die notwendigen Kabel an das Fernsehgerät an.
Stellen Sie sicher, dass die Kabel
angeschlossen sind, bevor Sie das
Fernsehgerät an der Wand montieren. Sie
konnen die Kabel nicht anschreiben, wenn
das Fernsehgerät montiert wurde.
Schlagen Sie in dem Referenzleitfaden im
Lieferumfang des Fernsehgeräts nach.
4 Nehmen Sie den Kabelhalter (mit dem Fernsehgerät gefelfert) ab.
(nur KD-55X850□C/49X830□C/43X830□C)

5 Bündeln Sie die Kabel.
Bringen Sie beim KD-55X850□C/49X830□C/43X830□C den Kabelhalter an einer der inneren Bohrungen an.

Hinweis
- Überlassen Sie die Kabelführung in der Wand einem lizenzierten Fachmann.
- Bündeln Sie die Anschlusskabel, damit niemand darauf auf tritt, bevor Sie die Wandmontage durchführten.
6 Nehmen Sie den Tischständervom Fernsehgerät ab.

Montieren des Fernsehgeräts an der Wand
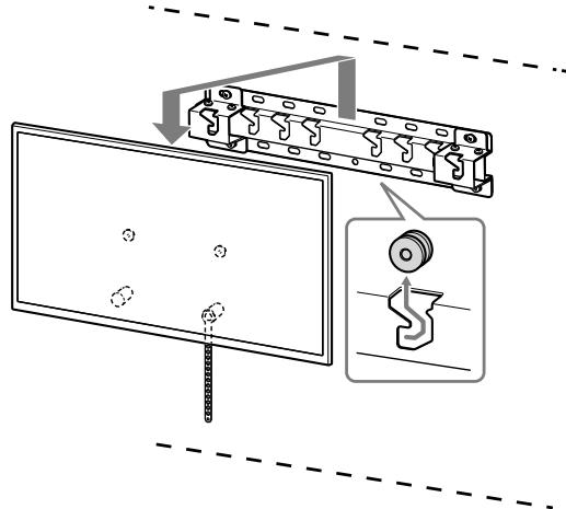
1 Montieren Sie das Fernsehgerät auf der Grundplatte.
Informationen zur Position der Rollen ⑧ zum Einhängen der Grundplatte finden Sie in der Tabelle in Schritt 3 unter "Festlegen der Montageposition" auf Seite 7.
- Halten Sie das Fernsehgerät sichern mit beiden Händen und hängen Sie die Rollen ⑧, die an der Rückseite des Fernsehgeräts angebracht sind, vorsichtig in die Grundplatte ein. Überprüfen Sie darauf die Form der Aussparungen.
- Überprüfen Sie nach der Montage des Fernsehgeräts an der Wand, ob die Rollen ⑧ fest in die Grundplatte oder den Grundplattenadapter eingerastet sind.

2-a

2-b
WARNING
- Das Fernsehgerät sollte unbedingt von mindestens zwei Personen gehalten werden, wenn es getragen wird.
2 Verhindern Sie, dass sich die Unterseite des Fernsehgeräts bewegt.
- Spannen Sie den Gurt (F) und befestigen Sieihn fest an der Wand.


- Verwenden Sie eine Schraube mit einem Durchmesser von 5 mm bzw. eine entsprechende Schraube (nicht mitgeliefert).
Hinweis
Versuchen Sie, die Unterseite des Fernsehgeräts leicht in ihre Richtung zuziehen, um Sicherzustellen, dass es sich nicht nach vorne bewegt. Wenn es sich bewegt, ist es nicht richtig fixiert und der Gurt (F) sollte erneut fest fixiert werden.
Überprüfen der abgeschlossenen Montage
Überprüfen Sie die folgenden Punkte.
Die Rollen ⑧ sind fest in die Grundplatte oder den Grundplattenadapter eingehängt.
Die Kabel sind nicht verdrecht oder eingeklemmt.
- Der Gurt (F) ist straff gespannt.
WARNING
- Eine unsachgemäß Platierung des Netzkabels usw. kann zu einem Brand oder Stromschlag durch einen Kurzschluss führen. Achten Sie darauf, die Montage bei Abschluss zur Sicherheit zu überprüfen.
Sonstige Informationen
Führer Sie die Montageschritte in umgekehrter Reihenfolge durch, wenn Sie das Fernsehgeber abnehmer.

WARNING
- Das Fernsehgerät sollte unbedingt von mindestens zwei Personen gehalten werden, wenn es entfernt wird.
Technische Daten

Abmessungen: (ca.) [mm]
a :100
b : 200
c :300
d : 80
e : 400
f : 480
g :100
h1 : 20 (fall 2-b)
h2:60(fall 2-a)
Gewicht (nur Grundplatte): (ca.) [kg]
0,8
Design und technische Daten können ohne vorherige
Ankündigung geändert werden.
Leun nicht op en hang nicht aan de tv.
Leun nicht op en hang nicht aan de tv. De tv kan op u vallen en ernstige letselsveroorzaken.
OPGELET
Nn,1N 1N 1N Nn 1N 1N 1N 1N 1N 1N 1N 1N 1N 1N 1N 1N 1N 1N 1N 1N 1N 1N 1N 1N 1N 1N 1N 1N 1N 1N 1N 1N 1N 1N 1N 1N 1N 1N

ywnynn 10nnn nn nnnn nn
ON.nnnn nn nnnn nn nn nn nn nn nn nn nn nn nn nn nn nn nn nn nn nn nn nn nn nn nn nn nn nn nn nn nn nn nn nn nn nn nn nn nn nn nn nn nn nn nn nn nn nn nn nn nn nn nn nn nn nn nn nn nn nn nn nn nn nn nn nn nn nn nn nn nn nn nn nn nn nn nn nn nn nn nn nn nn nn nn nn nn nn nn nn nn nn nn nn nn nn nn nn nn nn nn nn nn
pnnn
SU-WL450 1y y y y
.
| (2) PSW 4x20 (2) PSW 6x20 (1) PSW 4x20 (2) PSW 4x20 (3) PSW 4x20 (4) PSW 4x20 (5) PSW 4x20 (6) PSW 4x20 (7) PSW 4x20 (8) PSW 4x10 (9) PSW 6x50 (L) PSW 4x50 (N) (2) PSW 4x50 (P) (1) PSW 5x12 (R) | (1) (20) A (4) PSW 6x20 C (2) (20) E (2) (M4) (20) G (2) PSW 6x50 L (2) (60) N (2) (M4) N (2) (S) N |
| (1) PSW 4x20 (2) PSW 4x20 (3) PSW 4x20 (4) PSW 4x20 (5) PSW 4x20 (6) PSW 4x20 (7) PSW 4x20 (8) PSW 4x20 (9) PSW 4x20 (10) PSW 4x20 (11) PSW 4x20 (12) PSW 4x20 (13) PSW 4x20 (14) PSW 4x20 (15) PSW 4x20 (16) PSW 4x20 (17) PSW 4x20 (18) PSW 4x20 (19) PSW 4x20 (20) PSW 4x20 (21) PSW 4x20 (22) PSW 4x20 (23) PSW 4x20 (24) PSW 4x20 (25) PSW 4x20 (26) PSW 4x20 (27) PSW 4x20 (28) PSW 4x20 (29) PSW 4x20 (30) PSW 4x20 (31) PSW 4x20 (32) PSW 4x20 (33) PSW 4x20 (34) PSW 4x20 (35) PSW 4x20 (36) PSW 4x20 (37) PSW 4x20 (38) PSW 4x20 (39) PSW 4x20 (40) PSW 4x20 (41) PSW 4x20 (42) PSW 4x20 (43) PSW 4x20 (44) PSW 4x20 (45) PSW 4x20 (46) PSW 4x20 (47) PSW 4x20 (48) PSW 4x20 (49) PSW 4x20 (50) PSW 4x20 (51) PSW 4x20 (52) PSW 4x20 (53) PSW 4x20 (54) PSW 4x20 (55) PSW 4x20 (56) PSW 4x20 (57) PSW 4x20 (58) PSW 4x20 (59) PSW 4x20 (60) PSW 4x20 (61) PSW 4x20 (62) PSW 4x20 (63) PSW 4x20 (64) PSW 4x20 (65) PSW 4x20 (66) PSW 4x20 (67) PSW 4x20 (68) PSW 4x20 (69) PSW 4x20 (70) PSW 4x20 (71) PSW 4x20 (72) PSW 4x20 (73) PSW 4x20 (74) PSW 4x20 (75) PSW 4x20 (76) PSW 4x20 (77) PSW 4x20 (78) PSW 4x20 (79) PSW 4x20 (80) PSW 4x20 (81) PSW 4x20 (82) PSW 4x20 (83) PSW 4x20 (84) PSW 4x20 (85) PSW 4x20 (86) PSW 4x20 (87) PSW 4x20 (88) PSW 4x20 (89) PSW 4x20 (90) PSW 4x20 (91) PSW 4x20 (92) PSW 4x20 (93) PSW 4x20 (94) PSW 4x20 (95) PSW 4x20 (96) PSW 4x20 (97) PSW 4x20 (98) PSW 4x20 (99) PSW 4x20 (100) |
ybn yopn 0
(nnnnnnpbny)
(1) 当 p 时

EinfachAnleitung