90 F - Kazán Baxi - Ingyenes használati útmutató
Találja meg az eszköz kézikönyvét ingyenesen 90 F Baxi PDF formátumban.
Felhasználói kérdések a következőről 90 F Baxi
0 kérdés erről a készülékről. Válaszolj azokra, amiket ismersz, vagy tedd fel a sajátod.
Tegyél fel egy új kérdést erről a készülékről
Töltse le az útmutatót a következőhöz Kazán PDF formátumban ingyenesen! Találja meg kézikönyvét 90 F - Baxi és vegye vissza elektronikus eszközét a kezébe. Ezen az oldalon közzé van téve az eszköze használatához szükséges összes dokumentum. 90 F márka Baxi.
HASZNÁLATI ÚTMUTATÓ 90 F Baxi
A termekeit folyamatosan fejleszti es fenntartja a jogot arra, hogy a jelen dokumentacioban megadott adatokat barmikor, elozetes ertesités nélkül modositsa. A jelen dokumentació információs jellegü es nem tekinthető harmadik fellel szembeni szerzödesnek.
A JELZÉSEK LEÍRÁS A

FIGYELMEZTETES
A keszülék sérülésének vagy helytelen muködésének veszélye. Kūlönönen figyeljen az esetlegesen okozható személyi sérülësekre vonatkoź veszélý figyelmeztétësekre.

NAGYFESZÜLTSEG VESZÉLY
Elektromos részek feszültseg alatt, elektramos áramütés veszélye.

FONTOS INFORMÁCIÖK
Kulönös figyelemmel olvasandó, mivel a kazán megfelelo muködésehz szükséges informaciokat tartalmaz.
1. ELOSZó
A kazán legfeljebb harom fuggetlen fútókör vezerlésére alkalmas a kazánhoz capcsolt megfelelo alkatrészekkel: berti ergység, távezerlók és külso vezerlópanelek. A kazán elektronikai rendszere az igenyeknek megfeleloen alakfthato, külobnöz összeälitásu rendszerek vezerlésére alkalmas funkciok széles skalajat kinalja. A rendszer megfelelo muködéséhez(AP), a rendszerben hasznalt tartozekhoo egy-egy hivatkozasi szamot kellendni (1-tol 3-ig), mely lehetové teszi a kazán alaplapja szamára, hogy felismerje azokat.

Az AVS 75.391 egység hasznalatahoz távezérlsükseges, amely tartozekkent kaphato.
2. AZ ALKATRÉSZ LEÍRÁSA
Az alkatresz segitségével a berendezés az alábbiak vezérlesère alkalmas:
Kulonbozohomersekletufutokorok
- Napelemes rendszerek;
- Egyeb, specialis alkalmazások (uszómedence futese, hasznalati melegviz keringet szivattyu, kombinalt biomassza kazanrendszer stb.).
Az alkatersz kozvetlenul vezerli a futokor egysegeit (szivattyu, hoerzekel, keveroszelep st.): legfeljbeb 3 fuggetlen relét, 2 hóerzekelot égy 1 vezerl bemenet. Az elore programozott funkciok megkonnyfik a berendezés beaillitasat.

A bemutatott beallitasok alkalmazasahoz a parameterek beallitasa szukseges a tavvezerlo segitsgevel. A parameterek beallitasat es a csatlakozok bekotesi modjlat lsd a kazan hasznalati utmutatojaban.
2.1 A FALRA SZERELEŠ ELOFELTÉTELEI
A falra szereles elott vedegezze el az alabbi muveleteket:
Feszültsegmenteşte az elektromos halózatot.
Gondoskodjon arrol, hovy az AVS 75 egység doboza körul az egység hütéshez szükséges mennyiségü levego áramolhasson.
- Az egységet ovni kell a frccseno viztol, es azt hoforrasoktol tavol kel elhelyezni.

Az egységet kizarolag a falra szerelés befejezesét kovetoen szabad feszültseg alahelyezni.
2.2 FALRA SZERELEs
Az egységet rögzitse a falra az alkatrészhez kapott két csavart az elektromos dobozon levó furatokon átezete. Épitse ki az elektromos összekottetest a vezerlöegység és a fökazán, illeetve a vezerlöegység és a kiegészítő elektromos alkatrészek között a 3. fejezetben leirtak szerint. A furattávolságok és az egyeb méretek az oldaldo abrán lathatóak.
| A Tâpvezéték átvezetése | |
| B Furatok a falra rögzítéshez | |
| C | Kábel átvezetések a külö elektramos egységek csatlakoztatásához |

Az egységet kizárolag a falra szereles befejezesét
követöen szabad feszültseg alá helyezni.

3. ELEKTROMOS CSATLAKOZTATÁSOK

A kazán és az alkatrészek csatlakoztatáshoz használt gezetékek kazánba való bevezétéséhz alkalmazza a kazán aljan levő kabel atvezetest.
3.1 A KAZÁN ELEKTROMOS CSATLAKOZTATÁS
- Az egységet egyfazisú, foldelt, 230V~ halózathoz kell csatlakoztatni.
A rendszer kiépítését kizárolag szakképzett személy végezheti. - A rendszer feszültseg alá helyezését megelözen ellenorizze, hogy minded bekötes megfelöen törtent-e.
- Alaposan tanulmányozza a kazán hasznalati utmutatóját is.
- Az AVS 75 egység kétpólusú kapcsolóécét és a kazán M2 kapcsolóécenek 2-3 polsait össze a legfeljebb 150m hos szü, 2X0,5 mm², HAR H05 VV-F' jelú gezetékel.

3.2 KULSO ALKATRESZEK ELEKTROMOS CSATLAKOZTATASA
Az AVS 75 jelü egységet az alábbiakban leirtak szerint kõsse össze a külso alkatrészekkel (a „HAR H05 VV-F” jelu, 1 mm2 keresztmetszétü vezetékkel):
KEVERT VIZES FUTOKOR (Iásd az abrát a 3.2.1 fejezetben)
- Csatlakoztassa a kevert vizes zona szivattyjat az AVS 75 egyseg QX23 aljzatahoz.
- Csatlakoztassa a kevert vizes zona eloremeno gezetekenek hórzékeljét az AVS 75 egység BX21 aljzatahoz (QAD36 tar-tozek).
- Csatlakoztassa a keveroszelepet a QX22-QX21 aljzathoz.
- Csatlakoztassa a szobatermosztátot az AVS 75 égység H2 aljzatahoz.
Csatlakoztassa aBiztonsagi termosztatot az FX23 aljzathoz.
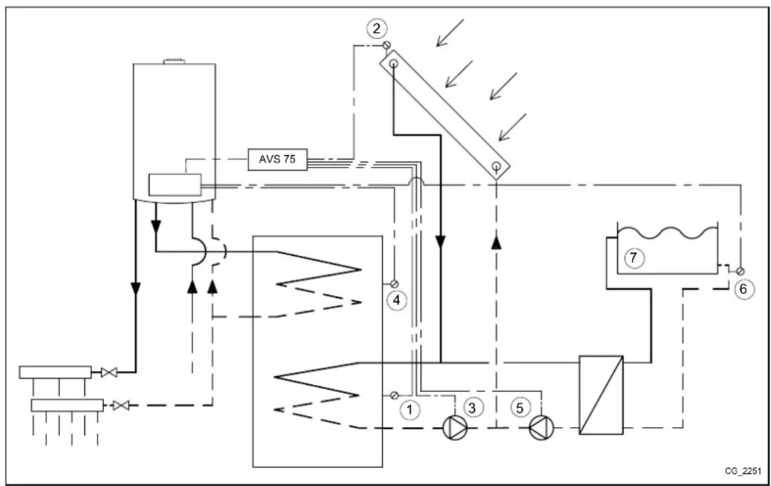
NAPKOLLEKTOROS RENDSZER (lásd az ábrát a 3.2.2 fejezetben)
- Csatlakoztassa a napkollektoros kör keringetö szivattyujat az AVS 75 egység QX23 aljzatahoz.
Csatlakoztassa a napkollektoros rendszer melegviz taroIojanak hoerzekeljot az AVS 75 egyseg BX22 aljzatahoz.
- Csatlakoztassa a szolár panelek hórěkélójét az AVS 75 egység BX21 aljzatahoz.
| A CSATLAKOZÖK FELSOROLÁSA | |
| N⊕L (L-N) | Az AVS 75 típellátása |
| X50 | Csatlakozó a SIEMENS áramköhöz és az AVS 75-höz tartozó érzékelökhöz |
| X30 | Csatlakozó az egyeb egységhez valócsatlakoztatáshoz szalagkábell. |
| T (QX21⊕N) | Programozhato 230 V-os relé |
| T (QX22⊕N) | Programozhato 230 V-os relé |
| S (QX23⊕L) | Programozhato 230 V-os relé |
| C (EX21-FX23-L) | csatlakoztatás a biztonsági termosztáthoz (kizárólagkevert vizes zónák esetén) |
| n (H2-M) | Programozhato 12VDC digitális vagy 0-10VDCanalóg bemenet |
| n (BX21-M) | Az NTC 10K / Pt1000 hörzékelö bemenete,programozhato |
| n (BX22-M) | Az NTC 10K / Pt1000 hörzékelö bemenete,programozhato |

3.2.1 KEVERT VICES FUTOKOR
| A ELÖREMENÖ MELEGVIZ HOERZÉKELÖJE QAD36 C Zónica | SZIVÄTTYÜ | |
| B KEVERÖSZELEP D BIZTONSÄGİ TERMOSZTÄT | ||


Kevert vizes zona vezerliseshecz csatlakoztassa aBiztonsagi termosztatot a "FX23 es az L"csatlakozokhoz es kosse ossze az "EX21 es az FX23" kivezeteseket. Igy a "QX23" relehez kapcsolodofutokor szivattyu sorban van kotve abizonsagi termosztattal.

Amennyiben a "QX23" relekimenet metra kivanja hasznalni, az "FX23 es az L" kivezeteseket kell osszekotni.
3.2.2 ESET-NAPKOLLEKTOROS HASZNÁLATI MELEGVIZ RENDSZER
| A | A VIZTARTÁLY HOÉRZÉKELÖJE (TARTOZÉK) | C | A NAPKOLLEKTOROS KÖR SZIVATTYÜJA |
| B A | SZOLAR PANELElek HOÉRZÉKELÖJE (TARTOZÉK) |

4. A PARAMÉTEREK BEÁLLITÁSÀ
A beaillitashoz a tavvezlerlovel lepjen be a parameterek menube:
A MENU MAGYARÁZATA
| 1 | Végelfelhasznaló | 3 | Tervező |
| 2 | Beúzemelés | 4 | OEM |
A kazán és/vagy a távrezérlo programozásat lehetóve tevo négy menübe valo belépési eljaras a kovetkezö:
a fomenubol C
A esC (tartsa benyomva kb. 6 masodpercig) 1-2-3-4 menu (lásd az oldalt lévő abrát és a magyarázatot).
C tobbszor a menuszintenkent valo visszalpepshez, egeszen a fomenu eleresig.

ANYOMOGOMBOK FUNKCIOI A PARAMETEREK MODOSITASAHOZ
| B | Menu / a megfelelő paraméter kiválasztása a menüben / a paraméter ertékének beällítás |
| B | Belépés a kiválasztott menüpontba / a megváltoztatandó paraméter kiválasztása / a kiválasztott erték jovyhagyás |
| C | Visszalépés |
Minden bemutatott konfiguracioban, ha a tavvezeri, illetve a belteri egyseget 1. sz. belteri egysegkent hasznalja, akkor azt az 1. sz. futesi zona vezerlesen tul a hasznalati melegviz es a temperalfo futes uzemmodok vezerlesere is hasznalhatja. A 2. vagy 3. sz. belteri egysegek kizarolag a 2., illetve 3. sz. futesi zonak vezerlesere hasznalhatok. A beallitasukhoz tanulmanyozza az adott tartozek hasznalati utmutatojat.

A rendszer alkatrészeire vonahtozó valamennyi beallitas befejeztével az ertekeket a kazan memóriájába az alabbi eljarás szerint kell elmenteni.
A fejezet elején ismertetett modon lépjen be 2. menübe.
Ha a keszuléket padlofutées rendszerhecz csatlakoztatjak, a beszerelest vegzonek biztonsagi termosztátot kell beszerelnie, mely vedi a keszleket a tulmelegedestöl.
5. VEGYES FUTÉSI RENDSZER
Az AVS 75 egyseg alacsony homersekletu futokr vezerlesere is alkalmas. Az alabbi elrendezesben a AVS 75 egyseg a szivattyut, a keveroszelep et s kivalasztott futesi kor eloremeno hórzékelojét képes kezelni.

Alacsony hómér sékletu rendszer esetében ajánlatos a futendō kazán maximalis vizhórmír sékletét 45^ -ot nem meghaladó értékre csökkenteni a 741-es paramétr módositával (lásd a 8.1 fepezet).

A paraméter a keveroszelep zárási idejének megfeleloen, az alábbiak szerint kell modositani.

Az alabbiakban bemutatott elrendezesek 35 kW-nal kisebb teljesitmenyu kazant tartalmazo rendszerekre vonatkoznak. A 35 kW-nal nagyobb teljesitmenyu kazanok esetuben hidraulikusan le kell valasztani a kazankort, a zonakban az elektromos szelep helyett szivattyukell alkalmazni.
5.1 1. ELRENDEZÉS
Alacsony hörmsékletú zona beltéri egységgel - 1. fütokör Magas hörmsékletú zona beltéri termosztáttal - 2. fütokör
| 1 Külso hörérékelö - kazán M2 kapocsléc (4-5) | |
| 2 Az alacsony hörmsékletú zóna keveröszelepe (QX21-N-QX22) | |
| 3 Az alacsony hörmsékletú zóna keringető szivattyúja (QX23-N) | |
| 4 Az alacsony hörmsékletú zóna hörérékelöje (BX21-M) | |
| 5 Az alacsony hörmsékletú zóna biztonsági termosztátja (FX23-L) | |
| 6 Beltéri egység - kazán M2 kapocsléc (1-2-3) | |
| 7 A magas hörmsékletú zóna külso tâpellatású szolenoid szelepe vagy szivattyúja | |
| 8 A magas hörmsékletú zóna beltéri termosztátja (a csatlakoztatást lásd a 7.1 fepezetben) |

A 4. fejezetben leirtak szerint, a gezelopanel segitségével lépjen be a 2. menüpontba, és végezte el a következó módosításokat:
| MENÜ PROGRAMS | AMSOR BEÁLLITANDO ERTÉK LEÍRÁS | |
| KONFIGURACION | 5715 Be A 2. fütési kör engedélyezese | |
| 5977 Helyiségtermosztát HC2 | A 2. fütési kör termosztátjának engedélyezese (M1 kapoclsć 1-2csatlakozói) | |
| 6020 Fütési kör 1 Az alacsony hämér sékletü zóna engedélyzese | ||
| 6024 Határoló termosztát FK | Az EX21 bemenet engedélyezve az alacsony hämér sékletü zóna védelmére | |
| 6046 | Hõtermelés kizárva A H2 bemenet engedélyezve az alacsony hämér sékletü zóna védelmére | |
| FUTÉSI KÖR 1 | 742 | --- A fütési kör elöreteno hämér séklet szabályozásanak engedélyzese(alacsony hämér sékletü zónica) |
| 834 | Alapbeállitás 180 s A keveröszelep zárási ideje |
Abeltéegység kozvetlenul szabályozza az alacsony homérskletú zona hórm sékletét ezen keresztul a helyiség hórm sékletét. Amennyiben a Szabályzogomb elforditásával a kijelzón a helyiség hórm séklete helyett az eloremeno ag hórm séklete jelenik meg, a 742-es paramétr értékenek beallitasa nem törtent megfeleloen.
5.2 2. ELRENDEZÉS
Több alacsony homérsékletu zona sajat termosztáttal és kozós beltéri egységgel - 1. fütökör
Magas homérsékletu zona beltéri termosztáttal - 2. fütökör
| 1 Külso hörérékelö - kazán M2 kapocsléc (4-5) | |
| 2 Az alacsony hörérékletú zona keverõszelepe (QX21-N-QX22) | |
| 3 Az alacsony hörérékletú zona keringetõ szivattyúja (QX23-N) | |
| 4 Az alacsony hörérékletú zona hörérékelõe (BX21-M) | |
| 5 Az alacsony hörérékletú zona biztonsági termosztátja (FX23-L) | |
| 6 Beltéri egység - kazán M2 kapocsléc (1-2-3) | |
| 7 Az alacsony hörérékletú zona beltéri termosztátjának bemenete (H2-M - a csatlakoztatást lásd a 7.4 fejezetben) | |
| 8 A magas hörérékletú zona külso tapellatásu szolenoid szelepe vagy szivattyúja | |
| 9 A magas hörérékletú zona belléri termosztátja (a csatlakoztatást lásd a 7.1 fejezetben) |

A 4. fejezetben leirtak szerint, a gezelopanel segitségével lépjen be a 2. menüpontba, és végezze el a következó módositásokat:
| MENÜ PROGRAMA | MSOR BEÁLLÍTÁ | NDÖ ÉRTÉK LEIRÁS | |
| KONFIGURÁCÍO | 5715 Be A | 2. fütési kör engedélyezese | |
| 5977 Helyiségtermosztát HC2 | A 2. fütési kör termosztátjának engedélyezese (M1 kapocléc 1-2 csatlakozói) | ||
| 6020 Fūtési kör 1 Az alacsony hómér sékletú zónica engedélyezese | |||
| 6024 Határoló termosztát FK | Az EX21 bemenet engedélyezve az alacsony hómér sékletú zónica védelmére | ||
| 6046 Helyiségtermosztát HC1 | A H2 bemenet engedélyezve mint az alacsony hómér sékletú zónica termosztátja | ||
| FUTÉSI KÖR 1 | 710 | 35°C | A fütendö helyiség hómér sékletének beállításí értéke (alacsony hómér sékletú zónica) |
| 834 | Alapbeállítás 180 s | A keverőszelep zárási ideje | |
A komfort hómérseklet maximalílasa (35° C) az alacsony hómérsekletú zónak megfelelo muködését garantálja. Ily modon a belteri egység nem irja felü az alónákat vezerló egyes belteri termosztátok hoigényét.
Ebben az esetben a beltéri egység az alacsony hómérskletu rendszert vezerli, azonban nem hasznalhato az egyes helyisegek hómérskletének szabályozására. A B jelu szabályzógomb elforgatásával a kijelzón megjelenik az eloremeno viz hómérsklete. A masodik futokör allandó tomegarammal muködk.
5.3 3. ELRENDEZÉS
Alacsony homersekletu zona - 1. futokor es magas homersekletu zona - 2. futokor belteri termosztattal.
| 1 Külso hórzékelö - kazán M2 kapocsléc (4-5) | |
| 2 Az alacsony hörmsékletú zona keveröszelepe (QX21-N-QX22) | |
| 3 Az alacsony hörmsékletú zona keringető szivattyúja (QX23-N) | |
| 4 Az alacsony hörmsékletú zona hórzékelője (BX21-M) | |
| 5 Az alacsony hörmsékletú zona biztonsági termosztátja (FX23-L) | |
| 6 Az alacsony hörmsékletú berti termosztát bemenete (H2-M) | |
| 7 A magas hörmsékletú zona külso lápellátásu szolenoid szelepe vagy szivattyúja | |
| 8 A magas hörmsékletú zona beltéri termosztátja (a csalakoztatást lásd a 7.1 fejezetben) |

A 4. fejezetben leirtak szerint, a vezerlöpanel segitsegével lépjen be a 2. menüpontba, és végezne el a következó módosításokat:
| MENÜ PROGRAMSOR BEÄLLITÄ | ANDO ÉRTÉK LEÍRÁS | |
| 5715 Be A | 2. fütési kör engedélyezese | |
| 5977 Helyiségtermosztát HC2 | A 2. fütési kör termosztatójänak engedélyezese (M1 kapoc)—c 1-2"—csatlakoz)—) | |
| 6020 Fütési kör 1 Az alacsony hämér sékletü zóna engedélyzese | ||
| 6024 Határoló termosztát FK | Az EX21 bemenet engedélyezve az alacsony hämér sékletü zóna—"védelm—" | |
| 6046 Helyiségtermosztát HC1 | A H2 bemenet engedélyezve mint az alacsony hämér sékletü zóna—"termoszt)—tja | |
| FUTÉSI KÖR 1 | 834 Alapbeallitás 180 s | A keverőszelep zárasi ideje |
6. ZONAKRA OSZTOTT FUTESI RENDSzer
Amennyiben nincs szukség vegyes rendszerek vezérlesère, az AVS 75 egység szivattyuk/zona szolenoidok vezérlesère alkalmazható, az alábbiak szerint:

A gyakori be/kikapcsolasok elkerulése celjaból ajanlatos a kazán homérskletének minimális beallitási ertekt legalabb 45^ -ra emelni a 740, a 1040 es az 1340 paramétrerek modosításával (lásd a 8.1 fejezet).
6.1 4. ELRENDEZÉS
Két zona beltéri egységgel - 1. és 2. fütőkor, valamint 1 zona beltéri termosztáttal - 3. fütőkor.
| 1 | Külso hörzékelö - kazán M2 kapocsléc (4-5) | 5 | A 2. fütési kör belliéri egysége - kazán M2 kapocsléc (1-2-3) |
| 2 | Az 1. fütési kör szolenoidja vagy zónaszabályzó szivattyúja (QX21-N)* | 6 A | 3. fütési kör külso tapellátásu szolenoidja vagy szivattyúja |
| 3 | Az 1. fütési kör belliéri egysége - kazán M2 kapocsléc (1-2-3) 7 | A 3. fütési kör belliéri termosztátja (a csatlakoztatást lásd a 7.1 fejezetben) | |
| 4 | A 2. fütési kör szolenoidja vagy zónaszabályzó szivattyúja (QX22-N)* |

* Az AVS 75 nem képes a háromutas szolenoid kozvetlen vezérésére. Erre a celra valtórela alkalmazása szükséges.

A 3.és 5.sz.belteri egységek parhuzamosak.
A belteri egysegek kozvetlenul szabalyozzak a hozzajuk tartozo zonakban a helyisegek homersekletet. A 4. fejezetben leirtak szerint, a vezerlopanel segitssegel lepjen be a 2. menupontba, es vgeze el a koveikezmodositasokat:
| MENÜ | PROGRAMSOR | BEÁLLITANDÓ ÉRTÉK | LEÍRÁS |
| KONFIGURÁCÍO | 5715 | Be | A 2. fütési kör engedélyezese |
| 5721 | Be | A 3. fütési kör engedélyezese | |
| 5977 | Helyiségtermosztát HC3 | A 3. fütési kör termosztátjának engedélyezese (M1 kapoc)—c 1-2"—csatlakoz)—i | |
| 6020 | Multifunkcionális | - | |
| 6030 | HC1 fütési kör sziv. Q2 | Az 1. fütési kör szivattyújának/szolenoidjának vez)—r)—le | |
| 6031 | HC2 fütési kör sziv. Q6 | A 2. fütési kör szivattyújának/szolenoidjának vez)—r)—le | |
| FUTÉSI KÖR 1 | 742 | --- | Az eloremenő vízhomérsklet szabályzás engedélyezese (1. fütési kör) |
| FUTÉSI KÖR 2 | 1042 | --- | Az eloremenő vízhomérsklet szabályzás engedélyezese (2. fütési kör) |
A belteri egysegek kozvetlenul szabalyozzak a hozzajuk tartozo zonakban a helyisegek homersekletet. Amennyiben a B szabalyzogomb elforditasyal a kijelzon a helyiseg homerseklete helyett az eloremeno futesi homerseklet jelenik meg, a 742, az 1042 es az 1034 parameter ertekenek beallitasa nem tortent megfeloen.
6.2 5. ELRENDEZÉS
Három zóna bertiegységgel - 1., 2.és 3.futokör
| 1 | Külso hörzékelö - kazán M2 kapocsléc (4-5) | 5 | A 2. fütési kör berti égysége - kazán M2 kapocsléc (1-2-3) |
| 2 | Az 1. fütőkör szolenoidja (QX21-N)* | 6 | A 3. fütési kör szolenoidja (QX23-N)* |
| 3 | Az 1. fütési kör berti égysége - kazán M2 kapocsléc (1-2-3) | 7 | A 3. fütési kör berti égysége - kazán M2 kapocsléc (1-2-3) |
| 4 | A 2. fütési kör szolenoidja (QX22-N)* |

- Az AVS 75 nem képes a hlromutas szolenoid kozvetlen vezerlésére. Erre a celra valtórela alkalmazása szükséges.

A 3-5. és a 7. sz. belteri egységek parhuzamosak.
A belteri egysegek kozvetlenul szabalyozzak a hozzajuk tartozo zonakban a helyisegek homerskletet. A 4. fejezetben leirtak szerint, a vezerlopanel segitssegel lepjen be a 2. menupontba, es vgeze el a kovekezmodositasokat:
| MENÜ PROGRAM | AMSOR PARAMÉTER | BEÁLLITANDÓ ERTEK | LEÍRÁS |
| KONFIGURACION | 5715 | Fūtési kör 2 | Be |
| 5721 | Fūtési kör 3 | Be | |
| 5977 | Funkció bemenet H5 | Nincs | |
| 6020 | Az 1. bövitöelem funkciója | Multifunkcionális | |
| 6030 | Relé QX21 modul 1 | HC1 fūtési kör sziv. Q2 | |
| 6031 | Relé QX22 modul 1 | HC2 fūtési kör sziv. Q6 | |
| 6032 | Relé QX23 modul 1 | HC3 fūtési kör sziv. Q20 | |
| FūTÉSI KÖR 1 | 742 | Az eloremeno fūtési vízhomírséklet beällitása a beltrí termosztáttal | --- |
| FūTÉSI KÖR 2 | 1042 | Az eloremeno fūtési vízhomírséklet beällitása a beltrí termosztáttal | --- |
| FūTÉSI KÖR 3 | 1342 | Az eloremeno fūtési vízhomírséklet beällitása a beltrí termosztáttal | --- |
A belteri egysegek kozvetlenul szabalyozzak a hozzajuk tartozo zonakban a helyisegek homersekletet. Amennyiben a B szabalyzogomb elforditasaval a kijelzona helyiseg homersekletehelyett az eloremeno futesi homerseklet jelenik meg, a 742, az 1042vagy az 1342 parameter ertekenek beallitasa nem tortent megfeleloen.
7. A BELTERI TERMOSZTÁELEKTROMOS CSATLAKOZTATÁSA

A homérisklet minded fütokör esetében azonos.

A relék végallás mikrokapcsolóval ellatott szelepekkel kivalthatok.
7.1 1. ESET - Egy beltéri termosztát csatlakoztatása magas hómér sékletú zónában.
Csatlakoztassa a belteri termosztatot a kullo elektromos halozathoz (230 V), amely majd a zonaszabalyz o szelepet (vagy a szivattyt) taplalja, a relé tekercset pedig a kazan M1 kapocslcenek 1-2 kivezetesehez.

7.2 2. ESET - Beltéri termosztátok csatlakoztatása tobb magas hómérskletú zónábl ally rendszerhez.
A belteri termosztatokat parhuzamosan csatlakoztassa a kuloeletromos halozathoz (230 V), amely majd a zonasabalyzso szelepeket (vagy szivattyukat) tapalja, a relek tekercseit pedig szinten parhuzamossan csatlakoztassa a kazan M1 kapocslének 1-2 kivezetesehez.

7.3 3. ESET - Beltéri termosztátok csatlakoztatása tobb magas hómérskletú zónából ally rendszerhez.
A belteri termosztatokat parhuzamosan csatlakoztassa a kulso elektromos halozathoz (230V), amely majd a zonaszabalyz o szelepeket (vagy szivattyukat) tapalja, a relek tekercseit pedig szinten parhuzamosan csatlakoztassa az AVS 75 egység H2 és M relé kivezeteseihez.

7.4 4. ESET - Beltéri termosztátok csatlakoztatása tobb alacsony hómérskletu zónábl ally rendszerhez.
A beltéi termosztátokat párhuzamosan csatlakoztassa a külso elektromos halózathoz (230V), amely majd a zónaszabálysz szelepeket taplálja, a mikrokapcsolókat pedig szintén párhuzamosan csatlakoztassa az AVS 75 egység H2 és M kivezetéseihez.

8. NAPKOLLEKTOROS HASZNÁLATI MELEGVÍZ RENDSIZER
Ebben a rendszerben az AVS 75 egység a napkollektor kör szivattyujának és a napkollektor és viztartály (a napkollektor körhöz tartozó) hórzékelöjének vezerlésere alkalmas az alabbi elrendezésben:
| 1 | A napkollektor B31 érzékelöje (BX22-M) | 3 | A napkollektor kör Q5 szivattuja (QX23-N) |
| 2 | A napkollektor B6 érzékelöje (BX21-M) | 4 | a tartály B3 hórězékelöje - kazán M2 kapoclsć (9-10) |


Ehhez alkalmazashoz specialis hóerékelokre van szükség (tartozék).
A 4. fejezetben leirtak szerint, a gezellopanel segitssegel lepjen be a 2. menupontba, es vgezze el a kovetkezó modositaskat:
| MENÜ | PROGRAMSOR | BEÁLLITANDÓ ERTÉK | LEÍRÁS |
| KONFIGURÁCÍO | 6020 | Napkollektor HMV | A napkollektoros üzemné engedélyezése |
Ekkor megjelennek a beallitandó parameterek. Vákuumcsöves napkollektor eseten aktivalja a specialis védelem funkciót (3830, 3831 parameterek):
| MENÜ PROGRAMS | AMSOR ERTÉK LEÍRÁS | |
| KONFIGURACION | 3810 | Alapbeallitás8°C |
| 3811 | Alapbeallitás4°C | |
| 3850 | Alapbeallitás“----” |
Belépés a 3.
menüpontba
(5.2 fejezet)
| NAPKOLLEKTOR | 3830 | Alapbeállítás “---” | A napkollektor szivattyú letiṭásanak maximális idöartama, ha a hòmér séklet eléri a maximális ertéket (3850 paramétr) a minimális keringetési idö alatt (3831 paramétr) |
| 3831 | Alapbeállítás 30s | A napkollektor szivattyújának minimális keringetési idöartama |

Amikor a kijelzón a jelzés kerul fellettétresr azt jelenti, hogy a szolár berendezés mukodik és a vizmelegit melegszik.
9. PARAMÉTEREK BEÁLLITÁSÀ
9.1 FUTÉSI RENDSZER
| Vezérlöpanel | 1., 2., 3. Fūtési Körök MENÜ | Gyári érték | Minimum | Maximum | |||
| CR1 | CR2 | CR3 | |||||
| 700 | 1000 | 1300 | Kikapcsolva-temperáló fūtés: a kazán bekapcsol, ha a beltéri hōmèresklet 6°C alá csökkenAutomaticus: a fūtendō helyiség hōmèresklete a beálitott idōsávtól fuggCsök Kentett: a fūtendō helyiség hōmèresklete a csök KentetthōmèreskletKomfort: a fūtendō helyiség hōmèresklete a komfort hōmèresklet | - | Komfort | - | - |
| 710 | 1010 | 1310 | Beltéri komfort hōmèresklet | °C | 20 | Csök Kentett | Maximáliskomfort |
| 712 | 1012 | 1312 | Csök Kentett beltéri hōmèresklet | °C | 16 | Fagyáló | Komfort |
| 714 | 1014 | 1314 | Beltéri hōmèresklet temperáló fūtés esétén | °C | 6 | 4 | Csök Kentett |
| 720 | 1020 | 1320 | A kūltéri hōrzekelǒ eghajlati görtbjének kiválasztása | - | 1,5 | 0,1 | 4 |
| 730 | 1030 | 1330 | Kūltéri hōrzekelǒ esétén és automata üzemmódban a fūtés (BE-KIKAPCSOLÁSA) a beálitott (kūltéri) hōmèresklet funkcioban | °C | --- | 8 | 30 |
| 740 | 1040 | 1340 | Az eloremenő fūtési vizhōmèresklet minimális értéke(pl. aktív eloremenő vizhōmèresklet szabályozás funkció esétén) | °C | 25 | 8 | Alapjel max |
| 741 | 1041 | 1341 | Az eloremenő fūtési vizhōmèresklet maximális értéke(pl. aktív eloremenő vizhōmèresklet szabályozás funkció esétén) | °C | 80 | Alapjel minimum | 95 |
| 742 | 1042 | 1342 | Az eloremenő fūtési vizhōmèresklet belliéri ergység használátesetén( --- = eloremenő fūtési vizhōmèresklet szabályozás engedélyze sése) | °C | 80 | Alapjel minimum | Alapjel max |
| 750 | 1050 | 1350 | A kūltéri hōmèresklet figyelembe vételènek mertéke a belliéri hōmèresklet beálítaskor (környezeti hōmèresklet fuggvény):--- %:Csak kūltéri1.99 %:kūltéri belliéri kompenzációval100 %:csak belliéri | % | 50 | 1 | 100 |
| 760 | 1060 | 1360 | A kazán kikapcsolása a beálított belliéri hōmèresklet felett | °C | 0,5 | 0,5 | 4 |
| 809 | 109 | 1409 | A kazánszivattyú és a fūtési kör szivattyúja 24 oráig bekapcsolva vannak | - | nem | - | - |
| 834 | 1134 | 1434 | Az alacson hōmèreskletú zona keverőszelepének zárási ideje | s | 180 | 30 | 873 |
| 850 | 1150 | 1450 | Javasolt a " kézi" üzemné | - | ki | ||
| 851 | 1151 | 1451 | Az eloremenő fūtési vizhōmèresklet burkolat szárításhoz | °C | 25 | 0 | 95 |
| 855 | 1155 | 1455 | A burkolatszárításfunkció aktuális eloremenő fūtési vizhōmèresklete | °C | - | - | - |
| 856 | 1156 | 1456 | A hét azon napja, amelyen a burkolatszárításfunkció bekapcsol | - | - | - | - |
CR = Circuito di Riscaldamento (Futesei kör)
9.2 HASZNALATI MELEGVIZ RENDSZER
| Vezériöpanel | HASZNÁLATI MELEGVÍZ KÖR MENÜ | Gyári erték Minimum | num | num | |
| 1600 | Funkciok jelentéseKi = a beällitasi erték azonos a temperáló fütés beällitott ertékkelBe =nevleges beällitasi ertékeco = elömelegitő letlita | - | be -- | ||
| 1610 | A hasznalati melegvíz hörmséklet alap beällitasi ertéke | °C | 60 | 35 | 60 |
| 1612 | A csökkentett hasznalati melegvíz hörmséklet beällitasi ertéke | °C | 35 | 8 | 60 |
| 1620 | Az ütemezés engedélyezése | - | 24h/nap | - | - |
| 1640 | Az antilegionella funksiok magyarázata:KiIdöszakosanRögzitett nap | - | ki | -- | |
| 1641 | Két antilegionella ciklus között elteft napok száma (1...7) | - | 7 | - | - |
| 1642 | Az antilegionella funksió aktivalásának napja (hétfő...vasárnap) | - | Hétfő | - | - |
| 1644 | Az antilegionella funksió aktivalásának idöpontjá | - | --;-- | - | - |
| 1660 | A hasznalati melegvíz keringető szivattyú hasznalata | - | HMV engedélyezés | - | - |
| 1663 | A hasznalati melegvíz szivattyú kikapcsolásí hörmséklete | °C | 45 | 8 | 60 |
9.3 KULONBOZO PARAMETEREK
| VezériõlpANEL | BEÁLLÍTÁS MENÜPONT | Gyárl érték |
| 5710 | A 1. fūtési kör engedélyezese | be |
| 5721 | A 3. fūtési kör engedélyezese | ki |
| 5730 | A használati melegviz keringető szivattyú beállítása(tárolóból vagy igény szerint) | |
| 5731 | Az aktuátor típusa a használati melegviz elsöbbseg gezéróléséhz | Váltoszelep |
| 5970 | A használati melegviz elsöbbseg hóérzékelöje(igény szerinti használati melegviz esetén) | - |
| 5971 | A kontaktor alaphelyzete | - |
| 5973 | A használati melegviz HOZAM meghatározásának paraméterei | - |
| 5974 | - | |
| 5975 | - | |
| 5976 | - | |
| 5977 | Az egyik fūtési kör beltéri termosztátjának bemenete | Az 1. zóna beltéri termosztátja |
| 5978 | - | |
| 6020 | Multifunkcionális: a bemenetek és kimenetek beállitása manuálisan történhetFūtési kör 1, 2, 3: kevert vizes zónat gezérel (1., 2. vagy 3. - 5. fejezet) | - |
| 6021 | Visszatérő hám. szabályozó: nem használatos | - |
| 6022 | Napkollektor HMV: 2 hóérzékelöós és egy szivattyús napkollektoros rendszertvezérel (7. fejezet)Primer szab./rsz. sziv.: nem használatos | - |
| 6024 | Az alançony hòmér sékletú zónicaBiztonsági termosztátjának bemenete (1. modul) | - |
| 6026 | Az alançony hòmér sékletú zónicaBiztonsági termosztátjának bemenete (2. modul) | - |
| 6028 | Az alançony hòmér sékletú zónica Biztonsági termosztátjának bemenete (3. modul) | - |
| 6030...6038 | Lásd a 9. fejezetet | - |
| 6040...6045 | Lásd a 9. fejezetet | - |
| 6046...6068 | Lásd a 9. fejezetet | - |
| 6097 | A napkollektorhoz használt hóérzékelö típusa | Pt 1000 |
| 6200 | A kazánban és az alkatrészekben alkalmazott hóérzékelök elementese (4. fejezet) | - |
| 6212 | Termékinformáciok | - |
| 6213 | Termékinformáciok | - |
| 6215 | Termékinformáciok | - |
| 6217 | Termékinformáciok | - |
| 6230 | Termékinformáciok | - |
| 6231 | Termékinformáciok | - |
| 6704 | A belso kódok megjelenítésénék engedélyezese | igen |
| 6705 | A hiba belso kódja megjeleníte | - |
| 6706 | A gázkrőr azon szakasza, ahol a meghibásodás törtent | - |
| 6710 | Külső riasztás úrajindütása (9. fejezet) | nem |
| 6800 | Utolso hiba | - |
| 6805 | Az utolsó hiba belso kódja | - |
| 6806 | A gázkrőr azon szakasza, ahol az utolsó meghibásodás törtent | - |
| 6810-tól 6996-lg | A korábbi hibák listája | - |
10. KÜLÖNBOZO FUNKCIÖK
Az elobbieken bemutatott beallitasok mellett a bemenetek es kimenetek definialsa is lehetseges, a rendszer igenyeinek megfeleloen. A kovetkezó peldakban a QX21 relé és a BX21 hóerékelő szerepel, azonban ugyanaz vonatkozik a QX22 és a QX23 relère, valamint a BX22 hóerékelőr. Az egységet minded esetben „Többunkciós" Üzemmodba kell allitani.
| MENÜ PROGRAMAMSOR PARAMÉTER BEÁLLITANDÓ ERTÉK LEÍRÁS | ||||
| KONFIGURÁCÍO | 6020 Az 1. | bövitőelem funkciója Multifunkci | onális A napkollektoros | üzemmod engedélyezése |
10.1 HASNZÁLATI MELEGVÍZ KERINGETO SZIVATTYU
Amennyiben a hasznalati melegviz eloallitasa kulon vizkorben tortenik, lehetséges a keringet szivattyu szabalyzasa. A funkcio engedelyezesehz a hasznalati melegviz utemezes hasznalata koletz. A veszteseg minimalizalasa erdekében a funkci 10 percre aktivala a szivattyut, amit 20 perc szunet kovet. A vezerlopanel segitsgevel, a 4. fejezetben leirtak alapjan lepjen be a 2. menupontba:
| MENÜ | PROGRAMSOR | ÉRTÉK | LEİRÁS |
| KONFIGURACION | 6030 | Cirkulációs szivattyú Q4 | A használati melegviz keringető szivattyú engedélyezese (QX21 relé) |
| 6040 | HMV cirk.érzékelő B39 | A használati melegviz keringető szivattyú hórzékeljenek engedélyezese (BX21 hórzékelő) | |
| HASZNÁLATI MELEGVÍZ | 1663 | gyári érték = 45°C | A használati viz hörmséklete, amely alatt a szivattyú mūködik (a keringetés beálitásti értéke) |
10.2 NAPKOLLEKTOROS RENDSZER MEDENCEFUTÉSHEZ
A medence futese napkollektoros rendszerrel a kovetkez'o modon tortenhet.
| 1 | A napkollektor B31 érçékelöje (BX22-M) | 5 | A medence szivattyúja (QX21-N) |
| 2 | A napkollektor B6 érçékelöje (BX21-M) | 6 | A medencefūtés visszatérő gezetékények hóérzékelöje - kazán M2 kapocsléc |
| 3 | A napkollektor kör Q5 szivattyúja (QX23-N) | 7 | Medence |
| 4 | A vizartály B3 hóérzékelö - kazán M2 kapocsléc (9-10) |


Ehhez az alkalmazáshoz specialis hóérékelökre van szükség (tartozék).
Végezée el a baillitast 8. fejezetben leirktak szerint. Ekkor a rendszer alkalmassa valik hasznalati melegviz szolár panelel valo eloallitasara. A vezerlopanel segitsegével, a 4. fejezetben leirktak alapján lépjen be a 2. menüpontba:
| MENÜ | PROGRAMSOR | ÉRTÉK | LEÍRÁS |
| KONFIGURÁCÍO | 5931 | Uszoda érzékelö B13 | A medence hoérzékelöjenek engedélyezese (BX2 hoérzékelö bemenet) |
| 6030 | Napk.szab.egys. uzoda K18 | A szivattyú engedélyezese a medence fütésere (QX21 relé) | |
| HASZNÁLATI MELEGVÍZ | 6046 Uszoda szolár füt.eng. | Aktivaláss a medence fütéséhez (pédául úSZó vagy kézi vezerlés) | |
Fontos a H2 csatlakozás használata, mivel a rendszer kizárolag akkor engedélyezi a medencével valo hócserét, ha ez utobbi engedélyezi azt, ezáltalBiztositva a rendszer megfelelo muködesét. Győzódjön meg arról, hogy a medence fel van toltve vízzel, és megfeleloen üzemel.
10.3 ALTALANOS HOIGENY
Az altalanos hoiigeny oyan hoigeny, amely nem a rendelkezesre allo harom futokor egyikebol es/vagy a hasznalati melegviz korb szarmazik. Ez az igeny a kulso hoiigeny, amely kulso egysegek hoiigenyenek kielegitisesere szolgal, peldaul egy medence vizenek felmelegitisesere.
A fungció aktivalashoz a kovetkez beallitst keI elvegezni. A vezerlopanel segitssegel, a 4. fejezetben leIrak alapjan lepjen be a 2. menupontba:
| MENÜ PROGRA | MSOR PARAMÉTER | ERTEK LEIRÁS | ||
| KONFIGURÁCIO | 6030 Relé | QX21 modul 1 | Fogy.köri sziv. VK1 Q5 | 1. külso hõigény szivattyújának engedélyezese |
| 6046 Funkció bemenet H2 modul 1 | Fogyasztói igény VK1 | 1-es jelü külso hõigénykontaktus | ||
| FOGYASZTÓI KÖR 1 | 1859 | Az 1. fogyasztó eloremenő fütési vizhömsékletének beallitásí erteke | gyári ertek = 70° C | Az eloremenő fütési viz hörmséklete 1. külso hõfogyasztóhoz |
Amennyiben a höigény jelzese a 0-10 V-os anlog bemenen keresztül erkezik, a 6046 paramétert a kovetkezókeppen kell beaIitani: „Kulso höigény CR1 10V". Továbbá a jal típusát a paraméterek segítsegevel kell beaillitani:
| 6049 | Feszültseg erték 1 H2 modul 1 | 6050 | Mūkodési ert.1 H2 modul 1 | 6051 | Feszültseg erték 2 H2 modul 1 | 6052 | Mūkodési ert.2 H2 modul 1 |
10.4 TOVÁBBI BEÁLLITÁSOK
Az alabbiakban a tovabbi beaillitasokat foglajuk ossze:
QX21relé
| Riasztás kimenet K10 | Riasztó (pl. társasház) |
| Rendszer szivattyú Q14 | A szivattyú aktív minded hõigény vagy külso hõigény esétén |
| Idöprogram 5 K13 | Kontaktus a külso idözítöhöz |
| Hütési igény K28 | Hütési igény az 1. hütési körböl |
| Víz feltöltés K34 | Automata melegviz tõltöszelep |
| Ventilator leállitás K38 | A külso ventilatór vezérólse |
BX 21 hóerzékelö
| Puffer érçékelö B4 | A puffertartály felső hórzékelöje |
| Puffer érçékelö B41 | A puffertartály also hórzékelöje |
| Puffer érçékelö B42 | A puffertartály kozepső hórzékelöje |
H2 bemenet
| Hiba/riasztás üzenet | Külso riasztásjelzés |
| Kazán áramláskapcsoló | A kazán áramlásszabályő gezérélse (csak abban az esetben használható, ha még nincs a kazánban) |
| Kazán hörmséklet határoló | A kazán termosztátjának gezérélse (csak abban az esetben használható, ha még nincs a kazánban) |
| Fogyasztói igény VK1 10V | 1. külso höigény 0-10V jellel (*) |
| Nyomásmerés 10V | Nyomásmerés 0-10V jellel (*) |
| Elöválasztott kimenet 10V | A kazán teljesitményének szabályzása 0-10V jellel (*) |
- A funkciók hasznalatahoz az anlog jel beallitasa szükséges az alábbi paraméterek segitségevel a Távezérlo Beallitások menúpontjában:
| 6049 | Feszültseg erték 1 H2 modul 1 | 6050 | Mülködési ert.1 H2 modul 1 | 6051 | Feszültseg erték 2 H2 modul 1 | 6052 | Mülködési ert.2 H2 modul 1 |

A bemutatott beallitasok a rendszer tovabbi relire/hoerzekelore/bemeneteire is vonatkoznak, mint peldaul a QX1 relere (5890-es sor), illetve a BX2 (5931-es sor) es a BX3 (5932-es sor) hoerzekelokre.
11. HIBAUZENETEK
| E | Hibauzenet A hiba leirasa | |
| 10 Külso hörzékelö | Fütőkör indokolatlanul bekapsolt (termosztát, berti vagy kultiéri ergéség), illetve a külso hörzékelö hibás | |
| 84 | BSB, hivatkozásii szám összeférhetelenség | 2 vagy annál tõbb berti ergéséget használnak ugyanabban a fütési körben |
| 98 1. kiegészíttő modul Nem találja vagy nem ismeri fel | az AVS 75 ergéséget | |
| 99 2. kiegészíttő modul Nem találja vagy nem ismeri fel | az AVS 75 ergéséget | |
| 373 3. kiegészíttő modul Nem találja vagy nem ismeri fel | az AVS 75 ergéséget | |
| 30 Fütési eloremenő vezeték 1. hörzékelöje Nem ismeri fel a kevert vizes kör 1. hörzékelöjét | ||
| 32 Fütési eloremenő vezeték 2. hörzékelöje Nem ismeri fel a kevert vizes kör 2. hörzékelöjét | ||
| 260 Fütési eloremenő vezeték 3. hörzékelöje Nem ismeri fel a kevert vizes kör 3. hörzékelöjét | ||
| 335 BX21 nem mūködik BX21 hörzékelö nincs beällíta | ||
| 336 BX22 nem mūködik BX22 hörzékelö nincs beällíta | ||
| 324 BX azonos hörzékelök Kettő vagy tõbb hörzékelöugyanazzal a funkcióval | ||
| 52 HMV 2. hörzékelöh Nem ismeri fel a napkollektoros használati melevíz rendszer hörzékelöjét | ||
| 73 Napkollektor 1. hörzékelöje Nem ismeri fel a napkollektor hörzékelöjét | ||
| 57 HMV keringető hörzékelöh Nem ismeri fel a használati melevíz keringető hörzékelöjét | ||
| 243 Medence hörzékelöje Nem ismeri fel a medence hörzékelöjét | ||
| 25 Fatüzelésü kazán hörzékelöje | Nem ismeri fel a biomassza tüzelésü kazán hörzékelöjét | |
| 346 Nem találja a Q10 kazán szivattyút | Nem ismeri fel a biomassza tüzelésü kazán szivattyüját |
| Tápellátás | Tápfeszült ség | AC 230 V (±10 %) | |||||
| Tápellátás frekvenciája | 50/60 Hz | ||||||
| Felvett teljesitmény | 4 VA | ||||||
| Tápfellátás biztosítéka (Tápellátás és kimenetek) | max. 10 AT | ||||||
| Vezétékesés | merev vagy flexibilis gezeték (sodorva vagy érvég húvellyel) | - | |||||
| egyeres | 0,5...2,5 mm² | ||||||
| kéteres | 0,5...1,5 mm² | ||||||
| Üzemi adatok | A szoftver osztálya | A | |||||
| Üzemmod EN 60 730 | 1b (automata üzemmod) | ||||||
| Bemenetek | Digitális bemenet: H2 | - | |||||
| alacsony feszült ség védelem a feszült ségmentes kontaktusokon | - | ||||||
| alacsony feszült ségü kontaktus | - | ||||||
| nyitott feszült ség | DC 12 V | ||||||
| zár'táram | DC 3 mA | ||||||
| Analóg bemenet: H2 | - | ||||||
| alacsony feszült ség védelem | - | ||||||
| tartomány | DC 0..10 V | ||||||
| belső ellenállás | >100 kΩ | ||||||
| L bemenet | AC 230 V (±10%) | ||||||
| belső ellenállás | >100 kΩ | ||||||
| Erzékelö bemenet: BX21-BX22 | NTC 10k | ||||||
| megfelelő összekötv gezeték méretek (réz) | - | ||||||
| keresztmetszeti terület | mm² | 0,25 | 0,5 | 0,75 | 1,0 | 1,5 | |
| maximális hosszúság | m | 20 | 40 | 60 | 80 | 120 | |
| Kimenetek | Relé kimenet | - | |||||
| árarn tartomány | AC 0,02...2 (2) A | ||||||
| maximális bekapcsolásni áram | 15 A 1 s-nél rövidebb ideig | ||||||
| maximális áram (a reliken összesen) AC 6 A | |||||||
| feszült ség tartomány | AC 24...230 V (a feszült ségmentes kontaktusokon) | ||||||
| Interfész | BSB | 2 gezetékes, nem felcseréilhető | |||||
| egységek közöttti távolság - perifériás rendszerek | max. 150 m | ||||||
| összhossz | max. 300 m (a gezeték maximális kapacitása 60nF) | ||||||
| vezeték keresztmetszeti területe | 0,5 mm² | ||||||
| A csoportban gezérhelhétő kazánok száma maximum | 16 | ||||||
CUPRINS
SEMNIFICATIA SIMBOLURILOR 87
1. INTRODUcERE 88
2. DESCRIEREACCESORIULUI 88
2.1 CERINTE PENTRU INSTALAREA PE PERETE 88
2.2 INSTALAREA PE PERETE 88
3. REALIZAREA CONEXIUNILOR ELECTRICE 88
3.1 CONECTAREA LA CENTRALA 88
3.2 CONECTAREAACCESORIILOR EXTERNE 89
4. ACCESAREA PARAMETRILOR 91
5. INSTALATIE DE INCALZIRE MIXTÄ 91
5.1 SCHEMA 1 .92
5.2 SCHEMA 2 .93
5.3 SCHEMA 3 94
6. INSTALLATIE DE INCALZIRE CU MAI MULTE ZONE 95
6.1 SCHEMA 4 .95
6.2 SCHEMA 5 96
7. CONECTAREA TERMOSTATULUI DE AMBIENT 97
7.1 CAZUL 1 - Conectarea unui singur termostat de ambient intr-o zona de inalta temperatura .97
7.2 CAZUL 2 - Conectarea termostatelor de ambient pentru o instalatie cu mai multe zone de inaltata temperatura.97
7.3 CAZUL 3 - Connectarea termostalelor de ambient pouru o instalatie cu mai multe zone de joasa temperatura..97
7.4 CAZUL 4 - Conectarea termostatelor de ambient pentru o instalatie cu mai multe zone de joasa temperatura cu valve de zona dodate cu microintrerupatoare de sfarsit de cursa .98
8. INSTALATIA SOLARADEPREPARAREAPEICALDE MENAJERE 98
9. SETAREA PARAMETRILOR 99
9.1 INSTALATIA DE INCALZIRE 99
9.2 INSTALATIA DE APÁ CALDA MENAJERA 100
10. FUNCII 101
10.1 POMPA DE CIRCULATIE ACIRCUTULUI DE APA CALDA MENAJERA 101
10.2 INSTALATIA SOLARAPENTRU PISCINA 101
10.3 CERERE DE CALDURA GENERICA 102
10.4 ALTE CONFIGURÄRi 102
11. LISTÄ ANOMALII 103
12. CHARACTERISTIC TEHNICE 103
KönnyűKézikönyv