90 F - Caldera Baxi - Manual de uso y guía de instrucciones gratis
Encuentra gratis el manual del aparato 90 F Baxi en formato PDF.
Preguntas de los usuarios sobre 90 F Baxi
0 pregunta sobre este aparato. Responde a las que conoces o haz la tuya.
Hacer una nueva pregunta sobre este aparato
Descarga las instrucciones para tu Caldera en formato PDF gratis! Encuentra tus instrucciones 90 F - Baxi y toma tu dispositivo electrónico nuevamente en la mano. En esta página están publicados todos los documentos necesarios para el uso de su dispositivo. 90 F de la marca Baxi.
MANUAL DE USUARIO 90 F Baxi
DESCRIPCION DE LOS SIMBOLOS 138
1. INTRODUCCION 139
2. DESCRIPCION DEL ACCESORIO< 139
2.1 REQUISITOS PARA LA INSTALACION EN PARED 139
2.2 INSTALLACION ALA PARED 139
3. CONEXIONADOS ELECTRICOS 139
3.1 CONEXIONADO ELECTRICO A LA CALDERA 139
3.2 CONEXIONADO ELECTRICO DE LOS ACCESORIOS EXTERNOS 140
4. ACCESO A LOS PARÁMETROS 142
5. INSTALLACION DE CALEFACION MIXTA 142
5.1 ESQUEMA 1. 143
5.2 ESQUEMA 2 144
5.3 ESQUEMA 3 145
6. INSTALLACION DE CALEFACIOn POR ZONAS 146
6.1 ESQUEMA 4 146
6.2 ESQUEMA 5 147
7. CONEXIONADO ELECTRICO DEL TERMOSTATO DE AMBIENTE 148
7.1 SITUACION - 1 - Conexión de termostato de ambiente individual en una zona de alta temperatura............148
7.2 SITUACION - 2 - Conexión de termostatos de ambiente a un sistemas multizona de alta temperatura. 148
7.3 SITUACION - 3 - Conexión de termostatos de ambiente a un systema multizona de bajo temperatura. 148
7.4 SITUACION - 4 - Conexión de termostatos de ambiente a un sistema multizona de baja temperatura con microruptores de finales de carrera en las valvulas de zona. 149
8. INSTALLACION SOLAR DE AGUA CALIENTE SANITARIA 149
9. CONFIGURACION DE PARÁMETROS 150
9.1 INSTALACION DE CALEFACION 150
9.2 INSTALACION AGUA CALIENTE SANITARIA 151
10. FUNCIONES VARIAS 152
10.1 CIRCULADOR DE RECIRCULACION DEL AGUA CALIENTE SANITARIA 152
10.2 INSTALACION SOLAR PARA PISCINA 152
10.3 DEMANDA GENERICA DE CALOR 153
10.4 OTRAS CONFIGURACIONES 153
11. LISTADO DE ANOMALIAS< 154
12. CHARACTERISTICAS TECNICAS 154
En la constanteccion de mejoramento de los productos, se reserva la posibidad de modifier los datos indicados en esta documentacion, en cualesquermomento y sin previo aviso. La presentedocumentacion constituya un soporte informativo y no pueda ser considerada un contrato hacerterceros.
DESCRIPCION DE LOS SIMBOLOS

ADVERTENCIA
Riesgo de dano o mal funciona del aparato. Prestar especial atencion a las advertencias de peligro relacionadas con posibles daños a las personas.

PELIGRO DE ALTO VOLTAJE
Información que deben leer con especial cuidado porque son útiles para el buen funciona de la caldera.
1. INTRODUCCION
La caldera sue gestionar de forma independiente hata tres circuitos de calefacion medante el uso de accesios externos, tales como unidades de ambiente, controles remotos y modulos externos. La electrònica que equipa esta caldera también incluye una amplia gama de funeciones para la personalization y la gestion de diversas tipologias de instalaciones. Para el Buen configuracion del system, es imprescindble asignar a cada accesorio utilized un numero (del 1 al 3) que permita reconocerlo a la placal de la caldera.

Para la Utilizacion del accesorio AVS75.391 es necessario disponible del Control Remoto (disponible como accesorio).
2. DESCRIPCION DEL ACCESORIO<
Con este accesorio, el aparato es capaz de gestionar:
- Circuito de Calefaction a differentes temperatas;
- Sistema de energia solar para Agua Caliente Sanitaria;
- Otras aplicaciones españicas (piscina, circulador de recirculación de Agua Caliente Santiaria, combinación instalación a biomasa, etc).
Este accesorio es capaz de gestionar directamente los componentes del circuito (circulador, sonda de temperatura, valvula mezcladora, etc) hasta un maximum de 3 salidas de relie independentes, 2 sondas de temperatura y 1 entrada de control. Puede utiliser的一些 functions predefinidas que Faciliten la configuracion de la instalacion.

Para la realizacion de las configuraciones descritas es indispensable la utiliacion del Control Remoto para la configuracion de parimetros. Para el cambio de parimetros y del conexionado a la bornera delcuadro de contro, consultar el manual de instrucciones de la caldera.
2.1 REQUISITOS PARA LA INSTALLACION EN PARED
Antes de proceder con la instalacion:
- Retirar la fuente de alimentacion.
- Garantizar la circulacion del aire suficiente al exterior de la envolvente para dispersar el calor generado por el accesorio AVS 75
- Launidad no debe ser expuesta ni a salpicaduras de agua ni a fuentes de calor

Alimentar electricamente la unidad solo antes de haber terminado la instalacion.
2.2 INSTALLACION A LA PARED
Instalar el dispositivo a la pared mediante los dos tornillos a presión, suministrados con el accesorio y realizando los orificios presentes en la caja electrónica. Efctuar el conexionado de la unidad con la caldera master y con los accesorios, como se indica en el Capitulo 3. Para la lijación, ver las dimensiones que se muestran en la figura adjunta.
| A Abrazadora para cable de alimentación |
| B Orificios para la fijación a la pared |
| C Pasacables accesos electricos externos |

Alimentar electricamente launidadsoleo despues de haber terminado la instalacion.

3. CONEXIONADOS ELECTRICOS

Para el paso de los cables de connexion entre la caldera y los accesorios, utiliser los orificios previstos (pasacables) en la parte inferior de la caldera.
3.1 CONEXIONADO ELECTRICO A LA CALDERA
- El dispositivo deben ser conectado electrificamente a una red de alimentacion 230V ~ monofasica con tierra
- La instalación debe ser realizada solo por personalriallicado.
- Antes de alimentar electrificamente, asegurarse que todas las conexiones electricas han sido realizadas correctamente.
Leer atentamente todo quando se refiera en el manual de la caldera. - Conectar la bornera de 2 polos de la unidad AVS75 a la bornera M2 (2-3) utilizing un cable armonorado "HAR H05 VV-F" 2 × 0,5 ~mm^2 para una longitudonda de 150 ~m .

3.2 CONEXIONADO ELECTRICO DE LOS ACCESORIOS EXTERNOS
Para el conexionado del accesorio AVS75 con los accesos externos, proceder como se indica a continuacion (utilizar un cable armonorado "HAR H05 VV-F" deSECTION 1 mm2):
SISTEMA CON CIRCUITO MEZCLADOR (ver esquema cap. 3.2.1)
- Conectar el circulador del circuito mezclador al conector QX23 del AVS75.
- Conectar la sonda de ida QAD 36 del sistemas mezclador (suministrada) al conector BX21 del AVS75.
- Conectar la valvula mezcladora a los conectores QX22-QX21 del AVS75.
- Conectar el termostato de ambiente al conector H2 del AVS75.
- Conectar el termostato de seguidad al conector FX23 del AVS75.
SISTEMA DE ENERGIA SOLAR PARA AGUA CALIENTE SANITARIA (vedi schemacap.3.2.2)
- Conectar el circulador de la instalacion solar al conector QX23 del AVS75.
- Conectar el circulador de la instalacion solar al conector QX23 del AVS75.
- Conectar la sonda de los paneles solares al conector BX21 del AVS75.
| LEYENDA CONEXIÑON CONECTORES | |
| N⊕L (L-N) | Alimentación AVS 75 |
| X50 | Conectar para el conexionado entre la placáelectrónica SIEMENS y el accesorio AVS 75 |
| X30 | Conectar para el conexionado con cable decomunicaciones a otro accesorio |
| T (QX21⊕N) | Salida relè 230V programable |
| T (QX22⊕N) | Salida relè 230V programable |
| S (QX23⊕N) | Salida relè 230V programable |
| C (EX21-FX23-L) | Conexión para el termostato de seguridad (sólo parazone con válvula mezcladora) |
| n (H2-M) | Entrada digital 12VDC o analógica 0-10VDCprogramable |
| n (BX21-M) | Entrada sonda NTC 10K / Pt1000 programable |
| n (BX22-M) | Entrada sonda NTC 10K / Pt1000 programable |

3.2.1 SISTEMA CON CIRCUito MEZCLADOR
| A SónDA DE IDA QAD36 C CIRCULADOR ZONA DE MEZCLA | |
| B VÁLVULA MEZCLADORA D TERMOSTATO DE SEGURIDAD |


En el caso de zona con valvula mezcladora, conectar el termostato de seguidad entre los bornes "FX23 - L" y colocar un puente entre los bornes "EX21 - FX23". De esta forma, el circulador del circuito conectado al rele "QX23" está internamente connectado en series con el termostato de seguidad.

En el caso de que sea necessario aplicar una calidad del relé “QX23” para functions differentes a las previstas para una zona de valvula mezcladora, colocar un puente entre los bornes “FX23 - L”.
3.2.2 SISTEMA DE ENERGIA SOLAR PARA AGUA CALIENTE SANITARIA
| A | SONDA ACUMULADOR (SUMINISTRADA COMO ACCESORIO) | C | CIRCULADOR CIRCUito SOLAR |
| B | SONDA PANELES (SUMINISTRADA COMO ACCESORIO) |

4. ACCESO A LOS PARÁMETROS
Para realizar la configuracion,entar en el menu de paramedros del Control Remoto como se indica a continuacion:
LEYENDA DE MENUS EN PANTALLA
| 1 | Empresa final | 3 | Tecnico especialista |
| 2 | Puede en marcha | 4 | OEM |
El procedimiento para acceder a los cuales menus que permiten programar la placac de la caldera y/o del Control Remoto es elsiguiente:
del menu principal C.
A eC (mantener pulsados unos 6 segundos)
menús 1-2-3-4 (ver figura contigua y la leyenda).
- C repetidamente para retroceder de un menu a otro的方式来 el menu principal.

FUNCIONES DE LAS TECLAS PARA LA MODIFICACION DE LOS PARÁMETROS
| B | Menu / desplazarse por el menu interno de parámetros / elegir el valor del parámetro |
| B | Entrar al menu selección / selectionar el parámetro a Cambiar / confirmar el valor selecciónado |
| C | Volver al menu predecente |
En todas las configuraciones presentadas, si utilizes un Control Remoto o una Unidad de Ambiente, estableciendos como unidad de ambiente 1 es possible gestionar, ademas de la zona de Calefacion 1, las functions del Agua Caliente Sanitaria y el stand-by de la caldera. Estableciendolo como unidad de ambiente 2 o unidad de ambiente 3es possible sola y respectivamente gestionar las zonas de Calefacion 2 y 3. Ver las instrucciones de los respectivos accesos para el proceso de configuracion.

Al terme de cada configuracion de instalacion, realice el suiviente procedimiento para memorizar en la caldera los componentes realizados.
- Acceder al menu 2 como se indica al inicio de este capitulo.
B B 1 linea del programa 6200 a continuacion B.
B Si a continuacion B para confirmar.

En el caso de que el aparato se conecte a una instalacion de suejo radiante, para salvaguardar la instalacion, el instalador debe preverse un termostato de proteccion contra la sobretemperatura.
5. INSTALLACION DE CALEFACCION MIXTA
Es possible configurar el accesorio AVS 75 para la gestion de un circuito de bajo temperatura. De este modo, el AVS 75 está en disposicion de controlar el circulador, la valvula mezcladora y la sonda de ida del circuito de Calefacion seleccionado de acuerdo a los esquemas seguides.

Para una instalacion de baja temperatura se recomienda bajo la temperatura de ajuste maximo de la caldera en Calefacion, configurando el parametro 741 (ver capitulo 8.1) a un valor no superior a 45^ .

Modificar el parámetro relacionado con el tiempo de cierre de la valvula mezcladora, de acuerdo con el Modelo正常使用 y según las siguientes instrucciones:

Los esquemas que se presentan a continuación son para calderas con potencia inferior a 35 kW. Para calderas con potencia superior a 35 kW, deben preverse un separator hidráulico a la calidad de la caldera y las zonas deben estar equipadas con circulador de zona en sustitución de electroválvula.
5.1 ESQUEMA 1
Zona de baja temperatura con Unidad de Ambiente - circuito de Calefacción(1)
Zona de alta temperatura con termostato de ambiente - circuito de Calefacción(2)
| 1 Senda exterior - borneira M2 (4-5) de caldera | |
| 2 Válvula mezcladora de zona de bajo temperatura (QX21-N-QX22) | |
| 3 Círculador circuito de bajo temperatura (QX23-N) | |
| 4 Senda circuito de bajo temperatura (BX21-M) | |
| 5 Termostato de sécurité (12V) circuito de bajo temperatura (FX23-L) | |
| 6 Unidad de Ambiente - borneira M2 (1-2-3) de caldera | |
| 7 Electroválvula o circulador de zona de alta temperatura alimentada externamente | |
| 8 Termostato ambiente zona de alta temperatura (para el conexionado ver capítulo 7.1) |

Utilizing el Control Remoto,entar en el menu 2, como se describe en el capitulo 4, y efectuar las siguientes configuraciones:
| MENÜ | LINEA DE PROGRAMA | VALOR DE FÁBRICA DESCRIPCIÑ | |
| CONFIGURACION | 5715 On Habilitación del Circuito de Calefacción 2 | ||
| 5977 | Termostato ambiente CC2 | Habilitación del termostato para el circuito 2(contacto 1-2 bornea M1) | |
| 6020 Circuito calefacción 1 Habilitación de la zona de baja temperatura | |||
| 6024 Termostato CC | Entrada EX21 habitada como protección de la zona de baja temperatura | ||
| 6046 | Bloqueo generación calor | Entrada H2 habitada como protección de la zona de baja temperatura | |
| CIRCUito CALEFACCION 1 | 742 --- | Habilitación de la temperatura de ida modulante (zona de baja temperatura) | |
| 834 | Standard 180 s | Tiempo de ciderre de la válvula mezcladora | |
La unidad de ambiente es capaz de controlar directamente la zona de bajo temperatura en funcion de la temperatura ambiente.
desada en la sala.Si, girando el mando B, la pantalla muestra la temperatura de ida de la caldera y no la temperatura ambiente,
significa que el parametro 742 no ha estado configurado correctamente.
5.2 ESQUEMA 2
Más zonas de baja temperatura con termostato de ambiente y Unidad de Ambiente comunes - circuito de Calefacción(1)
Zona de alta temperatura con termostato de ambiente - circuito de Calefacion(2)
| 1 Sonda exterior - bornera M2 (4-5) de caldera | |
| 2 Valvula mezcladora de zona de bajo temperatura (QX21-N-QX22) | |
| 3 Circulador circuito de bajo temperatura (QX23-N) | |
| 4 Sonda circuito de bajo temperatura (BX21-M) | |
| 5 Termostato de seguridad circuito de bajo temperatura (FX23-L) | |
| 6 Unidad de Ambiente - bornera M2 (1-2-3) de caldera | |
| 7 Entrada termostato ambiente zona de bajo temperatura (H2-M - para el conexionado ver capítulo 7.4) | |
| 8 Electroválvula o circulador de zona de alta temperatura alimentada externamente | |
| 9 Termostato ambiente zona de alta temperatura (para el conexionado ver capítulo 7.1) |

Utilizing el Control Remoto,entar en el menu 2, como se describe en el capitulo 4, y efectuar las siguientes configuraciones:
| MENÙ | LINEA DE PROGRAMA | VALOR DE FÁBRICA DESCRIPTION | |
| CONFIGURACION | 5715 On Habilitación del Circuito de Calefacción 2 | ||
| 5977 Termostato ambiente CC2 | Habilitación del termostato para el circuito 2(contacto 1-2 bornea M1) | ||
| 6020 Circuitocalefacción 1 Habilitación de la zona de baja temperatura | |||
| 6024 Termostato CC | Entrada EX21 habilido como protección de la zona de baja temperatura | ||
| 6046 Termostato ambiente CC1 | Entrada H2 H2 habilidad como termostato de ambiente de la zona de baja temperatura | ||
| CIRCUITOCALEFACCION 1 | 710 | 35°C | Consigna del local a calefactor (zona de baja temperatura) |
| 834 | Standard 180 s | Tiempo de cierre de la válvula mezcladora | |
Estableciendo la temperatura de comfort en el valor maximal (35^) , se garantiza el buen functionamento de las zonas de baja temperatura. De esta wayra, la Unidad de Ambiente no bloquea la demanda de calor de los termostatos de ambiente individuales que gestionan cada uno su zona.
En este caso, la Unidad de Ambiente realiza la func tion de gestionar la instalacion de bajo temperatura, pero no se possible aplicar para la gestion de la temperatura de uno de los locales. Girando el mando B, la pantalla muestra la temperatura de ida de la caldera. El circuito de calefacion funciona a impulsion fija.
5.3 ESQUEMA 3
Zona de baja- circuito de Calefacción(1) y de alta temperatura - circuito de Calefacción(2) con termostatos de ambiente.
| 1 Sonda exterior - borneira M2 (4-5) de caldera | |
| 2 Válvula mezcladora de zona de bajo temperatura (QX21-N-QX22) | |
| 3 Circulador circuito de bajo temperatura (QX23-N) | |
| 4 Sonda circuito de bajo temperatura (BX21-M) | |
| 5 | Termostato de sécurité circuito de bajo temperatura (FX23-L) |
| 6 Entrada termostato ambiente zona de bajo temperatura (H2-M) | |
| 7 Electroválvula o circulador de zona de alta temperatura alimentada externamente | |
| 8 Termostato ambiente zona de alta temperatura (para el conexionado ver capítulo 7.1) | |

Utilizing el Control Remotoentar en el menu 2, como se describe en el capitulo 4, y efectuar las siguientes configuraciones:
| MENÜ | LINEA DE PROGRAMA | VALOR DE FÁBRICA DESCRIPTION |
| CONFIGURación | 5715 On Habilitación del Circuito de Calefacción 2 | |
| 5977 Termostato ambiente CC2 | Habilitación del termostato para el circuito 2(contacto 1-2 bornea M1) | |
| 6020 Circuito calefacción 1 Habilitación de la zona de baja temperatura | ||
| 6024 Termostato CC | Entrada EX21 habilido como protección de la zona de baja temperatura | |
| 6046 Termostato ambiente CC1 | Entrada H2 habilidad como termostato de ambiente de la zona de baja temperatura | |
| CIRCUITOCALEFACCION 1 | 834 | Standard 180 s |
| Tiempo de cierra de la válvula mezcladora | ||
6. INSTALLACION DE CALEFACCION POR ZONAS
Si no esnecessary gestionar instalaciones mixtas, sepuedutilizar el accesorio AVS 75 para controlar los circuladores/electrovalvulas de zona, como se indica a continuacion:

Para evaporar encendidos y apagados frecuentes, se recomienda elevar la temperatura de ajuste minima de la caldera en Calefacion,ajustando los parametros 740,1040 y 1340 (ver capitulo 8.1) a un valor no inferior a 45^
6.1 ESQUEMA 4
Dos zonas con Unidad de Ambiente circuitos de Calefacion(1 y 2) y 1 zona con termostato ambiente circuito de Calefacion (3).
| 1 | Sonda exterior - bornera M2 (4-5) de caldera | 5 | Unidad de Ambiente circuito 2 bornera M2 (1-2-3) de caldera |
| 2 | Electroválvula o circulador de zona circuito 1 (QX21-N)* | 6 | Electroválvula o circulador de zona circuito 3 alimentada externamente |
| 3 | Unidad de Ambiente circuito 1 bornera M2 (1-2-3) de caldera | 7 | Termostato ambiente circuito 3 (para el conexionado ver capítulo 7.1) |
| 4 | Electroválvula o circulador de zona circuito 2 (QX22-N)* |

- El accesorio AVS 75 no es capaz de controlar directamente una electroválvula de 3 hilos. Si esnecessary este aspecto,realizarlo mediante un relé con un contacto de cambio.

Las Unidades de Ambiente 3 y 5 están conectadas en paralelo.
Las Unidades de Ambiente peuvent controlar directamente sus areas respectivas de acuerdo a la temperatura deseada en el local. Utilizing el Control Remoto,entar en el menu 2, como se describe en el capitulo 4, y efectuar las siguientes configuraciones:
| MENÜ | LINEA DE PROGRAMA | VALOR DE FÁBRICA | DESCRIPCION |
| CONFIGURACION | 5715 | On | Habilitación del Circuito de Calefacción 2 |
| 5721 | On | Habilitación del Circuito de Calefacción 3 | |
| 5977 | Termostato ambiente CC3 | Habilitación del termostato para el circuito 3(contacto 1-2 bormera M1) | |
| 6020 | Multifuncional | - | |
| 6030 | Bomba circ.calef. CC1 Q2 | Controllo del circulador/electroválvula del circuito 1 | |
| 6031 | Bomba circ. calef. CC2 Q6 | Controllo del circulador/electroválvula del circuito 2 | |
| CIRCUITO CALEFACCION 1 | 742 | --- | Habilitación de la temperature de ida modulante (Circuito de Calefacción 1) |
| CIRCUITO CALEFACCION 2 | 1042 | --- | Habilitación de la temperature de ida modulante (Circuito de Calefacción 2) |
Las Unidades de Ambiente peuvent controlar directamente sus areas respectivas de acuerdo a la temperatura deseada en el local. Si, girando el mando B, la pantalla muestra la temperatura de ida de la caldera y no la temperatura ambiente, significa que el parametro 742, 1042 y 1034 no han estado configurados correctamente.
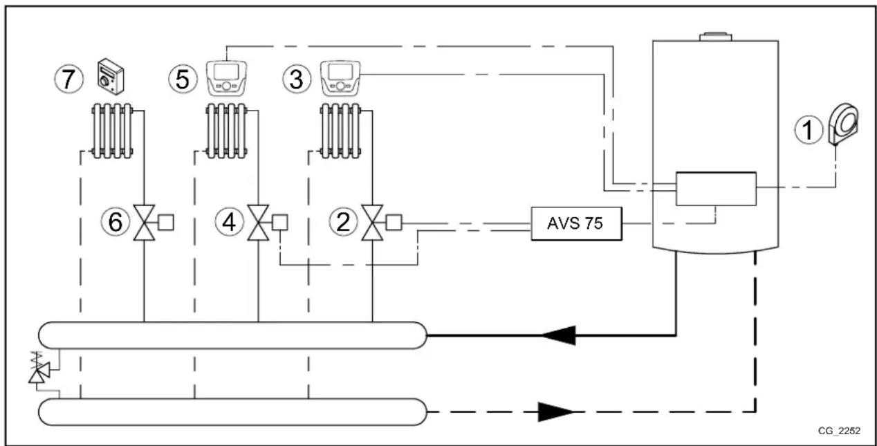
6.2 ESQUEMA 5
Tres zonas con Unidad de Ambiente (circuits de Calefacion 1, 2 y 3)
| 1 | Sonda exterior - bornera M2 (4-5) de caldera | 5 | Unidad de Ambiente circuito 2 bornera M2 (1-2-3) de caldera |
| 2 | Electroválvula zona circuito 1 (QX21-N)* | 6 | Electroválvula zona circuito 3 (QX23-N)* |
| 3 | Unidad de Ambiente circuito 1 bornera M2 (1-2-3) de caldera | 7 | Unidad de Ambiente circuito 3 bornera M2 (1-2-3) de caldera |
| 4 | Electroválvula o circulador de zona circuito 2 (QX22-N)* |

- El accesorio AVS 75 no es capaz de controlar directamente una electroválvula de 3 hilos. Si es necesario este aspecto, realizarlo mediante un relé con un contacto de cambio.

Las Unidades de Ambiente 3, 5 y 7 estan conectadas en paralelo.
Las Unidades de Ambiente peuvent controlar directamente sus areas respectivas de acuerdo a la temperatura deseada en el local. Utilizing el Control Remoto,entar en el menu 2, como se describe en el capitulo 4, y efectuar las siguientes configuraciones:
| MENÜ | LINEA DE PROGRAMA | PARÁMETRO | VALOR DE FÁBRICA | DESCRIPICón |
| CONFIGURACION | 5715 | Circuito calefacción 2 | On | Habilitación del Circuito de Calefacción 2 |
| 5721 | Circuito calefacción 3 | On | Habilitación del Circuito de Calefacción 3 | |
| 5977 | Entrada funciona H5 Ninguna | Deshabilitación del termostato en bornea M1 (1-2) en caldera | ||
| 6020 | Función;módulo de extension 1 | Multifuncional | - | |
| 6030 | Salida relé QX21;módulo 1 | Bomba circ.calef. CC1 Q2 | Controllo del circulador/electroválvula del circuito 1 | |
| 6031 | Salida relé QX22;módulo 1 | Bomba circ. calef. CC2 Q6 | Controllo del circulador/electroválvula del circuito 2 | |
| 6032 | Salida relé QX23;módulo 1 | Bomba circ.calef. CC3 Q20 | Controllo del circulador/electroválvula del circuito 3 | |
| CIRCUITO CALEFACCION 1 | 742 | Consigna ida con termostato de ambiente | --- | Habilitación de la temperatura de ida modulante (Circuito de Calefacción 1) |
| CIRCUITO CALEFACCION 2 | 1042 | Consigna ida con termostato de ambiente | --- | Habilitación de la temperatura de ida modulante (Circuito de Calefacción 2) |
| CIRCUITO CALEFACCION 3 | 1342 | Consigna ida con termostato de ambiente | --- | Habilitación de la temperatura de ida modulante (Circuito de Calefacción 3) |
Las Unidades de Ambiente peuvent controlar directamente sus areas respectivas de acuerdo a la temperatura deseada en el local. Si, girando el mando B, la pantalla muestra la temperatura de ida de la caldera y no la temperatura ambiente, significa que el parametro 742, 1042o 1342no han estado configurados correctamente.
7. CONEXIONADO ELECTRICO DEL TERMOSTATO DE AMBIENTE

La temperatura de functionamento es laquia para todos los circuitos.

Los relés se pueda reemplazar por valvulas equipadas con microrruptores de finales de carrera y viceversa.
7.1 SITUACION - 1 - Conexión de termostato de ambiente individual en una zona de alta temperatura
Conectar el termostato de ambiente a una fuente de alimentacion externa (230) que alimentarara la valvula de zona (o circulador) y la bobina del rele. Conectar el contacto del rele a la bornera M1 (1-2) de la caldera.

7.2 SITUACION - 2 - Conexión de termostatos de ambiente a un sistemas multizona de alta temperatura.
Conectar los termostatos de ambientes en paraleo a una fuente de alimentacion externa (230V) que alimentarayas valvulas de zona (o circuladores) y las bobinas de los relés. Conectar los contactos de los relés en paraleo a la bornera M1 (1-2) de la caldera.

7.3 SITUACION - 3 - Conexión de termostatos de ambiente a un sistemas multizona de baja temperatura.
Conectar los termostatos de ambientes en paralelo a una fuente de alimentacion externa (230V) que alimentarara las valvulas de zona (o circuladores) y la bobina del rele. Conectar el contacto del rele a los bornes H2 y M del AVS 75.

7.4 SITUACION - 4 - Conexión de termostatos de ambiente a un sistemas multizona de bajo temperatura con microrruptores de finales de carrera en las valvulas de zona.
Conectar los termostatos de ambientes en paraleo a una fuente de alimentacion externa (230V) que alimentaras valvulas de zona. Conectar los contactos de los microinterruptores en paraleo a los bornes H2 y M del AV 75.

8. INSTALLACION SOLAR DE AGUA CALIENTE SANITARIA
Con esta configuración, el accesorio AVS 75 es capaz de gestionar el circulador solar, la sonda del colector y la sonda del acumulador (relativo al circuito solar) según elsignificante quema:
| 1 | Sonda acumulador solar B31(BX22-M) | 3 | Circulador circuito solar Q5 (QX23-N) |
| 2 | Sonda collector solar B6 (BX21-M) | 4 | Sonda acumulador B3 - bornera M2 (9-10) en caldera |


Utilizar las sondas especialicas para esta aplicacion (suministradas como accesorio).
Utilizando el Control Remoto,entar en el menu 2, como se describe en el capitulo 4, y efectuar las siguientes configuraciones:
| MENÜ | LINEA DE PROGRAMA | VALOR DE FÁBRICA | DESCRIPCIÑ |
| CONFIGURación | 6020 | ACS solar | Habilitación de la funciona solar |
Se indican a continuación los parámedos realizados. En el caso de utiliser paneles solares con tubos de vacío, activar la función de protección españica (parámedros 3830, 3831)
| MENÜ | LINEA DE PROGRAMA | VALOR DE FÁBRICA | DESCRIPICón |
| CONFIGURACION | 3810 Standard 8°C | Diferencia de temperatura entre el colector y la sonda solar del accumulator para la activación del circulador solar | |
| 3811 Standard 4°C | Diferencia de temperatura entre el colector y la sonda solar del accumulator para el paro del circulador solar | ||
| 3850 Standard “---” | Temperatura sobre la cuales el circulador del colector circula (sólo si la temperatura máximo del accumulator no se alcana) | ||
Acceder al menu 3
(capitulo 5.2)
| SOLAR | 3830 Standard | ---" | Tiempo máximo de bloqueo del circulador solar si la temperatura del colector alcanza su的最大 valor (parámetro 3850) en el tiempo最小值 de circulación (parámetro 3831) |
| 3831 | Standard 30s | Tiempo最小值 de circulación del circulador colector |

Cuando en pantalla aparece el simbolo significa que el circulador del systema solar está en functionamento para calentar el acumulador.
9. CONFIGURACION DE PARÁMETROS
9.1 INSTALLACION DE CALEFACCION
| Panel de control | MENÑ CIRCUITOCALEFACCIón CR 1, 2, 3 | Valores de Fábrica | Mínimo Maximo | ||||
| CR1 | CR2 | CR3 | |||||
| 700 | 1000 | 1300 | Apagado-protectión antihielo ambiente: la caldera arranca cuando la temperatura ambiente es < 6°CAutomatico: la temperatura del local a calefactar depende de la franja hora selecciónaEconomía: la temperatura del local a calefactar es la reducidaConfort: la temperatura del local a calefactar es la de comfort | - | Confort | - | - |
| 710 | 1010 | 1310 | Temperatura ambiente de comfort | °C | 20 | Reducida | Confort máximo |
| 712 | 1012 | 1312 | Temperatura ambiente reducida | °C | 16 | Anticongelante | Confort |
| 714 | 1014 | 1314 | Temperatura ambiente de antihielo | °C | 6 | 4 | Reducida |
| 720 | 1020 | 1320 | Selección de la curva climática para la sonda exterior | - | 1,5 | 0,1 | 4 |
| 730 | 1030 | 1330 | En presencia de sonda exterior y con el modo de funciona bajo atmódulo automático, tiene un control automatístico de Calefacción (ON-OFF) en función de la temperatura (exterior) impuesta | °C | --- | 8 | 30 |
| 740 | 1040 | 1340 | Valor minimo de ida(ej. con la funciona de ida modulante activa) | °C | 25 | 8 | Máx. consigna |
| 741 | 1041 | 1341 | Valor máximo de ida(ej. con la funciona de ida modulante activa) | °C | 80 | Mín. consigna | 95 |
| 742 | 1042 | 1342 | Temperatura de ida en presencia de Unidad de Ambiente( --- = habitilación ida modulante) | °C | 80 | Mín. consigna | Máx. consigna |
| 750 | 1050 | 1350 | Importancia de la temperatura de ambiente respecto a la temperatura exterior y viceversa (función influencia ambiente):*** %: climática pura1..99 %: climática con compensación ambiente100 %: ambiente pura | % | 50 | 1 | 100 |
| 760 | 1060 | 1360 | Diferencial del apagado de la caldera en funciona de la temperatura ambiente deseada | °C | 0,5 | 0,5 | 4 |
| 809 | 1109 | 1409 | Los circuladores de caldera y del circuito permanecerán activos 24h | - | no | - | - |
| 834 | 1134 | 1434 | Tiempo de cierre de la válvula mezcladora para la baja temperatura | s | 180 | 30 | 873 |
| 850 | 1150 | 1450 | Se recomienda la realización de la funciona "manual". | - | off | ||
| 851 | 1151 | 1451 | Temperatura de ida a lacular se realiza la funciona secado del pavimento | °C | 25 | 0 | 95 |
| 855 | 1155 | 1455 | Temperatura de ida actual de la funciona secado del pavimento | °C | - | - | - |
| 856 | 1156 | 1456 | Día de lamana durante la activación de la funciona secado del pavimento | - | - | - | - |
CR = Circuito de Calefacion
9.2 INSTALLACION AGUA CALIENTE SANITARIA
| Panel de control | MENU CIRCUito AGUA CALIENTE SANITARIA | Valores de Fábrica | Minimo Maximo | ||
| 1600 | Tipologia de funciona动摇ido Off = consigna igual a la consigna antihielo On = consigna nominal Economico = precalentimiento deshabilitado | - | on -- | ||
| 1610 Consigna nominal del Agua Caliente Sanitaria °C 60 35 60 | |||||
| 1612 | Consigan de Agua Caliente Sanitaria reducida | °C | 35 | 8 | 60 |
| 1620 | Habilitación de la programación hora | - | 24 h/d | - | - |
| 1640 | Tipología del funciona动摇ido de la funciona antilegionela: Off Periódicamente Día fijo de la/semana | - | off -- | ||
| 1641 | Días entre una funciona antilegionela y la另一边 (1...7) | - | 7 | - | - |
| 1642 | Día de la funciona antilegionela (lunes...domingo) | - | Lunes | - | - |
| 1644 | Horario de inizio de la funciona antilegionela | - | --- | - | - |
| 1660 | Modalidad de utilizesión del circulador de recirculación del ACS | - | Autoriz. bomba recir. ACS | - | - |
| 1663 | Temperatura de paro del circulador de recirculación del ACS | °C | 45 | 8 | 60 |
9.3 OTROS PARÁMETROS
| Panel de control | MENÜ DE CONFIGURACION | Valor de fábrica |
| 5710 | Habilitación del circuito de Calefacción 1 | on |
| 5721 | Habilitación del circuito de Calefacción 3 | off |
| 5730 | Configuración de la sonda de Agua Caliente Sanitaria en función del tipo de caldera (acumulación o instantánea) | |
| 5731 | Tipo de actuador para el control de la prioridad sanitaria | Válvula diversora |
| 5970 | Sensor de prioridad sanitaria (para calderas de tipo instantáneo) | - |
| 5971 | Posición del contacto en reposo | - |
| 5973 | Parámetros para la determinación del caudal de agua del consumo sanitario | - |
| 5974 | - | |
| 5975 | - | |
| 5976 | - | |
| 5977 | Entrada para el termostato de ambiente de uno d'élos circuitos de Calefacción | Termostato de ambiente zona 1 |
| 5978 | - | |
| 6020 | Multifunctional: se pueda configurar las entradas y salidas manualmente | - |
| 6021 | Circuito Calefacción 1, 2 Ó 3: gestiona una zona mezclada (1,2 Ó 3 -capítulo 5) | - |
| 6022 | Controldor temp.returno: no utilisé | - |
| ACS solar: gestiona una instalación solar con 2 sondas y circulador (capítulo 7) | - | |
| Ctrl Primar./Bomba sistemas: no utilisé | - | |
| 6024 | No realizados | - |
| 6026 | - | |
| 6028 | - | |
| 6030...6038 | Ver capítulo 9 | - |
| 6040...6045 | Ver capítulo 9 | - |
| 6046...6068 | Ver capítulo 9 | - |
| 6097 | Tipo de sonda realizada para el colector solar | Pt 1000 |
| 6200 | Memorización de todas las sondas connectadas en caldera y en los accesorios (capítulo 4) | - |
| 6212 | Información fabricante | - |
| 6213 | Información fabricante | - |
| 6215 | Información fabricante | - |
| 6217 | Información fabricante | - |
| 6230 | Información fabricante | - |
| 6231 | Información fabricante | - |
| 6704 | Habilitación visualización)cógo interno | si |
| 6705 | Cógo interno de la anomía actual | - |
| 6706 | Fase del quemador en que aparece la anomía | - |
| 6710 | Rearme de una alarma externa (capítulo 9) | no |
| 6800 | Ulima anomía registrada | - |
| 6805 | Cógo interno de la ultima anomía registrada | - |
| 6806 | Fase del quemado de la ultima anomía registrada | - |
| da 6810 a 6996 | Historio de anomalías precedentes | - |
10. FUNCIONES VARIAS
Además de las configuraciones descritas anteriorsmente, es possible ajustar las entradas y salidas de conformidad con los requisitos de la instalación. En los ejentesesiones, se han considerado el relé de salute QX21 y la sonda BX21 del accesorio, pero lo mismos es valido para los relés QX22, QX23 y la sonda BX22. En todos los casos se debe configurar el accesorio como "Multifuncional".
| MENÜ LÍNÉA | DE PROGRAMA PARÁMETRO VALOR DE SELECTION DESCRIPCIón | |||
| CONFIGURACION | 6020 Función módulo de extension 1 Multifuncional | Activación de la funciona solar | ||
10.1 CIRCULADOR DE RECIRCULACION DEL AGUA CALIENTE SANITARIA
Si se utilizes un accumulator para el Agua Caliente Sanitaria, es possible controlar el circulador de recirculación. La habitabilidad de la función está vinculada a la programación hora del Agua Caliente Sanitaria. Para minimizar la perdida de circulation, la funciona activa el circulador uno 10 horas seguidos de una pausa de 20 horas. Utilizando el Control Remoto, entrada en el menu 2, como se describe en el capítulo 4:
| MENÜ | LINEA DE PROGRAMA | VALOR DESCRIPCION | Habilitación del circulador de recirculación del ACS (salida relè QX21) |
| CONFIGURACION | 6030 | Bomba circulación Q4 | |
| 6040 | Sonda circulación ACS B39 | Habilitación de la sonda de recirculación del ACS (sonda BX21) | |
| AGUA CALIENTE SANITARIA | 1663 | de fábrica = 45°C | Temperatura del ACS en que se activa el circulador (consigna de recirculación) |
10.2 INSTALLACION SOLAR PARA PISCINA
La Calefacción de la piscina a工程技术 de paneles solares peut ser realizada del singularmente modo:
| 1 | Sonda acumulador solar B31 (BX22-M) | 5 | Circulador de la piscina (QX21-N) |
| 2 | Sonda colector solar B6 (BX21-M) | 6 | Sonda de returno calentamente piscina - bornera M2 en caldera |
| 3 | Circulador circuito solar Q5 (QX23-N) | 7 | Piscina |
| 4 | Sonda acumulador B3 - bornera M2 (9-10) de caldera | ||


Utilizar las sondas especialicas para esta aplicacion (suministradas como accesario).
Realizar la configuracion como se indica en el capitulo 8. En este punto el systema está configurado para utiliser paneles solares para el Agua Caliente Sanitaria. Utilizando el Control Remoto, entrada en el menu 2, como se describe en el capitulo 4:
| MENÜ | LINEA DE PROGRAMA | VALOR DE FÁBRICA | DESCRIPICón |
| CONFIGURACION | 5931 | Sonda piscina B13 | Habilitación de la sonda de la piscina ( Entrada sonda BX2) |
| 6030 | Elem. ctrl. solar piscina K18 | Habilitación de circulador para calentar la piscina ( Salida relè QX21) | |
| AGUA CALIENTE SANITARIA | 6046 | Sonda impulsión common B10 | Activación para el calentimiento de la piscina (ejemplo, un interruptor de flotador o commando manual) |
Lautilacion del contacto H2 es importante porque garantiza el Buen functionamento del systema, permitiendo el intercambio de calor con la piscina solo si esta ultima lo permite. A continuacion, aseguresse de que la piscina estedllena de agua y functionando.
10.3 DEMANDA GENÉRICA DE CALOR
La demanda generica de calor es una que no proviene de uno de los tres circuitos de Calefacion disponibles y/o del circuito de Agua Caliente Sanitaria.Esta demanda se le denomina richiesta utenza y sirve para proportionar calor a las unidades externas, como por ejemplo para calentar el agua de una piscina.
Para activar esta funciona, se debe realizar la?singular configuracion. Utilizing el Control Remoto,entar en el menu 2, como se describe en el capitulo 4:
| MENÜ | LINEA DE PROGRAMA | VALOR DESCRIPCI ON | |
| CONFIGURACION | 6030 | Bomba circ cons VK1 Q15 | Habilitación de la bomba para la demanda externa 1 ( Salida relè QX21) |
| 6046 Demand consumidor VK1 Contacto para la demanda externa 1 | |||
| CIRCUITO CONSUMIDOR 1 | 1859 valor de fábrica = 70°C Temperatura ida Calefacción para la demanda externa 1 | ||
En el caso de que la demanda de usuario venga proporciona a工程技术 de una senal analógica 0-10 V, se debe configurar el parámetro 6046 como "Richiesta utenza CR1 10V". Internacional se debe configurar la característica de la senal utilizing los pará-metros:
| 6049 | Valor tensión 1 H2 modulo 1 | 6050 | Valor función 1 H2 modulo 1 | 6051 | Valor tensión 2 H2 modulo 1 | 6052 | Valor función 2 H2 modulo 1 |
10.4 OTRAS CONFIGURACIONES
A continuación se indicales configuraciones:
Relé QX21
| Salida alarma K10 Alarma (ej. do | condominio) |
| Bomba sistemas Q14 | Circulador activo en cualquier demanda de Calefacción o demanda externa |
| Programa horario 5 K13 Contado to commando por "programa horario aux" | |
| Demanda refrigeración K28 | Demanda de enfiambre del circuito de refrigeración 1 |
| Relleno agua K34 | Válvula de llenado automatístico de caldera |
| Desconexión ventilador K38 | Control ventilador除外 |
Sonda BX21
| Sonda acumulador B4 | Sonda acumulador para el calentimiento (superior) |
| Sonda acumulador B41 | Sonda acumulador para el calentimiento (inferior) |
| Sonda acumulador B42 | Tercera sonda acumulador para el calentimiento (a mitad del acumulador) |
Entrada H2
| Mensaje error/alarma | Señal de alarma externa |
| Conmut. flujo caldera | Contacto flusostato de caldera (sólo可用able si no está ya presente en la caldera) |
| Limitador temp. caldera | Contacto termostato de caldera (sólo可用able si no está ya presente en la caldera) |
| Demand consumidor VK1 10V | Demanda externa 1 conseednal 0-10V(*) |
| Medida presión 10V | Medida de presión conseednal 0-10V(*) |
| Potencia preseLECTION. a 10V | Regulación de la potencia de la caldera en función de laseednal 0-10V(*) |
- Para utiliser las functions es必須o estarlecer las caracteristicas de la senal analogica utilizingos seguides parametros presentes en el menu Configuracion del Control Remoto:
| 6049 | Valor tensión 1 H2;módulo 1 | 6050 | Valor función 1 H2;módulo 1 | 6051 | Valor tensión 2 H2;módulo 1 | 6052 | Valor función 2 H2;módulo 1 |

Las configuraciones indicadas son también validas para otheros relés/sondas/entradas de la plac, como por ejempo el relé QX1 (linea 5890) o la sonda BX2 (linea 5931) y BX3 (linea 5932).
11. LISTADO DE ANOMALIAS<
| E | Anomalía Descripción | de la anomália |
| 10 Sensor sonda exterior | Circuito de Calefacción habitado sin ningún tipo de control (termostato, Unidad de Ambiente o unidad externa) o una sonda exterior defectuosa | |
| 84 | BSB, conflicto de direccion | 2 ó más Unidades de Ambiente configuradas para el本身就是 circuito de Calefacción |
| 98 | Módulo adicional 1 | Accesorio AGU 2550 no se detecta o no reconocido |
| 99 | Módulo adacional 2 | Accesorio AGU 2550 no se detecta o no reconocido |
| 373 | Módulo adacional 3 | Accesorio AGU 2550 no se detecta o no reconocido |
| 30 Sonda impulsión 1 Sonda de circuito mezclador 1 no se detecta | ||
| 32 Sonda impulsión 2 Sonda de circuito mezclador 2 no se detecta | ||
| 260 Sonda impulsión 3 Sonda de circuito mezclador 3 no se detecta | ||
| 335 BX21neverna funciona Sonda BX21 no configurada | ||
| 336 BX22neverna funciona Sonda BX22 no configurada | ||
| 324 | BX mismos sensores | 2 ó más sondas está configuradas para la misma funciona |
| 52 Sonda ACS 2 Sonda Agua Caliente Sanitaria solar no se detecta | ||
| 73 Sonda colector 1 Sonda colector solar no se detecta | ||
| 57 | Sonda circulación ACS | Sonda de circulación de Agua Caliente Sanitaria no se detecta |
| 243 Sonda piscina | Sonda de la piscina no se detecta | |
| 25 | Sonda caldera de leña | Sonda de la caldera de biomasa no se detecta |
| 346 | Bomba cald.Q10 ausente | Circulador de la caldera de biomasa no se detecta |
12. CHARACTERISTICAS TÉCNICAS
| Alimentación | Tensión de alimentación | AC 230 V (±10 %) | |||||
| Frecuencia de funciona的目的 | 50/60 Hz | ||||||
| Potencia absorbida | 4 VA | ||||||
| Fusible de alimentación (Alimentación y salute) | máx. 10 AT | ||||||
| Cableado | Cable rígido o flexible (entrelazado o con+puntas protegidas) | - | |||||
| unipolar | 0,5...2,5 mm² | ||||||
| bipolar | 0,5...1,5 mm² | ||||||
| Datasaroniales | Clase software | A | |||||
| Modo de operación EN 60 730 | 1b (operación automática) | ||||||
| Entradas | Entrada digital H2 | - | |||||
| Bajísima tensión de sécurité porcontacto libre | - | ||||||
| Contacto en baja tensión | - | ||||||
| Tensión con contacto abierto | DC 12 V | ||||||
| Tensión con contactocerrado | DC 3 mA | ||||||
| Entrada analógica H2 | - | ||||||
| Bajísima tensión de protección | - | ||||||
| Límites de funciona目標o | DC 0..10 V | ||||||
| Resistencia interna | >100 kΩ | ||||||
| Entrada L | AC 230 V (±10%) | ||||||
| Resistencia interna | >100 kΩ | ||||||
| Entrada senseores BX21, BX22 | NTC 10k | ||||||
| Cables de connexion permitted (cobre) | - | ||||||
| Sección | mm² | 0,25 | 0,5 | 0,75 | 1,0 | 1,5 | |
| Máxima longitudinal | m | 20 | 40 | 60 | 80 | 120 | |
| Salidas | Relé de salute | - | |||||
| Límites de corriente de funciona目標o | AC 0,02...2 (2) A | ||||||
| Intensidad的最大の通過 | 15 A per ≤1 s | ||||||
| Intensidad的最大の (para todos los relés) | AC 6 A | ||||||
| Límites de tensión | AC 24...230 V (porcontacto libre) | ||||||
| Interface | BSB | Conexión con 2 cables, no permutables | |||||
| Longitud unitad de base –dispositivos periféricos | máx. 150 m | ||||||
| Longitud total | máx. 300 m (capacidadmaximum del cable: 60nF) | ||||||
| Sección del cable | 0,5 mm² | ||||||
| Número máximo de calderasconectadas en cascada | 16 | ||||||
INDICE
DESCRICAO SIMBOLOS 155
Trészonas com unidad ambiente (circuits de aquecimiento 1,2 e 3)
| 1 | Sonda exterior - régua de bornes M2 (4-5) da caldeira | 5 | Unidade ambiente circ 2- régua bornes M2 (1-2-3) caldeira |
| 2 | Eletroválvula zona circuito 1 (QX21-N)* | 6 | Eletroválvula zona circuito 3 (QX23-N)* |
| 3 | Unidade ambiente circ 1- régua bornes M2 (1-2-3) caldeira | 7 | Unidade ambiente circ 3- régua bornes M2 (1-2-3) caldeira |
| 4 | Eletroválvula zona circuito 2 (QX22-N)* |

Utilizar sondas especificas para esta aplicacion (fornecidas como accesario).
Utilizando o Controlo Remoto entrada no menu 2, como descririto no capitulo 4, e efetuar os seguientes ajustes:
Utilizar sondas especificas para esta aplicacion (fornecidas como accesario).
ManualFácil