90 F - Kotel Baxi - Bezplatný návod k obsluze
Najděte návod k zařízení zdarma 90 F Baxi ve formátu PDF.
Dotazy uživatelů ohledně 90 F Baxi
0 otázka o tomto zařízení. Odpovězte na ty, které znáte, nebo položte vlastní.
Položte novou otázku o tomto zařízení
Stáhněte si návod pro váš Kotel ve formátu PDF zdarma! Najděte svůj návod 90 F - Baxi a vezměte svůj elektronický přístroj zpět do rukou. Na této stránce jsou zveřejněny všechny dokumenty potřebné k používání vašeho zařízení. 90 F značky Baxi.
NÁVOD K OBSLUZE 90 F Baxi
Firma si z duvodu neustalého zlepsovani svych vyrobku vyhrazuje pravo modifikovat kdykoli a bez predchoziho upozorneni udaje uvedene v teto dokumentaci. Tato dokumentace ma pouze informativn character a nsmb yt pouzita jako smlouva ve vztahu k tretim osobam.
POPIS SYMBOLU

UPOZORNENI
Riziko poskození nebo špatného provozu zařizení. Dbejte na upozorněné na nebezpečí, která se týkajohroženi osob.

NEBEZPEÇİ VYSOKÉHO NAPETI
Elektrické cásti pod proudem, nebezpeci elektrického proudu.

DULEZITE INFORMACE
Tyto informace je tbreba dukladne prociist, jsou nezbytne pro spravyn y provoz kotle.
1. UVOD
Kotel muze nezávisle ridit az 3 topné okruhy pomoci externich príslušenstvi (prostorové Jednotky, dalkova ovladáná externi moduly. Elektronika, která je součastí kotle, nabíf sirokou skálu funkci pro vlastnínastavení a rizéní ruznych typů systému.Pro správné fungovani systému je nutné pridělit každemu príslušenstvi cislo (od 1 do 3), aby ho deska identifikovala.

Aby bylo mozné použit AVS75.391, je nezbytny také ovladaci panel (prislusenstvi na objednávku).
2. POPIS PRÍSLUŠENSTVI
Pomoci tohoto prisluosenstvi je zarizeni schopno rfdit:
- Topné okruhy s ruznou teplotou;
- Solarní systém;
- Dalsf specifiké aplikace (vyhřívání bazěnu, cirkuláčné Čerpadlo TUV, kotel na biomasu, atd).
Toto prisluenstvi je schopno primo rfdit komponenty okruhu (cerpadlo, teplotni sondu, smesovaci ventil, atd.) maximinne a3 nezavisle vystupy relé, 2 teplotni sondy a 1 vstup ovladani. Je mozné vyuzit predefinované funkce, ktere usnadnji konfiguraci systemu.

Pro realizaci uvedenych konfiguracije nutne pouzit Ovladaci panel pro nastaveni parametru. Informace pro zmenu parametru a zapojeni do svorkovnic naleznete v navodu ke kotli.
2.1 POZADAVKY PRO INSTALLACI NA STENU
Pred samotnou instalaci:
- Odpojte elektrické napajeni.
Zajistete uvnit dostatecnou cirkulaci vzduchu kvuli odstaneni tepla, ktere produkuje priusenstvi AVS 75. - Jednotka nesmí být vystavena proudům vody a zdrojům tepla.

Elektrické napajeni obnovte až po dokončeni instalace.
2.2 INSTALACE NA STENU
Zařizení naintalujte na stěnu pomocić 2 šroubů, které jsou současti dodávyký príslušenstvi, použijte otvory v elektrické krabici. Provedte propojeni Jednotky s kotlem master a s príslušenstvím, viz popis v kapitole 3. Rozměry pro upevněi viz obr.
| A Upevněni napájeciho kabelu | |
| B Otvory pro připevněni na zed' | |
| C | Pruchodky pro kabely vnějsích elektrických prvků příslušenství |

Elektrické napajeni obnovte až po dokončeni instalace.

3. ELEKTRICKÉ ZAPOJENÍ

Pro pruchod propojovacic kabelu mezi kotlem a prisluesenstvim pouzijte prislune otvory ve spodni casti kotle.
3.1 ELEKTRICKÉ ZAPOJENI KE KOTLI
- Zařizení musí byt elektricky zapojeno do napajeci site 230V~ monofáze s uzemněním.
- Instalaci smi provadet pouze kvalifikovany personal.
- Než obnovíte elektrické napájení, zkontrolujte, zda byla věchna elektrická zapojení provedena správně.
- Pozorné si prostudujte námov ke kotli.
Propojte dvoupolovou svorkovnici jegnotky AVS75 ke svorkovnici kotle M2 (2-3) pomoci harmonizovaného kabelu "HAR H05 VV-F"2X0,5 mm² pro max. delku 150m.

3.2 ELEKTRICKÁ ZAPOJENÍ EXTERNICH PRVKÜ PRISLUSENSTVI
Pro zapojeni prisluosenstvi AVS75 s dalsimi prvyk prisluosenstvi postupujte dre nasledujicichPokynu (pouzijte harmonizované kabely "HAR H05 VV-F" s prumerem 1 mm):
SMESOVANY OKRUH (viz schemav kap. 3.2.1)
Zapojte cerpadlo smijsene zony na konektor QX23 prisluosenstv AVS75.
- Zapojte sondu vystupu smišené zony na konektor BX21 príslušenstvi AVS75 (QAD36 je současti dodávky).
Zapojte smesovaci ventil na konektor QX22-QX21
Zapojte prostorovy termostat na konektor H2 prisluosenstvi.
Zapojte bezpečnostní termostat na konektor FX23.
SOLÁRNÍ SYSTÉM TUV (viz schemá kap. 3.2.2)
Zapojte cerpadlo solarniho systemu na konektor QX23 prisluenstvi AVS75.
Zapojte sondu solarnifo zasobniku na konektor BX22 prifluensstv AVS75.
Zapojte sondu solarnich panelu na konektor BX21 priślustrstvi AVS75.
| LEGENDA ZAPOJENI KONEKTORÜ | |
| N⊕L (L-N) | Napájení AVS 75 |
| X50 | Konektor pro propejení elektronické desky SIEMENS a príslušenstvi AVS 75 |
| X30 | Konektor pro zapojeni plochého kabelu k dalşimu príslušenstvi. |
| T (QX21⊕N) | Programovatelný vystup relè 230V |
| T (QX22⊕N) | Programovatelný vystup relè 230V |
| S (QX23⊕N) | Programovatelný vystup relè 230V |
| C (EX21-FX23-L) | zapojeni pro bezpečnostní termostat (pouze pro smišené zony) |
| n (H2-M) | Digitálné vystup 12VDC nebo programovatelný analogovoy 0-10VDC. |
| n (BX21-M) | Programovatelný vystup sondy NTC 10K / Pt1000 |
| n (BX22-M) | Programovatelný vystup sondy NTC 10K / Pt1000 pro |

3.2.1 SMESOVANY OKRUH
| A SONYDA VYSTUPU QAD36 C CERPADLO SMISENEHO ZÖNY | |
| B SMÉSOVACÍ VENTIL D BEZPEÇNOSTNI TERMOSTAT |


V priadé smisene zony zapoite bezpecnostni termostat mezi svorkovnice "FX23 - L" a zapoite svorky "EX21 - FX23". Tak je cerpadlo okruhu zapojeno k relé "QX23" a je zcela zapojeno k bezpecnostnimu termostatu. Pokud je nutne pouzit vystup relé "QX23" pro jiné funkce než pro smisenou zonu, zapoite svorky "FX23 - L".
3.2.2 SOLÁRNÍ SYSTÉM TUV
| A | SONDA ZÁSOBNÍKU (DODAVANA JAKO PRÍSLUŠENSTVí) | C | ČERPADLO SOLÁRNÍHO OKRUHU |
| B Sónda PANELÜ (DODAVANA JAKO PRÍSLUŠENSTVí) | |||

4. PRISTUP K PARAMETRUM
Nastavení provedete tak,Že vstoupite do menu paramétru Ovladacího panelu,viz následujíci popis:
| 1 | Konečný uživatel | 3 | Technik |
| 2 | Uvedení do provozu | 4 | OEM |
Postup pro prifstup do 4 menu, které umoznui programovani desky kotle a/nebo Dalkovovladani je nasledujici:
- na hlavnim menu
A aC (drzte stisknuty asi 6 vterin) menu 1-2-3-4 (viz obr. vedle a yvsvetlivky).
C opakovany pro navrat do hlavniho menu.
FUNKCE TLACITEK PRO UPRAVU PARAMETRU

| B | Menu / listoványí v parametrech uvnitř menu / zvolte hodnotu parametu |
| B | Vstup do zvoleného menu / zvolte parametr, který chcete změnit / potvrde tzevolenou hodnotu |
| C | Návrat do prěchodlásezijćího menu |
Ve všech konfiguracich,Pokud je použit Ovladaci panel nebo prostorová Jednotka,nastavené jak prostorová Jednotka 1 Ize fidit kromě topné zony 1,také funkce TUV a stand-by kotle.Je-li nastaveno jak prostorová Jednotka 2 nebo prostorová Jednotka 3 Ize fidit pouze príslušné topné zony 2 nebo 3.Informace pro nakonfigurováni naleznete v nadvodech u príslušenstv.

Po dokcnifkazdé konfigurace systemu uloztve kotli pouzitekomponenty dl nasledujicho popisu.
Vstupte do menu 2, viz popis na zaćatku teto kapitoly.
B Konfigurace B programovacl radek 6200 takze B.
B Anotakze B pro potvrzeni.

Pokud je zařizeni pripojeno na podlahový systém, instalaté musi zajistit instalaci bezpečnostniho termostatu kvúli ochrané systému proti prěhřivány.
5. SMÍŠENY TOPNÍ SYSTEM
Je mozne nakonfigurovat prisluensstvi AVS 75 pro rizeni okruhu s nizkou teplotou. Tak je AVS 75 schopno kontrlovat cerpadlo, smesovac i ventil a sondu na vystupu topneho okruhu zvoleného dle nasledujific schemat.

Pro system s nizkou teplotou doporučujeme snizit maximálni hodnotu teploty kotle pro vytapěni nastavením paramétru 741 (viz kapitola 8.1) na hodnotu ne vyšsi než 45°C.

Upravte parametr tykajici se doby uzavirani smesovacho ventilu podle pouziteho modelu de nasledujicichPokynu.

Uvedena schemata se tykaji kotlu s vykonem pod 35 kW. U kotlu s vykonem nad 35 kW musi za byt za kotlem instalovan ter-mohydraulicky rozdellovac a zony musi byt vyaveny zonovymi cerpadly misto elektoventilu.
5.1 SCHEMA 1
Zona s nizkou teplotou s prostorovou Jednotkou - topny okruh (1)
Zona s vysokou teplotou prostorovym termostatem - topny okruh (2)
| 1 Vnějši sonda - svorkovnice kotle M2 (4-5) |
| 2 Směšovací ventil zóny s nizkou teplotou (QX21-N-QX22) |
| 3 Čerpadlo okruhu s nizkou teplotou (QX23-N) |
| 4 Sonda okruhu s nizkou teplotou (BX21-M) |
| 5 Bezpečnostní termostat okruhu s nizkou teplotou (FX23-L) |
| 6 Prostorový Jednotka - svorkovnice kotle M2 (1-2-3) |
| 7 Elektroventil nebo Čerpadlo zóny s vysokou teplotou, externí napájení |
| 8 Prostorový termostat zóny s vysokou teplotou (pro zapojeni viz kapitola 7.1) |

Pomoci ovladacho panelu vstupte do menu 2, viz popis v kapitole 4, a provedte nasledujici nastaveni:
| MENU | PROGRAMOVACI RADEK | HODNOTA PRO NASTAVENI | POPIS |
| KONFIGURACE | 5715 Zap Aktivovány topného okruhu 2 | ||
| 5977 | Prostorový termostat TO2 | Aktivovány termostatu pro okruh 2 (kontakt 1-2 svorkovnice M1) | |
| 6020 Topný okruh 1 Aktivovány zony s nízkou teplotou | |||
| 6024 Prostorový termostat TO Vstrup EX21 aktivné jak ochrana zony s nízkou teplotou | |||
| 6046 Zablokovány zdroje Vstrup H2 aktivnéJakuto prostorový termostat zony s nízkou teplotou | |||
| TOPNÍ OKRUH 1 | 742 | --- | Aktivovány modulované teploty náměhu (zóna s nízkou teplotou) |
| 834 | Porucha 180 s | Doba uzavěné směšovacího ventilu |
Prostorová Jednotka je schopna prímo rfidit zónu s nízkou teplotou podle požadované teploty v mîstnosti. Pokud se pri otočení ovladačem B na displeji zobrazí teplota na vystupu z kotide mistro prostorové teploty, znaměná to, ze parametr 742 není nastaven správně.
5.2 SCHEMA 2
Vice zons nizkou teplotou s prostorovym termostatem a spelecnou prostorovou Jednotkou -topny okruh (1) Zona s vysokou teplotou s prostorovym termostatem -topny okruh (2)
| 1 | Vnější sonda - svorkovnice kotle M2 (4-5) |
| 2 | Směšovaci ventil zóny s nízkou teplotou (QX21-N-QX22) |
| 3 | Čerpadlo okruhu s nízkou teplotou (QX23-N) |
| 4 | Sonda okruhu s nízkou teplotou (BX21-M) |
| 5 | Bezpečnostní termostat okruhu s nízkou teplotou (FX23-L) |
| 6 | Prostorový Jednotka - svorkovnice kotle M2 (1-2-3) |
| 7 | Vstrup prostorového termostatu zóny s nízkou teplotou (H2-M - zapojení viz kapitola 7.4) |
| 8 | Elektroventil nebo Čerpaldo zóny s vysokou teplotou, externí napájení |
| 9 | Prostorový termostat zóny s vysokou teplotou (zapojení viz kapitola 7.1) |

Pomoci ovladacho panelu vstupte do menu 2, viz popis v kapitole 4, a provedte nasledujici nastaveni:
| MENU | PROGRAMOVACI RÅDEK | HODNOTA PRO NASTAVENI P | OPIS |
| KONFIGURACE | 5715 Zap Aktivoványi topného okruhu 2 | ||
| 5977 Prostový termostat TO2 Aktivoványí | termostat pro okruh 2 (kontakt 1-2 svorkovnice M1) | ||
| 6020 Topný okruh 1 Aktivoványí zony s nizkou teplotou | |||
| 6024 | Prostorový termostat TO | Vstrup EX21 aktivníjaco ochrana zony s nizkou teplotou | |
| 6046 | Prostorový termostat TO1 | Vstrup H2 aktivníjaco prostorový termostat zony s nizkou teplotou | |
| TOPNÍ OKRUH 1 | 710 | 35°C | Teplota ve vytágné mistnosti (zony s nizkou teplotou) |
| 834 | Porucha 180 s | Doba uzavěrní směšovacího ventilu |
Nastavenim komfortni teploty na maximálí hodnotu (35^) je zaruchen správný provoz nizkotepltnich zón. Tak prostorová"Justa nezablokuje požadavek na teplo od jejnotlivych prostorovych termostatu, kieré ridi podzony.
V toto priadé rfdi prostorová Jednotka systém s nizkou teplotou, ale nemuze byt pouzita pro frizenf teploty v jeder z mistností. Otocením ovladače B se na displeji zobrazí teplata na vystupu z kotide. Topny okruh funguje na pevný vystup.
5.3 SCHEMA 3
Zony s nizkou - topny okruh (1) a s vysokou teplotou - topny okruh (2) s prostorovym termostatem.
| 1 Vnějí sonda - svorkovnice kotle M2 (4-5) |
| 2 Směšovací ventil zóny s nízkou teplotou (QX21-N-QX22) |
| 3 Čerpadlo okruhu s nízkou teplotou (QX23-N) |
| 4 Sonda okruhu s nízkou teplotou (BX21-M) |
| 5 Bezpečnostní termostat okruhu s nízkou teplotou (FX23-L) |
| 6 Vstup prostorového termostatu zóny s nízkou teplotou (H2-M) |
| 7 Elektroventil nebo Čerpadlo s vysokou teplotou, externí napájení |
| 8 Prostorový termostat zóny s vysokou teplotou (zapojení viz kapitola 7.1) |

Pomóci ovládacího panelu vstupte do menu 2, viz popis v kapitole 4, a provedte následující nastavení:
| MENU | PROGRAMOVACI RADEK | HODNOTA PRO NASTAVENİ | POPIS |
| KONFIGURACE | 5715 Zap Aktivoványi topného okruhu 2 | ||
| 5977 Prostorový termostat TO2 Aktivoványí | termostat pro okruh 2 (kontakt 1-2 svorkovnice M1) | ||
| 6020 Topný okruh 1 Aktivoványí zony s nízkou teplatou | |||
| 6024 | Termost sicurezza CR | Vstrup EX21 aktivní jak ochrana zony s nízkou teplatou | |
| 6046 | Prostorový termostat TO | Vstrup H2 aktivní jak prostorový termostat zony s nízkou teplatou | |
| TOPNÍ OKRUH 1 | 834 | Porucha 180 s | Doba uzavěnéří směšovacího ventilu |
6. ZONOVY SYSTEM VYTAPENI
Pokud není nutné rridit směšované systémy, lze použít príslušenství AVS75 pro rizeni Čerpadl/zónovych elektroventilù, viz ná-sledující popis:

Aby niedocházelo k castému zapnuti a vypnuti, doporučujeme zvyšit minimálni hodnotu teploty kotle pro vytápení natavením paramétrù 740, 1040 a 1340 (viz kapitola 8.1) na hodnotu ne nižsí než 45°C.
6.1 SCHEMA 4
Dve zony s prostorovou Jednotkou topnych okruhu (1 a 2) a 1 zona s prostorovym termostatem topného okruhu (3).
| 1 | Vnějsí sonda - svorkovnice kote M2 (4-5) | 5 | Prostorová Jednotka okruhu 2 - svorkovnice kote M2 (1-2-3) |
| 2 | Elektroventil nebo Čerpadlo zóny okruhu 1 (QX21-N)* | 6 Elektroventil nebo Čerpadlo zóny okruhu 3, externí napájení | |
| 3 | Prostorový Jednotka okruhu 1 - svorkovnice kote M2 (1-2-3) | 7 | Prostorový termostato okruhu 3 (zapojení viz kapitola 7.1) |
| 4 | Elektroventil nebo Čerpadlo zóny okruhu 2 (QX22-N)* |

- Príslušenstvi AVS 75 neni schopno Židit primo elektrroventil se 3 vodiči. Pak je tedy třeba použít relé.

Prostorové Jednotky 3 a 5 jsou zapojeny paralelné.
Prostorové Jednotky mohou primo fidit prisluşné zony podle požadované teploy v mistnostech. Pomoci ovladaciho panelu vstupte do menu 2, viz popis v kapitole 4, a provedte následující nastavení:
| MENU | PROGRAMOVACI RÁDEK | HODNOTA PRO NASTAVENİ | POPIS |
| KONFIGURACE | 5715 | Zap | Aktivoványí topného okruhu 2 |
| 5721 | Zap | Aktivoványí topného okruhu 3 | |
| 5977 | Prostorový termostat TO3 | Aktivoványí termostatu pro okruh 3 (kontakt 1-2 svorkovnice M1) | |
| 6020 | Multifunkčné | - | |
| 6030 | Čerpadlo TO1 Q2 | Kontrola Čerpadla/electroventilu okruhu 1 | |
| 6031 | Čerpadlo TO2 Q6 | Kontrola Čerpadla/electroventilu okruhu 2 | |
| TOPNÍ OKRUH 1 | 742 | --- | Aktivoványí modulované teploty náměhu (topný okruh 1) |
| TOPNÍ OKRUH 2 | 1042 | --- | Aktivoványí modulované teploty náměhu (topný okruh 2) |
Prostorové jestnotky jsou schopny primo ovladat prislusné zony podle požadované teploty v mistnosti. Pokud se pri otočeni ovladacem B na dispieji zobraź tięplata na vystupu z kotle mistro teploty v mistnosti, znamená to, ze parametry 742, 1042 a 1034 nebyly nastaveny správně.
6.2 SCHEMA 5
Tři zóny s prostorovou Jednotkou - topny okruh (1, 2 a 3)
| 1 | vnějsí sonda - svorkovnice kotle M2 (4-5) | 5 | prostorový jegnotka okruhu 2 - svorkovnice kotle M2 (1-2-3) |
| 2 | elektroventil zóny okruhu 1 (QX21-N)* | 6 | elektroventil zóny okruhu 3 (QX23-N)* |
| 3 | prostorový jegnotka okruhu 1 - svorkovnice kotle M2 (1-2-3) | 7 | prostorový jegnotka okruhu 3 - svorkovnice kotle M2 (1-2-3) |
| 4 | elektroventil zóny okruhu 2 (QX22-N)* |

- Příslušenství AVS 75 neni schopno Žídit prímo elektròventil se 3 vodiči. Pak je tedy třeba použít relé.

Prostorové Jednotky 3-5 a 7 jsou zapojeny paralelně.
Prostorové Jednotky mohou primo ridit prisluşné zony podle požadované teploty v mistnostech. Pomoci ovladacho panelu vstupte do menu 2, viz popis v kapitole 4, a provedte následujíci nastavení:
| MENU | PROGRAMOVACI RÁDEK | PARAMETR | HODNOTA PRO NASTAVENI | POPIS |
| KONFIGURACE | 5715 | Topný okruh 2 | Zap | Aktivoványí topného okruhu 2 |
| 5721 | Topný okruh 3 | Zap | Aktivoványí topného okruhu 3 | |
| 5977 | Funkce vstupu H5 Žádný | Deaktivoványí termostatu na svorkovnici M1 (1-2) na desce | ||
| 6020 | Funkce rožširujíci modul 1 | Multifunkěni | - | |
| 6030 | Vystup relié QX21 modul 1 | Čerpadlo TO1 Q2 | Kontrola Čerpadla/elekroventilu okruhu 1 | |
| 6031 | Vystup relié QX22 modul 1 | Čerpadlo TO2 Q6 | Kontrola Čerpadla/elekroventilu okruhu 2 | |
| 6032 | Vystup relié QX23 modul 1 | Čerpadlo TO3 Q20 | Kontrola Čerpadla/elekroventilu okruhu 3 | |
| TOPNÍ OKRUH 1 | 742 | Hodnota na vystupu s prostorovým termostatem | --- | Aktivoványí modulované teploty náměhu (topný okruh 1) |
| TOPNÍ OKRUH 2 | 1042 | Hodnota na vystupu s prostorovým termostatem | --- | Aktivoványí modulované teploty náměhu (topný okruh 2) |
| TOPNÍ OKRUH 3 | 1342 | Hodnota na vystupu s prostorovým termostatem | --- | Aktivoványí modulované teploty náměhu (topný okruh 3) |
Prostorové Jednotky jsou schopny primo fidit prislušné zony podle požadované teploy v mistnostech. Pokud se na displeji pri otočeni ovladacem B zobrazi teplota na vystupu kotle misto teploty v mistnosti, znamená to, ze parametry 742, 1042nebo 1342nejssou nastaveny správně.
7. ELEKTRICKÉ ZAPOJENÍ PROSTOROVÉHO TERMOSTATU

Provozni teplota je stejná pro všechny okruhy.

Relé je moins nahradit ventily s mikrospinači a naopak.
7.1 PRIPAD - 1 - Zapojeni prostorového termostatu v zoneš vysokou teplotou.
Zapojte prostorovy termostat do vnejsi elektricke site (230V), ktera bude napajet zonovy ventil (nebo cerpadlo) a civku rele, zapojte kon-. takt rele do svorkovnice kote (1-2).

7.2 PRIPAD - 2 - Zapojeni prostorovych termostatu do systému s vice zonami s vysokou teplotou.
Zapojte prostorové termostat paralelné do vnejsí elektrické sítě (230V), která bude napajet zónové ventily (nebo Čerpadla) a cívy relé, zapojte kontakty relé paralelné do svorkovnice kotle M1 (1-2).

7.3 PRIPAD - 3 - Zapojeni prostorovych termostatu do systému s vice zónami s nizkou teplotou.
Zapojte prostorove termostaty paralelne do vnéjsi elektrické sít (230V), které budou napajet zónovy ventil (nebo Čerpadlo) a civku relé, zapojte kontaktrelé na svorky H2-M na AVS75.

7.4 PRIPAD - 4 - Zapojeni prostorovych termostatu do systému s vice zónami s nizkou teplotou s mikrospinači pro zónove ventily.
Zapojte prostorové termostaty paralelné do vnejsí elektrické sítě (230V), které budou napajet zónový ventil, zapojte kontakty mikrospinačú paralelné ke svorkám H2-M na AVS75.

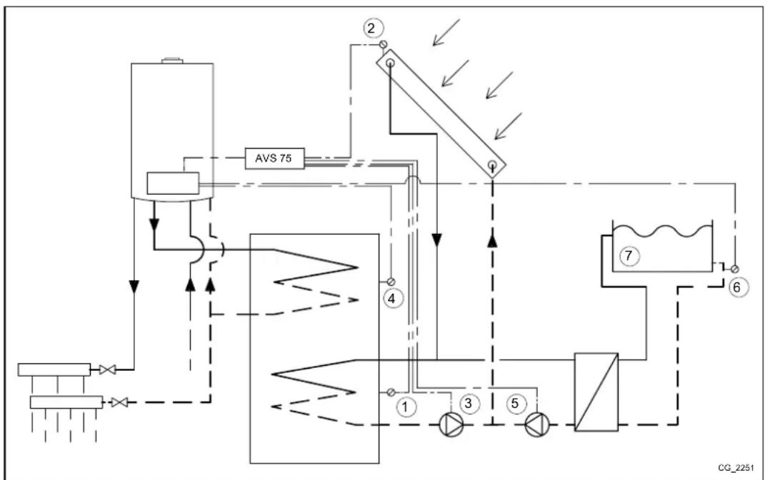
8. SOLÁRNÍ SYSTEM TUV
S tínto nakonfigurováním je príslušenstvi AVS 75 schopno rfidit Čerpadlo solárního okruhu, sondu kolektoru a sondu zásobnínu (tykajíc se solárního okruhu) podle následujíciho schématu:
| 1 | sonda solarniho zásobníku B31 (BX22-M) | 3 | čerpadlo solarniho okruhu Q5 (QX23-N) |
| 2 | sonda solarniho kolektoru B6 (BX21-M) | 4 | sonda zásobníku B3 - svorkovnice kotle M2 (9-10) |


Pomoci Dalkového ovladání vstupte do menu 2, viz popis v kapitole 4, a proved'te nasledujíci nastavení:
| MENU | PROGRAMOVACİ RÂDEK | HODNOTA PRO NASTAVENİ | POPIS |
| KONFIGURACE | 6020 | Solár TV | Aktivoványfunkce soláru |
Dale uvadime parametry, ktere lze pouzit. V pripadé pouziti vakuovych solarnich panelu aktivujte funkci specialn ochrany (paramey 3830, 3831):
| MENU | PROGRAMOVACÍ RÁDEK | HODNOTA POPIS | |
| KONFIGURACE | 3810 Porucha 8°C Teplotné | diference pro zapnutí soláru | |
| 3811 Porucha 4°C Teplotné | diference pro vypnutí soláru | ||
| 3850 Porucha “---” | Teplota, nad niz cirkuluje Čerpadlo kolektoru (pouze není-li dosažena max. teplota zásobníku) | ||
Vstupte do menu 3
(kap. 5.2)
| SOLÁR | 3830 Porucha | “---” | Max. doba zablokoványí solárního Čerpadla, pokud teplota kolektoru dosáhne max. hodnotu (parametr 3850) za min. dobu cirkulace (parametr 3831) |
| 3831 Porucha | 30s Min. doba | cirkulace Čerpadla kolektoru |

Kdyz se na displeji zobrazi symbol amena to, ze cerpadlo solarniho systemu funguje pro ytapeni zasobniku.
9. NASTAVENI PARAMETRU
9.1 SYSTEM VYTAPENI
| Ovliadaci panel | MENUTOPNEHO OKRUHU TO 1, 2, 3 | Tovární nastavení | Min. Max. | ||||
| TO1 | TO2 | TO3 | |||||
| 700 | 1000 | 1300 | Vypnuto - protizámrazová ochrana: kotel se zapne, je-li teplota v mistnosti < 6°C Automatický: teplota ve yvtapěné mlestosti závisí na nastaveném Časovém pásmu Áltumový: utlumová teplota ve yvtapěné mlestosti Komfortní: komfortné teplota ve yvtapěné mlestosti | - | Komfortní | - | - |
| 710 | 1010 | 1310 | Komfortné teplota | °C | 20 | Redukovaná | Max. komfort |
| 712 | 1012 | 1312 | Áltumová teplota | °C | 16 | Protizámrazová ochrana | Komfort |
| 714 | 1014 | 1314 | Protizámrazová teplota | °C | 6 | 4 | Áltumová |
| 720 | 1020 | 1320 | Stromost topné křívy | - | 1,5 | 0,1 | 4 |
| 730 | 1030 | 1330 | Vnější sonda a automatický provoz provádí automatickou kontrlu yvtapěné (ON-OFF) podle nastavené (vnější) teploty | °C | --- | 8 | 30 |
| 740 | 1040 | 1340 | Min. Žádaná teplota náběhu (např. s aktivní fungcí modulovaného náběhu) | °C | 25 | 8 | Max. hodnota |
| 741 | 1041 | 1341 | Max. Žádaná teplota náběhu (např. s aktivní fungcí modulovaného náběhu) | °C | 80 | Min. hodnota | 95 |
| 742 | 1042 | 1342 | Teplota náběhu, instalovaná prostorová Jednotka (---=aktivování modulovaného náběhu) | °C | 80 | Min. hodnota | Max. hodnota |
| 750 | 1050 | 1350 | Dülžitost prostorového teploty vzhledm k vnější teplotea a naopak (funkce vliv prostoru): --- %: Čista klimatická 1..99 %: klimaticka s kompenzací prostoru 100 %: Čistá prostorová | % | 50 | 1 | 100 |
| 760 | 1060 | 1360 | Diferencial vypnutí kotle podle požadované prostorové teploty | °C | 0,5 | 0,5 | 4 |
| 809 | 1109 | 1409 | Čerpadlo kotle a oběhové Čerpadlo jsou aktivní 24h | - | ne | - | - |
| 834 | 1134 | 1434 | Doba chodu pohonu kvúli nízké teplote | s | 180 | 30 | 873 |
| 850 | 1150 | 1450 | Doporucije použití manuální fungce | - | off | ||
| 851 | 1151 | 1451 | Teplota náběhu, pri které proběhne vysuěné podlahу | °C | 25 | 0 | 95 |
| 855 | 1155 | 1455 | Aktuální Žáden teplota vysouěné | °C | - | - | - |
| 856 | 1156 | 1456 | Den aktivoványí fungce vysouěné | - | - | - | - |
TO = Topny okruh
9.2 SYSTEM TUV
| Ovladaci panel | MENU OKRUHU TUV | Tovární hodnota Min. Max. | |||
| 1600 | Provožné režimVyp = hodnota stejna jako pro protlizámrazovou funkciZap = jmenovitá hodnotaEko = neaktivné předohřev | - | Zap -- | ||
| 1610 Jmenovitá teplota TUV °C 60 35 60 | |||||
| 1612 | Útlimová teplota TUV | °C | 35 | 8 | 60 |
| 1620 | Aktivace Časového programoványí | - | 24h / davoné | - | - |
| 1640 | Legionelné funkce:VypPeriodickyPevný den v týdnu | - | Vyp | - | - |
| 1641 | Periodicita legionelné funkce (1...7) | - | 7 | - | - |
| 1642 | Den legionelné funkce (pondělí...neděle) | - | Pondělí | - | - |
| 1644 | Čas startu legionelné funkce | - | --;--- | - | - |
| 1660 | Zpúsob použítí cirkulačného Čerpadla TUV | - | Uvolnéni TV | - | - |
| 1663 | Teplota, pri které se cirkulačné Čerpadlo TUV | °C | 45 | 8 | 60 |
9.3 DALsI PARAMETRY
| Ovladaci panel | MENU KONFIGURACE | Tovární hodnota |
| 5710 | Aktivováni topného okruhu 1 | Zap |
| 5721 | Aktivováni topného okruhu 3 | Vyp |
| 5730 | Nastaveni sonyd TUV podle typu kotte (prútokový nebo se zásobnikem) | |
| 5731 | Ovladaci prvek prědnosti TUV | Přepoustěci venitl |
| 5970 | Čidlo prědnosti TUV (prútokové modely) | - |
| 5971 | Umístěné kontaktu v klidu | - |
| 5973 | Parametry pro určeni prútoku vody při odběru TUV | - |
| 5974 | - | |
| 5975 | - | |
| 5976 | - | |
| 5977 | Vystup pro prostorový termostat jegnoho z topných okruhů | Prostorový termostat zóna 1 |
| 5978 | - | |
| 6020 | Multifunkčné: je možné manuálné konfigurovat vystupy a vystupy | - |
| 6021 | Topné okruhu 1, 2 nebo 3: Šridí smíšenou zónu (1,2 nebo 3 -kapitola 5) | - |
| 6022 | Regulátor zpátečky: nepoužívá se | - |
| SOLár TV: Šridí solární systém se 2 sondami a Čerpadlem (kapitola 7) | - | |
| Prědregulace/podávací Čerp: nepoužívá se | - | |
| 6024 | Vystup pro bezpečnostné termostat okruhu s nizkou teplotou (modul 1) | - |
| 6026 | Vystup pro bezpečnostné termostat okruhu s nizkou teplotou (modulo 2) | - |
| 6028 | Vystup pro bezpečnostné termostat okruhu s nizkou teplotou (modulo 3) | - |
| 6030...6038 | Viz kapitola 9 | - |
| 6040...6045 | Viz kapitola 9 | - |
| 6046...6068 | Viz kapitola 9 | - |
| 6097 | Typ Čidla kolektoru | Pt 1000 |
| 6200 | Uloženi stavu Čidel (kapitola 4) | - |
| 6212 | Informace výrobce | - |
| 6213 | Informace výrobce | - |
| 6215 | Informace výrobce | - |
| 6217 | Informace výrobce | - |
| 6230 | Informace výrobce | - |
| 6231 | Informace výrobce | - |
| 6704 | Aktivace zobrazení interní chyby | Ano |
| 6705 | Interní chyba aktuálné poruchy | - |
| 6706 | Fáze hořák, kdy došlo k poruše | - |
| 6710 | Reset relé alarmu (kapitola 9) | Ne |
| 6800 | Posledné porucha | - |
| 6805 | Vinitné chyba posledné chyby | - |
| 6806 | Fáze hořák, při niž došlo k posledné poruše | - |
| od 6810 do 6996 | Historie poruch | - |
10.OSTATNI FUNKCE
Kromé uvedenych nastavení je moźne nakonfigurovat vystupy a vystupy podle požadavku systému.V následujćích schématech jsou relé QX21 a sonda BX21 príslušenství, ale to stejné platí i pro relé QX22, QX23 a sonda BX22. Ve všech prípadech je třeba nastavit príslušenství jako "Multifunkčni".
| MENU | PROGRAMOVACI RÁDEK | PARAMETR | HODNOTA PRO NASTAVENI | POPIS |
| KONFIGURACE | 6020 Funkce rozsiirujíci modul 1 Multifunkčné Aktivoványí fungke soláru |
10.1 RECIRKULAÇNİ CERPADLO TUV
Pokud je použit solární zásobník, je možné kontrolovat cirkulacné Čerpadlo. Aktivováni funkce je vázáno na chasóve programováni TÜV. Aby nedocházelo ke ztrátám pri cirkulaci, funkce aktivujé Čerpadlo na 10 minut, následuje pauza 20 minut. Pomoci ovladaciho panelu vstupte do menu 2, viz popis v kapitole 4:
| MENU | PROGRAMOVACI RÁDEK | HODNOTA | POPIS |
| KONFIGURACE | 6030 | Cirkulační Čerpadlo Q4 | Aktivováni cirkulačního Čerpadla TUV (výstup relè QX21) |
| 6040 | Čidlo cirkulace TV B39 | Aktivováni sonyd cirkulace TUV (sonda BX21) | |
| TEPLÁ VODA | 1663 | z výroby = 45°C | Teplota TUV, pod kterou je Čerpadlo aktivní (hodnota cirkulace) |
10.2 SOLÁRNÍ SYSTÉM PRO BAZÉN
Ohřev bazěnu pomoci solárnich kolektorů mûze byt realizován nasledujícim zpúsobem.
| 1 | Sonda solarniho zásobníku B31 (BX22-M) | 5 | Čerpadlo bazénu (QX21-N) |
| 2 | Sonda solarniho kolektoru B6 (BX21-M) | 6 | Sonda zpátečky vytapiěné bazénu - svorkovnice kotle M2 |
| 3 | Čerpadlo solarniho okruhu Q5 (QX23-N) | 7 | Bazén |
| 4 | Sonda zásobníku B3 - svorkovnice kotle M2 (9-10) | ||


Pouzijte specialni sondy urcene pro tuto applkaci (dodavanje jako prisluesentvi na objednavku).
Provedte nakonfigurovani viz popis v kapitole 8. Tak je system nakonfigurov an pro vyuziti solarnich panelu pro TUV. Pomoci Dalkovo ovladani vstupte do menu 2, viz popis v kapitole 4:
| MENU | PROGRAMOVACI RÁDEK | HODNOTA | POPIS |
| KONFIGURACE | 5931 | Čidlo bazénu B13 | Aktivoványf sonyd bazénu (vystup sonyd BX2) |
| 6030 | Solár. akč. chlen bazénu K18 | Aktivoványi Čerpadla pro vytapěné bazénu (vystup relè QX21) | |
| TEPLÁ VODA | 6046 | Uvolnéni bazénu pro solár | Aktivoványi vytapěné bazénu (např. nadřazená neźavislá regulace) |
Pouziti kontaktu H2 je dulezite, nebot zarucje spravny provoz systemu, umozhuje tepelnou vymenu s bazem pouze tehdy,Pokud je to mozné. Zkontrolujte tedy, zda je v bazenu voda a zda bazen funguje.
Vseobecny pozadavek tepla je pozadavek, ktery nepochazid od Jednoho ze tif topnych okruhu a/nebo z okruhu TUV. Tento pozadavek je nazván pozadavek spotreby a slouží pro dodávu tepla externim jednotkám, např. ohrev vody v bazenu. Pro aktivaci teto funkce je nutné provest následujici nakfigurovani.Pomoci Dákového ovládani vstupte do menu 2, viz popis v kapitole 4:
| MENU | PROGRAMOVACÍ RÁDEK | HODNOTA POPIS | |
| KONFIGURACE | 6030 | Čerpadlo spotřeby VK1 Q15 | Aktivoványí Čerpadla na základě externiho požadavku 1 (vystup relié QX21) |
| 6046 Požadek | avek spotřeby VK1 Kontakt pro | pro externí požadavek 1 | |
| OKRUH SPOTřEBY 1 | 1859 Tovární | nastavení = 70°C Teplota ráměhu vytapěné pro externí požadavek 1 |
Pokud by byl požadavek tepla dodán pomoci analogového signálu 0-10 V, musi byt nastaven parametr 6046 jako "Požad spotřeby VK1 10V". Dále je třeba nastavit udaje o signálu použítím paramétr:
| 6049 | Hodnot teploty 1 H2 modul 1 | 6050 | Púsobkontaktu 1 H2 modul1 | 6051 | Hodnot teploty 2 H2 modul 1 | 6052 | Púsobkontaktu 2 H2 modul1 |
10.4 DAL'SI KONFIGURACE
Následuje pröhled dalísh konfiguráci:
Relé QX21
| Alarmový vystup K10 Alarm (napr. bytový düm) | |
| Podávací Čerpadlo Q14 | Aktivné Čerpadlo pří každém požadavku vytapěné nebo externím požadavku |
| Časový program 5 K13 Kontakt | řízený "casovych programem aux" |
| Požadavek na chlad K28 Požadavek chlazení okruhem chlazení 1 | |
| Dopoustěné vody K34 Automatičy napoustěć ventil kottle | |
| Odstavení ventilátoru K38 | Kontrola externího ventilátoru |
Sonda BX21
| Čidlo zásobníku B4 | Sonda zásobníku pro vytátěné (horní) |
| Čidlo zásobníku B41 | Sonda zásobníku pro vytátěné (spodní) |
| Čidlo zásobníku B42 | Třétí sonda zásobníku na vytátěné (v polovině zásobníku) |
Ingresso H2
| Chybové/alarmové hlášeni | Signál externího alarmu |
| Kotlový prút. spinač | Ovladání prútokoměru kotle (pouze pokud není v kotli) |
| Termostat kotle | Ovladání termostatu kotle (pouze pokud není v kotli) |
| Požad spotřeby VK1 10V | Externí požadave 1 se signálem 0-10V (*) |
| Měření tlaku 10V | Měření napětí se signálem 0-10V(*) |
| Výkonový pedstih 10V | Regulace vykouno kotle podle signálu 0-10V (*) |
- Aby bylo możné funkce používat, je nezbytné nastavit charakteristiku analogového signálu pomoci následujćich paramétrù v menu Konfigurace Ovládacího panelu:
| 6049 | Hodnot teploty 1 H2 modul 1 | 6050 | Púsobkontaktu 1 H2 modul1 | 6051 | Hodnot teploty 2 H2 modul 1 | 6052 | Púsobkontaktu 2 H2 modul1 |

Uvedene konfigurace jsou platne i pro dalsi rele/sondy/vstupy desky, jako napr. rele QX1 (radek 5890) nebo sondy BX2 (radek 5931) a BX3 (radek 5932).
11. SEZNAM PORUCH
| E | Porucha Popis poruchy | |
| 10 Čidlo vnější sonyd | Topný okruh je aktivován bez ovládání (termostat, prostorová Jednotka nebo vnější Jednotka) nebo poskozená vnější sonda | |
| 84 | Systém BSB, konflikt adresy | 2 neb více prostorovych Jednotek nakonfigurovaných na stejný topný okruh |
| 98 Prřdavný modul 1 Příslušenstvī | AVS 75 nenalezeno nebo nerozpoznáno | |
| 99 Prřdavný modul 2 Příslušenstvī | AVS 75 nenalezeno nebo nerozpoznáno | |
| 373 Prřdavný modul 3 Příslušenstvī | AVS 75 nenalezeno nebo nerozpoznáno | |
| 30 Čidlo náměhu 1 Sonda směšovaného okruhu 1 nenalezena | ||
| 32 Čidlo náměhu 2 Sonda směšovaného okruhu 2 nenalezena | ||
| 260 Čidlo náměhu 3 Sonda směšovaného okruhu 3 nenalezena | ||
| 335 BX21 Žádná funkce Sonda BX21 není nakonfigurovaná | ||
| 336 BX22 Žádná funkce Sonda BX22 není nakonfigurovaná | ||
| 324 BX stejné Čidla 2 nebo více soudnakonfigurovaných na stejnou funkci | ||
| 52 Čidlo ACS 2 Sonda TUV solárú | nenalezena | |
| 73 Čidlo kolektoru 1 Sonda solárnho kolektoru nenalezena | ||
| 57 Čidlo cirkulace ACS Sonda okruhu TUV nenalezena | ||
| 243 Čidlo bazěnu | Sonda bazěnu nenalezena | |
| 25 Čidlo kotle na biomasu | Sonda kotle na biomasu nenalezena | |
| 346 Čerpadlo kotle Q10 nenalezeno | Čerpadlo kotle na biomasu nenalezeno |
12. TECHNICKÉ UDAJE
| Napajeni | Provozní napěti | AC 230 V (±10 %) | |||||
| Frekvence | 50/60 Hz | ||||||
| Maximálni príkon | 4 VA | ||||||
| Bezpečnost vedení (Napajeni a vystupy) | max. 10 AT | ||||||
| Kabeláž | Kabel nebo lica (zkroucena nebo opatřená dutinkou) | - | |||||
| 1 vodič | 0,5...2,5 mm² | ||||||
| 2 vodiče | 0,5...1,5 mm² | ||||||
| Funkčné udaje | Trída softaru | A | |||||
| Druh provozu podle EN 60 730 | 1b (automatická operace) | ||||||
| Vstupy | Digitálné vystup H2 | - | |||||
| Bezpečnostné malé napěti pro bezpotenciálové kontakty | - | ||||||
| Kontakt pro malé napěti | - | ||||||
| Napěti pri rozepnutém kontaktu | DC 12 V | ||||||
| Napěti pri sepnutém kontaktu | DC 3 mA | ||||||
| Analogový vystup H2 | - | ||||||
| Bezpečné malé napěti | - | ||||||
| Rozsaḥ | DC 0..10 V | ||||||
| Vinitřné odpor | >100 kΩ | ||||||
| Vstrup L | AC 230 V (±10%) | ||||||
| vinitřné odpor | >100 kΩ | ||||||
| Vstrup Židel BX21, BX22 | NTC 10k | ||||||
| povolené kabely prípojení (měd') | - | ||||||
| prúměr | mm² | 0,25 | 0,5 | 0,75 | 1,0 | 1,5 | |
| maximálné délka | m | 20 | 40 | 60 | 80 | 120 | |
| Vystupy Reléové | vystupy | - | |||||
| proumový rozsah | AC 0,02...2 (2) A | ||||||
| maximálné spínací proud | 15 A na ≤1 s | ||||||
| maximálné celkový proud (pro všechny relé) | AC 6 A | ||||||
| napětový rozsah | AC 24...230 V (pro bezpotenciálové vystupy) | ||||||
| Rozhranní | BSB | 2 vodičové zapojeni, nelze vyměnit polarizaci | |||||
| délka kabelù základné prístroj – periferní prístroj | max. 150 m | ||||||
| celková délka | max. 300 m (maximálné kapacita kabelu 60nF) | ||||||
| prúměr kabelu | 0,5 mm² | ||||||
| Maximálné počet kotlů v kaskáde | 16 | ||||||
OBSAH
POPIS SYMBOLOV 121
- Uvod 122
- POPIS PRISLUSENSTVA 122
2.1 POZIADAVKY PRE INSTALACIU NA STENU 122
2.2 INSTALACIA NA STENU 122 - ELEKTRICKÉ ZAPOJENIA 122
3.1 ELEKTRICKÉ ZAPOJENIE KU KOTLU 122
3.2 ELEKTRICKÉ ZAPOJENIE EXTERNYCH PRISLUSENSTIEV 123 - PRISTUP DO PARAMETROV 125
- ZMIESANY VYKUROVACI SYSTÉM 125
5.1 SCHEMA 1 126
5.2 SCHEMA2 127
5.3 SCHEMA 3 128 - ZONOVY SYSTEM VYKUROVANIA 129
6.1 SCHEMA4 129
6.2 SCHEMA 5 130 - ELEKTRICKÉ ZAPOJENIE PRIESTOROVÉHO TERMOSTATU 131
7.1 PRIPAD - 1 - Zapojenie priestorového termostatu do zony s vysokou teplotou. 131
7.2 PRiPAD - 2 - Zapojenie priestorovych termostatov do systému s viacerymi zonami s vysokou teplotou. 131
7.3 PRiPAD - 3 - Zapojenie priestorovych termostatov do systému s viacerymi zonami nizkou teplotou. 131
7.4 PRIPAD - 4 - Zapojenie priestorovych termostatov do systému s viacerymi zónami s nizkou teplotou s mikrospinačmi v zónovych ventiloch. 132 - SOLÁRNY SYSTÉM TÜV 132
- NASTAVENIE PARAMETROV 133
9.1 SYSTÉM VYKUROVANIA 133
9.2 SYSTÉM TÜV 134 - DALSIE FUNKCIE 135
10.2 SOLARNY SYSTÉM PRE OHREV BAZÉNA 135
10.3 VSEOBECNA POZIADAVKA TEPLA 136
10.4 DALSIE KONFIGURACIE 136 - ZOZNAM PORUCH 137
- TECHNICKE UDAJE 137
Elektrické Časti pod prudom, nebezpečenstvo elektrického šoku.

DÖLEZITÉ INFORMÁCIE
Kym začnete sinstaláciou:
V toto pripade ma priestorová Jednotka funkciu riadenia systému nízkou teplotou, ale nemože byt použitá pre riadenie teploty v jejnej z miestností. Otočením ovládača B sa na displeji zobrazǐ teplota na vystupe z kotla. Vykurovací okruh funguje so stabilný vystupom.
5.3 SCHEMA 3
Zony s nizkou - vykurovaci okruh (1) a s vysokou teplotou - vykurovaci okruh (2) s priestorovym termostatom.
| 1 Vónkajšia sonda - svorkovnica kotla M2 (4-5) |
| 2 Zhriešavaci ventil zony s nízkou teplotou (QX21-N-QX22) |
| 3 Čerpadlo okruhu s nízkou teplotou (QX23-N) |
| 4 Sonda okruhu s nízkou teplotou (BX21-M) |
| 5 Bezpečnostné termostat okruhu s nízkou teplotou (FX23-L) |
| 6 Vstup priestorového termostatu zony s nízkou teplotou (H2-M) |
| 7 Elektroventil alebo Čerpadlo s vysokou teplotou, externé napájanie |
| 8 Priestorový termostat zony s vysokou teplotou (zapojenie vid kapitola 7.1) |

Tri zony s priestorovou Jednotkou - vykurovací okruh (1, 2 a 3)
| 1 | vonkajšia sonda - svorkovnica kotla M2 (4-5) | 5 | priestorová Jednotka okruhu 2 - svorkovnica kotla M2 (1-2-3) |
| 2 | elektroventil zony okruhu 1 (QX21-N)* | 6 | elektroventil zony okruhu 3 (QX23-N)* |
| 3 | priestorová Jednotka okruhu 1 - svorkovnica kotla M2 (1-2-3) | 7 | priestorová Jednotka okruhu 3 - svorkovnica kotla M2 (1-2-3) |
| 4 | elektroventil zony okruhu 2 (QX22-N)* |

- Príslušenstvo AVS 75 nie je schopné riadit priamo elektroventi s 3 vodičmi. Potom je teda potrebné použit relé.

Priestorové Jednotky 3-5 a 7 su zapojene paralelle.
| MENU | PROGRAMOVACI RIADOK | PARAMETER | HODNOTA PRE NASTAVENIE | POPIS |
| KONFIGURÁCIA | 5715 | Vykurovací okruh 2 | ZAP | Aktivovanie vykurovacieho okruhu 2 |
| 5721 Vykurovaci okruh 3 ZAP Aktivovanie vykurovacieho okruhu 3 | ||||
| 5977 Funkcia vstupu H5 Žiadne | Deaktivovanie termostatu na svorkovnici M1 (1-2) na doske | |||
| 6020 | Funkcia Rozširujúci modul 1 | Multifunkčný | - | |
| 6030 | Relé QX21 Rozšir. modul 1 | Čerpadlo vyk. okruhu 1 Q2 | Kontrola Čerpadla/elektroventilu okruhu 1 | |
| 6031 | Relé QX22 Rozšir. modul 1 | Čerpadlo VO2 Q6 | Kontrola Čerpadla/elektroventilu okruhu 2 | |
| 6032 | Relé QX23 Rozšir. modul 1 | Čerpadlo VO3 Q20 | Kontrola Čerpadla/elektroventilu okruhu 3 | |
| VYKUROVACI OKRUH 1 | 742 | Hodnota na vystupe s priestorovým termostatom | --- | Aktivovanie modulovanej teploitů nábehu (vykurovací okruh 1) |
| VYKUROVACI OKRUH 2 | 1042 | Hodnota na vystupe s priestorovým termostatom | --- | Aktivovanie modulovanej teploitů nábehu ( (vykurovací okruh 2) |
| VYKUROVACI OKRUH 3 | 1342 | Hodnota na vystupe s priestorovým termostatom | --- | Aktivovanie modulovanej teploitů nábehu ( (vykurovací okruh 3) |
Prevadzková teploja je rovnaká pre vsetky okruhy.

Rele mozu byt'nahradene ventilmis mikrospinačmi a naopak.
7.1 PRIPAD - 1 - Zapojenie priestorového termostatu do zony s vysokou teplotou.
Zapojte priestorovy termostat do vonkajsej elektrickej siete (230V), ktory bude napajat zonovy ventil (alebo cerpadlo) a cievku rele, za-pojte kontakt rele na svorkovnicu kotla M1 (1-2).

7.2 PRIPAD - 2 - Zapojenie priestorovych termostatov do systému s viacerymi zonami s vysokou teplotou.
Zapojte priestorové termostaty paralelne do vonkajsej elektrickej siete (230V), ktoré budu napájat zónový ventil (alebo Čerpadlo) a cievky relé, zapojte kontakty relé paralelne na svorkovnicu kotla M1 (1-2).

7.3 PRIPAD - 3 - Zapojenie priestorovych termostatov do systému s viacerymi zonami s nizkou teplotou.
Zapojte priestorové termostaty paralelne do vonkajsej elektrickej siete (230V), ktoré budu napajt zónovy ventil (alebo cerpodlo) a cievku rele, zapojte kontakt rele na svorky H2-M na AVS75.

7.4 PRIPAD - 4 - Zapojenie priestorovych termostatov do systému s viacerymi zonami s nizkou teplotou s mikrospinačmi v zónovych ventiloch.
| 1 | sonda solárneho zásobníka B31 (BX22-M) | 3 | čerpadlo solárneho okruhu Q5 (QX23-N) |
| 2 | sonda solárneho kolektora B6 (BX21-M) | 4 | sonda zásobníka B3 - svorkovnica kotla M2 (9-10) |


Pouzite specialne sondy urcenepre tuto aplikaciu (dodavané akoprilusenstvo na objednavku).
| 1 | Sonda solarneho zásobníka B31 (BX22-M) | 5 | Čerpadlo bazéna (QX21-N) |
| 2 | Sonda solarneho kolektora B6 (BX21-M) | 6 | Sonda spiatočky vyhrievania bazéna - svorkovnica kotla M2 |
| 3 | Čerpadlo solarneho okruhu Q5 (QX23-N) | 7 | Bazén |
| 4 | Sonda zásobníka B3 - svorkovnica kotla M2 (9-10) | ||


Pouzite specialne sondy urcenepre tuto aplikaciu (dodavané akoprilusenstvo na objednavku).
| Snímač áku zásobníka B4 Sonda | zásobníka pre vykurovanie (horná) |
| Snímač áku zásobníka B41 | Sonda zásobníka pre vykurovanie (spodné) |
| Snímač áku-zásobníka B42 | Trelia sonda zásobníka pre vykurovanie (uprostred zásobníka) |
Vstup H2
| Chybové /alarmové hlásenie | Signál vonkajšieho alarmu |
| Prietokový spínač kotla | Riadenie prietokového spínača (len pokial' nie je priamo v kotle) |
| Kotlový termostat | Riadenie termostatu kotla (len pokial' nie je priamo v kotle) |
| Požiad. spotrebica VK1 10V | Vonkajšia požiadavka 1 so signálom 0-10V (*) |
| Meranie tlaku 10V | Meranie tlaku so signálom 0-10V(*) |
| Predvolený vystup 10V Regulác | a vykonu kotla so signálom 0-10V (*) |
- Aby bolno me ne tieto fungcie pouzival, je nutne nastavit udaje o analogovom signali pomocou parametrov v menu Konfiguracia Ovladaceho panelu:
| 6049 | Hodn. napătia 1 H2 modul 1 | 6050 | Funkčná hodn. 1 H2 modul 1 | 6051 | Hodn. napătia 2 H2 modul 1 | 6052 | Funkčná hodn. 2 H2 modul 1 |

Uvedene konfiguracia su platne tiez pre dalsie rels/sondy/vstupy dosky, aknapr. rele QX1 (riadok 5890) alebo sondy BX2 (riadok 5931) a BX3 (riadok 5932).
SnadnýManuál