HAVPRCD21 - Reproductor/grabador de cd KONIG - Manual de uso y guía de instrucciones gratis
Encuentra gratis el manual del aparato HAVPRCD21 KONIG en formato PDF.
Preguntas de los usuarios sobre HAVPRCD21 KONIG
0 pregunta sobre este aparato. Responde a las que conoces o haz la tuya.
Hacer una nueva pregunta sobre este aparato
Descarga las instrucciones para tu Reproductor/grabador de cd en formato PDF gratis! Encuentra tus instrucciones HAVPRCD21 - KONIG y toma tu dispositivo electrónico nuevamente en la mano. En esta página están publicados todos los documentos necesarios para el uso de su dispositivo. HAVPRCD21 de la marca KONIG.
MANUAL DE USUARIO HAVPRCD21 KONIG
Radio/Reprodctor de CD
HASZNÁLATI UTMUTATO (o. 37.)
Rádio/CD lejátszó
KÄYTTOOHJE (s. 42)
Radio/CD-soitin
| 1. CONECTOR JACK ESTÉREO PARA AURICULARES | Conector Jack estéreo de 3.5 mm para auriculares |
| 2. PROGRAMA Programar y revisar los求数eros de pistas programadas | númos de pistas programadas |
| 3. BOTON REPETIR/ALEATORIO Repetir pista/CD/MP3/USB/SD/MMC/programa | pistas CD/MP3 enorden aleatorio |
| BOTON ORDEN ALEATORIO Reproducir | reproducción de CD/MP3/USB/SD/MMC;;borrar programa en un CD |
| 4. BOTON STOP (DETENER)/SD Detener | |
| Presionar ymantener presionado por más de | 1.5segundos para cambiar medios USB1.1/MMC (SD) |
| 5. PUERTA DEL CD | |
| 6. BOTON PARA ABRIR PUERTA DEL CD | Presionar este botón para abrir/cerrar la puerta del CD |
| 7. BOTON REPRODUICIR/PAUSA/USB | · Iniciar oponer pausa a la reproducción de MP3/CD/USB/SD/MMC· Presionar ymantener presionado por más de 1.5segundos para cambiar medios CD/USB |
| 8. BUSCAR ANTERIOR Seleectionar pistas anteriores | Presionar ymantener presionado por más de 1.5segundos para buscar la pista anterior |
| 9. ANTENA FM | Sirve para mejorar la recepción en FM |
| 10. BUSCAR SIGUIENTE Seleectionar pista siguiente | Presionar ymantener presionado por más de 1.5segundos para buscar la pista siguiente |
| 11. SELECTIONAR FUNCION | Seleectionar fuente de sonido, ya sea MP3/CD o RADIO, también el interruptor para apagarlo |
| 12. VOLUMEN | Ajustar el nivel del volumen |
| 13. ALTAVOZ IZQUIERDO Y DERECHO | |
| 14. CONECTOR JACK COMPATIBLE CON TARJETAS MMC/SD | Sirve paraREENIR Música en un MP3 con archivos en una tarjeta MMC/SD |
| 15. PANTALLA LCD • Muestra la Frequencia del dial AM/FM • Muestra el número de pistas | |
| 16. SENSOR A DISTANCIA | |
| 17. RANURA USB COMPATIBLE Sirve paraREENIR Música en un MP3 con archivos en un dispositivo USB | |
| 18. SINTONIZADOR Sirve para selecciónar las emisoras AM/FM/FM Estéreo | |
| 19. SELECTOR DE BANDA (AM·FM·FM Estéreo) | Sirve paraREENIR la banda AM/FM/FM Estéreo |
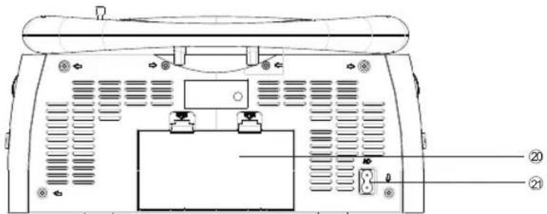
| 20. TAPA DE LA BATERÍA Sirve para abri el compartmento de las baterías | |
| 21. FUENTE DE CA Entrada para cable de alimentación |
MANDO A DISTANCIA
Las functions de los botones del mando a distancia son las mismas que para CD/MP3/USB/SD.
Selecciona las pistas del MP3/CD presionando el boton (+10) / (-10) .
- El botón de control del volumen del mando a distancia no cumple ninguna función si está en el modo RADIO.
Avanzar o rebobinar una canción
- Presione y mantenga presionado el boton Siguiente/Avanzar 一 _ 一 ^ 一 o Anterior/Rebobinar 一 Durante la func i on avanzar o rebobinar, la salute quedar a en silencio hasta que termine la func i on.
- Cuando reconozca la canción que desea reproducir,cede de presionar el botón " " o " - se reanuda la reproduccion normal.
Seleccionar una carpeta
- Presione y mantenga presionado el botón +10/FOL+ o el botón -10/FOL por 3 horas. Aparecerá el número de la carpeta con la secuencia "F01->F02....". Simplemente deje de presionar el botón cuando aparezca en pantalla su carpeta favorita.
- En la pantalla aparece el número de la carpeta y de la canción en forma alternada durante 5segundos.
FUENTE DE ALIMENTACION
Uso de la fuente de corriente alterna
- Verifique si la tension de alimentacion, como se muestra en la placan en la parte inferior del aparato, coincide con el suministro de alimentacion CA local. Si no es asi, consulte con su distribuidor o centro de service autorizzato
- Conecte el cable de alimentacion a la toma de corriente CA y el enchufe en la pared. La fuente de alimentacion quedará conectada y lista para su uso.
-
Para apagar el aparato completeness, desconnecte el cable de alimentacion de la toma de corriere en la pared.
-
Desconecte el cable de alimentacion de la toma de corriente para proteger el aparato durante tormentas fuertes.
Baterías (no=vienen incluidas)
Abra el compartmento de la bateria e introduzca ocho baterias del tipo R-14, UM-2 o C-cells, (alcalinas de preferencia) en forma correcta de acuerdo a la polaridad indicada con los@simblos "+" y "—" bajo el compartmento.
Las baterias contienen sustancias quimicas, por lo que deben ser eliminadas adeuadamente.
El uso Incorrecto de las baterías suece occasionar un derrame electrolítico y la corrosión del compartmento o provocar que las baterías revienten. Por lo tanto:
No mezcle los temas de baterias: por exemple, alcalinas con de carbón zinc. Utilice solamente baterías del mesmo tipo en el aparato.
- Cuando introduzca baterias新品as, no las mezcle con baterias usadas.
- Retire las baterías si no va a utiliser el aparato durante是多么 tiempo.
como instalar las baterias en el mando a distancia
- Abra la tapa del compartmento de las baterias y retirela.
- Introduzca dos baterias bajo triple A (AAA - no viene incluidas) en forma correcta de modo que la polaridad +y- calce con el esquema de la polaridad en el interior del compartmento de las baterias.
Nota:
- Si usa baterías generales, pueda considerar que el aparato funciona正常mente durante medio ano.
- Cuando las baterías estén agotadas, no deben utilizar más el mando a distancia para operar el sistema. Reemplace las dos baterías por dos baterías新动能as.
- Si no va a utiliser el mando a distancia por是多么 tiempo, retire las baterías para evaporar daños causados por fugas o corrosión de las baterías.
- Evitemantener el mando a distancia en lugares extremamente calurosos o humedes.
- No debe haber ningún obstáculo entre el mando a distancia y el sensor a distancia, los cuales deben mantenerse bajo de un rango de 30 grados.
- La distancia a la que opera el mando a distancia es de alrededor de 0.2 a 6 metros del sensor.
como prevenir saltos en el sonido (sistema Anti-Skip)
Elistema ESP (proteccion electrònica a prueba de golpes) aplica una memoria de semiconductor para evaporarabortar durante la reproduccion cuando el aparato es sometime a una fuerza externa.
Ello significa que la funciona ESP ya seswanae activada.
La funciona ESP en CD/MP3 se active automatistically cuando el reproductor se utilize para reproducir un CD/MP3.
- El tiempo de la función ESP en un CD es de alrededor de 2segundos.
- El tiempo de la función ESP en un MP3 es de alrededor de 5segundos.
Nota:
Al utilize las functions ANTISHOCK (anti-choque), augmenta elconsume de las baterias porque el disco gira más rápido de lo normal y la memoria dinámica se incluye activada.
La funciona ANTISHOCK sirve para asegurar la calidad de sonido cuando la unidad es sometida a un golpe o vibracion, pero no corrige errores derivados del uso de discos defectuosos, rayados o sucios.
FUNCIONES BASICAS
Cómo encender y apagar launidad: ahora energia ya sea usingo el cable o las baterias, y para evitar elconsume innecasarido de energia, siempre posicione el selector de fuentes en OFF (apagado).
Funciones generales
- Para seleccionar la fuente de audio, posicione el selector en MP3/CD/OFF/RADIO.
- Ajuste el nivel de volumen con el botón VOLUMEN.
- Para apagar launidad, posicione el selector de fuentes en OFF.
RADIO
Recepción de radio
- Posicionel selector de FUNCION en la option RADIO.
- Posicion el selector de BANDA en la posicion deseada -FM ESTEREO, FM, AM.
- Gire el SINTONIZADOR hasta encontrar la emisora deseada.
NOTA: Si el selector de BANDA se encuesta posicionado en una emisora FM estereo, se enciende el indicator LED de FM estereo.
-
Cuando haya terminado de escuchar, posicione el selector de FUNCION en另一边 posicion para apagar la unidad.
-
Para FM, saque la antenna telescópica. Incline y gire la antenna. Reduzca su longitud si la SCNal es demasiado fuerte (está muy cerca del transmisor).
- Para AM,iene incorpora una antenna en el aparato, por lo que no esnecessaryajustar la antenna telescopica.
Salida para auriculares
Conecte un auricular de 3.5mm en la entrada para auriculares en el panel frontal de launidad para uso privado. Los altavoces se desconectarán automatistically cuando se utilize la calidad para auriculares.
CÓMOPROGRAMAR
(1) Presione el botón [PROGRAMA] en el modo STOP y el sistemas se cambiará al modo PROGRAMA.
- El icono PRG y P01 titilan a 2Hz. Esto indica al usuario que deben introducir las canciones que desea programar de la lista de canciones.
(2) El usuario可以选择ccionar las pistas que desee pulsando los botones [NEXT (siguiente)] [+10 Pista], [BACK (anterior)] [-10 Pista]. Una vez que haya presionado这些东西 botones, la pantalla做不到 lo pista seleccionada.
(3) Después de selecciónar la pista deseada, presione nuevomente el botón [PROGRAMA] y quedará almacenada en la memoria. Puede programar un máximo de 99 pistas repitiendo los pasos (2) a (3).
(4) Si presiona el botón [STOP] en el modo Programa, las pistas selecciónadas quedarán almacenadas en la memoria y volverá al modo STOP (modo de reproduccion continua)
(5) Si presiona el botón [PLAY (Reproducir)] en el modo Programa, se inicia el modo PLAY y comienza desde la pista P01.
como borrar un programa
Puede borrar el contenido de la memoria, presionando el botón STOP(Detener) 2 vezes.
REPRODUCTOR CD/MP3
Reproducor CD/MP3
Cómo usar el reproductor CD/MP3
Este reproductor de CD puis de producir discos de audio, MP3 CD-R/CD-RW. No intente reproduir CD-ROM, CDi, VCD, DVD o CD para ordinador.
- Ajuste el selector de fuentes a CD.
- Para abrir la puerta del CD, presione el botón CD OPEN (abrir CD).
- Introduzca un MP3/CD o un CD-R con la cara impresa hacer arriba y presione suavamente la puerta del CD para cerrar.
- Presione el botón del aparato para,iniciar la reproduccion.
- Para paugar la reproduccion, presione el boton Para reanudar, presione el boton nuevamente.
- Para detener la reproduccion de un CD, presione el boton STOP (detener).
Nota: la reproduccion del CD/MP3 también se detiene si:
- abre el compartmento del CD;
- selecciona RADIO como fuente de audio;
- el CD/MP3 ha llegado al final. Selecciona una pista diferente.
Durante la reproduccion, peut usingel boton para seleccionar una pista en particular.
- Si ha seleccionado un numero de pista estando en la posicion STOP(detener) o Pausa, presione el boton para reanudar la reproduccion.
- Presione el botón una vez rápidamente para saltar a lasuma pista, o presióno repetidamente hasta que aparezca en la pantalla el número de la pista deseada.
- Presione el botón « una vez rápidamente para volver al principio de la pista actual.
- Presione el botón « rapidamente más de una vez paravoltar a una pista anterior.
como encontrar un trozo dentro de una pista
- Presione y mantenga presionado el boton o
- EI CD se reproduce a alta velocidad.
- Cuando reconozca el trozo que desea,defer de oprimir el boton o
- Se reanuda la reproduccion normal.
Distinctos发展模式 de reproduccion: Repetir
Repetir - reproduce la pista actual en forma continua.
Repetir todo - reproduce el CD completo en forma continua.
Reproducir pistas en forma aleatoria - después de presionar el botón ALEATORIO, reproducir las pistas en forma aleatoria.
Reproducor compatible con USB y TARJETAS SD/MMC
Función de Audio
- REPRODUCIR/PAUSA/DETENER.
- SIGUIENTE/ADELANTAR, ANTERIOR/REBOBINAR, Saltar busicada.
- Buseseda de pistas+10 / -10 con saltos.
- Búsqueada de carpetas hacía adelante o hacía atras con saltos (si se activa en el modo REPRODUCIR un programa).
- Programación de pistas (99 pistas).
- MODO REPRODUCIR: normal repetir repetir todo repetir todo repetir 1 carpeta mezclar normal. (El modo REPRODUCIR Programa no Tiene la funciona repetir una carpeta)
- Maximo numero de carpetas: 500
- Maximo numero de ARCHivos: 999
- USB_UP (Selezione USB Compatible / MMC(SD) Compatible.)
Presione y mantenga presionado el botón [PLAY(REPRODUCIR)] por más de 1.5seguidos en el modo CD y el sistemascriar al modo USB compatible.
Luego, aparecerá en pantalla loCEEjiente: - - -".En ese momento, el Sistema podra leer un USB TOC. [USB_UP] (Presione y mantenga presionado el boton [PLAY] por mas de 1.5 segundos en el modo USB compatible y el Sistema cambiará al modo CD. Luego, aparecerá en pantalla loCEEjiente:"- - -". En ese momento, el Sistema leera el CD TOC. Presione y mantenga presionado el boton [STOP (Detener)] por mas de 1.5 segundos en el modo USB compatible).
- El usuario可以选择changar del modo USB compatible al modo MMC (SD) compatible presionando el botón [USB_UP] (en el teclado número).
- Luego, aparecerá en pantalla lo siguientes: “- - -". En ese momento, leerá el TOC del dispositivo.
- Si lee el dispositivo exitosamente,對於 el dispositivo correspondiente está lista para reproducir un archivo.
- Si no logra leer el dispositivo, aparecerá en pantalla un "NO" para indicar que no hay dispositivo.
*Note: si no se conecta un dispositivo o el reproductor no logra leer el dispositivo cuando el usuario cambia del modo USB compatible al modo MMC (SD) compatible presionando la tecla [USB_UP],其中之一, aparece un "NO" y el sistema cambia al modo STOP(detener).
MANTENIMIENTO Y SEGURIDAD
Precauciones y mantenimiento general
- Coloque el aparato sobre una superficie dura y plana de modo que el sistema no se incline.
- No exponga el aparato, las baterias o los CD a la humedad, lluvia, arena o calor en excesso generado por equipo calefactor o luz solar directa.
- No cubra el aparato. Esnecessary permitiruna ventilacion adecuada con un minimo de 6ulgadas entre los orificios y las superficies alrededor para evaporar que se generate mucho calor.
Las piezas mecancas del aparato tienen cojinetes autolubricantes que deben ser aceiteados o lubricados - Para limpiar el aparato, utilise un paño seco suave. No utilise productos de limpieza que contenga alcohol, amoníaco, benzeno o abrasivos, ya que pueda darjar la carcaja.
Uso del reproductor de CD y los CD
- Jamás tocar el lente del reproductor de CD.
- LosCambios repentinos en la temperatura ambiente可以使ar la formacion de condensacion y el lente de su reproductor de CD pueda nublarse. Entoces, no es possible hacerFunciarre reproductor de CD.No inteente limpar el lente.Deje el aparato en un lugar calido hasta que se evaporare la humedad.
Siempre cierre la puerta del CD para tener el compartmento del CD libre de polvo. Para limpiar el compartmento, utilise un paño suave seco. - Para limpiar un CD, limpie siguiendo una linea recta desde el centro hacia los bordesutilizing un paño suave libre de pelugas.No utilise products de limpieza, ya que pueda darar el disco.
- Jamáscribe sobre un CD o ni le pegue etiquetas.
ESPECIFICACIONES TECNICAS
GENERAL:
Energía requerida CA 230 V ~ 50 Hz
Baterías CD 12 V.-8 X LR14 (UM-2)
Consumo de energia 13 Watt
Dimensiones Aprox. 302 mm (Largo) X 178 mm (Ancho) X 138 mm (Alto)
Temperatura en la que funciona +5^ - +35^
SECCION DE RECEPCION
Bandas receptors AM/FM
Rango de sintonizacion AM: 520 1620kHz
FM: 87.5 ~ 108 MHz
SECCION DE AUDIO
Energía de salute Maximo 2 Watt X 2
Impedancia de los auriculas 4 32 Ohm
ESP (segundos) MP3: 5 segundos, CD: 2 segundos
Capacidad maxima USB compatible 4 GB
USB 1.1 o 2.0 compatibiliad total
Capacidad maxima tarjeta
MMC/SD compatible 4 GB
ACCESORIOS
Manual de Instrucciones 1
Mando a distancia 1
Medidas de segudad:

ATENCIón
RIESGO DE ELECTROCUCION NO ABRIR

Para reducir el peligro de descarga electrica, este producto SOLO lo deben averberia abrir un technician autorizzato cuando necesite reparacion. Desconnecte el producto de la toma de corriente y de los otheros equipos si ocurreira algo problema. No exponga el producto al agua ni a la humedad.
Mantenimiento:
Limpielo solo con un paño seco. No utilise disolventes de limpieza ni produits abrasivos.
Garantia:
No se ayejar ninguna garantia o responsabilitad derivada de qualquier cambio o modificaciones realizadas al producto o daños provocados por un uso incorrecto del producto.
General:
Las ilustraciones y las specifications podran sufrir cambio sin previo aviso.
Todas las marcas de logotipos y nombres de productos constituyen patentes o MARCAS registraradas a nombre de sus tituales correspondentes, reconocidos como tal.
Conserve estemanual y el embalaje en caso de futura necessities.
Atencion:

Este produit está Sealizzato con este significo. Esto significa que los produits electricos y electronicos usados no deben mezclarse con los desechos domesticos generales. Existe un sistema de recogida individual para este tipo de produits.

MAGYAR


Descripción: Radio/Reproductor de CD
ManualFácil