GH 460 - Hobel STIHL - Kostenlose Bedienungsanleitung
Finden Sie kostenlos die Bedienungsanleitung des Geräts GH 460 STIHL als PDF.
Laden Sie die Anleitung für Ihr Hobel kostenlos im PDF-Format! Finden Sie Ihr Handbuch GH 460 - STIHL und nehmen Sie Ihr elektronisches Gerät wieder in die Hand. Auf dieser Seite sind alle Dokumente veröffentlicht, die für die Verwendung Ihres Geräts notwendig sind. GH 460 von der Marke STIHL.
BEDIENUNGSANLEITUNG GH 460 STIHL
STIHL GH 460, GH 460 C
STIHL

GH460.0 GH460.0C
DE Gebrauchsanleitung
EN Instruction manual
FR Manuel d'utilisation
NL Gebruiksaanwijzing
IT Istruzioni per l'uso
ES Manual de instrucciones
PT Manual de'utilisation
NO Bruksanvisning
SV Bruksanvisning
Fl Kayttoopas
DA Betjeningsvejledning
PL Instruktija obstugi
SK Návod na obsluhu
C
INT1
































GH 460

GH460

GH460C

GH460C



































Lieber Kundin, lieber Kunde,
es freut uns, dass Sie sich für STIHL entschieden haben. Wir entwickeln und fertigen unsere Produkte in Spitzenqualität entsprechend der Bedürfnisse unserer Kunden. So entstehen Produkte mit hoher Zuverlösigkeit auch bei extremer Beanspruchung.
STIHL steht auch für Spitzenqualität beim Service. Unser Fachhandel gewährleistet kompetente Beratung und Einweisung sowie eine umfassende technische Betreuung.
Wir danken Ihnen für Ihr Vertrauen und wünschen Ihnen viel Freude mit ihrem STIHL Produkt.

Dr. Nikolas Stihl
WICHTIG!VOR GEBRAUCHLESEN UND AUFBEWAHREN.
1. Inhaltsverzeichnis
Zu dieser Gebrauchsanleitung 20
Allgemein 20
Anleitung zum Lesen der
Gebrauchsanleitung 20
Gerätebeschreibung 21
Zu Ihrer Sicherheit 21
Allgemein 21
Tanken - Umgang mit Benzin 22
Bekleidung und Ausrüstung 22
Transport des Gerats 23
Vor der Arbeit 23
Während der Arbeit 24
Wartung und Reparaturen 26
Lagerung bei längeren
Betriebspausen 27
Entsorgung 27
Symbolbeschreibung 27
Lieferumfang 28
Gerät betriebsbereit machen 28
Garten-Hacksler auspacken 28
Fahrwerk montieren 29
Messerabdeckung demontieren 29
Messerabdeckung montieren 29
Einfülltrichter ATO 400 montieren 30
Auswurfveränderung montieren 30
Bleche montieren 30
Kraftstoff und Motorol 30
Bedienelemente 31
Ein-/Ausschalter 31
Choke 31
Hinweise zum Arbeitsen 31
Welches Material kann verarbeitet werden? 31
Welches Material kann nicht
verarbeitet werden?
Maximaler Astdurchmesser
Arbeitsbereich des Bedieners 32
Arbeitsposition des Gerätes
Richtige Belastung des Geräts
Befüllung des Garten-Häckslers
Sicherheitseinrichtungen 33
Sicherheitsverriegelung
Gerat in Betriebnehmen 34
Garten-Häcksler starten 34
Garten-Häcksler aussenhalten 34
Astzuführung ausklappen 35
Astzuführung einklappen 35
Werkzeugfach 35
Hackseln 35
Wartung
Gerat reinigen 36
Einfulltrichter ATO 400
demontieren 36
Messerscheiben demontieren 36
Messerscheiben montieren 37
Gegenmesser demontieren 38
Gegenmesser montieren 38
Messer wenden 38
Messer schäfen 39
Verschleibgrenzden der Messer 39
Serviceinterval
Verbrennungsmotor 40
Serviceintervalle 40
Rader 40
Aufbewährung und Winterpause 41
Transport
Verschleib minimieren und
Schaden vermeiden 42
Übliche Ersatzteile 43
Umweltschutz 43
Entsorgung 43
Konformitätserklarung 43
EU-Konformitätserklarung Garten-Häcksler STIHL GH 460.0, GH 460.0 C 43
Anschrift STIHL Hauptverwaltung 44
Anschriften STIHL
Vertriebsgesellschaften 44
Übergabebestätigung 46
Servicebestätigung 46
2. Zu dieser Gebrauchsanleitung
2.1 Allgemein
These Gebrauchsanleitung ist eine Originalbetriebsanleitung des Herstellers im Sinne der EG-Richtlinie 2006/42/EC.
STIHL arbeitet ständig an der Weiterentwicklung seiner Produktpalette; Änderungen des Lieferumfanges in Form, Technik und Ausstattung müssen wir uns deshalb vorbehalten.
Aus den Angaben und Abbildungen theses Heftes konnen aus thisem Grund keine Ansprüche abgeleitet werden.
In dieser Gebrauchsanleitung sind eventuell Modelle beschrieben, welche nicht in jedem Land verfügbar sind.
These Gebrauchsanleitung ist urheberrechtlich geschützt. Alle Rechte bleiben vorbehalten, besonders das Recht
der Vervielfaltung, Übersetzung und der Verarbeitung mit elektronischen Systemen.
2.2 Anleitung zum Lesen der Gebrauchsanleitung
Bilder und Texte beschreiben bestimmte Handhabungsschritte.
Samtliche Bildsymbole, die auf dem Gerät angebracht sind, werden in dieser Gebrauchsanleitung erklär.
Blickrichtung:
Blickrichtung bei Verwendung links und rechts in der Gebrauchsanleitung: Der Benutzer steht hinter dem Gerät (Arbeitsposition).
Kapitelverweis:
Auf entsprechende Kapitel und Unterkapitel für weitere Erklärungen wird mit einem Pfeil verwiesen. Das folgende Beispiel zeigt einen Verweis auf ein Kapitel: (⇒ 3.)
Kennzeichnung von Textabschnitten:
Die beschriebenen Anweisungen konnen wie in den folgenden Beispielen gekennzeichnet sein.
Handhabungsschritte, die das Eingreifen des Benutzers erfordern:
- Schraube (1) mit einem Schraubenzieher lösen, Hebel (2) betätigten ...
Generelle Aufzahlungen:
-Einsatz des Produkts bei Sport- oder Wettbewerbsveranstaltungen
Texte mit zusätzlicher Bedeutung:
Textabschnitt mit zusätzlicher Bedeutung werden mit einem der nachfolgenden beschieden Symbole gekennzeichnet, um diese in der Gebrauchsanleitung zusammen hervorzuheiten.

Gefahr!
Unfall- und schwere Verletzungsgefahr für Personen. Ein bestimmtes Verhalten ist notwendig oder zu unterlassen.

Warnung!
Verletzungsgefahr fur Personen. Ein bestimmtes Verhalten verhindert mögliche oder wahrscheinliche Verletzungen.

Vorsicht!
Leichte Verletzungen bzw. Sachschäden können durch ein bestimmes Verhalten verhindert werden.

Hinweis
Information für eine bessereutzung des Gerätes und um mögliche Fehlbedienungen zu vermeiden.
Texte mit Bildbezug:
Abbildungen, die den Gebrauch des Gerats erklaren, finden Sie ganz am Anfang der Gebrauchsanleitung.
Das Kamerasymbol dient zur Verknüpfung der Bilder auf den Bildseiten mit dem entsprechenden Textteil in der Gebrauchsanleitung.

3. Gerätebeschreibung

1 Einfulltrichter ATO 400
2 Verbrennungsmotor
3 Ein-/Ausschalter
4 Zündkerzenstecker
5 RadfuB
6 Auswurfschacht
7 Rad
8 Astzuführung
9 Transportgriff
10 Leistungsschild mit Maschinennummer
11 Werkzeugfach
12 Vertriegelung Astzuführung
4. Zu Ihrer Sicherheit
4.1 Allgemein

Bei der Arbeit mit dem Gerät sind diese Unfall
Verhütungsvorschriften unbedingt zu befolgen.

Vor der ersten Inbetriebnahme muss die gesamte
Gebrauchsanleitung aufmerksam durchgelesen
werden. Bewahren Sie die Gebrauchsanleitung für späteren Gebrauch sorgfältig auf.
Beachten Sie die Bedienungs- und Wartungshinweise, die Sie der separates Gebrauchsanleitung Verbrennungsmotor entnehmen können.
These Vorsichtsmaßnahmen sind für ihre Sicherheit unerlässlich, die Auflistung ist noch nicht abschied. Benutzen Sie das Gerät stets mit Vernunft und Verantwortungsbewusstsein und denken Sie daran, dass der Benutzer für Unfälle mit anderen Personen oder deren Eigentum verantwortlich ist.
Machen Sie sich mit den Bedienteilen und dem Gebrauch des Geräts vertraut.
Das Gerätarf nur von Personen benutzt werden, die die Gebrauchsanleitung gelesen haben und die mit der Handhabung des Geräts vertraut sind. Vorder erstmaligen Inbetriebnahme muss sich der Benutzer um eine fachkundige und praktische Unterweisung bemühen. Dem Benutzer muss vom Verkafer oder von einem anderen Fachkundigen erklär werden, wie das Gerät)sicher zu verwenden ist.
Bei dieser Unterweisung sollen dem Benutzer insbesondere bewusst gemacht werden, dass fur die Arbeit mit dem Gerät außerste Sorgfalt und Konzentration notwendig sind.
Auch wenn Sie these Gerät vorschrifsmäßig bedieren, bleiben immer Restrisiken bestehen.
Sicherstellen, dass der Benutzer körperlich, sensorisch und geistig fähig ist, das Gerät zu bedieten und damit zu arbeiten. Falls der Benutzer körperlich, sensorisch oder geistig eingeschränkt dazu fähig ist, davon der Benutzer nur unter Aufsicht oder nach Anweisung durch eine verantwortliche Person damit arbeiten.
Sicherstellen, dass der Benutzer volljährig ist oder entsprechend nationaler Regelungen unter Aufsicht in einem Beruf ausgebildet wird.

Lebensgefahr durch Erstickung! Erstickungsgefahr für Kinder beim Spielen mit Verpackungsmaterial. Verpackungsmaterial unbedingt von Kindern fernhalten.
Das Gerat inklusive aller Anbauten darf nur an Personen weitergegeben bzw. verliehen werden, die mit thisem Modell und seiner Handhabung grundsatzlich vertraut sind. Die Gebrauchsanleitung ist Teil des Gerats und muss stets mitgegeben werden.
Benutzen Sie das Gerät nur ausgeruht und beiGreater körperlicher sowie geistiger Verfassung.Wenn Sie gesundheitlich beeinträchtigt sind, sollen den Sie ihren Arzt fragen,ob die Arbeit mit dem Gerät möglich ist.Nach der Einnahme von Alkohol, Drogen oder Medikamenten, die das Reaktionsvermögen beeinträchtigen, darf nicht mit dem Gerät garbeitet werden.
Achtung – Unfallgefahr!
STIHL Garten-Hacksler sind zum Zerkleinern von Astmaterial und Pflanzenresten geeignet. Eine andere Verwendung ist nicht gestattet und kann gefährlich sein oder zu Schaden am Gerät führen.
Der Garten-Hacksler darft nicht verwendet werden (unvollständige Aufzahlung):
- für andere Materialien (z. B. Glas, Metall).
- für Arbeiten, die in dieser Gebrauchsanleitung nicht beschrieben sind.
- zur Herstellung von Lebensmitteln (z. B. Zerkleinern von Eis, Maischen).
Aus Sicherheitsgründen ist jeder Veränderung am Gerät, ausgenommen der fachgerechte Anbau von Zubehör, welches von STIHL zugelassen ist, untersagt. außer dem führt dies zur Aufhebung des Garantieanspruchs. Auskunft über zugelassenes Zubehör erhalten Sie bei ihrem STIHL Fachhandler.
Insbesondere ist jeder Manipulation am Gerät untersagt, welche die Leistung oder die Drehzahl des Verbrennungsmotors bzw. des Elektromotors verändert.
Mit dem Gerat durren keine Gegenstände, Tiere oder Personen, insbesondere Kinder, transportiert werden.
Beim Einsatz in öffentlichen Anlagen, Parks, Sportstätten, an Straßen und in land- und forstwirtschaftlichen Betrieben ist besondere Vorsicht erforderlich.
4.2 Tanken - Umgang mit Benzin

Lebensgefahr!
Benzin ist giftig und hochgradig entflammbar.
Bewahren Sie Benzin nur in davon vorgesehenen und geprüften Behältern (Kanistern) auf. Die Verschlusskappen der Tankbehälter sind immer ordnungsgemäß aufzuschrauben und festzuziehen. Defekte Verschlüsse sind aus Sicherheitsgründen auszutauschen.
Verwenden Sie niemals Getränkeflaschen oder Ähnliches zum Entsorgen oder Lagern von Betriebsstoffen wie z. B. Kraftstoff. Personen, insbesondere Kinder, konnten verleitet werden, daraus zu trinken.

Benzin von Funken, offenen Flammen, Dauerflammen, Wärmequellen und anderen Zündquellen fernhalten. Nicht
rauchen!
Tanken Sie nur im Freien und rauchen Sie während des Betankens nicht.
Vor dem Tanken Verbrennungsmotor abstellen und abkühlen halten.
GH 460 C: Vor dem Abnehmen des Tankdeckels die Tankbeluftungsschraube öffnen.
Benzin ist vor dem Starten des Verbrennungsmotors einzufullen.
Während der Verbrennungsmotor lauft oder bei heiBer Maschine darf der Tankverschluss nicht geöffnet oder Benzin nachgefüllt werden.
Kraftstofftank nicht überfällig!
Um dem Kraftstoff Platz zum Ausdehnern zu halten, Kraftstofftank niemals über die Unterkante des Einfullstutzens hinaus befüllen. Zusätzlich Angaben in der Gebrauchsanleitung des Verbrennungsmotors beachten
Falls Benzin übergelaufen ist, den Verbrennungsmotor erst starten, nachdem die benzinverschmutzte Fläche gereinigt wurde. Jeglicher Zündversuch ist zu vermeiden, bis sich die Benzindampfe verfluchtigt haben (trockenwischen).
Verschütteter Kraftstoff ist stets aufzuwischen.
Wenn Benzin auf die Kleidung geraten ist, muss diese gewechselt werden.
GH 460 C: Tankbelüftungsschraube nur für den Transport schreiben.


Bewahren Sie niemals das Gerät mit Benzim Tank innerhalb eines Gebäudes auf. Entstehende Benzindämpfe konnen mit offenem Feuer oder Funken in Berührung kommt und sich entzünden.
Falls der Tank zu entleeren ist, sollte dies im Freien erfolgen.
4.3 Bekleidung und Ausrüstung

Während der Arbeit ist immer festes Schuhwerk mit griffiger Sohle zu tragen. Arbeiten Sie
niemals barfu oder beispelsweise in Sandalen.

Während der Arbeit und insbesondere auch bei Wartungsarbeiten und beim Transport des Geräts stets
Schutzhandschuhe aus Leder mit geschlossen Bund/TRagen.

Während der Arbeit immer Schutzbrille und Gehorschutztragen. Tragen Sie diese während der gesamten
Betriebsdauer.

Bei der Arbeit mit dem Gerät zweckmäßige und eng anliegende Kleidung/TRagen, d.h.Kombianzug,keinen
Arbeitsmantel. Wahrend der Arbeit mit dem Gerät keinen Schal, keine Krawatte, keinen Schmuck, keine hangenden Bänder oder Kordeln und keine sonstigen abstehenden Kleidungsstücke trag.
Während der gesamten Betriebsdauer und bei allen Arbeiten am Gerät müssen lange Haare zusammengebunden und gesichert werden (Kopftuch, Mütze etc.).
4.4 Transport des Gerats
Nur mit Schutzhandschufen (4.3) arbeiten, um Verletzungen an scharfkantigen und bereits Geräteilen zu verhindern.
Das Gerät nicht mit laufendem Verbrennungsmotor transportieren. Vor dem Transport Verbrennungsmotor ausschalten, Messer auslaufen halten, Tankbelüftungsschraube (GH 460 C) schreiben sowie Zündkerzenstecker abziehen.
Das Gerät nur mit ausgekühltem Verbrennungsmotor und ohne Kraftstoff transportieren.
Transportieren Sie das Gerät nur mit vorschrifsmäßig montiertem Einfülltrichter und eingeklappter Astzuführung.
Kann ein Transport mit montiertem Trichter nicht durchgefuhrt werden, ist die Messerabdeckung einzusetzen. Verletzungsgefahr durch freiliegende Messer! ( 7.4)
Beachten Sie das Gewicht des Gerats, insbesondere beim Umkippen.
Benutzen Sie geeignete Verladehilfen (Laderampen, Hebevorrichtungen).
Aus Sicherheitsgründen dürfen beim Transport und beim Verladen die folgenden Neigungswinkel nicht übersritten werden:
10^ (17,6%) seitlicher Neigungswinkel,
- 10^ (17,6%) Neigungswinkel in Langsrichtung.
Gerat und mitransportierte Geräteile (z. B. demontierten Trichter) auf der Ladefläche mit ausreichend dimensionierten Befestigungsmitteln
(Gurte, Seile usw.) an den in dieser Gebrauchsanleitung beschriebenen Befestigungspunkten sichern. ( 13.)
Gerat nur in Schritttempo ziehen oder schieren. Nicht abschleppen!
Beachten Sie beim Transport des Geräts regionale gesetzliche Vorschriften, insbesondere was die Ladungssicherheit und den Transport von Gegenständen auf Ladeflächen betrifrft.
4.5 Vor der Arbeit
Esistsicherzustellen,dassurPersonen mit dem Gerat arbeiten,whelcdie Gebrauchsanleitung kennen.
Vor dem ersten Gebrauch des Geräts sind Verpackungsmaterial und Transportsicherungen zu entfern.
Beachten Sie die communalen Vorschriften für die Betriebszeiten von Gartengeräten mit Verbrennungsmotor bzw. Elektromotor.
Vor der Inbetriebnahme des Gerats Kraftstoffsystem auf Dichtheit prufen, besonderss die sightbaren Teile wie z. B. Tank, Tankverschluss, Schlauchverbindungen. Bei Undichtigkeit oder Beschädigung Verbrennungsmotor nicht starten - Brandgefahr! Gerat vor der Inbetriebnahme durch Fachhandler instand setzen halten.
Vor dem Gebrauch des Geräts sind defekte sowie abgenutzte und beschädigte Teile zu erszen. Unleserliche oder beschädigte Gefahrenund Warnhinweise am Gerät sind zu erneuern. Ihr STIHL Fachhändlerhalt Ersatzklebeschider und alle weiteren Ersatzteile bereit.

Verletzungsgefahr!
Abgenutzte oder beschädigte Teile (z. B. stumpfe Messer) konnen die Sicherheit des Gerats beeinträchtigen und zu Verletzungen des Benutzers führen.
Vor der Inbetriebnahme ist folgenden zu prufen und sicherzustellen:
Die Abdeckungen und Schutzvorrichtungen befinden sich an ihren Platz und sind in einwandfreiem Zustand.
- Alle kraftstoffhrenden Teile am Verbrennungsmotor sind vorhanden und in Ordnung (dicht).
- Der Tank ist in Ordnung (dicht).
- Das Gehäuse und die Schneideinrichtung (Messer, Messerwelle, Messerscheiben etc.) sind nicht abgenutz oder beschädigt.
- Es befindet sich kein Häckselgut im Gerät und der Einfülltrichter ist leer.
- Alle Schraube, Muttern und andere Befestigungselemente sind vorhanden bzw. festgezogen. Lockere Schrauben und Muttern vor der Inbetriebnahme festziehen (Drehmoment beachten).
Benutzen Sie das Gerät nur im Freien und nicht nahe an einer Wand oder nahe an einem anderen starren Gegenstand, um die Verletzungsgefahr und die Gefahr von Sachschäden zu verringern (fehlende Ausweichmöglichekeiten für den Benutzer, Glasbruch an Scheiben, Kratzer an Autos usw.).
Das Gerät muss auf einem ebenen und festen Untergrund standsicher aufgestellt sein.
Das Gerät nicht auf einer gepflasterten oder mit Kies bestreuten Fläche benutzen, weil ausgeworfenes oder hochgewirbeltes Material Verletzungen verursachen können.
Vor jeder Inbetriebnahme ist
sicherzustellen, dass das Gerät
vorschrifsmäßig verschlossen ist. (⇒ 7.5)
Machen Sie sich mit dem Ein-/Ausschalter vertraut, damit Sie in Notsituationen schnell und richtig reagieren.
Befindet sich der Garten-Häcksler in Arbeitsposition, muss die Einfüllöffnung immer vollständig vom Spritzschutz abgedeckt sein. Ist das nicht der Fall, muss der Spritzschutz getauscht werden.
Verletzungsgefahr! Das Gerät nur in vorschäftsmäßig montiertem Zustand in Betriebnehmen. Fehlen Teile am Gerät (z. B. Räder, Standfuße usw.), werden die vorgeschreibenben Sicherheitsabstände nicht mehr eingehalten, außer dem kann das Gerät eine verminderte Standfestigkeit haben.
Der vorschäftsmäßige Zustand ist vor der Inbetriebnahme durch Sichtkontrolle zu prufen!
Vorschäftsmäßig bedeutet, dass das Gerät vollständig zusammengebaut ist, insbesondere heißt das:
- Trichteroberteil ist auf Trichterunterteil montiert,
-
Astzuführung ist montiert,
-Einfulltrichter ist auf dem Grundgerat montiert,
-RadfuB kompletist montiert, -
beide Räder sind montiert und der Luftdruck entspricht den Vorgaben in dieser Gebrauchsanleitung (12.12).
- alle Schutzeinrichtungen (Auswurfschacht, Spritzschutz etc.) müssenvorhanden und in Ordnung sein,
- beide Schneideinheiten (Messerscheiben) sind montiert,
- alle Messer sind vorschrifsmäßig montiert.
Die am Gerat installierten Schalt- und Sicherheitseinrichtungen dürfen nicht entfernt oder überbrücken werden.
Beide Messerscheiben durch Sichtkontrolle auf Beschädigungen und Verformungen prufen und gegebenenfalls tauschen.
4.6 Wahrend der Arbeit

Arbeiten Sie niemals, während sich Tiere oder Personen, insbesondere Kinder, im Gefahrenbereich aufhalten.
Arbeiten Sie mit dem Gerät nicht bei Regen, Gewitter und insbesondere nicht bei Blitzschlaggefahr.
Bei feuchtem Untergrund besteht wegen verminderter Standhaftung erhöhte Unfallgefahr.
Esistbesonderssvorsichtigzuarbeiten, umeinAusrutschen zuverhindern.Wennmoglich,EinsatzdesGeratsbei feuchtem Untergrundvermeiden.
Arbeiten Sie nur bei Tageslicht oder beiguter künstlicher Beleuchtung.
Der Arbeitsbereich muss während der gesamten Betriebsdauer sauber und in Ordnung gehalten werden.
Stolpergefahren wie Steine, Aste, Kabel usw. entfernen.
Die Standfläche des Bedienersarf nicht hoher als die Standfläche des Geräts sein.
Abgase:

Lebensgefahr durch Vergiftung!
Bei Übelkeit, Kopfschmerzen, Sehstörung (z. B. kleiner werdendes Blickfeld), Hörstörung, Schwindel, nachlassender Konzentrationsfähigkeit Arbeit sofort einstehen. Diese Symptome können unter anderem durch zu hohe Abgaskonzentrationen verursacht werden.

Das Gerät erzeugt giftige
Abgase, sobald der
Verbrennungsmotor lauft. These Gase enthalten giftinges
Kohlenmonoxid, ein farb- und geruchloses Gas, sowie andere Schadstoffe. Der Verbrennungsmotorarf niemals in geschlossenen oder schlecht belufteten Räumen in Betrieb genommen werden.
Das Gerat ist so zu positionieren, dass nicht entgegen der Abgasrichtung gearbeitet werden muss.
Starten:
Vor dem Starten das Gerät in standischere Position bringen und aufrecht hinstellen. Esarfkeinesfalls liegrand in Betrieb genommen werden.
Starten Sie das Gerät mit Vorsicht – Anweisungen in Kapitel "Gerät in Betriebnehmen" (⇒ 11.) befolgen. Starten gemäß dieser Anweisungen verringgert die Verletzungsgefahr.
Verletzungsgefahr!
Wenn das Starteril Schnell
zuruckspringt, werden Hand und Arm
schneller zum Verbrennungsmotor
gezogen, als das Starteril losgelassen
werden kann. Durch diesen Kickback kann
es zu Knochenbruchen, Quetschungen
und Verstauchungen kommt.
Beim Starten des Verbrennungsmotors bzw. Einschalten des Elektromotors nicht vor der Auswurföffnung stehen. Im Garten-Häckslerarf sich beim Starten bzw. Einschalten kein Häckselmaterial befinden. Häckselmaterial kann Herausgeschleudert werden und zu Verletzungen führen.
Das Gerätarf beim Starten nicht gekippt werden.
Nicht am Starterteil ziehen, wenn das Gerät nicht ordnungsgemäß verschlossen ist und die Messer freiliegen.
Verletzungsgefahr durch sich drehende Messer!
Arbeitseinsatz:

Verletzungsgefahr!
Fuhren Sie niemals Hände oder Füße über, unter oder an sich drehende Teile.
Bei laufendem Gerat nie Gesicht oder andere Körperteile über den Einfulltrichter und vor die Auswurföffnung halten. Halten Sie immer mit Kopf und Körper Abstand zu den Einfullöffnungen.

Niemals mit den Handen,
anderen Körperteilen oder
Kleidung in den Einfülltrichter
oder den Auswurfschacht
hineingreifen. Es besteht erhebliche Verletzungsgefahr fur Augen, Gesicht, Finger, Hand usw.
Achten Sie immer auf Ihr Gleichgewicht und auf festen Stand. Strecken Sie sich nicht vor.
Der Spritzschutz darf während des Betriebs nicht manipuliert werden (z. B. offen, hochklappen, einklommen, beschädigen).
Der Benutzer muss zum Befüllen im beschriebenen Arbeitsbereich des Bedieners stehen. Halten Sie sich während der gesamten Betriebsdauer immer im Arbeitsbereich und keinesfalls in der Auswurfzone auf. ( 9.4)
Verletzungsgefahr!
Während des Betriebs kann
Häckselmaterial nach oben
zurückgeschleudert werden. Deshalb
Schutzbrille trag und Gesicht von den
Einfūlöffnungen fernhalten.
Das Gerät niemals kippen, während der Verbrennungsmotor bzw. der Elektromotor lauft.
Falls das Gerät während des Betriebs umfällt, sofort Verbrennungsmotor ausschalten und Zündkerzenstecker abziehen.
Achten Sie daraufuf, dass sich kein Häckselmaterial im Auswurfschacht staut, da dies zu einem schlechten Häckselergebnis oder zu Rückschlägen führen kann.
Beim Befüllen des Garten-Häckslers ist besonderss darauf zu achten, dass keine Fremdkörper wie Metalleteile, Steine, Kunststoffe, Glas usw. in die Häckselkammer gelangen, da dies zu Beschädigungen und zu Rückschlagen aus dem Einfülltrichter führen kann.

Verletzungsgefahr!
Der Benutzer kann durch ruckschlagendes Häckselgut und Fremdkörper schwer verletzt werden. Fremdkörper vom Gerät fernhalten und VerstopfungenASFORTBeseitigen.

Verletzungsgefahr!
Beim Befüllen des Garten-Häckslers mit Astmaterial kann es zu Rückschlagen kommt. Der Benutzer kann durch rückschlagendes Häckselgut schwer verletzt werden. Schutzhandschuhe und Schutzbrille (⇒ 4.3)lagen!

Achten Sie auf den Nachlauf des Schneidwerkzeuges, der bis zum Stillstand eine Sekunden beträgt.
Schalten Sie den
Verbrennungsmotor aus,ziehen Sie den Zündkerzenstecker ab und{lassen Sie alle sich drehenden Werkzeuge zum Stillstandkommen,
- bevor Sie das Gerät verlassen,
- bevor Sie das Gerät anheiten und tragen,
- bevor Sie das Gerät transportieren,
- bevor Blockaden oder Verstopfungen an der Schneideinheit, im Einfulltrichter, in der Astzuführung oder im Auswurfkanal beseitigt werden,
- bevor Arbeiten an den Messerscheiben durchgefuhrt werden,
- bevor das Gerät überprüft oder gereinigt wird oder bevor sonstige Arbeiten an ihm durchgeführt werden.
Stellen Sie den Verbrennungsmotor ab,
- bevor Sie das Gerät kippen, schiben oder ziehen,
- bevor Sie die Verschlusssschraube losen und das Gerät öffnen,
- bevor Sie nachtanken. Tanken nur bei ausgekühtem Verbrennungsmotor. Brandgefahr!
Sollten in das Schneidwerkzeug Fremdkörper gelangen, sollte das Gerät ungewöhnliche Gerausche erzeugen oder ungewöhnlich vibrieren, schalten Sie sofort den Verbrennungsmotor ab und halten Sie das Gerät auslaufen. Ziehen Sie den Zündkerzenstecker ab, entfern Sie den Einfülltrichter und führen Sie folgende Schritte aus:
- Überprüfen Sie das Gerät, insbesondere die Schneideinheit (Messer, Messerscheiben, Messerwelle, Messerschraube, Klemmring), auf Beschädigungen und halten Sie erforderliche Reparaturen von einem Fachmann durchführren, bevor Sie erneut starten und mit dem Gerät arbeiten.
- Überprüfen Sie alle Teile der Schneideinheit auf festen Sitz, ziehen Sie gegebenenfalls die Schrauben nach (Drehmomeente beachten).
- Lassen Sie beschädigte Teile von einem Fachmann ersetzen oder reparieren, wobei die Teile gleichwertige Beschaffenheit aufweisen müssen.
4.7 Wartung und Reparaturen
Vor dem Beginn von Reinigungs-, Einstell-, Reparatur- und Wartungsarbeiten:
Gerat auf festem, ebenem Boden abstellen,
- Verbrennungsmotor abstellen und abkühlen setzen,
Zündkerzenstecker abziehen.
Achtung - Verletzungsgefahr!

Zündkerzenstecker von der Zündkerze fernenhalten, ein unbeabsichtiger Zündfunke kann zu Bränden oder Stromschlagen führen. Ein unbeabsichtiger Kontakt der Zündkerze mit dem Zündkerzenstecker kann zu einem ungewolten Anspringer des Verbrennungsmotors führen.
Gerät insbesondere vor Arbeiten im Bereich von Verbrennungsmotor, Auspuffkrümer und Schalldämpfer auskühlen halten. Es können Temperaturen von 80^ C und mehr erreicht werden. Verbrennungsgefahr! Der direkte Kontakt mit Motoröl kann gefährlich sein, außer demarf Motorol nicht verschüttet werden. STIHL empfehl, das Einfullen von Motoröl bzw. einen Motorölwechsel dem STIHL Fachhandler zu überlassen.
Reinigung:
Nach dem Arbeitseinsatz muss das gesamte Gerät sorgfältig gereinigt werden. (⇒ 12.1)
Verwenden Sie niemals
Hochdruckreiniger und reinigen Sie das Gerät nicht unter flieBendem Wasser (z. B. mit einem Gartenschlauch).
Benutzen Sie keine aggressiven Reinigungsmittel. Diese können Kunststoffe und Metalle beschädigden, was den sicheren Betrieb Ihres STIHL Geräts beeinträchtigen kann.
Um Brandgefahr zu vermeiden, ist der Bereich der Kuhlluftöffnungen, der Kuhlrippen und der Bereich des Auspuffs frei von z. B. Gras, Stroh, Moos, Blättern oder austretendem Fett zu halten.
Wartungsarbeiten:
Es durren nur Wartungsarbeitendurchgefuhrt werden, die in dieserGebrauchsanleitung beschreiben sind,alle anderen Arbeiten von einemFachhändler ausfuhren halten. Sollten Ihnen notwendige Kenntnisse undHilfsmittelfehlen, wenden Sie sich immer an einen Fachhändler. STIHL empfehl't Wartungsarbeiten und Reparaturen nur vom STIHL Fachhändler durchfuhren zu halten. STIHL Fachhandlern werden regelmäßig Schulungen angeboten und technische Informationen zur Verfugung gestellt.
Verwenden Sie nur Werkzeuge, Zubehore oder Anbaugeräte, welche von STIHL für diese Gerät zugelassen sind oder technisch gleichartige Teile, sonst kann die Gefahr von Unfallen mit Personenschäden oder Schäden am Gerät bestehen. Bei Fragen sollenn Sie sich an einen Fachhandler wenden.
STIHL Original-Werkzeuge, -Zubehör und -Ersatzteile sind in ihren Eigenschaften optimal auf das Gerät und die Anforderungen des Benutzers abgestimmt. STIHL Original-Ersatzteile erkennt man an der STIHL-Ersatzteilnummer, am Schriftzug STIHL und gegebenenfalls am STIHL Ersatzteilkennzeichen. Auf kleinen Teilen kann das Zeichen auch allein stehen.
Aus Sicherheitsgrunden sind
kraftstofffuhrende Bauteile
(Kraftstoffleitung, Kraftstoffhahn,
Kraftstofftank, Tankverschluss,
Anschlüsse usw.) regelmäßig auf Beschädigungen und undichte Stellen zu überprüfen und bei Bedarf von einem Fachmann auszutauschen (STIHL empfehl't den STIHL Fachhandler).
Halten Sie Warn- und Hinweisaufkleber stets sauber und lesbar. Beschädigte oder verloren gegangene Aufkleber sind durch neue Originalschilder von ihrem STIHL Fachhandler zu ersetzen. Falls ein Bauteil durch ein Neuteil ersetzt wird, achten Sie darauf, dass das Neuteil dieselben Aufkleber erhält.
Arbeiten an der Schneideinheit nur mit Schutzhandschuhen ( 4.3) und unter außerster Vorsicht vornehmen.
Halten Sie alle Muttern, Bolzen und Schrauben, besonders alle Schrauben der Schneideinheit, fest angezogen, damit sich das Gerät in einem sicheren Betriebszustand befindet.
Prufen Sie das gesamte Gerät regelmäßig, insbesondere vor der Einlagerung (z. B. vor der Winterpause), auf Verschleiß und Beschädigungen. Abgenutzte oder beschädigte Teile sind aus Sicherheitsgründen sofort auszutauschen, damit sich das Gerät immer in einem sicheren Betriebszustand befindet.
Ändern Sie niemals die Grundeinstellung des Verbrennungsmotors und überdrehen sieihn nicht.
Falls fur Wartungsarbeiten Bauteile oder Schutzeinrichtungen entfernt wurden, sind diese umgehend und vorschfrsmäßig wieder anzubringen.
4.8 Lagerung bei längeren Betriebspausen
Lassen Sie den Verbrennungsmotor abkühlen, bevor Sie das Gerät in einem geschlossenen Raum abstellen.
Das Gerät mit entleertem Tank und geöffneter Tankbelüftungsschraube (GH 460 C) sowie den Kraftstoffvorrat in einem abschlussbaren und gut durchlüfteten Raum aufbewahren.
Stellen Sie sicher, dass das Gerät vor unbefugter Benutzung (z. B. durch Kinder) geschützt ist.
Bewahren Sie niemals das Gerät mit Benzin im Tank innerhalb eines Gebäudes auf. Entstehende Benzindämpfe konnen mit offenem Feuer oder Funken in Berührung kommt und sich entzüden.
Falls der Tank zu entleeren ist (z. B. Stillegung vor der Winterpause), sollte das Entleeren des Kraftstofftanks nur im Freien erfolgen (Tank z. B. durch Laufenlassen des Verbrennungsmotors im Freien entleeren).
Gerat vor der Lagerung (z. B. Winterpause) grundlich reinigen.
Gerat nur mit abgezogenem Zündkerzenstecker einlagern.
Das Gerät im betriebssicheren Zustand lagern.
Garten-Häcksler nur mit montiertem Einfülltrichter oder mit montierter Messerabdeckung einlagern. Verletzungsgefahr durch freiliegende Messer!
4.9 Entsorgung
Abfallprodukte wie Altol oder Kraftstoff, gebrauchte Schmiermittel, Filter, Batterien und ähnliche Verschleiesteile konnen den Menschen, Tieren und der Umwelt schaden und müssen deshalb fachgerecht entsorgt werden.
Wenden Sie sich an Ihr Recycling-Center oder ihren Fachhändler, um zu erfahren, wie Abfallprodukte fachgerecht zu entsorgen sind. STIHL empfehl't den STIHL Fachhändler.
Stellen Sie sicher, dass ein ausgedientes Gerät einer fachgerechten Entsorgung zugeführ wird. Machen Sie das Gerät vor der Entsorgung unbrauchbar. Um Unfallen vorzubeugen, insbesondere Zündkabel entfern, Tank entleeren und Motoröl ablassen.
5. Symbolsbeschreibung

Achtung!
Vor Inbetriebnahme Gebrauchsanleitung und Sicherheitshinweiselesen und beachten.

Verletzungsgefahr!
Dritte aus dem Gefahrenbereich fernhalten.

Verletzungsgefahr! Verletzungsgefahr durch umlaufende Werkzeuge.

Achtung! Vor Wartungs- oder Reinigungsrarbeiten Zündkerzenstecker abziehen.

Gehorschutzragen!
Schutzbrille tragen!
Schutzhandschuhe tragen!

Verletzungsgefahr! Niemals mit Händen, andere Körperteilen oder Kleidung in den Einfülltrichter oder den Auswurfschacht hineingreifen.

Verletzungsgefahr! Nicht auf das Gerät steigen.

Der Ein-/Ausschalter befindet sich an der Vorderseite des Gerätes. Zum Abstellen des Gerätes den schwarzen Drehknopf des Ein-/Ausschalters drehen.
6. Lieferumfang

Pos. Bezeichnung Stk.
A Grundgerät 1
B Radfuß rechts 1
C RadfuB links 1
D Standfuß 2
E Stopfen 2
F Rad 2
G Scherring 2
H Achse 1
Torxschraube 3 M8x40
J Mutter M8 2 K Einfullrichter ATO 400 1
L Auswurfveränderung 1
M Leitblech 1 N Auswurfblech 1
O Torxschaube 6 P5x20
P Flachrundschraube 1 M6x16
Q Torxsschraube 2 M6x16
R Mutter M6 3 S Schraubenschlussel 1
Pos. Bezeichnung Stk.
T Montagewerkzeug 1
U Sechskantschraube 1
M14x130
- Gebrauchsanleitung 1
- Gebrauchsanleitung 1
- Verbrennungsmotor
7. Gerät betriebsbereit machen
Verletzungsgefahr! Vor der Montage des Garten-Häckslers das Kapitel "Zu ihrer Sicherheit" ( 4.) sorgfältig lesen und alle Sicherheitshinweise beachten.
Um Schaden am Gerät zu vermeiden, müssen alle Drehm对象 im Kapitel "Gerät betriebsbereit machen" (⇒ 7.) genau eingehalten werden.

Tragen Sie insbesondere Schutzhandschuhe und vermeiden Sie den Kontakt mit den
Messern.
Schaden am Gerat vermeiden! Das Gerat sollte vor dem Umlegendurch das Unterlegen eines Kartons vor Kratzern geschützt werden.
7.1 Garten-Häcksler auspacken

Verletzungsgefahr! Gerät nur mit Hilfe einer zweiten Person anheben. Darauf achten, dass die Kartoneinlage (1) nicht beschadigt wird.
- Verpackung öffnen.
Montageposition:
- Grundgerät (A) mit Hilfe einer zweiten Person aus der Verpackungnehmen und auf den Boden stellen.
- Kartoneinlage (1) entnahmen und auf den Boden stellen. Räder (F) und Radfuße (B, C) entnahmen.
- Kartoneinlage (1) mit der geschlossenen Seite nach oben auf den Boden stellen.
- Grundgerät (A) mit Hilfe einer zweiten Person anheben und wie abgebildet auf die Kartoneinlage (1) stellen.
7.2 Fahrwerk montieren


Verletzungsgefahr!
Zur Vermeidung von Verletzungen durch die scharfen Messer muss die Messerabdeckung montiert sein. (7.4)
1 Radfuß rechts und Radfuß links montieren:
- Grundgerät in Montageposition aufstellen. (⇒ 7.1)

Beide RadfuBemeisseno am Grundgerat montiert werden,dassich die Bohrungen fur die Achse hinten (an der Seite des Werkzeugfaches)befinden.
Radfuß rechts montieren:
- Radfuß rechts (B) an der Inneseite der abgewinkelten Trägerplatte (1) positionieren. Dabei mussen die Bohrungen des Radfußes mit den Bohrungen an der Trägerplatte fluchten.
An der Innenseite eine Mutter (J) positionieren. Schraube (I) durch die Bohrungen (2) in der Tragerplatte und im Radfuß stecken und in die Mutter (J) eindrehen, aber nicht festziehen.
Vorgang an der zweiten Bohrung des Radfuß rechts wiederholen.
Radfuß links montieren:
- Radfuß links (C) mit der Bohrung (1) an die mittlere Bohrung (2) an der linken Seite des Grundgerätes (A) halten.
- Schraube (I) mit Hilfe des Montagewerkzeugs (T) eindrehen, aber nicht festziehen.
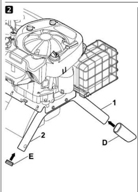
2Standfuß und Stopfen montieren:
- Standfuß (D) wie abgebildet bis zum Anschlag auf den Radfuß rechts (1) schieren. Der Standfuß rastet am Radfuß rechts ein.
Vorgang am Radfuß links wiederholen.
Verletzungsgefahr!
Nach der Montage den sicheren Sitz der beiden Standfuße prufen.
- Stopfen (E) vorsichtig bis zum Anschlag in den Radfuß rechts (2) eintreiben.
Vorgang am Radfuß links wiederholen.
3Rad auf Achse montieren:

Die Räder so montieren, dass sich das jeweilige Ventil an der Außenseite befindet.
- Schierring (G) bis zum Anschlag in den Einstich (1) der Achse (H) einschieben.
- Rad (F) auf die Achse (H) schieben.

Um ein selbständiges Losen des Rades zu vermeiden, darauf achten, dass der Scherring (G) exakt im Einstich (1) der Achse (H) sitszt.
4 Achse und Rad montieren:
- Achse mit vormontiertem Rad (1) durch die Bohrungen (2) der Radfußschieben.
- Rad (F) links auf die Achse (1) schieren.
- Schirrering (G) bis zum Anschlag in den Einstich der Achse (3) einschieben.
- Grundgerät von der Kartoneinlage abnehmen.
- Grundgerät in Arbeitsposition aufstellen.
7.3 Messerabdeckung demontieren

In die Bohrung greifen und Messerabdeckung (1) nach oben abheben.
7.4 Messerabdeckung montieren

- Messerabdeckung (1) unter das Gegenmesser (2) einführen. Anschließend die Messerabdeckung (1) nach unter drücken. Bei ordnungsmäßiger Montage m die Messerabdeckung (1) richtig a Messerscheibe aufliegen.

7.5 Einfulltrichter ATO 400 montieren

- Messerabdeckung demontieren.
(⇒ 7.3) - Einfültrichter ATO 400 (K) mit beiden Befestigungshaken (1) in weitere Aufnahmen am Grundgerät (2) einfahren.
Einfulltrichter ATO 400 (K) bis zum Anschlag nach vorne kippen. - Ein-/Ausschalter (3) eindrehen und festziehen.

Nach der Montage prufen, ob der Einfülltrichter ATO 400 richtig in den beiden Aufnahmen am Grundgerät eingehängt ist.
7.6 Auswurfveränderung montieren

Gerat vorsichtig nach hinten umlegen.

Zum Schutz vor Beschädigungen einen Karton unterlegen.
Auswurfveränderung montieren
- Auswurfveränderung (L) mit den Haken (1) in die Öffnungen am Gehäuse (2) von oben einhängen, nach unten drehen und Halter (3) seitlich aufrücken.
- Schrauben (O) eindreten und mit 1 - 2 Nm festziehen.

Zur Montageerleichterung des Leitblechs, empfehlen wir, den linken Radfuß etwas zu lockern.
- Schraube (4) am linken Radfuß ca. 5 Umdrehungen ausdrehen.
7.7 Bleche montieren
1Leitblech montieren
Leitblech (N) einsetzen. Dabei darauf auf achten, dass die Führungen am Leitblech (1) exakt in den Führungen der Auswurfveränderung (2) liegen.
- Schraube (P) einsetzen und mit Mutter (R) festziehen.
- Schrauben (O) eindreten und mit 1 - 2 Nm festziehen.
2Auswurfblech montieren
- Auswurfblech (M) einsetzen.
- Schrauben (O) eindreten und mit 1 - 2 Nm festziehen.
- Schrauben (Q) einsetzen und mit Mattern (R) festziehen. Dabei können eventuell auftretende, leichte Verspannungen am Auswurfschacht durch Nachjustierenden Schrauben ausgegliedchen werden.
Schrauben Radfußbefestigung festziehen
Gerat aufstellen und korrekten Sitz aller montierten Teile uberprüfen.
- Schrauben (1, 2) für die Radfußbefestigung mit 10 - 12 Nm festziehen.

Nach dem Festziehen der Schrauben den festen Sitz der beiden Radfuße überprüfen.

7.8 Kraftstoff und Motoröl

Vor dem ersten Starten Motoröl einfüllen (⇒ Gebrauchsanleitung Verbrennungsmotor)!
Motoröl
Das zu verwendende Motoröl und die Ölfüllmenge entnehmer Sie der Gebrauchsanleitung Verbrennungsmotor. Füllstandskontrolle regelmäßig durchführten (⇒ Gebrauchsanleitung Verbrennungsmotor). Das Unter- oder Überschreiben des richtigen Ölstands ist zu vermeiden.
Kraftstoff
Empfehlung: Frische Markenkraftstoffe, Normalbenzin bleifrei ( Gebrauchsanleitung Verbrennungsmotor)!Zum Auftanken einen Trichter verwenden (nicht im Lieferumfang enthalten).Beachten Sie die Warnhinweise im Kapitel "Zu Ihrer Sicherheit. ( 4.)
Kraftstoff einfllen
GH 460 C: Tankbeluftungsschraube (1) offen.
Tankdeckel (2) abschrauben.
- Kraftstoff einfellen (Trichter verwenden).
Tankdeckel (2) wieder aufschauben.

GH 460 C:
Tankbeluftungsschraube (1) vor der Inbetriebnahme des Verbrennungsmotors offen
8. Bedienelemente
8.1 Ein-/Ausschalter
Beim Ein-/Ausschalter (1) handelt es sich um einen Multifunktionsschalter mit folgenden Funktionen:

Sicherheitsschalter:
Der Ein-/Ausschalter (1) dient als Sicherheitschalter. ( 10.)
Freigabeschalter beim Startvorgang:
Der Ein-/Ausschalter (1) dient beim Starten des Verbrennungsmotors als Hauptschalter. Ist der Ein-/Ausschalter (1) nicht betägt, kann der Verbrennungsmotor nicht gestartet werden. ( 11.1)
Ausschalten:
Wird der Ein-/Ausschalter (1) durch Drehen gelost, schaltet sich der Verbrennungsmotor ab und die Messerscheiben kommt nach weniger Sekunden zum Stillstand (siehe Ein-/Ausschalter losen). ( 11.2)
Befestigungsschraube des Einfulltrichters:
Durch Ausdrehen (gegen den Uhrzeigersinn) des Ein-/Ausschalters (1) wird der Einfulltrichter ATO 400 gelost. Durch Eindrehen (im Uhrzeigersinn) des Ein-/Ausschalters (1) wird der Einfulltrichter ATO 400 am Grundgerät befestigt.
Ein-/Ausschalter betätigten:
- Grünen Druckknopf (2) (Symbol I) bis zum Anschlag eindrücken. Der grüne Druckknopf rastet ein und bleibt im gedrucken Zustand. Der Garten-Häcksler kann gestartet werden. (→ 11.1)
Ein-/Ausschalterliesen:
- Schwarzen Drehknopf (3) (rotes Symbol O) am Ein-/Ausschalter (1) drehen (in beide Richtungen möglich). Der grüne Druckknopf (2) wird gelöst und der Verbrennungsmotor schaltet sich aus. Die Messerscheiben kommt nach wichtigen Sekunden zum Stillstand.
8.2 Choke
GH 460:
Das Modell GH 460 besitzt einen Auto-Choke, der nicht manuell betätig werden muss.
GH 460 C:
Bei betätigtem Choke-Knopf (1) wird das Luft-Kraftststoffgemisch so verändert, dass sich ein kalter Verbrennungsmotor leichter starten{lsst.

Es ist zu beachten, dass bei sehr kaltem Wetter der Verbrennungsmotor schnell abkühlen kann.
Wird der Choke nach dem Startvorgang nicht wieder deaktiviert, entsteht durch das veränderte Luft-Kraftstoffgemisch eine stärkere Rauchentwicklung. In weiterer Folge stirbt der Verbrennungsmotor ab (Verbrennungsmotor sauft ab).
Choke betätigten:
- Choke-Knopf (1) Herausziehen. Der Choke ist betätig und der Verbrennungsmotor kann gestartet werden.
Choke deaktivieren:
- Läuft der Verbrennungsmotor nach dem Startvorgang, muss der Choke durch vollständiges Eindrücken des Choke-Knopfs (1) umgehend deaktiviert werden.
9. Hinweise zum Arbeitsen
9.1 Welches Material kann verarbeitet werden?
Mit dem Garten-Häcksler kann sowohl Weichmaterial als auch Hartmaterial verarbeitet werden.
Weichmaterial:
Organische Pflanzenrechte wie Obst- und Gemüseabfälle, Blumenschnitt, Laub usw. Weichmaterial häckseln. (⇒ 11.6)
Hartmaterial:
Baum- und Heckenschmitt sowie starkes und verzweigtes Astmaterial.
-Hartmaterial hackseln. ( 11.6)
i Baum- und Heckenschmitt sollte in frischem Zustand verarbeitet werden, da die Häckselleistung bei frischem Material größer ist als bei ausgetrocknetem oder nassem Material. Die Verarbeitung von trockenem Häckselgut erhöht die Rückschlaggefahr. Der Benutzer kann durch rückschlagende Äste schwer verletzt werden.
9.2 Welches Material kann nicht verarbeitet werden?
Steine, Glas, Metallteile (Drahte, Nagel...) oder Kunststoffeile dürfen nicht in den Garten-Häcksler gelangen.
Grundregel:
Materialien, die nicht auf den Kompost gehoren, sollen auch nicht mit dem Garten-Häcksler verarbeitet werden.
9.3 Maximaler Astdurchmesser
Die Angaben beziehen sich auf frisch geschnittenes Astmaterial:
Maximaler Astdurchmesser:
GH 460: 60 mmGH 460 C: 75 mm
Die Gröbe der Einfūlöffnung der Astzuführung dient ausschließlich der betteren Aufnahme von verzweigtem Astmaterial und gibt keinen Aufschluss über den maximal zulässigen Durchmesser des Häckselguts.
9.4 Arbeitsbereich des Bedieners
- Der Bediener muss sich während der gesamten Betriebsdauer aus Sicherheitsgründen immer im Arbeitsbereich (graue Fläche X) aufhalten.
Verletzungsgefahr!
Damit man beim Verarbeiten von Hartmaterial (Astzuführung (1) ist ausgeklappt) nicht von zurückschleudern dem Häckselmaterial getroffen werden kann, sollte man nicht direkt hinter dem Garten-Häcksler, sondern seitlich stehen (siehe graue Fläche X).
9.5 Arbeitsposition des Gerätes
Der Garten-Häckslerfarndurstehend in Betrieb genommenwerden.Wahrend der gesamtenBetriebsdauer muss der Garten-Hackslerwie abgebildet auf beiden Rädern und aufbeiden Radfuinen stehen.
9.6 Richtige Belastung des Geräts
Der Elektromotor bzw. Verbrennungsmotor des Garten-Häckslersarf nur so stark beansprucht werden, dass die Drehzahlthere nicht wesentlich absinkt. Garten-Häcksler immer gleichmäßig und kontinuierlich befullen.Sinktdie Drehzahl beimArbeiten mit dem Garten-Häcksler ab,weiterete Befullung stoppen,um den Elektromotor bzw.Verbrennungsmotor zu entlasten.

9.7 Befüllung des Garten-Häckslers


Verletzungsgefahr!
Vor dem Befüllen des Garten-Häckslers das Kapitel "Zu Ihrer Sicherheit" (⇒ 4.), insbesondere das Unterkapitel "Während der Arbeit" (⇒ 4.6), sorgfähig lesen und alle Sicherheitsinweise beachten. Das Befüllen des Garten-Häckslersarf nur von einer Person erfolgen.

Verletzungsgefahr!
Niemals mit der Hand in eine Einfüllöffnung greifen!

Richtige Belastung des
Verbrennungsmotors beachten. ( 9.6)
Die beiden Einfüllöffnungen (1, 2) des Garten-Häckslers sollenn nicht gleichzeitig befüllt werden. Verstopfungsgefahr!
Weichmaterial:
- Beim Befüllen des Garten-Häckslers den Arbeitsbereich beachten. (9.4)
Garten-Hacksler starten. ( 11.1)
Organische Pflanzenrechte wie Obstund Gemuseabfälle, Blumenschmitt, Laub, dūnne Åste usw. in die Einfūlöffnung (1) für Weichmaterial werfen.


Die Einfüllöffnung (1)
ausschließlich mit Weichmaterial oder mit dünnen (bis ca. 10 mm Durchmesser), stark verzweigten Ästen befüllen. Die Astzuführung (3) sollte sich bei der Befüllung mit Weichmaterial im eingeklappten Zustand befinden. ( 11.4)
Feuchtes oder nasses
Weichmaterial führt schneller zu
Verstopfungen am Gerät. Dabei
den Garten-Häcksler langsamer
befüllen und besonderss auf die
Drehzahl des Verbrennungsmotors
achten. Beim Befüllen des Gerätes
mit Weichmaterial darauf auf achten,
dass die Haube des
Verbrennungsmotors nicht mit
Häckselmaterial bedeckt wird.
Überhitzungsgefahr des
Verbrennungsmotors durch
bedeckte Kühlungsschlitze!

Verbrennungsmotor immer sauber halten!
Hartmaterial:
- Beim Befüllen des Garten-Häckslers den Arbeitsbereich beachten. (→ 9.4)
- Astzuführung (3) ausklappen. ( 11.3)
Maximalen Astdurchmesser beacht. ( 9.3)
Garten-Häcksler starten. (⇒ 11.1)


Verletzungsgefahr!
Um Verletzungen durch Rückschlage zu vermeiden, muss der Garten-Häcksler richtig mit Hartmaterial befüllt werden. Wenn der Garten-Häcksler von der Rückseite (d. h. der Bediener stehen im Arbeitsbereich ( 9.4) befüllt wird, dann sollte das Astmaterial leicht schrag angesetzt und entsprechend dem Symbol (4) an der linken Trichterwand bis zum Messerwerk geführt werden. Beim Befüllen den maximalen Astdurchmesser beachten. ( 9.3) Die große Einfūlöffnung (2) dient ausschließlich der betteren Aufnahme von verzweigtem Astmaterial.

Dicke und stark verzweigte Åste (maximale Aststärke beachten) vorher mit einer Baumschere zuschneiden. Dünen Astschnitt (bis ca. 10 mm Durchmesser) in die Einfüllöffnung (1) für Weichmaterial werfen.
- Baum- oder Heckenschmitt sowie Astmaterial langsam in die Einfüllöffnung (2) der ausgeklappten Astzuführung (3) einfahren. Das Hartmaterial wird damit vom Gerät selbstständig eingezogen. Längere Åste sollen beim Häckseln mit der Hand gestützt und geführt werden.
10. Sicherheitseinrichtungen
10.1 Sicherheitsverriegelung
Der Garten-Häckslerfarndurmitkorrekt verschlossenemEinfulltrichterATO400in Betriebgenommenwerden.BeimLösendesEin/Ausschalterswährend des Betriebes wird derElektromotorbzw.der Verbrennungsmotor selbstständig abgescheltetunddasHäckselwerkzeugkommennachwenigenSekundenzum Stillstand.Wird derEinfulltrichterATO400 abgenommen,dannwerden diebeide Messerscheibenautomatischzusatzlich mechanisch gespeert.
11. Gerät in Betriebnehmen
11.1 Garten-Häcksler starten


Verletzungsgefahr!
Vor der Inbetriebnahme des Garten-Häckslers das Kapitel "Zu ihrer Sicherheit" ( 4.) sorgfällig lessen und alle Sicherheitshinweise beachten. Vor der Inbetriebnahme prufen, ob der Einfülltrichter ATO 400 odnungsgemäß verschlossen ist und der Ein-/Ausschalter (1) handfest festgezogen ist.
Verletzungsgefahr durch Rückschlage des Verbrennungsmotors!
Beim Modell GH 460 C den Griff (3) des Starterseils (4) mit einer Hand fest umschreiben und halten. Das Ziehen am Starterteil (4) muss schnell und in einem Zug erfolgen.
Vor jeder Inbetriebnahme den Reifendruck prufen. ( 12.12)

Der Ein-/Ausschalter (1) muss vom dem Starten des Verbrennungsmotors betätig werden. Bei nicht betätigtem Ein-/Ausschalter lasst sich der Verbrennungsmotor nicht starten (Sicherheitseinrichtung). ( 8.1)
Ein-/Ausschalter (1) betätig. 8.1
GH 460 C:
Tankbeluftungsschraube (2) Offnen.
- Bei kaltem Verbrennungsmotor Choke betätigen. (⇒ 8.2)
- Seitlich darüber dem Gerät stehen (Arbeitsbereich beachten ( 9.4)
GH 460:
Hinter dem Gerät stehen (Arbeitsbereich beachten ( 9.4) einen Fuß zum Gegenhalten auf die Achse stellen.
GH460,GH460C
- Griff (3) des Starterseils (4) mit einer Hand fest umfassen und festhalten.
- Starteril (4) langsam bis zum Kompressionswiderstand herausziehen. Anschließlich kraftig und schnell bis auf Armlänge durchziehen. Starteril (4) langsam zurückführren, damit es wieder aufgerollt werden kann. Wiederholen, bis der Verbrennungsmotor lauft.
GH460C
- Bei laufendem Verbrennungsmotor umgehend den Choke wieder deaktivieren. (→ 8.2)
11.2 Garten-Häcksler ausschalten


Verletzungsgefahr!
Beim Ausschalten nicht den Auswurfbereich betreten!
Beim Ausschalten des Garten-Häckslers nicht an der Seite des Verbrennungsmotors stehen und über das Gerät beugen - Verbrennungsgefahr an freißen Teilen des Verbrennungsmotors!
Achten Sie nach dem Abstellen des Verbrennungsmotors auf den Nachlauf der Arbeitswerkzeuge, der bis zum Stillstand mehrere Sekunden beträgt.

Beachten Sie das Piktogramm an der Vorderseite des Trichteroberteils.
Stellen Sie den Verbrennungsmotor erst ab, wenn sich kein Häckselgut mehr im Gerät befindet, sonst kann es bei der
Wiederinbetriebnahme zu einer Blockade an einer der beiden Messerscheiben kommt.

Den in der Abbildung darestelltw Weg und die markierte Stelle beim Ausschalten beachten.
- Durch Drehen (in beide Richtungen möglich) des schwarzen Drehknopfs (1) (Symbol O) am Ein-/Ausschalter (2) wird der Garten-Häcksler abgestellt. Der Verbrennungsmotor des Garten-Häckslers schaltet sich aus. Der Verbrennungsmotor und die Messerscheiben kommt nach weniger Sekunden zum Stillstand.
11.3 Astzuführung ausklappen


Verletzungsgefahr!
Beim Aus- und Einklappen der Astzuführung (2) sollte sich das Gerät aus Sicherheitsgründen im ausgeschalteten Zustand befinden.
- Verriegelung Astzuführung (1) nach oben drücken und halten.
- Astzuführung (2) mit der zweiten Hand langsam nach hintern (vom Gerät weg) führen.
- Verriegelung Astzuführung (1) wieder loslassen und Astzuführung (2) bis zum Anschlag ausklappen.
11.4 Astzuführung einklappen


Verletzungsgefahr!
Beim Aus- und Einklappen der Astzuführung (1) sollte sich das Gerät aus Sicherheitsgründen im ausgeschalteten Zustand befinden.
Klemmgefahr!
Beim Schlieben der Astzuführung daraufauf achten, dass die Finger nicht zwischen Astzuführung und Einfülltrichter eingeklemmt werden.
- Astzuführung (1) langsam bis zum Anschlag einklappen (zum Gerät drücken), bis diese in der Verriegelung Astzuführung (2) einrastet.
11.5 Werkzeugfach
Werkzeugfach öffnen:
Lasche (1) nach unter drücken und halten.
- Deckel des Werkzeugfachs (2) nach unten klappen.
Werkzeugfach schlieben:
Deckel des Werkzeugfachs (2) nach offen drücken bis die Lasche einrastet.
11.6 Häckseln
Garten-Häcksler auf ebenen und festen Untergrund schiben und sicher abstellen.
Schutzhandschuhe anziehen, Schutzbrille und Gehorschutz aufsetzen. ( 4.3)
- Olstand, Kraftstoff und Luftdruck prüfen. ( 7.8) , ( 12.12)
- Bei Hartmaterial (z. B. Baum- und Heckenschmitt) die Astzuführung ausklappen. ( 11.3)
Garten-Häcksler starten. ( 11.1)
- Warten, bis der Garten-Häcksler die maximale Drehzahl (Leerlaufdrehzahl) erreicht hat.
Garten-Häcksler richtig mit Häckselgut besteht. (⇒ 9.7)
Garten-Häcksler aushalte. (⇒ 11.2)
12. Wartung

Verletzungsgefahr! Nur mit
Schutzhandschuhen arbeiten.
Berühren Sie nie die Messer, ehe sie nicht stillstehen.
Sollten Ihnen notwendige Kenntnisse oder Hilfsmittel fehlen, wenden Sie sich immer an einen Fachhändler.
STIHL empfehl, Wartungsarbeiten und Reparaturen nur beim STIHL Fachhändler durchführten zu halten.
STIHL empfehl, STIHL Original-Ersatzteile zu verwenden.
Verletzungsgefahr!
Vor allen Wartungs- oder Reinigungsrarbeiten am Gerät das Kapitel "Zu Ihrer Sicherheit" (⇒ 4.), insbesondere das Unterkapitel "Wartung und Reparaturen" (⇒ 4.7), sorgfältiglesenundalle Sicherheitshinweisegena beachten.

Vor allen Wartungs- und Reinigungsrarbeiten den Zündkerzenstecker abziehen!

12.1 Gerät reinigen


Sind die Messerscheiben mit Häckselmaterial bedeckt, muss zum Entfernen des Häckselmaterials eine Bürste oder Ähnliches verwendet werden.
Nicht mit der Hand über das Gehäuse streifen. Verletzungsgefahr durch die Messer!
Reinigungssposition des GartenHäckslers:
Das Gerätarf nur in der abgebildeten Position gereinigt werden.
Einfulltrichter demontieren. ( 12.2)
Wird der Garten-Häcksler nicht wie beschreiben positioniert, kann das Gerät (Verbrennungsmotor) beschädigt werden.
Wartungsinterval: Nach jedem Einsatz
Gerat nach jedem Einsatz gründlich reinigen. Eine pflegliche Behandlung schützt das Gerät vor Schäden und verlangert die Nutzungsdauer.

Niemals Strahlwasser auf
Teile des Elektromotors bzw.
Verbrennungsmotors,
Dichtungen, Lagerstellen, und elektrische Bauteile wie
Schalter richten. Teure Reparaturen waren hier die Folge.

Sollten Sie Verschmutzungen und angesetzte Rückstände nicht mit einer Bürste, mit einem feuchten Tuch oder mit einem Holzstab entfern
konnen, empfehl't STIHL die Verwendung eines Spezialreiners (z. B. STIHL Spezialreiner).
Benutzen Sie keine aggressiven Reinigungsmittel.
Die Messerscheiben regelmäßig reinigen.
Die Kuhlrippen, Lüfterrad, Bereich um den Luftfilter, Auspuff usw. von Verschmutzungen befreiern, um ausreichende Motorkühlung zu gewährleisten.
12.2 Einfulltrichter ATO 400 demontieren

Verletzungsgefahr!
Gerat ausschalten. Vor dem Ausdrehen des Ein-/Ausschalters (1) den Zündkerzenstecker abziehen
Nur mit festen Handschuhen arbeiten.
Werden nach der Abnahme des Einfülltrichters keine Arbeiten an den Messerscheiben durchgeführt, muss aus Sicherheitsgründen die Messerabdeckung montiert werden. (→ 7.4)
- Ein-/Ausschalter (1) lösen bis sich der Einfülltrichter ATO 400 (2) nach hinter klappen{lsst.
Einfulltrichter ATO 400 (2) abnehmer.

Nachdem der Trichter demontiert wurde, wird die Sperrvorrichtung für die Messerscheiben automatisch aktiviert.
Im verspernten Zustand kann sich die Messerscheibe denenoch um ca. 360^ drehen, bis der Anschlag erreicht wird.
12.3 Messerscheibendemontieren


Verletzungsgefahr! Nur mit
Schutzhandschuhen arbeiten!
Berühren Sie nie die Messer, ehe sie nicht stillstehen.
Zündkerzenstecker abziehen!
Einfulltrichter ATO 400 demontieren. ( 12.2)
1 Messerschraube offen:
- Montagewerkzeug (1) an der Messerschraube (2) ansetzen und langsam und vorsichtig gegen den Uhrzeigersinn drehen, bis die Messerscheiben vom Anschlag gestoppt werden. Montagewerkzeug (1) abziehen.

Um Verletzungen zu vermeiden, musz zum Losen der Messerschraube immer die Messerabdeckung montiert sein (siehe Ansicht Z).
- Messerabdeckung montieren. (⇒ 7.4)
-
Montagewerkzeug (1) durch die Bohrung der Messerabdeckung (3) stecken und an der Messerschraube (2) ansetzen.
-
Messerschraube (2) mittels Montagewerkzeug (1) lösen und vollständig ausdrehen.
- Messerabdeckung demontieren.
(7.3) - Messerschraube (2), Sicherungsscheibe (4) und Klemmring (5) abnehmer.
Flügelmesser und Messerscheibe Weichmaterial entnahmen:
Flugelmesser kurz (6) und Flugelmesser lang (7) abnehmer.
- Messerscheibe Weichmaterial (8) abheben.
3Einsatz demontieren:
- Schrauben (9) lösen und entnahmen.
Einsatz (10) nach oben entnahmen.
4 Messerhalter und Messerscheibe Hartmaterial demontieren:
- Schraube (11) mit Hilfe des Montagewerkzeugs (1) eindreten und darauf den Messerhalter (12) abziehen.
- Schraube (11) ausdrehen und entnahmen.
- Messerhalter (12) mit Klemmring (13) entnahmen.
- Messerscheibe Hartmaterial (14) abheben.
12.4 Messerscheiben montieren

Verletzungsgefahr! Nur mit Schutzhandschufen arbeiten!

Vorphschnittliche Drehm踪 der Messerschraube von 36 - 44 Nm ist genau einzuhalten, da die sichere Befestigung der beiden Messerscheiben davon abhängt. Vor dem Aufstecken der beiden Messerscheiben durch Sichtkontrolle prufen, ob diese in Ordnung und nicht verbogen sind und die Messer keine Kerben, Risse oder ausgebrochenen Stellen aufweisen.
VerschleBgrenzen der Messer beachten. ( 12.9)
Es müssen immer bereits Messerscheiben montiert werden.
Alle Montageschritte 1 bis 5 ausführren.

Vor der Montage die beiden Messerscheiben und die Messerscheibenaufnahme am Gerat reinigen. Außer dem sicherstellen, dass die Passfeder an der Messerwelle montiert ist.
1. Messerscheibe Hartmaterial einsetzen (Abbildung A):
- Messerscheibe Hartmaterial (1) mit den drei montierten Messern nach oben einsetzen.
Die rechteckige Messeraufnahme der Messerscheibe (2) an der rechteckigen Aufnahme des Lagerringes (3) einrasten halten.
2. Messerhalter mit Klemmring montieren (Abbildung A):

Die Ausnehmung des Klemmringes an der Messerecke positionieren, damit der Klemmring plan auf der Messerscheibe liegt.
- Klemmring (4) auf die Messerscheibe legen (Ausnehmung des Klemmrlings muss das Messer umschieden).
- Messerhalter (5) auf die Antriebswelle (6) schiben. Dabei darauf auf achten, dass der Messerhalter in der Messerscheibe (1) einrastet und im Klemmring (4) bis zum Anschlag versenkt wird.
3. Einsatz montieren (Abbildung A):

Der Einsatz kann nur wie abgebildet montiert werden. In einer anderen Position lasst sich der Einsatz nicht einschieben.
Einsatz (7) wie abgebildet einsetzen.
- Schrauben (8) eindreten und mit 33 - 37 Nm festziehen.
4. Messerscheibe Weichmaterial und Flügelmesser einsetzen (Abbildung B):

- Messerscheibe Weichmaterial (9) mit den vier montierten Messern nach oben einsetzen.
Als erstes Flügelmesser muss das langere der beiden eingesetzt werden. Anschließlich das zweite Flügelmesser 90^ versetzt zum ersten Flügelmesser einsetzen.
Flugelmesser lang (10) einsetzen. Flugelmesser kurz (11) um 90^ versetzt einsetzen.
5. Messerscheiben befestigen (Abbildung 8):
- Klemmring (12) aufstecken und zusammen mit der Sicherungsscheibe (13) und der Messerschraube (14) festdrehen.
- Montagewerkzeug (15) an der Messerschraube (14) ansetzen und langsam und vorsichtig im Uhrzeigersinn drehen, bis die Messerscheiben vom Anschlag gestoppt werden. Montagewerkzeug (15) abziehen.

Verletzungsgefahr!
Zum Festziehen der Messerschraube muss immer die Messerabdeckung montiert sein (siehe Ansicht [Z]).
- Messerabdeckung montieren. (⇒ 7.4)
- Montagewerkzeug (15) durch die Bohrung der Messerabdeckung (16) stecken und an der Messerschraube (14) ansetzen.
- Messerschraube (14) mit 36 - 44 Nm festziehen.
Einfulltrichter ATO 400 montieren. ( 7.5)
12.5 Gegenmesser demontieren


Verletzungsgefahr! Nur mit
Schutzhandschuhen arbeiten!
Einfulltrichter ATO 400 bzw. Messerabdeckung demontieren. ( 12.2) ( 7.3)
- Schraube (1) losen und entnehmen.

- Gegenmesser (2) nach oben entnahmen.
12.6 Gegenmesser montieren

Verletzungsgefahr! Nur mit
Schutzhandschuhen arbeiten!
Einfulltrichter ATO 400 bzw. Messerabdeckung demontieren. ( 12.2) ( 7.3)
- Gegenmesser (1) in die Aufnahme (2) des Gehäuses einsetzen.
- Schraube (3) eindreten und mit 28 - 32 Nm festziehen.
Einfulltrichter ATO 400 montieren. ( 7.5)
12.7 Messer wenden

Verletzungsgefahr!
Nur mit Schutzhandschuhen arbeiten!



Bei stumpfen Messern wird empfohlen, alle Messer der jeweiligen Messerscheibe zu wenden. Alle Messer (unabhängig von der Messergeometrie) sind identisch zu wenden.
- Messerscheiben demontieren. (⇒ 12.3)

Verletzungsgefahr!
Zur Vermeidung von Verletzungen sollenn die Messerscheiben vor der Montage bzw. Demontage der Messer immer niedergespannt werden.
Vier Messer der Messerscheibe Weichmaterial wenden (Abbildung A):
1. Demontieren:
- Schrauben (1) lösen und mit Mattern (2) entnahmen.
- Messer (3) nach oben entnahmen.
2. Montieren:
- Messerscheibe reinigen.
- Messer (3) wenden und mit der scharfen Kante frei liegend auf die Messerscheibe legen und die Bohrungen in eine Flucht bringen.
- Schrauben (1) durch die Bohrungen stecken und Muttern (2) eindreten. Muttern (2) mit 8 - 10 Nm festziehen.
Drei Messer der Messerscheibe Hartmaterial wenden (Abbildung B):
1. Demontieren:
- Schrauben (4) und Schrauben M8 (5) losen und mit Muttern (6) und Muttern M8 (7) entnehmer.
- Messer (8) und Messer (9) nach oben entnahmen.
2. Montieren:

Zwischen den beiden Messern (8)
darf nach der Montage kein Spalt bleiben. Ein Spalt zwischen den beiden Messern vermindert die Einzugsfunktion.
- Messerscheibe reinigen.
- Messer (8) wenden, mit der scharfen Kante frei liegend auf die Messerscheibe legen und die Bohrungen in eine Flucht bringen.
- Schrauben (4) durch die Bohrungen stecken und Muttern (6) eindreten. Nicht festziehen!
Die beiden Messer (8) (siehe keine Abbildung) zusammen drücken und halten. Es damit kein Spalt zwischen den beiden Messern (8) bleiben.
- Muttern (6) mit 8 - 10 Nm festziehen.
- Messer (9) wenden und mit der scharfen Kante frei liegend auf die Messerscheibe legen.
- Schrauben M8 (5) durch die Bohrungen stecken und Muttern M8 (7) eindrehen und mit 16 - 20 Nm festziehen.
12.8 Messer schärfen

Es wird empfohlen, dass das Scharfen aller Messer ausschließlich von einem Fachhändler durchgefuhrt wird, da sich bei falsch geschliffenen Messern (falscher Scharfwinkel, Unwucht durch ungleich geschliffene Messer usw.) die Funktion (Einzug des Häckselmaterials, Standfestigkeit der Schneiden usw.) des Garten-Häckslers verschlechtern kann.
Während des Schleifvorgangs ist immer eine Schutzbrille zu tragen. Achten Sie darauf, dass sich keine Personen im Gefahrenbereich aufhalten.
- Messerscheiben demontieren. (⇒ 12.3)
- Messer demontieren. (⇒ 12.7)
Scharfwinkel:
Der Scharfwinkel aller Messer beträgt 30^
Anleitung zum Schärfen der Messer:
Die Messer mussen unter Beachtung folgender Punkte nachgeschäft werden:
- Messer beim Schleifen kühlen, z. B. mit Wasser. Eine Blaufärbung darf nicht auftreten, da sonst die Schneidhaltigkeit vermindert ist.
- Messer gleichmäßig schärfen, um Vibrationen durch Unwucht zu vermeiden.
- Messer vor dem Einbau auf Beschädigungen kontrollieren: Messer müssen erneuert werden, wenn Kerben und Risse sightbar sind, oder wenn die Verschleibgrenzen erreicht sind.
- Messerschneiden unter Bechtung der Angabe des Scharfwinkels nachscharfen.
- Messer gegen die Schneide schärfen.
- Nach dem Scharfvorgang den entstandenen Schleifgrat an der Schneidkante gegebenfalls mit einem feinen Schleifpapier entfern.
12.9 Verschleibgrenzen der Messer


Vor dem Erreichen der angegebenen Verschleibgrenzen (A, B, C, D) sind die jeweiligen Messer zu wenden bzw. zu tauschen. STIHL empfehl't den STIHL Fachhandler.
Die Messung der angegebenen Werte muss bei allen Messern an mehreren Messpunkten (empfohlen zwei bis drei) entlang der Schneidkante durchgefuhrt werden. Der kleinste Wert eines Messers ist zu verwenden.
Es wird empfohlen, immer alle Messer zu wenden bzw. zu tauschen!
1 Messerübersicht
2 Stuck Flugelmesser (1)
6 Stuck Messer (2)
1 Stuck Messer (3)
1 Stuck Gegenmesser (4)
Messerscheibe Weichmaterial:
Die Messerscheibe Weichmaterial ist mit vier Messern bestückt.
Messerscheibe Hartmaterial:
Die Messerscheibe Hartmaterial ist mit zwei Messern und einem Schnitzelmesser bestückt.
- Messerscheiben demontieren. (⇒ 12.3)
Verschleibgrenze Flügelmesser (1):
Das Messverfahren und der angegebene Wert sind für beiden Flügelmesser gleich.
An den beiden Flügelmessern kann durch ungleiche Beanspruchung der Schneidkanten ein asymmetrischer Verschleib auftreten.
Minimale Messerbreite (A) der beiden Flügelmesser (1):
A = 39 mm
3Verschleibgrenze Messer (2):
Bei den Messern (2) handelt es sich um Wendemesser. Nach Erreichen der angegebenen Verschleibgrenze (B) kann das Messer bis zum Erreichen der Verschleibgrenze nachgeschäft und gewendet werden, bevor es ersetzt werden muss.
Den in der Abbildung dargestellen Abstand (B) vom groBen Durchmesser der Bohrung zur Schneidkante (X) messen.
An der zweiten Bohrung am Messer den Vorgang wiederholen.
Mindestabstand (B) an den Messern (2): B = 6 mm
i Unterschiedet einer der beiden gemessenen Abstände den Mindestabstand (B), muss das jeweilige Messer (2) gewendet bzw. ersetzt werden.
4Verschleibgrenze Messer (3):
Beim Messer (3) handelt es sich um ein Wendemesser. Nach Erreichen der angegebenen Verschleibgrenze (C) kann das Messer (3) bis zum Erreichen der Verschleibgrenze nachgeschäft und gewendet werden, bevor es ersetzt werden muss.
- Den Abstand (C) im rechten Winkel zur Schneidkante messen.
Mindestabstand (C) am Messer (3): C = 7 mm
i Unterschiedet der gemessene Abstand den Mindestabstand (C), muss das Messer (3) gewendet bzw. ersetzt werden.
VerschleBgrenze Gegenmesser (4):
Am Gegenmesser (4) kann durch ungleiche Belastung der Schneidkante ein asymmetrischer Verschleib aufreten.
Das Gegenmesser (4) ist zu ersetzen, bevor die Kante (D) an der Messerspitze (5) weggeschliffen und nicht mehr zu sehen ist.
12.10 Serviceinterval Verbrennungsmotor
Wartungsinterval: Vor jeder Betriebnahme:
Ölkontrolle durchfuhren
(⇒ Gebrauchsanleitung
Verbrennungsmotor). Beachten Sie die Bedienungs- und Wartungshinweise, die Sie der beiliegenden Gebrauchsanleitung Verbrennungsmotor entnehmen können.
12.11 Serviceintervalle
Wartung durch den Fachhändler
Es wird empfohlen den Garten-Häcksler von einem Fachhändler warten zu halten. STIHL empfeht den STIHL Fachhändler.
Profi-Einsatz (Verwendung des Garten-Häckslers im gewerblichen Bereich): halbjährlich
Privatanwender: jährlich
Wartungsintervall der Schneideinheit:
Vor jedem Einsatz:
Schneideinheit (bestehend aus Messerscheibe, Messer, Sicherscheibe,
Klemmring und Schraube) auf festen Sitz, Risse oder andere Beschädigungen prufen.
VerschleBgrenzen der Messer überprüfen. ( 12.9)
12.12 Rader
Die Gleitlager der Rader sind wartungsfrei.

Luftdruck: 1,8-2,0 bar
Wartungsinterval: Vor jeder Inbetriebnahme des Garten-Häckslers und nach längerer Stillegung sollen der Luftdruck der Räder kontrolliert und gegebenenfalls optimiert werden.
Reifendruck optimieren:
Abdeckkappe (1) vom Ventil (2) abschrauben und mit Hilfe eines geeigneten Manometers den angegebenen Luftdruck einstellen
Abdeckkappe (1) auf das Ventil (2) aufschrauben.
Prüfvorgang des Reifendrucks ohne Manometer:
Ist kein Manometer zur Einstellung des Luftdrucks vorhanden, kann der Reifendruck anhand des Kontrollmaßes (Y) von der Achse zum Boden überprüft werden.
Mindestabstand Y = 110m m
12.13 Aufbewahrung und Winterpause
Garten-Häcksler in einem trockenen, verschlossenen und staubarmen Raum aufbewahren. Stellen Sie richer, dass das Gerät außerhalb der Reichweite von Kindern ist.
Den Garten-Hacksler nur in betriebssicherem Zustand und mit montiertem Einfulltrichter ATO 400 oder montierter Messerabdeckung einlagern.
Halten Sie alle Muttern, Bolzen und Schrauben fest angezogen, erneuern Sie unleserlich gewordene Gefahren- und Warnhinweise am Gerat, prufen Sie die gesamte Maschine auf Verschleib oder Beschädigungen. Ersetzen Sie abgenutzte oder beschädigte Teile.
Eventuelle Störungen am Gerät sind grundsätzlich vor der Einlagerung zu begeben.
Bei längerer Stillegung des Garten-Häckslers (Winterpause) die nachfolgenden Punkte beachten:
- Alle außeren Teile des Gerätes sorgfältig reinigen
- Sümmtliche beweglichen Teile gut einölen bzw. einfetten.
- Kraftstoffank und Vergaser entleeren (z. B. durch Laufenlassen des Verbrennungsmotors).
Zündkerze Herausschrauben und ca. 3cm^3 Motorol durch die Zündkerzenöffnung in den Verbrennungsmotor einfüllen. Verbrennungsmotor eineige Male ohne Zündkerze durchdrehen.

Brandgefahr!
Zündkerzenstecker vom Zündkerzenloch weghalten (Entzündungsgefahr).
Zündkerze wieder einschrauben.
- Olwechsel vornehmen (⇒ Gebrauchsanleitung Verbrennungsmotor).
- Den Verbrennungsmotor gut abdecken und das Gerät in einem trockenen, staubarmen Raum aufrecht stehend lagern.
13. Transport


Verletzungsgefahr!
Das Kapitel "Zu Ihrer Sicherheit", insbesondere das Kapitel "Transport" sorgfältiglesenund beachesten. ( 4.4)
Den Garten-Hacksler nur mit montiertem Einfulltrichter ATO 400 und eingeklappter Astzuführung transportieren.
Wird der Garten-Hacksler ohne Einfulltrichter ATO 400 transportiert, muss aus Sicherheitsgrunden (freiigende Messer) die Messerabdeckung montiert werden. ( 7.4)
Tragen Sie den Garten-Hacksler zu dritt und niemals ohne geeignete Sicherheitsbekleidung (Sicherheitsschuhe, Schutzhandsschuhe).
Vor dem Anheiten oder Kippen des Gerätes das im Kapitel "Technische Daten" angegebene Gewicht beachten. ( 18.)
Garten-Häckslerziehen oder schieben (Abbildung A):
Garten-Hacksler am Transportgriff (1) festhalten und nach hinten kippen, bis das Gerät auf den Rädern besteht.
- Der Garten-Häcksler kann langsam (Schritttempo) gezogen oder geschoben werden.


Verletzungsgefahr bei Stufen, Absätzen und schrägen Rampen!
Aufgrund des Gewichtes ist besondere Vorsicht an Treppen, Bordsteinen, Absatzen, sonstigen Erhöhungen und schrägen Rampen geboten.
Das Gerat über Stufen, Absätze, sonstige Erhöhungen und schräge Rampen hinunterschieben und nicht ziehen. Dabei muss der Benutzer immer hoher als das Gerat stehen um bei einem Verlust der Kontrolle über das Gerat nicht zusammen überrollt zu werden.
Das Gerat über maximal zwei bis drei Stufen schieben! Über mehrere Stufen das Gerat mit Hilfe von 2 weiteren Personen/TRagen.
Verletzungsgefahr durch das hohe Gewicht des Gerätes!
Garten-Häcksler anheiten oder/TRagen (Abbildung B):

Aufgrund des groBen Gewichtes (>50kg) wird dringend empfohlen, das Gerat nicht zu tragen, sondern nur durch Schieben auf den Rädern zu versetzen.
Für Hebevorgänge bzw. kurze Tragestrecken müssen geeignete Hebevorrichtungen verwendet werden.
Beim manuellen Anheiten sind jederfalls. 3 Personen erforderlich, die jeweils an einem Radfuß bzw. am Einfüllt angreifen. Tragen Sie ge Schutzkleidung, die Untere Berkörper zur Gänze bei

Garten-Hacksler am Transportgriff (1) und an beiden schwarzen Standfußen (2) festhalten und anheben bzw.lagen.
Garten-Häcksler auf einer Ladefläche transportieren (Abbildung C):

Verletzungsgefahr!
Den Garten-Hacksler beim Transport immer sichern. Niemals ungesichert transportieren!
Den Garten-Häcksler beim Transport auf einer Ladefläche mit geeigneten Befestigungsmitteln gegen Verrutschen sichern. Seile bzw. Gurte an folgenden Punkten des Gerätes festmachen:
-Achse(Innenseite des RadfuBes)
-Rad fuß links
-RadfuRechts
Einfülltrichter ATO 400
14. Verschleib minimieren und Schaden vermeiden
Wichtige Hinweise zur Wartung und Pflege der Produktgruppe
Garten-Häcksler Benzin (STIHL GH)
Für Sach- und Personenschäden, die durch Nichtbeachtung der Hinweise in der Bedienungsanleitung, insbesondere hinsichtlich Sicherheit, Bedienung und Wartung, verursacht werden, oder die durch Verwendung nicht zugelassener Anbau- oder Ersatzteile auftreten, schließt die Firma STIHL jeder Haftung aus.
Bitte beachten Sie unbedingt folgende wichtige Hinweise zur Vermeidung von Schaden oder übermäßig dem Verschleib an Ihrem STIHL Gerat:
1. VerschleiBteile
Manche Teile des STIHL Gerätes unterliegen auch bei bestimmungsgemäßem Gebrauch einem normalen Verschleiß und müssen je nach Art und Dauer der Nutzung rechtzeitigersetzt werden.
Dazu gehören u.a.:
- Messer
- Messerscheibe
- Keilriemen
2. Einhaltung der Vorgaben dieser Gebrauchsanleitung
Benutzung, Wartung und Lagerung des STIHL Gerätes mussen so sorgfältig erfolgen, wie in dieser Gebrauchsanleitung beschrieben. Alle Schäden, die durch Nichtbeachten der Sicherheits-, Bedienungs- und Wartungshinweise verursacht werden, hat der Benutzer selbst zu verantworten.
Dies gilt insbesondere für:
- nicht bestimmungsgemäß Verwendung des Produktes.
- Verwendung von nicht von STIHL zugelassenen Betriebsstoffen (Schmiermittel, Benzin und Motoröl, siehe Gebrauchsanleitung Verbrennungsmotor).
- nicht von STIHL freigegebene Veränderungen am Produkt.
-
Verwendung von nicht von STIHL freigegebenen Anbauteilen, Anbaugeräten oder Schneidwerkzeugen.
-Einsatz des Produktes bei Sport- oder Wettbewerbs-Veranstaltungen. -
Folgeschäden durch die Weiterbenutzung des Produktes mit defekten Bauteilen.
3. Wartungsarbeiten
Alle im Abschnitt "Wartung" aufgeführten Arbeiten müssen regelmäßig durchgeführt werden.
Soweit diese Wartungsarbeiten nicht vom Benutzer selbst ausgeführrt werden konnen, ist damit ein Fachhändler zu beauftragen.
STIHL empfehlt Wartungsarbeiten und Reparaturen nur beim STIHL Fachhändler durchführten zu halten.
STIHL Fachhandlern werden regelmäßig Schulungen angeboten und technische Informationen zur Verfugung gestellt.
Werden diese Arbeiten versäumt, können Schaden auftreten, die der Benutzer zu verantworten hat.
Dazu zahlen unter anderem:
- Korrosions- und andere Folgeschäden durch unsachgemäße Lagerung.
- Schäden und Folgeschäden durch die Verwendung von anderen als STIHL Original-Ersatzteilen.
- Schaden durch Wartungs- oder Reparaturarbeiten, die nicht in Werkstätten von autorisierten Fachhandlern durchgehört wurden.
15. Übliche Ersatzteile
Messerscheibe Weichmaterial komplett: 6012 700 5110
Messerscheibe Hartmaterial komplett: 6012 700 5100
Flügelmesser lang: 6012 702 0310
Flügelmesser kurz: 6012 702 0300
Messer (6x): 6008 702 0121
Messer (1x): 6012 702 0100
Gegenmesser: 6012 702 0500
16. Umweltschutz

Häckselgut besteht nicht in den Müll, sondern soll kompostiert werden.
Verpackungen, Gerät und
Zubehore sind aus recyclingfähigen Materialien hergestellt und entsprechend zu entsorgen.
Die getrennte, umweltgerechte Entsorgung von Materialresten fordert die Wiederverwendbarkeit von Wertstoffen. Aus thisem Grund ist nach Ablauf der gewöhnlichen Gebrauchsdauer das Gerät der Wertstoffsammlung zuzuführen. Eine unsachgemäß Entsorgung kann die Gesundheit schädigen und die Umwelt belasten.
16.1 Entsorgung
Machen Sie den Verbrennungsmotor vorder Entsorgung unbrauchbar.
Dazu insbesondere Zündkabel entfern, Tank entleeren und Motoröl ablassen.
Verletzungsgefahr durch die Messer!
Lassen Sie auch einen ausgedienten Garten-Häcksler nimals unbeaufsichtigt. Stellen Sie sicher, dass das Gerät und die Messer außerhalb der Reichweite von Kindern aufbewahrt werden.
17. Konformitätserklarung
17.1 EU-Konformitätserklarung Garten-Häcksler STIHL GH 460.0, GH 460.0 C
STIHL Tirol GmbH
Hans Peter Stihl-Straße 5
6336 Langkampfen
Österreich
erklärnt in alleiniger Verantwortung, dass
Bauart: Garten-Häcksler
-
Fabrikmarke: STIHL
-
Typ: GH 460.0, GH 460.0 C
Nennleistung bei Nennrehzahl: GH 460.0:3,4-3000 kW /min GH 460.0 C:5,8-2800 kW /min
- Serienidentifizierung: 6012
den einschlagigen Bestimmungen der Richtlinien 2000/14/EG, 2006/42/EG, 2014/30/EU und 2011/65/EU entspricht und in Übereinstimmung mit den jeweils zum Produktionsdatum gültigen Versionen der folgenden Normen entwickelt und gefertigt worden ist: EN 13683 und EN ISO 14982.
Zur Ermittlung des gemessenen und des garantierten Schalleistungspegel wurde nach Richtlinie 2000/14/EC, Anhang V verfahren.
GH 460.0
Gemessener Schalleistungspegel: 101,4 dB(A)
- Garantierer Schalleistungspegel: 104 dB(A)
GH 460.0 C
Gemessener Schalleistungspegel: 103,4 dB(A)
- Garantierer Schalleistungspegel: 108 dB(A)
Die Technischen Unterlagen sind bei der STIHL Tirol GmbH aufbewahrt.
Das Baujahr und die Maschinennummer sind auf dem Garten-Häcksler angegeben.
Langkampfen, 20.12.2021
STIHL Tirol GmbH
i.V.

Matthias Fleischer, Bereichsleiter
Forschung und Entwicklung
i. V.

Sven Zimmermann, Hauptabteilungsleiter
Qualität
17.2 Anschrift STIHL Hauptverwaltung
ANDREAS STIHL AG & Co. KG
Postfach 1771
D-71301 Waiblingen
17.3 Anschriften STIHL
Vertriebsgesellschaften
DEUTSCHLAND
STIHL Vertriebszentrale AG & Co. KG
Robert-Bosch-Straße 13
64807 Dieburg
Telefon: +49 6071 3055358
ÖSTERREICH
STIHL Ges.m.b.H.
Fachmarktstraße 7
2334 Vosendorf
Telefon: +43 1 86596370
SCHWEIZ
STIHL Vertriebs AG
Isenrietstraße 4
8617 Monchaltorf
Telefon: +41 44 9493030
TSCHECHISCHE REPUBLICI K
Andreas STIHl, spol. s r.o.
Chrlicka 753
664 42 Modric
18. Technische Daten
Serienidentfizierung 6012
Startvorrichtung Seilstart
Schneideinheit MultiCut 450
Antrieb
Schneideinheit permanent
Rad-0 260 mm
GH 460.0:
Verbrennungsmotor,
Bauart
4-Takt-
Verbrennungs-
motor
B&S Series 850
EXi OHV
Typ
Nennleistung bei
Nenndrehzahl
3.4-3000
kw - /min
Hubraum 190 ccm
Kraftstofftank 1,0 I
Maximaler
Astdurchmesser 60 mm
GH 460.0:
Nenndrehzahl
Verbrennungsmotor 3000 /min
Messung gemäß
2000/14/EG / S.I.
2001/1701:
Garantierer Schall
leistungspegel LwAd 104 dB(A)
Unsicherheit K_WA 3,0 dB(A)
Messung gemäß
EN 13683:
Schalldruckpegel am
Arbeitsplatz L_pA 96 dB(A)
Unsicherheit K_D 3 dB(A)
L/B/H 108/85/137 cm
Gewicht 59kg
GH 460.0 C:
Verbrennungsmotor, 4-TaktBauart Verbrennungsmotor
Typ B&S Power built OHV (Series 3115)
Nennleistung bei 5,8 - 2800
Nenndrehzahl kW - /min
Hubraum 344 ccm
Kraftstofftank 2,31
Maximaler
Astdurchmesser 75 mm
Nenndrehz
Verbrennungsmotor
Messung gemäß
2000/14/EG / S.l.
2001/1701:
Garantierer Schall
leistungspegel L_WAd 108 dB(A)
Unsicherheit K_WA 3,3 dB(A)
GH 460.0 C:
Messung gemäß
EN 13683:
Schalldruckpegel am
Arbeitsplatz LDA 97 dB(A)
Unsicherheit K_pA 3 dB(A)
L/B/H 108/89/137 cm
Gewicht 75kg
18.1 REACH
REACH bezeichnete eine EG-Verordnung zur Registrierung, Bewertung und Zulassung von Chemikalien.
Informationen zur Erfüllung der REACH-Verordnung (EG) Nr. 1907/2006 sind unter www.stihl.com/reach angegeben.
19. Fehlersuche
siehe Gebrauchsanleitung Verbrennungsmotor.
喜 eventuell einen Fachhändler aufsuchen, STIHL empfehl't den STIHL Fachhändler.
Störung:
Verbrennungsmotor lauft nicht an
Mögliche Ursache:
-Ein-/Ausschalter nicht betätig
-Einfulltrichter nicht vorschrifsmäßig verschlossen-Sicherheitsstrengnschalter in Funktion (Sicherheitsverriegelung)
- Messerscheibe blockiert
-Kein Kraftstoff im Tank; Kraftstoffleitung verstopf
-GH 460 C:Tankbeluftungsschraube geschlossen
- Schlechter, verschmutzer oder alter Kraftstoff im Tank
-Zündkerzenstecker von Zündkerze abgezogen;Zündkabel schlecht am Stecker befestigt - Luftfilter ist verschmutzt
-Zündkerze verruSt oder beschadigt; falscher Elektrodenabstand
Abhilfe:
Ein/Ausschalter betätigten ( 8.1)
-Einfulltrichter vorschrifsmäßig schlieben und festschrauben (Ein-/Ausschalter festdrehen) ( 7.5)
-Hackselrückstunde im Gehause entfernen (ACHTUNG: Zündkerzenstecker abziehen)
-Kraftstoff nachfüllen, Kraftstoffleitungen reinigen ( 7.8)
Gerat nach Anweisungen starten (GH 460 C:Tankbeluftungsschraube offen) ( 11.1)
- Verwenden Sie stets frischen Markenkraftstoff, Normalbenzin bleifrei, Vergaser reinigen (⇒ 7.8)
-Zundkerzenstecker aufstecken; Verbindung zwischen Zundkabel und Stecker prufen
-Luftfilter reinigen
-Zündkerze reinigen oder ersetzen; Elektrodenabstand einstellen
Störung:
Verbrennungsmotor wird sehr heiß
Mögliche Ursache:
Kuhlrippen sind verschmutzt
-Zu geringer Olstand im Verbrennungsmotor
- Verbrennungsmotor ist an der Oberfläche mit Häckselmaterial beweckt
Abhilfe:
-Kuhlrippen reinigen ( 12.1)
-Motorol nachfüllen ( 7.8)
-Hackselmaterial vom Verbrennungsmotor entfernen
Störung: Starke Vibrationen während des Betriebs
Mögliche Ursache: - Messerscheibe oder Messer defekt - Motorbefestigung lose
Abhilfe: Messerscheiben, Messer, Messerwelle, Schrauben, Muttern, Scheiben und Lager der Schneideinheit kontrollieren, ggf. reparieren
-Schrauben Motorbefestigung anziehen
Störung:
Erschwertes Starten oder die Motorleistung{lsst nach
Mögliche Ursache:
- Häckselgut im Gehäuse
- Wasser im Kraftstofftank und Vergaser; Vergaser ist verstopf
- GH 460 C: Tankbelüftungsschraube geschlossen bzw. nicht vollständig geöffnet
- Kraftstofftank ist verschmutzt
- Luftfilter ist verschmutzt
- Zündkerze ist verrußt
Abhilfe: - Häckselrückstände im Gehäuse entfernen (Zündkerzenstecker abziehen!) ( 12.1)
Kraftstofftank entleeren, Kraftstoffleitung und Vergaser reinigen
-GH 460 C: Gerat nach Anweisungen starten (Tankbeluftungsschraube offen) ( 11.1)
-Kraftstofftank reinigen
- Luftfilter reinigen
-Zundkerze reinigen
Störung: Verminderte Häckselleistung
Mögliche Ursache:
- Stumpfe Messer
- Falsch geschliffene Messer
- Verbogene Messerscheibe
Abhilfe:
- Messer nachscharfen oder ersetzen ( 12.8) - Messer richtig schärfen ( 12.8) - Messerscheibe durch Sichtkontrolle prüfen und gegebenenfalls ersetzen ( 12.3)
Störung: Häckselgut wird nicht eingezogen
Mögliche Ursache:
- Stumpfe oder falsch geschärfte Messer
- Spalt zwischen den beiden Messern (Messerscheibe Hartmaterial)
- Messerabdeckung nicht entfernt
Abhilfe: - Messer nachschleifen und damit genau den Scharfwinkel beachten ( 12.8)
- Messer ohne Spalt auf der Messerscheibe Hartmaterial montieren ( 12.7) - Messerabdeckung demontieren ( 7.3)
20. Serviceplan
20.1 Übergabebestätigung



20.2 Servicebestätigung
Geben Sie diese 32
Gebrauchsanleitung bei
Wartungsarbeiten Ihrem STIHL
Fachhandler.
Er bestätigt auf den vorgedruckten Feldern die Durchführung der Servicearbeiten.
00 Service ausgeführ am
Datum)nachsterService
Dear Customer,
Hans Peter Stihl-Straße 5
6336 Langkampfen
Autriche
ANDREAS STIHL AG & Co. KG Postfach 1771
D-71301 Waiblingen
STIHL Vertriebszentrale AG & Co. KG
Robert-Bosch-Straße 13
64807 Dieburg
Telephone:+4960713055358
AUTRICHE
STIHL Ges.m.b.H.
Fachmarktstraße 7
2334 Vosendorf
Telephone:+43186596370
SUSSE
STIHL Vertriebs AG
Isenrietstraße 4
8617 Monchaltorf
Telephone: +41 44 9493030
République Tchéque
Andreas STIHL, spol. s r.o.
Chrlicka 753
664 42 Modrice
19. Recherche des pannes
Technische gegevens 128
REACH 128
Defectosporing 128
Tank de brandstoftank nicht te vol!
4As en viel monteren:
1 stuks gegenmes (4)
16. Milieubescherming

STIHL Tirol GmbH
Hans Peter Stihl-Straße 5
18. Technische gegevens
GH460.0/GH460.0C:
Serienummer 6012
Startsystem Trekkoord
Snijeenheid MultiCut 450
Aandrijying
snijeenheid: permanent
Wiel-0 260 mm
GH 460.0:
De verbrandingsmotor start nicht
Mogelijk oorzaak:
Vultrechter nicht volgens de
Hans Peter Stihl-Straße 5
6336 Langkampfen
Austria
ANDREAS STIHL AG & Co. KG
Postfach 1771
D-71301 Waiblingen
STIHL Vertriebszentrale AG & Co. KG
Robert-Bosch-Straße 13
64807 Dieburg
Telefono: +49 6071 3055358
AUSTRIA
STIHL Ges.m.b.H.
Fachmarktstraße 7
2334 Vosendorf
L Cubiertadexpulsion 1
M Deflector 1
Hans Peter Stihl-Straße 5
6336 Langkampfen
Austria
declar, como unico responsable, que
Articulo: Biotrituradora
- Marca:STIHL
- Tipo: GH 460.0, GH 460.0 C
- Potencia nominal a régimen nominal: GH 460.0: 3,4 - 3000 kW | rpm GH 460.0 C: 5,8 - 2800 kW | rpm
- Identificacion de series: 6012
Hans Peter Stihl-Straße 5
6336 Langkampfen
Austria
declarasobasaexclusiveresponsabilitad Que
- Modelo: Biotriturador de jardim
-Marca:STIH L - Tipo: GH 460.0, GH 460.0 C
-Potencia nominal a rotação nominal: GH 460.0:3,4-3000 kW | rpm GH 460.0 C:5,8-2800 kW | rpm - Identificacao de série: 6012
Produktkomponente 227
Gjore maskinen klar for bruk 227
Pakke ut kompostkvernen 227
Montere understellet 228
Demontere knivdekselet 228
Montere knivdekselet 228
Montere pafyllingstrakten ATO 400 228
6. Produktkomponente

Nr. Betegnelse Ant.
Montere den venstre hjulfoten:
9.5 Maskinens arbeitsstilling
STIHL Tirol GmbH
Hans Peter Stihl-Straße 5
6336 Langkampfen
Østerrike
Göra maskinen klar für
anvandning 253
Packauppkompostkvarnen 253
Montera stod 253
Demontera knivskydd 254
Montera knivskydd 254
Montera inmatningstratt ATO 400 254
Overlämmningsbekräftelse 268
Servicebekräftelse 268
2. Information omenna bruksanvisning
2.1 Allmänt
- Oppna fürpackningen.
Monteringsläge:
Dra bort tandstiftskontakten!
- Demontera inmatningstratten ATO 400.
(⇒ 12.2)
0Lossa knivskruv:
Hans Peter Stihl-Straße 5
6336 Langkampfen
Österrike
20.1 Überlammningsbekräftelse


Nasta service
Datum:
20.2 Servicebekräftelse
Överlamna denna braksanvisning till din STIHL servande fackhandel vid unterhalb.
Datum für{nasta service
Arvoisa asiakas,
Tyokalukotelon avaus:
STIHL Tirol GmbH
Hans Peter Stihl-Straße 5
6336 Langkampfen
Itävalta
Mittaus 2000/14/EC /
S.I. 2001/1701
mukaan:
Taattu aänitehotaso
LwAd
Epavarmuus KwA:
Mittaus 2000/14/EC /
S.I. 2001/1701
mukaan::
Taattu ainitehotaso
LwAd
Epavarmuus KwA:
Mittaus EN 13683
mukaan:
Aänenpainetasyopaikalla LpA
Epavarmuus K_pA
P/L/K
104 dB(A)
3,0 dB(A)
96 dB(A)
3 dB(A)
108/85/137 cm
59 kg
4-tahtinen
poltomoottori
6. Medfolgende delete

befestigelsesskruer:
Ved at dreje tend-/ sluk-kontakten (1) (mod uret), Iøsnes
pafyldningstragten ATO 400. Ved at dreje tend-/ sluk-kontakten (1) (med uret), fastgores pafyldningstragten ATO 400 pa basismaskinen.
Hans Peter Stihl-Straße 5
6336 Langkampfen
Ostrig
erklaerer, at vi har det fulde ansvar for, at
1. Czeci zuwyajace sie
Hans Peter Stihl-Straße 5
6336 Langkampfen
Austria
Hans Peter Stihl-Straße 5
6336 Langkampfen
Rakusko
Notice-Facile