ENL60812X - Kombinovaná lednice AEG-ELECTROLUX - Bezplatný návod k obsluze
Najděte návod k zařízení zdarma ENL60812X AEG-ELECTROLUX ve formátu PDF.
Dotazy uživatelů ohledně ENL60812X AEG-ELECTROLUX
0 otázka o tomto zařízení. Odpovězte na ty, které znáte, nebo položte vlastní.
Položte novou otázku o tomto zařízení
Stáhněte si návod pro váš Kombinovaná lednice ve formátu PDF zdarma! Najděte svůj návod ENL60812X - AEG-ELECTROLUX a vezměte svůj elektronický přístroj zpět do rukou. Na této stránce jsou zveřejněny všechny dokumenty potřebné k používání vašeho zařízení. ENL60812X značky AEG-ELECTROLUX.
NÁVOD K OBSLUZE ENL60812X AEG-ELECTROLUX
Dodržujte kvuli bezpečnosti! 3
Návod k instalaci 6
Ovladaci panel 7
Ovladač teploty 8
Vymena vnilnizarovky 9
Použiváni vnitřnich cásti 10
Použiváni dávkovace 12
Používáni automatického vyrobníku ledu 13
Cisteni a udrzba 14
Než zavoláte opraváře... 16
Néco divného? Nebojte. Zde je odpověd 17
Příprava instalace 18
Pokud chladnička při instalaci neprojde dveřmi, postupujte podle těchto krokú 21
Vyrovná chladnicky a nastavení dveři (v připadé potřeby) 22
Likvidace použitého elektrického a elektronického vybavení
Význam symboli na vyrobku, jeho prísluěnsstvī nebo obalu udáva, ze s tímtó vyrobkem nelze zacházet jako s domovním opdagem. Toto zařizení prosim odevzdeje t na príslušné smberné misté pro recyklaci elektrického a elektronického opdadu.
V Evropské unii a dalśich evropskych zemích: propoužité elektrické a elektronické vyrobky existují samostatné sběrné systémy. Zajistěním správné likvidace tohoto vyrobku pomůžete zabránit připadnym negativné dopadám naživotní prostředí a lidské zdraví, které by jinak mohly být zpúsobeny jeho nevhodnou likvidác. Recyklace materialú pomáhy zachovávat přirodní zdroje.
Proto prosím stará elektrická a elektronická zařizení nevyhazujte do domovního odpadu.
Podrobnějsi informace o recyklaci tohoto spotřebič zíkáte na mistemí obecním užadu, středisku pro likvidaci domáciho odpadu nebo v obchodě, kde jste tento spotřebič zakoupili.

BEZPEČNOSTNI VAROVÁNÍ (pouze pro modely s R-600a)

Tento spotbrebi obsahuje jisté množstvi izobutanového chladiciho media (R600a), přirodniho plynu, který nepoškojuživotní prostředí, ale je zároven hořlavý. Pri prepravě a instalaci spotbrebi dbeje na to, aby nedoslo k poskzení Žádnych Častí chladiciho okruhu.
Chladici medium stifikajci z trabek by se mohlo vznitit nebo zpusobit poraneni zraku. Pokud objevtne netesnost, nepouzivejte otevrefny oehn ani mozné zdroje vzniceni a mistrnost, ve ktere spotbreic stoji, na nekolik minut vyvetreje.
-
Aby nedoslo k vytvořeni hořlavé směsi plynu a vzduchu v prípadě výsktu netěsnosti v chladím okruhu, závisí velikostmistnosti, ve které smí být spotřebič umistén, na množstv použitého chladího media. Mistnost musí být velká 1 m³ na každych 8 g chladího media R600a ve spotřebiči. Množstv chladího media je uvedeno na identifikámín štítku uvnitř spotřebiče.
-
Nikdy nezapínejte spotřebič, který vykazuje známky poškození. V prípadě pochybností se poradte s prodejcem.
Splnjupe RoHS (smernice 2002/95/EC)

Tento výrobek šetrný k zivotnímu prostředí neobsahuje látky zakázané směrnici EU RoHS (Pb, Hg, Cd, Cr6+, PBB a PBDE).
Dodržujte kvūli bezpečnosti!

Před použitím si rádě a pečílově prěčěte tyto bezpečnostní pokyny. Tuto příručku si prosím uschovejte pro budoucí potřebu.

Varovani! Oznacuje moznost hrozicho usmrceni nebo vazneho zraneni.

Pozor! Označuje možnost hrozíciho zraněni osob nebo hmotné škody.
Dal'si symbol

Neodstrañüte nebo nerozbebíjte!

Ne. Neprovádejte...

Nezapomeène vytáhnout z elektrické zásuvky!

- Poškozený napájecí kabel smí z bezpečnostnich důvodů vyměnit pouze vyrobce, jeho servisné technik nebo osoba s podobnou kvalifikaci.
- Spotbrebič musi být umistěn tak, aby byla dostupné zástrčka.
Varovani

Dbejt na to, aby napajeci kabel nebyl skripnuty samotnou chladnickou ani jinymi (tezkymi) predmety.
Pokud je kabel poškozený nebo zbavený izolace, muže zpúsobit požár nebo uraz elektrickým proudem.

Do{jedne elektrické zasuvky nezapojujte vice spotbrebiču.
Mohlo by dojit k preháti ā požáru. Pro chladničku použijte samostatnou uzeměnou zásuvku.

Napajeciho kabelu ani zastrocky se nedotykejte mokryma rukama.
Hrozi nebezpeci urazu elektrickym proudem.

Nepoužívejte poskozeny napájcí kabel Či zástrčku, ani uvolnéu zásvuku.
Hrozi nebezpeci pozaru, urazu elektrickym proudem nebo vaznheo zraneni.

Dbejtne na uzemneni. Zkontrolujte, zda je elektricka zasuvka uzemnena.
Hrozi nebezpeci urazu elektrickym proudem.

Zastrchu nevytahujte taZenim za samotny kabel. Vzdy pevnuchopte zastrchu.

Dbejte na to,aby kabel ze zastrcky smeroval dolu.
Pokud smeju nahoru, je kabel u zastroky ohnuty a muze byt poskozen, coz muze zpusobit uraz elektrickym proudem nebo pozar.

Chladnicku neinstalujte na mokre podlaze nebo v misté s vysokou vlhosti.
Oslabila by se elektrická izolace, což by vedlo k nebezpečí urazu elektrickým proudem.

Dbejt na to, aby se napajci kabelnedotykal topidel nebo nevedl nad nimi.
Mohlo by dojit k poskozeni kabelu, coz by vedlo k nebezpeci urazu elektrickym proudem.

Zkontrolujte, zda není zástrčka v zásuvce volná.
Oslabila by se elektrická izolace, což by vedlo k nebezpečí urazu elektrickým proudem.
| Varováni | ||
| Na chladnicku nikdy nelijte ani nestříkejte vodu (dovnitř ani zvenči). Oslabila by se elektrická izolace,.Což by vedlo k nebezpečí Úrazu elektrickým proudem. | Na chladnicku neodkládeje nádoby s vodou āj Jinou tekutinou. Voda by mohla natěct do chladnicý a zpúsobit nebezpečí Úrazu elektrickým proudem nebo poškození. | |
| Nedvolte,aby se na dveře chladnicý věšely děti. Chladnicka by mahla spadnout a zranit je. | Police/přihrákny nepřemist'ujte nebo nevyjimejte, Pokud na/v rich jsou stále potraviny a nádoby. Tvrdé nádoby (skleněné,kovové) mohou spadnout a zranit vás nebo rozbit skleněné police a vnitří Časti. | |
| Chladnicku sami neopravujte, nerozebírejte ani neupravujte. Hroží nebezpečí zraněné osob nebo poškození chladnicý. Doporučujeme,aby věsechny servisní zásahy prováděla kvalifikovaná osoba. | V chladnicce neskladujte hořlavé plyny Č kapaliny. | |
| V blízkosti chladnicý nepoužívejte hořlavý plyn,benzen,ředidlo,benzin,sprej apod. Hroží nebezpečí požáru,vybuchu a zraněné osob nebo vzniku škod. | Pokud v blízkosti mraznicý nebo v kuchyni objevíte unik plynu,ihné vyvätrejte a nedotýkejte se elektrické zástrčky ani chladnicý. | |
| V chladnicce neskladujte léky a vědecké výzkumné vžorky, které vyžadují přísnou kontrlu teploty. | Do spodní ħasti chladnicý,zejměna zezadu,nestrikejte prsty ani ruce. Mohli cyste se poranit o ostné kovové hrany nebo dostat ránu elektrickým proudem. | |
| Nevyměñujte sami pojistku ani Žárovku. K jejich vyměné zavolejte servisiho technika. | Pokud zjistěte,ze napáćí kabel je jakoli poškozený,ihné zavolejte servisiho technika. | |
| Při likvidaci staré chladnicý nezapomeñe nejprve odstranit těsněné dveři. V prázdné chladnicé de se mohly omylem zavřít udusit děti. I když ji ponecháte „jen pár dni",můze to být velmi nebezpečné! | ||
| POZOR | ||
|  Pokud chladničku dlouho nepoužíváte, nezapomeñe ji odpojit ze zásuvky. |  Na potraviny a nádoby (zejména kovové) v mrazićim oddilu nesahejte mokráma rukama. Mohli bye ste si zpùsobit omrziny. | |
|  Nekonzumujte shnilé Či zkažené potraviny. Potraviny, které byly v chladničce uloženy přiliš dlouho, mohou být shnilé Či zkažené. |  Do mrazićho oddilu nedávejte skleněné lahve a nádoby. Skleněné nádoby a lahve mohou prasknout a zpùsobit vám zraněné. | |
|  Při premist'ovani chladničky (v horizontálni nebo nakloněné poloze) ji musi držet alespoj 2 osoby. (Jedna osoba drží za zadni horní madla, druhá zespodu.) Pokud byeste ji drželi v jin'ych mîstech, je to velmi nebezpečné a snadno vám múze vyklouznout. |  Před premist'ovám chladničky nezapomeñezasunout kolečka. - Kolečka mohuy poškodit nebo poškrábat podlahu. Pokud ji premistujete na velkou vzdalenost, nezapomeñe vnitřní Častizejist lepićí paskou. - Časti by do sebe mohly narážet a poškodit se. | |
Návod k instalaci

Před použitím si pečlíve pěčěte teуto bezpečnostní pouky a doržujte opatěné pro vlastní bezpečnost.
Bezpečnostní opatřeni pri instalaci a zapojeni napájení
Abyste zabrani pozáru, urazu elektrickym proudem Či uniku chladiciho media:
- Chladnicku neinstalujte na vlhkou cis mokrou podlahu ani tam, kde se muze voda snadno hromadit.
- Pred pripojenim k napajen dbeje na následujíci poukyny.
Zastrücku pripojute pouze k uzemné elektrické zásuvce.
- Nezapojuite napajeni chladnicky do stejné zásuvky spolu s dalími spotěbiči.
- Nepoužívejte rozdvojku ani prodlužovací šnúr.
-
Dbejte na to, aby šnūra nebyla skřípnuta pod jinymi (těžkými) predměty.
-
Pokud po zapojení chladničky do zásvuky uslyśite zvlástné zvuk nebo ucítě silné chemický zapach Či uvidíte kouř apod., ihné zástrčku vyтátnéte a zavolejte servisního technika nebo oddělení zákaznických služeb společnosti ELECTROLUX.
- Pred dal'sim zapojen'im poškejte asi 5 minut, aby nedoslo k poškození kompresoru a elektrických zařizení chladnicky.
- Po prvním zapojeni do zásuvky počkejte 2~3 hodiny, dokud se vnitřek dostatečné neochladí, poté dovnitř vložte potraviny. (Při prvním zprovozně chladnicky mohou po zapojeni umělohmotné Časti vydávat typický zápach. Tento zámach během provozu chladnicky a otevirání a zavirání jejích dveří postupné vyprchá.)
Bezpečnostní opatřné pri používani
Abyste zabrani rzaneni osob, pozaru, urazu elektrickym proudem apod., prd pouzitim si peclivc prectete tutu uzivatskou prirucku a mejte ji po ruce pro pripadnou potbreu.
| Příslušenstvì | |
| Filtr | |
| Sada pro přívod vody | |
| Uživotelská príručka | |




Po 6 měsících od zapojení napájení se Rozsvítí ikona „VYMÉNIT FILTR".
Když nastane Čas výměny nebo resetováni filtru:
- Stiskněte tlačítko
- Na 3 sekundy zmačkněte tlacítko Poté ikona „VYMÉNIT FILTR“ zhasne.

Déti mohou pro zábavu zmačknout nějaké tlačítko na panelu, což muže zpúsobit nesprávné nastavení teploty a funkce chladnicky.
Zmačnutim tohoto tlacitka títo možnosti zamezite a nastavení teploy a funkce zachováte.
Dalsim zmačknutim tlačitka zámku alespon na 3 sekundy zámek vypnete.
Müzete si zvolit z nastaveni VODA,LEDOVÁ TRIST, KOSTKY LEDU a VYPNUTI VYROBNÍKU LEDU.
Zapnutí volby je potvrzeno rozsvicením príslušné ikony.

Pokud chcete ziskat vodu nebo led, plynule zatlache sklenici na páčku dávkovače a váš výběr vyteče/ vampadne za 1~2 sekundy.
- Davejte pozor, abyste lem sklenice nedrželi u spodnić casti páčky, jinak by se mohla voda vylit mimo nebo kostky ledu zpúsobit vystřiknuti.
2 sekundy po vypadnuti kostek ledu uslysite cvaknuti. Tento zvuk pochazi z uzaviraciho ventilu davykova裂缝 ledu. - Po zatlaceni na páčku počeje t 2 3 sekundy, abyste dostali všechnu dostupnou vodu Či kostky ledu.

Při Čistěné zásobníků dostek ledu, neboPokud dávkovač nebudete delísi doboupouživat, vyjměte kostky ledu ze zásobníkúu a stisknéte tlacítko pro zastavení výroby dostek ledu.

Poznámka! Pokud jsou dveře chladničky otevřné déle než 10 minut, vnutří osvětlení se vypne.
V pripad, zde dvere mraznicky nebo chladncky zustanou otevrené dele nez minutu, budou dvere 5 minut v intervalech po 1 minuté vydvat zvkové upozorneni.


Ovladač teploty

Při první zapojeni těto chladničky je režim teploty nastaven na [Středn].



SUPER


6






SUPER 不
Mrazici oddil
Zmačkne tlačitko
a nastaveni teploty
sezménipodeobrazku.
- Pořadi změny teploty

Rychlejs mrazeni...
Pokud chcete rychlejs mrazeni,zmacknete tlačitko Super Pokud tento rezim chcete vypnout, stači tlačitko opět zmačknout.
Chladici oddil
Zmáčněte tlačítko a nastavení teploty se zmeín podle obrázku.
- Pórfázměny teploty

Rychlejschlazeni
Pokud chcete rychlejsi chlazenizmacknete tlacitko Super Pokud tento rezim chcete vypnout, stacltacitko opet zmacknout.

Pozor! Pokud je teplota okolo chladnicky nižsí než 5 °C, mohou potraviny v chladnicce zmrznout.
Vyměna vnitřížárovky
Zárovku smí yměñovat pouze servísné technik nebo podobné kvalifikováná osoba.
Vymena zarovek mraznicky

- Vyśroubujte 2 šroubky upevnijci kryt Žárovsky.

- Uchopte kryt Žárovky za spodní Čast a sejměte jej tažením dopředu.

-
Vyměnte zárovku.
-
Po vyměne Žárovky postupujte v opačné pořadi než pří demontáži.
Vymena zarovek chladnicky
Horní Žárovky chladničky

- Uchopte kryt za spodni Čast a sejměte jej tažením dopředu.

-
Vyměnte zárovky.
-
Pri následné montázi postupujte v opacné pořadi než pri demontázi.
Používáni vnitřinich Častí

Vyobrazení modelu věskerém volitelném príslušenstvím. Funkce závisnéma modelu.

Pozor!
- Nesahejte na potraviny (nádoby s potravinami) v mrazićim oddîle mokrýma rukama. Hroží nebezpečí omrzlin.
V chladnicce neskladujte léky, vědecké výzkumné vžorky apod.
V mrazicim oddile neskladujte zeleninu, protoze by mohla zmrznout.

Poznamka! Přihradku na vejce muzete umistit na polici chladnicky, jak vám vyhovuje.
- Přihrádka mraznicky
Pro skladováni mražených potravin
(V horní prihrádce mraznicky neskladujte zmržlinu ani potraviny na dlouhé uskladnéni.)
- Police mraznicky (temperované sklo)
Pro skladováni mraženych potravin, jako je maso, ryby, zmrzlina...
- Sušić zásvuka mraznicky
Pro delski skladovani su'senych potravin (su'sené olihne, su'sene ancovicky apod.)
- Zásuvka mrazničky na maso
Pro skladovani masa, ryb, kurat v alobalu nebo v balici foli.
- Police chladnicky (temperované sklo)
Pro skladovani běznych potravin
-
Zásuvka na zeleninu
-
Zásvka na ovoce
Na skladovani ovoce
- Prihradka na mlécné vyrobky
- Přihrádka chladnicky
Pro skladovani chlazenych potravin, mléka, džusu, lahového piva apod.
-
Police na vina (volitelné přísluěnsstvī)
-
Magic Cool Zone (volitelné prísluěnsstvī)
Viz str. 10.
- Přihrádka na nápoje (pouze u modelů s prihrákou na nápoje)
Pro Často použivané plechovky, pitnou vodu
a jiné napoje


Tipy pro skladováni potravin

Potravy před skladováni'm omyte.

Pří skladováni tropického ovoce jako banánú, ananasù nebo rajčat dáveje pozor, protože se jejich kvalita pří nízkích teplotách muže snadno zhorsit.

Potravyn Rozdělte na mení Časti.

Mezi potravinami ponechte pokud mozno dostatek mista. Pokud jsou potraviny prilis u sebe, brani to cirkulaci chladneho vzduchu a horsimu chlazeni.

Tekuté potraviny nebo potraviny s vysokou vhlkosti umistujte na předné Časti polic (blíze ke dveřím).

Nezapomínejte potraviny zakr't nebo zabalit,
abyste zabránil uvolnování pachú z potravin.

Teplá nebo horká jidla byste měli préd uskladněmídostatečné ochladit, abyste snízili spotfbeb uergé a zvyšili chladić výkon.
Magic Cool Zone (volitelné príslušenství)
Ovladaci grafika ovladaci funkce pro Magic Cool Zone



VEGETABLE


FISH


MEAT

off

Při první zapojeni svití kontrolka „VYPNUTO".
Zmačnutim tlačitka „VYBRAT“ mžete zvolit mezi nastavením „VYPNUTO“ „ZELENINA“ „RYBY“ „MASO".
| Krok | Displej |
| VYPNUTO | - |
| ZELENINA | 3° |
| RYBY | -1° |
| MASO | -3° |
Kontrolky a teploty ukazuji, co jste zvolili.
Zobrazena teplota znamena cilovou hodnotu nastaveni, takze se muze lišit od skutečné teploty.
Používání dávkovace
Zvolte nastavení VODA /LEDOVÁ TRIST / KOSTKY LEDU a zatlačte sklenić na páčku dávkovace.

Stisknutim tlačka zvolte možnost VODA a na potvrzení volby se Rozsvítí príslušná ikona.

Stiskutim tlačitka zvolte
mžnost LODOVÁ TRIST a na potvrzení
volby se Rozsvítí príslušná ikona.

Stisknutim tlačtka zvolte
mžnost KOSTKY LEDU a na potvrzení
volby se Rozsvitř příslušné ikona.

VODA

LEDOVÁ
TRIŠT

KOSTKY LEDU
i Pokud jsou davkovany [KOSTKY LEDU] nebo [LEDOVÁ T'RIST], preeahte sklenicá na páčku tlačit, když je z poloviny plná. (V opacné mřipadě dalí led zpúsobí,Že sklenice přeće, nebo se ucpe otvor dávkošć.)
! Pozor!
- Při odbreu ledovych kostek nebo třistě nepouživejte krehké sklenice z teného nebo křistáloveho skla.
Kvuli vlastni bezpečnosti nestrkeje do otvoru dávkovace presty ani zádné nastroje. - Pokud jsou ledové kosty nebo třist zbarvené, prěstańte dávkovač používat a zavolejte servisniho technika.
- 1 hodinu po odběru volby [KOSTKY LEDU] nebo [LEDOVÁ TřIST] se vyběr automaticky vrátá na volbu [VODA].
Používání automatického vyrobníku ledu
- Najednou se vyrobi asi 10 kostek ledu (7~8 krát za den). Pokud je zásobnik ledu plny, vyroba ledu se zastaví.
- Je normalní, Že vyrobník ledu vydáva hlasité zvuky, když kostky ledu padají do zásobnínu ledu.
- Abyste zabrani zápachu, pravidelné zásobnik ledu Čistěte.
- Pokud množstvi ledu v zásobniku není dostatečné, nemusi led vypadnout. Počejte asi jeder den, než se vyrobíťice ledu.
- Pokud led nevypadáva snadno, zkontrolujte, zda není otvor dávkováče ucpáný.
Pokud vyrobnik ledu nefunguje
- Pokud se kostenky ledu zaseknou a nevypadnou
Vytáhněte zásobník ledu a oddělte věsechny kostky, které se k sobě mohy slepit.
- Pokud je potfeba upravit množství vody dodávané do vyrobníku ledu, zavolejte servisniho technika.
-
V pripadé vypadku napajeni
-
Kostky ledu v zásobnínu se mohou Rozpustit a vytěct do prostoru mrazněcky. Pokud očekáváte delí vypadek napájení, zásobnínik vytáhněte, vysypte kostý ledu a zásobnínek vratě.
! Poznamka! Používejte pouze led z títo chladnicky.
Cistění a udržba


Vyobrazení modelu věskerým volitelnýn prísluşenstvím.
1 Přihrádka na mlécné výrobky
Kryt pihradky na mlécné vyrobyk: kryt nadzvedněte, uchopte za oba konce a vyjměte tlacenim doleva.
- Přihrádka na mléčné výrobyk: uchopte za oba konce a vyjměte tažením nahoru.

2 Zasobnik ledu
Vvjmuti:zasobnikVyjmte tazenim dopredu.
Vraceni: nasadte do bočnich drážek azasuǐne nadoraz. Pokud zásobník nelze snadno zcelazasunout, vyjměte jej, otočte kotoučem v zásobníku nebo pohoným mechanismem o Čtvr otáčky azasuǐne znovu. Kostky ledu neskladujte prílíš dlouho.

- Otevřete zcela dveře a police vyjměte tažením dopředu.

4 Přihrádky mrazničky a chladničky
5 Zásvuka na zeleninu a zásvuka na ovoce
Vvjmte tazenim dopredu a lehkym nadzvednutim.

Police na vodu v dávkovači
- Vyjměte pretokovou mřížku a polici na vodu pravidelně Čistěte. (Přetoková police nemá odtok.)
! Poznámka! Uvnitř chladničky nepoužívejte Žádné jiné elektrické spotěbečice kvúli nebezpećí urazu elektrickým proudem nebo požáru.
! Pozor! Pričistěné (vyjmutá a vraceni) zásobníku ledu kvúli bezpečnosti stisknéte{jednou (ZÁMEK VYROBNÍKU LEDU).
- Davejte pozor, abyste si pri ciisteni neporanili ruce a presty.
Cisteni
Vinitri Časti
K cišění používejte hadík s vodou a jemným (neutrálním) mycím prostředkem.

Tesnéní dveří
- Používejte hadřík s jemným (neutrálním) mycím prostředkem.

Zadnićast (motor)
Alesponj Jednou rocnne odstrahte prac h z mizky pomocy vysavae.

! Pozor! Nepoužívejte benzin, benzen, Čridla apod., protože by mohlo dojít k poškození povrchu.

Než zavoláte opraváře...

Než zavoláte opraváře, projděte si prosím následujíci tipy pro šěsení problémů!
| Problém | Kontrola | Akce |
| Spotěbič vúbec nechladí. Mražení a chlazení není dostatečné. | ·Není chladnička vypojená ze zásuvky? ·Není teplota nastavena na [Nízký režim]? ·Není chladnička na prímém slunečním světle nebo není povlěžné topidlo? ·Není zadní ċst chladničky prěliš blízkó u zdi? | ·Zapojte chladničku do zásuvky. ·Nastavte režim teploty na Střední nebo Vysoký. ·Přesuţě ji na mistro bez prímého dopadu slunečného světla a dále od topidel. ·Umístěte chladničku tak, aby mezi zadní ċstí a zdi byl dostatečné prostor (alespoř 10 cm). |
| Potraviny v chladničce se zmrázily. | ·Není teplota nestavená na [Silné]? ·Není okolní teplota prěliš nízká? ·Nejsou blízkó otvoru chladicího vzduchu uloženy potraviny s vysokou vlhostí? | ·Nastavte teplotra na [Střední] nebo [Nízká]. ·Pokud je okolní teplota nížsí než 5 °C, můze dojit kezmražné potravin. Přemístěte chladničku někam, kde je teplotra nad 5 °C. ·Potraviny s vysokou vlhostí umístěte na police blízkó dveří. |
| Chladnička vydáva divný zvuk. | ·Není podlaha pod chladničkou nerovné? ·Není zadní ċst chladničky prěliš blízkó u zdi? ·Nedotýkají se chladničky jiné prědměty? | ·Přesuţě chladničku na rovnou podlahu. ·Zachovejte dostatečnéu vzdálenost. ·Odsuţe věsechny prědměty, které se chladničky dotýkaji. |
| Zevnít vycháź nepřijemný zámach. | ·Nejsou uskladné potravy odkrytě ā rozbalené? ·Nejsou police a přihrádky znečěstěné potravinami? ·Nejsou potravy uskladné potrìš dlouho? | ·Nezapomínejte potravy zákýt a zabalit. ·Pravidelně je Čistěte. Jakmile tyto Časti nasáknu zápachem, není snadné se jej zbavit. ·Neskladujte potravy prěíš dlouho. ·Chladnička není dokonalé ani trvalé mistro pro uskladnéi potravin. |
Néco divného? Nebojte. Zde je opověd
| Připad | Vysvětleni |
| Teplo Předné a bočné strana chladničky jsou teplé nebo horké. | • Pod povrchem jsou umistěny trubičky (nádoba s chladicím médiem), aby se na něm nesrážela vlhkost. |
| Dveře jsou „prilepené“ Dveře nelze snadno otevřít. | • Když dveře zavřete a poté je ihned zase otevřete, nelze je otevřít snadno. Dovnitř se tlácí tepřy vzduch, aby se vyrovnal tlakový rozdíl. V takovém prípadě minutu počkejte, poté půjdou otevřít snadno. |
| Divné zvuk Zní to, jako by z chladničky vytokkala voda. | • Když se kompresor spustí nebo zastaví, můze takový zvuk zpúsobovat chladící médium, které ochlazuje vinitřek a protěká trubičkami. • Takový zvuk můze zpúsobovat i Rozmražená voda. (Tato chladnička má automatický Rozmrazovác systém.) |
| Něco praská nebo cváká. | • Vinitné casti se smrětsují a roztahují podlezměn teploty – když se vinitřek ochladíne nebo když jsou otevřéné dveře, mohou vznikat takové zvuky. |
| Bručívý nebo bzučívý zvuk. | • Takový zvuk můze vydávat kompresor nebo ventilátrory pro cirkulaci chladného vlduchu. (Pokud chladnička nestojí vodorovné, můze být zvuk hlasitějsí.) |
| Námraza a oroseni Oroseni nebo námraza na stěnách nebo nádobáché na potravyí v mrazićíma chladicím oddílu. | K námraze cí oroseni můze docházet v následujících prípadech: • Vysoká teplota nebo vlhkost kolem chladničky. • Když jsou dveře otevřné přilíš dlouho. • Potravyí s yvsokou vlhkosti jsou skladovány odkrtytě cí nezabalené. - Ke stejněmu jevu dochází, když do sklenice nalijeté studenou vodu a její povrch se orosi. • Žárovka pří svícení vyzářuje teplo, takze když jsou dveře otevřné přilíš dlouho, můze se kryt osvětlení orosit kvúli teplotním rozdílům. |
| Oroseny kryt vinitného osvětlení. | |
| Oroseny pourch skříně. | • V prípadě, ze kolem chladničky je yvsoká vlhkost, vlhkost ze vlduchu se srží na povrchu a dochází k oroseni. |
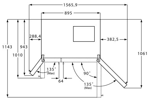
Připrava instalace
Nejprve zkontrolujte, zda chladnička projde dveřmi.

Rozmery (včetné model dveři)
(sifka*hlouk*vyska)
903 mm x 721,5 mm x 1790 mm



Najděte vchodné misto pro instalaci
Dostatechny prostor mezi zadni casti chladnicky a zdki kvuli volné cirkulaci vzduchu.

Vyhnete se primému slunečnímu světlu.


Poznámka! Jakmile je misto pro instalaci pripraveno, postupujte podlePokynu k instalaci.
Pokud je okolni teplata chladnicky nizká (pod 5^ ), mohou potraviny zmrznout nebo muze chladnicka fungovat nasprvně.


①

(2)
1 Vymezovače
2 Srouby
! Poznámka!
"Dodávané vymezovače umistěte do příslušného držák u na zadní strné chladníčky a přírsoubujte je. Tim zajistě,Že mezi spotřebicem a zdi zústane dostatečná minimálné vzdálenost".
Montáz dveí mrazničky
- Nejprve zasunte vodni hadičku do otvoru ve spodním závesnéř Čepu (pouze u modelú s dávkovačem). Spodní Čast dveří mrazněcky zasunte do spodniho závesného Čepu.

- Spodni otvor dveří mraznicky zasunte prímo na spodni závesný Čep.

- Horní Čast dveři dovřete ke skřínia zasunte horní závěsný Čep do ho miho otvoru ve dveřich mrazničky. (Nejprve zausné zadní Čast závěsu do dražky výčnělku, poté prědní Čast do ho miho otvoru dveří.)

- Upinaci prvek závesu pvne dotáhněte. Připoje svazek vodiču a prišroubujte uzemnovací kabel.

- Zasunte vodni hadičku hluboko do spojky. (Pouze moderny s dávkovačem)

Montáz dveři chladnicky
- Spodni otvor dveři chladnicky zasunte prímo na spodni závesné Čep.

- Horní Čast dveří dovřete ke skřína zasuťne horní závesné Čep do ho miho otvoru ve dveřich mraznicky. (Nejprve zasuťne zadní Čast závesu do dražky výčělku, poté přední Čast do ho miho otvoru dveří.)

- Upinaci prvek závesu pevné dotáhněte.
Pripojte svazek vodiču a přírovajte uzemnováč kabel.
Zaklapnéte a přírovajte kryt horního závesu.

Pokud chladnicka pri instalaci neprojde dveřmi, postupujte podle těchto kroků
Demontáz dveí mrazničky
Nejprve odejměte prědní spodní kryt,Pokud je nasazen.
- Nejprve odejměte spodní kryt. Nejprve vytáhněte levou objímu spojky, poté spojku uchopte a vytáhněte levou vodní hadičku. (Pouze modely s dávkovačem)

- Pomoci šroubováku odśroubujte kryt horního závesu.

- Upinaci prvek horninho závesu otočte 3~4krát proti směru hodinovych ručicek. Odpojte svazek vodičú.

- Nadzvedněte prední Čast závesu a odejměte jej. (Po odejmutí závesu mohou dveře spednout dopředu. Bud'te opatrní!)

- Pri demontáži dveří dávejte pozor, abyste nepoškodili vodní hádicky.

Demontáz dveři chladnicky
- Pomoci šroubováku odśroubujte kryt horniho závesu.
Kryt odejmětezasunutím tenkého šroubováku do bočné dražky.

- Upinaci prvek horninho závesu otocte 3~4 krát proti směru hodinovych ručicek. Odpojte svazek vodičú.

- Nadzvedněte prední Čast závesu a odejměte jej. (Po odejmutí závesu mohou dveře spadnout dopředu. Bud'te opatrní!)

- Dveře odděte vytažéním kolmo nahoru.

Vyrovnáí chladnicky a nastavení dveří (v připadě potřeby)
Aby chladnicka dosahovala optimalinho vykonu a zaadouciho vzhledu zepredu, musi stat vodorovne. (Pokud je podlaha pod chladnickou nerovna, vypadaji dvere mrazničky a chladnicky nevyrovnane.)
Pokud jsou dvere mraznicky nizé nez dvere chladnicky...
Zasunte sroubovak (plochy) do drazky levho kolecka (spodek mraznicky) a otocte jim ve smeru hodinovych ruicek, dokud se dvere nesrovnaji. (Ve smeru ruiciek ke zvyşeni dvefi mraznicky, proti smeru ruiciek k jejich snizeni).

Pokud jsou dvere chladnicky nizene nez dveere mraznicky...
Zasunte sroubovak (plochy) do dražky pravho kolečka (spodek chladnicky) a otočte jím ve směru hodinovych ručíček, dokud se dveře nesrovnaji. (Ve směru ručíček ke zvýšeni dveří chladnicky, proti směru ručíček k jejich sníženi).

Předni kryt
Po instalaci anebo vyrovnani dvefi pripevnete prenedny kryt pomoci sroubku. (Nejprve odstrahte sroubky na prednim spodnimi panelu. Zaklapne t a prisroubujte kryt.)
! Pozor! Předné strana chladničky musí být o trochu vyše než zadné strana, aby šly dveře snadno zavirat, alePokud je kolečko priliš zvednute kvuli vyrovnáni dveři, tj. predek chladničky je vyše než zadek, mohou jit dveře otvirat ztuha.
Instalace privodu vody (pouze modely s daskovačem)
- Aby fungoval automaticky vyrobnik ledu, měl by tlak vody být 2,0~12,5 kgf/cm² nebo vyší.
Zkontrolujte tlak vody z kohoutku. Pokud se sklenice o objemu 1,8 dl naplini do 10 sekund, je tlak dostatečný.
- Pri instalaci vodnich hadiek daveje pozor, aby nebyly blizko horkych povrchu.
- Vodni filtr pouze „filtruje“ vodu. Neodstrańije bakterie ani mikroby.
- Pokud tlak vody neni pro provoz vyrobníku ledu dostatečné vysoký, zavolejte mistroho instalatéra, aby vám nainstaloval dodatečné tlakové Čerpadlo.
-
Životnost filtru závisi na intenzité používání. Doporučujeme filtr vyměnovat alespón"Justnou za 6 měsicú.
-
Pri instalaci filtru jej umistete tak, aby k nému byl snadný prístup (vyjmutá yvměna).
-
Po instalaci chladnicky a privodu vody zvolte na ovladacim panelu moznost [VODA] a drzte ji zmačknutou 2~3 minuty, abyste naplinili zásobnik vodou a mohi ji dávkovat.
- Kazde spojeni trubicek/hadiicek omoteje tese nici paskou, abyste zajistili, ze voda nebude unikat.
Postup instalace (pouze modesty s dávkovačem)
- Pripojte spojku k vodovodnimu kohoutku

Obr. A

Obr. B
- Vodni souprava musi byt pripojena k privodu studené vody.
SOUPRAVA PRO MONTAZ PRIVODU VODY
Zkontrolujte nizé uvedené součástky pro instalaci prívodu vody. Některé dalí potřebné součástky jsou k dostání u mistrénych servisních techniku.

Spojka (3014454520)

Držák (3012020700)

Sroub × 4 ea (7112401211)

UchytkaX 3ea (3011202000)

Filtr (3019974100)

Vodni hadička
(A:3019503200
B:3019503300)
Vložte gumové těsnění do spojky a našroubujte na vodovodní kohoutek.
- Pripravte se na instalaci vodniho filtru
Změřte príbližnou vzdálenost mezi filtre m a vodní hadickou a ustřihněte hadicku u filtru vertikálné.
- Pripojte hadičky k filtru podle obrázku.
! Pri stfihani mezi hadickami ponechte dostatecnou vzdalenost.

K chladnicce

-
Odstrahte nečistoty z filtru
-
Otevře t hlavn i vodni ventil a zkontrolujte, zda z vodni trubicky vyteká cistá voda.
- Pokud voda nevyteká, zkontrolujte, zda je vodní ventil otevěné.
- Ventil nechte otevřený, dokud nebude vytekat Čistá voda.
Zpoćátku műe voda obsahovat nečistoty z filtru (z výrobního procesu).

-
Pripojte filtr
-
Příšroubujte a upevněte držák filtru na levou/ pravou stranu zadní Časti chladničky.
V pripadé, ze držák není dobře upevněný, odstraťe kryci papír z pásky na držák filtru a pripevněte jej.
- Do držáku zasuţe filtr.

-
Pripoje vodni hadicku k chladnicce
-
Odstraţne zadni kryt na spodni zadni Časti chladnicy.
- Nasuñte upevnováci kroužek na vodni hadičku. (Dávejte pozor na směr matice.)
Zasunte vodni hadičku do horní Časti vodniho ventilu a upevněte matici otáčením ve směru hodinovych ručíček. (Vodni ventil je vpravo od motorú.)
Zkontrolujte, zda hadičky nejsou prehnuté nebo někde neuniká voda. V takovém prípadě znovu zkontrolujte postup instalace. - Nasad'te zadni kryt. (Vodni hadička by měla být umistěna mezi dražkou v zadni Časti chladnicky a krytem motoru.)
! Ved'te hadicku kolmo, jak je videt na obrázku.

-
Upevněte vodní háděku
-
Upevněte vodní hadičku pomoci [Uchytyk A].
Zkontrolujte, zda hadička neni prehnutá nebo skripnutá. Pokud ano, opravte ji, aby nedocházelo k uniku vody.

-
Po instalaci systému pro prívod vody
-
Zapojte chladnicku, stisknete tlačitko [VODA] na ovladacim panelu na 2~3 minuty, abyste odstranili vžduch (bubliny) z trubiček a vypustili první Čast vody.
Znovu zkontrolujte, zda v systému privodu vody nedochází k uniku vody (hadičky, spojka a trubičky). Opět trubičky upravte a s chladničkou nehybejeite.

Indhold
Ytuln3aunna 3JneKtpnueckoro n 3JeKtpoHnHO o6OpydoBaHnA
CIMBOJHa CaMOMn3dEJIIN,eroaCTXnIInero yNAKOBKe O3NaHaeT,HTO pNpyTNII3aIcN daHHORo n3dJIeN C Hm HEnb3y 06paUaTbcKa Kc O6bUhBMn 6bITOBbIMN OTXdAMn PO3TOMy OHO DOnJHcO 6bITb nepeDaHO BnyHKT c6opaJnpepea60tKn 3NeKTPnueCKOrO n3NeKTPoHNO 6OpOyDobAHn.
BCTpaHax:IMeIOTCsOTdIbHbIe CnCTeMbIc6opa
NCoJIb3OBAHHORo 3JeKTPuYeCKOrO n3JeKTPoHHORo
OBOpUdoBaHnIy.ObEcneuINB npaBnIbHyIO
yTInI3aUIO daHHoro I3DeJIyN, Bbl NOMOKeTe
IpEIoTOBpAITb NToEHuaJIbHbIe HEraTINBHeIe
IOcNeIcTBnI dIg OKpykaIOSeI cpeIbIg 3DOpOBbIa
yeNoBeka, KOtOpbIe 6blN 6bl BO3MOxHbI npi HnepBaunbHom O6paueHm C TaKIMN OTXoJaMn. BtopuHna Ipepea6OtKa TAKIN MaTePnaJIOB nOMoxKeTc6epeY bpnpoHbIpe cypcbI.
Потому He сеунует obpaца tbс c эл ektpotexнчecKMи Θл ektpoHHbIM обopyюванem Кak C OьчыMHи 6blTOBbIMN OTxoДамИ.
3a6oee noJro6Hoi nHΦopMaünei O npaBnax yTNIIN3aUNI INpepa6OTKn DaHHORIO n3dENIAOBpaJIteCB BMeCTbIe OprAHbI BnaCTN, B Cnyk6y NO BVBO3Y uYTIN3aUNI OTXODOB INI IN MaFaNH, Iqe 6bIIO KUYIIeHO n3dENIE

Nelze je použivat pro Častéčné nebo úplné osvětlení mîstnosti!
Pokud je Žárovku potřeba vyměnit, použijte pouze Žárovku se stejnám vykonem a specialně určenou pro domácí spotřebieče.
DA Paerer fra dette apparat er specielle lamper udvalgt alene til husholdningsapparater!
SnadnýManuál