ENL60812X - Комбинированный холодильник AEG-ELECTROLUX - Бесплатное руководство пользователя
Найдите руководство к устройству бесплатно ENL60812X AEG-ELECTROLUX в формате PDF.
Вопросы пользователей о ENL60812X AEG-ELECTROLUX
0 вопрос об этом устройстве. Ответьте на те, что знаете, или задайте свой.
Задать новый вопрос об этом устройстве
Скачайте инструкцию для вашего Комбинированный холодильник в формате PDF бесплатно! Найдите своё руководство ENL60812X - AEG-ELECTROLUX и возьмите своё электронное устройство обратно в руки. На этой странице опубликованы все документы, необходимые для использования вашего устройства. ENL60812X бренда AEG-ELECTROLUX.
РУКОВОДСТВО ПОЛЬЗОВАТЕЛЯ ENL60812X AEG-ELECTROLUX
Данны пибов соржпгхт xладаген n360byan (R600a) — 6e3врedingь дя Okружаюш e cpebl ra3, HO TEM He MEHoe OTHeONaChbI. Пи Транспортуровke и установке пибopa cLEDyET рпнЯь Мерь пededocToPoXHoCTN, uTO6ы He NOВРeDnTb HN OndHy n3Ч acteК KOHTypa oxlaЖdEHHY.
BbIteKlunn 3 Tpy60k XnaadaReHT MoKeT
BOcPiMaMeHnTbCn IIN npiBcTeN K TpaBMe Ila3.
Ecln OcbHApyKeHa yTeuKa, CneJeT NCKIOUHTb
NoBAEHeNe OTKpbITOrO INaMeHn IIN NToEHCuNaJIbHbIX
NCTOCHNKOB BO3TOpAHH N pOBeTpNb NOMEseHne,
B KOtOpOM HaxoJNTcPnp6Op, B TeueHne
HEckOJIbKx MNHyT.
YTo6bI n36eKaTb o6pa3OBAHnra rOpUHX ra3OBO3dUshbIX CMEcE,ecJI NImeeTc yTeuKa r3a N3 KOHTypo OXJaKJDeHn,pa3Mep NOMeUHn, B KOTOPOM MOET 6bITb YCTaHOBJIe np6Op, 3aBVCNT OT KOJIncCTBa NCIOJIb3yEmOro XnaJaAReHTa.Дл KaKJbIX 8 pAMM XnaJaAReHTa R600a Heo6xOIMma PIIouAd NOMeUHn B1 M³. KoJInuCtBO XJaJaReHTa Yka3aHo Ha Ta6JIuNe c NaCnOpTHbIMn DaHHbIMn BHUTPi np6Oba.
3aPpeaaetcBkIIOuTaB pIb6Op C BmIMbIMn np3HaKaAMn NOBpeJdeHn. B cLyuae comHeHn 6oPaTInTeCb K npOdaBcy.
CoOTBETCTByET RoHS (Директва 2002/95 -правILA оранчени содахаши в蜱ньх ВescetВ)

| HE ydaЯть и HE pa3биразь! | 3АПЕЦЕНО |
| He 3a6удытse Выключпь иЗ розтук! | ОБязатьно xpaшие и сnéдuyITEинструкцям! |

Octopoxhno!
- EcnI cTeBoi Ka6eBIOBpeJxHe, TTObI N36EkaTb PnCK Nopaxhen 3NeKTPnuCeckm TOKOM, OH DOnJIeH 6blTb 3aMeHEN IN3ROTOBITEEm IIN CnEJaNCTOM ABTOP3OBAHORO cepBNCHORO CEHTpa.
-ПиббордОнжehБыть усТаНовпeнТak.ЧTo6bl coхранлсДоctунКpoЗтkeЗЛЕкТрОпNTaHnI.
BhimaHne
| Clejechte, чтобы сeteвой кабел Heсыраздавлисamim хлоблльникам дугим (Tяжелыми)педmetам. He clejet симштом симьно изгбать сeteвой кабел. Повржdenнь сeteвой кабел Может явится рочини пожару и пожени злесорсikm TOKOM. | He вklючайе пескolyко приборов В одуну розетку. Это может рincьсту К легеррува (или) пожару. Дaryaхлоблнika сclадует Исплъбогаы розетку с заимлаяцим Контaktom. |
| Запрается брався за сeteвоь Кабел ил вину мокрьим тукам. Сухеслыгет обасость пожени элесгиздсгамtokom. | Запрается плььоватск прибором с розрждени сeteвblm кабел ил винков, ил poзевков с плoxим контaktom. Сухеслыгет обасость ВOSTИKHOBЕН пожару, пожени злесгизд Tokom ил палоченя серьз hoю ТраBMы. |
| ОBSTEVETAZAEMLEHNE. Уб Eidпесь, что розетка заemлеса. Сухеслыгет обасость пожени элесгиздсгамtokom. | Вынmarая вину ил розетки, ил в Коем сныае не тянITE за кабел. Вcertда deprжпесь за сamy вину. |
| Сeteвоь кабел OT розетки димжeh 6ытн наравlen prяmo винiz. Еши onи наразвлин Вь配电, то кабел раздом с винков 6удети ИЗOTHyT и может 6ыть повождень. Это может рincьсту К порожени злесгиздсгамtokom ил Бызвот пожар. | He устанавлива对接холдуньнк на Влажный пал有很大 помашием с повьшени влажною. Злесгиздая полаядухдazeя, Что рincьддд К оласости порожени элесгиздсгамtokom. |
| Вииманке | ||
| СледITE, чтобы сеево кабелов Касаля Harpebatelb衙п рисьоров И не паслолагался на Ним.Сeteво кабел может 6ыт bовржden,что паслоует K onасноctи пожениэл ektruceckim TOKOM. | Пюоверtle, плотно лим deprжutсь Влика в розетke.Злесричесая Источа ухудаши. Что паслоуит K onасноctи пожениэл ektruceckim TOKOM. | |
| He наимаite и не пасьлайte Вody B xolodnilbнke (Кak Bvytpn, tak и сарухи). Длесричесая Источа ухудаши. Что паслоуит K onасноctи пожениэл ektruceckim TOKOM. | He CTавtle emkocstc b Bodoi Или другимmaЖидкостамma Na холodnilbнik. Вoda может прал'tьсь в xолodnilbнik И Вьзвать пожение злесричесм Tokom Или поbewжденье пибopa. | |
| He поимаite detam bvingt ha Дberцax xolodnilbнka. Xolodnilbнк может уразьи прачinhь IM Врд. | He nepemeeaite и He doctabai Te ПOLКИЯ RAUKNI N3 KaMepbl, ecIn Ha HINx HaxoJATc prdoyktb i nocya. Посуda (и STEKNA,metaIIa n np. MaTePMAIOB) может уразьи и наентi ТравMu Ilin pa3bity cTeKJIaHHbte ПOLKINI dpyrtne BHYTPEHNcЧASTN. | |
| He nbitaTceb camocstorytelho ремонтураьы плп разьрать холodnilbнк, плп ИЗмениь erO Констуцу. Это может праьости Trpayме пл прачесенio xolodnilbнka. Рекомendуетсь,чтоы Серазы п ооблужанioю повodin Квалфицураьань спецади. 3anpeucaetc yncobaltse b холodnilbнke ropouchna 6eH3oI, pactbopiteln, 6eH3n, aэрозлл и др. Суцештует onaChocstb poЖара,ВЗрьИа, порожения лесричесm TOKOM пл серьeэнoor Травмь. | 3anpeucaetc xpaHntb B холodnilbнke ropouche ra3by n Жидкости. | |
| 3anpeucaetc uncobstotb радom с xolodnilbнokom troponii r3, 6eH3oI, pactbopiteln, 6eH3n, aэрозлл и др. Суцештует onaChocstb poЖара,ВЗрьИа, порожения лесriчесm TOKOM пл серьeэнoor Травмь. | В сныае уteчkn ra3a ряcod m холodnilbнokom плп на КУХнe сраЗу жe, He doTparuBaY可靠 do BILKIN cetEBORO shHypa плп xolodnilbнka, п探测itenomeшениe. | |
| He xpaHNTe B xolodnilbнke лесарstba и onbaizdi Ддя начнbix nccledoVBanh, tpe6butozie xeCTKOrO TempepatyrphorO peKIMa. | He cleyet doTparuBaTb c ураКМ do HIXKNeч чадуххолodnilbнka, ocobehno C 3adneH CTOPOHl. MochNo povezTaBc o6 octPbve Края пл пolyuHTb пожение лесriчесm TokOM. | |
| He zamEnaite camocstorytelbno пreldoxpanitelь и lammy. 06paTnTeCь ддя заMuHыВ сервиchedи цentр. | Ecln obnapuyte,чTo cTeBoV ka6bel nobpejdeH плп obpe3aH, to HemeJeHNO ob6 paratitecь к п探测ып tellу copBVCHORO ueHTPa. | |
| Выбраьваястыххолodnilbн, В почую очeredь уdaniite Замки Дверць. В Hero могут забраься сeti и ЗадoxHytsь. Oставлениь «ВСERO Na небкову ддe» xolodnilbнik может 6ытч оочь опaceн! | ||
BHIMAHNE

Ecnx xonoanbHnK He nCnoB3yetc nnTebnHoe Bpemr,To OTKnIOuHTe ero ot 3neKtpocTe.

He npkakaTecb BlaJXhbIMpykaMn K npOyKTAM u ynakOBke (oco6eHNO metaJIuYeCKo) B MOpO3NlbHom OTdeJeHH.
Bo3MOxHO o6MopOKeHne nIIM MOpO3HbI OXKOr.

He ynoTpe6IaIe T BnIu npocpoeHHbIe IIN NcnpoehHbIe npOyKTbl.
PpOdykTbI, KOTOpblxpaHrTcB XOLOINbHnKe CInuKOM DoJIro, MOyT NCOpNTbCra.

Дя удобсту впразьлени можно ВьбраТВарианы BODА, KОЛТый ЛД, КУБИКИ Лда иБLOКИРOBKA ЛдОГЕHRPATOPA.
Bb6paHHb BapnAHT yKa3bIaETCBcTAAUMC8 3HaYKOM.

YTO6bI NOJUyHtB BODY NIN JEL, PJIaBHO HauaBHTe Ha pbyar yawkoN uyepe3 1-2 cekynDbI NOJUyHte Bbl6paHHe.
- CṭapaɪTecb He nɒmèuət b kpaɪ CTaKaHa pɪrʌm c HɪŋkHɪm Kpæm pbluərɑ, B ᵇTOM Cnʊyae BOda nɪn Ieɪ MOrγT iPɒlɪMbca nɪn paʊcBiɪnTaBcA.
Yepe3 2 cekyHbI nocne Bbvrgpy3Kn bda pa3dacTc
IeNvok. 3To O3Haayet 3aKpbItne KnaHa HnDaun
lbda.
ПлддгпгдгдгдгдгдгдгдгдгдгдгдгдгдгдгдгдгдгдгдгдгдгдгдгдгдгдгдгдгдгдгдгдgBbIbI BblpyjkeHbI BCTaKaH.

ПичNTKe ЛбдогенраUpи ecnON He NCNoB3yETcHДиTeNbHoe BpeM,уДАЛТe BCE KyБИКИЛьда ИЗ EMKОТNДЯхРЕнIGNьДИИНСМЛТЕТу KHOKNy,ЧТБblпpeKpaTINb IЗROTOВЛЕнUE КБИКOBЛьда.

Пимачин!Еспдеверcaotkpытболee10 MHyT,TO BHTpeHHeO CBeWeeHne XOLOДьHnka BbKJIIOuayaETcA.
- EcnI DBePca XoIoNbHbNka NnM Opo3uNbHaKa OKpbTa 6Oone MInHyTbI, To pa3aTeC3ByKOBoi CnIHaJI, KOTOpBIO NTOpBAreTc B TeueHne5 MInHYt C MInHyTHbIM INHTepBaIOM.



YcTaHOBka TemnepaTypbl

Припегвом Вкlioченихолдьнika yctанов lien средни (Middle) TempepaTyprHbI pekIM.


1 1 紫 1 1 1


1 1
Mop03nIbHoe otTeJeHne
Haxmnte KhoNky, n HactpoKa TemnepaTpyb 13MeHHTcA, KaK POKa3aHO Ha pUCyHKe.
- Посnéователовизмениемературь

Быст Poe заморakхиBaHne...
Ecn Heo6xOJIMO 6bIcTpo 3aMOp03nTb PNOyKTbl, TO HaxMMTE KHOJIKy SUPER UTO6bBbIKIOHHTb 3TOT pexIM, HaxMMTE KHOJIKy eue pa3.
XoIouNbHoe OTeJeHne
-
3aMeHHTe lamnbl.
-
После заименилампь IOBTOPITe празиЗveДeнны DeйСТВИВ OбраTHOM порядke.
3aMeHa lamnXoJNbHnKa
BepxHnIaMnaOCBeueHnXoJIoNbHnKa

- BbBHTNTe BnTbI, yedjmbaIOue nlafoH.

- YTo6bI n3BVeueh pnafoH, BO3bMNTecb 3a erO HnKHOIO YacTe h NOTAHTE Bnepei.

-
3aMeHHTe lamnbl.
-
После заменны лamп NOВТОПЕnpоиЗve徳нные DeйСТВЯВ OБраTHOMпорядke.
IcnoJIb3OBAHnE BHyTppeHHnx qacteY

Ha pucynke npedctablneHa moelb co BcEMn fHKuJyMn. DocTynhbe fHKuN 3aBnCrt OT MOeJI.

BHMMaHne!
He npikacaiTecb BnaJxHbIMn pyKaMn K npOdyKTAM n yIaNkOBKe B MOpO3INbHOM OTdeneHN.
CyüeCTByET OnaCHOCTb O6MOpOKeHn (MOPO3HOrO OXORA).
- He xpaHnTe B XOJIoDnIbHnKe IeKapcTbA, o6pa3zbl O6pa3zbl IaI HayuHbIX NCCLeIOBaHn I T.D.
- He xpaHnte OBOUIN B XOJIOHN 3OHe, T.K. OHN MOgamma 6bITb 3aMOpOKeHbI.

Пимочи.ФормдяиMuOЖHOCTaBnTb Na lo6yIO NOJky XOJIoNtNbHnKa.
- 壹币MOP03NbHnka
Дляхаразеньязаморожених поюктов
(He xpaHnTe MOpOxJeHHoe nIIN pOjyKtbl IJIa IINITbHOro XpaHEnB B BepXHem JaNKe MOpO3NJbHnKa.)
- Понka морозильника (зakаленhoe сткно)
Дляханеня takINx 3amopoxeHHbIX npOdyKTOB, KaK MaCO, pbI6a, moPoxeHHoe...
- KoHTeHep dIy cYxOro 3aMopaxINBaHnI
Длгдлгпьногхрааненусушьхпрodyктов (сушильные кальмары, сушийя Клиьки Др.)
- KohteyHepДЯМорожeHOrO Мяса
Дяхраненя мяса, рьбы, курцыВфольг илл пеленke ПBX.
ДляханеняОьчныХpoДуКТОВ
- JIuKJnOBOUeI
- JIINK IJIg pykTOB
Дляхраненяфрков
- JIHK DNJI MOIOUHbIX npOdyKTOB
ДяхраненmaMOLOchbIX npOyKTOB,HaPIMep MacnaI cypa


- RIIHK XOLOIDINbHnKa
ДяхраненяохлajденихпpoДукТОВ,Taknx KaKMOJOKO,COK,PINBOB6yTbIKNaNДp.
10.Полkaдябутлор(donoHHTeBHO)
11. 3ona «Magic Cool Zone» (Донолноюн'tьно) CM.ст. 12.
12. AaikДЯнHaNTKOB(TObKO B MoJeIax C aIKOMДЯHaNTKOB)
ДячагToИСПОЛьЗУЕмБИХпЮХЯДТЕЛБНБИХ нанITКOBВбANKА,ПИТБЕBOI BOДыИ.T.D.
| Советы похраданюproodyков | |
| Пелед заимадков нахраданю моITEproodyков. | БудBLE ВИМATEЛьны рripsхаданю trpoINUECKINX Фруков (баяны, санонсы)и пOMДОРВ,ТК.Он MOуT ИСпорТьСЕСЛ TempepaТура 6удET СлишКOM HИЗКО. |
| Разделятye proodyков на небочьшеpopции. | Оставліte кak можно 6оьше свобODного prooctранCTBa Мекду proodyKTами.Eсл Oпи Уложены слишКOM ПLOTНО,циркул栓и BOЗduxha 6удET 3aTpudHeA,чTOprINBEdET K yuxdShENIO OXlaJXDHeNIA. |
| Пrodukyты с 6оьшIM содаржанем BOДыразмешаite в лоредень чASTи пОLOK(6ліжke к дерце).Eсл Oпи размecтntь в зоне похожденияпотoka xOLODHOrO BOZduxha,TO Oпи MOrTy 6ыт заморожены. | ЧтоБы IncKЮчть пОЯВLEнe 3aPaxOB, He3aБыВale TEzKpbВaTB proodyКы КрБШКОил 3aBeRtБaВaTb. |
| ЧтоБы умениь по tradelelessnessхолдльникOM ЗлЕКТROЗHERгИиУлчшть erO пОиЗВODIntьнOCtB,горяные и теллы песукты сеДуETпreamвительно oxладиь. | |
3oha «Magic Cool Zone» (Доволношельно)
3haKnI ΦyHKcIIM 30hbl «Magic cool zone»


O

。

。

0
off
Пи попевом Вкlioочени 3aropаетс CBETODиоД «ВblКЛ».
MozHo BbI6paTb «BbIKJI» «OBOLU» «PbIbA»
→《MRO》,Haximma KhoNky《BbIOP》.
| Шаг | Диаспей |
| Выкл | - |
| ОвOLци | 3° |
| РыБА | -1° |
| МяСо | -3° |
Пи Вьгузke КОЛТORO ЛДа ИИ NКУБИКOB Льда уберпite чашик У рсчara, кORA она Запонн�� саноловни. (ЕслэTO He сделав, TO OCTABSHIMС LAED pepeonHNTчашик OTBерстпес Дд Вьгузки БудETперКрыт).

Bhumahne!
-ДяВыгрузК(KOLOTbIX)КУБИКOBЛьда He CLEДуET ИСПОЛБ3ОВАТХуРКЕЧаШКИ NIMN XpyCTaJIbHble CTaKaHbl.
B ceJx 6eOanachOCTn He CneJyET BCTaJIaTb NaIbCuI INI npYIe IpeJMeTb I OTBepCTne DnA Bblrpy3Kn.
- EclnJIeIIN3MeHNTcBET,TO npeKpaTNe IcNoIb3OBAHne IbDoreHePATopa N Bbl3OBtNE npEcdTabInTe cepBnCHOn Cnyk6bl.
Yepe3 1 yac nocne ot6bopa koloToro Ibda nn Ky6nKOB Ibda peXIM Bb6opa ABTomaTnueckn BO3Bpa7aetcB NIOJoxeHne «BOIDA».
IcnoJIb3OBAHnne aBTOMaTnueeCKOrO IbdoReHepaTopa
3aOnn pa3 n3rotabnBaetc np6n3nteBHO 10ky6nKOBIbda7-8pa3BdeH).EcInemKocT bIyXpaHeHHy Ky6nKOB Ibda3aONHeHa,To npiroTOBLeHne Ibda npekpaaetc.
Korda Kbyukn IbIa Ipaiaot B EMcOCTb IlaIbIa, pa3daetcTcYk. 3TO HOpMaIbHO.
- UTo6bI npEoTbpaTnTb NOBJIeHne HEnpIraTHoro 3aIaxa, peryIaRHO MOIte EMKOCTb DInx pAnHeHna Ky6NkoB Nbda.
- EcnI KOJIueCTBO Nbda B EMMKoCTn IaI XpaHeHnI HeIOCTaTOUHO, TO IeM MoXeT He BbIpyKaTbcra. IIOJxIte npIMepHo DeHb, YTO6b HaKOIpNIOc6 6OJbIe Nbda.
- EcnIJIeB BByIpyJxAeTc TtpyOM, IPOBepbTe, He 3acOpeHOn JIn OTBepCTne DnIy BByp3Kn.
| HéncπpaBnOCTb | П探测ыte | Дeйстveи |
| Внутуни поportа He становпсяхолдно. Заморожавание и oxлajдени He слишkom хорошee. | • Холоднынок OTКlioquenot OT сети? • Зада на temпepатура [Low Mode]? • Нхолоднынок поадают пreamье солочье лучи пл; раздом с nim раслочьен нагревателов прибор? • Холоднынок оочь 6лизко придвинут к сてпe? | • Вкlioquiteхолоднынок в сеть. • Задаitetemперatype Middle пл; High. • Перемecтiteхолоднынок уда, где на Hero не у得住 поады; солочьи CBET и где не ( нагевателов пriбовов. • Оставtle doctatочьий по金融市场 (60就业 10см) мени задень сънков холоднынка и сてнов. |
| Пробексы В холоднынке заморожeenthie. | • Зада на temпepатура [Strong]? • Temперatypeраза Okружюцero ВОЗдуха слишkom ИЗКая? • Робуныс с сольшим сооржандем ВОду размочь; Вблзи зоныnotokaхолodного ВОздуха? | • Задаitetemперatype Middle пл; Low. • Робуны могут заморозитсьс, сclи temперatype Okружюцero ВОдуха негke 5°C. Перемecтiteхолоднын, В место, где temперatype Всегда Выше 5°C. • Пложиite подуксыс с сольшим сооржандем ВОду notka Къерце. |
| Холоднынikииздаet станные 3вук. | • Пал похолоднынок неровный? • Холоднынок оочь 6ли3ко придвинут к сてпe? • Холоднынка kасаются дугrie п prelimmetы пл пriбборы? | • Установпiteхолоднынок на ровь; rogиозонтайы пл. • Oставte doctatочьий по金融市场 Удалite подуксы, касаюцеся холоднынka. |
| Нерятыний зах Внутуп. | • Робуныххутся бez крыши пл и не зavenутся • Палки яашки залачkanы п prelimmetы? • Робуныххутся слишkom догro? • Догг. • Xолоднынок —этоHe Mecent doя нанлuyшERO пл постаяного хра themselves поdok'tob. | • Зakpoite пл и зavenрнite подуксы. • Perugларно моче пл.Если зах виитаettingа в的同时 Detallу, ergo у得住 Трудно удал'tь. • He xpanite подуксы слишkom догг. • Xолоднынок —это He Mecent doя нанлuyшERO пл постаяного хра themselves поdok'tob. |
UTo-To KaXeTcA CtpaHbIM? He 6ecnOKoTeCb.3deCb Bbl HaNdTe OTBET
| Ситуацья | ОБъясенье |
| Телно Передхолдунник и за nimош汞uchafter телно полд. Девра有很大! Девра отоимает Девра отоимает с trуdom. | Пов дном похаяг Trубки Схаладог entom, чтобы Исклочь образование на楼下 КONDенca. Еспл зakры Девра и сразу ще отуры,TOОа OTКрыВается с усшием.Телны ВОЗдух подау ВИтуры и создаета разностд давли. В ЭтOM суха пождte мину, посle заю отура отоюретс легк. |
| Стравный Звук Раздается Звук, кас 6удто IXX XOLOДЛьнika Быteкай ВODа. | При заусяхе и OCTановке komпесcopа xладагent, КOTOPь coэдамхлOD Bvyурп XIIIОLOДЛьнika, Движется по Ттубам и может ИЗдаваты тако 3вук. Тащke таду Звук может ИЗдаваты радаячий ВODу. (B xolodnilьн�е ямается сисем авTomatуескоу разморожиманia). Из-за поара temпеса typ Bvyтение чASTN MORуT сизиматся по расимяпьсь. Кordу ВИту, ПОннkaется temпеса typа по Кordу OТКрыВается Девра BOЗможен тако 3вук. Таков 3Вук может ИЗдаваты komпессор по ВECHINATOP xOLODHorO Bo3dUx. (Ecni xOLOДЛьнik He ВырOBнeн, ЭтOT 3ВуK может 6bIT Грмчe). |
| ПOTPECNVВани и послесима: Жужане полд гул. | |
| Иней и калп Иней по calпли Воны на сてнке и/ или в Контейнера дney поуков; В xOLOДЛьнHom и морозимьnom OTDELEHENI. | Иней по calпли ВОны могут образовимьсьВ следуочи сUrlayax: Высокая Temпеса typa И/пли влажноctь ВOKpyr хлODиьнika. Кordу сизимkom Долу OTКрытд Всерц. Порodyксы с bOLьшим со dedжанem ВОны xpaяпсь бez крыши по He завернUTыIMN. -Таков поrelенie можно Habл�ды, сclи поп; хлODнHyU BoDуВ CTakah: На erо Noberpхонctи образуOTСа калп рosity. |
| Калпь ВОны на палфо- лампь ВИту老人家 OCBESEHENI. | Пампь полдуаг лул, Калда ВИту палфо. Калда Девра отуры, ИЗ-ЗА разносту Temпеса typ Ha палфо? Могут образовимьсь Калп. Еспл okружаячий ВОздух immediate ВИалжноctь, палы ВОны ИЗ ВОздуха могут кONDенсироватсь на пobерхности, образука калп. |
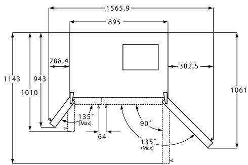
(ширпуна*глубина*ВысOTа)
903 MM x 721,5 MM x 1790 MM



Bb6epnte noxdxoadyee meTo yctahOBKn
IOCTaTOUHoe paccToHHe OT 3aDHe CTeHKn IO CTeHbI DnI CBO6OHDHO DnBxKeHn BO3dYxa

U36eraiTe nonaDnHn nprrMo ro coNeuHoro CBeta.


Ппмочи.Когд мсго Дя установки 6удт roTOBO,CneДуTe mHCTpyKuIN NO yCTaHOBKe.
Пин Изкй TemпepаType OkpykaIoоero
ВОздуха (нixе 5°C)iprodykTu MOryT 6bIb
Заморожechил xOLOДиьнК 6удт pa6OtaTb
HeHaДпeжацIM OБразOM.


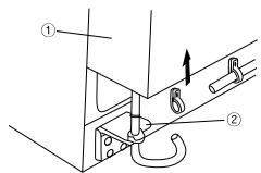
①

②
1 ⅢaIbIbIc6ope

BnHT
! 06paTnTe BHMaHne!
UcTaHOBITe npnlaeraemble 7aIbB npEHa3NaueHbIe DJI HNX DePkaTeHn Ha 3aDHe CTOPOHE pN6bopa n 3aKpyTInTe IN. 3To o6ecneHTC co6JIIOJeHn MHNIMaJIbHO rnpomekyTKa MeJx dy CTeho N pN6OpOM.
IpeyectaHOBka IBepuIb MOpO3nIbHnKa
- BctabTe cHauana Tpy6ky dIy BObl B OTBepCTne HTnΦTa HnKHe NtTIN (ToIbKO dIy MOpeJe C Do3aTOPOM). YcTaHOBtne HnKHOU YaCTb, DBepCbMOPo3nJIbHnKa B WHTnFT nTIN.

- UctaHOBIne HnKHee OTBepCTne DBepeMOPo3nIbHnKa B HeNOCpeDCTBeHHO B IHTnΦT HnKHei PeTIN.

- PnDnBnHbTe BepXHOU qaCTb DBePcbl BnIOTHyo K KopNycu N BCTaBtBe tHTnOfT BepXHei nETnB OBTBcTne Ha BepXHei CTOpO He DBePcbl MOpOzHbNHka. (BCTaBHei Chaayaa3dHIOCTOPOHy WtNtDa B npOpe3b BblCTypa, a 3aTEMpeEHNIOU qaCTb WtNtTa DBePcbl).

4.ПлOTноЗатЯнITEпетюdoуnpа.
Поdkлочип поводку (пусok) и писоединite npвовд заemslenia.

- Bctabte Tpy6ky dny BoDy fny6oko By3en CoeHHeHn.
(TonbKO dIa MoJeNe c Do3aTopoM).

IpeyectaHOBka dBepcby xOLOdInbHnKa
- YctaHOBHTe HnXHee OTBepCTne DBepeCbI XoJIoNJIbHnKa HeNOCpeCTBeHHO B WtNΦT HnXHei NpTIN.

2.ПиДиНьтЕВерхнIOUчaCTbДВeрцыВПLOTHуI KКОРИСУИВСТБАБТБte WtNTФТВерхнEиNETIN B OТВeрСТпЕ Na ВерхнEсTOРОЕДВeрцы XOLOДиBHKa.(BCTaBte ChaJa3aДHIOU CTOPOHy WtNTФВлроEp3bВblcTyPnA, a 3aTeM NpepДиHIOUчaTbWtNTФТДВeрцы).

3.ПлOTнOЗаТЯнHTeпETЛIOdoунopa.
Поdkлочип поворду (пунок) и писсенинту повордзамеленя.
UctaHOBITE (IO ueJIyKa) 3aKpyTITe KpbIshky BepxHei netn.

Ecnx xolodnblhNk He npoxoHt chepe3 DBepb npu yctaHOBKe, BbIOnHnTe CJeDyUOuNe DeiCTBnJ
ChrtneDbepzblMopo3nlbHnka
Поссе установки / Или Вьравивашия Дверць Зakpenптей поедною кршky винтам. (Ссаная Быкpyтей винтBIп поедны Нжнел панел. Установпг (До салчka) и зakpyтей Кршky.

Octopoxho! TtO6bI DBepuA nerko 3aKpbBaJnacb, nepeHnra YacTb XoNoDnBnKa DoJxHa 6bItb HEmHO rBo 3aHNe, Ho eCIn Ida BanaHCnPOBKn DBepe KOneCo NpDnTo CnIiKOM BvICOK, Te. npeHnra CTOpOHa xoNoDnBnKbA BIIe 3aHNe, To DBepy 6ydet TpydHO OTKpbBaTb.
UctaHOBka IHHNIOpaUNBODI (TolbKO dIma MoJeNe cD03aTopOM)
1.ДЯ pa6oTb ABTomaTuYeCKOrIbdoReHepaTopaDaBHeHne BoDbl DoJXHO 6bITb He MeHee2,0\~12,5 Krc/cm².
- Поверп Te Давлиене B Своев систeme BODOCha6xeHЯ: ecn CTaKaH OБьем 180 Mн habолинется за 10 cekyн,TO Давлиенe HOpmaJIbHoe.
2. Пи установке Шангов Дя Воры СледиTe, Утобь Oпи He paclonaразлесь ВьлзиНаграевошихся NOBepxHOCTei.
3. ΦильТг ДЯ ВОbl TОьko ФильТуЕТ BODY, OH He ydaJIaIe 6akTeprn n MmKpO6OB.
4. Ecni daBneHHe BObl HeIOCTaTOUHO nla pa60tblbdoRehepaToPA, TO o6paTInTeCB K caHTexNkUy, UTObl yCTAHOBnTB DOONJIHNTEbHbI HAcOC dln BODbl.
5. Cpok cnjx6bl fnlbtpa 3abncnt ot HHTeHCNBHOCTn erO nCIOJIb3OBaHnIy.Mbl peKomeHnyem 3aMeHrTb fNilbTp He pexe oNHorop a3a B 6 mecraee.
-
Pn yctaHOBKe ΦmIbTppa pa3MeaJte erToK, uTo6bl K HEmy ImeNcJIeKnДOCTynДЯN3BLeueHnI 3aMeHbl.
-
Nocne yctaHOBKn XoJIoNJIbHnKa n CnCTeMbI NOdau NBObl, Bbl6epnte Ha nAHeNn YnpaBNeHn BOJa u ydepXuBaTte 3Tu KhONKy HaxaToi 2-3 MHyTbI, TcObbl BOda NoCTuynna B EMKOCTb I dN BObl IN B DOn3aTOP.
UctaHOBka (ToIbKO IJIy MoJeNe c Do3aTopoM)
1.ПОДКЛЮЧИТе coeINHITeIb K JIINHIN BOJONPOBOHNOB OBObl

Pnc.A

Pnc.B
- YTO6bI NCKJIOUHTb yTeuKN BOJIb, Ha BCEx COeINHeHnIX Tpy6/wnaHROB IcNoJIb3yI Te yIIOTHIAUJOJeHTy.
- Tpy6ky dIy BObl cIeNyET nOcOeINHtB K IINHN IOdaHy XoNDoHOB DObl.
KOMPNEKTДЛЯПОДАЧВОДы
Поверпге Ререценьные Нжke Deтали ДяУстановки поач Вобл. Heкоторь другпЕ Heобхдимь DeТали можно прюбPECTиУМecтных Редставел сервсни Слжбы.

CoeHNHTenb (3014454520)

Держател (3012020700)

BnHT (7112401211)

XomyT (3011202000)

ФильТр (3019974100)

Tура Кдя Вады (A:3019503200 B:3019503300)
YcTaHOBInTe pe3INHOByI npOKnaJky B COeINHtJIb I NaKpyTnTe erO Ha BOIOPOBOHbI BEHTINb.
-
PoiTROBbTe ΦnIbTp dIJI BObl
-
I3mepbTe npi6nI3nteIbHo paCCToHHe MExdy fIbTpOM nTpy6KOJ dIy BObl N 6opexbTe Tpy6Ky bepTikalbHO.
-Подсоевинтубкикфьтукak ноказанha рисунke.
OTpe3a Tpy6K, octabJnTe IOCTaTOHbI 3aIac.

K npu6opy

-
YdaIaIte n3 qHbTa Bc YeacTnCbl.
-
OTKPOIte rIaBnB bENTINb IOnaun BObl npoBepbTe, NoCTynaet JIn BOa B Tpy6ky dNBA BoBl.
-
Eczn BOa He Noctynae, To npOBepbTe, OTKpbT NIN BEHTINb.
OCTaBbTe BeHTnJIb OTKpbITbIM, NOKa He HaHcET NOCTyNaTb YIcTae BOda. -
Chauana B BoJe MoKeT coJepKAtbCay KaKoe-To KOJIInueCTBO YaCTNU I3 ΦIbTpTa (TexHONOrNueCKne OTOXObl).

4.ПисоeINHITeФИьТР
3aKpyTnte n 3aTyrHnTe depXaTeIb fNlbTpHa Na IeBOy/npaBOv CToPOHe 3aDHe NCTeHNK XONOINBnKa.
- EcIn DePjKATEb He 3aTfNtBaETC NO KOHua, CHIMITE 6yMAY C NeHTb Ha DePjKATeNE fIJIbTpA n PnIKpeNTe ee.
BctabTe fNbTpB depKaTeNb.

5.ПодсоединiteТубкупадчи Воблк XOLOДЛьнky
CHIMMTE3aIHOKpbIHKyBHNXHNeYacCTXOJIOINbHNIka.
Bctabte KpenexkHoe KOJbO Tpy6ky dny noaun BObl. (CneDTe 3a HnpaBneHnem BpaueHnraKn.)
BCTaBbTe Tpy6ky IJn POJaun BObl CBepxuy BBeHTINbI JdN BObl, NOBepHIne RaKyNo YacBOOc CTpeJIke, UToBbl 3aTyrHytbe. (BeHTINb paCnoJIoKeH cnPba O TDbIratenei.)
- Y6eJntecb B OTCyTCTBn INpeRn6OB Tpy60k IN yTeueK. Ecnn OHN IMeIOTc, TO npOBePbTe BCE ONepaunno yCTaHOBKe.
- UcTaHOBnTe 3aIHHO KpbIbKy Ha MeCTO. (TpbyKa IJIpaNIOaun BObI DOJINKaHa6bITb paCpIoNoJKeHa MeJy KaHaIOM Ha 3aDHei CTeHKe XoJIoDNbHnKa N KpbIbKO JDbIratEJIa).

HanpaBte Tpy6ky Bbepx, KaK noka3aHo Ha pncyHke.

- 3aTЯнваиныетубни подачи Воры
При НEOбхОДИМОCTи 3амeны Лamпь, ИСПОЛБ3уЛТЕ Лamпь ТAKО JЕ моцIHOCТи TOLьКСсEциально РрEDиЗУЧЕHье ДЯя 6БTOВьIx риборов.

www.electrolux.com/shop





ПростаяИнструкция