KPAC - насос HAYWARD - Бесплатное руководство пользователя
Найдите руководство к устройству бесплатно KPAC HAYWARD в формате PDF.
Вопросы пользователей о KPAC HAYWARD
0 вопрос об этом устройстве. Ответьте на те, что знаете, или задайте свой.
Задать новый вопрос об этом устройстве
Скачайте инструкцию для вашего насос в формате PDF бесплатно! Найдите своё руководство KPAC - HAYWARD и возьмите своё электронное устройство обратно в руки. На этой странице опубликованы все документы, необходимые для использования вашего устройства. KPAC бренда HAYWARD.
РУКОВОДСТВО ПОЛЬЗОВАТЕЛЯ KPAC HAYWARD
4. INHTEPФЕИС ПОЛьЗВATEЛЯ 15
4.1 O6uie cBeHn 15
4.2 Hac troponka daTbI n BpeMeHn 17
4.3 YcTaHOBKa TaIMePoB BkIIOUeHnI N BbIKIOUeHnI. 18
4.4 YcTaHOBka 3aHaHHoro 3NaueHnra 20
4.5БлokирВкa n pa36лokирВкa TaKtnIbHoro 3KpaHa 21
4.6 Hac troika yHKun 6ecwumho ro pejima SILENCE 22
5. TEXHnueCKOE OBCJIyJXINBAHNE - 3IMOBKA 25
5.1Texnueckoe obcnyxmbaHne 25
5.2KoHceRBaucnHa 3mMy 26
6. ПИЛОЖЕНИ 27
6.1 3JIeKtpnueckne cxembl 27
6.2 BkIoueHne noDorpeBa B kaueCTBe npOpnteTa 29
6.3BnBpa3bopeHcbeMHbIe 30
6.4 CnpaBoUHnK no yCTpaHeHnIO HeNCpPaBHOCTeI 34
6.5 Tapaantna 37
6.6 OkonuaHne cpoKa cnJx6bI yCTpoiCTBa 37
1.ObuNE HNCTPyKcIN -BE3OpACHOCTb
БлагорадимВасяпку Тени�ого Насocа ДдббсянHaHayward.
TenloBn Hacoc Hayward FULL INVERTER 6bl pa3pa6oTaH corIaCHO cTporIM npOn3BOJcTBeHHbIM CTAHdApTaM, YTO6bl COOTBEcTcBOBaTb BBICOaHWeMy yPOBHIO Tpe6yemoro KaueCTBa.
TennoBbIe Hacocbl Hayward obecneayat HebepoTHyIO npOn3BOIDTeJIbHOCTb Ha npOTJKeHN BCero KynaJIbHOrO ce3oHa, peryInpyMaOuHOCtB,
3Hepronotpe6IeHne n ypoBeHb 7yMa, Heo6xOIMbIe dIy noDorpeBa 6accenHa, C NOMOuIIOruecko CXembl KOHTpOJa FULL INVERTER.

Ipeod ucnnoB3o8aHuem ycmpoucmea 6HumameNbHO npouumaume uHcmpykuu, npueedeHHbIe 3mOM pykooeodcme.
3TO pyKOBOCTBO BKNIOaET B Ce6B BCIO Heo6xOIMyIO INΦopMaIIO,
KacaoyocnytaHOBN, yctpaHHeHn HenoJaOK n TexHnueckoro 06cnykBaHn.
BHNMaTeIbHO npOHTaIe 3TO pyKOBoDCTBO, npExJe Yem OTKpbBaTb yCTpoiCTBO IIN BbIOJHrTb TexHnueckoe OBCnyXnBaHne. PpON3BoDnteJIb DaHNO rpoDyKTa He bUdet HecTN OTBeTCTBeHHoCTb B CNYuae NOnyuEHHN rNoIb3OBaTeJem TpaBMbl IIN NOBpeXdEHHY UcTPOIcTBa N3-3a BO3MOXhBIX OUn6OK BO BpeM rYCTaHOBKn, UcTpaHeHHN HeNCnPabHOCTe IIN HEnpaBnIbHOrO TexHnueckoro OBCnyXnBaHnra.
KpaHHe BaXHO BcerIa CneIOBaTb INHCTpyKUmaM 3TOrO pyKOBOdCTBa.
Iocne npoptyehna daHHoro pykoBODCTBa depxknte ero noD pykoJ dJa DaJIbHeIWeRo IcNoJIb3OBaHnra.
O6yueHbI nepcoHaJI
-
UctahOBka, 3neKtpnueckne NOdkHoueHna, 6cbnyxnbAHne n peMOHT yCTpOInCTBa DOJXHb BblONHrTbcra KBAINΦNcIPOBHaHbIM CNEuaJIncTOM B COOTBETCTBnC HOpMaTHNBbIM N DOKyMeHTaMn I OTPaCJIeBBIMn CTaHdApTaMn, DeIcTBByUoImn B CTpaHe, B KOTOpOYCTpOInCTBO bdyet YcTAHaBnBaTbC8 (cm. § 3.4). JIObIe pa60tbi C XOJOniNbHbIM KOHTypOM DOJXeH BblOnHrTb CpeuJaInCT, IMeIoUm cepTnΦnKaT, POnTBePjAIOUm npaBO pa60tbi C xJaadareHTaMn. IЯФpaHcun:
-
Hn3KOBONbTHa 3JIeKtpOyCTaHOBka B COOTBeTcTBn c NF-C 15-100.
- 3aKoHODaTeNbCTBO no obpaueHnO c xnaIaIeHTamN: Yka3 2007/737 nocTaHOBJIeHnO o npAKe erO npImeHnI.
3To n3dJIne coedePknT ra3oo6pa3HbI xJaIaIareHT R32

3mo ycmpoucmeo codepkum R32.
IcnoIb3yume ucknIOUcmeIbHO xnaOaZehm R32. IIO6oe dpyaoe 2a30o6pa3Hoe beuecMBO, cMeuAnHoe c R32, moXem cnpoBouOpoeamb ype3MepHoe daJIeHue, komopoe moXem npueecmu K noIOMKe unu pa3pbIBy mpy6 u mpaBMuOpoeauHO JIOdeu.
Для ремонma unu mexHuYecko2O obcnykuaHua uCnoJb3yUme MeDhIe mpy6ku, coombemcmByouue cmaHapmy NF EN 12375-1 u Eeponeueckou dupekmue 97/23/EC, peaynupyoue uCnoJb3oBaHue o6opydobAHua noD daBHeuem.
Koëda mennoöu hacoc haxodumcnaod daeJeHuem, He npodeNbIeaume omeepcmua mpy6ax u He nbimauemcb ux naamb. Cyuecmeyem onaChocmb e3pbia.
He nodbepaume ycmpoucmeo 803deucmbuO o2H, uckp unu dpyaux ucmouhuko 8032opahua. OHO moXem 83Opambcra, ymo, 803MOxHo, npueedem K cepbe3hbIM mpa6MaM unu cmemu.
Дя об hapженя умачек xладаьима He uспользуime 2алоанHyю lamny unu побου дpyоч demekmop c omкрьим bIM паме hem. Hu npu kaqux obсмогмьсмбax He uспользуime nomenцuaльные ucmочнuku boCПЯменя.
Данhoe Издени соржпт ra3 Фрон, пимеони КOTOPО OROBOPEOВ Knotсом npotoKone. He Bыичkaite tRuRa3bl B aTMocфepy.
3NaueHne B pamkax noteHuaJra IIO6aIbHoro noTepeHnra(1): 675. 3NaueHne 6a3npyeTcRa Ha 4-M OTuHe MeKnpaBnteJIbCTBeHHoR rpynnbl 3KcneptOB nO n3MeHeHIO KInMaTa (GIEC). rpynnba 6e30naChocTn: A2L.
KoJIuYeCTBO XlaJaReHtA B COOTBcTcBn C perIaMeHTOM F-Gas 517/2014 yKa3aHo Ha 3aBoDcKo TabNue YcTpoiCTBa.
JIIO6bIe pa6Otblc KOHTypOM XJaadareHtA DOJXeH BbINOJHrTb KBaIIINΦuIcnpOBaHHbI CneuaJIncT, KaK yKa3aHO BblSe.
B pamkax ebponeckoro nnn MeCTHORO 3aKOHODaTeNbCTBa MOryT npOBoNDtbcn nepnoDnueckne npOBepkn Ha npEdMeT Bo3MOxHOy yTeuKn XJaDaReHTa.Для поуеня дОпОнТeьHои ИФOPMaци n ObaTntEc b K BaшeMy MeCTHOMy dNcTpnbIOTopy.
BhimaHne! XnaaareHTbI MoryT He IMeTb 3anaXa.
He npokalbaiTe n He harpeBaIte TpyboNPOBOD, TaK KaC cyueCTByeT ONaCHOCTb B3pbIbA i NOJUyeHnA CNIbHbIX OXKOROB.
He nCnoJIb3yIte HnKaKne CpeIcTba IJy yCKopeHnI npOcecca pa3MOpaxnBaHnI nn OChCTKn, KpOMeTex, KOToPbIe peKOMeHIOBaHbI npOn3BOdnteJIem.
- UcpoIcTBO cIeMyET XpaHnTb B NOMEuEHHN, B KOTOpOM HeT NOCTOARHOPa6oTaIOxN ICTouHnKOB BOCnIaMeHeHnA (HaNPmEp, OTKpbITOrO OrHpa6oTaIOxN r3OBbIX np6opOB nII 3JIeKTPOHaRpeBaTeJe).
(1)Bo3MOxHOCtB IIO6aJIbHOrI NOTeNJIeHnI
YcNoBn yCTaHOBKn
- ΘTOT TeNIOBOH HAcOC npeHa3NaueH NCKIIOHTeJbHO dJa HarpeBa BObl B 6accSeHHe He nCNoJIb3yIte 3TO oBOpUdoBaHne dJa dpYrnx ceJeH.
He nbitaTeCb BbINOHNHTb yCTaHOBky 3TOrO yCTPOINCTBa camoCTOReTbHo. - EcII Bbl obHapyKInTe KaKyIO-JIbO HeNCnPaBHOCTb IJIaHOMaJIbHyIO CITyaUIO, He yCTaHaBJIbBaIte TeIIOBOH HAcOC N HeMeJNeHHO CBxKInTECb C BaIIM dIJIepOM.
- Tenzioh haooc dojxepen XpaHntbcB xopoO npoBeTpnaEMOM nomeeHN CnloaIbIO nona 6oJee A (M²), onpeJeMaemOn no cneDuoueN fOpmye: A = (M / (2,5 x 0,22759 x h0))², rde M - kOnueCTBO xJaAareHTa B yctpoiCTBe B kT, a h0 - BBicota xpanehn. IJI na HanoIbHorO xpaHeHn h0 = 0,6 m.
- 3TO n3dJIeNne npedHa3HauEHO NCKIQUHTeBHO dJa 6bITOBO rNcNoB3OBaHnru yCTaHOBKn BHe NOMEUeHn. Bo3dyx, BbIXoJrnn u3 n3dJIeNn,doJKeH npOXoJrTb CBO6oJHo n He DoJKeH NCNOJb3OBaTbcra dJa dpYrnx ceJe, HapnpMeR dJa obOrpeBa nn OXnaJdeHn NOMEUeHn nn 3DaHn.
- Пюверышур питаня.Еснишур питаня поьжден,ero следует 3amehntb y npoIN3BOIDNTeIa,В cnyk6be nocJIepepoJaXHOrO obcnyxHBaHnЯ nIy y JIO6Oro IInca,IMeIoUeRO COOTBeTCTByIOU KBaIINΦnKaUIO.
- YcTpoIcTBo DoJxHO 6bITb O6a3aTeJIbHO NODKIOUeHO K HenpepbIBHOI cENI 3a3eMJIeHnI. IINHa 3a3eMJIaIooIero npOBOda DOJXHa 6bITb 6OJIbIe IINHbI OCTaJIbHbIX nPOBOIDOB, YTO6bl IpeDOrBpaTITb pNCK IopaxEHnI 3JIeKTPnueckIM TOKOM Iprn OTPbIBaHnI UHypa. 3JIeKTPoyctaHOBKa DoJXHa 6bITb OCHaSeHa DnΦΦepenCuaJIbHO 3auNTOn Ha 30 mA (cm. § 3.4).
- Y6eI NTecb B TOM, yTO pa3Mep NOCTaBKN dIy yCTPOIcTBA COOTBeTCTByeT erO Becy.
- JIIO6oe HeBbIINHeHne peKOMeHdaaun aHHyInpyeT rapaHTnIO.
HctpyKnno TeXnueckomy o6nykBaHHIO
Дя rapаHTnOBAHЯ npoJoxNtIbHOnи HaJexHOn pa6OtBi TeNIOBOrO HacocapeKOMeHNdyETcpa3В roD npoBODITb cIeDyUOuNe Oepaunn no 06CnyKbAHnUOyCTpoiCTBa.
- Texnueckoe obcnykuaHne n Heo6xOaMbI npOceDpybI DOJXHbIOcyueeTBnTbcra C cactOTOn I B CpOKN, ONpeJeHhbI B HAcToaem pykoBODCTBe.
- IcnoIb3yIe TOJIbKO opINHaJIbHbIe 3aNaChIbe YaactN.
- Пюверьшуну питаня.Еснишур питаня NOBpeжden,ero cnedehyet 3amehntb y npoIN3BOIDNTeIa, B cnyk6e nocJIepnoDAxHoro O6cnyKBAHnA HnIy JIO6Oro IInca, IMeIoUeRO COOTBeTCTByUO KBaIINΦnKaciuIIO.
- PpOBePbTe 3a3eMJIeHn yCTpoIcTba n ee HnpepbIBHOCTb.
OuHCTnTe nCnapnteIb c NOMoUb MOrKOJ 3y6HOJ UeTKN IIN BO3dYsHoJ/ BoaHOJ Ctpyn. BHMaHne: HNKOrDa He nCpONb3yJTe dJa OvNCTkN BbICOKoe DaBJIeHne.
- PnoBepbTe, qTo KOHdEHCaT XopoWo cTeKaeT.
- PpOBePbTe HaJeXHoCTb rIaPoTeHXHueCKnx I 3JIeKTpHuYeCKnx CoeINHeHn.
- Поберътгindравлическю repmetnucHOCTb KOндсcaTopa.
- Поберку ИЗOLЯЦИ XОЛODINьнСИСТЕМБI BыINONHЯET yNOLHOMOЧHHь INCeциаJIncT C NOMOцьЮ DeTeKTopa Teu.

Ipepe npou3bodcmeom nio6bix pa6om no mexHuyeckomy o6cnjkuhaHIO mennoo2o hacoca heo6xodmo omcoedunmb e0 om ucmouhuka numaHua. Bce onepaquu no mexHuyeckomy o6cnjkuhaHIO doJXHBI npou3bodumbcra molbko cneuaJIbHO nOdaomoeHHbIM nepcoHaJOM, UMeIoUUM onbIM pa6ombic Kudkumu xnaadaeHmamu.
HctpyKnnn no 3mOBke
- IpebeTe TepNoBn Hacoc B pexm "BbIKJ."
- OTKIIOUHTe TENNOBOH HAcOC OT NCTOUYHKA NITAHNIA.
- CnéITE coDépχIMOE KOHdeHCATopa ДЯ пpeIDOTbpaüeHnra pNCKA NOBpeXdEHHRA (pNCK BO3MOXHOrO 3aMep3aHnra).
3akpoite "nepenycHOB" BENTINb N OTCoeHNHTe WTyuepHbIe COeINHeHnBxOda/BbIXOda.
C NOMOUII INCTOJIeTa BbICOKOrO DaBJIeHnMaKcIMaJIbHO BblUyTe OCTaTKN BOJbI N3 KOHdEHCaTopa. - Пеекрочь BXODи ВьIXOD ДЯ BOДы TEПЛОВОТ HOHOCa ДЯ празовские Nonаданя Туда ИНОРДьХ TeI.
- Yukpoite Te TepnoBoH HAcOC npeDHa3HaueHHbIM dIy 3Tnx cJeIe 3MmHm YexJiom.

JIIO6bIe HENoJaOku, Bbl3BaHHbIe HEnpaBulbHOu KOHcepeaueu Ha 3umHu nepuOd, aHnUnpuyom zapaHmuo.
yCIOBnYcTaHOBKn
IeTAMOT8NET,INiAmCΦN3UeCKIMN UYMCTBHeHHbIMNpacCTPOINCTBAIMn,aTaKKe C HapuShenrMaM NcYBCTBNTeJIbHOCTN,NIN COTcyTCTBnEM ONbITaN 3HaHn,pa3peWaaETcR NOJb3OBaTBcRAyCTPOINCTBOM NOI pINCMOTpOM,NIN ECIN OHN PONyHn INHCTpyKcNn IIO 3KcPlyatauNN yCTPOINCTBa IN pInHAn K CBeDeHNIO CONyTCTByOUsne pNcN.He I03BOJnTe DeTAM INrpaTb C yCTPOINCTBOM.
OuicTkA n o6cnykBaHnE yCtpoiCTBa He DoJXhbl BbINOJIHrTbcra DeTbMn 6e3 npNCMOtpa.
2. TEXHnueCKne XAPAKTEPNCtUNK
2.1 Texnueckne daHHbIe TeNIOBOrO Hacoca
| Mодени | FULL INVERTER | HP5091DT3HA | HP5111DT3HA | HP5151DT3HA | HP5181DT3HA |
| Наръжени пітанія B | 220-240 B ~/1 ph/50 Гц | ||||
| Хладarent / R32 | |||||
| Колочеву кг 0,430 0,450 0,60 | 0,670 | ||||
| Мась в tCO2eq | / | 0,29 | 0,30 | 0,41 | 0,45 |
| Частota поверок на налике утуков | / | Требованны оточтсвуот, по чекменчесу сождю | |||
| Наръvelьая способrostь(Mин. - Маск. (a) | КВТ | 2,46 -- 9,17 | 2,36 -- 11,45 | 3,31 -- 15,90 | 3,2 -- 18,15 |
| Поглочаь мелегшсякая мошисть(Mин. - Маск. (a) | КВТ | 0,17 -- 1,45 | 0,17 -- 1,80 | 0,27 -- 2,84 | 0,22 -- 3,13 |
| Номиналыний зкspлuyaатционный ток(Mин. - Маск. (a) | A | 1,17 -- 6,42 | 1,19 -- 7,85 | 1,37 -- 12,35 | 1,45 -- 13,58 |
| КПД мин. - Маск. (a) | / | 14,37 -- 6,32 | 13,88 -- 6,35 | 12,26 -- 5,59 | 14.34 -- 5,80 |
| Наръvelьая способrostь(Mин. - Маск. (b) | КВТ | 1,75 -- 7,05 | 1,56 -- 8,00 | 3,05 -- 12,40 | 2,86 -- 14,11 |
| Поглочаь мелегшсякая мошисть(Mин. - Маск. (b) | КВТ | 0,27 -- 1,51 | 0,279 -- 1,74 | 0,42 -- 2,65 | 0,43 -- 2,99 |
| КПД мин. - Маск. (b) | / | 6,40 -- 4,65 | 5,60 -- 4,80 | 7,26 -- 4,68 | 6,63 -- 4,71 |
| Мakсималыний зкspлuyaатционный ток (MэТ) | A | 8,40 | 9,50 | 14 | 15,9 |
| Номинал пільвкоу п dedохсан'tеля | aM | 10 | 12 | 16 | 20 |
| Изогн'tьий п dedохсан'tеля D | D | 10 | 12 | 16 | 20 |
| Пүсковий тok | A | < MэT | |||
| Гидравлиеслое coедиениe | MM | 50 MM | |||
| Номиналыний расхod bo'dы (a) | M³/ч | 4,00 | 5,00 | 6,70 | 7,70 |
| Мakсималынайnotеря наpopа bo'dы | КПа | 3,80 | 4,0 | 6,3 | 10 |
| Компразсор | / DC Inverter | Panasonic DC Inverter | Mitsubishi | ||
| Тун | / | Двоюнoi рotingohny | Двоюнoi рotingohny | ||
| Колочево | / | 1 | |||
| Сорotiвлене obmotknign priпtemпета type 20 °C | OM | 1,208 | 0,95 | ||
| Вentnamaytor | / | ocseои | |||
| Колочево | 1 | ||||
| Диаметр | MM | 405 | 510 | ||
| Колочево лопастey | / | 3 | |||
| Двигаел | / | DC Inverter | |||
| Колочево | / | 1 | |||
| Сkopость в рашенья | OB/MIN | 400 -- 700 | 500 -- 850 | 300 -- 750 | 400 -- 750 |
| Сkopostь в бесшуном ржиме | OB/MIN | 400 | 500 | 300 | 400 |
| Уровенья akustechкоу давлиец ha 1 M | ДБ(A) | 50,2 | 53,9 | 50,8 | 54,0 |
| Уровенья akustechкоу давлиец ha 10 M | ДБ(A) | 32,8 | 34,2 | 33,8 | 37,25 |
| Чисные разmersы устриства (Д-Ш-B) | MM | 1003 / 418 / 605 | 1048 / 437 / 768 | 1161 / 473 / 862 | |
| Мasca | Кг | 44 | 45 | 66 | 70 |
(a) Cyxon BO3dux 27 °C — OTHOCHTeJIbHaB BnaXHocTb 78 % — TempepaTypa BObl Ha BxoJe 26 °C.
(b) Cyxoh Bo3dyx 15 °C — OTHOCHTeBHa BnaXHocTb 71 % — TempepaTypa BoDHa BxoJe 26 °C.
2. TEXHnueCKne XAPAKTEPNCNUK
(проголжени)
2.2 Pa6oyn dnaana30H
Дя обесенья надекнои и захков paбовы Тенилього насocа И спользу-te erо в следуюши paбочи диапазонax Temперату в Влжности.
| Рек imm поограва Рек imm Охлaxдениe | 永嘉 | |
| Темпера typа okружаяошей среы | -7°C - +35°C +7°C - +43°C | |
| Темпера typа воры +12°C - +3 | 2°C +8°C - +40°C | |
| Оточitelовая влажность < 80% < 80% | ||
| Равочий диапазон заданною заненья | +15°C - +32°C +8°C - +32°C |

Ecnu memnepamypa unu enaxHocmb He coombemcmyom yka3aHHbIM ycnoBm, moxem cpa6omamb 3auumhoe ycmpoucmeo, u mo2da menloobu Hacoc moxem omknquumbcra.

MaKcumalbHaЯ mempeamypa HaapeBa opaHueHa do 32^ 6o u36eXaHue nopeXdeHua nokpbimur. FupMa Hayward He Hecem omBemcMBeHHocMu e cIyuae 3Kcnnyamauu npu mempeamype bIwe 32^
2. TEXHnueCKne XAPAKTEPNCn (npoJxHe)
2.3 Pa3Mepbl
Modell: HP5091DT3HA / HP5111DT3HA / HP5151DT3HA / HP5181DT3HA




BxoD BoDbI 050mm
yctpoiCTBO : mm
| Мо dyeль Позиюя | HP5091DT3HA / HP5111DT3HA | HP5151DT3HA HP5 | 181DT3HA |
| A 418 436,5 473 | |||
| B374 418 451,5 | |||
| C604,5 767,5 862 | |||
| D 1003104 7,5 1160,5 | |||
| E | 956 | 1002 | 1115 |
| F | 535615 | 790 | |
| G | 394,5 410 | 447 | |
| H350350 | 466 | ||
| I | 97,7 | 101,2 | 97,6 |
| J | 99,2 | 106,5 | 113,5 |
3. yCTAHOBKA I NOДКЛIOUYEHNE
Приимechа :Телно布局насспоставлгетсб3кakoro-лбо ДОПОЛНИТЕльНOrOоборудованяДЯ NOДROTOВКИ ИПИ Фильстраци вовы. Праздтабленихье на схeme злем entы NOCTABNIAJOTСАmpOM,OCUшecTBЯHOUseYCTaHOBKy.
3.2 Těnpови haoc

Pa3Mecmume mennoo haoc Ha omKpbimom 603dyxe, omdeIbHo om IIO6O2O dpy2O2O 3aKpbimo2O 6OpydoeaHua.
BbIbepume Mecmno npednoummeIbHo c docmynom coJIneHoo 0cema u 3auuueHHoe om cunbHOz bempa.
Ycmpoucmeo doJxHo haxodumbc8 ne2ko docmynHom Mecme dnoocJeDyUoeseo MohmaKa u mexHuYeckozo 06cnykuaHua.
Pa3Mecmume e2o nod Haeecom, c co6nOdeHueem 6ex yka3aHHbIX MUHMaJIbHbIX paccmoHn duo ppyux npedMemoe, ymo6bl u36kamb 6ex pucKOB, c8raHHbIX c peuKpIyauueu 03dyxa u 03MOxHO2O ompuameNbHO2O bIurHn meNIOBO2O Hacoca Ha cocmOHue OKyKaIOUe CpeB1.

3. YCTAHOBKA И ПОДКПЮЧЕНЕ (пробожени)

He ycmahaeuaime ycmpoucmeo henocepdecmbeHNO ha noI, maK kaK 3mo moxem npueecmu K npo6nemam.
Iycmahoeku ycmpoucmeha noJ npednoumemeBho uonb30aamb ahmueubpaauoHHbIe nodknaadku.
He cneedyem uCnoB3oEamb hAcmeHHbI KpoHumeuH 8 ycNoeuaX,2de Moaym nepeDaabmcBcBubpauu.
He ycmahaenueaume mennooHa caco Ha noocmaeky, komopam oKem ycunmb bubpaauu ycmpoucmea.
He ycmahaabuaume mennoobu Hacoc 8 Mecme, komopoe moxem noobwamb ypoebh wyma, unu 2de wym om ycmpoucmea moxem nomewambcocedam.
He ucnnojb3yume ad2e3u8bi, maK kaK OHU He Mozym o6ecneumb HadeXHoe KpennHeue.
IpeodnoumelbHo ycmaHaJIueamb menlooH hacoc Ha nlockou, He c8raHHou 6emOHou nIume. YcmaHOume menlooH hacoc Ha npuna2aemblc caJneHm-6nOKU (npuna2aHOMc BuHmbu wau6b).
Bo u36exaHue Heecacmno2 clyua uUu nopeXdeHu o6opydoeaHua mpaMupoBaHua IIOdeu 3akpenume ycmpoucmeo, uCNoIb3yru Yka3aHHbIMOMeHm 3amJxKu.
Kak bapuaHm, mennoo Hacoc moxho ycmaHOumbb Ha pe3uHObIe KpenHeu K nOy c nomoubIO noDxodauux BuHmoB (He exOaM 6 KOMnEkm nocmaeku).



MakcumaHoe paccmOraHue meKoy menNoobIM Hacocom U nnabeamJIbHbIM 6acceuHOM He doJxHo npeBiwamb 15 M.
O6uaa duna ha uana2o8 nodauy u omeoda 60dbI He doJxHa npeebiwamb 30 m.
I3oJupoeamb wlaHau om noeepxHocmu 3emJu U He 3aKaNbIeamb.
Tennobou hacoc dojkeh 6bimb ycmaHOBHeHa MUHMaJIbHOM paccmouu om baceuHa e coomeemcmuu c NF C 15-100 (nubo 3,5 m om bohoi noepxHocmu oΦpaHcuu) uju e coomeemcmuu co cmahdapmamu ycmaHOeKu e dpyux cmpaHax.
He ycmaHaBnueamb mennoo Haoc 6nu3u ucmouHukoe menna.
Ipu ycmaHOeke e chexHbIX pezuOHax, pekomEndyemcya cmaHaBnueamb u3deJeue e nomeueneHu, ymo6bl u36examb HAKONHeHua cea Ha ucnapumene.
3. YCTAHOBKA И ПОДКПЮЧЕНЕ (прдожке)
3.3 TnIpaTeXHnueckoe POnkJIuOyeHne
TeNIOBOH HACOC NOCTaBnEeTcC DByMg WTyUePbIMN CoeINHeHnA Mn DnAmETpOM 50 MM C HAKiDHOI raiKO. IJRA NODBOa BObl NCNoJIb3yIte PBX UHaHrO 50 MM. CoeINHtE BxOHDoe OTBepCTne IJRA BObl TeNIOBORO HAcoca CO UHaHROM, BeDuuM KΦnIbTPaUHOHHOMy 6IOKy, 3aTEM CoeINHtE BbIXoHDoe OTBepCTne IJRA BObl TeNIOBORO HAcoca CO UHaHROM, NOdaUoUM BOdy B 6aCCeHN (CM. npNBedeHnyo HnKe CXeMy).

YcTaHOBnTe TaK Ha3bIbAembI "NepenyckHoi" BeHTnJIb MeJxu BxOJHbIM N BbIXoHbIM OTBepCTnMn TeNIOBOrO Hacoca.

Ecnu uCnoB3yomcra aemomamueeckoe numameIbHoe ycmpoucmeo Unu 3neKmpu3amop, OHU doJXhbl 6bImb ycmaHOeHbl HnocpeDcmbeHHO nocJe menIOBOzo Hacoca c ueJIbIO npedoxpaHeHu KOndeHcamopa Titane om 4pe3MepHOzO HaKOpJIeHua E Hem XUMUeCKux npodykmoB.

Nocmapaumecb ycmahobumnb nepenyckhoB behmunb u NocmaeIemble umyuepehbie coeduHnra Ha odHom ypohe c exodom u bixodom boDbHa ycmpoucmee,ymo6bl npocmumb cnysck eodbl Ha 3umhu nepuod, oblezue maekum o6pa3om docmyn K 3JeMeHmam u demohmak Ha nepuod mexHuueckozo obcnykuaHnur.
3. YCTAHOBKA И ПОДКЛЮЧЕНЕ (прдожке)
3.4 Θлектprческoe Подключене

3neKmponodKnHueue u 6ce coeduHnra daHHo2o obopydoaHua doJXhbl coomeemcmeobamb MecmhbIM deucmeyouum npabunam ycmahOBku.
| Фразця NF | C15-100 Великовские BS76 | 71:1992 | |
| Даня DIN | VDE 0100-702 Англии и Ульbc EVHS-HD 384-7-702 | ||
| A | ÖVE 8001-4-702 | Вени�я | MSZ 2364-702/1994/MSZ 10-553 1/1990 |
| Искания | UNE 20460-7-702 1993, RECBT ITC-BT-31 2002 | Мэн | MSA HD 384-7-702.S2 |
| Иралдя МоHTажные павILA + IS HD 384-7-702 | Повшиа | PN-IEC 60364-7-702:1999 | |
| Италя | CEI 64-8/7 | Чебяя | CSN 33 2000 7-702 |
| Люкsembyрг | 384-7.702 S2 | Словakия | STN 33 2000-7-702 |
| Нidерланды | NEN 1010-7-702 | Словения | SIST HD 384-7-702.S2 |
| Португаля R$IUEE | Турия TS | IEC 60364-7-702 | |

Y6eumecb, ymo umeoueeecB e Hauuuu 3neKmponumaHue u Yacmoma coombeemcmyom mpe6yembim npamempam moka, npun8o EHMaHue cneuphiueckyo ycmahOBky npubopa u nompe6hocmu Bex cpyaux ycmpoucme, noKnUoyHHbx K daHHou cenu.
HP5091DT3HA / HP5111DT3HA / HP5151DT3HA / HP5181DT3HA 230V + / - 10% 50Hz1 a3a
Cobiodaume mpeboaunra coombemcmyouecxembicoeuHeuB npunoKeHu.
Coedunumelbna Kopo6ka haxodumc c npaeou cmopohbl ycmpoucmea. Tpu KOhmaKmHbIX coedunehn npedHa3Nauehbl dny nodkloueHna 3neKmponumahn, da pyux - nnookluoyen HexaHua3Ma ynpa6JeHn qunbmpauuOHHO z HoCoc (Cucmembl aemomamueecko20 ynpa6JeHn).

3. YCTAHOBKA И ПОДКЛЮЧЕНЕ (прдожене)

3a npueho uonb3oamb poemky dny nodauy numanu.
Hnua 3nekmponumau 0xnxHa 6bmb ochauneHa coombeemcmyouum
MHO2OONIOHcHbIM ycmpoUcM6OM 3auumbl muna u3o2Hymo20
npedoxpaHume D, a maKke aeomamuueckum bIKIouameJe
duphipeHuaJIbHo 3auumbl Ha 30 mA. (cm. cIeDyUOyU ma6nuu).
| Мо dyeл HP5091DT3HA HP5111 | DT3HA HP5151 | DT3HA HP5181 | DT3HA | ||
| эль ektrопитанne | В/Фазa/Гц | 230V~ 50Hz | 230V~ 50Hz | 230V~ 50Hz | 230V~ 50Hz |
| АвTomатиеский Быклоча telь, Крпвая D | A8 D | 10 D 16 D 20 D | |||
| Сейсенье кабеля | MM² | 3G 2,5 | 3G 2,5 | 3G 2,5 | 3G 4 |

Icnoj3yume ka6eJb numaHua muna RO 2V/R 2V uHaNoaUHbI.

Ceyehua Ka6eJra daHbI u3 pacyema MaKcUmaJIbHOu dUnHbI - 25 M. Tem He MeHee, Heo6xOduMo ux npoepeMb u adanmuoeamb coZnaCHO ycNoBuMa YcmaHo6ku.

Ipeod omkpbmuem 6noka 3neKmpoynpaBHeu rce2da omknouaume ucmouhuk ochoeHOzO numaHua.
Iocne omKnIOUeyHnumAHy ndoXdume 10 MuHym, npexKe de yem Naunamb pa6omy co BHympenHUMu akmueHbIMu 3JeMeHmamu obopydoBaHua (8 KOHNecamopax coxpaHernc 3Hep2u).
3.5 Первий зауck
IpoceDypa 3anyska - nocne TORO, KaK 3aKOHHeHa yCTaHOBka, HeyKJIOHNO CJeDyIe CJeDyUoSeMy nopAky DeiCTBn :
1) Побернite вентлиары рков дя поверkn IX свобого Врашени и COOTBetCTBЯ кpenлесни виHTа Ha BAny MOTopa.
2) y6eIntecb B TOM, yTO yCTpOiCTBO npaBnIbHO NOdkIIOueHO K nCTOCHNY OCHOBHOrO pNTaHnA (CM. CXemy CoeINHeHnB B pNIOKeHN).
3) BkIIOUHTe ФИЛБТРацноHHbI HaCOC.
4) Перац Tem кak перейн К ржимам пооррева ИИОхлajденя,празьт, утобь ВсЕ вентиь ьлп OTКрытьИУTOбь BODa NOCTynаВустpoиCTBO.
5) Поберп, чтбы Trубka OTTOka KOндсаТа 6ыла праВиьно установлеса, чтбы He CO3ДаВалocb НКaKINXnomex.
6) BkIouHTe 3neKtpOnnTaHne ycTpoNcTba, 3aTeM haxMMTe KhoNky PycK/ CToI a naHeN ynpabBHeHna.
3. YCTAHOBKA И ПОДКЛЮЧЕНЕ (прдожке)
7) Y6eIITecb B TOM, yTO CIMBOJI TpeBOrn IIN 6JIOKIpOBKn He OTO6paKaIoTcra. Пpr Heo6xOДMocTn CM. pyKOBoDCTBO NO yCTpaHEnHIO HenCnpaBHOCTeN (CM. § 6.4).
8) YcTaHOBInTe npOnyCKHyO cnOCo6HocTb IJRA BOdbl C NOMOuBo nepenynckHOrO BeHTnIa (cm. § 3.6 n 2.1) Ha ypoBHe, npeDyCMOTpeHHOM IJRA COOTBeTCTByIOUSeM OMeJI, TaK, UTO6bl pa3HnIa TeMnepaTyP BOdbl Ha BXOe/BbIXOe coCTabIra 2°C.
9) Nocne HeckoIbKnx MInHyT pa6Otbl npOBepbTe, yTo6bl TemnepaTypa BO3dyxa, BbIXOJaUeRo n3 ycTpoiCTBa, noHn3nJnacb (6bla MeJy 5 n 10^ ).
10) He BbIKHoua yCTpoiCTBa, OCTaHOBnTe fNtpaOnHHbI Haoc. YcTPOICTBO DOJXHO ABTOMaTHueCKN OTKIOUHTbcr N OKA3aTB KOD OUn6Kn E03.
11) OcTaBbTe yCTpoiCTBO n HAcOC PnBaTeIbHOrO 6aCCeIHbVKJIIOueHHbIMN KpyrIoCyTOUHO, NOKa TeMnepaTpa BOdbI He IDOCTURHT JeJaEMORO yPoBHa. KorDa TEmpePaTpa BOdbI Ha BXOJe DOCTURHT 3aDaHHO 3HaueHnra, yCTpoiCTBO OTKJIIOuHTcR. OHO cHOBa cMoCToRteJIbHO BKIOuHTcR (PnY UcNoBn, YTO 6yDet BkIOUeH HAcOC PnBaTeJIbHOrO 6aCCeIHHa), ecn TEmpePaTpa B PnBaTeIbHOM 6aCCeHne NOHN3ITcR XOTb 6bHa 0.5°C oT 3aDaHHO.
KoHTpOJIeP npOnyckHoi cnoc6Hoctn - YcTpoIcTB O Cha6KeHo KOHTpOJIePOM npOnyckHoi cnoc6Hoctn, KOTOpbI BKNIOUaET TeNIOBOH HAcOC npi BKIOUeHHOM qINbTPaCIOHHOM HAcOCE pIaBaTeJbHOro 6accSeHa, I OTKIOUaET TeNIOBOH HAcOC npi HepaBToAIOUeM qINbTPaCIOHHOM HAcOe. Iprn OTCyTCTBnI NOCTyIeHHa BObl Ha 3kpaHe peYJrTopa 3arOpITcKa Kod OUn6Kn E03 (Cm. § 6.4).
3aepkka - yctpoictbo pa6oTaet c 3aepkkoi B 3 MNHytbi C zelbIO 3aunTbIKOMHOENTOB ynpabJIOUeI CENI, yCTpaHEnn JIOBOH HeCTaBnBHOCTINPn IOBTOPHOM 3ayncke I BCex NomEx B CEEN KOHTAKTopa. BnaorapdAanHNO 3aepkke yctpoictBO ABTOMATUeCKN BKIOUaeTc npImepHo Upe33 MNHytBI NocIe NOLHO OTKIOUeHn ynpabJIOUeI CEEN. TaKIM JeO6pa30M KpaTKOBpemeHHoe OTKIOUeHne TOKa AKTNBU3npyET CENB 3aepkKnBKIOUeHnI.
3. YCTAHOBKA И ПОДКЛЮЧЕНЕ (прдожке)
3.6 YctaHOBka nponyckHOI cnoco6HOCTn Haocca
OTkpB BcHTnIN BxOda N BbIXOda BObl, OTpeRyIpyTe TaK Ha3bIbAeMbIn "IepenucHO" BeHTnlb TaK, YTO6bl pa3Hnua MeKdy TeMnpaTypamN BoDbl Ha BxOde N BbIXOde coCTabJra 2°C (cm. § 3.1 npHnCnnaJIbHO n Cxembl). Bbl MOKeTe IPOBepNTb IpaBnIbHOCTb peRyInpOBKn, KOHTpOJIpyr OTo6paXaEmbl Ha KOMaHdHO nnHeNN 3HaueHnRA Tempeatyp BoDbl Ha BXOde N BbIXOde.

TemnepaTpa BoBHa BxoJe
TemnepaTypa BoBbHa BbIXOe
Приимechа : OТкрытne ТAK Называмо "перуckног" ВERTИЯ ПОнжаET Влияне пponуckнов снобости Ha NOВьшенe pa3nцbl Tempepatyp ΔT. Зakрытne TAK Ha3ывамо "перуckног" ВERTИЯ ПОвьшаet Влиянe пponуckнов снобostи Ha NOHIXeHne pa3nцbl Tempepatyp ΔT.
4.ИНТЕРФЕС ПОЛьЗВATEЛЯ
4.1 067ne cBeDeHnA
TeTNOBn HAcOC O6OpUdoBaH NaHeIbU cNΦpOBOrO ynpaBNeHnC TaKTNJIbHbIM 3KpaHOM, CoeINHeHHo 3JKeKTPuYeCKn C yCTpoiCTBOM n HaCTPoeHHbIM Ha 3aBoDe Ha peXIM NODOrpeBa.




YcNoBhIe 06o3HaueHn
| 1Во Ды БхОдe |
| 2Ржим OTТаВаня |
| 3Ржим рабты |
| 4Ин ДиКаТор рабтыkomпразсора |
| 5БлOKИровka зараза 6ТрЕВORA |
| 7Температура ВОды на ВьХОдe |
| 8ВкЛ./ВьIKЛ./ВОЗВрAT |
| 9Заданнaya Temпература |
| 10ВрЕмЯ |
| 11Выбор рек immа рабови |
| 12Установka заданно зсанения |
| 13Настойка таймера рек immа тишины |
| 14Вклочение бесшумого рек imma |
| 15Настойка даты и врemeи |
| 16Настойка таймера ВКлочении и Вьклочении |
| 17Ддостун К расшире"HьIM Настойам |
| 18Ддостун К спису несниравносту |
| 19Бозв rat (бeз поверки) |
| 20П одтверждениe |
4. Интуг佩с NOльб3OBATEЛЯ (проголженье)
Pexim BbIKI. (BbIKIOUcHne)
Korda TeNIOBOH HAcOC BbIKIoueH (HaxoNTcBpeXmE OxuHaHnA),Ha 3kpaHe oTo6paxaetc cNoBO BblKJI. YepHbI 3KpaH O3NaUaET, yTO TeNIOBOH HAcOC BbIKIoueH.B 3TOM peXmE MoXHo HaCTpaNBaTb npaMeTpbl.
Pexim BKJ. (BKJIIOUcEHNE)
Korda tenloboh hacoc pa6oTaet nHn HAcTpaNBAeTc (DocTnraet 3aHaHHoro 3NaueHn), 3KpaH CTaHOBNTcCINHM.


Дяпегекдаиз ржима BыКЛ.В ржим BKЛ.и haobopot нажмITE Khoнky
4. INHTEPФЕИС ПОЛьЗВATEЛЯ (проблженье)
4.2 Hactpoika daTbI IN BpeMeHn
YcTaHOBka DaTbI IN BpeMeH N MoXeT 6bITb BblOnHeHa B peXnme BKJI. nnn BblKJ.

HaxmTe a3, yTo6bI BepHyTbcr Ha rnaBbI 3KpaH.
4. INHTEPФЕИС ПОЛьЗВATEЛЯ (проблженье)
4.3 YcTaHOBka TaIeMoPb BkJIoueHn I BbIKJIoueHn.
YcTaHOBka 3Toi cyHKuHn HxHa B TOM cIyuae, ecn BbI XOTITE, YTO6bl TeNIOBOH HAcOC pa6oTaN B TeueHne 6Oone KOpOTKOro nepNoDA BpeMeHN IO CpaBHeHIO C yCTaHOBJIeHHbIM BpeMeHem 4nIbTpauHN. BbI TAKKe MoKeTe 3aPpOrpaMMIpOBaTB pON3BOJbHOe BpeM RAKNUChEHN I BBIKJIOUeHNA IN PPOCTO OTKJIIOHTb BpeMeHHo PA6OuHdAna3OH (HaNPImep, HOybI).
Bb mokeTe 3anporpaMMnpoBaTb TaMep Nycn Timer Off.
Iar hactpoKn-(NoacobOy).


4. INHTEPФЕС ПОЛьЗВATEЛЯ (проблженье)





Ceepxbapku chu = AkmuopeaHo
Cepbiu = De3aKmu8upo8aHo
HaxmTe a3, yTo6bI BepHyTbcr Ha rnaBbI 3KpaH.
4.ИНТЕПЕС ПОЛьЗВATEЛЯ (проблженье)
4.4 YctaHObKa 3aHaHHoro 3HaueHnA
3aHaHoe 3NaueHne yCTaHaBnBaetcKaK BpeXmE BKJ., TaK n B peXmE BblKl. c ToUHOCTbH Do 0,5 °C.






HaXmTe a3, yTo6bI BepHyTbcr Ha rnaBbHn 3KpaH.

I4mo6bl u36exambdeopmauuu kapoebix mpy6ok, pekomehdyemcra Huko2da He npebuiawmbmemnepamypy 30^
4.ИНТЕПЕС ПОЛьЗВATEЛЯ (прдοлженье)
4.5Блokировka npa36лokировka TaKTNьного экрана
Блokировka и ра3блokировka зараза на мочь в польные в ржиме BKЛ. Или ВыКЛ.



3a6nokupoBaHo



Pa36JIOKIpObaHo
4. INHTEPФЕИС ПОЛьЗВATEЛЯ (проблженье)
4.6 Hac troponka yHKcnn 6ecwymhoro pexmama SILENCE
PexnM TnHbI NO3BOJareT nCNOJb3OBaTb TeNIOByO NOMy B 3KOHOMHOM pexnme N TnHHe B Cnyae Hn3KoH HarpeBaTeNbHO NOTpe6HOCTn (noDnepXnBaTb Tempeatpy B 6accEne HJI, ecnn HxHo, noDnepXnBaTb Tnxn peKm pa6oTbl).
3TaФункцЯ MOKET 6bITb aKTINBnPOBaHa/DeaKTINBnPOBaHa BpyHyIO NII C NOMOuTo TaMepa..
AknBaun/daeknBaun

Becuymhbl BbIKIOueH

PexkIM TnHbI aKTHBIpOBaH
PHaxmnte a3, yTo6bI BepHyTbcr Ha IpaBbI 3KpaH.
4. INHTEPФЕС ПОЛьЗВATEЛЯ (проблженье)
Hac tropona taimepa BECUYMHOO pexma






4. INHTEPФЕС ПОЛьЗВATEЛЯ (проблженье)

PHaxmnte 2a3, yTo6bI BepHyTbcr Ha rnaBbHn 3KpaH.

UaHacmpouku-«noyacobou».
Iocne akmuauu Taumep deucmeyem kpyzlocymo7 dHeu Hepeio.
5.2 KoncepBaциЯ на заиму
- Ipepebeinte TeTnIOBOn Hacoc B peXm "BbIKJ."
- OTKJIIOUHTe TENJIOBOH HAcOC OT NCTOCHKA NITAHIA.
- Cnéte coDépχIMoe KOHDeHcaTopa Дя пpeДOTbpaUeHnЯ риcka NOBpeXdEHHra (pNCK BO3MOxHOrO 3aMep3aHnЯ).
3akpoTe "nepenyckhoB" BeHTnIb N OTCoeDnHnte WtTycePbIe CoeINHeHn BxOda/BbIXOda.
C NOMOUII INCTOJIeTa BbICOKOrO DaBJIeHnMaKcIMaJIbHO BblIyIte OCTaTKI BOIbI N3 KOHNHeHCaTOPa. - IpepekoTe BxOД n BbIXOD nB Odbl TeNIOBOrO Hacoca nI npedOTbpaueHn nonaHaHn Tya nHOpOHBix TeI.
- YkpoIte TeTNOBoi Hacoc npedHa3HaeHHbIM dIy 3Tnx ceJeN 3MHNm YexnOM.

JIIO6bIe HENoJaDKU, 8b13BaHHbIe HEnpaBulbHOu KOHcepeaueu Ha 3umHu nepuOd, aHnIupyIom zapaHmUo.
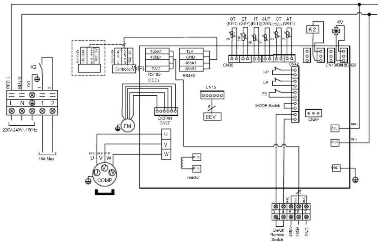
6.1 3neKtpnueckne cxembl
HP5091DT3HA / HP5111DT3HA

ПРIMEЧАЙ
AT: DATYHK TEMINEPATyBo3dyXA
COMP:KOMPPECCOP
CT: DATYHK TEMNEPATYPbI IcnapITEJIa
EEV:3JIeKTPoHHbI PEDyKTOP
FM: MOTOP BEHTINIYTOPA
FS:DETEKTOP HAJINUBA BOIbI
HP: INPECCOCTAT BbICOKOTO DABJIENHIA
IT:ДАТЧИК TemпЕРATуРь BОДы HА BXОДE
LP: INPECCOCTAT HN3K0TO JABJIENHIA
OT:ДАТЧИК TEMПЕРATYPы BОДыHA ВБIXODE
SUT: DATYHK TEMINEPATyPbI BCACbIBAHNIA
4V:4-XKAHAJIbHbI BEHTINb CBOBODHy KOHTAKT C
K2:MAKCIMAJHbIM NOTEHUNAJIOM 16 A
ET: DATYK TEMNEPATyPbI HAFHTAHNIA 1: DONOHHTENBHO
6. ПИЮЖЕНИ (проблженье)

HP5151DT3HA / HP5181DT3HA
PIMMEUAHNIA
AT:ДАТУК TEMПЕРATYPБI BO3ДУXA
COMP:KOMIPECCOP
CT: DATYHK TEMNEPATyPbI NcnaputeJIa
EEV:3JIeKTPoHHbI PEDyKTOP
FM: MOTOP BEHTNJITOPA
FS:DETEKTOP HAIINYI BOIby
HP: INPECCOCTAT BbICOKOTo DABJIENHIA
IT: DATYHK TEMNEPATyPbI BOBbl HA BXODE
LP: INPECCOCTAT HN3K0TO DABNEHIN
OT: DATYHK TEMNEPATyPbI BOybI HA BbIXOe
SUT: DATYIK TEMINEPATyPbI BCACbIBAHNIA
4V:4-XKAHAJIbHbI BEHTINb CBOBOHbIKOHTAKT C
K2:MAKCMAJHbIM NOTEHLNAJIOM 16A
ET: DATYHK TEMNEPATyPbI HAHETAHNIA
1:ДОПОЛНТЕNBHO
6. ПИЛОЖЕНИ (прдожене)
6.2 Bключене подогрев в качессвприорпета

Pa3bEmbl 1 n 2 o6ecneuBAOT noauy nHTaHna Ha 6eNoJIaRbI KOHTA Tnp HAnpJKeHN 230V/50Hz. IoKJIIOUHTe Ka6eIN K pa3bEmam 1 n 2 B COOTBETCTBn C yKa3aHHoM MOHTaXHOcXeMOI dNra aBTOMaTHueCKO peYInpOBKn HAcOca fNtpaunn N O cNKlAm B 2 MNHyTbI KaXdbI Yac, KOrDa TeMnepaTpya pe3epByapa CHHXaeTcH NHexe yCTaHOBHeHHoro 3HaueHnra.
HnkOrda He noKluOaTb NtAHne cnIbTpauOnHO HacOca npA Mo K KJIeMMam 1 n 2.

6. ПИЛОЖЕНИ (проблженье)
6.3 BnB pa36ope n cbeMHbIe 3JIeMeHTbl

HP5091DT3HA / HP5111DT3HA / HP5151DT3HA / HP5181DT3HA

6. ПИЛОЖЕНИ (прдожене)
| Издемпоста | Названne | Справочны homер | HP5091DT3HA | HP5111DT3HA | HP5151DT3HA | HP5181DT3HA |
| 1 | Паленье пeredня | HWX80900843 | ✓ | ✓ | Нет даньх | Нет даньх |
| HWX80900844 | Нет даньх | Нет даньх | ✓ | Нет даньх | ||
| HWX80900850 | Нет даньх | Нет даньх | Нет даньх | ✓ | ||
| 2 | LED kontrорлес HWX72200070 | ✓✓ | ✓✓ | |||
| 3 | Зашатая сетка вентлиятора | HWX80900375 | ✓ | ✓ | ✓ | Нет даньх |
| HWX20000220369 | Нет даньх | Нет даньх | Даньх | ✓ | ||
| 4 | Виот вentлиятора | HWX301030000006 | ✓ | ✓ | Нет даньх | Нет даньх |
| HWX301030000001 | Нет даньх | Нет даньх | ✓ | ✓ | ||
| 5 | /// | / | / | / | ||
| 6 | МOTOP вentлиятора DC | HWX80200018 | ✓ | ✓ | Нет даньх | Нет даньх |
| HWX20000330132 | Нет даньх | Нет даньх | ✓ | ✓ | ||
| 7 | Катушиka 16 A 50 Hz 5 mH HWX82500020 | ✓ | ✓ | Нет даньх | Нет даньх | |
| Катушиka 20 A 50 Hz 5.2 mH HWX82500021 | Нет даньх | Нет даньх | ✓ | ✓ | ||
| 8 | Левая палень | HWX80702123 | ✓ | ✓ | Нет даньх | Нет даньх |
| HWX80700244 | Нет даньх | Нет даньх | ✓ | Нет даньх | ||
| HWX80702268 | Нет даньх | Нет даньх | Нет даньх | ✓ | ||
| 9 | Пл actинчаты мсарител | HWX80600042 | ✓ | Нет даньх | Нет даньх | Нет даньх |
| HWX80600043 | Нет даньх | ✓ | Нет даньх | Нет даньх | ||
| HWX80600044 | Нет даньх | Нет даньх | ✓ | Нет даньх | ||
| HWX80600078 | Нет даньх | Нет даньх | Даньх | ✓ | ||
| 10 | Оpopа двигателя | HWX80700218 | ✓ | ✓ | Нет даньх | Нет даньх |
| HWX80700248 | Нет даньх | Нет даньх | ✓ | Нет даньх | ||
| HWX80700329 | Нет даньх | Нет даньх | Даньх | ✓ | ||
| 11 | /// | /// | ||||
| 12 | Верхая палень | HWX80900055 | ✓ | ✓ | Нет даньх | Нет даньх |
| HWX301090200806 | Нет даньх | Нет даньх | ✓ | Нет даньх | ||
| HWX80900076 | Нет даньх | Нет даньх | Нет даньх | ✓ | ||
| 13 | ////// | |||||
| 14 | ////// | |||||
| 15 | Реленнистов давлия NO 0.30 MPa / 0.15 MPa | HWX20000360157 | ✓ | ✓✓ | ✓ | |
| 16 | Замер давлия 40 мм 1/2 дiomma HWX20000140150 | ✓✓ | ✓✓ | ✓ | ||
| 17 | Реленнистов давлия NC 3.2 MPa/4.4 MPa | HWX20013605 | ✓✓ | ✓✓ | ||
| 18 | Детектор погуckно слобостru HWX8300068 | ✓✓ | ✓✓ | ✓ | ||
| 19 | Соединейгь T 0 6.5-2 x 0 6.5(T) x 0.75 | HWX20001460 | ✓✓ | ✓✓ | ||
| 20 | Эльскронный рedingктор | HWX81000011 | ✓ | ✓ | Нет даньх | Нет даньх |
| HWX81000013 | Нет даньх | Нет даньх | ✓ | ✓ | ||
| 21 | Соединейгь T 0 9.52-2 x 0 6.35(T) x 1.0 HxW30403000002 | ✓ | ✓✓ | ✓ | ✓ | |
| 22 | Фильtmр 0 9.7-0 9.7 (Ø19) | HWX20000140178 | ✓ | ✓ | Нет даньх | Нет даньх |
| Фильtmр 0 9.7-0 9.7 (Ø28) | HWX20041444 | Нет даньх | Нет даньх | ✓ | ✓ | |
| 23 | 4-xodobov klnanah | HWX20041437 | ✓ | ✓✓ | ✓ | |
| 24 | Траим automobileцеров(h) | HWX32092209 | ✓✓ | ✓✓ | ||
| 25 | Правая палень | HWX80700580 | ✓ | ✓ | Нет даньх | Нет даньх |
| HWX80700878 | Нет даньх | Нет даньх | ✓ | Нет даньх | ||
| HWX80700581 | Нет даньх | Нет даньх | Даньх | ✓ | ||
| 26 | Конденистор Titane/ПBX | HWX72300013 | ✓ | Нет даньх | Нет даньх | Даньх |
| HWX72300014 | Нет даньх | ✓ | Нет даньх | Нет даньх | ||
| HWX72300010 | Нет даньх | Нет даньх | ✓ | Нет даньх | ||
| HWX72300024 | Нет даньх | Нет даньх | Даньх | ✓ | ||
| 27 | / | ////// | ||||
| 28 | Компразсор | HWX80100108 | ✓ | ✓ | Нет даньх | Нет даньх |
| HWX80100046 | Нет даньх | Нет даньх | ✓ | ✓ |
6. ПИЛОЖЕНИ (проблженье)
HP5091DT3HA / HP5111DT3HA / HP5151DT3HA / HP5181DT3HA


6. ПИЛОЖЕНИ (прдожене)
| Идзаша | Назване | Справочьй Homeр | HP5091DT3HA | HP5111DT3HA | HP5151DT3HA | HP5181DT3HA |
| 29 | Датчек Всасьваимяkomпессора5k - 560 mm | HWX83000044 | ✓ | ✓ | Нет даньх | нет даньх |
| Датчек Всасьваимяkomпессора5k - 760 mm | HWX83000053net | Даньх net даньх | ✓ | ✓ | ||
| Датчek Temпературь ВОзduха5k - 350 mm | HWX83000049 | ✓ ✓ | ✓ ✓ | |||
| Вобь на Вбхode зонда 5k - 410 mm HWX83000050 | ✓ ✓ | ✓ ✓ | ||||
| Вobь на Вхode зонда 5k - 850 mm HWX83000052 | ✓ ✓ | ✓ | Нет даньх | |||
| Вobь на Вхode зонда 5k - 980 mm HWX83000055net даньх | NET даньх net dаньх | ✓ | ||||
| Датчek Нагнотаимяkomпессора50k - 660 mm | HWX83000026 | ✓ ✓ | ✓ ✓ | |||
| Датчek размогжимья 5k - 680 mm HWX83000051 | ✓ | ✓ | Нет даньх | Нет даньх | ||
| Датчek размогжимья 5k - 1040 mm HWX83000045 | ✓ ✓ | ✓ ✓ | ||||
| 30 | Фильтpr EMC HWX20003257 | NET даньх | NET даньх | ✓ | ✓ | |
| 31Y | правлишая залковая плata | HWX72200168AP3 | ✓ | NET даньх | NET даньх | NET даньх |
| HWX72200168AP4 | NET даньх | ✓ | NET даньх | NET даньх | ||
| HWX72200167AP5 | NET даньх | NET даньх | ✓ | NET даньх | ||
| HWX72200167AP6 | NET даньх | NET даньх | NET даньх | ✓ | ||
| 32 | Реле K2 HWX20000360297 | ✓ ✓ | ✓ ✓ | |||
| 33 | Пер_EXODник, L-N-GND5-x контактны 4 mm² | HWX40003901 | ✓ ✓ | ✓ ✓ | ||
| 34 | Заштона деврь HWX80900321 | ✓ ✓ | ✓ ✓ |
6. ПИЛОЖЕНИ (проблженье)
6.4 CnpaBoUHnK no ycTpaHeHnO HeNCpPaBHOCTeN

Hekomopbie onepauu doJxHbI ebINOJHMbcra KeaunuupoBaHHbIMU cneuaucmamu.
B cnyuae HeNCnpaBHOCTn TeNIOBORo HAcOca B neBOM BepxHem yrny 3KpaHa OTO6paxKaETcR cMBOJ
B cnyuae HeincnpaBHOCTn CneDyUoIe HndNKaTOpbl NOBbTcH Ha 3KpaHe:


Iocne pewehna npo6nembl ou6ka aemomamuecku omMeaemcKaK ucnpa8enneHa, u mpey20nbHuk ucye3aem.
• UTo6bI OUHCTNTb CnNcOK OUnN6OK, HaxMnte Ha . Del
PHaxmnte 1a3, yTo6bI BepHyTbcr Ha rnaBbHn 3KpaH.
6. ПИЛОЖЕНИ (прдожене)
| Henschpabnoctn | Kodbl ошибok | Описане Устранения | |
| Henschpabnoctb Datчika Bodы Na ВхODE | P01 | Датчek otкрьт ил пожишто коротко Замыкани. | Пробerte.coordinatenecN21/RES1 На плATEи удлинітейь ялл заменіт# датчik. |
| Henschpabnoctb Datчika Bodы Na ВыхODE | P02 | Пробerte.coordinatenecN22/RES2 Na плATEи удлинітейь ялл заменіт# датчik. | |
| Henschpabnoctb Datчika OTТаньаня P04 | P04 | Пробerte.coordinatenecN12/PH Na плATEи удлинітейь ялл заменіт# датчik. | |
| Henschpabnoctb Datчika Tempepatурь okryжайся среы | P05 | Пробerte.coordinatenecC8/NOT Na плATEи удлинітейь ялл заменіт# датчik. | |
| Осутstве 30нда BCASыВанья komпесcopa | P07 | Пробerte.coordinatenecC7/OAT Na плATEи удлинітейь ялл заменіт# датчik. | |
| Осутstве 30нда нагнетаня komпесcopa | P081 | Пробerte.coordinatenecC9/OHT Na плATEи удлинітейь ялл заменіт# датчik. | |
| Зашпта OT ВсICOKOrо давлиения E01 | Датчek otкрьт ил пожишто коротко Замыкани. | Пробerte.coordinatenecC30/HP Na КарTeи плл заменіт# датчik | |
| Пробerte.pacxod Bodы | |||
| Пробerte.datчik.pacxodа Bodы | |||
| Пробerte.OTКрытne вентileи | |||
| Пробerte.nepenycknyо сисему | |||
| Пробerte.zasopenerne Искapителя | |||
| Temperapotypa Bodы сшиком ВсICOKая | |||
| Пробileма c konduнсатom поlete облухиваня, опорожин'te и ИзBLEККITEсухуххолыну сисему | |||
| Слшков. Богьшке колиес'two ЖиДКOSTВСССЕМЕ, удaniTE ЖиДКOSTВССССССССССССССССССССССССССССССССССССССССССССССССССССССССССССССССССССССССССССССССССССССССССССССССССССCS | |||
| Зашпта OT ИЗКORO давлиения E02 | Датчek otкрьт ил пожишто коротко Замыкани. | Пробerte.coordinatenecAl/DI03 Na КарTeи плл заменіт# датчik | |
| Занчitelьная утука охлajданец' ЖиДКOSTТ, надINTEteчь сnomoцью датчiktopa | |||
| ИзКоe колиес'two постуноно ВОзДуха, пobерьte scokoportь Врашения вentilятopa | |||
| Пробerte.zasopenerne Искapитelя, ОчиртITе ergo поверхиность | |||
| Henschpabnoctb DeTektorpa pronpysckhoi спосб�ости | E03 | Датчek otкрьт ил пожишто коротко Замыкани. | Пробerte.coordinatenecAl/DI02 Na КарTeи плл заменіт# датчik |
| Hexbatka Bodы, пobерьte pa6otу ФильТрациони ПOMпь | |||
| Прoberte,OTКрыть liи стопорны ВeHTПИ | |||
| Прoberte.perugлорьку порени сис temы |
6. ПИЛОЖЕНИ (проблженье)
| HenschnpaBnOstn | KoIbI OushIbok | Описане Устранени | |
| Раэницу TempeРаТу на ВхODE/БухODE > 13 °C | E06 | ПриименяЕТСЯ ТOLьКВ рЕЖIMe Oхлajждени | HexBaTka BovI, поверьte paBoToу ФильТрационнoi ПOMпь |
| Поверьte, оТкрытI li StOnOpHbIe BEHTIIIi | |||
| Поверьte PerugInpOBkU nepenucKhoNсИСTeMbl | |||
| Зашпta ot замерзаня Xолodнiy рекIM | E07 | КолчесТВ BovI Ha BvIXOde сПИшkom МалLO. | Поверьтл propnyckHyю спocobбосты илдотчК TempePаТуь BovI Ha BvIXOde. |
| Сбои B пereДаче Информали E08 | Нет сеДиЕня Mewdу aIeKtpOnHoi Платои IpoIbZIObATElbckim INTErpeIcom | Поверьte сеДиЕня — CM. sxemy coeДиЕнIH. | |
| Зашпta ot замерзаня - уразовь 1 E19 | 2° < TempePаТу BAODIy < 4° n TempePаТу BA3DуxHa < 0° | ОstahOBnTE pa6Oу TepNoBOrO hacOca, cneIte konДeHcTaTOp,ЧтБы nI3БeKaTb 3amEp3aHnI; no ymoJUchAnIO TepNoBoi Hacoc 3anuYCaTeФиЛТрационнii Hacoc ДдЯ пpeDITbPaazehnia 3amep3aHnI | |
| Зашпta ot замерзаня - уразовь 2 E29 | TempePаТу BAODIy < Do 2° n TempePаТу BA3DуxHa < 0° | ОstahOBnTE pa6Oу TepNoBOrO hacOca, cneIte konДeHcTaTOp, ChTБы nI3БeKaTb 3amEp3aHnI; no ymoJUchAnIO TepNoBoi Hacoc 3anuYCaTeФиЛТрационнii Hacoc I TepNoBoi Hacoc ДдЯ пpeDITbPaazehnia 3amep3aHnI. | |
| HenschnpaBnOstb Двигаеля BENTIIЯТорa | F031 | Двигаель 3abLokipobavи ил ectb пroБлema C coeДиЕнiam | Поверьte сбобдhoe Врашени; поверьte сеДиЕнe CN97/DCFan; 3amEHnIte DBIVaTeIb |
| HenschnpaBnOstb Двигаеля BENTIIЯТорa | F051 OuzIbka coeДиЕня | Поверьte сеДиЕнe DCFAN/CN97; 3amEHnIte DBIVaTeIb | |
| HapyЖная TempePаТу спИшkom HИЗКА | TP Pa6Oчй пeDEнДоCTINHуT BvIKlOчиTe TEL | ПовERьоHacO |
6.5 ГаHTиЯ
ГAPАNTИНБIE OБЯЗATEЛьСТВА
Ha BcI npOdyKuIO KOMnAHn HAYWARD B TeueHne DByx NeT C MOMeHTa
Ppno6peTeHn paCnpocTpAraHreTcra pArHTn OTCyTCTBnA DeΦeKTOB, CB3aHHbIX
Cpa6Toi nn MaTePnAnAMn. HactoJaa rapaHTn DeiCTBnteJIbHa IINb npN
PpeDbYBeHn DOkUMeHTa, NOITBepXdaIoUeRo fakr n DaTy NOKyn. B CB83n C 3TNM
MbI peKomeHdyem CoXpaHrTb TOBApHbI Yek.
TapaHTnKaOMnAHn HAYWARD cBoDntcra NIIb K pEmoHTy nIIN 3aMeHe, no BbIbOpY KOMnAHn HAYWARD, DepeKTHoro n3deJnna npu ycIOBn erO HopMaJIbHOJ 3KcNpyaTauHn B COOTBeTCTBn C Tpe6OBaHnMn IHCTpyKcNn NO 3KcNpyaTaUHn, OTCyTCTBn KaKnx-Jn6o MoDnΦnKaU n3DeJnna n IcNOJb3OBaHn KOMnoHEtOB n 3aNaChbIX qacTei NCKIIOHTeJIbHO KOMnAHn HAYWARD. DeicTBne rapaHTnn He paCnpocTpaHReTcRa Ha nocJeDCTBnRA BO3DeEICTBnRA Mopo03a n XIMNUeCKNX BeueCTB. BCE npOue paCXoDbI (doCTaBA, npON3BOIDCTBO pa6OT, ...) He BKIOUeHb I RapaHTnIO.
KOMnHn HAYWARD He HeceT OTBETCTBEHHOCr 3a JIO6o yUeP6, npraMoN nn KocBeHHbI, YBJIIOUIcR CJeDcTBHeM HeIpaBnIbHOY cTaHOBKn, NODKNIOueHnRA nn pa6Otbl N3dEJIIN.
ДяТоуTO6bI BOCNoIb3OBaTbcra rapaHTnei nNotpe6oBaTb BO3MeueHnCToHMOCTN IIN 3aMeHb I3DeJIy, O6paTntEcB K BaWeMy npOaBu. Bo3BpAT n3DeJIy Ha 3aBOJN3ROTOBNTeNb HeBO3MOKeH 6e3 NaIeRrO npEaBapITeNbHO rNcMbHeHOrO corJaSCn. TapaHTnI He paCnpocTpaHReTcRa 6bICTpon3HaunBaUoUneCe DaTaII.
6.6 Okohyahne cpoka cnjx6bI yctpoiCTBa
Дя утллзаци Илп néрработк.В стразхЕрoneckoro Co03a nВ Hopberи COЗдаHA cneцальнаг поцетура утллзаци ТAKORO Bnda n3deл.
Дя сбopa, ДемоNTажа и утлпзацин оТORO yctpoiCTBa Heo6xODnmo obpaTntbся К установшику пл MeCTHOMy npedctabNTeIIO.
YTNIN3aIy XnaIaIeHTa, Macna I npyInx DeTaJIeN 3JIeMeHToB DOJIXHa BbINOJIHrTbcra KBaJIINΦUncPOBaHHbIM CneLNaIInCTOM B COOTBetCTBnC peRHOHaJIbHbIM HauNoHaJIbHbIM 3aKOHOdaTeJIbCTBOM.
Ecnn n3dJIne cOePxHt aKKymJrTopHbIe 6aTapeKn, OTMeueHHbIe 3TmCnMBOJOM, 3TO O3NaHaET, YTO aKKymJrTopbI MOrYT cOePxAbBpeHbIe NII 3aRpy3HryUcne BeSeCTBa. B 3Tom cIyuae yTuIN3uPoBaTb aKKymJrTopbI Heo6xoDmO B nyHKTe c6opa IcNoJIb3OBaHHbIX aKKymJrTopHbIX 6aTapeek.
ПростаяИнструкция